Funktionen, Zweck und Eigenschaften
Ein Tor ist eine Trennwand, die sich im Schornstein befindet. Es wiederholt die Form und Fläche seines Querschnitts und überlappt ihn im geschlossenen Zustand fast vollständig. Durch Ändern der Position des Tors können Sie die Öffnung des Kaminrohrs vergrößern oder verkleinern und so den Luftstrom erhöhen oder schwächen. Mit Hilfe des Dämpfers können Sie die Luftbewegung stoppen, nachdem Sie den Ofen angezündet haben.
Das Schiebetor ist eine dünne Metallplatte, die manuell mit einem speziellen Knopf eingestellt wird. Letzteres befindet sich außerhalb des Kaminrohrs, so dass der Benutzer die Position der Platte manuell einstellen kann.
Je nach Ausführung und Typ des Dämpfers wird er mit einem speziellen Metallrahmen montiert oder in das Rohr eingesetzt und mit einer Axialstange befestigt.
Die Schornsteinklappe erfüllt folgende Funktionen:
- erhöht die Traktion bei schwierigen Wetterbedingungen;
- erhöht die Verbrennungsintensität im Ofen durch Erhöhen des Sauerstoffstroms;
- reduziert die Traktion bei starkem Brummen im Schornstein bei starkem Wind;
- spart Kraftstoff durch Reduzierung der Verbrennungsintensität;
- Verhindert Wärmeleckage nach dem Aufwärmen des Heizgeräts.
Wie man einen Absperrschieber mit eigenen Händen macht
Überlegen Sie, wie Sie beide Optionen für Schornsteinventile festlegen können - einziehbar und drehbar. Jeder von ihnen hat seine eigenen Nuancen bei Herstellung und Installation. Beginnen wir mit einer ausziehbaren Ansicht.
Vorbereitung von Materialien und Werkzeugen
Um das einfachste Modell eines einziehbaren Tors zu erstellen, ist verzinkter Stahl geeignet. Es ist leicht, dank seiner glatten Oberfläche kann es leicht von Ruß gereinigt werden, und bei Bedarf kann das bewegliche Teil leicht ausgetauscht werden.

Millimeterstahl funktioniert nicht, da er sich leicht biegt, und wenn er verformt ist, ist es schwierig, die Platte in den Schornstein zu schieben. Die minimale Blechdicke beträgt 1,5 mm und vorzugsweise 2 bis 2,5 mm
Die Hauptwerkzeuge sind ein Schweißgerät, Elektroden, ein Schleifer, eine Metallschere (wir wählen je nach Dicke des Blechs), ein Bohrer mit einer Schleifscheibe, Metallbohrer, eine Feile. Am besten wird an einer Werkbank mit einem Schraubstock gearbeitet. Unter anderem benötigen Sie ein Blatt Papier für eine Vorlage, ein Maßband, einen Marker.
Erstellen eines Diagramms (Zeichnen)
Messungen müssen ernst genommen werden, da bereits wenige Millimeter zu Fehlfunktionen des Schornsteins führen können. Um die Abmessungen des Rahmens herauszufinden, sollten Sie den Querschnitt des Schornsteins mit einem Maßband messen - er stimmt mit den Abmessungen der Innenseite des Rahmens überein. Fügen Sie zu diesem Wert 20-30 mm von drei Seiten hinzu und berechnen Sie die Außenseite des Rahmens.


Zeichnung eines Dämpfers mit Drahtrahmen. Ein Drahtrahmen ist schwieriger am Mauerwerk zu befestigen als ein Profil mit flachen, breiten Seiten.
Damit der Riegel ohne Kraftaufwand leicht herausgleiten kann, sollte er in der Breite etwas schmaler sein als die Breite des Rahmens (unter Berücksichtigung der Außenseiten). Um die Berechnungen zu vereinfachen, müssen Sie ein Strukturdiagramm zeichnen und alle möglichen Abmessungen festlegen, damit Sie in Zukunft während der Arbeit mit Metall entlang dieser navigieren können.
Bei Metallrohren wird die Konstruktion eines flachen Dämpfers normalerweise mit einem senkrecht angeordneten Schornsteinfragment kombiniert.


Abmessungen der Struktur für ein rechteckiges Rohr. Das Ventil muss den Rauchgasauslass vollständig blockieren, gleichzeitig aber kleine Löcher für das Eindringen von Luft aufweisen, die mit einem Bohrer oder einem Spalt gebohrt werden
Für gemauerte Schornsteine ist ein flacher Rahmen aus Draht oder ein Profil mit einem Schlitten entlang der Führungen (zwei parallele Seiten) ausreichend.
Teile markieren und ausschneiden
Nachdem wir die genauen Abmessungen ermittelt haben, schneiden wir den Rahmen für das Tor aus. Wenn der Schornstein klein ist (z. B. in einem Badehaus oder in einer Sommerküche), können Sie einen dicken Draht verwenden und ihn in Form des Buchstabens P biegen.
Ein soliderer Rahmen ist ein stabiles Eckprofil. Schneiden Sie dazu einen Streifen aus Stahlblech und biegen Sie ihn in einem Winkel von 90 ° in Längsrichtung. Um dem Profil die gewünschte Form zu geben, schneiden wir an den Stellen, an denen die Ecken umrissen sind, eine der Ebenen. Beim Biegen erhalten wir einen Rahmen. Schweißen Sie die Falten.
Als nächstes schneiden wir den Dämpfer selbst aus. Es sollte etwa 5-10 mm schmaler als die Rahmenbreite sein. Wir stellen die Länge so ein, dass im geschlossenen Zustand nur ein kleines Fragment des Ventils nach außen schaut. Sie können es auf verschiedene Arten gestalten: in Form eines Ohrs mit einem Loch oder nur einer gefalteten Kante.
Wir reinigen die Kanten des ausgeschnittenen Tors mit einer Scheibe, damit der Schließ- / Öffnungsvorgang einfach und leise ist. Sie können die Details nicht malen.
Schritte zur Installation des Absperrschiebers
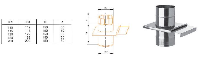
Das Foto zeigt die Schritte zur Installation eines werkseitig hergestellten Tors. Ein selbstgemachtes Gerät wird nach dem gleichen Prinzip montiert.
Bildergalerie
Foto von


In Übereinstimmung mit dem Diagramm der Ofenvorrichtung bestimmen wir den Installationsort des Schiebetors und markieren die Steine, die geschnitten werden müssen


Wir nehmen die Ziegel heraus, die als Grundlage für die Installation des Dämpfers dienen, und schneiden sie mit einem Schleifer auf die Größe des Torrahmens


Wir verwenden Mauerwerksmörtel, um das Ventil zu befestigen. Wir wenden es von oben auf den Installationsort und dann auf die Kanten des Rahmens an


Das Ventil "stand" auf der gleichen Höhe wie die übrigen Ziegel, so dass es keine Hindernisse für weiteres Mauerwerk gibt. Es wird auf die übliche Weise hergestellt - gemäß dem Bestellschema
Schritt 1 - Bestimmen des Installationsorts
Schritt 2 - Schneiden Sie die Steine um das Loch herum
Schritt 3 - Pflanzen Sie das Tor auf den Mörser
Schritt 4 - Mauerwerk über dem Tor
Die Höhe der Dämpferinstallation hängt weitgehend von der Konstruktion des Ofens ab, bei Badöfen ist sie niedriger, bei Heizöfen für das Haus höher. Die Mindesthöhe beträgt 0,9-1 m vom Boden, die Höchsthöhe beträgt ca. 2 m.
Merkmale der Installation von Schiebedämpfern
Strukturell ist das Absperrschloss eine Verriegelungsvorrichtung mit einem einstellbaren Absperrschieber. Dank der Verschiebung des Ventils wird die Bewegung der Gase im Schornstein reguliert. Es kann in runden, quadratischen und rechteckigen Kaminen installiert werden. Es ist eine Metallplatte, die sich auf bestimmte Weise im Rauchkanal bewegt.


Es gibt zwei Arten von Tordämpfern:
- Einziehbar. Bewegt sich in derselben Ebene hin und her.
- Schwenken. Reguliert den Luftzugang durch Drehen um die eigene Achse.
Zusätzlich können die Absperrschieber manuell und mit einem elektrischen Stellantrieb ausgestattet sein. Die Kosten für letztere sind um eine Größenordnung höher und sie werden nicht in Kaminen verwendet.
Um die Drosselklappe zu installieren, müssen Markierungen am Rohr angebracht werden, um Löcher entsprechend der geschweißten Ventilstruktur zu bohren.
Dazu müssen Sie das Rohr mit einem Maßband messen und Markierungen für zukünftige Löcher machen. Nachdem Sie sichergestellt haben, dass die Markierungen symmetrisch sind, bohren Sie mit einem Bohrer Löcher für den zukünftigen Drehgriff.
Der Einbau der Drosselklappe erfolgt wie folgt:
- Ein Stahldämpferkreis mit einem geschweißten Rohr wird in das Kaminrohr eingeführt.
- Ein Metallstab wird durch die Bohrlöcher im Rohr durch ein kleines Rohr geschraubt, dessen Ende mit einem Bolzen und einer Mutter befestigt ist.
- Das Ende der Stange wird mit der Drehzange nach hinten geklappt.
Als nächstes können Sie die resultierende Struktur in das Kaminrohr einbauen. Dazu wird das erste Rohrstück auf die Düse des Ofenheizofens gelegt, auf der oben eine Struktur mit einem Schiebedämpfer installiert ist.Das nächste Stück Metallrohr wird auf das Tor gelegt. Alle Fugen werden mit flüssigem Silikondichtmittel abgedichtet.
Die Installation eines versenkbaren Tors in einem gemauerten Schornstein erfolgt während des Mauerwerksprozesses. Dazu wird nach 6-8 Ziegelreihen eine Schicht Zementmauermörtel aufgetragen, auf die ein Drahtrahmen mit der offenen Seite zum Darsteller montiert wird. Der Riegel muss in den Rahmen eingesetzt und in einen geschlossenen Zustand gebracht werden.
Von oben wird der Rahmen mit Mörtel bedeckt und der Ziegel wird weiterhin nach dem Standardschema ausgelegt.
- Horizontales versenkbares Tor. Die Platte innerhalb des Tors erstreckt sich, wodurch die Kaminquerschnittsfläche eingestellt wird. Typischerweise wird dieser Ventiltyp für den Einbau in gemauerte Schornsteine verwendet. Oft werden kleine Löcher in die Oberfläche der Platte gemacht, so dass selbst in der geschlossenen Position des Tors der Rauchkanal nicht zu 100% blockiert wird. Dies entspricht den Brandschutzbestimmungen. Der Vorteil dieses Gerätetyps ist die einfache Installation.
- Drehtor. Es wird auch als "Drosselventil" bezeichnet, bei dem es sich um eine Metallplatte handelt, die an einer rotierenden Welle befestigt ist. Die Achse ist wiederum im Kaminrohr montiert. Dieses Gerät verfügt über eine herausnehmbare Drehscheibe, kann jedoch bei längerem Gebrauch unbrauchbar werden. Das Schema des Drehmechanismus ermöglicht es Ihnen jedoch, ihn selbst zu reparieren und auszutauschen. Der Vorteil dieses Gerätetyps ist seine einfache Bedienung. Diese Art von Tor erfordert keine ständige Überwachung durch den Eigentümer des Hauses.
Aufgrund der Komplexität des Designs mit eigenen Händen wird der Drehmechanismus beim Verlegen eines Kamins oder Ofens seltener verwendet.
Das Gate-Design ist für Holzöfen und Heizgeräte erforderlich, die mit festen Brennstoffen betrieben werden.
Daher wäre für einen Gaskessel die praktischste Lösung die Installation eines Drehmechanismus. Die Temperatur der Abgase ist weniger niedrig als beim Arbeiten mit festem Brennstoff, daher ist der Betrieb eines solchen Mechanismus am bequemsten.
Ventil am isolierten Schornstein
Es ist jedoch besser, die Installation des Drehmechanismus im Bad abzulehnen. Tatsache ist, dass es teilweise Dampf in geschlossener Form durchlässt. Und wenn ein solcher Mechanismus geöffnet ist, ist er schwer zu reinigen.
Der aus Edelstahl gefertigte Schiebemechanismus deckt den Schornstein nicht vollständig ab, schließt jedoch gleichzeitig die Möglichkeit aus, Flammenzungen durch die Aschenwanne in den Raum herauszuziehen.
Es gibt drei Möglichkeiten, das Tor zu installieren.
- Einbau einer Klappe in einen Kamineinsatz. Dazu wird das Tor im Abstand von 1 Meter vom Heizgerät montiert, was eine einfache Bedienung gewährleistet.
- Bei der Option "Rohr zu Rohr" wird das Tor mit anderen Elementen der Heizstruktur kombiniert, ohne dass zusätzliche Befestigungselemente verwendet werden müssen.
- Einbau eines Absperrschiebers in ein Lüftungsrohr. Diese Option wird jedoch normalerweise verwendet, um den Lüftermotor während des Betriebs vor Überhitzung zu schützen.
Wir empfehlen Ihnen, sich mit der Katasterregistrierung eines Bades vertraut zu machen
Aber selbst wenn das fertige Kit ohne dieses Element geliefert wird, kann das Tor einfach mit Ihren eigenen Händen hergestellt werden, wobei Sie die optimalste Version des Mechanismus für sich selbst auswählen.
Wie jede technische Lösung hat das Tor eine Reihe von Vor- und Nachteilen.
Vorteile:
- Möglichkeit der Traktionskontrolle;
- Kraftstoffverbrauch;
- Die Dämpfer helfen, Wärme zu speichern.
Minuspunkte:
- Geräte erschweren die Reinigung von Kaminen.
- Bei falscher Installation kann sich das Tor verkeilen und die Bewegung der Gase beeinträchtigen.
- Für eine korrekte Einstellung sind bestimmte Kenntnisse auf dem Gebiet der Abgassysteme erforderlich.
Mit dem einziehbaren Dämpfer können Sie den Arbeitsabschnitt des Kamins einstellen. Der Rotationsdämpfer öffnet oder schließt nur das Rohr.Natürlich sind einige Tricks möglich – wie beispielsweise das Fixieren des Schweins in einer Zwischenposition auf unterschiedliche Weise, aber die Werksausstattung sieht dies nicht vor. Zusätzlich erschwert das Drehtor die mechanische Reinigung des Rohres.
Wie man mit eigenen Händen ein Kamintor macht
Es ist besser, das Tor selbst herzustellen und zu installieren, wenn Sie einen Kamin verlegen oder einen Metallkamin installieren.


Sie können es auch herstellen und installieren, wenn der Stahlkamin bereits installiert ist, der Dämpfer jedoch nicht vorhanden war. Abhängig vom Durchmesser und der Querschnittsform des Schornsteins, dem Ausführungsmaterial, ist es möglich, eine einziehbare Absperrklappe herzustellen.
Beachten Sie! Für einen gemauerten Schornstein ist ein einziehbarer rechteckiger Dämpfer in einer speziellen Nut besser geeignet. Für ein Metallrohr können Sie jede Option wählen.
Anleitung zur Herstellung eines einziehbaren Tors
Für die Herstellung eines einfachen Schiebedämpfers werden verzinkte oder rostfreie Stahlbleche mit einer Dicke von 2 bis 2,5 mm benötigt. Für die Herstellung von Führungen um den Schornsteinumfang ist ein 6 mm dicker Draht erforderlich.
Wir empfehlen Ihnen, sich mit folgenden Themen vertraut zu machen: Wie stellt man ein verzinktes Rohr mit eigenen Händen her?


Um die Arbeit abzuschließen, benötigen Sie Ausrüstung und Werkzeuge:
- Schleifmaschine oder Schere für Metall;
- Schleifscheibe für Winkelschleifer;
- Bohrer und Feilen für Metall;
- Marker zum Markieren.
Es ist ratsam, alle Arbeiten an einer speziellen Drehmaschine oder Tischmaschine durchzuführen. Wenn die Form des Kamins rechteckig ist, können Sie den einfachsten Schiebedämpfer herstellen, indem Sie einfach ein Stück Stahlblech der erforderlichen Größe abschneiden. Es wird empfohlen, den Griff zu schweißen oder ein kleines Loch zu bohren, um die Einstellung des Tors zu erleichtern.
Bevor wir mit der Arbeit beginnen, messen wir die Fläche und Form des Schornsteinabschnitts mit einem Marker, den wir entsprechend auf einem Blatt Pappe markieren. Um den Rahmen herzustellen, biegen wir den Draht in Form des Buchstabens P, der in Breite und Länge mit dem Querschnitt des Schornsteins übereinstimmt. Wir schneiden die Klappe nach dem Kartonmuster mit einer Schleifmaschine aus, wir bearbeiten die Kanten mit einer Schleifscheibe.
Wichtig! Die Breite des Drahtrahmens sollte 2-3 mm größer sein als die Torplatte, damit sich der Dämpfer frei bewegt und während der Wärmeausdehnung des Metalls nicht hängen bleibt.
Herstellungsanweisungen für die Drosselklappe
Die Herstellung eines Drehschieberventils erfordert mehr Werkzeug und Zeit. Am häufigsten wird diese Art von Tor für einen Metallkamin für moderne Kamine und freistehende Metallöfen verwendet.
Eine Reihe von Werkzeugen für die Arbeit:
- Bulgarisch;
- bohren;
- Zange;
- Schweißvorrichtung;
- Kompass;
- Roulette;
- Marker zum Markieren.
Um ein Tor herzustellen, benötigen Sie Stahlblech mit einer Dicke von bis zu 3 mm, ein rostfreies Rohr mit einem Innendurchmesser von 6 mm, Befestigungselemente (Bolzen, Muttern) von 8 mm und eine Metallstange.
- Messen Sie zuerst den Innendurchmesser des Rauchrohrs mit einem Kompass.
- Ihm zufolge zeichnen Sie einen Kreis auf Stahlblech.
- Schneiden Sie einen Kreis mit einer Mühle.
- Legen Sie das geschnittene Fragment in das Rohr und überprüfen Sie die Dichtheit. Bei Bedarf den Verschluss mit einer Schleifscheibe nacharbeiten.
- Setzen Sie ein Metallrohr mit einem Durchmesser von 6 cm auf den Kreis in der Mitte und markieren Sie ihn, indem Sie 3 mm von jeder Seite des Kreises zurücktreten.
- Schneiden Sie das Rohr mit einer Mühle ab.
- Bohren Sie im erhaltenen Rohrabschnitt die Gewinde beidseitig bis zu 6,8 mm.
- Bohren Sie Löcher zum Schweißen in den Stahlkreis (eins - in der Mitte, zwei - 1 cm von der Kante auf gegenüberliegenden Seiten).
- Schweißen Sie das Gewinderohr an den Stahlkreis.
Wir empfehlen Ihnen, sich mit folgenden Themen vertraut zu machen: Wie und wie man ein Loch in ein Rohr aus verschiedenen Materialien bohrt
Der Absperrschieber ist fertig, er muss noch in das Kaminrohr eingebaut werden.
Die Haupttypen von Absperrschiebern
Als Hauptregler des Luftzuges im Schornstein reguliert der Dämpfer die Verbrennung des Kraftstoffs.Um den Schub und die Intensität der Flamme im Ofen zu verringern, reicht es aus, den Absperrschieber abzudecken. Um den Schub zu erhöhen, muss er im Gegenteil geöffnet werden.
Tatsächlich ist ein Tor eine normale Metallplatte, mit der Sie den Schub einstellen können.
Es kann sowohl in einwandigen Kesselsystemen als auch in doppelwandigen Kesselsystemen installiert werden.


Wird der Kamin mit dem Ofen nicht benutzt, muss der Absperrschieber während dieser Zeit geschlossen sein.
In der Regel wird das Ventil am ersten Abschnitt des Schornsteins (am ersten Meter) installiert, da dieser Abschnitt nicht isoliert bleibt.
Im Abschnitt eines gut isolierten Schornsteins wird dagegen nicht empfohlen, ein Ventil einzubauen. Besonders wenn es um Zweikreisrohre geht. Wenn sich das Metall des Innen- und Außenrohrs ausdehnt, kann sich der Absperrschieber verklemmen.
Die Hauptaufgaben des Absperrschiebers sind also:
- Schornsteinzugreglerfunktion.
- Teilweise Überlappung des Schornsteinabschnitts.
- Regler der Verbrennungsintensität der Flamme im Ofen.
Heute gibt es zwei Möglichkeiten, ein Tor an einem Schornstein anzubringen:
- Einbau in einen Kamineinsatz. Diese Installationsoption impliziert die Position des Torprodukts in unmittelbarer Nähe des Heizgeräts. In diesem Fall beträgt der Abstand vom Tor zur Heizung in der Regel 1 Meter. Diese Anordnung ist sehr praktisch zum Regeln des Ventils.
- Verbindung mit anderen Elementen der Heizungsanlage. In diesem Fall müssen keine zusätzlichen Befestigungselemente verwendet werden, daher ist diese Option weit verbreitet. Eine solche Installation kann auch als "Rohr an Rohr" bezeichnet werden.
Die oben genannten Optionen für die Verwendung von Ventilen für Schornsteine und Lüftungssysteme werden überall verwendet. Es ist erwähnenswert, dass Sie heute eine Vielzahl von Öfen und Kaminen finden, die sich konstruktiv voneinander unterscheiden. Eine solche Vielzahl von Heizgeräten beeinflusste auch den Bereich der Schiebedämpfer.
- Installation eines Ventils in einem isolierten Bereich. Durch Wärmeausdehnung kann sich der Dämpfer verklemmen.
- Einbau eines Gusseisenteiles in einen Metallkamin (Gusseisen wiegt viel);
- Verwendung von zu dünnem Stahl oder Edelstahl mit geringem Nickelgehalt für die Herstellung des Ventils. Ein solches Produkt verformt sich unter dem Einfluss heißer Gase schnell und kann ausbrennen;
- Installation eines Tors mit unebener Oberfläche;
- Installation eines Ventils ohne Loch zur Freisetzung von Kohlenmonoxid;
- Installation von Griffen, mit denen die Position des Ventils nicht verfolgt werden kann (gilt für Drehelemente).
Was ist ein Tor?
- Tatsächlich ist eine Schornsteinklappe eine herkömmliche Klappe, deren Zweck darin besteht, den Luftzug im Schornstein einzustellen. Es ist möglich, einen Schornstein sowohl in einwandigen Kesselsystemen als auch in doppelwandigen Heizgeräten zu installieren.
- Am ersten Meter des Rohres ist in der Regel eine Schornsteinklappe installiert, da er in der Regel nicht isoliert bleibt. Mit dem installierten Ventil können Sie den effizientesten Betrieb der Heizgeräte erzielen.


Klassisches Tor
Es wird nicht empfohlen, an dem isolierten Teil des Rohrs ein Tor anzubringen, da sich der Drehmechanismus aufgrund der Wärmeausdehnung des Innen- und Außenrohrs verklemmen kann.
Tipps zur Auswahl eines Absperrschiebers
Es ist zu beachten, dass die richtige Auswahl eines solchen Elements als Gate-Dämpfer in Zukunft nicht nur die Zugluftanzeige, sondern auch die Sicherheit des Heizungssystems beeinflusst, zu dem auch der Schornstein gehört. Die Installation des Tors erfolgt an allen Modellen von Kaminen und Öfen, mit Ausnahme der modernsten Modelle, in denen sich ein Abweiser befindet.
Die wichtigsten Empfehlungen für die Auswahl von Schiebetoren für die Rauchgaskommunikation lauten wie folgt:
- Wenn das Heizgerät aufgrund der Gasaufbereitung arbeitet, ist es besser, ein Drehschiebermodell zu kaufen.Dies liegt daran, dass solche Modelle die Möglichkeit einer vollständigen Blockierung des Schornsteinkanals ausschließen. Somit ist das Heizsystem sicherer. Der Schornstein, der die Verbrennungsprodukte aus dem Gasherd entfernt, muss während des Betriebs um mindestens 40 Prozent geschlossen sein.
- Es gibt Heizungssysteme, die nicht permanent funktionieren (periodisch). Ein geschlossener Dämpfer, der in einer solchen Heizstruktur installiert ist, lässt in der Regel Dampf während der Lieferung durch, und ein offener Dämpfer trägt zur Bildung einer großen Menge Ruß auf dem Rohr bei, das sich unter der Platte befindet;
- Von der Verwendung von Drehelementen zum Einbau in Saunakamine wird dringend abgeraten.
Eine rotierende Vorrichtung ist die am besten geeignete Option für ein System, das Gas verbraucht
Experten empfehlen, den Querschnitt des Schornsteinkanals vor dem Kauf eines Torprodukts sorgfältig zu messen. Vielleicht ist dies die Hauptsache, die vor dem Kauf eines Tores erledigt werden muss.
Wir bieten Ihnen an, sich mit dem Grillplatz mit Sauna und Pavillon vertraut zu machen
Es gibt 3 Optionen für die Position des Dämpfers in Bezug auf den Schornstein:
- Platzierung im Feuerraum eines Kamins oder Ofens;
- Rohr-zu-Rohr-Befestigung;
- Einbau in ein Lüftungsrohr.
Betrachten Sie die ersten beiden Optionen:
- Platzieren Sie das Ventil im Ofen des Ofens oder im Auslass
In diesem Fall befindet sich die Klappe in einer Höhe von nicht mehr als 1 m vom Feuerraum entfernt auf einem nicht isolierten Rohrabschnitt. Diese Position ist praktisch für die Einstellung der Klappe.
Anwendbar für Metallschornsteine. Diese Installationsoption erfordert keine zusätzlichen Befestigungselemente. Beim Kauf eines vorgefertigten Systems sollte das Ventil streng nach den Anweisungen des Herstellers installiert werden.
Das Einstellen des Schubes mit einem Tor ist ganz einfach. Indem wir die Position in Richtung der Vergrößerung des Spaltes ändern, erhöhen wir den Luftstrom zum Feuer und die Flamme geht weiter auf. Wir reduzieren das Spiel - der Schub wird reduziert. Der Verschluss wird geschlossen, nachdem die Flamme vollständig gelöscht ist - auf diese Weise kühlt der Ofen viel schneller ab.
Merkmale, Eigenschaften und Zweck des Tores
Was ist ein Absperrschieber? Es dient zur Steuerung und Einstellung des Luftzuges im Schornsteinsystem. Aus dem Deutschen wird das Wort Tor als Teil aus Metall übersetzt (Metall kann unterschiedlich sein). Jeder Ofenhersteller weiß, dass eine gute Traktion die wichtigste Voraussetzung für den ordnungsgemäßen Betrieb des Brennstoffsystems ist.
Wenn im System nicht genügend Schub vorhanden ist, gelangt der für die Verbrennung so wichtige Sauerstoff nicht dorthin. Infolgedessen ist der Zünd- und Verbrennungsprozess selbst problematisch. Wenn kein Luftzug vorhanden ist, gelangt der gesamte Rauch in den Raum, was zu negativen Folgen führt. Aber wenn der Luftzug gut ist und genau dies durch das Drehtor für den Schornstein bereitgestellt wird, ist die Verbrennung effektiv:
- Erstens wird es viel einfacher sein, den Kraftstoff zu zünden.
- Zweitens verbessert sich der Verbrennungsprozess, der Kraftstoff verbrennt schnell und bringt immer mehr Wärme in den Raum.
- Drittens dringt kein Rauch ein und der Erhitzungsprozess ist viel besser.


Mit dem Absperrschieber können Sie die Traktion verbessern und negative Folgen beim Verbrennen von festem Brennstoff in einem Ofen oder Kamin vermeiden. Experten raten, dieses Detail beim Erhitzen mit Brennstoff, sei es Gas, Kohle oder Brennholz, anzubringen.
Der Absperrschieber selbst ist direkt im Schornstein installiert. Sie ist der Hauptschubregler, der den Prozess der Kraftstoffverbrennung steuert. Es sollte klargestellt werden, dass ein zu starker Schub auch nicht sehr akzeptabel ist, da der Kraftstoff intensiv verbrennt und der Verbrauch erheblich steigt. Das Ventil funktioniert wie folgt: Um den Luftzug zu verringern und die Verbrennungsintensität im Feuerraum zu verringern, müssen Sie ihn abdecken. Und wenn Sie die Traktion erhöhen müssen, wird die entgegengesetzte Aktion ausgeführt. Der Prozess wird mechanisch unter Beteiligung einer Person durchgeführt.
Ein Absperrschieber sieht aus wie eine Metallplatte, dank der der Schornstein geschlossen oder freigegeben werden kann. Es ist sowohl für einwandige als auch für doppelwandige Kessel installiert.
Beachten Sie! Wenn der Kamin und der Ofen nicht benutzt werden, muss der Absperrschieber unbedingt für den gesamten Zeitraum geschlossen werden.


Normalerweise wird in der Nähe des Ofens im Anfangsabschnitt des Kaminrohrs eine Kaminklappe installiert. Es ist ca. 1 m vom Ofen entfernt. So kann eine Person leicht zu ihr gelangen. Außerdem ist dieser Bereich nicht isoliert. Experten empfehlen, das Tor nicht an einem gut isolierten Standort zu installieren. Dies gilt insbesondere für Zweikreisrohre. Warum? Die Sache ist, dass sich unter dem Einfluss hoher Temperaturen das Metall der inneren und äußeren Rohre ausdehnt und das Ventil selbst oft klemmt und nicht zurückragt.
Zusammenfassend können Sie die Hauptaufgaben betrachten, die ein Absperrschieber ausführt:
- Kann den Luftzug im Schornstein regulieren, verringern oder erhöhen.
- Überlappt teilweise den Abschnitt des Schornsteins.
- Das Tor dient als Regler für die Intensität der Verbrennung der Flamme im Ofen.
Obwohl das Tor klein und unauffällig ist, kann man einfach nicht darauf verzichten. Sie müssen jedoch verstehen, dass in dem Fall, in dem der Verbrennungsprozess in der Feuerbox bei der Zufuhr von Frischluft durchgeführt wird, kein Absperrschieber installiert werden muss.


Nun zum Material der Herstellung des Tors. Zu diesem Zweck wird meist Edelstahl verwendet, dessen Dicke nicht mehr als 1 mm beträgt. Ein Absperrschieber aus diesem Metall dieser Dicke kann:
- Temperaturen von bis zu 900 Grad Celsius standhalten;
- der Absperrschieber ist korrosionsbeständig;
- hat einen niedrigen Wärmeausdehnungskoeffizienten.
Um die Bedienung des Teils und des Kamins selbst so einfach wie möglich zu gestalten und keine Probleme mit der Reinigung von Ruß zu verursachen, sollten Sie einen Absperrschieber mit polierter Oberfläche wählen. Das Zusammenfügen der Nähte erfolgt durch Rollen.


Die Notiz! Ein herkömmlicher Dämpfer kann bis zu 85% des Schornsteinquerschnitts abdecken. Dies ist die beste Option, um Verbrennungsprodukte effizient zu entfernen und eine ordnungsgemäße Kraftstoffverbrennung sicherzustellen.
Shiber-Sorten
Einziehbar
Schiebetor
Das Schiebetor gilt als das bequemste und zuverlässigste. Es ist eine glatte Platte mit einem kleinen Längsloch, das sich entlang der Rillen im Schornstein bewegt. Wenn es in horizontaler Position montiert ist, wird die Zugkraft durch die Bewegung der Platte reguliert, wodurch der Rohrquerschnitt verringert oder vergrößert wird. Dieser Ventiltyp ist für Ziegelöfen vorgesehen, kann jedoch auch in Kaminen aus Stahlrohren verwendet werden.
Tor mit Teller
Drehtor. Die Platte ist sichtbar, was die Traktion reguliert
Das Schwenktor ist eine Metallplatte mit einer in der Mitte angeschweißten Führung. Es wird im Schornstein installiert, während das Ende der Führung herausgezogen werden muss. Der Schub wird durch Drehen der Platte um ihre Achse eingestellt. Diese Konstruktion ist weniger zuverlässig, da sich die Schweißvorrichtung mit der Zeit löst und sich die Klappe löst. Das Drehtor wird in Stahlkaminen verwendet.
Nicht weniger wichtig ist das Material, aus dem die Ventile hergestellt sind.


Gusseisentore
Gusseisen ist ein sehr starkes und haltbares Material, das traditionell zur Herstellung von Ofenventilen verwendet wird. Das Gusseisentor hat nur einen Nachteil - viel Gewicht.
Gusseisentor für Saunaöfen, Kamine
Gusseisentor
Edelstahl
Hochwertige Stahltoranordnung
Edelstahl hat keine Angst vor Korrosion, hält lange, wiegt wenig und verringert nicht die Effizienz des Ofens. Die glatte, polierte Oberfläche des Edelstahlschlittens verhindert Rußbildung für eine einfache Reinigung. Solche Tore können von beliebiger Bauart sein und können sowohl in Ziegel- als auch in Stahlschornsteinen installiert werden.
Stahltor in einem Steinofen
Mit deinen eigenen Händen ein Tor machen
Grüße, lieber Gast!
Der heutige Artikel konzentriert sich auf ein bescheidenes Element eines einzelnen Heizsystems. Sein Name ist ein Schornsteindämpfer. Ich bin nicht überrascht, wenn einige von Ihnen diesen Namen noch nicht einmal gehört haben. Durch dieses unauffällige Detail können Sie jedoch bis zu 25% Kraftstoff sparen. Wie kann das sein? Lesen Sie das folgende Material - und Sie werden alles verstehen.
Ein Tor (vom deutschen Schieber - Dämpfer) ist eine Vorrichtung zum vollständigen oder teilweisen Blockieren der Bewegung von Gasen im Schornstein. Es wurde verwendet, seit die ersten russischen Öfen erschienen. Aus Gusseisen oder Stahl. In der modernen Technik hat es Anwendung sowohl in Rauchabzugsstrukturen als auch in Lüftungssystemen gefunden.
Dämpferfunktionen:
- Traktionsregulierung und Wärmeschutz im Raum.
Der Schornstein wird nach Gebrauch geschlossen, um zu vermeiden, dass warme Luft aus dem Raum in den Schornstein gelangt. Mit Hilfe des Dämpfers können Sie den Arbeitsabschnitt des Schornsteins verkleinern oder vergrößern.
- Kraftstoffverbrauch sparen.
Das Ventil kann verwendet werden, um die Intensität des Sauerstoffstroms zur Flamme zu regulieren und dementsprechend den Wirkungsgrad der Heizung zu erhöhen oder zu verringern.
Diese Aussage gilt nur für Öfen und Kessel ohne Gebläse und Druckluftversorgungsvorrichtungen.
Wir empfehlen Ihnen, sich mit den Vor- und Nachteilen einer Sauna vertraut zu machen. Wie oft Sie sie besuchen, ist es möglich, nach dem Training zu Fuß zu gehen
Arbeitsprinzip
Aufgrund der Bewegung des Dämpfers reguliert das Tor den Spalt innerhalb des Rauchkanals. Je größer der Spalt ist, desto größer ist der Luftstrom von außen und dementsprechend umgekehrt.
Wenn der Dämpfer das Rohr blockiert, bleibt der Ofen länger warm.
Typen und Designs
Der Schornsteindämpfer ist in verschiedenen Ausführungen erhältlich.
Einziehbar
Stellt einen runden oder rechteckigen Rahmen mit einer Platte dar. Die Platte fährt aus und ein, wodurch der Querschnitt des Schornsteins eingestellt wird.
Diese Option wird am häufigsten bei Ziegel- und Keramikkanälen verwendet. Zur unvollständigen Abdichtung und zur Vermeidung einer Kohlenmonoxidvergiftung wird ein kleines Loch in die Platte gebohrt. Der Hauptvorteil dieser Option ist die einfache Installation.


Ein Dreh- oder Gasdämpfer (auch bekannt als Schwein) ist eine Platte aus Stahl oder Gusseisen, die sich um eine Achse dreht. Achse - ein Metallstab, der im Schornstein angeschweißt ist. Wird in Stahlkaminen verwendet.
Es unterscheidet sich in weniger Zuverlässigkeit - im Laufe der Zeit schwächt sich die Schweißbefestigung der Platte und der Achse ab. Sie sollten sich weigern, einen Rotationsdämpfer in das Bad einzubauen - selbst in geschlossener Form lässt dieser Dämpfertyp teilweise Dampf ein.
Darüber hinaus unterscheiden sich die Tore im Material (am häufigsten sind Edelstahl und Gusseisen) und in der Art und Weise, wie sie eingestellt werden.
Die Bewegung der Luftströme in den Rauchabzugskanälen unterliegt den Gesetzen der Physik. Mit Hilfe einiger Geräte können Sie jedoch die Schubkraft einstellen. Eines dieser Geräte ist ein Tor-Dämpfer - ein obligatorisches Merkmal eines Haushalts- oder Saunaofens.
Lassen Sie uns herausfinden, welche Arten von Ventilen es gibt und ob es möglich ist, mit eigenen Händen ein Tor für den Schornstein zu bauen, wenn kein Fabrikanalog vorhanden ist.
Das deutsche Wort Schieber auf Russisch hat weder die Aussprache noch die Bedeutung geändert. Wenn man speziell von der Ofenheizung spricht, dann ist ein Schieber sowie ein Schieber (Absperrschieber) eine Absperrvorrichtung, die den Schornsteinkanal verschließt.
Meistens wird es im oberen Teil des Bodens des Abzugskanals installiert, der sich im Raum befindet, sodass Sie bei Bedarf die Bewegung der Gase und gleichzeitig die Traktionsqualität manuell einstellen können.
So sieht das Schiebetor im ausgefahrenen Zustand aus. Im eingefahrenen Zustand (wenn der Ofen bereits beheizt ist) ist das Ventil fast unsichtbar, nur sein "Ohr" ragt nach außen
Bei einem herkömmlichen Steinofen ist eine Klappe am Schornstein erforderlich.
Rat
Durch teilweises oder vollständiges Schieben können Sie den Luftzug verringern oder die Bewegung erhitzter Gase blockieren.Der Verschluss wird vollständig hineingedrückt, wenn der Ofen erhitzt wird und gesundheitsschädliche Gase nicht mehr in den Kanal strömen.
Es sind Fälle von Tod von Menschen bekannt, die aus einem frühen "geschlossenen" Ofen ausgebrannt sind.
Wenn Sie den Dämpfer zu spät schließen, gelangt die Wärme der erhitzten Ziegel in das Rohr und die Temperatur im Raum sinkt schnell. Ein rechtzeitig geschlossenes Tor garantiert, dass das Haus mindestens einen Tag lang warm ist. Wie Sie wissen, muss in Dorfhäusern in der kalten Jahreszeit der Ofen jeden Morgen überflutet werden.
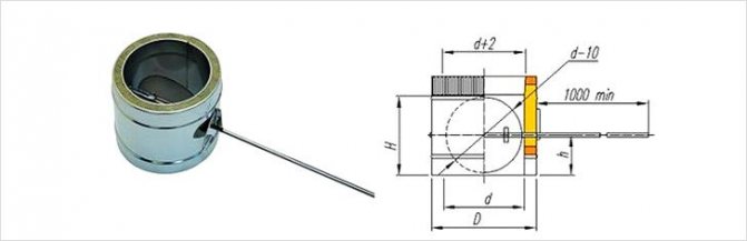
Werkseitig hergestellter Stahlschieber mit einem Durchmesser von 200 mm. Zur einfacheren Installation zusammen mit einem Stück Stahlrohr vormontiert
Es besteht die Meinung, dass die für Backsteinöfen obligatorischen Dämpfer für den Bau von Stahlöfen (obwohl sie von Herstellern angeboten werden) sowie für Modelle mit Deflektor absolut nicht benötigt werden.
Ein Argument gegen ihre Verwendung ist die Tatsache, dass der Schornstein beim Schließen des Ventils schnell mit Ruß verstopft wird. Sein oberer Teil wird durch die in das Rohr eintretende kalte Luft gekühlt, die in Kontakt mit dem heißen Stahlrohr eine große Menge Kondensat bildet. Ein verstopfter Schornstein muss ständig gereinigt werden.
Die meisten Eigentümer von Landhäusern und Sommerhäusern bevorzugen es, das Heizsystem unabhängig voneinander mit Kaminen und Öfen auszustatten. Dies erfordert natürlich ein gewisses Maß an Erfahrung, Wissen und Verständnis der Bautechnik.
Eines der notwendigen Elemente für den Ofen, um seinen effizienten Betrieb zu gewährleisten, ist der Kaminschieber. In diesem Artikel werden wir versuchen, Ihnen das Funktionsprinzip und den schrittweisen Prozess der Erstellung und Installation selbst zu erläutern.
Tordämpfer - Foto
Ein stilvoller Kamin oder ein exklusiver Herd ist heute kein Luxusartikel mehr und kann auf Wunsch selbst gebaut werden. In diesem Artikel erklären wir Ihnen ausführlich, was ein Kaminschieber ist, welchen Hauptzweck er hat und welche Installationsmerkmale er hat.
Mit diesem Gerät können Sie den Luftzug in die Rauchabzugsanlage steuern und regulieren. Übersetzt aus dem Deutschen,
Tor ("schieber)
Tor ("schieber") bezeichnet ein Teil, das aus einem bestimmten Metall besteht.


Eine gute Traktion ist eine der Schlüsselbedingungen für den ordnungsgemäßen Betrieb des Kraftstoffsystems. Bei gutem Luftzug verbrennt der Brennstoff fast vollständig und sorgt so für einen effizienten und wirtschaftlichen Heizprozess. Bei schlechter Zugluft können Rauch und Feuer im Raum entstehen.
Wichtig
Um diese gefährlichen und unangenehmen Momente zu vermeiden, ist im Schornsteinsystem eine Torklappe eingebaut. Es verhindert die Teilung von Gasblasen, die sich nicht trennen sollten.
Es wird empfohlen, beim Heizen mit Gas, Kohle und festen Brennstoffen einen Gate-Dämpfer zu installieren.
Wir bieten detaillierte Anweisungen für die Herstellung des Dämpfers bereits mit der fertigen Ofenheizung an, wenn die Konstruktion abgeschlossen ist, der Tormechanismus jedoch nicht bereitgestellt wurde.
Um ein Tor mit Ihren eigenen Händen herzustellen und zu installieren, benötigen Sie die folgenden Materialien:
- Schleif-, Schneid- und Schleifscheibe;
- bohren;
- Zapfhahn;
- Öl zum Schmieren des Hahns beim Schneiden von Gewinden;
- ein Hammer;
- Laster;
- Zange;
- Schweißen;
- Ader;
- Elektroden für Edelstahl;
- Kompass;
- Roulette;
- permanent-Marker.
Aus den Materialien sollten Sie sofort vorbereiten:
- Edelstahlblech 1,5-2 mm dick.
- Edelstahlrohr mit einem Innendurchmesser von 6 mm;
- 2 Schrauben 8mm,
- Nagel (oder Metallstange).
Wenn alle Werkzeuge und Materialien vorbereitet sind, können Sie mit der Arbeit beginnen.
- Messen Sie den Innendurchmesser des Rohrs und markieren Sie ihn mit einem Kompass auf dem Edelstahlblech.


Schritt 1
- Schneiden Sie nun mit Hilfe einer Mühle einen Kreis entlang der gemachten Markierungen.


Schritt 2
- Wir probieren die ausgeschnittene Klappe an, modifizieren sie gegebenenfalls mit einer Schleifscheibe, bis sie deutlich in das Rohr eintritt.


Den Dämpfer anprobieren
- Nehmen Sie das vorbereitete Edelstahlrohr und befestigen Sie es am fertigen Kreis. Messen Sie mit einem Marker die Größe des Verschlusses. Wir machen es auf jeder Seite um 3 mm kleiner als der Innendurchmesser.


Schritt 4
- Wir schneiden das Rohr mit einer Mühle mit einem Trennrad ab.
- Wir bohren ein Innenloch in das 6,8 mm Rohr zum Gewindeschneiden. Beim Bohren muss die Innenfläche des Rohrs regelmäßig mit Maschinenöl geschmiert werden.


Wir bohren das Rohr
- Wir schneiden mit einem Gewindebohrer ein 8-mm-Gewinde auf beiden Seiten des Rohrs ab und denken dabei daran, den Gewindebohrer zu schmieren. Um die geschnittenen Späne zu entfernen, muss nach jeder halben Umdrehung des Gewindebohrers am Faden eine halbe Umdrehung zurückgeführt werden.


Schritt 5
- Jetzt müssen Sie drei Löcher in den Dämpfer machen. Verwenden Sie sofort einen Marker, um die Markierungen zu platzieren.
- Klemmen Sie das Rohr und den Verschluss in eine Klemme und schweißen Sie das Rohr durch diese Löcher (geschweißte Nieten) an den Verschluss. Wir beginnen mit dem Schweißen vom zentralen Loch aus, lösen dann eine Klammer und schweißen in das freie Loch.


Schritt 6
- Wir markieren die zukünftigen Löcher im Rauch. Um die Achse der Löcher klar auszurichten, wickeln Sie das Rohr mit einem Maßband ein und messen Sie die Mitte horizontal und vertikal. Wir bohren.


Markup erstellen
- Setzen Sie den Dämpfer in das Rohr.


Schritt 7
- Wir machen eine Vorlage für den Dämpferhalter.


Schritt 8
- Wir übertragen den Aufschlag auf ein Blech. Sie können einen Kompass verwenden.


Schritt 9
- Markieren Sie die Mitte für die Haltelöcher, schneiden Sie sie aus und bohren Sie sie gemäß den Markierungen.
- Wir schweißen an das Rohr.


Wir schweißen den Halter


Für diese Option müssen Sie einen vorgefertigten werkseitigen Edelstahl-Absperrschieber erwerben. Das Design ist ein Rahmen, in dem sich der Mechanismus bewegt.
- Legen Sie 2 Reihen Herd oder Kamin gemäß dem verwendeten Bestellschema aus.


horizontales versenkbares Tor
- Schneiden Sie in der Reihe, in der das Ventil installiert werden soll, Rillen in den Ziegel. Dies sind kleine Rillen, in die das Metallelement eindringt. Für diese Arbeiten ist es am besten, einen Winkelschleifer mit einem Rad zu verwenden. Aber wenn es kein solches professionelles Tool gibt, können Sie mit einer Datei auskommen.
- Ein Dämpfer ist installiert.
- In den Seitenstein muss unter dem Hub des Dämpfergriffs eine Aussparung geschnitten werden, da dieser während des Betriebs von Ruß gereinigt werden muss.


Wir schließen das Tor mit einigen Ziegeln
- Die nächste Ziegelreihe wird gelegt und alle gebildeten Lücken sind gut abgedichtet.
Wir bieten Ihnen an, sich mit dem Dekorieren der Toilette im Bad mit Ihren eigenen Händen vertraut zu machen
Wie Sie sehen können, erfordert die Herstellung eines Tors nicht viel Zeit und Erfahrung. Gleichzeitig ist dies ein sehr wichtiges Detail, das den Wirkungsgrad des Kessels oder Kamins erheblich steigern wird.
Sie können eine Klappe für einen Kamin oder eine Heizeinheit auf drei Arten installieren:
- Das Tor wird direkt in den Kamineinsatz eingebaut. Es befindet sich in einem Abstand von 100 Zentimetern von der Heizvorrichtung, was die Bedienung erleichtert.
- Kombination des Tors mit anderen Elementen der Heizstruktur ohne Verwendung zusätzlicher Befestigungselemente. Diese Installationsmethode wird Pipe-to-Pipe genannt.
- Der Gate-Dämpfer ist in den Lüftungsrohren installiert. Es wird verwendet, um zu verhindern, dass der Lüftermotor während seines Betriebs überhitzt.
Torzeichnung
Installationsfunktionen
- Bei der Installation des Tors im Stadium des Maurers wird der Rahmen in einer Höhe von 6-8 Reihen vom Rohrboden platziert.
- Der Rahmen sollte eben sein, ohne die Schornsteinkontur zu überlappen.
- In rostfreien Kaminen wird das Ventil mithilfe der Rohr-zu-Rohr-Technologie montiert. Es ist notwendig, seine Abmessungen an den Kanaldurchmesser anzupassen;
- Eine wichtige Nuance: Der Dämpfer ist an einem nicht isolierten Abschnitt des Schornsteins installiert.
- Die Höhe vom Feuerraum bis zum Tor sollte 1 m nicht überschreiten (bei Metallkanälen).
- Die Höhe des Rohrs vom Boden bis zum Ventil beträgt maximal -1,8 m (für Ziegel).
- Der Dämpfer in den Rillen muss sich frei bewegen können;
Merkmale des Gate-Service
Ein Tor aus Edelstahlblech wird normalerweise perfekt poliert. Ruß setzt sich schlecht darauf ab, setzt sich aber immer noch ab. Daher muss es regelmäßig gereinigt werden.
Das horizontale Ventil kann einfach durch maximales Ziehen und Auftragen einer speziellen Lösung gereinigt werden. Schwenkbar - mit einer speziellen Plastikbürste durch den Schornstein gereinigt. Sie sollten auch die freie Bewegung des Dämpfers entlang der Führungen überwachen. Es ist zulässig, sie regelmäßig mit einer Korrosionsschutzmasse zu schmieren.
Sorten
Absperrschieber sind einziehbar und drehbar. Das erste funktioniert aufgrund der senkrechten Bewegung der Trennwand. Der zweite Typ beinhaltet einen Drehmechanismus, der sich im Schornstein befindet.
Einziehbar
Ein solches Tor ist eine komfortable und effektive Möglichkeit, die Traktion zu kontrollieren. Der Hauptunterschied liegt in der langen Lebensdauer, die durch das Fehlen vorübergehenden Verschleißes an den Befestigungspunkten erreicht wird. Dadurch ist es möglich, die hohe Qualität des Dämpfers auch bei schlechten Wetterbedingungen aufrechtzuerhalten.


Drehen
Das Funktionsprinzip basiert auf der Drehung der Trennwand um die Achse. Wenn Sie ihn gegen den Uhrzeigersinn drehen, schließt der Dämpfer den Luftstrom. Wenn die Drehung in die entgegengesetzte Richtung erfolgt, gibt es keine Hindernisse im Luftweg. Um diesen Prozess zu regulieren, müssen Sie einen speziellen Griff bedienen.
Darüber hinaus unterscheidet sich das Gate in der Art des Materials:
- Gusseisen - stark und langlebig. Wird normalerweise in gemauerten Kaminen verwendet.
- Stahl - aus Edelstahl gefertigt, ist es eine universelle Option für den Einbau in Kamine, Öfen und Schornsteine.


Typen und Designs
Die Gleitvorrichtung wird von verschiedenen Faktoren beeinflusst: Temperatur, Rohrabmessungen, Durchflussbedingungen. Die Konstruktion basiert auf einem Blech unterschiedlicher Dicke, das sich entlang der Schlitztasche bewegt und die Ecken führt.
Je nach Sockel sind die Tore abgesperrt, umgeworfen. Sie dienen dazu, die Bewegung von Luftströmen einzuschränken.
Abhängig von der Art des Antriebs gibt es eine Klassifizierung der Geräte nach dem Funktionsprinzip: manuell, pneumatisch, hydraulisch, elektrisch. Tore sind mit geraden und schrägen Designs erhältlich. Die erste Option ist ein klassischer Dämpfer. Entwickelt für Zwangsluftzufuhr- und -entlüftungssysteme.
Der Schornsteindämpfer ist in verschiedenen Ausführungen erhältlich.
Einziehbar


Stellt einen runden oder rechteckigen Rahmen mit einer Platte dar. Die Platte fährt aus und ein, wodurch der Querschnitt des Schornsteins eingestellt wird.
Diese Option wird am häufigsten bei Ziegel- und Keramikkanälen verwendet. Zur unvollständigen Abdichtung und zur Vermeidung einer Kohlenmonoxidvergiftung wird ein kleines Loch in die Platte gebohrt. Der Hauptvorteil dieser Option ist die einfache Installation.
Ein Dreh- oder Gasdämpfer (auch bekannt als Schwein) ist eine Platte aus Stahl oder Gusseisen, die sich um eine Achse dreht. Achse - ein Metallstab, der im Schornstein angeschweißt ist. Wird in Stahlkaminen verwendet.
Wir empfehlen Ihnen, sich mit der Herstellung einer Decke in einem Dampfbad mit Ihren eigenen Händen, der zulässigen Deckenhöhe in einer Sauna, den Merkmalen der Isolierung der Struktur, einem detaillierten Foto und einem Video vertraut zu machen
Es unterscheidet sich in weniger Zuverlässigkeit - im Laufe der Zeit schwächt sich die Schweißbefestigung der Platte und der Achse ab. Sie sollten sich weigern, einen Rotationsdämpfer in das Bad einzubauen - selbst in geschlossener Form lässt dieser Dämpfertyp teilweise Dampf ein.
Darüber hinaus unterscheiden sich die Tore im Material (am häufigsten sind Edelstahl und Gusseisen) und in der Art und Weise, wie sie eingestellt werden.
Wir machen das Drehtor selbst


Tormontageoption
Während des Betriebs des Schornsteins kann es erforderlich sein, das Tor auszutauschen, und der Standarddämpfer ist für diese Konstruktion nicht geeignet. In diesem Fall wird der Dämpfer unabhängig von der Rohrgröße hergestellt.
Für die Arbeit benötigen Sie eine Metallschere, einen Bohrer, eine Schleifmaschine und ein Schweißgerät.
- Ein Rahmen für den Dämpfer wird aus Stahlecken mit einer Regalgröße von 35–45 mm geschweißt. Die Größe der Teile entspricht dem Rohrdurchmesser.
- Zur Sicherung der Achse werden Löcher in den Rahmen gebohrt. Bei einem Tor mit direkter Drehung befinden sie sich in der horizontalen Ebene und bei einem Winkel diagonal.
- Die Buchsen werden aus zwei Abschnitten eines halben Zoll Rohrs geschweißt, die eine Drehung der Achse ermöglichen.
- Der Dämpfer ist auf die Größe des Rahmens zugeschnitten, das Material ist ein Stahlblech mit einer Dicke von 2-3 mm.
- In die Rahmenlöcher wird eine Achse eingesetzt, an der der Dämpfer montiert wird. Der zweite Teil des Metallstücks wird zum Einstellknopf.
- Die Platte wird in den Rahmen eingesetzt und durch Schweißen an der Achse befestigt.
- Zur sicheren Verwendung muss zwischen Verschluss und Rahmen ein Abstand von 1 mm verbleiben.
- Um sicherzustellen, dass die Platte im geöffneten Zustand fixiert ist, ist ein Begrenzer installiert.


Drehschaufeldämpferzeichnung
Beachten Sie! Die Wahl des Tormodells hängt von der Konstruktion des Kamins und der Art des Heizungssystems ab, die Installation ist jedoch obligatorisch. Mit dem Gerät können Sie den Luftzug einstellen und das Heizsystem funktionsfähig halten.



