MANUEL D'UTILISATION Introduction …………………… ..
Page 3
- Photo
- Texte
3
MANUEL D'UTILISATION Introduction …………………………………………………. 4 Contrôle et signalisation ……………………. 6 Sélection du mode de lecture ……………………. 7 Sélection du mode de réglage ………………………. 8 Messages de dysfonctionnement de la chaudière …… .. 10 Schéma de commande de fonctionnement de la chaudière …………. 11 Caractéristiques de la chaudière …………………………. 12 Démarrage et arrêt de la chaudière …………………. 13 Régulation de la chaudière ……………… .. 13 Fonctions de protection de la chaudière …………………… .. 15 Maintenance et entretien ………… 17 Transport et stockage ……………… .. 18 Garantie et conditions de garantie …………… 18 Paramètres techniques ……………………… .. 19 Cotes de raccordement ………………. 20 Schéma de principe ………………………… 21
CKAT 6, 9, 12, 14, 18, 21, 24, 28 K
Le numéro de série, la désignation du type, les caractéristiques techniques de la chaudière sont indiqués sur la plaque signalétique
situé sur le panneau inférieur du tambour de la chaudière. Pour lire les informations sur
sur la plaque signalétique, il est nécessaire de retirer le panneau avant de l'habillage de la chaudière.
La section « Instructions d'utilisation » contient une description des fonctions principales de la chaudière.
et des recommandations pour son utilisation en toute sécurité. Rubrique "Instructions d'installation"
destiné uniquement aux spécialistes des organisations de service et d'installation.
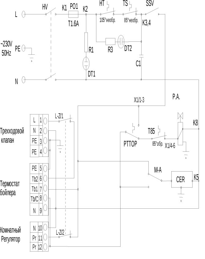
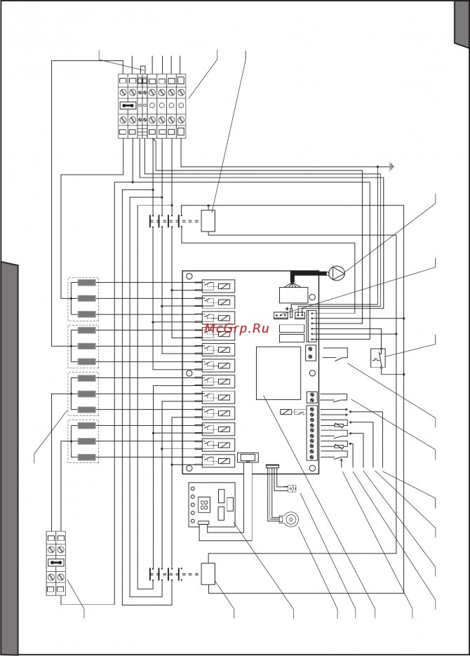
NOTICE D'INSTALLATION Introduction ……………………… .. ……………………………… .. 25 Raccordement de la chaudière au réseau électrique ………. 26 Schéma de câblage pour le raccordement d'une chaudière à chauffage indirect …………………. 28 Schéma de câblage de la chaudière …………………. 30 Dysfonctionnements de la chaudière …………………………… 37
0020095669_04

Spécifications et apparence


La chaudière électrique Proterm s'intégrera dans n'importe quel intérieur en raison de sa petite taille et de son placement mural.
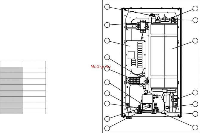
Comme il sied à un bon équipement d'une marque bien connue, les chaudières électriques Proterm sont enfermées dans des boîtiers soignés de petite taille. Ainsi ils sauront s'intégrer dans tous les intérieursmême le plus exquis. Dimensions du boîtier - hauteur 740 mm, profondeur - 310 mm, largeur - 410 mm (les dimensions sont identiques pour toute la gamme de modèles Skat). À l'intérieur, nous trouverons tout ce dont vous avez besoin pour que le système de chauffage fonctionne :
- Pompe de circulation ;
- Évent automatique;
- Vase d'expansion 7 litres.
Pas besoin de vous soucier de l'installation de la tuyauterie - connectez simplement les tuyaux et les radiateurs, remplissez le système de liquide de refroidissement, puis vous pouvez commencer les tests.
Les modèles d'une puissance de 6 kW et 9 kW peuvent fonctionner à la fois sur des réseaux monophasés et triphasés. Les plus puissants sont triphasés. L'équipement n'a pas peur des surtensions et ne surcharge pas le réseau - une augmentation progressive de la puissance est fournie ici. Le courant maximal dans le circuit pendant le fonctionnement des éléments chauffants peut atteindre 50 A. La pression maximale du liquide de refroidissement dans le système est de 3 atm, la température peut atteindre +85 degrés.
Lors du raccordement des chaudières électriques Protherm au réseau électrique, assurez-vous que la section des fils correspond à la consommation électrique.


La disposition des arrivées des chaudières électriques Proterm, ainsi que leurs dimensions.
Les chaudières électriques Protherm sont dotées de panneaux de commande pratiques. Ils contiennent des indicateurs LED et des écrans à cristaux liquides. Des systèmes d'autodiagnostic sont fournis - les codes d'erreur sont affichés sur les écrans intégrés. Les thermostats sont utilisés pour créer une atmosphère confortable.Les systèmes de sécurité sont représentés par un capteur de surchauffe, une protection antigel, un capteur de pression, une soupape de sécurité et un système antiblocage pour la pompe de circulation.
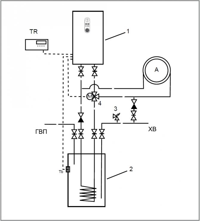
Une fonctionnalité intéressante est la possibilité de connecter des chaudières de stockage externes, qui sont achetées séparément.
introduction
Page 4
- Photo
- Texte
4
Vous êtes devenu propriétaire d'une chaudière électrique à flux direct pour systèmes de chauffage central avec la possibilité de réguler le confort thermique. Nous espérons que la chaudière électrique Skat vous servira longtemps et de manière fiable. Lors de son installation et de sa maintenance, certaines règles doivent être respectées. Par conséquent, nous vous demandons de lire attentivement le contenu de ce manuel d'entretien et, lorsque vous travaillez avec la chaudière, d'agir conformément aux recommandations et aux instructions qui y sont données. Nous pensons que la chaudière électrique SKAT vous aidera à créer une atmosphère agréable et un confort thermique optimal chez vous. Veuillez prêter attention aux points principaux suivants :
1.
La chaudière, ainsi que les équipements associés, doivent être installés et utilisés conformément à la documentation du projet, aux lois et réglementations techniques en vigueur et aux instructions du fabricant.
2. La chaudière ne doit être installée que dans
locaux spécialement aménagés.
3. Mise en service de la chaudière après
les installations ne peuvent être effectuées que
un spécialiste d'un organisme spécialisé certifié par Protherm.
4.
La chaudière est conforme aux exigences des normes et documents réglementaires en vigueur sur le territoire de la Fédération de Russie, ce qui est confirmé par un certificat de conformité délivré par un organisme autorisé, un permis d'utilisation du Service fédéral de surveillance environnementale, technologique et nucléaire .
5.
En cas de dysfonctionnement, contactez uniquement un organisme de service spécialisé - non professionnel
introduction
la falsification peut affecter la garantie de l'équipement.
6.
L'employé de l'organisme de service mettant la chaudière en service est tenu de familiariser l'utilisateur avec les précautions de sécurité lors de l'entretien de l'équipement et du contrôle du fonctionnement de la chaudière ; les opérations que l'utilisateur a le droit d'effectuer de manière indépendante et les opérations que seul un spécialiste qualifié de l'organisation de service a le droit d'effectuer. Si l'organisme de service spécifié est également un fournisseur de la chaudière, il est tenu de veiller à ce que l'emballage d'origine de la chaudière soit conservé en cas de transport éventuel.
7. Vérifiez l'intégrité et l'exhaustivité.
livraison.
8. Assurez-vous que le type qui vous est fourni est
la chaudière selon ses paramètres d'entrée (indiqués sur la plaque signalétique), est apte à fonctionner dans cette région. Les paramètres d'entrée signifient : tension du réseau électrique.
9. Dans le cas où vous n'avez pas un certain
pour être sûr de l'exactitude de vos actions sur l'entretien de la chaudière, recherchez et étudiez attentivement les instructions et recommandations pertinentes contenues dans ce manuel d'entretien, et agissez exclusivement en conformité avec elles.
10.
Ne pas enlever ou endommager les marquages ou inscriptions sur la chaudière.
Conserver intact l'emballage d'origine de la chaudière en cas de transport éventuel jusqu'à la mise en service de la chaudière.
11.
N'utilisez que des pièces de rechange d'origine pour les réparations. Il est interdit d'interférer avec la structure interne de la chaudière et d'apporter des modifications à sa structure.
12.
En cas d'arrêt prolongé de la chaudière, il est recommandé de la vider et de la débrancher de l'alimentation électrique. Cette recommandation est faite en tenant compte de la


Caractéristiques des chaudières électriques Proterm
En installant une telle unité électrique dans votre maison, vous faites un excellent choix.Plutôt que d'acheter du matériel de marques douteuses, il vaut mieux payer un peu trop cher et prendre une chose vraiment intéressante chez un fabricant bien connu - la performance de l'ensemble du système dépend de la qualité de la chaudière utilisée... De plus, Protherm possède une vaste expérience dans la production d'équipements de chauffage électrique.


Il n'y a qu'une seule gamme de modèles - Skat.
Le chauffage d'un logement non raccordé au gaz est toujours un gros problème. Les chaudières électriques existantes sur le marché ont un coût élevé ou ne peuvent pas se vanter d'une fonctionnalité suffisante. Dans ce cas, vous faites toujours attention aux modèles à gaz de petite taille et soignés qui fonctionnent en mode automatique et n'encombrent pas l'espace. Protherm est prêt à proposer aux propriétaires d'habitat pavillonnaire des solutions similaires, mais fonctionnant à partir du réseau électrique.
Les chaudières électriques Protherm sont une solution unique avec une efficacité due. Ils sont installés dans des bâtiments résidentiels et non résidentiels, générant régulièrement de la chaleur. Présenté par une gamme de modèles unique appelée Skat - il existe des échantillons avec une puissance thermique de 6 à 28 kW au choix des acheteurs. Grâce à cela, ils peuvent chauffer des pièces jusqu'à 280 m². m.
Pourquoi sont-ils bons ?
- Conception simple à circuit unique - si vous aimez les équipements simples et fiables, vous aimerez certainement les produits de la marque spécifiée;
- Large plage de puissance - il est possible de choisir un appareil adapté en termes de puissance et à son prix ;
- Haute efficacité - l'efficacité, selon le fabricant, est de 99,5%... Cela signifie que la quasi-totalité de l'électricité consommée est convertie en chaleur, sans pertes significatives ;
- Travail absolument silencieux - même si l'équipement est dans la chambre, cela n'interférera pas avec une bonne nuit de sommeil;
- Contrôle précis de la température - créez une atmosphère confortable et chaleureuse dans votre maison;
- Disponibilité des modèles universels - ils peuvent fonctionner à partir de réseaux monophasés et triphasés avec une tension de 220 ou 380 V;
- Installation facile - vous pouvez gérer l'installation vous-même sans l'aide de spécialistes.
Les prix varient de 37 900 à 47 000 roubles - c'est le prix officiel du fabricant en avril 2016. Dans certains autres magasins, il peut différer vers le haut ou vers le bas (généralement vers le haut). Mais rien ne vous empêchera d'acheter la chaudière électrique Proterm dans la boutique en ligne officielle - c'est l'option la plus économique et la plus fiable.
Le coût des équipements peut paraître élevé, mais Protherm est toujours responsable de la qualité de ses produits.
Mode d'emploi
Lors de l'installation et du réglage de l'appareil, vous devez respecter les règles de sécurité et utiliser un équipement de protection. Les chaudières sont installées dans un endroit sec, loin des structures inflammables, des issues de secours, des climatiseurs et autres appareils électriques. L'installation dans des endroits où l'eau peut pénétrer sur l'équipement n'est pas autorisée... De plus, le fonctionnement dans des chambres de congélation n'est pas autorisé.
Montez l'équipement sur des murs solides en tenant compte du poids. Les tuyaux de chauffage doivent s'adapter uniformément et sans déformation. Le raccordement au secteur s'effectue à l'aide de fils de section appropriée, directement au tableau électrique, à travers des machines RCD supplémentaires. L'équipement doit être mis à la terre pour se protéger contre les chocs électriques. Vous devez également vous assurer que la tension d'alimentation est conforme aux normes établies. Les composants et modules externes sont connectés conformément aux instructions.


Tableau de calcul de la section de fil et du calibre des fusibles nécessaires en fonction de la puissance
Idéalement, l'installation doit être effectuée par des spécialistes certifiés, mais si vous suivez les instructions et suivez les règles de sécurité, rien de mal ne se produira.
Pendant le fonctionnement de l'équipement, il est nécessaire de contrôler la température dans le système et de réagir aux éventuelles erreurs. Si l'équipement fonctionne correctement, les utilisateurs ne peuvent régler que la température souhaitée. Le choix de la température du circuit de chauffage et de la température dans la chaudière à accumulation externe (le cas échéant) est effectué à l'aide des boutons du panneau de commande - les paramètres et les erreurs sont surveillés à l'aide de l'écran LCD.









