Accueil / Chaudières à gaz
Retour à
Publié: 29.11.2019
Temps de lecture: 5 min
0
1489
La chaudière à gaz de Sibérie occupe l'une des premières places parmi les chaudières domestiques populaires et compétitives. Toutes les modifications ont une bonne efficacité - 90%, se distinguent par un faible indicateur spécifique de consommation de carburant, ont une conception simple, durable et efficace.
Le fabricant produit des modèles avec des échangeurs de chaleur intégrés en acier ou en fonte. Les chaudières multifonctionnelles au sol et compactes murales ont un prix moyen du marché, qui commence à 19 mille roubles.

Aspect de la chaudière au sol
- 1 Qui est le fabricant
- 2 Conception et principe de fonctionnement
- 3 Les modèles les plus fiables
- 4 Dysfonctionnements majeurs de la Sibérie
- 5 Avis des propriétaires
- 6 Site officiel des chaudières avec un catalogue
- 7 Considérations d'installation et de connexion
À propos de la société
Le propriétaire de la marque Siberia est Rostovgazoapparat CJSC. Il s'agit d'une grande entreprise qui produit des équipements à gaz. L'usine a été fondée en 1888. Localisation - Rostov-sur-le-Don. Le premier en URSS - en 1959, a commencé à produire des chaudières à gaz - AOGV-80. Aujourd'hui, l'entreprise est un exemple d'automatisation et de robotisation des processus de production. Les produits fabriqués par l'usine servent pendant 20 ans ou plus.


teplomex.ru
Au sol chaudières à gaz Sibérie est apparu sur le marché il n'y a pas si longtemps, mais a déjà réussi à gagner de bonnes critiques d'acheteurs et de spécialistes. La chaudière de Sibérie est un produit de la célèbre entreprise russe "Rostovgazoapparat" (Rostov-sur-le-Don), dont l'histoire commence dès la fin du 19ème siècle.
Cette société de Rostov est devenue célèbre grâce aux légendaires chaudières à gaz AOGV, qui chauffaient les maisons privées de millions d'habitants de l'ex-URSS. Mais le temps ne s'arrête pas, tous les concurrents du marché améliorent constamment leurs produits. Rostovgazoapparat ne s'est pas non plus écarté, présentant une unité de chauffage au gaz moderne au jugement du consommateur - la chaudière à gaz de Sibérie.
Nous parlerons de cet appareil aujourd'hui, après avoir examiné en détail les modèles à double circuit et à simple circuit avec un brûleur atmosphérique, présentés en magasin, leurs caractéristiques techniques, caractéristiques et structure interne selon les instructions de son fonctionnement (passeport).
Après avoir analysé tous les paramètres de la chaudière à gaz de Sibérie 11, 17, 23, 29 et 35, nous laisserons nos commentaires sur les avantages et les inconvénients de cet appareil pour chauffer une maison privée, et regarderons également une vidéo sur les dysfonctionnements possibles: pourquoi il ne s'allume pas et ne chauffe pas l'eau.
Gamme de modèles de chaudières Sibérie
Sur le marché intérieur, l'entreprise de Rostov est représentée par deux types de chaudières à gaz au sol de la série Siberia:
- avec échangeur de chaleur en acier; - avec un échangeur de chaleur en fonte.


Chaudière Siberia 11 avec automatisation SIT
Les chaudières à gaz au sol Sibérie ont une gamme de puissance assez large de 11 à 35 kW, qui peut chauffer une maison privée ou des locaux industriels non résidentiels d'une superficie totale de 50 à 350 m2.
Toutes les chaudières ont une apparence moderne, contrairement aux modèles de la série "soviétique" AOGV, l'ensemble des fonctions nécessaires et un système de sécurité fiable. Tous les appareils sont totalement non volatils et fonctionnent à basse pression de gaz, c.-à-d. adapté aux conditions de fonctionnement russes.
En outre, l'entreprise Rostovgazoapparat propose à ses clients différents types de ses appareils:
- chaudières à gaz à circuit unique Sibérie, destinées uniquement au chauffage; - des chaudières à gaz à double circuit qui remplissent déjà deux fonctions utiles: le chauffage et l'alimentation en eau chaude.
Les plus populaires, à en juger par les critiques des consommateurs, sont les modèles à circuit unique de chaudières Sibérie. Ils sont produits dans différentes capacités: 11, 17, 23, 29 et 35 kW. Les chaudières à deux circuits sont produites uniquement avec un échangeur de chaleur en acier et avec un en fonte - uniquement pour le chauffage.
Chaudières à gaz La Sibérie avec un échangeur de chaleur en fonte se caractérise par une grande fiabilité et une longue durée de vie de l'appareil, en raison du matériau de sa fabrication. Ils sont produits avec une puissance nominale de 16 à 50 kW, sont capables de chauffer une pièce jusqu'à 500 m2 et sont marqués comme suit:
- Sibérie Ch16 (KCHGO 16); - Sibérie Ch25 (KCHGO 25); - Sibérie Ch40 (KCHGO 40); - Sibérie Ch50 (KCHGO 50).
"Ч" - chaudière en fonte, et le chiffre indique la puissance de cet appareil de chauffage. "KCHGO" - chaudière de chauffage au gaz en fonte.


Chaudières à gaz au sol Siberia
En outre, l'entreprise produit une gamme d'appareils à gaz au sol avec un bloc d'éléments chauffants électriques d'une puissance de 4,4 kW et une connexion à un monophasé 220 V. Ces chaudières sont marquées du symbole «E», pour Exemple:
- Sibérie 16E; - Sibérie 25E; - Siberia 40E; - Siberia 50E.
Chaudière à gaz Sibérie: appareil et automatisation
Comme la plupart des chaudières à gaz au sol, les radiateurs Siberia se composent d'un corps, d'un échangeur de chaleur pour chauffer le liquide de refroidissement (chemise d'eau), d'un brûleur à gaz et de l'automatisation.
La chaudière à gaz Siberia est équipée d'un échangeur de chaleur en acier ou en fonte, d'une automatisation italienne SIT (vanne gaz, thermostat, allumage piézo et système de sécurité de la chaudière), d'un brûleur à gaz Polidoro en acier inoxydable, ainsi que d'une couche d'isolation en feuille de basalte fibre.
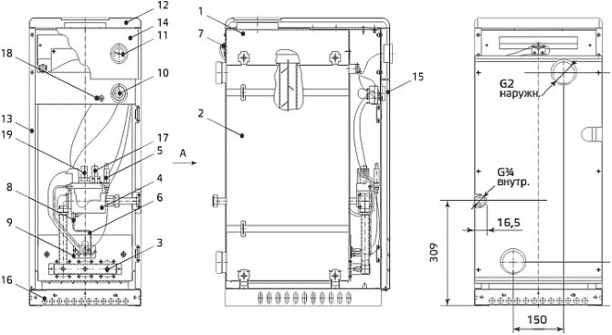
Examinons de plus près la structure interne d'une chaudière à gaz à un seul circuit Sibérie selon le schéma d'instructions.


Appareil de chaudière Sibérie
1 - cheminée pour évacuer les gaz brûlés; 2 - échangeur de chaleur pour l'eau de chauffage dans le circuit de chauffage; 3 - brûleur à gaz en acier inoxydable; 4 - soupape de gaz SIT; 5 - bouton d'allumage piézo; 6 - thermocouple de chaudière; 7 - capteur de poussée; 8 - interrupteur thermique; 9 - allumeur; 10 - thermostat (thermostat); 11 - thermomètre; 12 - couvercle supérieur du boîtier ; 13 - murs de logement; 14 - panneau avant; 15 - paroi avant; 16 - cadre; 17 - bouton électrovanne; 18 - thermostat d'urgence; 19 - régulateur d'alimentation en gaz de la chaudière.
Chaudière à gaz Sibérie: caractéristiques techniques, dimensions, raccordement
La chaudière Siberia a des dimensions compactes et, selon le modèle, ses dimensions ne sont que de 850/280/560 ou 850/380/560 mm. Les raccords pour le raccordement au système de chauffage ont un diamètre: pour un appareil de 11 kW - 1 1/2 ', pour le reste - 2'.
Le raccordement du gaz à la chaudière se fait à l'aide d'un tuyau à soufflet d'un diamètre de 3/4 ', pour un appareil d'une puissance de 11 kW - 1/2'. Et pour l'eau de service - également 1/2 'pour tous les modèles à double circuit. Diamètre de la cheminée de la chaudière: sur Siberia 11 et 17 - 125 mm, sur les modèles plus puissants - 140 mm. D'autres caractéristiques techniques, consommation de gaz et performances sont décrites dans le tableau.


Chaudière Sibérie: caractéristiques techniques
Avantages des chaudières à gaz Sibérie:
- fabricant éprouvé par le temps; - dimensions compactes ; - des automatismes italiens modernes sont installés sur tous les modèles; - fonctionnement silencieux; - efficacité d'au moins 90%; - une large gamme de modèles; - prix raisonnable pour la chaudière et les pièces de rechange.
Inconvénients des chaudières Siberia:
- faible productivité de l'eau chaude dans les modèles à double circuit; - Assemblée russe; - un réseau de centres de services peu développé dans tout le pays.
Donc, nous avons démonté le sol chaudières à gaz Sibérie, les avis clients qui se retrouvent de plus en plus souvent sur Internet: sur les forums et les magasins. Nous avons examiné les spécifications techniques pour les instructions, les caractéristiques et la structure interne des appareils de chauffage fabriqués par l'entreprise Rostovgazoapparat. Ils ont identifié les principaux avantages et souligné certains des inconvénients des chaudières de Sibérie. Nous regardons une critique vidéo de l'acheteur sur l'expérience d'utilisation de l'appareil
Appareil
• Matériau de l'échangeur de chaleur - acier de construction au carbone.
• Bloc automatique SIT, composé d'une électrovanne, d'un thermostat modulant pour marche / arrêt et d'un dispositif thermoélectrique de contrôle de la flamme. Il y a un réallumage et un stabilisateur de pression de carburant, un allumage piézo et un filtre à gaz.
• Brûleur atmosphérique. Matériau - acier résistant à la chaleur. Peut fonctionner à une pression de carburant réduite.
• Boîtier enduit de poudre.
• Isolant thermique en feuille - pour réduire le transfert de chaleur et augmenter l'efficacité.
• Thermomètre capillaire.


Série de Sibérie
Le fabricant propose trois séries:
- Premium Topline-24. Les modèles premium sont conçus pour les petits bâtiments. Double circuit - vous pouvez chauffer l'eau pour les besoins domestiques. Une caractéristique de la série est l'allumage électronique. Il existe un contrôle d'ionisation du feu et des gaz résiduaires. Il existe une fonction de détartrage. Efficacité 90%.
- Comfort Siberia. Modifications 23, 29, 35, 40, 50 (puissance calorifique, kW). Toute option est offerte - circuit simple ou double circuit. Conçu pour les grandes pièces.
- Econom Siberia. Produit depuis 2005. Quatre modèles différant par le nombre de circuits et la puissance - 11,6 kW et 17,6 kW. La lettre "K" dans le marquage signifie - deux contours. Il est possible de passer au gaz liquéfié - vous pouvez vous assurer contre un accident dans le gazoduc. Les boîtiers sont recouverts d'émail qui protège contre les dommages mécaniques.


Caractéristiques de conception technique
Échangeur de chaleur à haute résistance. Dans sa fabrication, des matériaux pratiques ont été utilisés - acier ou fonte et soudage automatique. Durée de vie - 25 ans.
- Les appareils à deux circuits chauffent l'eau dans un radiateur à circulation en cuivre.
- Une couche isolante protège les utilisateurs des brûlures.
- Ils sont utilisés dans tous les systèmes d'approvisionnement en eau - la circulation forcée et naturelle de l'eau convient.
- L'indépendance énergétique. Ne vous connectez pas à des réseaux électriques.
Avantages et caractéristiques du travail
Grâce au processus de soudage automatique et à l'utilisation de matériaux de qualité, le réservoir d'échangeur de chaleur de l'unité est extrêmement durable et fiable. De plus, les chaudières Siberia ont parcelle autres mérites:
- Les structures à double circuit sont équipées d'un circuit en cuivre fluide, à l'aide duquel le système de chauffage est alimenté en eau chaude.
- Les appareils ont une efficacité allant jusqu'à 90% et un contrôle simple du mode de chauffage.
- Le fonctionnement silencieux, la taille compacte et la conception moderne des chaudières Siberia leur permettent d'être installées dans n'importe quelle pièce.
- Toutes les unités sont fabriquées avec une épaisse couche d'isolation thermique, ce qui les rend sûr à utiliser.
- L'échangeur de chaleur de l'appareil Siberia, en acier, permet un chauffage plus efficace du liquide de refroidissement.
- Les échangeurs de chaleur en fonte assurent une durée de vie de l'appareil allant jusqu'à vingt-cinq ans.
- Les modèles peuvent être utilisés à la fois dans les systèmes d'alimentation en eau naturelle et avec une circulation d'eau forcée.
Les chaudières à gaz de Sibérie sont spécialement conçues pour fonctionner en Russie, elles sont donc parfaitement adaptées aux conditions locales.
Disponible pour les équipements de la ligne Siberia et plusieurs inconvénients:
- Un permis est nécessaire pour installer un système de gaz.
- La structure doit être placée uniquement près du mur.
- Les noms d'équipement ont augmenté le risque d'incendie.
- Pour que le système fonctionne, un arrangement de cheminée est nécessaire.
- Il n'y a pas d'unités de condensation dans la conception.
Intégré système d'automatisation chaudières Siberia a un certain nombre de caractéristiques:
- les blocs d'automatisation de l'appareil sont bien situés, ce qui le rend très facile à utiliser;
- l'automatisme est équipé d'un allumage piézoélectrique;
- La technologie italienne est capable de maintenir la température aussi précisément que possible ;
- il n'est pas nécessaire de réguler spécifiquement le fonctionnement de la vanne combinée, puisque tout se fait automatiquement;
- après avoir sélectionné le mode de fonctionnement du brûleur, l'automatisme détermine la consommation de gaz optimale;
- le système est équipé d'un contrôle de flamme et d'un capteur de tirage.
L'une des caractéristiques importantes des chaudières à gaz de Sibérie est qu'elles ne sont pas volatiles.Ceci est très important dans un environnement où les pannes de courant sont fréquentes.
Il peut être noté et le travail du coussin chauffant, dont sont équipées les constructions sibériennes. Il a également ses propres caractéristiques, quelque peu différentes du travail des produits concurrents:
- Le brûleur italien, dont les unités sont équipées, est un appareil respectueux de l'environnement et ne contient pas de substances nocives dans les gaz d'échappement.
- Le brûleur en acier inoxydable ne brûlera pas même à basse pression.
- Si vous remplacez la partie principale du brûleur et du poêle, la chaudière Siberia peut fonctionner au gaz liquéfié.
Le brûleur est facile à utiliser et à entretenir. Vous n'avez besoin d'aucune connaissance particulière pour ce faire, suivez simplement les instructions. Pour que le système fonctionne correctement pendant une longue période, il doit être effectué une fois par an. Maintenance:
- Nettoyez les filtres à gaz.
- Vérifier les courants d'air de la cheminée, l'étanchéité des systèmes, le fonctionnement des dispositifs de sécurité.
- Rincer le brûleur principal et la veilleuse.
Il est préférable de confier ces travaux aux spécialistes du service gaz.
Caractéristiques des modifications de mur
Ils sont très demandés - fonctionnels, pratiques, compacts. Avantages:
- Dissipateur thermique Gianoni en cuivre.
- Polidoro est un brûleur en acier allié.
- Honeywell - Modulation automatique de la flamme.
- Fonction antigel.
- Écran LCD avec les informations actuelles et les codes d'erreur qui se produisent en cas de panne.
En connectant un thermostat d'ambiance, la consommation de carburant peut être réduite.


La gamme
Plusieurs lignes sont présentées par le fabricant:
• AKGV et AOGV. En conséquence, double circuit et circuit unique. Placé sur le sol. Capacité de chauffage 11-35 kW. Le matériau des échangeurs de chaleur, le plus souvent de l'acier au carbone. Zones chauffées de 125 à 400 mètres carrés. Consommation d'eau - 4-8 l / min à 35 ° C.
• KCHGO. Machines puissantes de 16 à 50 kW. Ils chauffent de grands bâtiments, entrepôts, halls de production. Le radiateur est en fonte.
• Ligne supérieure. Accrochez-vous au mur. 24 000 watts. Échangeurs de chaleur en cuivre. Conçu pour l'entretien simultané de plusieurs points de prise d'eau. Conçu pour les maisons jusqu'à 200 mètres carrés.
• Aqua. 18 000 à 23 000 watts. C'est plus un chauffe-eau qu'une chaudière de chauffage. Allumage - piézo / électronique.


Vue d'ensemble des chaudières à gaz "Sibérie"
La Sibérie peut être divisée en 4 séries:
- La série KCHGO se compose de 4 modèles au sol d'une capacité de 16, 25, 40 et 50 kW. Les chaudières peuvent chauffer des pièces qui correspondent à leur capacité. Les modèles sont équipés d'échangeurs de chaleur en fonte.
- Les séries AKGV et AOGV sont des chaudières à gaz au sol d'une capacité de 11 à 35 kW, et l'échangeur de chaleur est en acier au carbone. AKGV - chaudières à double circuit et AOGV - simple circuit. L'équipement est adapté pour chauffer une maison de 125 à 400 m². La consommation d'eau chaude est de 3,8 à 8 litres à une température de 35 degrés.
- La série aQua se compose de chauffe-eau à gaz à écoulement continu d'une capacité de 18 et 23 kW. L'équipement peut avoir un brûleur piézoélectrique ou électronique. L'échangeur de chaleur est en cuivre. La consommation d'eau est de 5,6 litres à une puissance de 18 kW et de 7 litres à une puissance de 23 kW. Ces valeurs sont stockées à une température de 40 degrés.
- La série Top Line est disponible en 24 kW et dispose d'un échangeur de chaleur biothermique en cuivre. Plusieurs points d'admission peuvent être utilisés. La zone de chauffage peut être de 200 m².
Après l'achat d'une chaudière à gaz, il est nécessaire de la livrer à destination et de choisir le bon site d'installation. De plus, l'installation doit être effectuée conformément aux normes et réglementations de sécurité. Cela nécessite:
- L'installation de l'équipement à gaz ne peut être effectuée que par des spécialistes du service de gaz.
- La chaudière doit être placée à au moins 3 cm du mur.
- Après le premier démarrage, il peut y avoir de la condensation sur l'échangeur de chaleur. Il apparaît en raison de changements brusques de température. Si l'équipement fonctionne en continu, il n'y aura pas de condensation.
Lors de la conception d'un système de chauffage, il convient de prendre en compte le fait que les chaudières à gaz de ce fabricant ne disposent pas de vase d'expansion et de pompe à eau.
Lors du fonctionnement des chaudières à gaz, il est nécessaire de suivre toutes les recommandations et règles de fonctionnement spécifiées par le fabricant. N'oubliez pas les inspections préventives et techniques des équipements. Lors du choix d'une chaudière à gaz, vous devez vous rappeler que la puissance de l'unité correspond à la superficie de la pièce. Sous réserve de ces règles, la chaudière à gaz de Sibérie fonctionnera efficacement et pendant longtemps.
Critères de choix
• Puissance - plus elle est élevée, plus la zone chauffée est grande. Prescrit dans l'étiquetage.
• Dimensions de la pièce. Le calcul de la puissance calorifique requise est effectué en tenant compte de la dépendance: pour 10 m2 M. - 1000 watts. Il n'est pas recommandé d'utiliser l'appareil au maximum - cela augmente l'usure de ses éléments. La valeur doit être augmentée en ajoutant 30%.
• Climat.
• Isolation des bâtiments.
• ECS (alimentation en eau chaude).
• Type de chaudière. Dans un appartement, il est plus pratique d'utiliser la version à charnière, dans une maison privée, elle est posée au sol.
Installation
L'ensemble comprend un passeport et des instructions. Ce dernier est nécessaire pour se familiariser avec l'appareil, le principe de fonctionnement et les règles d'utilisation de la chaudière. Après avoir lu les instructions, l'utilisateur pourra apprendre comment allumer l'appareil. Il est conseillé de confier l'installation à des spécialistes. Fonctionnalités d'installation:
• Enregistrement de l'autorisation d'installation - des travailleurs du gaz.
• L'installation est effectuée par des spécialistes disposant d'une licence pour le travail correspondant.
• L'ensemble ne comprend pas de vase d'expansion et de pompe de circulation - ils devront être achetés en plus.
• L'appareil est placé contre un mur, il est donc impératif de laisser un espace d'au moins trois centimètres.
• Pour le montage en surface, l'unité a besoin d'une fondation. Habituellement, il est en brique. Les modèles muraux sont solidement fixés.
• Lors du raccordement, il ne doit y avoir aucune fuite de gaz. Les connexions doivent être soigneusement isolées.
• Si vous démarrez l'unité pour la première fois, de la condensation s'accumulera sur l'échangeur de chaleur, qui disparaîtra lorsque le système se réchauffera.


Sélection de la chaudière
La principale différence entre toutes les chaudières à gaz de Sibérie ne réside pas dans leur taille, mais dans la puissance des unités.
Le nom de l'appareil indique la puissance incluse dans l'appareil - par exemple, la chaudière Siberia 11 a une capacité de 11 kW et la chaudière à gaz Siberia 23 (dont des critiques peuvent être trouvées sur ce site Web) - 23 kW.
Cette information est nécessaire pour savoir lors de l'achat d'une chaudière, car la puissance en kW indique aux clients quelle zone cette chaudière peut chauffer.
Le calcul est simple. Si la hauteur du plafond ne dépasse pas 2,5 mètres, pour 10 m2 de la pièce, 1 kW de puissance de chaudière est nécessaire. Cependant, les experts recommandent de prendre des chaudières à gaz au sol Siberia (dont l'efficacité dépend du modèle correctement sélectionné) avec une réserve de marche, car la pièce peut avoir des «trous» à travers lesquels la chaleur fuit.


Les "trous" dans ce cas sont appelés, par exemple, la surface du vitrage (plus la fenêtre est grande, plus la perte de chaleur est importante, car la chaleur est très facilement perdue à travers le verre). Ainsi, lors du choix d'une chaudière, vous devriez prendre environ 1/3 de la puissance de plus qu'un simple calcul mathématique ne le suggère.
Connaissant ces nuances du calcul, il est assez simple de déterminer la chaudière à gaz requise de Sibérie, dont les caractéristiques techniques diffèrent. Supposons que vous souhaitiez chauffer une pièce de 130 m2. La puissance minimale de la chaudière pour chauffer une telle pièce doit être de 13 kW. Après avoir fixé une marge de 30%, nous obtenons un chiffre de 17 kW.
Cela signifie que chauffer 100 m2 nécessitera une puissance d'environ 17 kW - par exemple, la chaudière Siberia 17k (des critiques sur la chaudière peuvent être lues sur notre site Web).
Lors du calcul, il ne faut pas oublier le matériau à partir duquel la maison est fabriquée et les conditions climatiques dans lesquelles se trouve cette maison. Les bâtiments faiblement isolés nécessitent une augmentation du tarif de 1 kW à 1,5 kW pour 10 m2 de locaux.
Comment utiliser l'équipement?
Sans violer les règles de fonctionnement, vous pouvez prolonger considérablement la durée de vie des appareils à gaz:
• N'allumez pas une chaudière avec un brûleur cassé ou une cheminée obstruée.
• Le châssis doit être mis à la terre.
• Lorsque vous utilisez de l'antigel comme caloporteur - au lieu de l'eau, vous devez acheter uniquement un produit certifié. La teneur en éthylène glycol est interdite.
• L'eau ne doit pas être chauffée à plus de 95 degrés.
• Lors de l'installation de l'unité près d'un mur recouvert d'un matériau dangereux pour le feu, un joint en acier ou en amiante doit être fabriqué.
• La mise en marche de l'appareil n'est autorisée qu'après avoir rempli l'installation d'eau / d'antigel.
• Nettoyez la cheminée et les filtres une fois par an. Assurez-vous que toutes les connexions sont bien serrées.


Aperçu du modèle
Sibérie17K
Installation extérieure. Construction simple. Minimum de fonctions. Ayant appris combien coûte la modification 17 K, ainsi que les paramètres techniques, les consommateurs l'achètent volontiers. Deux contours. Puissance calorifique 17,4 kW. Chauffe une surface jusqu'à 200 m². Efficacité 90%. Ouvrez la chambre de combustion. Consommation de carburant - 1, 21 kg / h et 1,76 m3 / h - gaz liquéfié et gaz naturel, respectivement. Type de commande mécanique. Protection - contrôle du gaz. Pèse 59 kg. Largeur 28 cm La hauteur et la profondeur sont standard pour la Sibérie - 85 et 56 cm, respectivement.


Sibérie KCHGO-25
Chaudière à convection au sol à circuit unique. Surface de chauffage jusqu'à 270 m2 m. Le prix estimé est de 37 700 roubles. 25 000 W - puissance calorifique. Échangeur de chaleur en fonte. 2,45 mètres cubes / h de gaz naturel. Fonctionné mécaniquement. Contrôle du gaz. 115 kg - poids.


AOGV-17.4
Installation extérieure. Ne répond pas aux chutes de pression dans les conduites de gaz. Non volatile. Isolant thermique avec fibre de basalte. Contrôle automatique. Radiateur en acier. Chauffe jusqu'à 180 pieds carrés m. SIT. Équipé d'une valve magnétique qui résiste à la saleté. Allumage piézo.


TopLine 24
Exécution du mur. Échangeur de chaleur en cuivre. La productivité est de 12 l / min à 25 ° С - elle diminue avec l'augmentation de la température. En fonction de la puissance de l'appareil, il est possible de chauffer une surface de 30 à 200 mètres carrés.


AOGV 11.6
Modification du budget. Prix estimé - 10000 roubles. Un circuit. 11,6 kW - puissance calorifique. L'efficacité est de 87%. Installation extérieure. Il n'y a pas d'auto-allumage. Ouvrir la caméra. Il est non volatil, comme tous les appareils à gaz de Sibérie.


Dysfonctionnements majeurs en Sibérie
La conception simple de ces chaudières n'entraîne pas de dysfonctionnements graves, en particulier lorsque les utilisateurs effectuent une maintenance systématique des modules principaux. Pour cette raison, il n'y a pratiquement aucun intérêt pour les pièces de rechange pour les équipements de sol à gaz de Sibérie.
Les pannes de nature opérationnelle les plus fréquentes sont:
- La veilleuse piézo ou le brûleur principal s'allume mal. La cause de défaillance la plus fréquente est une mauvaise traction. Une raison possible du manque de combustion est une mèche ou un brûleur de base obstrué.


Parfois, il y a des problèmes d'allumage - Le brûleur de la veilleuse s'éteint après 5 à 15 secondes. Cette défaillance est mise en évidence par un tirage arrière dans la cheminée. La raison en est souvent un conduit de gaz mal conçu: sa longueur réduite ou excessive et l'absence de déflecteur.
- La chaudière n'augmente pas la température de l'eau de chauffage au-dessus de 60 C. Le plus souvent, cela est dû à une vanne de gaz bouchée.
- Logiciel glitch E01, il parle de l'absence de torche. Cela peut se produire lorsque la vanne de gaz est fermée, il y a une chute de pression importante dans le réseau de gaz ou des surtensions dans le réseau électrique.
- Défaut E04 - La perte de charge dans le système d'eau est inférieure à 0,7 bar. En règle générale, cela est dû à des sas d'air, des fuites, une panne d'un vase d'expansion ou d'une soupape de sécurité.
Lemax ou Siberia - quel est le meilleur?
En choisissant une chaudière domestique bon marché, le consommateur doit la comparer non seulement avec ses homologues européens qui la dépassent en prix, mais également avec des produits fabriqués en Russie.La Sibérie et Lemax sont des produits d'entreprises nationales. Lemax est une marque commerciale de la plante Taganrog. Il s'agit d'une jeune usine de production qui fournit ses produits dans toutes les régions de la Fédération de Russie depuis 2002. Les deux marques ont une efficacité de 90%. La Sibérie l'emporte sur les concurrents de Taganrog dans l'évaluation de la demande - les consommateurs des produits Rostovgazoapparat sont attirés par l'efficacité, le transfert de chaleur, l'apparence et la facilité de gestion. Les deux usines produisent des modèles non volatils avec des échangeurs de chaleur en acier et en fonte. Les critiques des produits Lemax sont neutres - pas «premium», mais assez fiables et sans prétention pour leur coût - un appareil en acier d'une capacité de 10 000 W coûte 13 000 roubles, une fonte 19 000 W -30 000 roubles.
Avis sur Chaudières Siberia
Revue de Vasily Pskov: positif
L'année dernière, ils ont finalement fini de construire leur propre maison, il était temps de procéder aux communications et à la décoration intérieure. La première étape a été le problème du chauffage.
Ils ont commencé à sélectionner une chaudière, les exigences étaient les suivantes:


Notre chaudière, avant même l'installation
- Économique et fiable (nous n'avons pas d'argent supplémentaire, comme tout le monde);
- Gaz (le gaz principal a récemment été amené dans notre village, cela, en fait, nous a conduit à l'idée qu'il était temps de construire);
- Version extérieure avec tirage naturel. Ici, je veux vous dire plus en détail. Nous avons lu plusieurs fois sur Internet des critiques élogieuses sur les chaudières à turbocompresseur, elles ne semblent pas avoir besoin d'une cheminée. Mais les constructeurs ont déclaré sans équivoque: la chaudière à gaz doit être dans la chaufferie et la cheminée doit être verticale. Nous sommes des gens de l'ancienne formation, nous sommes également habitués au fait que la fumée sort par le toit, nous avons donc accepté, d'autant plus que la chaufferie était déjà dans le projet.
Le système de chauffage a été installé par les mêmes constructeurs et ils ont conseillé d'acheter une chaudière en Sibérie. Nous avons décidé de leur faire confiance et ne l'avons pas regretté. En termes de superficie, le modèle Siberia 23 s'est approché de nous, à un prix il s'est avéré inférieur à 20 mille, ce qui était tout à fait satisfaisant.
Au bout d'un an, je peux dire: une belle chaudière au sol qui ressemble à un réfrigérateur, le brûleur et l'automatisation sont italiens, ils disent qu'ils sont bons. Très probablement, c'est le cas, dans tous les cas, le coût du chauffage en hiver ne dépassait pas 2000 roubles par mois. Les voisins disent qu'ils en ont plus.
Nous avons traversé l'hiver calmement, il faisait chaud et confortable, nous recommandons donc vivement à tous ceux qui s'intéressent à ce qu'il faut mettre pour le chauffage - prenez la Sibérie, vous ne le regretterez pas.
Dmitry Novgorod Review: positif
Je dessert plusieurs chalets d'été adjacents, installe des systèmes de chauffage. De nos jours, de nombreuses personnes isolent leurs maisons et les convertissent en résidence permanente. Les clients sont différents, quelqu'un veut une glacière et plus chère, mais pour quelqu'un, l'essentiel est un prix bas avec une qualité normale.
Avec le premier, tout est simple - je les mets Baxi ou Ferolli, mais pour le second je n'ai pas immédiatement trouvé ce dont j'avais besoin. J'ai essayé de nombreux fabricants, maintenant je propose des chaudières à gaz de Sibérie. Les appareils normaux sont fabriqués en Russie et le remplissage est entièrement importé, le prix est donc acceptable et la qualité est tout à fait décente.
En gros, je mets le modèle Siberia 17 ou 23 (le nombre dans le nom est la puissance en kilowatts). Si, en plus du chauffage, vous avez également besoin de fournir de l'eau chaude, je suggère des analogues à double circuit (ils sont appelés les mêmes, mais ont la lettre «k» après le nombre). Je travaille avec eux depuis deux ans maintenant, jusqu'à présent, que de bonnes critiques - les miennes, en tant qu'installateur, et celles qui l'utilisent directement.
Revue de Pavel Arkhangelsk: positive
Pendant vingt ans, ils ont bénéficié du succès des ventes de l'époque de l'URSS - la chaudière AOGV-80. La superficie de la pièce chauffée est de 60 m2. L'année dernière, il était temps d'acheter quelque chose de nouveau, car AOGV était presque complètement épuisé et que les automatismes n'avaient pas fonctionné depuis longtemps, tous les modes devaient être réglés manuellement.
Des amis ont conseillé d'installer une chaudière de la marque Siberia. L'usine semble le faire, mais les paramètres sont bien meilleurs, les automatismes sont importés et l'efficacité selon le passeport est de 90%.
À tous égards, il est apparu - une chaudière à gaz au sol fonctionne avec une circulation naturelle, de sorte que le système de chauffage, assemblé au siècle dernier, n'a pas eu à être modifié.Il ne nécessite pas de connexion à l'électricité, les critiques sont également bonnes. En général, nous avons décidé et installé.
Après un an, nous pouvons dire en toute sécurité: la Sibérie est une bonne option pour remplacer l'AOGV. Fiable, économique, a fière allure. Les coûts de chauffage ont immédiatement baissé sensiblement (en moyenne, une fois et demie). Apparemment, l'automatisation est vraiment bonne.
Revue Leonid Moscou: positif
Je rénove une maison de campagne pour y vivre toute l'année. Il se trouve que les enfants grandissent, ils vont bientôt vivre seuls, donc l'appartement doit être libéré. J'ai commencé avec le chauffage il y a trois ans. Ensuite, il est devenu connu pour la première fois que le gaz principal serait fourni à notre SNT. Par conséquent, j'ai décidé d'installer une chaudière électrique temporaire et, dès que le gaz apparaît, de la changer pour une chaudière à gaz.
Le temps est passé inaperçu, il y a trois mois, ils ont effectué le gaz. Bien sûr, ils ont payé un prix décent pour la connexion, mais nous espérons qu'ils paieront en réduisant le coût mensuel du chauffage. Ils ont commencé à chercher une chaudière économique peu coûteuse avec un bon rendement. Nous sommes passés par de nombreux fabricants, nous nous sommes finalement installés sur une unité de Rostov appelée Siberia 23. Il s'agit d'une chaudière au sol, conçue pour une superficie allant jusqu'à 250 mètres carrés.
Pourquoi exactement lui? Prix - moins de 20 mille, conçu pour une cheminée conventionnelle, efficacité - plus de 90%, les avis des utilisateurs sont positifs. Ces paramètres se sont avérés décisifs.
Après l'achat, cependant, nous avons rencontré quelques surprises. Le fait est qu'avant cela, nous étions chauffés par un poêle ordinaire avec une cheminée en brique.
Alors, juste au cas où, je veux vous prévenir, peut-être que quelqu'un vous sera utile: il s'avère que les chaudières à gaz ne peuvent pas être retirées dans la cheminée du poêle.
Honnêtement, je ne me souviens pas des subtilités, mais le fait est qu’il est détruit par cela. Pour le chauffage au gaz, la cheminée doit être gainée - un tuyau métallique y est inséré. Pour moi, c'était une surprise totale, j'ai dû faire des dépenses imprévues.
Tout le reste va bien. Ma Sibérie est debout, la maison se réchauffe, les frais de chauffage après les factures d'électricité sont incroyablement agréables. Je recommande donc à tout le monde: faites attention aux produits du fabricant russe. Avant d'acheter une chaudière allemande ou italienne, pensez à la Sibérie (c'est le nom de cette marque) - et vous économiserez de l'argent et ne perdrez pas en qualité.
Examen de Vyacheslav Ryazan: positif
Depuis quatre ans maintenant, nous vivons dans notre propre maison en dehors de la ville. Avant cela, il fallait beaucoup de temps pour construire et équiper les systèmes de survie. Je veux vous dire comment le système de chauffage a été fabriqué.


Sibérie 11K
Pour sa conception et son installation, des spécialistes ont été sollicités, qui ont proposé de fournir une chaudière à gaz double circuit. Il s'agit d'une solution universelle qui fournit à la fois du chauffage et de l'eau chaude. Pour un petit nombre d'habitants (nous sommes deux avec ma femme, parfois un fils vient) une telle unité est tout à fait capable de fournir le débit d'eau et de liquide de refroidissement nécessaire.
Les installateurs ont recommandé le Siberia 11K comme modèle spécifique adapté à nos conditions. Ils ont dit qu'ils avaient déjà livré plusieurs de ces chaudières, il n'y avait pas de difficultés lors de l'installation et de l'utilisation. Nous lisons les critiques sur Internet au cas où, tout le monde semble heureux aussi, nous avons donc accepté cette option.
Il s'est avéré que la chaudière était vraiment bonne, elle a fonctionné la première fois et, surtout, elle s'est avérée être en règle avec les travailleurs du gaz, donc il n'y avait presque aucun problème avec le raccordement et la mise en service de l'installation.
Mais deux ans et demi plus tard, les premiers problèmes ont commencé: le gaz s'est enflammé pour la deuxième ou la troisième fois, il s'est souvent interrompu, parfois des claquements et des crépitements se sont fait entendre. Nous étions bouleversés, nous pensions avoir acheté une chaudière de fabrication russe en vain. Ils ont appelé les représentants du service - le problème a été résolu en une demi-heure. Il s'est avéré que le filtre était bouché, ils l'ont nettoyé et tout a fonctionné. Les réparateurs ont déclaré que les chaudières Siberia sont très faciles à entretenir, si vous avez de l'expérience, vous pouvez même le faire vous-même.J'essaierai certainement la prochaine fois.
Depuis, tout fonctionne sans interruption, ça chauffe bien, il y a toujours de l'eau chaude. En général, je peux recommander cette marque à tous ceux qui recherchent une chaudière au sol peu coûteuse.







