Quels critères devraient être utilisés pour choisir
Il existe 3 critères principaux pour ce processus:
- Le volume. Vous ne devez pas définir le périphérique maximum pour cette valeur. Cela peut entraîner des difficultés financières à l'avenir. Étant donné que plus d'eau ira dans un récipient d'un volume suffisant, la facture de sa consommation sera plus élevée. Il convient de rappeler que plus le volume de l'installation est grand, plus elle entrera en contact avec la bobine, ce qui peut entraîner un échauffement du liquide de refroidissement.
- Pouvoir. Ce critère affecte le chauffage de l'eau. Pour un processus de chauffage à part entière, un chauffe-eau avec un indicateur de 8-12 kW convient.
- Diamètre. Ce critère dépend de la zone de la pièce où l'appareil est installé.
Installation et fonctionnement d'une chaudière de chauffage
Chaudière dans le système de chauffage
Après avoir effectué tous les calculs nécessaires de la puissance de la chaudière et de son volume, vous pouvez commencer à intégrer l'appareil dans le système de chauffage.
La détermination du site d'installation est une tâche importante. Après avoir décidé de la fonction de la chaudière dans le système de chauffage, vous devez lire les instructions pour son installation
La meilleure option serait de l'installer à proximité immédiate de la chaudière. Dans ce cas, le transfert d'énergie thermique du liquide de refroidissement vers l'eau est le plus efficace.
Mais en même temps, vous pouvez faire face aux difficultés suivantes pour organiser le chauffage à l'aide d'une chaudière:
- Alimentation en eau chaude sanitaire. Dans un système de chauffage avec une chaudière à combustible solide, il est plus pratique de placer la chaudière directement dans la chaufferie. Mais alors, pour fournir de l'eau chauffée aux locaux, vous aurez besoin d'une pompe séparée et de dispositifs de contrôle pour cela;
- Grande capacité. si le chauffage par chaudière est prévu pour de grandes zones résidentielles. Il y a un problème avec le placement de l'élément chauffant;
- Alimentation électrique pour assurer le fonctionnement de l'élément chauffant. Pour le fonctionnement normal d'une chaudière pour chauffer une maison privée, il est également recommandé d'installer une source d'électricité autonome.
Une fois ces problèmes résolus, vous pouvez passer directement à l'installation.
La température de l'eau de chauffage à travers la chaudière est surveillée à l'aide d'un thermomètre installé. Il n'est pas inclus dans le package standard et doit donc être acheté séparément.
Installation d'un ballon de stockage de chauffage
Pour l'installation de l'accumulateur de chaleur, il est nécessaire de préparer une surface plane à l'avance. Son poids élevé doit être pris en compte - si nécessaire, une fondation séparée est faite ou les sols sont renforcés.
La meilleure option de montage est sur une plate-forme séparée. De cette manière, le contact du boîtier avec la surface en béton peut être évité, ce qui réduira les pertes de chaleur dans la chaudière électrique pour le chauffage. Presque tous les fabricants fabriquent des conteneurs sur des pieds spéciaux. S'ils sont absents, il est recommandé d'installer de l'isolant sur le sol.
La procédure de connexion de la chaudière au système de chauffage consiste à effectuer les actions suivantes:
Après avoir installé le conteneur, vous devez vérifier sa position par rapport à l'horizon. Les écarts ne sont pas autorisés. Connectez-vous au chauffage
Il est important que le diamètre des buses soit égal. Sinon, après avoir connecté la chaudière au système de chauffage, une résistance hydraulique excessive apparaîtra. Si l'installation est réalisée dans une pièce non chauffée, le corps de la chaudière est isolé. Un raccordement à l'alimentation en eau chaude est effectué afin que la chaudière fonctionne non seulement pour le chauffage, mais également pour l'alimentation en eau chaude.
Une fois ces travaux terminés, il est nécessaire de vérifier l'étanchéité de toutes les connexions et de démarrer le système de chauffage. Dans les 2-3 semaines, il est recommandé de mesurer la température de l'eau dans le réservoir et du liquide de refroidissement dans les tuyaux après l'arrêt de la chaudière. De cette manière, vous pouvez déterminer le temps réel pour maintenir le niveau de chauffage requis dans le circuit de chauffage à partir de la chaudière.
Afin de chauffer complètement la chaudière, il n'est pas recommandé d'utiliser de l'antigel. Il se caractérise par une capacité thermique relativement faible, ce qui affectera le transfert de chaleur vers l'eau et vers le liquide de refroidissement.
Conditions pour le bon fonctionnement de la chaudière
Calcaire sur l'élément chauffant de la chaudière
L'entretien du réservoir de stockage n'est pratiquement pas différent de l'exécution des procédures nécessaires pour maintenir le fonctionnement de toute chaudière électrique avec des éléments chauffants. Et dans ce cas, pour que la chaudière fonctionne normalement dans le système de chauffage d'une maison privée, il est nécessaire de suivre les recommandations du fabricant.
Cela peut être garanti avant même que l'alimentation en chaleur de la chaudière ne soit effectuée. Il est préférable d'acheter des modèles avec le soi-disant «élément chauffant à sec». Sur celui-ci, la formation de tartre est beaucoup plus lente. Vous devez également pré-filtrer l'eau avant de l'introduire dans le réservoir de stockage.
En plus de ces procédures, vous devez effectuer les opérations suivantes:
- Vérifier l'intégrité de l'isolation thermique de la structure une fois par mois;
- Contrôler la durée de maintien de la température du liquide de refroidissement pendant le fonctionnement de l'alimentation en chaleur à travers la chaudière. La différence entre les indicateurs calculés et réels ne doit pas dépasser 15%;
- Vérification de l'étanchéité des connexions. Il est recommandé de remplacer les joints avant chaque saison de chauffage. De cette façon, vous pouvez obtenir un chauffage plus fiable d'une maison privée à l'aide d'une chaudière.
L'unité de commande de certains modèles est sensible aux surtensions. Pour éviter d'endommager cet appareil coûteux, vous devez connecter un stabilisateur pour la chaudière dans le système de chauffage.
Pour nettoyer l'élément chauffant du tartre, vous devez le démonter. Mais avant cela, vous devez demander au vendeur si la garantie d'usine sera préservée.
Nuances de la chaufferie
Selon le projet d'un immeuble à appartements, les dimensions de la pièce où se trouve la chaufferie, selon les normes approuvées, devraient être très grandes.

Aménagement d'un chalet 9x11 avec chaufferie
Cela est nécessaire pour un accès libre aux systèmes de chauffage à partir de tuyaux lorsqu'il est nécessaire d'effectuer des travaux de réparation ou d'effectuer des opérations préventives. Selon les projets, l'installation de chaudières pour les maisons privées se fait sur une élévation spéciale. Cela peut être une structure en acier ou une fondation peu profonde légèrement surélevée. Parfois, dans les immeubles à appartements, il est nécessaire d'installer plusieurs chaudières. Dans ce cas, l'installation se fait par paires et la distance normalisée entre les appareils est respectée. Habituellement, cela se fait sur 70 cm.
Dans chaque projet de cogénération, la chaufferie est grande. D'énormes réservoirs de chaudière, des canalisations par lesquelles l'eau est fournie, des pompes puissantes sont montées dans la pièce. Pour les maisons privées, les chaufferies pour le chauffage ne sont pas conçues de très grandes dimensions.


Un exemple de petite chaufferie dans une maison privée
Ils correspondent:
- chaudières;
- Chauffe-eau;
- tuyaux en plastique.
Travaux préparatoires avant l'installation de la chaudière
L'auto-installation d'un chauffe-eau électrique vous coûtera moins cher que les services de spécialistes. En moyenne, le travail prendra environ deux heures. Mais lors de la préparation de l'installation et directement en cours d'exécution des travaux, vous devez suivre les règles de sécurité.
- Tout d'abord, vous devez décider du modèle de la chaudière: de quel type de système elle doit être - à écoulement continu ou de stockage, pour combien de litres elle est conçue, comment elle sera montée - horizontalement ou verticalement, sur un mur ou sous un évier, etc.
- L'étape suivante consiste à créer un schéma de câblage de l'appareil sur papier avec la désignation de l'encart d'eau chaude et froide. Ensuite, vous devez effectuer les opérations suivantes:
- faire de la place pour le chauffe-eau et travailler;
- vérifier la résistance du mur pour sa capacité à supporter le poids avec une double marge (par exemple, si la chaudière a un volume de 50 litres, des fixations sont nécessaires pour un poids égal à 100 kg plus le poids de la chaudière vide) ;
- comme un chauffe-eau est un très puissant consommateur d'énergie, il est nécessaire de déterminer à l'avance le type de câblage (aluminium ou cuivre) et la section du câble posé dans les murs, ainsi que d'évaluer la capacité du câblage pour supporter la charge d'une chaudière électrique (par exemple, pour connecter une chaudière de 2 kW, un câble en cuivre d'une section transversale est nécessaire à partir de 2,5 mm2);
- vérifier l'état des conduites d'eau et des colonnes montantes (en particulier pour les vieilles maisons) - elles doivent être en bon état et avoir des points pour connecter un chauffe-eau.
- Avant de commencer l'installation de la chaudière, vous devez lire les instructions afin de comprendre les caractéristiques du modèle, puis couper l'électricité et fermer les tuyaux d'alimentation en eau chaude. Il ne faut pas oublier que si vous vivez dans un immeuble à plusieurs étages, cela privera temporairement les résidents d'autres appartements d'eau chaude, vous devez donc vous préparer soigneusement aux travaux afin de les terminer le plus rapidement possible.
Vous pouvez vérifier la résistance du mur de la manière suivante: monter les fixations fournies avec la chaudière et y suspendre deux sacs de ciment. Si le support peut supporter une telle charge, il pourra résister à un chauffe-eau, qui pèse deux fois moins.
Une attention particulière doit être accordée à la vérification de la résistance du mur lors de l'installation d'une grande chaudière de 150 litres. La fixation d'une telle unité est faite sur des boulons d'ancrage en métal d'expansion ou des crochets solides spéciaux.
Il est recommandé d'utiliser des ancres d'une longueur de 100 mm et d'un diamètre de 10 mm.
Il convient de garder à l'esprit que l'installation d'un chauffe-eau nécessitera les efforts de deux personnes, car ce processus prend beaucoup de temps. En règle générale, la chaudière est montée dans la salle de bain ou les toilettes directement au-dessus des toilettes. En règle générale, cet endroit n'est en aucun cas utilisé. En même temps, il doit être abordé librement.
Dans une petite pièce, pour économiser de l'espace utilisable, la chaudière est généralement placée horizontalement. Un petit chauffe-eau est fixé au mur et des unités d'un volume de 200 litres ou plus sont installées au sol.
Pourquoi avons-nous besoin de chaudières dans les sous-sols
Les sociétés de gestion installent des chaudières dans les sous-sols des maisons avec puissance et principale, répondant au programme de la ville. Et dans les appartements, dans les escaliers et dans les cours, les habitants discutent de ce que cette réorganisation de l'approvisionnement en eau chaude va leur apporter, si encore une fois les changements viennent «d'en haut», c'est-à-dire du comité exécutif, et non «d'en bas» des propriétaires de maisons.
«Les locataires de notre maison sont catégoriquement contre l'installation, car il n'y a que des exemples de l'aggravation de la situation avec ces chaudières. Nous recueillons maintenant les signatures de tous les résidents contre l'installation de chauffe-eau. Le directeur de notre société de gestion ne cache pas que cela ne fera qu'empirer avec la chaudière », écrit Nadezhda, la responsable de la maison, dans le blog logement et services communaux de notre site Internet. «Une chaudière est une chaudière dans laquelle l'eau froide est chauffée à l'aide d'eau chaude, comme un grand chaudron. Lorsque tout le monde ouvre les robinets pour la consommation d'eau chaude, alors les problèmes vont commencer, c.-à-d. pénurie et basse température de l'eau. Tout cela est absurde, puisque nous avons essayé dans une seule organisation, cela n'a guère de sens, il n'y a presque pas d'économies, vous ouvrez le robinet d'eau chaude - de l'eau chaude coulera et pour que l'eau devienne chaude, vous devez attendre. L'eau coule et le compteur compte le volume d'eau chaude », - dans le même blog, un certain« vétéran »explique à Nadezhda. Les gens sont extrêmement intéressés par le coût d'installation des chaudières et par le montant en roubles de l'eau de ces chaudières.
Nous avons contacté des spécialistes de plusieurs sociétés de gestion. Il s'est avéré que le prix d'une chaudière, ainsi que l'installation et la préparation des travaux, allait de 200 à 850 000 roubles. La quantité dépend de la puissance de la chaudière et la puissance dépend du nombre d'habitants qui consommeront de l'eau.
- Par conséquent, c'est une grosse erreur de penser qu'aux moments de "pointe" de charge quelqu'un devra ouvrir le robinet et attendre que l'eau froide devienne chaude. Même si tous les locataires ouvrent tous les robinets de la salle de bain et de la cuisine. Ceci est garanti par les paramètres techniques de la chaudière », explique Zamfir Khazivaliev, ingénieur en chef de la société de gestion Paritet.
- J'habite dans la maison où la chaudière a été installée. Aucun problème, approvisionnement en eau normal, température normale », confirme Lilia Skryabin, chef du département de planification de la société de gestion de Chelnystroyremont.
L'argent pour l'installation des chaudières au Royaume-Uni provient de diverses sources, mais tout cela provient du loyer. En règle générale, il s'agit de fonds pour l'entretien ou les réparations majeures. Par conséquent, les chaudières sont déjà la propriété des propriétaires d'appartements et de maisons et il n'est pas nécessaire de les racheter (car nous rachetons les compteurs domestiques courants).
Hope s'intéresse beaucoup à savoir si les résidents peuvent refuser d'installer une chaudière? N'est-ce pas en vain qu'elle recueille des signatures d'appartements? Les avocats disent que les propriétaires de la maison, bien sûr, ont le droit de refuser la chaudière. Mais il y a des nuances. Si les propriétaires tiennent une assemblée générale de quorum et lors de celle-ci, à la majorité des voix dans le procès-verbal, ils prennent une telle décision, alors tant pour la société de gestion que pour le comité exécutif cela équivaudra à un ordre qui n'est pas discuté. Si vous envoyez une lettre collective au Code pénal, où la majorité des habitants se prononcera contre l'installation d'une chaudière, alors le Code pénal devra créer un groupe de travail avec la participation d'activistes à domicile. Ce groupe devrait tout analyser (des raisons pour lesquelles les locataires sont contre la chaudière, et en quoi le rejet de celle-ci se transformera) et proposer sa solution à la société de gestion et au conseil de la maison. Désormais, les sociétés de gestion sont fermement convaincues que les chaudières sont un progrès.
- Les chauffe-eau remplacent le système que nous utilisons depuis 40 ans. Dans l'ancien système, nous prenons l'eau pour les besoins du ménage de l'eau qui sert au chauffage. Par conséquent, le CHPP est obligé de renouveler constamment le système de chauffage, et en plus, nous consommons l'eau chaude qui circule dans des tuyaux vieux de quarante ans. Et la chaudière fournira de l'eau potable propre à partir de la station d'épuration de Chelnyvodokanal via les canalisations modernisées par le service des eaux ces dernières années. Cette eau, auquel cas il sera possible de la refroidir, de la boire et de la cuire », explique Rif Valeev, directeur de la société de gestion Paritet.
Avec les chaudières, les paiements pour leur entretien et leur réparation apparaîtront dans nos factures de logement et de services communaux. Mais même dans le montant de ce paiement, le coût de l'eau chaude diminuera considérablement. Ce sera différent dans différentes maisons, car les maisons sont différentes. Une quantité inégale de chaleur ira chauffer l'eau. La valeur des tarifs sera calculée dans les sociétés de gestion. Les propriétaires, naturellement, ont le droit de participer à ce processus. Il est préférable, bien entendu, d'inviter les spécialistes de la société de gestion à l'assemblée générale et d'en discuter et d'approuver ce tarif. Et pas seulement celui-ci. Mais vous pouvez également agir grâce à des conseils à domicile.
Sergey ISICHKO
Caractéristiques du
Contrairement aux appareils de chauffage de l'eau conventionnels, cet appareil a un tuyau d'entrée (pour l'eau froide) monté au fond du réservoir de stockage, et à la sortie (pour l'eau chaude) - par le haut.
Ainsi, le liquide doit circuler dans un circuit de chauffage fermé à température fixe, ce qui est réalisé dans la partie supérieure du réservoir.
Chaudière à chauffage indirect avec raccordement à la chaudière


La principale différence entre un tel dispositif et un chauffe-eau classique pour le chauffage est la présence d'une source externe de chauffage du liquide de refroidissement. Il peut s'agir de panneaux solaires, d'une chaudière, d'un chauffage central.
A partir d'une telle source auxiliaire, un liquide de refroidissement passe à travers une bobine traversant l'intérieur de la chaudière, qui, à son tour, chauffe le liquide dans le réservoir.
Ce système est protégé par une couche isolante.
Exigences relatives à la pièce pour la chaufferie
Les locaux sont soumis à certaines exigences, codes du bâtiment et normes qui doivent être respectés. Cela est dû à la nécessité d'assurer un haut niveau de sécurité et une gestion facile de toutes les communications. Tout d'abord, il est nécessaire de restreindre l'accès aux locaux des personnes qui ne participent pas à la construction. Cela est particulièrement vrai pour les enfants et les animaux domestiques.
Chaufferie au sous-sol d'une maison privée, exigences de base:
- La distance du sol au plafond doit être comprise entre 200 et 260 cm.
- La chaufferie doit être située aussi loin que possible des locaux d'habitation.
- Il est interdit d'installer des équipements à gaz dans une pièce à côté du salon.
- Le nombre de chaudières est calculé selon le principe: 1 chaudière pour 4 m2 de surface.
- Il doit y avoir une distance de 1 mètre entre le mur et la chaudière.
- Installez les principaux équipements de manière à ce que la personne qui les entretient puisse s'approcher de chaque côté pour effectuer la maintenance et les réparations. Il est optimal que rien ne soit situé à moins d'un mètre.
- La pièce doit avoir une fenêtre donnant sur la rue. Sa taille doit être d'au moins 0,25 m2.
- La porte de la chaufferie doit permettre une sortie sûre. La largeur optimale est d'au moins 80 cm.
- Une chape de ciment doit être utilisée comme revêtement de sol. Cela fournira une résistance suffisante, contrairement au linoléum, au stratifié et à d'autres matériaux combustibles. Vous pouvez mettre des carreaux ou tout autre matériau réfractaire spécial.


Équiper le sous-sol comme une pièce pour une chaudière de chauffage
- Les murs avec un plafond doivent également être en matériau réfractaire - carreaux ou plâtre.
- Pour éviter l'inflammation des matériaux à proximité de la chaudière, des écrans avec un matériau isolant doivent être utilisés.
- À l'entrée, à la porte, vous devez faire un trou de ventilation. En règle générale, il est situé au bas du mur.
- La chaufferie doit avoir une ventilation de soufflage et d'extraction.
Toutes ces exigences garantiront la sécurité. Ils sont conçus pour que les personnes puissent quitter les lieux à temps en cas d'urgence. En règle générale, la chaufferie au sous-sol est une petite pièce, il existe donc de nombreuses conditions qui peuvent contribuer à l'initiation et à la propagation d'un incendie. Tout doit être fait pour minimiser le risque.
Dispositif de chaudière à accumulation électrique
La connaissance de l'appareil et du principe de fonctionnement de l'unité vous permettra d'éviter des erreurs gênantes lors de l'installation et de l'utilisation, ce qui augmentera la durée et la sécurité d'utilisation.
Quels sont les éléments d'une chaudière électrique?
- Support de fixation de la chaudière à la surface d'appui. Placé dans la partie supérieure de l'appareil, il assure une fixation fiable de la chaudière. Il est fabriqué en tôle d'acier lourde, soudée à l'enveloppe extérieure par soudage par résistance.
- Tuyaux d'alimentation en eau froide et chaude. Le raccordement d'eau froide est court et dispose d'un diffuseur à jet. En raison de cette conception, l'eau froide est uniformément répartie dans le volume inférieur et la pression du jet ne se mélange pas avec celle chauffée. L'eau chauffée augmente en raison de la différence de densité entre l'eau froide et l'eau chaude. Le tuyau de dérivation pour la prise d'eau chaude a une longueur accrue, la prise a lieu dans la partie supérieure la plus chauffée du volume.
- Couche d'isolation thermique. Élément très important de la chaudière, les indicateurs d'économie de chaleur en dépendent largement. Il est fabriqué à partir de diverses modifications du polystyrène.
- Thermostat. Règle les valeurs de température, allume / éteint automatiquement l'alimentation.Il sera placé dans la partie inférieure, vous devez vous en souvenir lors du réglage de la température de chauffage de l'eau.
- Réservoir interne. Il peut être en acier inoxydable (modèles coûteux) ou en tôle d'acier ordinaire avec un revêtement anticorrosion.
- Élément chauffant. Puissance de 1,5 à 2,0 kW, elle peut être «humide» ou «sèche».
- Anode de magnésium. Objectif - réduire les processus de corrosion du réservoir interne. Comment ça marche? L'eau contient de l'oxygène, qui oxyde le fer. Le magnésium est très actif et est le premier à réagir avec l'oxygène, de ce fait, sa concentration dans l'eau diminue et l'acier rouille plus lentement. La fréquence de remplacement de l'anode en magnésium dépend de la fréquence d'utilisation de la chaudière et est en moyenne de 5 à 8 ans.
- Thermomètre. Un thermomètre bimétallique ordinaire est utilisé, la précision de lecture est de ± 2–3 ° С. Certains modèles modernes ont des unités de contrôle électroniques, mais cela n'affecte pas la qualité de fonctionnement. Mais le coût de la chaudière augmente considérablement.
- Voyant. Il s'allume lorsque la tension est appliquée à l'élément chauffant et s'éteint simultanément avec lui.
- Boîtier externe. Recouvert de peintures en poudre durables qui protègent de manière fiable le métal de l'influence négative des facteurs externes.
- Clapets de sécurité et anti-retour. Fabriqués dans un seul boîtier, ils contrôlent la pression dans la chaudière et protègent contre la montée en pression excessive pendant le chauffage de l'eau. Le clapet anti-retour remplit deux fonctions: il empêche l'exposition d'urgence des éléments chauffants et empêche l'eau chauffée de revenir dans le système d'alimentation en eau. En l'absence de vanne, l'eau chauffée entre non seulement pour son usage prévu, mais également dans tout le système d'alimentation en eau.
- Manche en plastique. Il est utilisé lors du raccordement de la chaudière à des tuyaux métalliques, il abaisse les indicateurs de tension lors d'un court-circuit de l'élément chauffant. Mais cela ne peut pas protéger complètement les utilisateurs, nous en parlerons dans l'article ci-dessous.
La plupart des chaudières sont constituées de tels éléments. De légères différences techniques n'affectent pas le processus d'installation.
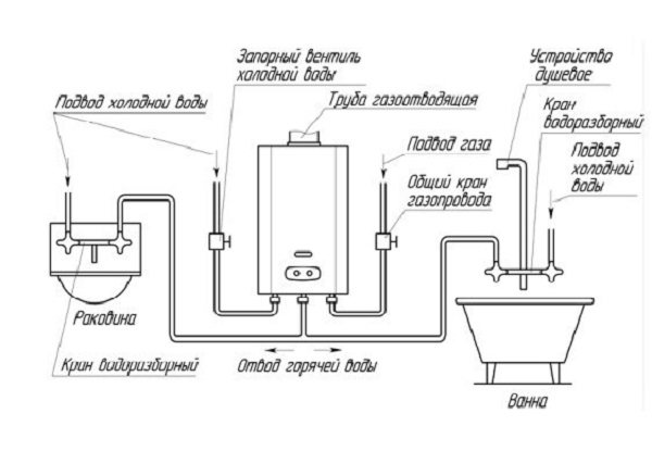
Comment connecter un chauffe-eau à l'alimentation en eau - 2 circuits éprouvés
Les fabricants de chauffe-eau recommandent de connecter l'appareil aux tuyaux du système d'alimentation en eau en ligne droite. Autrement dit, il n'y a pas de raccords ni de raccords entre la soupape de sécurité et le raccordement d'eau froide. Comment réaliser la tuyauterie recommandée de la chaudière:
- Accrochez l'appareil au mur dans la position souhaitée. Vous vissez le groupe de sécurité directement sur la buse d'eau froide, le fil, bien sûr, est scellé avec du lin ou du fil (le ruban FUM n'est pas la meilleure option).
- Installez un robinet d'arrêt à bille ½ ”(DN15) en amont de la vanne.
- Connectez les tuyaux au filetage du robinet et au raccord d'eau chaude. Les joints sont amovibles - vous devez utiliser des raccords avec un écrou-union (américain). Il est permis d'utiliser des tuyaux flexibles - des tuyaux prêts à l'emploi avec des tresses.
- Mettez un tube flexible à la sortie de la soupape de décharge, abaissez l'extrémité dans l'égout, ou mieux - dans une bouteille en plastique transparente. Vous pourrez alors constater à temps un dysfonctionnement d'un élément ou des problèmes de pression dans le système.
- Pour vérifier l'étanchéité des joints, remplissez le récipient - ouvrez le robinet d'eau chaude sur le mélangeur et l'alimentation en eau. Attendez que l'eau coule du mélangeur.


Schéma de tuyauterie du réservoir de chaudière recommandé par les fabricants. Le réservoir vertical est connecté de la même manière, seulement sans tourner le tuyau
Lors de la tuyauterie d'un chauffe-eau à installation horizontale (avec raccords latéraux), un coude à 90 ° est d'abord installé sur le raccord d'entrée, puis sur la vanne. Le bec de vidange de l'élément doit être orienté vers le bas.
L'inconvénient du schéma est la complexité de la vidange du réservoir; pour le vidanger, vous devez dévisser les tuyaux. Si la chaudière est installée dans une maison de campagne ou dans une maison de campagne avec chauffage périodique, il vaut la peine d'utiliser une tuyauterie avec une vanne de vidange, illustrée sur la photo.
Un té avec un clapet latéral apparaît entre le clapet anti-retour et le raccord, qui sert à vider rapidement le réservoir. Une vanne d'arrêt sur la ligne chaude est installée dans un cas - lorsque le chauffe-eau est connecté aux tuyaux du système ECS centralisé.


La deuxième vanne d'arrêt sur la conduite d'eau chaude est facultative.
Pour connecter l'appareil à l'alimentation en eau, essayez de ne pas utiliser de tuyaux flexibles, il est préférable d'approcher les raccords avec des tuyaux - métal-plastique PEX - AL - PEX, polypropylène PPR. Les doublures ne durent pas longtemps et commencent à fuir au milieu de la nuit lorsque la pression dans le réseau atteint un maximum.
Chaudière de bricolage pour le chauffage
Il convient de noter que le coût des modèles d'usine d'une chaudière pour chauffer un chalet d'été est assez élevé - à partir de 7000 roubles. et plus. Une autre option consiste à fabriquer vous-même la structure.
Vous pouvez utiliser n'importe quel conteneur en acier pour cela.
Il est important que son volume corresponde à celui calculé. Pour organiser les systèmes d'alimentation en chaleur à partir d'une chaudière maison, vous aurez besoin des composants suivants:
- Réservoir. Il est préférable de commander une structure en acier inoxydable ou d'en fabriquer une vous-même. Le corps doit avoir des trous pour souder les tuyaux d'entrée et de sortie;
- Bobine. La meilleure option est d'installer une structure en cuivre. Ce matériau a des paramètres optimaux pour le transfert d'énergie thermique;
- Fixation des tuyaux de dérivation pour le raccordement au chauffage et à l'alimentation en eau chaude.
Pour assurer l'isolation thermique, il est recommandé de réaliser une double enveloppe. Une isolation en laine de verre ou en basalte est installée entre les murs. L'épaisseur recommandée de l'intercalaire est de 5 cm La procédure d'installation et de mise en service n'est pas différente des modèles d'usine.
Quelle est l'efficacité de l'utilisation d'une chaudière pour le chauffage d'une maison? Tout dépend de l'exactitude des calculs des paramètres de l'ensemble du système. Ce n'est qu'après avoir calculé les caractéristiques optimales et les avoir vérifiées dans la pratique que nous pouvons parler de l'efficacité réelle de l'installation de la chaudière.
Le matériel vidéo montre un exemple d'utilisation d'une chaudière dans un système de chauffage.
Utilisation d'une chaudière pour un système d'alimentation en eau pour chauffer une maison
L'une des questions fréquemment posées concernant l'utilisation d'une chaudière dans un système de chauffage est la suivante: est-il possible d'utiliser une chaudière, qui est conçue simplement pour chauffer l'eau domestique, dans le système de chauffage. Il n'y a pas de réponse définitive à cette question - tout dépend du degré de ramification du système de chauffage lui-même et de l'équipement supplémentaire utilisé dans ce cas.
Une chaudière pour un système d'alimentation en eau diffère en ce qu'elle a les deux trous (à la fois l'entrée d'eau froide et la sortie d'eau chaude) situés en bas, et ces deux trous sont de petit diamètre (le plus souvent, ils mesurent 0,5 pouce ou environ 1,2 cm. ).
Cette disposition des trous exclut la possibilité de mouvement de l'eau à travers le système de chauffage par elle-même, car ici l'eau froide ne "expulsera" pas constamment l'eau chaude du réservoir et la forcera à se déplacer à travers les tuyaux. Mais, en général, une telle chaudière peut également être utilisée dans le système de chauffage, si nous la complétons par une pompe de circulation, qui "sera responsable" du mouvement de l'eau à travers le système de chauffage. L'efficacité d'un tel système dépend de plusieurs facteurs:
- sur la puissance de la chaudière elle-même. La puissance appropriée est généralement déterminée à raison de 1 kW pour 10 mètres carrés de surface chauffée.
- sur la puissance de la pompe de circulation
- sur la façon dont le système de chauffage de la maison est ramifié. Il est préférable qu'il n'ait pas beaucoup de branches.
En ce qui concerne le type de chaudière, vous pouvez ici utiliser à la fois un chauffe-eau instantané et un chauffe-eau à accumulation.
Ainsi, chauffer une maison avec une chaudière n'est pas du tout une fiction, mais une option tout à fait viable pour un système de chauffage.L'essentiel lors de la création d'un tel système est de calculer avec précision la puissance de la chaudière requise, en fonction de la taille de la maison. Dans certains cas (par exemple, si la surface de la maison est suffisamment grande), l'efficacité du système peut être augmentée en élargissant l'entrée et la sortie d'eau, ainsi qu'en améliorant la chaudière elle-même, ce qui lui permet d'augmenter. sa capacité.
07.07.2013 à 20:07
Caractéristiques du montage d'une chaudière sur une paroi mince
Idéalement, le chauffe-eau doit être monté sur des murs en briques pleines, en béton ou en blocs, car l'appareil est assez lourd en eau. Mais parfois, l'appareil doit être accroché sur une plaque de plâtre mince, un cadre, du bois, du béton cellulaire ou une base de bloc de mousse. Dans ce cas, vous devrez renforcer le mur et utiliser des attaches spéciales.
Il est impossible de monter un chauffe-eau directement sur un mur en bois pour des raisons de sécurité incendie. Pour commencer, il doit être bien isolé du chauffage, par exemple avec un fer profilé, qui est utilisé pour le toit.
Dans d'autres cas, des montures spéciales sont utilisées:
- bouchons en nylon en spirale;
- fixations métalliques pour le montage de chaudières d'une capacité de 100 litres ou plus.
Si vous envisagez de suspendre le chauffe-eau à un mur en blocs de béton cellulaire, vous aurez besoin de chevilles métalliques ou d'ancrages chimiques (adhésifs) spéciaux pour le béton cellulaire. L'ancre chimique est une attache polyvalente qui peut résister à des charges élevées. Il est écologique et résistant aux basses températures.
La fixation à un ancrage à colle se fait de la manière suivante:
- Un trou est percé avec l'expansion du canal en faisant tourner le foret à un angle dans différentes directions.
- La poussière de béton est retirée du trou.
- Le trou est rempli d'un mélange à durcissement rapide dans lequel un manchon de montage ou un goujon fileté est inséré.
Le bouchon conique obtenu offre une résistance de fixation assez élevée.
Est-il possible d'utiliser une chaudière pour l'eau chaude dans le système de chauffage
Afin de bien comprendre de quel type d'appareil il s'agit, vous devez comprendre toutes les nuances.
Quel est l'appareil
Visuellement, une chaudière pour le chauffage ressemble à un récipient d'un volume assez important. Une source de chaleur est située à l'intérieur ou en dessous.
Conception et spécifications
Un capteur de pression et un système de commande électronique-mécanique de chaudière sont situés sur le boîtier extérieur de l'appareil. Ensuite, il y a une couche d'isolation thermique qui sépare la paroi du boîtier et du réservoir de stockage, et vous permet de conserver la chaleur.


Photo 1. Chaudière du modèle de chauffage indirect 702.1, capacité - 712 litres, Italie.
Il est conseillé de choisir le volume du réservoir de stockage dans lequel l'eau s'accumule et se réchauffe dans une plage de 200 à 300 litres. Les valeurs inférieures de la capacité du réservoir ne doivent pas être prises en compte, car cela ne sera pas suffisant pour chauffer même une petite zone.
Le chauffage de l'eau est effectué à l'aide d'un radiateur électrique tubulaire d'une puissance d'au moins 8 à 12 kW.
Attention! Il est important de prendre en compte cet indicateur, car s'il est inférieur, l'équipement ne supportera pas le chauffage et l'appareil devra fonctionner 24 heures sur 24.
Pourquoi est-ce
Une fois le réservoir de stockage rempli, les éléments chauffants situés à l'intérieur commencent à réchauffer l'eau à la température réglée. Lorsque la marque requise en degrés est atteinte, le liquide commence à s'écouler à travers les tuyaux dans les tuyaux du système de chauffage principal.


Bien que le principe de fonctionnement d'une chaudière pour le chauffage soit assez simple, il est important de se souvenir des caractéristiques du processus préparatoire:
- créer une boucle à circulation fermée;
- anticiper la possibilité d'ajouter du liquide au liquide de refroidissement à partir des systèmes d'alimentation en eau;
- installer une pompe qui régule le mouvement stable de l'eau à travers les tuyaux, les vannes d'arrêt, un vase d'expansion;
- pour établir la structure de la filtration de l'eau, le liquide doit circuler le long du contour déjà sous une forme purifiée, sans impuretés.
Les éléments chauffants intégrés à la chaudière contrôlent les fluctuations de température de l'appareil. Dès que la valeur définie par l'utilisateur en degrés est atteinte, le système s'éteint automatiquement. Si l'eau refroidit, le processus inverse se produit: son chauffage recommencera.
Conception
Selon le mode de fonctionnement, tous les chauffe-eau à accumulation peuvent être divisés en deux types: les chaudières à chauffage indirect et les appareils de chauffage direct. Le second comprend tous les chauffe-eau électriques.
Chauffe-eau électriques
Avant de choisir une chaudière à installer dans un immeuble d'habitation, portez une attention particulière à la conception du chauffe-eau et au matériau de son réservoir. Le fait est que le séjour constant dans un environnement agressif (à savoir, l'eau chaude), a un effet très néfaste sur le métal du réservoir interne de la chaudière. Par conséquent, les fabricants protègent le réservoir avec des revêtements spéciaux, utilisent des éléments de protection ou utilisent de l'acier inoxydable pour sa fabrication. Soit dit en passant, il est préférable de choisir la dernière option, la plus durable, bien que la plus chère.
Les cuves en acier recouvertes de porcelaine de verre sont les plus optimales en termes de prix / temps de service.
L'option la plus budgétaire est de choisir une chaudière avec un réservoir émaillé, mais gardez à l'esprit que la fiabilité de ces appareils est au niveau le plus bas.


Chaudière électrique dans la salle de bain - photo de notre lecteur
Lors de l'examen de la chaudière à choisir pour un appartement, vous devez prendre en compte la qualité de l'eau du robinet. Si la surface intérieure de votre bouilloire doit être constamment détartrée, l'élément chauffant de la chaudière nécessitera également un entretien fréquent, car le tartre recueilli réduit la conductivité thermique, ce qui entraîne une surchauffe et une combustion du radiateur.
Cette situation sera évitée par la conception d'une chaudière avec un élément chauffant «sec». Sa particularité réside dans le fait que le radiateur électrique n'entre pas en contact avec l'eau, car il est installé à l'intérieur d'une ampoule thermoconductrice spéciale. En conséquence, la période de maintenance préventive de la chaudière augmente également.
Chaudières à chauffage indirect
Important! Ce type de chaudière dans les immeubles d'habitation n'est pratiquement pas utilisé en raison du manque d'espace élémentaire, car en plus de la chaudière, l'installation d'une chaudière et de la tuyauterie est nécessaire (le plus souvent, toutes ces unités sont installées dans un local non résidentiel spécial - une chaufferie).
Un échangeur de chaleur est installé dans le réservoir interne de la chaudière de chauffage indirect, qui est connecté à une chaudière de chauffage ou à un système de chauffage. L'eau chaude circulant à travers l'échangeur de chaleur chauffe le volume interne de la chaudière. Ainsi, il n'y a pas de frais d'électricité supplémentaires pour l'approvisionnement en eau chaude, par conséquent, du point de vue de l'économie, une chaudière à chauffage indirect est l'un des dispositifs les plus efficaces.
En été, l'alimentation de l'agent de chauffage vers la conduite de chauffage est interrompue et la chaudière de chauffage fonctionne uniquement pour maintenir la température de l'eau dans la chaudière. La chaudière est contrôlée par un thermostat installé à l'intérieur du chauffe-eau.
Pour préserver la ressource de la chaudière, certains modèles de chaudières de ce type sont équipés d'éléments chauffants et fonctionnent en été comme des chauffe-eau électriques ordinaires. Une telle chaudière combinée serait également idéale pour une installation dans un immeuble d'appartements. Avant de choisir cet appareil, veuillez noter que son installation est associée à des coûts supplémentaires pour le raccordement et l'achat d'équipements supplémentaires tels qu'une pompe centrifuge, une vanne à trois voies, etc.
Isolation de la chaudière
Pour que la chaudière retienne mieux la chaleur, elle doit être enveloppée de mousse de polypropylène, de mousse de polyuréthane ou d'isolon. Le matériau isolant est fixé avec de la colle ou du fil.L'isolation thermique de toute la surface de la chaudière aide non seulement à retenir la chaleur, mais réduit également le temps de chauffage de l'eau en augmentant l'efficacité du caloporteur. Une isolation de haute qualité ne permettra pas à l'eau de se refroidir rapidement.
La deuxième façon d'isoler une chaudière est de placer un volume plus petit à l'intérieur d'un grand réservoir. L'espace résultant agit comme un appareil de chauffage.
Et pourtant, si vous vous rendez compte que vous ne parvenez pas à installer la chaudière vous-même ou qu'il est nécessaire de remplacer les tuyaux en raison de l'usure, contactez un spécialiste. Leurs services ne vous coûteront pas trop cher: démonter un ancien chauffe-eau - environ 500 roubles, installer et connecter un nouvel appareil - environ 7000 roubles. En même temps, vous serez sûr que l'équipement est correctement connecté et vous n'aurez pas d'accident ou d'explosion. Il y a un autre point important: si vous installez vous-même la chaudière, en règle générale, la garantie du fabricant sera annulée.
Avantages et inconvénients des chauffe-eau à gaz
Pour commencer, considérez les aspects positifs et négatifs de l'utilisation des chauffe-eau à gaz. Un tel dispositif de chauffage nécessite une connexion obligatoire au système de gazoduc, il est donc extrêmement rare dans les chalets d'été. Son principal avantage est la rentabilité. Le gaz est moins cher que l'électricité, par conséquent, afin d'économiser de l'argent, il est recommandé d'acheter une telle colonne.


En outre, un tel appareil est de petite taille. Il est également intéressant de noter que l'utilisation d'un chauffe-eau à gaz vous permet d'obtenir de l'eau chaude presque instantanément. La vitesse de chauffage du liquide dans ce cas dépasse celle des appareils électriques.
Un autre avantage de l'option de chauffage au gaz est que ces appareils ont une longue durée de vie. Ils sont assez faciles à utiliser, mais ont tout de même des aspects négatifs.


Le principal inconvénient des chauffe-eau à gaz est la complexité de l'installation et du raccordement. Si vous souhaitez réaliser une installation indépendante d'un chauffe-eau, mieux vaut opter pour une chaudière électrique.
Pour installer une unité à gaz, vous devrez acheter des tuyaux métalliques, nécessaires pour transporter le gaz vers l'appareil. De plus, ces dispositifs doivent organiser la communication de ventilation.


Ventilation
Noter! Pour l'installation d'équipements de chauffage de l'eau au gaz, il est nécessaire de préparer un ensemble de documents pertinents, qui est transféré aux autorités de réglementation. Cela est dû au fait que l'installation d'un tel appareil modifie le système de transport de gaz de l'appartement.


Un chauffe-eau à gaz nécessite une bonne isolation, ce qui coûte de l'argent supplémentaire. Entre autres, lors du fonctionnement de l'appareil, une diminution de la pression d'eau dans le robinet est souvent observée.


Intéressant: Ventilation au sous-sol d'une maison privée
Chauffer la maison avec une chaudière
Un bon chauffage est l'un des facteurs les plus importants qui distinguent une maison confortable d'une maison dans laquelle une personne ne peut pas se sentir à l'aise. Aujourd'hui, il existe de nombreux systèmes de chauffage traditionnels qui peuvent être utilisés pour chauffer une maison de campagne de toute taille. L'un des systèmes les plus populaires est le chauffage au gaz. Le gaz naturel est considéré comme l'un des caloporteurs les moins chers de notre pays. Mais, malheureusement, les gazoducs sont loin d'être étirés partout. Par conséquent, les systèmes de chauffage qui utilisent un caloporteur différent - par exemple, l'eau chaude - sont très populaires. Et la base d'un tel système peut être une chaudière ordinaire.
Avantages et inconvénients du chauffage par chaudière
Il n'y a peut-être pas trop d'avantages d'un tel chauffage:
- Le principal avantage d'un tel système est la simplicité. Presque tous les maîtres peuvent assembler une structure basée sur une chaudière et y connecter des tuyaux de chauffage, car cela ne nécessite aucune compétence particulière ni équipement complexe.
- Un autre avantage est le faible coût. En règle générale, les chaudières sont moins chères que les chaudières électriques.Par conséquent, lors de la conception d'un système de faible puissance, il est tout à fait possible d'économiser de l'argent.
Quant aux lacunes, nous en avons parlé tout au long de l'article, il ne reste donc plus qu'à résumer:
- La capacité des modèles domestiques de chaudières n'est pas suffisante pour chauffer efficacement un appartement. Le maximum est de chauffer la maison de campagne, et même dans ce cas, pas en hiver, mais en automne, lorsqu'il n'y a pas de gel sévère.
- L'élément chauffant de l'appareil est constamment allumé, ce qui, associé au renouvellement régulier de l'eau, entraîne une corrosion accélérée. Bien sûr, le coût de l'élément chauffant est faible, mais son remplacement est un processus très laborieux.


Le remplacement de l'élément chauffant est non seulement un processus laborieux, mais également sale
Si vous assemblez le système selon toutes les règles (c'est-à-dire avec la sélection d'un appareil de chauffage de la puissance requise, une tuyauterie correcte, l'installation d'une pompe de circulation dans le système de chauffage), les économies par rapport à l'achat d'une chaudière sont maigres.
Pour résumer tout ce qui précède, nous pouvons dire que les chaudières électriques pour le chauffage ne peuvent être utilisées que dans certaines situations. Dans tous les autres cas, il vaut mieux utiliser des appareils de chauffage plus adaptés à cet effet!
Notre chaudière est tombée en panne dans un immeuble à appartements. Aux frais de qui sera-t-il réparé ou remplacé?
Si je comprends bien, nous parlons d'une chaudière qui chauffe l'eau pour toute la maison, et pas seulement pour votre appartement. Un tel équipement appartient à la propriété commune de tous les propriétaires. Si la chaudière ne nécessite pas de remplacement, mais que sa réparation est possible, elle doit être effectuée par votre société de gestion (MC) aux frais des fonds que vous payez mensuellement dans vos factures dans la colonne pour les réparations courantes et l'entretien du commun propriété de la maison. Mais s'il est impossible de réparer la chaudière et que son remplacement s'impose, ces travaux se réfèrent à la refonte du bien commun. Ces réparations sont effectuées dans un ordre complètement différent. L'argent pour la révision est collecté auprès des résidents séparément. Selon la façon dont le fonds de réparation des immobilisations est constitué, les fonds sont accumulés soit dans un compte spécial ouvert pour une maison particulière, soit dans un compte régional général, où l'argent est reçu de toutes les maisons qui ont choisi cette méthode. Si les locataires décident de lever des fonds pour la révision sur un compte séparé, la décision de réaliser les travaux est prise par l'assemblée générale des propriétaires à tout moment lorsqu'elle le juge nécessaire. Il détermine également la procédure pour attirer un entrepreneur, la nécessité d'augmenter les paiements pour les travaux, etc. Si vous utilisez cette méthode pour constituer un fonds, vous devez tenir une assemblée générale et décider s'il est possible de remplacer la chaudière aux frais des fonds collectés précédemment ou si des frais supplémentaires sont requis. Si l'argent va au compte général régional, la refonte sera effectuée à la date fixée par les autorités dans le programme régional. Vérifiez si un remplacement de chaudière dans votre maison est envisagé dans le cadre du programme et lorsqu'une révision majeure est envisagée. Si vous attendez longtemps, vous devrez collecter de l'argent supplémentaire. Ensuite, ce montant peut être pris en compte pour les paiements futurs au fonds, c'est-à-dire pendant une certaine période, vous ne pouvez pas payer pour cette ligne. Mais cela ne peut être fait que si le programme de révision de votre maison prévoit le remplacement de la chaudière.
- § De l'art. 170, partie 4 de l'art. 181 du Code du logement de la Fédération de Russie
Comme vous pouvez le voir, le remplacement d'une chaudière est une procédure plus compliquée et plus longue que sa réparation. Il vaut donc mieux essayer de faire réparer la chaudière par le Code criminel. Et déjà plus tard, dans le cadre d'une refonte majeure de la maison, il sera possible d'essayer de la remplacer. Pour ce faire, lors de la collecte de fonds sur le compte de la maison, vous devez inclure le remplacement de la chaudière dans la liste des travaux d'immobilisations. Et lors de la collecte de fonds sur un compte régional général, demandez à l'administration locale si le remplacement de cet appareil est activé et, dans le cas contraire, demandez son inclusion.Si les services publics refusent de le réparer en invoquant son inexpérience, exigez une réponse officielle avec une conclusion. Cela disciplinera l'entreprise et privera les services publics de la possibilité de tirer de fausses conclusions sur l'impossibilité des réparations.


