Bonjour à tous, Aujourd'hui je vais vous parler d'un appareil qui sert à égaliser les sauts de température dans l'eau. Ceux qui ont rencontré le problème de l'approvisionnement en eau dans une maison privée avec des chauffe-eau instantanés (ou des chaudières à gaz à 2 circuits) et avec un système (accumulateur hydraulique-pressostat-pompe) savent de première main ce que c'est que de laver lorsque le chauffe-eau ne suit pas les changements de pression dans le système d'alimentation en eau. Vous devez supporter les changements de température de l'eau de la glace à l'eau bouillante, malgré le fait que la tâche sur le chauffe-eau est invariablement d'environ 40 degrés. Qui s'intéresse à la façon de se débarrasser de ces différences, bienvenue sous le chat. L'examen comprendra une expérience négative d'achat d'un thermostat de mauvaise qualité avec Ali, un nouveau thermostat, une installation et une expérience d'utilisation d'un sujet pendant environ six mois.
Système de chauffage instantané
Immédiatement après l'ouverture du robinet, l'eau chaude démarre dans une maison privée: le circuit fonctionne sur la base de l'un des composants suivants:
- chauffe-eau à gaz;
- chauffe-eau instantané alimenté à l'électricité;
- circuit de chauffage d'une chaudière de chauffage à deux niveaux;
- échangeur de chaleur à plaques associé à un circuit de chauffage.
L'énergie utilisée pour chauffer l'eau est activée instantanément dès que l'eau commence à circuler dans le chauffe-eau. Pour que le système réchauffe l'eau, le débit de son débit du robinet est limité. Ces indicateurs (la température de l'eau chaude dans une maison privée et l'intensité du jet) sont étroitement liés.
Les indicateurs suivants démontreront le niveau requis de puissance du chauffe-eau à différentes fins :
| objectif | Puissance requise |
| Prendre une douche à l'eau tiède | 10 kW |
| Remplissez la baignoire avec de l'eau à une température confortable | 18 kWt |
| Remplissez la baignoire et utilisez de l'eau chaude dans la cuisine en même temps | 28 kWt |
Installation
Pour un ensemble complet, j'ai acheté un té et deux tuyaux standard.

Voici deux robinets à tournant sphérique, c'est l'alimentation en eau de la cabine de douche. Eau chaude et froide.


Le tee-shirt a été acheté dans le but que parfois vous n'ayez qu'à verser de l'eau froide, alors j'aimerais le laisser. Nous vissons un té à l'entrée avec de l'eau froide et un tuyau dessus qui mène immédiatement de l'entrée d'eau froide au mélangeur de la cabine de douche.


Nous enroulons le tuyau sur l'entrée d'eau chaude. Nous le vissons aux entrées du thermostat, respectivement, avec l'indication sur son corps.


Ensuite, on visse le tuyau qui mène de l'entrée d'eau chaude directement au mitigeur de la cabine de douche à la sortie MIX du thermostat.


Il ne reste plus qu'à vérifier le travail. Au cours des mesures, il s'est avéré que le thermostat gisait de 4 degrés. C'est-à-dire que je règle la tâche à 38 degrés et à la sortie je mesure 42.


Ici, bien sûr, beaucoup dépend de nombreux facteurs. A commencer par l'erreur de mon thermomètre et la température de l'eau chaude à l'entrée. J'ai réglé la température plus bas, car le thermostat fonctionne dans la plage de 20 à 48 degrés.
Système avec chauffe-eau à accumulation
Le centre du système est une chaudière, un réservoir volumétrique isolé thermiquement en métal. Les éléments suivants sont intégrés dans sa partie inférieure:
- échangeur de chaleur tubulaire, qui est directement connecté à la chaudière de chauffage;
- élément chauffant électrique.
Le réservoir contient de l'eau, qui est presque constamment chauffée par la chaudière. La résistance électrique ne participe qu'occasionnellement à ce processus lorsque la chaudière est arrêtée pendant de courtes périodes. Par conséquent, le réservoir de stockage est appelé chaudière à chauffage indirect.
L'eau chaude qui entre dans la cuisine ou la salle de bain est consommée par le réservoir, c'est-à-dire par le haut de celui-ci. Au même moment, de l'eau froide s'écoule dans la partie inférieure de la chaudière depuis le système d'alimentation en eau. Il chauffe et monte vers le haut pour passer ensuite aux mixeurs.
Décision
La solution la plus optimale serait d'installer une pompe de recirculation d'eau chaude. Un système de recirculation d'ECS bien pensé vous permettra d'économiser de l'énergie, de l'eau et vous facilitera la vie. Chaque système de recirculation d'ECS peut avoir plusieurs variantes de fonctionnalités, mais le principe est le même.


Il existe différentes pompes, elles peuvent fonctionner en permanence 24 heures sur 24, 7 jours sur 7 ou sur une minuterie - un certain temps de marche et d'arrêt est défini. La pompe peut être mise en marche par un thermostat lorsque la température de l'eau dans le tuyau se refroidit en dessous d'un certain niveau. Il peut également être démarré en appuyant sur un bouton si vous allez bientôt utiliser de l'eau chaude (il est possible de faire des interrupteurs séparés dans chaque salle de bain). Ou un détecteur de mouvement qui allume la pompe lorsque les gens sont dans la salle de bain.
Règles de sélection des équipements
Lorsque vous choisissez l'option de production d'eau chaude dans une maison privée, vous devez prendre en compte les facteurs suivants:
- Dimensions. Dans une petite maison privée, un grand réservoir de stockage ne convient pas, par conséquent, un modèle compact à écoulement continu est préférable.
- Nombre de résidents. Plus une personne vit sous un même toit, plus la probabilité que l'eau s'écoule simultanément de plusieurs points est élevée : dans la salle de bain, dans la cuisine. Si la maison a deux étages et que chacun d'eux a une salle de bain, la consommation d'eau augmente. Ici, une option de stockage est préférable, qui peut fournir plusieurs points d'eau chaude à la fois. Dans ce cas, l'intensité du jet ne diminue pas et lorsque le point supplémentaire est allumé, la température de l'eau ne change pas.
- Agression. Si un réservoir de stockage est utilisé, l'eau devient chaude même avec une faible pression. On ne peut pas en dire autant du modèle d'écoulement, qui ne réagit pas à un petit jet et ne le chauffe pas.
- Coût. Un paramètre important qui est pris en compte lors du choix. Le chauffe-eau électrique le moins cher coûte à partir de 4 000 roubles et un chauffe-eau à accumulation coûte à partir de 7 000 roubles.
Types d'équipements pour le chauffage et l'alimentation en eau chaude
Il est nécessaire de connaître les règles de base pour établir un schéma de câblage afin d'effectuer correctement et avec la préparation nécessaire l'alimentation en eau d'une maison privée de vos propres mains. C'est le schéma de câblage pour l'alimentation en eau chaude, ainsi que pour une alimentation séparée en eau froide, qui reflète tous les points associés à l'emplacement correct du chauffe-eau, les endroits où se trouvent les points de soutirage. Il fixe également l'emplacement des tuyaux d'alimentation en eau, des vannes principales et des bagues.
Dans le cas où un écoulement continu d'eau d'un puits est prévu, ou d'un puits creusé à l'avance à proximité de la maison, il est nécessaire de déterminer correctement l'emplacement de la station de pompage, des filtres et des vannes de retour situés directement dans ce système.
Nous vous suggérons de vous familiariser avec la tuyauterie dans la salle de bain et les toilettes : les meilleurs schémas et les erreurs courantes
Les règles d'élaboration de tels régimes ne sont pas difficiles et comprennent les éléments suivants :
- Le réservoir de stockage, conformément à toutes les règles d'installation, est connecté à la conduite d'eau principale. Lors de l'approvisionnement en eau par l'utilisation du chauffage central, la hauteur de chute sera variable. Cela signifie qu'une pompe supplémentaire doit être installée pour assurer une pression d'eau stable.
- Avant que l'eau ne pénètre dans le récipient, il est conseillé d'effectuer une filtration préliminaire des impuretés et des débris.
- En l'absence d'eau, la pompe risque de s'épuiser.Un capteur de marche à sec spécialement installé s'assurera que l'alimentation est coupée à temps.
- Dans le cas où l'eau est fournie par le puits, la station de pompage installée fournira une hauteur de chute stable. Il dispose déjà d'une protection intégrée contre l'épuisement professionnel.
- Un interrupteur à flotteur est un élément nécessaire dans le circuit. Il servira de protection contre la transfusion.
bien


Station de pompage qui pompe l'eau d'un puits
Le puits est l'une des principales sources d'eau, utilisée depuis l'Antiquité. Les pompes centrifuges fournissent de l'eau à la surface. Il est également possible de fournir de l'eau chaude et froide par des pompes à vibrations submersibles. La profondeur du puits est établie sur la base des données d'exploration géologique de la zone au stade de la conception des communications à domicile.
Il est préférable de concevoir l'installation du puits avec l'aide de spécialistes professionnels. Dans ce cas, il est possible d'éviter les risques de mauvaise pose des anneaux et d'affaissement.
bien
Un puits est l'option la plus pratique et la plus souvent utilisée pour mettre en œuvre des communications d'approvisionnement en eau à faire soi-même. Le puits ne doit être foré que par des spécialistes dans ce domaine ayant de l'expérience et tous les moyens matériels et techniques nécessaires.
Selon l'emplacement, on distingue les puits artésiens et filtrants. Les premiers sont des puits profonds avec l'eau la plus pure. Les puits filtrants sont "peu profonds".
L'installation du système en le connectant à l'alimentation en eau centrale est l'option la plus pratique et la plus pratique à tous égards. La seule chose à faire est d'obtenir l'autorisation des autorités pour le raccordement.
Mais il faut bien admettre qu'il faudra payer régulièrement l'utilisation d'une telle eau « de manière générale ». De plus, beaucoup ne sont pas satisfaits de l'approvisionnement en eau central d'une maison privée car cette eau contient presque toujours une certaine quantité de chlore. Mais vous pouvez toujours installer un système spécial supplémentaire pour la purification de l'eau.


Lorsque vous choisissez l'option de production d'eau chaude dans une maison privée, vous devez prendre en compte les facteurs suivants:
- Dimensions. Dans une petite maison privée, un grand réservoir de stockage ne convient pas, par conséquent, un modèle compact à écoulement continu est préférable.
- Nombre de résidents. Plus une personne vit sous un même toit, plus la probabilité que l'eau s'écoule simultanément de plusieurs points est élevée : dans la salle de bain, dans la cuisine. Si la maison a deux étages et que chacun d'eux a une salle de bain, la consommation d'eau augmente. Ici, une option de stockage est préférable, qui peut fournir plusieurs points d'eau chaude à la fois. Dans ce cas, l'intensité du jet ne diminue pas et lorsque le point supplémentaire est allumé, la température de l'eau ne change pas.
- Agression. Si un réservoir de stockage est utilisé, l'eau devient chaude même avec une faible pression. On ne peut pas en dire autant du modèle d'écoulement, qui ne réagit pas à un petit jet et ne le chauffe pas.
- Coût. Un paramètre important qui est pris en compte lors du choix. Le chauffe-eau électrique le moins cher coûte à partir de 4 000 roubles et un chauffe-eau à accumulation coûte à partir de 7 000 roubles.
Température de l'eau chaude au robinet selon la norme
Il est possible de réduire le paiement de l'eau chaude et froide même si le locataire a été absent plus de cinq jours. Cependant, cela est possible si le paiement est calculé selon les normes, sans guichets, et nécessite une confirmation documentaire (titres de transport, attestation de l'hôpital, etc.).Le recalcul est effectué dans les cinq jours ouvrables, et si la société de gestion n'est pas d'accord avec la réclamation, le locataire doit alors recevoir un refus écrit motivé au moins un mois après la demande.
Circulation d'eau chaude dans la chaudière


Pour le mouvement de l'eau de la chaudière à travers les tuyaux et dans le sens inverse, une pompe de recirculation pour l'alimentation en eau chaude est utilisée; il est interdit d'utiliser une pompe pour le système de chauffage. La pompe est connectée en permanence au secteur et consomme peu d'énergie.
Le fonctionnement de la pompe n'a aucun effet sur la vitesse à laquelle l'eau s'écoule du robinet. Il assure uniquement son mouvement depuis la chaudière et vers l'arrière.
Dans un système avec recirculation d'ECS, un sèche-serviettes chauffant est connecté en série au circuit de canalisation. Ce raccordement assure le chauffage du sèche-serviettes, même lorsque le système de chauffage de la pièce est éteint, mais que le système ECS est en marche.
Certains modèles de chaudières sont équipés d'un élément chauffant électrique. Ceci est très pratique dans le cas où le gaz est coupé ou que la chaudière est bloquée, car cette chaudière peut alors fonctionner comme un chauffe-eau électrique à accumulation.
La tuyauterie d'alimentation en eau froide sanitaire du système de chaudière doit être raccordée via un groupe de sécurité, qui doit être équipé de :
- Vanne d'arrêt.
- Clapet anti-retour.
- Soupape de sécurité.
- Vase d'expansion du système d'alimentation en eau chaude, alors qu'il doit avoir le volume requis.
Dans le cas où en été, il n'est pas nécessaire de chauffer le réchauffeur d'air, la pompe de circulation doit être déconnectée du réseau électrique, ainsi que le robinet à tournant sphérique sur la canalisation de circulation doit être fermé. Lors de l'installation d'un système d'alimentation en eau chaude, il faut garder à l'esprit que tous les appareils de plomberie qui consomment de l'eau chaude doivent être connectés à la branche d'alimentation en eau chaude. Dans ce cas, le sèche-serviettes et la pompe de circulation sont montés sur la canalisation de retour. Si le système n'est pas monté de cette manière, lors de l'utilisation d'eau chaude, le sèche-serviettes et l'air de la pièce où il se trouve seront chauffés.
Un système avec circulation d'eau chaude et une chaudière est le plus pratique et le plus confortable pour les utilisateurs, mais en même temps, il coûte un ordre de grandeur plus élevé qu'un système simple.
Alimentation en eau chaude d'une maison de campagne privée
Préparez-vous à ce que le chef mécanicien montre ses connaissances et en réponse à vous, « pique sous votre nez » le texte «… Avant de prélever des échantillons d'eau chaude, vidangez l'eau jusqu'à ce qu'une température constante soit établie. Le temps de vidange de l'eau peut aller jusqu'à 10 minutes ... ", énoncé dans le même paragraphe 7.5 des directives méthodologiques MUK 4.3.2900-11. Informez-le en réponse que le décret gouvernemental a une plus grande force juridique que le MUK Rospotrebnadzor , d'autant plus que le décret gouvernemental est entré en vigueur plus tard en vertu de." Une autre "mise au point du nombre de couronnes", qui est souvent effectuée par l'organisme de fourniture de chaleur (TCO) avant de mesurer la température de l'eau chaude (Tgv) - la veille ou la nuit du jour de mesure prévu, élève Tgw au 60 requis. - 65 degrés C, voire jusqu'à 70 degrés.
Systèmes d'approvisionnement en eau chaude pour une maison de campagne


a - à l'aide d'un collecteur ; b - en utilisant la circulation forcée; c - norme
De plus, il est difficile d'obtenir de l'eau chauffée dans des zones éloignées, car elle se refroidit. Le diamètre des tuyaux principaux est généralement de 35 à 40 mm et les dérivations aux points de prise d'eau sont de 16 mm.
La circulation forcée de l'eau est plus populaire. Une canalisation individuelle relie le collecteur à chaque point de prise d'eau. Il peut y avoir plusieurs collectionneurs. L'avantage de ce schéma est que la pression dans toutes les conduites du collecteur est la même et que le chemin de l'eau du réchauffeur à la «destination» est réduit.Un autre avantage de cette méthode d'approvisionnement en eau est l'absence de divers types de raccordements dans les plafonds, ce qui, en cas d'accident, complique considérablement les travaux de réparation. L'inconvénient est l'utilisation de plus de tuyaux et, par conséquent, des coûts décaissés plus élevés. Le diamètre de la canalisation du collecteur au point de prise d'eau est également de 16 mm. Selon ce schéma, pas plus de 2 points de prise d'eau, situés à proximité, sont soumis à une connexion en série. Ils ne sont généralement pas utilisés en même temps (par exemple lavabo et toilettes). Les tuyaux doivent être utilisés avec un diamètre de 20 mm.
Le troisième circuit, un circuit fermé, semble être une option idéale pour les résidents. La circulation de l'eau est assurée par une pompe intégrée, de sorte que la température de l'eau chaude est maintenue constante. Dans les zones où la circulation n'est pas attendue, la longueur des tuyaux ne dépasse pas 1 m. Des sèche-serviettes sont souvent attachés à ces canalisations, qui agissent comme des appareils de chauffage. Ils peuvent être utilisés lorsque le système de chauffage ne fonctionne pas. Les inconvénients de ce schéma sont une consommation importante de chaleur et de matériau, ainsi qu'un coût élevé. De plus, l'organisation d'un tel système nécessite l'installation d'un clapet anti-retour sur la conduite d'alimentation en eau du système d'alimentation en eau chaude.
L'approvisionnement en eau chaude dans une maison privée est assuré à l'aide d'un équipement de chauffage de l'eau, qui est installé dans le système d'alimentation en eau. Ces équipements comprennent les chauffe-eau à gaz, les chaudières à double circuit et toutes sortes de radiateurs électriques.
De nombreux propriétaires de maisons privées préfèrent combiner un système d'alimentation en eau chaude avec un système de chauffage. Dans ce cas, la nécessité d'installer des équipements supplémentaires pour chauffer l'eau disparaît immédiatement.
Dans le cas où de l'eau chaude est demandée en permanence et en grande quantité, un réseau d'alimentation en eau chaude est créé, les options pour lesquelles sont nombreuses. L'un des réseaux les plus populaires est celui qui utilise une chaudière et une chaudière de chauffage spéciale - à circuit unique.
La température de l'eau chaude dans le robinet de l'appartement, sanpin
En bref - principalement 60 - 75 degrés Celsius avant le 1er septembre 2012, et dans tous les cas, sans exception, 60 - 75 degrés Celsius après le 1er septembre 2012. Avec l'installation de compteurs d'eau, ce problème devient presque d'une importance primordiale, car en réduisant la température de l'eau chaude fournie aux appartements, l'entrepreneur économise non seulement sur le chauffage, mais augmente également la consommation des consommateurs dans le robinet d'eau chaude. , dont le tarif est plus élevé par rapport à l'eau froide. Parfois, vous pouvez trouver une option de réponse: "au moins 50 degrés Celsius", en référence au paragraphe 5, section II, annexe n ° 1 aux règles pour la fourniture de services publics aux citoyens, approuvées par décret du gouvernement de la Russie Fédération n°307 du 23 mai 2006. C'est une réponse erronée pour la grande majorité des cas.
Combien d'eau chaude est gaspillée ?
En raison de ce problème, environ 20% de la quantité totale d'eau chaude consommée dans les maisons où vit une famille est gaspillée. Le coût de l'énergie nécessaire au chauffage varie de 2 000 à 12 000 roubles par famille et par an. L'extrémité inférieure de la fourchette s'applique aux ménages qui n'utilisent pas beaucoup d'eau chaude et l'obtiennent avec un appareil de chauffage au gaz naturel. La partie supérieure appartient aux familles qui ont besoin de beaucoup d'eau chaude et l'obtiennent à partir d'un radiateur électrique.
Quelle est la norme pour la température de l'eau chaude dans l'appartement ?
Les propriétaires de l'autoroute sont obligés de résoudre ces problèmes. La seule chose qu'un locataire doit savoir est de savoir comment rédiger correctement une plainte, sur la base de laquelle les représentants de l'office du logement recalculeront les services fournis.Que faire lorsque des écarts sont détectés L'eau ne répond pas aux exigences de SanPiN ? Afin que vous puissiez réviser vos factures d'eau chaude, vous devez coordonner vos actions, conformément aux dispositions énoncées dans la résolution n° 354 du gouvernement de la Fédération de Russie. Allégations qualifiant l'enchaînement des actions du consommateur :
- Si vous avez réussi à trouver et à corriger une violation, cela vaut la peine d'en informer un employé du service de répartition oralement ou par écrit. L'employé de l'organisme de service doit enregistrer le fait de la demande de l'utilisateur.
Systèmes d'approvisionnement en eau des maisons privées
Actuellement, les systèmes d'approvisionnement en eau pour une maison privée avec eau chaude peuvent être divisés en trois types: standard, à circulation forcée et utilisant un collecteur (voir Fig. 1).


Figure. 1 Systèmes d'approvisionnement en eau chaude pour une maison privée.
une référence;
b) à circulation forcée ;
c) à l'aide d'un collecteur.
L'eau, lorsqu'elle est utilisée dans le système d'alimentation en eau du capteur, est divisée en eau chaude et froide. Un chauffe-eau est intégré au système de tuyauterie d'eau chaude. Elle, à son tour, est cumulative ou fluide. Le câblage lui-même est divisé en deux types: parallèle et série. Lors de la conception d'un circuit utilisant un collecteur, moins de matériaux sont utilisés, donc le coût est inférieur. Les inconvénients de ce schéma sont observés dans ce qui suit - avec une prise d'eau importante dans les robinets situés à proximité, la pression est plus élevée par rapport aux sections éloignées.
De plus, l'alimentation en eau chaude vers des sections éloignées est très difficile, car elle est refroidie dans les tuyaux. En ce qui concerne les matériaux, les tuyaux des dérivations vers les points de prise d'eau ont un diamètre de 16 mm et les tuyaux principaux ont un diamètre compris entre 35 et 40 mm.
Avec un schéma utilisant la circulation forcée, la canalisation est dessinée individuellement à chaque point de la prise d'eau. Ce schéma est plus populaire que le précédent. Le collecteur peut être utilisé comme un ou plusieurs. Le principal avantage du schéma de circulation forcée est la même pression d'eau dans les canalisations provenant du collecteur. De plus, les avantages peuvent être attribués à une réduction significative de la distance entre le collecteur et le point de prise d'eau, ce qui permet à l'eau de moins refroidir et de se réchauffer plus rapidement. De plus, un avantage important de cette méthode est l'absence de raccords de tuyaux dans les plafonds interplanchers, car leur présence a un très mauvais effet sur les travaux de réparation.
Quelle doit être la température de l'eau chaude au robinet selon les normes en vigueur ?
- 1 Norme de température d'eau chaude dans l'appartement
- 2 Quelles sont les normes de température pour l'eau chaude établies par SanPin
- 3 Si les normes ne correspondent pas, quel coefficient de calcul de l'eau chaude est valable
- 4 L'eau chaude est inappropriée où se plaindre
- 5 Comment faire une réclamation
- 6 Comment demander un nouveau calcul
La situation où l'eau chaude dans le robinet ne peut en aucun cas atteindre le niveau de température approprié n'est pas si rare. Et pour comprendre que le problème existe, il n'est pas du tout nécessaire de mesurer le degré d'eau, il suffit d'essayer de prendre un bain. Un tel événement ressemblera plus à un durcissement qu'à une procédure hygiénique. Que faire si la température de l'eau chaude est clairement éloignée de la norme et où, dans cette situation, une plainte doit-elle être déposée.
Chaudière à accumulation
L'appareil a une forme géométrique différente, dont la capacité est conçue pour 10 à 300 litres. Le radiateur électrique, situé à la base de la chaudière, a une capacité de 1,5 à 3 kW. Ce type d'équipement de chauffage de l'eau est largement utilisé en raison de sa faible consommation d'énergie. L'équipement de stockage de l'eau a la capacité de maintenir le niveau de température dans des récipients de petites tailles de 15 à 50 litres.Pour éviter de stresser le réseau électrique, ne vous connectez pas à plusieurs lignes de plomberie.
Parmi les inconvénients d'une chaudière à accumulation figurent ses grandes dimensions et une limitation de la quantité de liquide collecté. Lorsque l'eau chaude pénètre dans le robinet d'une maison privée, le flux d'eau froide pénètre à nouveau dans la chaudière et, par conséquent, l'eau n'a pas le temps de se réchauffer à une certaine température.
Quelle devrait être la température maximale de l'eau chaude dans le robinet selon les normes
Accueil / Approvisionnement en eau / Centralisé / Quelle doit être la température maximale de l'eau chaude au robinet selon les normes Quelle que soit la saison, nous avons besoin d'eau chaude. Peu importe où une personne vit, à Moscou ou dans un village éloigné des régions centrales, elle veut profiter de conditions confortables. Vous direz qu'il suffit qu'il y ait de la lumière, du gaz et de l'eau froide. Mais beaucoup, très probablement, voudront contester cette affirmation. Le contenu de l'article :
- Actes normatifs
- Indicateurs maximum et minimum
- Comment mesurer correctement la température du liquide au point d'admission
- Que faire lorsque des écarts sont détectés
- Que faire après avoir reçu le document entre vos mains
Réglementation Il est difficile d'imaginer une maison moderne sans eau chaude.
- En ce qui concerne la nuit (de "zéro" heure à cinq heures du matin) - la tolérance peut être de cinq degrés.
- L'après-midi (de cinq heures du matin à douze heures du matin) - l'écart ne doit pas dépasser trois degrés.
Est-ce vraiment si important d'avoir de l'eau chaude dans les robinets ? Cette question est d'une importance fondamentale (comment faire le câblage de chauffage dans une maison privée est écrit ici).
A quoi sert la recirculation ?
La conduite d'alimentation en eau chaude peut être de différentes longueurs. Si le point d'admission est situé à une grande distance de la chaudière, lorsque vous ouvrez le robinet, l'eau chaude ne coulera pas immédiatement. Il faudra attendre un moment jusqu'à ce que le liquide froid s'écoule du pipeline.


L'eau chaude sanitaire peut être recirculée via le chauffage au sol et le sèche-serviettes
Dans les maisons privées, la distance entre l'emplacement de la chaudière et le point de prise d'eau peut être assez importante. Cela rend l'utilisation du système d'alimentation en eau chaude inconfortable et entraîne un gaspillage d'eau. Pour le débit d'eau chaude au moment de l'ouverture du robinet, sa circulation constante est nécessaire.
La recirculation d'ECS est le mouvement forcé de liquide dans le circuit d'eau chaude à l'aide d'une pompe.
Il convient de garder à l'esprit que l'efficacité n'est possible qu'en utilisant une chaudière à accumulation. Il n'est pas pratique d'inclure des chauffe-eau instantanés dans le système de recirculation.
La pompe pompe du liquide périodiquement. Dans ce cas, le liquide de refroidissement ne quitte pas le circuit et retourne dans le réservoir de stockage. Cela vous permet de maintenir en permanence la température requise du liquide dans le pipeline.
Température optimale de l'eau chaude au robinet d'une maison privée
Avec un système fermé, une telle rupture technologique n'est pas nécessaire, car l'amortissement accéléré des conduites d'eau chaude ne se produit que dans la zone allant de la chaudière aux appartements, c'est-à-dire pratiquement uniquement à l'intérieur de la maison, le remplacement d'un fragment d'une si petite surface est une affaire de deux jours maximum, mais l'apport de chaleur lui-même, c'est-à-dire non potable , et l'eau chaude technique fournie au système de chauffage contient déjà une quantité suffisante d'additifs anti-corrosion, les tuyaux s'usent lentement et leur remplacement en été est invisible à l'un des résidents. La rareté des systèmes de chauffage centralisés fermés, entre autres, est due au fait qu'un immeuble résidentiel avec chaufferie entraîne une augmentation du coût de la construction de logements, ce que les constructeurs ont toujours essayé d'éviter.Ainsi, l'option de réponse «au moins 50 degrés Celsius» n'est valable que dans ces très rares situations où il y a cette chaufferie.
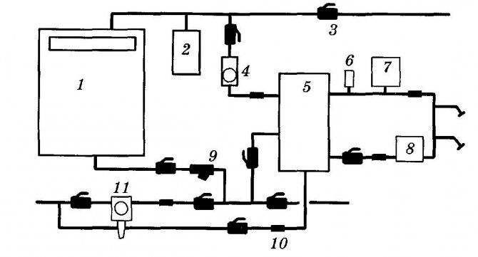
Schéma de raccordement d'un système d'alimentation en eau chaude autonome


1 - chaudière; 2 - vase d'expansion; 3 - vanne à bille; 4 - pompe de circulation; 5 - chaudière; 6 - soupape de sécurité; 7 - vase d'expansion pour l'alimentation en eau chaude; 8 - pompe de recirculation ; 9 - filtre; 10 - clapet anti-retour; 11 - dispositif de remplissage automatique du système
Dans la pièce où se trouve la station de pompage, une certaine température de l'air doit être maintenue. En hiver, il ne doit pas être inférieur à + 2 ° С.
Un filtre grossier et un clapet anti-retour sont installés dans la pompe devant l'entrée. Un filtre fin est placé derrière la station de pompage. Après cela, un pressostat, un manomètre et les autres équipements sont connectés. La conduite d'eau des appareils est déviée vers le collecteur, dans lequel l'eau est distribuée aux points de consommation. La station de pompage est connectée à un panneau de commande, qui est séparé du panneau d'alimentation électrique principal.
Lors de l'installation d'un réseau de distribution d'eau chaude domestique, des circuits de circulation d'eau chaude sont aménagés. Ils se présentent sous la forme d'une canalisation en forme de boucle qui part de la chaudière à proximité des points de puisage d'eau chauffée et retourne à la chaudière.
Grâce à une telle circulation, l'eau est pompée en permanence et pénètre dans le consommateur dans les 1 à 2 secondes après l'ouverture du robinet.


