Caractéristiques de la plaque de distribution de chaleur

Les plaques emmagasinent la chaleur et la transfèrent uniformément sur le sol
Le vecteur d'énergie dans les tuyaux de chauffage par le sol n'a pas besoin d'être chauffé à des températures élevées, par rapport aux radiateurs, grâce à l'utilisation de plaques réfléchissant la chaleur. Les éléments en aluminium ou en acier sont de structure simple et ne sont soumis à aucune restriction d'utilisation.
Les produits de différents fabricants diffèrent par leur configuration, mais la structure globale reste la même:
- la gouttière en forme d'oméga s'étend du début à la fin et sert à installer la conduite d'eau;
- des bandes saillantes sur les volants assurent la rigidité et compensent la dilatation thermique.
Les éléments de transfert de chaleur sont placés dans la structure du plancher de sorte que les rainures coïncident. Lors de l'installation, une scie à métaux ou des ciseaux à métal ne sont pas utilisés, car les plaques ont des encoches pratiques. Le métal est cassé aux marques à la longueur requise et placé dans la position de conception.
La plaque est divisée en sections:
- 4 pièces de 115 mm ;
- 2 pièces de 135 mm;
- 1 pièce 270 mm.


Si les assiettes sont posées sur un socle en bois, la majeure partie de la chaleur restera dans la pièce.
Il est permis d'installer des plaques thermiques directement dans la chape, mais la chaleur diminuera pour chauffer le béton. Une sous-couche en polystyrène avec une couche d'aluminium orientée vers le bas est placée sur la surface avant l'installation du système.
Les échangeurs de chaleur fonctionnent efficacement lorsqu'ils sont montés sur un matériau isolant tel que de la mousse de polystyrène extrudé ou de la mousse. Cela limite la transmission d'énergie au sol et chauffe le revêtement de sol supérieur. Les panneaux de polystyrène expansé sont utilisés dans les grades FT 20/45 ou FT 20 / 45L, la densité de la mousse doit être d'au moins 30 kg / m3. Des rainures sont découpées dans l'isolant à l'aide d'un couteau à gouttière.
But des plaques
Un thermoplastique métallique est utilisé s'il n'est pas possible de réaliser une chape traditionnelle (bâtiments avec parquet, murs en bloc de mousse, etc.). Parfois, la hauteur des plafonds ne permet pas d'élever la base à l'épaisseur du sol chaud. La date d'achèvement de l'objet influe sur le choix d'une chape ou d'une méthode d'installation à sec. Le béton gagne en résistance pendant 28 jours et le système en thermoplastique est prêt à l'emploi après avoir terminé l'installation de la couche de finition.
Les structures réfléchissant la chaleur sont une alternative à un plancher d'eau sur une base de ciment-sable. La légèreté de la conception permet aux éléments d'être utilisés sur n'importe quel sol, car la charge augmente de manière insignifiante.
Les conduites d'eau sont étroitement enveloppées dans le métal de la rainure et chauffent l'élément. L'aluminium et l'acier font partie du groupe des conducteurs de chaleur efficaces, ils transfèrent donc de l'énergie au revêtement de sol. La convection sous forme de ruisseaux et de jets est totalement absente, la surface se réchauffe uniformément. La chaleur est transférée plus efficacement si les parties latérales de la thermoplate sont étroitement fixées à la couche de base et supérieure.
Caractéristiques


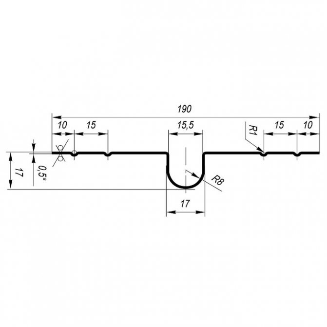
Dimensions de la plaque de distribution de chaleur pour tuyaux en plastique de 16 mm de large
Pour calculer la quantité de matériau requise, 4 à 6 plaques sont prises par carré carré. Il n'y a pas de pièces pivotantes dans la gamme de produits. En effet, la dissipation thermique dans ces sections est négligeable et le prix de la pièce d'angle augmentera considérablement le coût du système. Les tuyaux sont disposés le long du contour "serpent" ou "escargot".
Indicateurs de plaques pour chauffage par le sol:
- la taille de l'élément est de 1 m de long;
- largeur - 130 ou 110 mm;
- la rainure est faite pour un tuyau d'un diamètre de 16 mm;
- un article pèse 500 g.
Le poids total d'un plancher chauffant avec un revêtement est réduit de 5 à 7 fois par rapport à l'option sur une base en béton. La puissance du système est de 50 à 200 W / m2, l'indicateur varie en fonction du type de finition du sol, du pas d'installation du tuyau (pas moins de 125 mm). Les éléments réfléchissant la chaleur transfèrent jusqu'à 94 à 95% de chaleur.
Avantages et inconvénients
L'utilisation de plaques de distribution thermique pour le chauffage par le sol offre de nombreux avantages pratiques:
- haut niveau de productivité. Le profilé métallique se caractérise par une conductivité thermique élevée.De plus, le module de plaque chauffe rapidement,
- facilité d'installation. Contrairement à la technologie "humide" avec une chape en béton, lors de la pose avec une méthode sèche, les processus à forte intensité de main-d'œuvre ne sont pas fournis: le contour du système d'eau n'est pas difficile à installer dans des substrats réfléchissant la chaleur constitués de modules profilés
- vitesse de mise en service. Après l'installation de la structure avec des plaques de distribution de chaleur pour le chauffage par le sol et le début du test, le revêtement de sol final est effectué et le système est prêt à l'emploi. Dans le cas de la pose avec coulage de béton, selon les normes, il est nécessaire d'attendre jusqu'à 30 jours pour que la chape sèche complètement, alors seulement le dispositif peut être mis en service,
- petites dimensions. Un plancher d'eau chaude basé sur des plaques de distribution de chaleur est demandé dans l'aménagement d'appartements avec un plafond bas, car il contribue à réduire la hauteur de la structure en tarte. Une chape en béton prend une épaisseur de 9-11 cm, avec l'utilisation d'un substrat métallique réfléchissant la chaleur, cet indicateur est réduit de 3 fois,
- faible poids. Avec la méthode de pose "humide", un effet est créé sur le chevauchement de plus de 100 kg sur la quadrature de la surface. Le modèle de plancher chauffé à l'eau avec plaques de distribution prévoit une charge de 10 kg par m2 de plancher. C'est un équipement idéal pour aménager des maisons en bois et des structures avec des structures porteuses faibles.


Les plaques pour chauffage par le sol présentent de nombreux avantages: un haut niveau de productivité, une facilité d'installation
Les inconvénients des plaques profilées pour sols à eau chaude comprennent les points suivants:
- les modules métalliques refroidissent rapidement après l'arrêt du générateur de chaleur. La chape en béton chauffe lentement, mais est capable d'accumuler un potentiel thermique, et lorsque le circuit de chauffage est éteint, elle retient l'énergie thermique pendant un temps relativement long,
- le prix d'une plaque de distribution de chaleur pour un plancher chauffé à l'eau diffère dans une plus grande direction par rapport au coût d'une chape en béton.
Dans le même temps, le substrat métallique chauffe beaucoup plus rapidement que la base en béton, ce qui réduit la consommation de carburant de 20 % en moyenne.
Avantages et inconvénients


Le chauffage par le sol sans chape est monté et chauffe plus rapidement
Le revêtement de sol sec présente des avantages par rapport à l'installation traditionnelle de tuyaux humides. La conductivité thermique élevée du métal permet à la surface d'être chauffée en peu de temps.
Aspects positifs de l'utilisation des thermoplastiques :
- le nombre de plaques et le poids de la structure peuvent être facilement calculés indépendamment, puisque le pas et la masse des plaques sont connus;
- le système s'adapte simplement de vos propres mains après avoir établi un plan de disposition des tuyaux;
- la charge sur les parties du sol est réduite par rapport aux versions humides;
- la taille de la pièce n'est pas significativement réduite en hauteur.
L'inconvénient est qu'après l'arrêt de la chaudière, les plaques métalliques refroidissent immédiatement et le béton conserve la chaleur pendant un certain temps. Le coût des thermoéléments est élevé, mais avec la méthode humide, des matériaux supplémentaires sont également achetés et l'intensité de travail du travail augmente.
Base de pose du système de chauffage: panneaux de polystyrène
En plus des panneaux à base de bois, les panneaux de polystyrène peuvent servir de base pour le chauffage.
Les avantages de cette technologie sont:
- La capacité d'ériger une structure à tout moment de l'année, en raison de l'absence d'humidité élevée;
- Réduction de la durée des travaux due à l'absence d'une longue attente de la résistance de la chape en béton, même si elle est semi-sèche;
- Schéma d'installation inchangé, installation assez facile, quel que soit le matériau des sols.


Les panneaux de polystyrène peuvent être achetés dans n'importe quelle quincaillerie à un prix abordable
Une caractéristique du matériau en polystyrène est la présence de rainures et de pointes spéciales, lui permettant d'être utilisé pour toute configuration d'équipement de chauffage, y compris pour "serpent", "escargot" et autres. Un autre avantage de la dalle est qu'elle est équipée non seulement d'une rainure, mais également d'un verrou situé à l'extrémité, ce qui permet d'éviter les joints lors de la pose.
Avant d'effectuer des travaux, vous devez établir un plan précis de l'installation de chauffage. Le type de tuyau le plus courant en forme de serpent ne peut pas être utilisé dans les pièces de grande surface, sinon la chaleur ne sera pas répartie uniformément, ce qui menace de différences de température dans différentes parties de la pièce.
Lorsque la hauteur du sol le permet, en plus des plaques, du polystyrène ordinaire est posé ou du penofol est placé dans la base - une isolation spéciale avec un polymère spécial et une couche d'aluminium, avec la feuille tournée vers le haut. Cette méthode assurera la réflexion correcte de la chaleur dans la pièce et agira également comme un matériau isolant hydraulique et thermique. Le bruit intérieur sera également absorbé de manière significative par cette couche. Parfois, la pulvérisation de polyuréthane est utilisée en complément.
Article connexe: Salon en chocolat - une photo d'une combinaison inhabituelle à l'intérieur du salon
Caractéristiques du montage au sol du circuit d'eau


Un support en polystyrène est posé sous le revêtement de sol au-dessus des plaques
Le système est monté sur une base en bois ou en polystyrène avec des rainures pour l'emplacement des rainures convexes des thermoplastiques. Le stratifié, la moquette, le parquet ou les carreaux sont posés sur une couche isolante contre l'humidité. Le polyéthylène d'une densité de 200 microns est utilisé pour l'imperméabilisation.
Les bandes sont disposées avec un chevauchement de 10 à 15 cm et fixées avec du ruban adhésif entre elles, le périmètre est réalisé avec un ruban amortisseur collé au polyéthylène et au mur. Si une pièce avec une production de vapeur accrue, par exemple une salle de bain, est en outre placée avec une couche pare-vapeur ou un matériau avec une protection combinée contre l'humidité et la vapeur est sélectionné.
L'isolation se fait 2 fois:
- par la zone de chevauchement avant la pose de l'isolant;
- sur la surface du système de tuyau et de plaque monté.
En vente, il existe des plaques solides sans rainures pour les tuyaux, puis les rainures sont réalisées indépendamment. Contreplaqué usagé et un morceau de tuyau d'un diamètre de 16 mm. Une rainure est faite dans la feuille, la plaque est appliquée sur le contreplaqué et la rainure sur l'élément métallique est poussée à travers le tuyau. Les bords de la thermoplate sont nivelés avec des moyens improvisés.


Au lieu d'une isolation cellulaire, vous pouvez poser des plaques entre des blocs de bois
La procédure d'assemblage d'un sol chaud:
- le revêtement est nettoyé des débris et nivelé avec du mastic ou un mélange autonivelant;
- la couche d'imperméabilisation est disposée;
- des tapis isolants sont posés;
- des rainures sont faites et des plaques de distribution de chaleur sont montées;
- des conduites d'eau sont posées;
- une isolation thermique est placée entre les rainures.
La deuxième couche d'imperméabilisation est montée après vérification des performances du système. La finition finale du sol est terminée.
Caractéristiques du chauffage par le sol à eau en bois


Gâteau de chauffage au sol utilisant une isolation en basalte et des plaques de distribution de chaleur
Ce type est aménagé dans une maison en bois ou une habitation avec un plafond à poutres apparentes en matériau naturel. La méthode sèche implique un rack ou un système d'empilage modulaire.Le premier type est fait à l'aide de planches ou de barres, et dans le second, des blocs de panneaux de fibres prêts à l'emploi avec des rainures prêtes à l'emploi sont utilisés.
La couche de support de 20 mm d'épaisseur est en bois dont la teneur en humidité ne dépasse pas 6 à 10%. Les planches de bois dur doivent mesurer 80 mm de large et 1200 mm de long.
Composition de la structure de chauffage par le sol pour le bois:
- base avec une couche d'imperméabilisation;
- planches, modules ou barres disposés selon le plan;
- acheminement des tuyaux à l'aide de plaques;
- isolation contre la vapeur et l'humidité;
- feuille de fibre de gypse de 10 mm d'épaisseur;
- sol.
Les planches peuvent être posées en une couche continue, mais vous devez faire une rainure dans chacune d'elles pour la saillie de la thermoplaque. Cette méthode est laborieuse et coûteuse, car le bois est traité sur une machine et il n'y a pas toujours de conditions à la maison.
Une autre option est que les planches sont disposées avec un espace qui correspond en largeur et en longueur à la rainure convexe de la plaque. La surface de base du chauffage par le sol est nivelée horizontalement afin de ne pas perturber le courant porteur d'énergie.
Plancher sec et chaud pour la construction à ossature
Dans une maison à ossature, le sol doit être posé sur les poutres en bois des revêtements. Une structure correctement érigée suppose toujours une distance entre le sol et les planchers, grâce aux pieux de soutien. Dans une telle pièce, le sol doit être isolé et, connaissant les règles simples, vous pouvez le faire vous-même. Après tout, le froid et l'humidité peuvent devenir les causes de moisissures, de champignons et d'autres micro-organismes pathogènes dans les espèces d'arbres.


Lors de la création d'un sol sec et chaud, il est en outre recommandé d'utiliser un matériau isolant thermique comme substrat
Les travaux d'isolation thermique sont réalisés par étapes:
- Des poutres latérales sont placées au-dessus des piles, de petites poutres leur sont clouées, après quoi des chevauchements de planches sont érigés;
- Une imperméabilisation perforée spéciale est posée sur le dessus, de la laine minérale, de l'argile expansée, du polystyrène et d'autres matériaux isolants peuvent également être placés entre les bûches, l'essentiel est qu'ils soient bien tassés;
- Après cela, une couche respirante est constituée d'une membrane perforée pour pare-vapeur;
- Ceci est suivi d'une couche de contreplaqué ou de panneaux de particules, si une autre pose de carreaux, de stratifié ou d'autres revêtements de sol est prévue;
- Le "plancher de finition" est en cours de pose.
Article connexe: Poids des ailettes de radiateur en fonte
En cours de travail, il ne faut pas oublier que les pieux métalliques doivent être isolés des poutres en rondins à l'aide de matériaux de toiture. L'imperméabilisation en couches peut également être réalisée à partir d'un matériau en film avec une fosse pré-creusée et la construction d'un oreiller à partir de différentes charges.
Critères de sélection de la plaque de distribution de chaleur


L'efficacité d'un sol chaud dépend de l'isolation inférieure et de la couche de finition.
Le choix des produits consiste à étudier les caractéristiques techniques et les paramètres. On pense que la conductivité thermique élevée du métal affecte l'efficacité du système. Mais le degré de chauffage par le sol ne dépend pas seulement du matériau de la plaque. Une capacité thermique élevée a un effet néfaste sur l'équipement de contrôle, car la vitesse de chauffage sera élevée.
Le transfert de chaleur est affecté par:
- le système d'aménagement et le matériau des tuyaux - le plastique dégage de l'énergie plus longtemps que le métal;
- type d'isolation inférieure et conformité à la technologie de son installation;
- type de revêtement de sol - céramique, stratifié, chauffe plus rapidement que le linoléum ou la moquette.


Les espaces dans le sol sont frottés pour que la vapeur ne pénètre pas dans les plaques - cela conduit à la corrosion
C'est une idée fausse que les plaques sont chaudes et non corrodées. Pendant le fonctionnement de la maison, les vapeurs domestiques pénètrent à travers les revêtements de finition jusqu'à la base et la structure du plancher d'eau. Le condensat à l'état chauffé est plus destructeur.
Faites attention à la présence d'une couche anti-corrosion sur la surface de la plaque réfléchissant la chaleur - alors vous ne pouvez pas mettre une couche d'imperméabilisation lors de la pose du système.Le vendeur fournit un certificat de qualité du fabricant pour confirmer la fiabilité du produit.
Le choix est influencé par la fonctionnalité de la pièce. Lors de la pose sur de la mousse de polyuréthane dans la cuisine et la salle de bain, des plaques d'acier avec une couche anti-corrosion conviennent. Si la base est une dalle de plancher en béton, les produits en cuivre ou en aluminium fonctionneront mieux.
Thermoplates: nuances de conception et objectif
Le substrat de distribution de chaleur pour le circuit de chauffage par le sol est un module métallique profilé. L'appareil est utilisé exclusivement pour la pose du système de manière sèche, sans couler de béton. Les fabricants proposent des cages lamellaires dans diverses configurations et tailles. Le profilé présente un canal en forme de U sur toute sa longueur, cette niche est destinée à la pose du contour. Des raidisseurs parallèles à la rainure en U fournissent une résistance structurelle. En outre, la fonctionnalité est conçue pour compenser la dilatation thermique qui se produit pendant le fonctionnement de l'équipement de chauffage.


À quoi ressemble une plaque de sol chaude?
Pendant le fonctionnement du système, les plaques de distribution de chaleur pour un plancher chauffé à l'eau sont chauffées sous l'influence de la température du liquide de refroidissement. En outre, à l'aide d'un profilé métallique, l'énergie est uniformément transférée à la couche de finition.
Domaine d'utilisation
Le système de tuyauterie avec éléments de distribution de chaleur convient aux bâtiments neufs et rénovés. Les assiettes sont rapidement assemblées et servent longtemps. Les structures de distribution thermique ne posent pas de problèmes dans les bâtiments aux fondations affaiblies, car elles ajoutent un poids insignifiant au sol.
La saleté et la poussière résultant de l'utilisation de matériaux pour la chape en béton sont éliminées et les coûts de main-d'œuvre pour l'installation d'un sol chaud sont réduits.Par conséquent, la pose à sec est utilisée dans les bureaux de travail, les parquets, les ateliers et les bâtiments résidentiels. Il n'est pas nécessaire de fermer une entreprise ou une organisation pour installer un étage dans une pièce.







