L'eau
L'eau est utilisée pour remplir les tuyaux de chauffage et les radiateurs plus souvent que tout autre liquide, car c'est le moins cher.
Caractéristiques techniques de l'eau:
- capacité thermique élevée - à 20 ℃, elle est de 4183 J / kg · deg;
- faible viscosité, ce qui minimise la charge sur la pompe de circulation ;
- substance non toxique;
- les processus d'oxydation ne se produisent que lors du contact de l'acier avec de l'eau en présence d'oxygène;
- coefficient de dilatation thermique - 0,03% / deg.
Comment faire le bon choix d'une pompe de circulation pour un système de chauffage
Comme nous l'avons découvert ci-dessus, une pompe de circulation à rotor humide convient à une maison ou à un appartement privé. Quelles sont les caractéristiques pour le choisir? Lors de la planification de l'achat d'une pompe de circulation pour un système de chauffage, il est nécessaire d'étudier ses paramètres suivants:
- Performance - la quantité de liquide pompée par la pompe par unité de temps, ainsi que la pression générée par celle-ci. Cette caractéristique doit être sélectionnée pour chaque système de chauffage spécifique.
- Température admissible liquide de refroidissement. En règle générale, il fait +110°C.
- Valeur du passeport pression maximale du système (généralement pas plus de 10 bars).
- Pression de la pompe de circulation de chauffage... Cet indicateur est souvent écrit sur le marquage des modèles, dans le passeport - toujours. Par exemple, une combinaison des nombres 25-40 signifie: 25 - section transversale des tuyaux du système de chauffage en millimètres (le paramètre peut être spécifié en pouces: 1 "ou 1¼" (1,25 "= 32 mm)), 40 - hauteur de montée du liquide (maximum - 4 m, pour une pression maximum de 0,4 atmosphère).
- Protégé contre la poussière extérieure et les éclaboussures d'eau la pompe doit être suffisante. Ces paramètres sont inclus dans la classe de protection du boîtier de l'appareil - IP. Pour une pompe de circulation, la classe acceptable doit être au moins IP44. Cette valeur indique que l'appareil est protégé des fragments de poussière jusqu'à 1 mm de taille et que sa partie électrique ne craint pas les gouttes d'eau sous tous les angles.
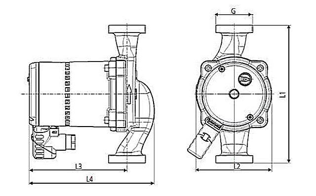
- Dimensions de raccordement et caractéristiques de la pompe... Le raccordement des appareils peut être à bride ou à raccord fileté. La pompe doit être complétée par des contre-brides ou des écrous-raccords ("américains") d'un diamètre approprié. Il faut évaluer diamètre nominal du tuyau, à laquelle la pompe de circulation pour les systèmes de chauffage sera attachée. Le diamètre peut être spécifié en métrique (15–32 mm) et en pouces. Il est également important de savoir longueur d'installation de la pompe (dans le schéma ci-dessus - L1), dont la valeur doit être prise en compte lors du remplacement d'un appareil cassé par un neuf

Il n'est pas rare qu'une pompe de circulation pour un système de chauffage soit installée dans une petite zone. Dans de tels cas, en plus des paramètres décrits ci-dessus, il est nécessaire de connaître d'autres dimensions linéaires de la pompe (indiquées dans le schéma - de L2 à L4). Les principales caractéristiques des appareils sont indiquées sur les plaques signalétiques. Les marquages sur les pompes de circulation des systèmes de chauffage sont les suivants :


mais - tension et fréquence de l'alimentation électrique ;
b - consommation de courant et d'énergie dans divers modes de fonctionnement ;
dans - température maximale du liquide pompé ;
r - la pression maximale admissible dans le système de chauffage ;
ré - classe de protection du boîtier de l'appareil.
Le nom d'usine du modèle est entouré d'un ovale jaune, qui peut être utilisé pour déterminer les caractéristiques des pompes de circulation pour les systèmes de chauffage.
La figure montre pompe UPS 15-50 130... Que peut-on comprendre à partir de ces chiffres ?
- EN HAUT - pompe de circulation ;
- S - nombre de modes de fonctionnement : vide - un mode de fonctionnement ; S - avec changement de vitesse ;
- 15 - diamètre nominal du passage du tuyau (mm);
- 50 - la hauteur manométrique maximale générée (en décimètres de colonne d'eau) ;
- Système de connexion : vide - manchon fileté; F - brides de raccordement. Caractéristiques du corps : vide - fonte grise ; N - acier inoxydable; B - bronze; K - le pompage de liquides à températures négatives est possible; A - un purgeur d'air automatique est installé.
- 130 - longueur d'installation de la pompe (mm).
Lisez le matériel sur le sujet: Chauffage dans une maison privée de vos propres mains
Antigel
Le principal objectif de l'antigel lors de son développement il y a plusieurs décennies était de l'utiliser comme agent de remplissage pour le refroidissement par eau d'un moteur de voiture en hiver. En raison de ses propriétés, l'antigel a commencé à être utilisé pour le remplissage des systèmes de chauffage. Le point de congélation d'une substance est inscrit dans son marquage sous la forme d'une valeur numérique - 30, 40 ou 65.
Caractéristiques de l'antigel :
- bas prix;
- le niveau moyen de capacité calorifique est de 3520 J / kg · deg;
- en raison de la viscosité élevée de la substance, la pompe de remplissage du système de chauffage est soumise à des charges importantes;
- la présence d'additifs anti-corrosion protège le métal de l'oxydation ;
- il est hautement toxique, car il contient la substance toxique éthylène glycol;
- coefficient de dilatation thermique - 0,05% / deg.


Veuillez noter qu'un vase d'expansion est fourni dans un système de chauffage fermé pour compenser la dilatation thermique lors du chauffage du liquide de refroidissement. Il doit être d'autant plus élevé que la valeur de ce coefficient pour le liquide de refroidissement est élevée.
L'antigel étant caractérisé par une corrosivité nulle, le système avec un tel support doit être absolument scellé. Sinon, toute fissure entraînera une fuite de liquide de refroidissement. Dans le cas d'autres liquides, tels que l'eau, les petits défauts se bouchent avec de la rouille ou des sels précipités.
Propylène glycol
Le propylène glycol est utilisé pour la production de fluides antigel spéciaux, qui sont utilisés comme caloporteurs dans les systèmes de chauffage. Sous sa forme pure, le propylène glycol a une capacité calorifique assez faible (2400 J/kg · deg). Par conséquent, avant de pomper le liquide de refroidissement dans un système de chauffage fermé, il est dilué avec de l'eau. Il augmente considérablement la capacité calorifique d'une substance. En conséquence, la solution a un indice de capacité calorifique proche de l'antigel (selon la concentration - 3500-4000 J / kg · deg).


Autres caractéristiques du propylène glycol:
- haute viscosité;
- faible corrosivité due à la présence d'additifs;
- non toxique - les canettes contenant la substance sont étiquetées « Eco » ;
- coefficient de dilatation thermique - 0,05% / deg.
Comment remplir un système de chauffage fermé avec de l'antigel
Le chauffage liquide d'une maison privée est considéré comme l'option la plus populaire pour chauffer les pièces à vivre. La fiabilité de l'ensemble du système dépendra de la qualité de la connexion des nœuds et des canalisations, ainsi que des caractéristiques du liquide de refroidissement. La tâche principale du fluide caloporteur est considérée comme le transfert de la quantité maximale de chaleur avec une consommation d'énergie minimale.
Noter! Remplacer l'option économique de l'eau par un liquide de refroidissement plus cher vous permet d'augmenter l'efficacité du chauffage autonome dans une maison privée, mais avant d'effectuer de tels travaux, vous devez choisir l'option liquide appropriée.
Solution saline
Pour les systèmes de chauffage de type ouvert avec circulation naturelle du liquide de refroidissement, l'une des options possibles pour le liquide de refroidissement est une solution concentrée de chlorure de sodium, de chlorure de calcium ou d'autres sels minéraux. Il est utilisé pour éviter le gel des tuyaux du circuit de chauffage en hiver.De plus, plus la concentration en sel est forte, plus la température de congélation de la solution est basse.
Spécifications de la saumure :
- capacité calorifique plutôt faible - une solution avec une concentration en sel de 30% dégage 2700 J / kg · deg;
- faible viscosité;
- activité corrosive très élevée - les tuyaux en acier "brûlent" très rapidement à cause d'un contact constant avec le sel;
- manque de toxines;
- coefficient de dilatation thermique - 0,03% / deg;
- bas prix du sel.


L'inconvénient de la solution est que, sous la condition d'un faible taux de circulation du liquide de refroidissement, du sel se déposera sur la surface interne des tuyaux, réduisant leur jeu. De plus, le sel a un effet néfaste sur les composants de la pompe de circulation - l'arbre et la roue, car l'encrassement des cristaux entraîne une diminution de ses performances.
Conclusions intermédiaires
Ainsi, avant de remplir un système de chauffage de type fermé, vous devez évaluer les conditions d'utilisation du système de chauffage.
Les conclusions seront les suivantes :
- À condition que vous utilisiez le chauffage tout le temps et qu'une température positive soit maintenue dans le système, l'eau sera la meilleure option pour un caloporteur. L'eau distillée est préférable, mais vous pouvez également l'utiliser simplement du robinet.
- Dans les cas où la maison ne sera chauffée que de temps en temps en hiver, la meilleure option est de remplir le système de chauffage d'antigel, c'est-à-dire d'un liquide de refroidissement à base d'éthylène glycol.
Remplissage d'un système de chauffage fermé avec de l'eau provenant d'une conduite d'eau principale
Le remplissage du système de chauffage avec de l'eau est simple - de robinet de maquillage.
Pour plus de commodité, il y a un manomètre sur un robinet d'appoint spécialisé - pour déterminer la pression à laquelle vous devez ajouter de l'eau, et il y a aussi un filtre - afin que les particules de saleté ne pénètrent pas dans le système de chauffage.
Tout d'abord, vous devez ouvrir ce robinet et pomper de l'eau dans le système jusqu'à 1,5 bar. Après cela, vous devez accéder à toutes les batteries et purger l'air des robinets de Mayevsky. Après avoir purgé l'air des batteries, la pression dans le système chute. Une fois l'air évacué du dernier radiateur, nous injectons à nouveau la pression de l'alimentation en eau à 1,5 atmosphère. Après cela, nous saignons à nouveau tout l'air. Si de grue Mayevsky de l'eau versée sur le radiateur - cela signifie qu'il est complètement plein et que vous n'avez pas besoin de l'ouvrir à nouveau.
Après le premier étage, l'air est évacué des radiateurs du deuxième étage et des étages suivants (le cas échéant).
Mais même après avoir purgé le radiateur le plus haut, ce n'est pas tout. Dans le système, des bulles d'air, des mousses diverses, etc., restent quelque part dans le système. Au fil du temps, cet air s'accumule à nouveau dans les radiateurs. Ainsi, après une journée de fonctionnement du système de chauffage, il est à nouveau nécessaire de purger tout l'air du système de chauffage par les robinets Mayevsky. Pour éviter la formation de mousse d'antigel, vous devez choisir la bonne pompe de circulation et régler la vitesse requise dessus ! La pompe de circulation ne doit pas être trop puissante pour éviter la cavitation et la formation de mousse.
Après la dernière purge d'air de toutes les batteries, il est nécessaire de faire la pression optimale dans le système. IMPORTANT - il n'est pas nécessaire de pomper de l'air dans le vase d'expansion avec une pompe de voiture. Initialement, le réservoir contient de l'azote sec. L'azote est essentiellement un gaz inerte et n'interagit avec rien. Par conséquent, l'intérieur est protégé de la corrosion. Et si de l'air est pompé dans le système, cela provoquera la formation de condensat à l'intérieur et une corrosion progressive.
COMMENT IL EST CORRECT DE CRÉER LA PRESSION NÉCESSAIRE. Pour ce faire, une fois que tout l'air a été retiré du système, ouvrez le robinet d'appoint et faites couler de l'eau dans le système. Lorsque la pression atteint 1,5 bar (ou plus, selon le nombre d'étages de l'ensemble du système), éteignez-le. À ce moment, l'eau comprimera l'azote dans le vase d'expansion et fonctionnera dans le bon mode.
Remplissage et évacuation du fluide caloporteur du système
Le remplissage du circuit de chauffage dans une maison avec un liquide de refroidissement est généralement effectué dans les cas suivants:
- Première mise en service du chauffage dans une maison privée.
- Mettre le système de chauffage en état de fonctionnement après des réparations planifiées ou imprévues ou le remplacement de la chaudière, des robinets d'arrêt et d'autres éléments.
- Remplissage avant la période de chauffage après avoir vidé l'agent de chauffage du système de chauffage dans une maison qui n'a pas été chauffée depuis longtemps.


Pour évacuer le liquide de refroidissement, il est nécessaire d'ouvrir des vannes spéciales dans la partie inférieure du circuit, ainsi qu'au moins une vanne d'admission d'air afin que l'eau s'écoule librement du système.
Remplir le système de chauffage d'antigel


Avant de verser de l'antigel dans le système de chauffage de vos propres mains, vous devez calculer correctement la quantité de liquide dont vous aurez besoin et la quantité à acheter. Pour les calculs, il est nécessaire de calculer le volume de l'ensemble du système de chauffage.
Il existe des tableaux spéciaux qui vous permettent de calculer avec précision combien il est nécessaire de remplir "d'antigel" avant la première utilisation ou de remplacer un liquide antigel par un autre, sur la base des calculs effectués pour un mètre courant de tuyau. En utilisant de tels calculs et en connaissant le diamètre des tuyaux, vous pouvez calculer la quantité de liquide de refroidissement nécessaire pour 10 m du système. Il reste à préciser la quantité de "non-gel" qu'il faut remplir pour remplir la section batterie. En ajoutant toutes les données, vous pouvez obtenir la quantité totale d'antigel nécessaire pour remplir le système. Il n'y a pas de formule unique - le remplissage dépend du diamètre des tuyaux et du volume des radiateurs.
L'emballage dans lequel le support thermique est vendu, dans la plupart des cas, contient des données sur l'antigel vendu et sa densité. Ces données vous permettent de calculer la quantité d'eau que vous devez ajouter au liquide, qui servira de caloporteur.
Pour remplir l'antigel de vos propres mains, vous devez disposer d'une pompe ou d'un équipement spécial vous permettant d'effectuer les procédures de purge et de rinçage des résidus utilisés. Pour les travaux de remplissage, vous aurez besoin de: un tournevis, une pince, une clé à molette, des tuyaux pour pomper le liquide de refroidissement, des colliers de fixation et un ruban d'étanchéité.


L'injection d'un système fermé ou ouvert comprend les étapes suivantes :
- Avant de pomper un nouveau liquide antigel destiné à être remplacé, vous devez vidanger toute la quantité de liquide résiduaire ou d'eau à travers un tuyau spécial en ouvrant le robinet de vidange. Dans le cas où le liquide ne s'écoule pas de lui-même, il est évacué à l'aide d'une pompe de circulation;
- Si le liquide de refroidissement est remplacé par un autre (à l'exception des liquides à base de glycérine), un rinçage préalable du système est nécessaire ;
- Ensuite, à l'aide d'un tuyau et d'une pompe de circulation, un nouvel antigel est versé. Deux tuyaux sont utilisés pour la procédure d'injection. Le premier tuyau est fixé au tuyau de vidange et à la sortie de la pompe avec les extrémités fixées avec des colliers. Le deuxième tuyau est utilisé pour fournir de l'antigel du réservoir à la pompe ;
- Une fois les tuyaux installés, la pompe se met en marche, ce qui, en prenant le liquide de refroidissement du réservoir, en remplit le système de chauffage. Pendant les travaux de versement d'antigel dans le système, il est nécessaire de s'assurer que l'extrémité du tuyau abaissé dans le bidon est en dessous du niveau de liquide, ceci est nécessaire pour empêcher l'air avec le liquide de pénétrer dans le système lors de l'admission d'antigel. L'air emprisonné avec le liquide forme des bouchons qui gêneront le fonctionnement du chauffage ;
- Pour l'injection sans entrave du caloporteur, la "valve Mayevsky" ou un bouchon spécial est ouvert, ce qui permettra à l'air de s'échapper librement lorsque les cavités sont remplies de liquide. Une fois que l'antigel à verser du bouchon commence à couler en un mince filet, le remplissage s'arrête et le bouchon est fermé.
Comment remplir correctement un système de chauffage ouvert
Avant d'ajouter de l'eau au système de chauffage, il convient de décider du schéma qu'il fonctionne.
Il existe deux types de montage de circuit de chauffage dans une maison privée :
- Système ouvert - la pression qu'il contient est égale à la hauteur de la colonne d'eau du point inférieur au point supérieur du circuit. Au moyen d'un vase d'expansion ouvert, le système est en communication avec l'atmosphère.
- Le type de chauffage fermé fonctionne à une surpression de 1,5 à 2,5 atmosphères. Il contient un réservoir à membrane qui compense la dilatation thermique du liquide de refroidissement lorsque sa température augmente.


Dans un système de chauffage ouvert, tous les tuyaux du circuit sont posés de manière à créer une légère pente du vase d'expansion vers le haut du circuit.
Dans ce cas, vous n'avez pas à vous demander comment verser correctement de l'eau dans le système de chauffage. Il est alimenté directement par un vase d'expansion installé sous le plafond ou dans le grenier. Vous pouvez le remplir avec n'importe quel récipient ou raccorder le robinet à l'alimentation en eau centrale.
Veuillez noter que l'excès d'air du système s'échappera également par le vase d'expansion.
Ainsi, dans le cas d'un système de chauffage de type ouvert - comment l'alimenter correctement, aucun problème ne devrait survenir. Après avoir allumé le four ou la chaudière, l'eau commencera à circuler de manière naturelle, ou de force après avoir allumé la pompe de circulation, si le schéma le prévoit.
Système de chauffage ouvert


Système de chauffage ouvert
Si le remplissage d'un système de chauffage de type ouvert dans une maison privée est effectué, la procédure d'exécution des travaux est quelque peu différente. La particularité réside dans le fait que la pression dans les tuyaux est égale à l'atmosphérique. Par conséquent, l'élément de contrôle principal est le vase d'expansion, qui est installé au-dessus des autres appareils de chauffage.
Dans ce cas, l'ordre de remplissage du système de chauffage est le suivant :
- L'ancien liquide de refroidissement est vidangé et les tuyaux sont nettoyés.
- Le robinet de Mayevsky s'ouvre sur tous les appareils de chauffage.
- L'écoulement du liquide pour le remplissage du système de chauffage peut être effectué par un tuyau de retour.
- Dès que tout l'air a quitté le système, le niveau d'eau dans le vase d'expansion est vérifié. Il doit être rempli aux 2/3.
Il est à noter qu'à l'aide d'une pompe à main utilisée pour remplir le système de chauffage, vous pouvez également ajouter du liquide de refroidissement.
Aucune surpression n'est autorisée pour un système de chauffage ouvert. Sinon, cela peut entraîner une température de fonctionnement incorrecte.





