Quelle brique choisir pour la maçonnerie?
Pour chaque section du four, utilisez sa propre brique. La température la plus élevée dans la chambre de combustion. Le matériau doit pouvoir résister à cette charge. Seules les briques en argile réfractaire conviennent ici.
Tous les conduits de cheminée et la zone de la chambre de combustion sont également soumis à un test de température, même si elle n'est pas si élevée. Ici, nous utiliserons des briques céramiques réfractaires. Il est moins cher que l'argile réfractaire et est capable de résister à la charge.
Comme base, nous utiliserons des briques résistantes au gel qui peuvent résister à des pressions élevées. Le poids de toute la structure y sera réparti.
Recommandation générale - nous utilisons la brique:
- corpulent;
- qualitatif;
- avec une bonne dissipation thermique et une bonne capacité thermique.
Les briques doivent être de tailles différentes. Avant d'acheter, il est nécessaire de préciser sous quel ordre la commande est calculée. Vous trouverez ci-dessous des instructions étape par étape pour poser un poêle en brique de vos propres mains. Là, vous pouvez utiliser une brique d'une taille de 250x120x65. C'est aussi lui qui a été pris en compte dans la commande de la photo n ° 2 (ci-dessous, dans la section «Pose du poêle»).
Si vous le souhaitez, vous pouvez utiliser divers types de briques décoratives pour le revêtement. Cela donnera au poêle une apparence plus esthétique.
Dans notre cas, vous aurez besoin de 60 pièces de briques en céramique réfractaire et de 35 pièces de briques en argile réfractaire (en tenant compte des pertes éventuelles).

Préparation de la solution
Commençons par préparer la solution. Pour les travaux de maçonnerie, nous utilisons un mélange spécial prêt à l'emploi. Vendu en quincaillerie. C'est une poudre jaune-gris en sacs de 25 kg. Il ne reste plus qu'à diluer avec de l'eau dans le bon rapport et mélanger. Des instructions détaillées sont toujours indiquées sur l'emballage, vous devez le suivre étape par étape. Cette solution est le meilleur choix. Il n'a qu'un seul inconvénient: le prix élevé.
Vous pouvez préparer vous-même une solution pour la maçonnerie. Pour cela, nous avons besoin d'argile et de sable. Pour commencer, nous déterminerons la qualité de l'argile disponible et la teneur en impuretés de celle-ci. Suivez les instructions ci-dessous:
- Nous roulons l'argile dans un garrot. Épaisseur - 10-15 mm, longueur - 150-200 cm.
- Prenez un rouleau à pâtisserie d'un diamètre de 50 mm et enroulez le garrot autour de lui.
- Le garrot doit s'étirer en douceur et se déchirer, s'étirant d'environ 15 à 20 %.
Opinion d'expert
Pavel Kruglov
Opérateur de poêle avec 25 ans d'expérience
Si le garrot s'étire davantage - l'argile est "grasse", elle se brise plus tôt - "maigre". Dans la première version, la solution rétrécira considérablement sous l'influence de la température, dans la seconde elle s'effondrera.
La prochaine étape consiste à préparer le sable. Nous la passons d'abord au tamis fin. La cellule ne doit pas dépasser 1,5x1,5 mm. Suivez ensuite les instructions:
- à l'aide d'un support et d'une toile de jute, nous organisons une sorte de filet;
- versez du sable dedans et commencez à le rincer sous l'eau courante;
- rincer jusqu'à ce que l'eau courante soit claire.
Ainsi, nous nous sommes débarrassés du sable des impuretés.
Nous faisons la même chose avec l'argile. Maintenant, il devrait être trempé. Pour ce faire, versez de l'argile dans un récipient préalablement préparé. Versez de l'eau de manière à recouvrir toute la surface de l'argile. Bien mélanger après 24 heures. Nous répétons le processus jusqu'à ce que l'argile ait une consistance similaire à celle du dentifrice.
Il n'y a pas de proportion universelle pour le mortier. Tout est établi par essais et erreurs, en fonction des caractéristiques des matériaux utilisés. L'essentiel est qu'il soit pratique de travailler avec la solution.
Pour augmenter la résistance, les experts recommandent d'ajouter un peu de ciment ou de sel.
Opinion d'expert
Pavel Kruglov
Opérateur de poêle avec 25 ans d'expérience
Voici une recette de base pour un mortier de maçonnerie :
Nous prenons 2 parties d'argile. Ajoutez-y un sable. À l'aide d'un mélangeur de construction, mélanger jusqu'à obtenir une masse épaisse et homogène. Nous avons besoin d'environ 40 litres de solution.
Comment plier correctement le poêle poêle?
Même un débutant peut plier indépendamment un poêle en brique correctement. Pour ce faire, vous devez connaître et suivre les règles simples que pechnoy.guru fournit ci-dessous.
Schéma et dessin
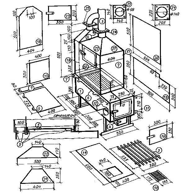
Ci-dessous, nous verrons comment plier un poêle en brique de vos propres mains. Le dessin et les dimensions sont visibles sur la photo #1 :


Photo numéro 1 - dessin de poêle en brique à faire soi-même
La disposition ordonnée des briques du poêle à partir de est illustrée sur la photo n ° 2:
Photo n ° 2 - disposition ordinale des briques (schéma)
Nous avons décidé des matériaux et de la conception du four, la solution est prête. Une telle conception ne nécessite pas de dispositif de fondation. Pour un travail confortable et sûr, le chauffage doit être placé conformément à toutes les normes de sécurité incendie. Après avoir choisi un endroit, nous avons stèle deux couches d'imperméabilisation. D'en haut, nous faisons une préparation de sable de 10 mm d'épaisseur. Commençons à poser :
- Sur le dessus, sans mortier, posez une brique (voir photo #2, premier rang). Nous contrôlons strictement l'horizontalité à l'aide d'un niveau.


- Installez la porte du ventilateur. Nous le fixons avec un fil et l'enveloppons avec un cordon d'amiante.
- On continue la pose (voir photo #2, rang #1).
- Vient ensuite la brique en argile réfractaire (voir photo n ° 2). Les grilles seront installées au-dessus.
- Nous mettons des grilles directement au-dessus du ventilateur.


- Nous mettons la rangée suivante sur des cuillères. Nous mettons le mur derrière sans mortier (briques renversées).
- Installez la porte du foyer. Nous le réparons avec du fil et des briques.
- Placez une rangée au-dessus du lit le long du contour du quatrième.
- Le suivant est de retour sur les cuillères. On met 2 briques à l'arrière.
- D'en haut, la rangée doit chevaucher la porte coupe-feu et se terminer à 130 mm au-dessus de celle-ci.
- Nous continuons la pose en déplaçant légèrement les briques en arrière. Avant cela, nous posons un cordon d'amiante, sur lequel nous installerons la plaque de cuisson.


- Commençons la formation de la cheminée à partir de la rangée suivante. La conception prévoit l'installation d'un tube coquille en tôle ou en aluminium ondulé. Le tuyau ne doit pas être lourd. Sinon, le centre de gravité peut se déplacer.
- Sur la onzième rangée, nous avons mis une vanne pour réguler le débit d'air. N'oubliez pas de le sceller avec un cordon d'amiante et de le recouvrir d'argile.
- Ensuite, nous mettons la cheminée dans le quadruple, que nous joignons à celle en métal. Le tuyau doit être strictement vertical et ne pas se plier sur le côté. Pour une plus grande stabilité, il doit être recouvert de trois rangées de briques.


- Nous retirons les briques défonçables que nous mettons sur la 4ème rangée, nous nettoyons la cheminée des débris.
- Le four doit maintenant être blanchi à la chaux. N'importe quel citron vert ira. Les experts recommandent d'ajouter du bleu et un peu de lait. Ainsi, le badigeon ne s'assombrira pas et ne s'envolera pas.
- Nous installons une tôle devant le foyer.
- Installez la plinthe.


Un exemple de poêle en brique fini
Séchage
La raison de l'apparition de fissures est l'excès d'humidité dans les briques, le four doit donc être soigneusement séché. Il y a deux étapes de séchage : naturel et forcé.
- Le séchage naturel dure au moins cinq jours. Toutes les portes doivent être complètement ouvertes. Pour augmenter l'intensité du processus, placez un ventilateur devant le foyer ou placez-le dedans et allumez une lampe électrique à incandescence ordinaire (seulement pas économe en énergie). Il ne sera pas possible de sécher complètement le four avec cette méthode, nous passons donc à l'étape suivante.
- Le séchage forcé est effectué en brûlant du bois sec. Un tel four est effectué une fois toutes les 24 heures. Vous ne devez chauffer qu'avec de petites bûches sèches. Ouvrez la porte du ventilateur et ouvrez le couvercle à moitié.
Lorsque le bois brûle, couvrez le ventilateur sans serrer. Fermez le bouchon supérieur en laissant 1 à 2 cm.Lorsque les charbons sont brûlés, ouvrez tous les canaux. Réalisez un tel four dans la semaine. Le premier jour, environ 2 kg de bois de chauffage sont brûlés. Ajoutez ensuite 1 kg chaque jour.
Fabrication de la porte du foyer
Cet élément est le plus difficile de toute la conception. Le tableau suivant indique les dimensions normalisées des portes du four :
| La taille | Soufflage, nettoyage des portes, mm | Ouvertures pour portes de four, mm | |||
| longueur | 25 | 25 | 25 | 30 | 25 |
| largeur | 130 | 130 | 250 | 250 | 250 |
| la taille | 70 | 140 | 210 | 280 | 140 |
Nous fabriquons la porte du foyer selon les dessins montrés sur la photo #3 :


Photo n ° 3 - dessin de la porte du foyer et de la chambre de nettoyage
Bardage métallique
Un poêle en brique peut également être recouvert de métal. Nous obtenons un réchaud en métal avec tous les avantages, mais aucun inconvénient (à l'exception du poids). Cette conception protégera le four des fissures et des copeaux. Cela augmentera considérablement la durée de vie. Cela nécessitera une tôle de 4 à 6 mm d'épaisseur. Le processus n'est pas particulièrement difficile. La tôle est marquée, les pièces nécessaires sont découpées avec une meuleuse ou un cutter. Ensuite, le parement est réalisé et relié par soudure et un coin métallique.
Cette conception est non seulement durable mais aussi plus sûre. Cependant, cela nécessite des coûts supplémentaires et des coûts de main-d'œuvre.
Poêle ventru en brique, gainé de métal
Choix des matériaux
Pour mettre en œuvre une telle conception de four, vous aurez besoin de :
- tôle d'une épaisseur minimale de 3-4 mm;
- coin en acier, sélectionné en fonction des caractéristiques de conception du four;
- briques réfractaires;
- grille;
- cheminée.
Préparation des pièces
D'après le dessin, les éléments du four sont marqués, qui sont découpés d'une manière correspondant à l'épaisseur du métal. Les détails sont marqués sur des tôles : parois, fond et plaque de cuisson.
Dans le panneau avant, des trous sont découpés pour la chambre de combustion et le ventilateur. Le panneau avant est équipé d'un trou rond pour le montage de la cheminée.


Schème
Installation d'un poêle ventru
Par soudage, les parties des trois panneaux du produit sont assemblées de la manière prescrite au dessin. Après cela, la structure est transférée sur la fondation précédemment construite.
Ensuite, la brique est posée selon la commande. Après son achèvement, la paroi latérale et le couvercle de la fournaise sont installés, dans lesquels un tuyau de dérivation est installé pour l'installation d'une cheminée.
Porte de foyer
Selon le dessin, la porte du foyer est fabriquée. Elle est découpée dans de la tôle d'acier, prévue pour des pattes d'accrochage et des dispositifs de fixation en position fermée. Les éléments d'accouplement sont soudés sur le mur.
La porte du souffleur est faite de la même manière.


Porte de foyer
Installation et connexion
Lors de l'installation de la fournaise, vous devez suivre strictement les règles de sécurité incendie:
- La distance aux murs et aux objets environnants doit être d'au moins 800 mm. Les murs peuvent également être recouverts de carreaux de céramique.
- Toutes les parties de la cheminée doivent être étroitement connectées.
- Le local doit être équipé d'un système de ventilation et d'extraction.
La cheminée est installée comme suit :
- Nous fixons la première section de tuyau au-dessus de l'ouverture de la cheminée.
- Nous construisons les coudes de tuyau au niveau de chevauchement.
- Dans le chevauchement, nous faisons des trous d'un diamètre de 170 mm. Retirez la couche d'isolation thermique autour du trou afin d'exclure le feu.
- Tout d'abord, nous montons le verre traversant, puis insérons le tuyau dedans.
- Ensuite, nous connectons les tuyaux à la cheminée externe.
- Nous appliquons du bitume sur le tuyau et l'isolons.
Si vous avez besoin de chauffer une grande surface, vous pouvez connecter le poêle à l'écran chauffant. Cela augmentera le flux de chaleur et lui permettra d'être stocké plus longtemps.
Option deux - poêle à ventre plat fait maison
Si vous possédez une machine à souder le ventre, des conceptions éprouvées et simples peuvent être réalisées en une journée. Des tuyaux à parois épaisses, des barils et des bouteilles de gaz peuvent être utilisés pour allumer le poêle. Un poêle ventral rectangulaire peut être soudé à partir d'un coin métallique et de tôles d'acier (3 mm d'épaisseur).
Règles importantes pour l'emplacement du poêle dans le garage
Afin d'éviter un incendie, les règles de sécurité incendie suivantes doivent être respectées lors de l'installation d'un poêle à ventre plat fait maison :
- distance aux murs et aux objets inflammables - un mètre, distance à un mur de briques - 0,5 mètre;
- les murs et le plafond autour du poêle sont en outre recouverts de tôles;
- une tôle épaisse est placée sous le poêle - 10 mm ou une chape en ciment est réalisée - 20 cm d'épaisseur;
- un dispositif de ventilation (forcée ou naturelle) est obligatoire afin qu'aucun problème ne se produise lors de la fumée. Un espace de 5 cm sous la porte du garage ou deux bouches d'aération sous le toit assureront une ventilation naturelle suffisante dans la pièce.
La distance entre le poêle et la voiture doit être d'au moins deux mètres. Un contact étroit avec les parois chaudes du four peut endommager la peinture ou enflammer le combustible.
Une couverture de protection supplémentaire constituée de murs de briques créera non seulement un flux d'air chaud de convection et augmentera le transfert de chaleur, mais assurera également la sécurité.
Noter. Seuls les poêles ventru carrés ou rectangulaires peuvent être maçonnés. Le four sous forme de cylindre nécessite un dispositif spécial pour la construction de l'enveloppe, sous forme de nervures métalliques latérales. Un boîtier en brique pour le cylindre réduira le transfert de chaleur et entraînera un épuisement rapide des murs.
Comment faire un simple poêle à ventre carré
Pour un garage standard, un radiateur 30 x 30 d'une hauteur de 50 cm suffit amplement. Le diamètre du tuyau du poêle ventru est d'au moins 30 cm, l'épaisseur de la paroi est d'au moins 5 mm. Pour la cheminée, un tuyau d'un diamètre de 12 à 15 cm et d'une épaisseur de 3 mm convient. Pour éviter que la cheminée ne gèle rapidement, elle est enveloppée à l'extérieur d'une couche de laine minérale.
Demande de service:
- nous dessinons d'abord la découpe des pièces du poêle, nous déterminons toutes les tailles;
- nous découpons les pièces nécessaires de la tôle à la taille;
- d'abord, nous soudons les murs et le fond du four, mais il suffit de le saisir. Pouvoir régler tous les côtés strictement en fonction du niveau ;
- après avoir vérifié les lignes verticales et horizontales, vous pouvez souder tous les joints avec un joint en T;
- nous installons la partition inférieure dans le boîtier fini. Il est immédiatement nécessaire d'y percer des trous pour éliminer les cendres (le pas entre les trous est d'un centimètre et demi, des murs - 5 cm);
- la cloison est située à au moins 10 cm du bas;
- dans le mur du fond, nous avons découpé un cercle pour installer le tuyau de cheminée;
- portes du foyer et du ventilateur - distance du mur - 5 cm;
- lors de la fixation des rideaux de porte, vous devez tenir compte du fait qu'ils s'affaisseront à cause de la température, nous les fixons donc 2 cm plus haut;
- les derniers sont les pieds du poêle - la hauteur n'est pas inférieure à 15 cm et la tôle supérieure du poêle est installée.
Afin d'obtenir un transfert de chaleur maximal, le tuyau du poêle ne doit pas être droit. Il est nécessaire d'installer des tuyaux avec deux tours de 30 degrés et de les faire passer à travers le mur du garage. Ensuite, les produits de combustion dégageront toute la chaleur non pas dans la rue, mais dans la pièce.
La vidéo montre comment fabriquer un simple réchaud ventru à partir d'une tôle et de coins métalliques et d'une vieille bouteille de gaz.
Caractéristiques de fonctionnement
Opinion d'expert
Pavel Kruglov
Opérateur de poêle avec 25 ans d'expérience
Le fonctionnement d'un tel poêle est similaire à celui d'un poêle en brique classique. Bien qu'il ne retienne pas non plus la chaleur. Par conséquent, un poêle en briques fabriqué de vos propres mains devra être à nouveau inondé dans les 4 à 6 heures suivant la combustion des derniers charbons.
Cela indique qu'il n'est pas rentable d'utiliser une telle conception pour un chauffage constant. Cependant, pour chauffer périodiquement un garage, une résidence d'été, etc., il peut très bien être utilisé.
Un tel four ne fonctionne qu'avec du combustible solide. C'est un autre inconvénient.
En même temps, la conception est facile à fabriquer et à utiliser. Cela explique sa popularité.
Paramètres fonctionnels du poêle
De nos jours, ces poêles sont créés dans différents styles, ils peuvent donc non seulement chauffer la pièce, mais aussi le décorer... Le poêle ventru peut fonctionner au bois, pas plus de 25 cm de long et à d'autres combustibles solides, ses fonctions principales :
- Chauffage de la pièce;
- Possibilité de cuisiner;
- Élément intérieur, décoration.
Le poêle ventru rivalise avec les cheminées ou les poêles en briques, mais il a un avantage sur eux - de très petites dimensions. Le réchaud ventru peut être facilement connecté, également assemblé et transféré à un autre endroit, sorti dans la rue pour cuisiner à l'air frais, etc.
S'il est nécessaire de transporter constamment le four, alors dans un tel cas, une excellente solution serait poêle pliable... Il prévoit le retrait du couvercle supérieur, qui peut être une plaque de cuisson, des pieds repliables et une cheminée ; il peut également être divisé en plusieurs sections. Ainsi, le réchaud ventru ne prend pas beaucoup de place, est un réchaud très mobile et facile à transporter. L'utilisation de cet appareil de chauffage élimine le danger d'intoxication au monoxyde de carbone, car tout sort par la cheminée. L'essentiel est de mettre en œuvre installation correcte, cela permettra au poêle de fonctionner à pleine puissance, qui dépend directement du tirage.
Production
Il est tout à fait possible de fabriquer soi-même un poêle en briques. Un tel four augmente l'efficacité de 50-60% à 70-75%. Cependant, il n'est toujours pas assez rentable pour remplacer complètement le chauffage par poêle. Bien qu'il soit plus efficace que le fer, il retient la chaleur, mais pour une utilisation constante, il nécessite la connexion d'un bouclier chauffant.
En tant que source de chaleur temporaire, un poêle en brique fabriqué de vos propres mains dans un garage ou une serre se justifie pleinement.
Le design peut être encore amélioré en le révélant avec du métal. Cela augmentera la durée de vie et protégera le poêle contre les dommages.









