Note : 488 Les convecteurs de chauffage, comme tout autre développement pour un système de chauffage, présentent un rendement élevé lorsqu'ils sont utilisés. L'installation à faire soi-même peut varier en fonction de ce qui est utilisé.
Le vecteur de chaleur peut également être à la fois l'eau de chauffage, et l'électricité ou le gaz. Le lieu d'installation des convecteurs de chauffage dépend fortement du mode de fonctionnement. placé de préférence à la verticale. posé au sol ou suspendu au mur, il en est de même avec un appareil qui fonctionne à l'eau. Plus loin dans l'article, nous parlerons de la manière dont est réalisée l'installation de convecteurs de chauffage de différents types.
Photo d'un schéma d'un dispositif de convecteur à eau
Les éléments en cuivre et en aluminium sont généralement les plus chers. Mais parfois, lors de l'installation d'un système de convecteur, ce sont précisément des éléments en cuivre qui sont nécessaires, ils aident à faciliter le système de chauffage. Cependant, ou les alliages métalliques sont beaucoup plus démocratiques dans le prix et sont utilisés beaucoup plus largement. Mais dans ce cas, il est nécessaire d'acheter des éléments auxiliaires coûteux. Il existe également une option très abordable - un système de chauffage en acier. dans ce cas, il peut être connecté par le bas ou sur le côté.
Les équipements de type eau nécessitent tout d'abord l'accrochage préalable du radiateur au mur. Et avant cela, il faut faire des trous dans le mur pour insérer des supports qui supporteront la batterie chauffante. Après avoir percé les trous et inséré les supports, les convecteurs y sont suspendus. Ensuite, à l'aide de buses, les appareils sont connectés à l'ensemble du système de chauffage.
Le radiateur à eau se raccorde au mieux à la structure grâce à des tuyaux en acier ou en plastique, des matériaux plutôt bon marché.
Cependant, si, tout en travaillant avec, il est possible de faire l'installation du système vous-même, alors lorsque vous l'avez acheté, il est préférable de consulter un installateur de système de chauffage.
L'équipement qui utilise l'électricité est aussi efficace et pratique que l'équipement à base d'eau. L'installation de convecteurs de chauffage électrique à faire soi-même est une affaire assez simple, vous pouvez même le faire vous-même. Il suffit de suivre les instructions, qui sont assez simples.
La procédure est la suivante :
- L'unité achetée doit être correctement déballée.
- Ensuite, vous devez retirer le film protecteur avec un mouvement doux.
- Il est bien sûr important de trouver l'emplacement le plus avantageux pour le montage de l'unité.
Appareil de convecteur électrique
Avant de procéder directement à l'installation de convecteurs électriques, vous devez vous familiariser avec les nuances suivantes:
- L'appareil doit être suspendu à une hauteur d'au moins 0,2 m.
- Un espace est également requis entre les murs et l'appareil, mais n'excédant pas un quart de mètre.
- Accrocher trop haut ne vaut pas non plus la peine. Vous devez laisser au moins un demi-mètre d'espace et plus.
- L'équipement ne doit pas se trouver à proximité immédiate d'alimentations électriques. Respectez une distance de 0,35 m ou plus.
La procédure d'auto-installation d'un convecteur électrique est la suivante:
- Vous devez d'abord retourner l'appareil et construire dessus quelque chose comme des pieds de support qui peuvent être déplacés à l'aide des roues intégrées. Pour faire quelque chose comme ça, vous avez besoin de boulons du kit standard.
- En général, c'est tout. L'appareil est prêt à l'emploi, vous pouvez commencer à travailler et le personnaliser en fonction de vos besoins personnels.
L'installation de convecteurs à gaz pour un système de chauffage n'est pas aussi simple qu'avec les types d'équipements de chauffage précédents et vous ne pouvez pas le faire de vos propres mains. Et cela ne vaut pas la peine d'expérimenter, car le système peut non seulement ne pas fonctionner, mais aussi causer des dommages.
Instructions d'installation
Les experts savent qu'avant l'étape principale de l'installation des convecteurs à gaz, il est nécessaire d'effectuer une préparation.
Pour cela vous aurez besoin de :
- Faites des jambes de soutien. Ils ne nécessitent aucun matériau spécial, donc les restes de tuyaux usagés peuvent être utilisés pour les construire. Ils peuvent être en acier ou en aluminium, ce sont les métaux les plus appropriés.
- Si le diamètre de la sortie d'air est d'environ 15 cm, alors un trou plus grand doit être percé dans le mur, d'environ 23 cm.
- Ensuite, une surface de protection est doublée, pour laquelle le basalte est le plus utile.
- Le même abri est érigé à l'arrière de l'équipement.
- L'unité elle-même est installée dans un plan vertical puis fixée à la source de gaz.
L'installation de convecteurs de chauffage peut être associée à l'utilisation de quelques outils supplémentaires.
Outils requis pour l'installation des convecteurs :
- Perceuse avec la possibilité de remplacer les perceuses par d'autres calibres plus gros ou plus petits ;
- Différents types de boulons;
- Outil pour le traitement des métaux;
- Un marteau;
- Tôles d'acier;
- Feuilles de basalte;
- Outil de soudage pour plastique;
- Meuleuse d'angle;
- Scie à main;
- Tuyaux pleins et coupures de différents tuyaux.
Vos contacts dans cet article sont à partir de 500 roubles par mois. D'autres options de coopération mutuellement avantageuses sont possibles. Écrivez-nous à
Les convecteurs au sol sont activement utilisés pour chauffer des pièces dans lesquelles il y a de grandes pertes de chaleur dues aux grandes fenêtres et portes. Ils sont installés dans des niches spéciales disposées dans des sous-planchers. La procédure n'est pas très simple, mais pas très compliquée non plus. Voyons comment s'effectue l'installation de convecteurs au sol à faire soi-même. Nous examinerons également certaines des caractéristiques de l'entretien de ces appareils de chauffage.
Nomination de convecteurs au sol
L'installation de convecteurs au sol est justifiée s'il y a des éléments dans la pièce qui génèrent des pertes de chaleur. Ceux-ci inclus:
- Portes vitrées du sol au plafond ;
- Zones d'entrée de la loggia avec fenêtres et portes minces ;
- Sorties sur les terrasses ;
- Fenêtres panoramiques (vitraux).
La grille décorative est la seule chose qui donne le radiateur à convection au sol.
Avec un rapport suffisamment faible entre la surface des fenêtres et la surface du sol, des pertes de chaleur importantes se produisent. De plus, un froid désagréable souffle du vitrage géant. Le problème est partiellement résolu par l'installation de vitrages triples, mais ils se distinguent par leur coût élevé. Par conséquent, nous pouvons acheter en toute sécurité des convecteurs de sol et procéder à leur installation de nos propres mains.
Ces appareils de chauffage sont compacts, mais nécessitent des niches de profondeur appropriée pour leur installation. Des boîtes métalliques (corps) de convecteurs sont installées ici, après quoi elles sont fixées avec des attaches spéciales. D'en haut, tout cela est fermé par une grille décorative - ce n'est qu'une brève instruction pour que vous ayez une idée générale de la future installation de bricolage.
Fabricants de convecteurs de sol, prix
Il existe un choix assez large de convecteurs au sol sur le marché russe. Selon les critiques, les modèles de radiateurs suivants sont particulièrement populaires:
- Katherm ;
- Varman;
- Primo Clima ;
- Éva ;
- Brise.
Avant d'installer des tuyaux de chauffage dans une maison privée, vous devez élaborer un projet, de préférence en l'accompagnant d'un calcul hydraulique.
Vous pouvez trouver les règles de remplacement des tuyaux de chauffage dans un immeuble d'appartements ici.
La fourchette de prix est assez importante. Vous pouvez trouver des échangeurs de chaleur pour 6 000 roubles. Les prix des produits de marque atteignent 60 000 roubles.Naturellement, la qualité des matériaux dépend aussi du coût. La grille peut être anodisée et ne s'usera pas avec le temps. Dans les modèles coûteux, une auge plus rigide. Cela prolonge la durée de vie et simplifie l'installation des convecteurs au sol.
Le coût de l'échangeur de chaleur doit également inclure les coûts supplémentaires pour les raccords de tuyauterie. Il est probable que des attaches seront également nécessaires - dans les modèles bon marché, les attaches ne sont pas assez femelles. Nous avons écrit ici sur la façon de choisir les raccords pour la tuyauterie d'un radiateur dans un système de chauffage à eau.
Sélection de convecteurs
L'installation d'un convecteur au sol peut sembler un processus assez compliqué. Par conséquent, nous allons tout décrire étape par étape, en commençant par le choix du matériel. Nous pouvons installer des chauffe-eau électriques ou à eau devant les fenêtres panoramiques ou devant la zone d'entrée - tout dépend du type de chauffage principal du bâtiment.
Les convecteurs électriques au sol fonctionnent sur un réseau 220 volts et sont conçus pour chauffer les ménages non raccordés au réseau de gaz. Dans leur conception, le plus souvent, des ventilateurs d'une conception ou d'une autre (axiale ou tangentielle) sont déjà fournis. L'inconvénient des appareils électriques est leur forte consommation d'énergie, mais dans certaines situations, ils sont irremplaçables. Mais seuls les fils sont nécessaires pour les connecter.
Les convecteurs électriques peuvent également être utilisés dans les bâtiments gazéifiés, où il est difficile d'installer le chauffage de l'eau sur le lieu de leur installation.
Installation d'un convecteur à eau installé dans le sol.
Les convecteurs à eau ont une conception similaire - des échangeurs de chaleur sont connectés au système de chauffage. Pour cela, on utilise des tubes en métal ou en plastique, qui nécessitent une certaine compétence pour leur pose. À cet égard, les convecteurs électriques au sol en bénéficient - pour leur installation et leur connexion, seuls des fils d'une section appropriée sont nécessaires.
Lors de la planification de l'installation d'un convecteur au sol, faites attention au choix d'un modèle à convection forcée. Ces appareils présentent les avantages suivants :
- Taux de chauffage plus élevé ;
- Efficacité accrue du travail dans les pièces d'une hauteur sous plafond de 3 mètres;
- Élimination efficace de l'humidité de toute la surface du vitrage.
En choisissant des convecteurs au sol avec des ventilateurs silencieux, vous pouvez augmenter l'efficacité du chauffage et éviter une source de bruit.
Installation et installation du convecteur de sol
Avant d'acheter un convecteur de chauffage au sol, les clients veulent comprendre comment le choisir et comment ils sont généralement installés dans un système de chauffage. Comprenez également comment cet appareil de chauffage est installé dans le sol, comment les caractéristiques doivent être prises en compte afin de choisir le bon convecteur de sol. Nous répondrons à ces questions.
Niche au sol pour le convecteur

Quelles dimensions devraient être la profondeur, la largeur, la longueur de la niche dans le sol? Nous avons analysé les recommandations des fabricants, les conseils de l'installateur et de l'installateur et sommes arrivés aux dimensions de base.
Profondeur de niche - devrait être de 5 à 15 mm. plus de profondeur de la boîte de convecteur elle-même, afin de pouvoir régler et fixer la hauteur de la boîte de convecteur.
Largeur de niche - devrait être de 20-70 mm. plus de profondeur de la boîte de convecteur, afin de pouvoir fixer la boîte avec une solution de fixation.
Longueur du convecteur - doit être 20-70 plus profond que la profondeur de la boîte de convecteur, afin de pouvoir fixer la boîte avec une solution de fixation, ainsi que la possibilité de se connecter au système de chauffage.
En fait, toutes ces dimensions sont conditionnelles, car chaque installateur a sa propre vision de l'installation et, en règle générale, des conditions supplémentaires souvent différentes le font s'écarter des actions recommandées, surtout si vous regardez les vraies photos d'installation sous cette ligne.
Ventilateur plus près d'une fenêtre ou d'une pièce


C'est une question importante, car cela dépend si vous obtenez le transfert de chaleur promis dans le catalogue. Dans 30 % des cas, les clients et les installateurs ne savent pas toujours où doivent se trouver l'échangeur de chaleur et le ventilateur.Différents fabricants ne donnent pas non plus de réponse sans ambiguïté, ils écrivent que dans certains cas, le ventilateur doit être près de la fenêtre si nous voulons chauffer la pièce, dans d'autres cas plus près de la pièce si nous voulons que le convecteur soit un rideau thermique. Si le convecteur de la pièce est la seule source de chauffage, alors
le ventilateur doit être plus proche de la fenêtre et l'échangeur de chaleur plus proche de la pièce... S'il n'y a pas de ventilateur, alors dans les convecteurs où l'échangeur de chaleur n'est pas centré, l'échangeur de chaleur doit être sur le côté de la pièce.
Dans 99% des cas, des convecteurs à convection forcée sont utilisés pour chauffer la pièce, il est donc correct d'installer les ventilateurs sur la fenêtre afin que l'air froid descende naturellement dans le convecteur et soit immédiatement réchauffé par l'échangeur de chaleur.
Raccordement au système de chauffage
Connexion flexible - connexion sur tuyaux flexibles. L'avantage est que dans ce cas il est plus facile de nettoyer le convecteur de sol, il est possible de soulever l'échangeur de chaleur et de l'aspirer. De plus, la commodité de l'installation, à l'aide de tuyaux flexibles, permet de lisser plus facilement les inexactitudes dans les revêtements, car les tuyaux ont tendance à se plier. L'inconvénient de ce système est qu'il y a un risque plus élevé de fuite d'eau, de joints, de tuyaux de mauvaise qualité qui se cassent, etc. Si sur des tuyaux flexibles, alors seulement de la plus haute qualité.
Connexion rigide - connexion directement au tuyau. Dans ce cas, il est plus difficile de nettoyer le convecteur, mais d'un autre côté, l'ensemble du système sera assemblé de manière plus fiable, car il n'y aura pas de déformations et de vibrations de l'ensemble du système.
Connexion électrique
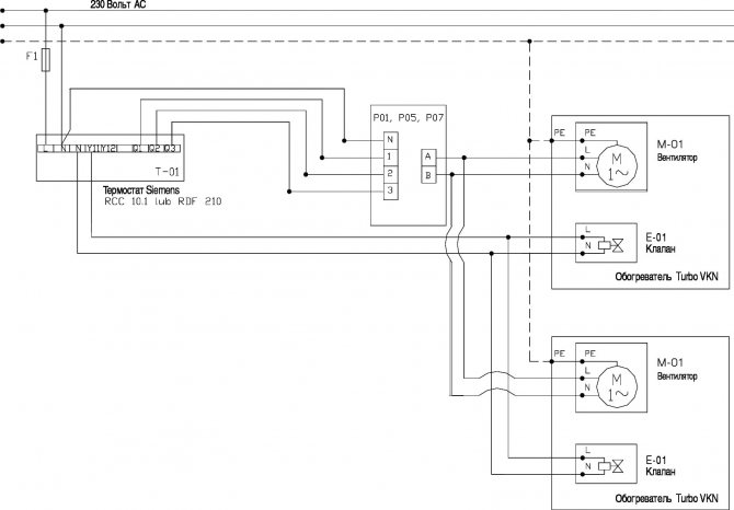
Les convecteurs au sol pour le chauffage de l'eau à convection forcée doivent être connectés à un système 220V.En règle générale, 220V est fourni au transformateur (module, convertisseur), du transformateur 12V, 24V (selon le fabricant et les modèles) sont transmis au ventilateurs situés dans le convecteur. Il est également transmis du transformateur au thermostat d'ambiance. Du thermostat au convecteur. C'est ainsi que les convecteurs de sol avec ventilateurs sont régulés et contrôlés.
Installation et installation du convecteur de sol (vidéo)
L'installation et l'installation du convecteur de sol doivent toujours être effectuées par des spécialistes qualifiés.
Processus d'installation
Dimensions du convecteur au sol et niche pour celui-ci.
Si vous souhaitez effectuer l'installation du convecteur de sol de vos propres mains, nous vous recommandons de réfléchir à l'emplacement de son installation même au stade de la construction du bâtiment - cela facilitera l'organisation d'une niche d'une profondeur appropriée. en outre la niche elle-même doit être 1-1,5 cm plus grande (de chaque côté) que la boîte métallique de l'appareil
... Dans le même temps, vous devez vous assurer que la partie supérieure, où sera située la grille décorative, est au même niveau que le futur revêtement de sol.
Une fois la niche prête, vous pouvez commencer à installer l'équipement. Nous fixons le boîtier du convecteur de sol à l'aide des fixations fournies. Nous vérifions l'exactitude de l'installation à l'aide d'un niveau de bâtiment - le radiateur doit être placé uniformément dans la niche, sans distorsion. L'installation ultérieure implique la connexion au système de chauffage ou au réseau électrique - pour cela, des tuyaux en plastique, des tuyaux flexibles ou des tuyaux métalliques d'un diamètre approprié sont utilisés.
Si vous installez un convecteur d'eau, envisagez des évidements minces et peu profonds pour la tuyauterie / les flexibles. Lors de l'installation de l'appareil, nous vous recommandons de placer les fils de raccordement dans des goulottes ou des tuyaux afin qu'ils puissent être remplacés sans problème. Nous recommandons que les tuyaux d'alimentation avec l'agent de chauffage soient enveloppés dans une isolation thermique.
Les tuyaux des radiateurs seront également chapés.
À l'étape suivante, nous remplissons la chape en béton - notre installation à faire soi-même du convecteur de sol est presque terminée.Le résultat de cette étape devrait être un sol rugueux, avec une boîte en métal dépassant légèrement de celui-ci. Ensuite, nous effectuons le nivellement final du sol, procédons à la pose du revêtement de sol. À la dernière étape, nous plaçons un treillis décoratif au-dessus de la boîte - il est préférable de le ramasser dans le même ton que la couleur du sol.
L'installation à faire soi-même des convecteurs au sol est compliquée par le fait que vous devez choisir la bonne taille de niche - de sorte que le boîtier métallique de l'appareil soit situé à la bonne profondeur. Vous pouvez trouver des recommandations à ce sujet dans les fiches techniques. Pire encore, si vous devez effectuer l'installation dans une maison déjà finie, il n'est pas vrai qu'il sera possible de creuser une niche dans le sous-plancher, car cela peut affecter sa résistance. Dans ce cas, il faudra augmenter la hauteur du sous-plancher dans toutes les pièces.
L'entretien des convecteurs de sol installés est très simple - il suffit de retirer la grille décorative et d'éliminer la poussière accumulée à l'intérieur. N'utilisez pas de détergents agressifs pour cela.
Ecologie de la consommation Manoir : Parmi les différents modes de chauffage d'une maison, le convecteur ne prend à juste titre pas la dernière place. Ses principaux avantages sont que, lors de l'utilisation de cette méthode, il n'est pas nécessaire de créer un projet de système de chauffage complexe, ni de tuyaux ni de chaudières à eau coûteuses.
Parmi les différentes manières de chauffer une maison, le convecteur n'occupe pas à juste titre la dernière place. Ses principaux avantages sont que, lors de l'utilisation de cette méthode, il n'est pas nécessaire de créer un projet de système de chauffage complexe, ni de tuyaux ni de chaudières à eau coûteuses.
Essayons de comprendre ce qu'est le chauffage par convecteur. Comme son nom l'indique, il s'agit d'une méthode de chauffage d'une pièce basée sur la convection d'air à travers la pièce elle-même.
Il résulte des lois de la physique que lorsqu'il est chauffé, l'air chaud monte et l'air froid descend.
Ainsi, il y a une circulation naturelle de l'air et un chauffage progressif de la pièce. C'est ce type de chauffage qui est un moyen de chauffage assez simple, mais en même temps efficace.
Installation et cerclage des batteries dans le sol
La difficulté d'installer un convecteur de sol de vos propres mains est que sa grille affleure le revêtement de sol. Par conséquent, il est extrêmement important d'aligner précisément la cuve de l'échangeur de chaleur en fonction du niveau d'eau. Dans le même temps, il est nécessaire qu'il se tienne fermement, car ils marcheront sur le treillis. L'installation est réalisée dans une niche découpée, une chape est coulée autour du périmètre. Remplir les nuances :
- collez un ruban amortisseur autour du périmètre du boîtier;
- ne retirez pas la grille tant que la solution n'est pas complètement solidifiée.


La grille du convecteur doit affleurer le sol.
Le ruban amortisseur compense la dilatation thermique de la chape et amortit les éventuelles vibrations dues au fonctionnement du ventilateur. Il est impératif que la grille soit insérée dans son logement. Lors de la solidification, la chape peut déformer la goulotte et le treillis ne sera plus du tout là.
Le boîtier comporte des trous pour plusieurs options de connexion, qui dépendent principalement de la position du radiateur par rapport au circuit. En principe, l'option de tuyauterie la plus simple consiste à installer des robinets à tournant sphérique conventionnels pour l'alimentation et le retour. Idéalement, les poignées des robinets doivent pointer vers le bas afin qu'elles ne puissent pas être vues à travers la grille. De plus, dans certains convecteurs, la hauteur de creux n'est pas suffisante pour installer les vannes d'arrêt avec les poignées vers le haut.
Si les électrodes pour le soudage des tuyaux de chauffage sont humides, elles ne peuvent pas être utilisées, du moins tant qu'elles ne sont pas sèches.
Ici, nous avons comparé les tuyaux pour chauffer une maison privée.
La méthode de tuyauterie ci-dessus ne convient pas si vous avez un système de chauffage long avec plusieurs branches de longueurs différentes.Dans ce cas, pour le bon fonctionnement du circuit, un équilibrage est nécessaire, et pour cela, il doit y avoir une vanne d'équilibrage sur le retour radiateur. De plus, les robinets à tournant sphérique ne permettent pas de réguler le degré d'échauffement de la batterie, ce qui est très utile. Par conséquent, une vanne thermostatique doit être installée sur l'alimentation, de préférence en tandem avec une tête thermique ou un servomoteur.
Qu'est-ce qu'un convecteur
Le convecteur est un appareil de chauffage logé dans un boîtier en acier. L'air passant à travers les éléments (nervures) de l'appareil de chauffage monte progressivement vers le haut. Et par le bas, puisque le radiateur est situé dans le boîtier, l'air froid convient.
Grâce à cette conception, la circulation se produit. Au-dessus du corps a une grille pour la sortie d'air chauffé. Dans certains cas, il est équipé de persiennes pour réguler le débit d'air.
Composants du convecteur au sol
Qu'est-ce qu'un convecteur de sol
Il s'agit d'un dispositif de chauffage intégré progressif. Après l'installation, seul le panneau extérieur décoratif reste visible. La particularité de ce schéma réside dans une installation dissimulée, qui offre une efficacité et une esthétique uniques. Cette disposition permet au concepteur de ne pas prêter attention aux appareils de chauffage lors de l'aménagement de l'intérieur, et économise de l'espace utilisable. Pour chauffer des bâtiments avec de grandes fenêtres panoramiques, des façades vitrées, des vitrines - c'est la meilleure solution.
La plus grande quantité de chaleur est perdue à travers les éléments vitrés. Les systèmes de chauffage par le sol créent une barrière d'air chaud dirigé et compensent les pertes de chaleur. La glace, le givre, la condensation ne se forment pas sur le verre, la barrière protège le flux d'air froid.
Que sont les convecteurs
Par le principe de travailler avec des vecteurs énergétiques, il existe un large choix de tels équipements. Mais désormais, la plupart des convecteurs vendus en magasin sont équipés d'un radiateur électrique. Il existe des modèles qui fonctionnent au gaz - des convecteurs à gaz.
Les convecteurs électriques sont les mieux adaptés pour chauffer les appartements en raison de leur taille compacte. Le chauffage par convecteur d'une maison d'été ou d'une maison de campagne est plus rentable à exploiter, en le créant sur la base de convecteurs à gaz - le gaz est beaucoup moins cher. Bien sûr, sous réserve de la disponibilité du gaz dans la maison.
Selon la méthode d'installation, les convecteurs peuvent être divisés en:
- Extérieur;
- Mural;
- Plancher ou plinthe.
- Les convecteurs de sol sont installés au sol, ils peuvent avoir des roues pour se déplacer sur la surface du sol, ou ils peuvent être installés de manière rigide, sans possibilité de mouvement. Photo avec un convecteur au sol ci-dessous.
- Les convecteurs muraux pour le chauffage sont montés directement sur le mur à l'aide de supports spéciaux.
- Le troisième type de convecteurs peut être installé dans le sol ou dans la plinthe.
Exigences pour l'installation d'un convecteur de sol dans un appartement
L'installation des convecteurs de sol s'effectue directement dans les niches du sol. Idéalement, ils sont préparés pendant la phase de construction. Mais, si nécessaire, l'installation peut être effectuée à un stade ultérieur.
Pour installer un convecteur de sol, il est important d'évaluer correctement les dimensions de niche requises. Ils sont calculés par la formule :
Dimensions du convecteur + 25 mm de longueur + 25 mm de largeur + 20 mm de hauteur.
L'installation elle-même doit être installée après la fin de la saison de chauffage, car il est nécessaire de se connecter au système central et à d'autres moments, il est assez difficile d'y accéder.
Dispositif de convecteur
Le convecteur a trois unités principales. Il:
- Logement;
- Élément chauffant;
- Unité de contrôle (thermostat);
Logement
- Le corps des convecteurs modernes est en acier. Avec la plus large sélection d'équipements sur le marché aujourd'hui, vous pouvez facilement trouver une conception d'armoire qui convient à votre espace.
- Les convecteurs muraux, en outre, ont des supports spéciaux (supports) sur le corps, qui vous permettent de retirer le convecteur du mur pour nettoyer les surfaces murales et l'équipement.
- Les convecteurs modernes sur le corps peuvent avoir des persiennes placées à un certain angle pour diriger le flux d'air. Très souvent, ces stores ne sont pas installés sur le dessus du meuble, mais sur le côté.
- Grâce à cette disposition, le flux d'air du convecteur est plus largement réparti dans la pièce et contribue à son chauffage meilleur et plus uniforme.
Conseils. Choisissez un convecteur avec une petite réserve de marche (10-20%) si une pièce d'angle sera chauffée. Puisque la pièce sera sous-chauffée.
Élément chauffant
- En ce qui concerne les convecteurs électriques, on peut dire que des appareils de chauffage y sont installés de différents types. Les convecteurs les moins chers, par exemple, sont équipés de radiateurs en spirale. Ce type d'appareil peut être trouvé dans des modèles peu coûteux. Leur prix est d'environ 30 $ à 50 $.
Le convecteur électrique le plus ordinaire
En raison de la température de chauffage élevée de la spirale (jusqu'à 160 C 0), ils réchauffent rapidement les locaux. Mais ce type de serpentin chauffant est très dangereux. Étant donné que la poussière s'y accumule intensément, de l'eau peut également pénétrer sur l'élément chauffant, ce qui peut finalement provoquer un incendie.
Mais en raison de leur faible coût, les convecteurs avec élément chauffant en spirale sont très populaires. De plus, de nombreuses entreprises montent des ventilateurs sur le boîtier, ce qui, avec la spirale à haute température, rend le chauffage encore plus intense.
- Dans les modèles plus chers, un type de spirale plus sûr, un type à basse température, est monté (la température de chauffage ne dépasse pas 100 C 0).
Le radiateur est un radiateur-diffuseur en aluminium, un tuyau en acier y est monté et un fil chauffant spécial est inséré dans ce tube.
Le corps en aluminium du dissipateur thermique contribue à un chauffage plus efficace. Certains fabricants installent non pas un, mais deux tuyaux de chauffage dans un tel radiateur. Ainsi, vous permettant d'allumer l'unité de chauffage elle-même, à la fois à pleine puissance et à la moitié de sa puissance.
Il convient de noter qu'en raison de la différence de dilatation lors du chauffage de l'aluminium et de l'acier, il y a une destruction progressive de la forte liaison entre le tube chauffant et le boîtier. Au fil du temps, le boîtier du radiateur peut perdre complètement sa connexion au tuyau de chauffage. Cela peut entraîner une surchauffe locale du tube et une défaillance de l'élément chauffant.
Actuellement, les fabricants de convecteurs électriques travaillent activement à des améliorations et tentent d'éliminer cette lacune.
Le radiateur RX-Silence, développé et breveté par NOIROT (France), a une conception actuellement unique.
L'unicité de la solution réside dans le fait qu'un fil chauffant en nichrome est situé dans un boîtier de radiateur en silumin complètement scellé, dans un remplissage compacté de poudre de magnésie.
Les matériaux utilisés ont des coefficients de dilatation similaires. Cette solution permet non seulement de réduire la consommation d'énergie, mais aussi de prolonger la durée de vie du convecteur jusqu'à 15-17 ans.
Commande de convecteur électrique
- L'unité de contrôle la plus primitive utilisée dans les convecteurs est un thermostat monté dans le corps du convecteur. Le thermostat peut être électromécanique ou électronique.
Le premier type de contrôle est le moins cher, et donc le moins précis (l'erreur peut atteindre 2C 0) et le plus bruyant car le capteur bimétallique clique, y compris le réchauffeur. Habituellement, la température dans le thermostat électromécanique est réglée en tournant le bouton avec les valeurs conventionnelles graduées de la puissance du convecteur.
Le thermostat électronique a un fonctionnement plus précis (erreur pas plus de 0,1 C 0) et silencieux du convecteur.De plus, de nombreux fabricants permettent de programmer l'unité de contrôle électronique pour allumer le convecteur dans différents modes, à différentes puissances à différents moments de la journée et du jour de la semaine. De plus, le thermostat électronique vous permet de contrôler le panneau de chauffage lui-même à distance, via une unité de commande et de gestion à distance.
Cette solution vous permet de contrôler un grand nombre (jusqu'à 60 pièces) de convecteurs dans différentes parties de la maison avec un seul bouton. Dans l'unité, vous pouvez régler différents programmes de chauffage intégrés pour chaque pièce séparément ou pour l'ensemble du bâtiment.
- Les leaders du marché des convecteurs « intelligents » sont à juste titre la société française NOIROT et le géant allemand Siemens. Les unités de contrôle dans les convecteurs de ces fabricants vous permettent de contrôler la température même à distance, via le téléphone. Cette fonction vous sera utile lorsque vous aurez besoin de réchauffer la pièce à l'avance.
Les fabricants de convecteurs électriques produisent aujourd'hui des équipements d'une capacité de 0,8 kW à 3,0 kW. La masse peut aller de trois à neuf kilogrammes.
Les convertisseurs électriques modernes produits peuvent être divisés en types:
Les convecteurs hauts, en raison de leur hauteur, créent une convection très active. Un radiateur de moindre puissance est installé dans les convecteurs de la plinthe. Pour maintenir l'efficacité de l'équipement, il est fait le plus long possible (jusqu'à 2,5 m).
En plus des convecteurs électriques, il existe également des convecteurs à gaz. Leur principe de fonctionnement est le même que celui des électriques. Seuls les appareils de chauffage fonctionnent non pas à cause de la spirale, mais à cause de la combustion du gaz.
Le gaz brûle dans une chambre spéciale, les parois de la chambre se réchauffent et dégagent de la chaleur vers le radiateur. Lui, à son tour, chauffe déjà l'air.
Convecteur à gaz
Les convecteurs à gaz n'ont pas de systèmes de contrôle électroniques complexes, mais en raison de l'utilisation de gaz, leur fonctionnement est moins cher que les convecteurs électriques. Mais la complexité de leur installation et les exigences de présence d'une cheminée ne permettent pas leur utilisation dans les appartements.
Il existe de nombreuses vidéos sur Internet qui vous serviront d'exemple d'installation d'un convecteur.
Il n'est pas si difficile de monter un convecteur électrique de vos propres mains.
Pour travailler, vous aurez besoin de très peu d'outils :
Support de montage
Notice d'installation d'un convecteur électrique mural :
- Nous assemblons le convecteur, y attachons les supports;
- Nous appliquons toute la structure au mur, la définissons en fonction du niveau;
- Nous marquons les emplacements d'installation des supports;
- Déconnectez les supports du panneau ;
- Nous appliquons des parenthèses le long des limites définies ;
- Nous marquons les points d'attache (perçage);
- À l'aide d'un marteau perforateur, nous forons des trous aux points marqués;
- À l'aide d'un marteau, enfoncez soigneusement les chevilles dans le mur;
- Nous fixons les supports avec un tournevis ou un tournevis;
- Nous montons le panneau de convecteur sur eux;
- Nous connectons l'équipement à la prise.
Résultats
Le chauffage par convection est une très bonne option pour le chauffage des locaux. Les convecteurs peuvent être recommandés pour une installation aussi bien dans de petits appartements que dans de grandes maisons de campagne. Ils ont de bonnes performances et efficacité. publié
L'utilisation de l'eau comme moyen de chauffage est une idée rentable. De plus en plus, au lieu des batteries habituelles, des convecteurs de chauffage à eau sont installés dans les appartements. Des avantages tels que : sécurité, compacité, design exclusif ne font que contribuer à la popularité croissante des convecteurs.
Caractéristiques de conception
Extérieurement, l'unité est un corps solide rectangulaire, recouvert d'un treillis. La version sur pied ressemble à un petit banc, la version murale est de faible épaisseur et les encastrables ne sont visibles que grâce à la grille.
Le boîtier classique est en acier inoxydable. Mais, compte tenu des caractéristiques de conception des locaux et des souhaits des clients, la carrosserie peut être en bois, en copeaux de marbre ou en panneaux MDF.
Ascétique à l'extérieur, à l'intérieur du convecteur pour le chauffage de l'eau chaude sont plus compliqués. Leur « cœur » est un échangeur de chaleur, qui est un plat en cuivre ou un tube en forme de serpentin. Les lamelles y sont attachées perpendiculairement par la méthode d'ajustement serré.


Le lieu de leur connexion avec le tuyau doit exclure les moindres écarts qui réduisent le transfert de chaleur. Pour la fabrication de plaques, le cuivre est le plus souvent utilisé, il peut y avoir des options en acier et en aluminium, l'essentiel est que la conductivité thermique soit à une hauteur.
Noter! Compte tenu du contact constant avec l'eau, cet élément doit également être résistant à la corrosion. Les métaux non ferreux sont donc préférés.
La connexion à une colonne montante ou à une canalisation centrale s'effectue via des entrées filetées spéciales à l'intérieur, situées à l'extrémité de l'appareil ou sur le côté. Sur les convecteurs à eau de chauffage modernes, des robinets à vanne ou des vannes manuelles / automatiques sont installés pour évacuer l'excès d'air qui nuit au transfert de chaleur.


Si un thermostat / thermostat électronique est inclus, il contrôlera le rythme de fonctionnement de l'unité. Le processus de chauffage s'arrête périodiquement lorsque la température réglée est atteinte et recommence lorsque l'air se refroidit.
Pour améliorer la circulation de l'air, un ventilateur est utilisé, qui est soit déjà intégré, soit il faudra l'acheter.Cet ajout utile (1-2 pièces) se trouve uniquement dans.
Comment la convection vous aide à rester au chaud
Contrairement aux batteries conventionnelles, qui chauffent l'air en émettant de la chaleur par leurs surfaces, les convecteurs à eau chaude fonctionnent différemment. Ils mélangent les masses d'air, remplaçant l'air chaud par de l'air froid et créant une atmosphère agréable. En même temps, il n'y a pas de sécheresse et une odeur désagréable spécifique de poussière brûlée.
L'échangeur de chaleur reçoit l'eau chaude du système de chauffage et chauffe les plaques. Compte tenu de la conductivité thermique du matériau utilisé, comme mentionné ci-dessus, les pièces chauffent très rapidement. À travers les trous de la grille, des masses chaudes s'élèvent sans entrave, déplacées par des masses froides.
Le ventilateur intégré stimule ce processus, et en quelques minutes vous pouvez déjà sentir le résultat. Dans le même temps, l'efficacité augmente à 95%, ce qui rend approprié l'utilisation de convecteurs à eau dans des pièces spacieuses avec de grandes ouvertures de fenêtres et de portes.
Conformément aux exigences de GOST 20849-94, les convecteurs de chauffage à eau doivent avoir la première propriété inhérente - l'étanchéité et la résistance, qui sont vérifiées avec une pression d'eau d'essai de 1,5 MPa. Les éléments chauffants et le boîtier doivent être revêtus d'un composé anti-corrosion résistant à la chaleur.
Entre autres choses, un convecteur de chauffage à eau est relativement peu coûteux, compte tenu de sa popularité croissante. L'installation par des spécialistes d'une structure de mur, de plancher ou de plinthe vous coûtera près de la moitié du prix d'une tranchée. Ce prix est justifié par la complexité des travaux préalables à l'installation d'une niche dans le plancher surélevé.
Brève description des convecteurs typiques
Les caractéristiques techniques des chauffe-eau sont d'une grande importance, c'est sur leur base qu'un modèle de chauffe-eau spécifique est sélectionné.
Les caractéristiques de la plupart des convecteurs typiques se situent dans les limites suivantes :
- la pression maximale admissible pendant le fonctionnement est de 16 bars ;
- test de pression - 25 atm;
- la température de l'eau peut atteindre 130°C ;
- chauffage maximum du boîtier - 60 ° C;
- l'échangeur de chaleur peut être à 4 ou 6 rangées ;
- le volume d'eau dans l'échangeur de chaleur est de 0,7 à 0,9 l;
- débit par heure de 90 à 170 litres;
- puissance de 100 à 200 kW;
- le poids varie de 14 à 21 kg.
Avantages et inconvénients de l'installation de convecteurs au sol dans un appartement
Les structures invisibles intégrées au sol sont une excellente solution intérieure et technologique pour les logements à superficie limitée.Ils sont connectés au système de chauffage central et font un excellent travail avec la fonction de chauffage.
Dignité
- Ne prend pas de place libre dans la pièce. Les convecteurs de sol n'ont pas besoin de décoration ni de camouflage, ils occupent une niche préparée dans le sol et n'encombrent pas l'espace. Contrairement aux radiateurs muraux, qui doivent construire une boîte décorative sur le dessus. De plus, la taille d'un radiateur standard dépend de la taille de la fenêtre, tandis que le convecteur au sol a une certaine taille et une certaine puissance.
- Dissipation uniforme de la chaleur. Considérons immédiatement le point par rapport aux radiateurs muraux et au sol. Ils sont éloignés du sol et dans cet espace, de l'air froid se forme, provoquant un courant d'air. De plus, dans les pièces équipées d'un tel système de chauffage, le niveau de chaleur s'affaiblit progressivement vers la sortie. Les convecteurs au sol distribuent la chaleur uniformément et conduisent l'air du sol au plafond, tout en le réchauffant.
- Le réglage de température le plus précis sans surchauffe. Les convecteurs de chauffage encastrés dans le sol ont une faible inertie. Les modèles à convection forcée ont un contrôleur de température qui peut être actionné à partir d'un système automatisé commun.
- Empêche la condensation sur les fenêtres. Ce problème est très pertinent pour les fenêtres en PVC modernes.
- Nettoyage relativement facile. Les convecteurs muraux ont tendance à se salir. Il est beaucoup plus difficile de dépoussiérer ses interstices, c'est pourquoi la version classique de l'aspiration d'un convecteur de chauffage par le sol est son avantage non négligeable.


désavantages
- La nécessité d'un nettoyage régulier des locaux. La poussière qui s'accumule à l'intérieur du convecteur entre les ventilateurs et l'échangeur de chaleur monte constamment vers le haut. Si vous ne le retirez pas à temps, il sera très désagréable d'être dans la pièce. De plus, une couche dense de poussière réduit le niveau de transfert de chaleur.
- Niveau sonore élevé. Les convecteurs de chauffage au sol classiques ont nécessairement un ventilateur dans leur conception. Les modèles produits plusieurs années auparavant se distinguent des modèles modernes par un bruit accru. Ensuite, ce fait était considéré comme normal et n'avait rien à voir avec l'efficacité du convecteur. Actuellement, les produits sont équipés de ventilateurs tangentiels dont le bruit de fonctionnement accru indique une contamination ou une mauvaise installation (mauvaise fixation, résonance du boîtier, etc.).
- Faible dissipation de chaleur. Disons simplement que ce n'est pas un inconvénient, mais une caractéristique d'un certain type de convecteurs de sol. Les produits obstrués ont un faible transfert de chaleur, ainsi que les modèles à convection naturelle (sans ventilateur). Cependant, comme le montre la pratique, il est assez difficile de déterminer le besoin réel d'un ventilateur dans une pièce particulière. Afin de ne pas vous mettre en désordre, complétez la structure avec un câble d'alimentation pour le ventilateur et le produit lui-même, si nécessaire, peut être connecté séparément. Bien sûr, des éléments supplémentaires dans la conception affecteront le coût - mais ces changements sont mineurs par rapport au besoin potentiel de remplacer le produit. Et le prix d'un convecteur de chauffage à eau encastré dans le sol n'est pas négligeable.
- Installation pendant la construction. En raison de la nécessité d'un travail "sale" assez important lors de l'installation du produit, il est préférable de le faire au stade de la construction ou de la réparation grossière. L'installation selon une carte technologique pré-établie reviendra à peu près au même coût que l'installation de radiateurs de chauffage classiques. Mais il convient de noter que les produits peuvent toujours être montés sur n'importe quel type de revêtement de sol.
- Une autorisation sera requise pour l'installation. Étant donné que la conception d'un immeuble d'appartements comprend l'installation de radiateurs de chauffage muraux, l'autorisation de services spéciaux sera requise pour modifier le système (réorganisation).Vous devrez fournir un projet de réaménagement pour approbation, après avoir obtenu l'autorisation de la commission, effectuer les travaux nécessaires et accepter l'installation.


Travaux d'installation
Les instructions d'installation des chauffe-eau sont simples et consistent en un raccordement à la conduite de chauffage. Les modèles de plancher sont installés en même temps que les modèles de plancher, de mur ou de plinthe peuvent être installés à tout moment.
Le processus d'installation comprend le câblage des câbles électriques, des circuits d'alimentation en liquide de refroidissement, une niche pour le boîtier de l'unité, qui doit affleurer le sol fini. Il vaut mieux confier ce travail à des spécialistes qualifiés.
Noter! Confiez également le calcul de la puissance de l'installation à un spécialiste, si vous n'êtes pas chauffagiste, vous risquez de ne pas prendre en compte, par exemple, les déperditions thermiques lors du calcul du chauffage. Vous aurez besoin d'informations sur la superficie de la pièce, son isolation thermique et la hauteur des plafonds.
Selon l'usage, le convecteur d'eau de chauffage peut remplir 2 fonctions :
- chauffer la pièce - l'appareil est installé loin des ouvertures de fenêtre;
- créer un pare-air pour l'air froid dans la zone de la fenêtre - un radiateur en face de la fenêtre à une distance de 20 à 30 cm.
Un chauffage parfait est obtenu en respectant les conditions préalables à l'installation :
- L'alimentation/évacuation des caloporteurs se fait par des raccords rigides ou souples et des vannes d'isolement
(inclus).
- La niche du convecteur doit être si profonde que le couvercle décoratif de l'appareil affleure le sol fini.
- Les écarts admissibles pour la largeur et la hauteur du convecteur sont de 10 à 15 mm
. - Le convecteur à eau chaude est aligné horizontalement et fixé avec les boulons de réglage.
. - Les interstices sont isolés et scellés avec un matériau spécial
. - Après avoir installé le sol fini, connectez les connexions
(l'électricité est nécessaire s'il y a un ventilateur intégré). - Comblez les espaces restants avec du mastic / matériau de finition, allumez l'appareil et couvrez avec une grille
.


L'installation de radiateurs muraux et plinthes n'a pas tant de nuances et consiste à connecter l'objet au réseau d'alimentation en eau, ce qui est facile à faire de vos propres mains.
Avant de travailler avec un radiateur mural, vous devez retirer la batterie, puis procéder directement à l'installation.
- Au lieu de bouchons de radiateur, vissez sur les manchons deux raccords avec le même diamètre de connexion - généralement 20 mm.
- Fixez le convecteur sur les supports et alignez ses axes de filetage avec les axes de la raclette.
- Enroulez les filets sur le chauffage, enfoncez les raccords sur ceux-ci jusqu'à la butée et serrez les contre-écrous.
- Pour éviter les coups de bélier, lors du démarrage de la colonne montante, ouvrez lentement les vannes.
Noter! Lors de la connexion du modèle de plinthe au réseau de chauffage de la ville, utilisez des tuyaux XLPE en plastique multicouche avec des raccords spéciaux. La deuxième option est la soudure. Cela protégera votre conception contre les astuces avec les changements de température de l'eau et les pics de pression.
Résumer
L'utilisation de convecteurs à eau est la forme de chauffage la moins chère. une variété d'installations vous permet de réchauffer discrètement la pièce sans trop assécher l'air. Les systèmes de contrôle de la température vous permettent de maintenir un seuil thermique constant, économisant ainsi le budget familial.
La vidéo de cet article montrera en détail et de manière accessible le processus d'installation d'un convecteur à eau.
Les convecteurs à gaz sont nettement inférieurs en popularité aux équipements électriques similaires. Tout d'abord parce que l'installation de cet équipement nécessite une alimentation centralisée en gaz, ou au moins en gaz en bouteilles. De plus, les équipements électriques sont plus sûrs. Cependant, le fonctionnement des appareils à gaz est moins cher, c'est pourquoi un convecteur à gaz est une excellente solution pour une maison de campagne ou une maison de campagne, afin de maintenir un climat intérieur normal.Le sujet de l'article d'aujourd'hui: convecteur à gaz à faire soi-même - son installation et son utilisation.
Types de convecteurs au sol
Le choix de l'appareil dépend du type de chauffage principal. Il peut s'agir de convecteurs électriques et à eau.
- Les convecteurs électriques fonctionnent sur une tension alternative de 220 volts et s'utilisent en l'absence de gaz ou de chauffage centralisé. La chaleur des éléments chauffants est évacuée par des ventilateurs tangentiels ou axiaux intégrés. Les convecteurs électriques se caractérisent par une consommation d'énergie élevée et un raccordement facile. Pour travailler, vous n'avez besoin de leur apporter que quelques fils.
- Les convecteurs à eau sont raccordés au système de chauffage existant à l'aide de tuyaux en plastique ou en cuivre. Parfois, leur installation est associée à des travaux supplémentaires. Par conséquent, l'installation de convecteurs à plancher d'eau est une entreprise plus coûteuse et plus laborieuse que l'installation de convecteurs électriques.
Lors du choix d'un appareil de chauffage à eau ou électrique, la préférence doit être donnée aux modèles dans lesquels la convection forcée est fournie. Ils ont trois avantages :
- Grande vitesse de réchauffement de la pièce.
- Travail efficace même dans les pièces avec des plafonds supérieurs à 3 mètres.
- Éliminer la condensation des fenêtres et des portes vitrées.
Pour éviter le bruit pendant le fonctionnement du convecteur, vous pouvez acheter un appareil avec un ventilateur silencieux, dont le fonctionnement est pratiquement inaudible.
Appareil général
Les composants du convecteur à gaz sont :
- Un échangeur de chaleur qui chauffe l'air dans la pièce.
- Le programmateur est un dispositif de maintien et de contrôle de la température de l'air.
- Panneau de commande avec indicateurs.
- Vanne à gaz pour contrôler l'alimentation en gaz.
- Ventilateur - pour fournir de l'air à l'échangeur de chaleur et à la vanne.
- Ventilateur - pour l'alimentation forcée d'air chauffé dans la pièce.
Important! Le principe de fonctionnement est assez simple. Le dispositif est basé sur le phénomène physique de la convection. L'air chauffé monte vers le haut et l'air refroidi descend vers le bas. Les appareils peuvent fonctionner à la fois sur le principe de la convection naturelle et forcée (dans ce cas, l'appareil est équipé d'un ventilateur spécial).
Types de radiateurs au sol
D'emblée, on remarque que l'installation de convecteurs de sol dans une chape ne dépend en aucun cas de son type. Dans ce cas, le principe de fonctionnement des différents échangeurs de chaleur est différent. Il y a deux différences principales - la méthode de circulation d'air :


Conception de convecteur à circulation naturelle.
Les radiateurs à circulation naturelle sont un collecteur en cuivre de deux tubes à ailettes en aluminium, qui est logé dans une goulotte métallique. Dans de telles batteries, l'air se déplace en raison de la différence de température. Comme vous le savez, les courants chauds sont plus légers que les courants froids, ils montent donc.
Dans les convecteurs à circulation forcée, l'air se déplace grâce au fonctionnement du ventilateur tangentiel intégré. Cela ressemble à une roue avec des lames incurvées. C'est calme, mais il y a encore du bruit. Les convecteurs au sol avec ventilateur sont connectés au secteur, une unité de commande avec thermostat y est installée.
Avantages
Les aspects positifs d'un tel appareil de chauffage comprennent:
- Économie, chauffage rapide de la pièce.
- Facilité d'installation, possibilité d'installer un convecteur à gaz de vos propres mains.
- Pas besoin de chauffer l'eau.
- Coût acceptable.
- Contrairement à un appareil électrique, un appareil à gaz ne brûle pas d'oxygène.
- Mode de fonctionnement autonome.
- Il n'y a pas de connexion au secteur.
- Possibilité de connecter l'appareil à une bouteille de gaz.
Classification
Les convecteurs à gaz se divisent principalement selon deux caractéristiques : la puissance et la conception. Avec une puissance plus ou moins claire. Vous devez choisir l'appareil qui peut chauffer la pièce.
Selon la version, ces appareils de chauffage se distinguent:
- Au sol - installé au sol.Aucune compétence particulière n'est requise pour monter l'unité au sol. L'appareil peut chauffer des pièces assez grandes.
Important! Parmi les lacunes, on peut noter une masse importante et la nécessité d'une fondation.
- Mural. C'est une option plus compacte. L'appareil s'intègre parfaitement dans l'intérieur de la maison. Le plus souvent, il est monté au-dessus d'une fenêtre pour créer un rideau thermique d'air froid. La puissance des appareils est faible. Ils conviennent à une utilisation dans des maisons jusqu'à 100 "carrés".
Important! En plus des appareils au sol et muraux, il existe également des appareils encastrables. Ils ont un beau design et non seulement ne gâchent pas, mais décorent également l'intérieur. En termes de paramètres, les convecteurs ne diffèrent pas de la version murale. L'inconvénient est la complexité de l'installation (vous devez préparer une niche à l'avance pour installer un convecteur à gaz de vos propres mains.
Lors du choix d'un convecteur, veillez à faire attention au matériau à partir duquel l'échangeur de chaleur est fabriqué. Il peut s'agir d'acier, de cuivre ou de fonte.
Important! L'option la plus courante est l'acier, mais un échangeur de chaleur en fonte est plus efficace et plus durable. L'échangeur de chaleur en cuivre est efficace et durable, mais le coût de l'appareil est élevé.
Le principe de fonctionnement des convecteurs intégrés
Cet appareil tire son nom du principe de fonctionnement - la convection. Lorsque l'air froid passe à côté de l'échangeur de chaleur de l'unité, il se réchauffe, puis monte et se répand dans la pièce. La portion suivante d'air froid prend sa place et ainsi la circulation se produit. Une fois l'installation des convecteurs de sol terminée, le canal de travail, où se trouvent les échangeurs de chaleur, est recouvert d'une grille décorative. Il provient de différents matériaux et alliages, mais il est préférable de choisir ceux qui peuvent résister à des contraintes suffisantes. Vous pouvez faire attention aux grilles en cuivre ou en acier.
De quoi avez-vous besoin pour installer un convecteur de vos propres mains?
- Percez et percez pour elle.
- Coupe-tuyau.
- Clé à molette, clés.
- Perforateur.
- Omoplate.
- Robinet de gaz.
- Silicone (haute température, sanitaire).
- Tournevis.
- Vis autotaraudeuses, chevilles.
Important! Tout d'abord, vous devez choisir l'endroit où le convecteur sera situé. Ne soyez pas paresseux pour étudier GOST, selon lequel le radiateur sera situé sous la fenêtre. Toutes les surfaces et les meubles doivent être recouverts de textiles, car le travail est assez « poussiéreux ».
Avantages et inconvénients des convecteurs au sol
De nos jours, il est à la mode d'installer des fenêtres panoramiques. La majeure partie de la chaleur de la pièce sort par le verre, de la même manière que le froid pénètre dans la pièce. C'est pourquoi les batteries sont principalement installées sous la fenêtre - pour créer un rideau thermique. Seuls les convecteurs au sol conviennent aux fenêtres panoramiques. Les dimensions doivent être choisies de manière à ce que l'échangeur de chaleur couvre toute l'ouverture.
Le principal avantage est qu'ils créent un rideau thermique pour les fenêtres panoramiques et ne gâchent pas la vue.
Les inconvénients incluent la méthode de chauffage par convection, dont la circulation d'air fait partie intégrante. Dans ce cas, toute la poussière accumulée dans le bac à batterie est évacuée. En fait, il est très nocif. Un séjour constant dans une pièce poussiéreuse peut provoquer l'apparition de maladies respiratoires, allant jusqu'à l'asthme. Par conséquent, n'oubliez pas de nettoyer l'échangeur de chaleur et le plus souvent sera le mieux. Pour ce faire, il suffit de soulever le grillage de protection et d'enlever tous les débris avec un aspirateur.
Comment faire un convecteur de vos propres mains: algorithme d'installation:
- Décidez de l'emplacement du trou pour le tuyau de gaz.
- Percez un trou dans le mur en fonction du diamètre de la cheminée. La perceuse à percussion est parfaite pour cela.
Important! C'est l'étape la plus chronophage des travaux. Le trou devra être percé suffisamment grand et plus de poussière apparaîtra que nous ne le souhaiterions.
- Percez des trous pour fixer le radiateur, enfoncez-y des chevilles.
- Raccordez une cheminée au convecteur, scellez le joint avec du silicone.
- Fixez le radiateur au mur avec des vis autotaraudeuses.
Important! A ce stade, vous ne pouvez pas vous passer d'un assistant, car l'appareil est assez lourd.
Installation de convecteurs encastrables
Avant d'installer le convecteur de sol, il est important de prendre soin du site d'installation à l'avance et de préparer une niche pour cela. Il doit être soigneusement coupé dans le sol. Lors de l'installation du convecteur au plafond, il est impératif de prendre en compte ses dimensions et l'épaisseur de la dalle de béton. En montant le dispositif le long des poutres, la procédure est grandement simplifiée. Vous devez également vous rappeler d'installer la grille du convecteur et examiner attentivement son emplacement.
Vous avez donc acheté un convecteur Technoheat et choisi le site d'installation. Son installation sera décrite ci-dessous.
- Tout d'abord, vous devez découper une niche dans le sol des tailles suivantes, mais pas moins : 80 mm (L) * 40 mm (L) * 5-25 mm (P). Le dernier paramètre dépend de la qualité de la surface de montage.
- Préparez les fixations et les boulons de réglage inclus dans le kit.
- Si nécessaire, placez une isolation phonique et une couche isolante entre la surface de montage et le corps du convecteur, puis placez l'appareil à l'endroit préparé.
- Ensuite, fixez son corps.
- Raccordez les tuyaux de chauffage T1 (départ) et T2 (retour) aux raccords filetés de 0,5". Pour les convecteurs encastrables type KB3B, les raccordements électriques doivent être effectués. Après cela, il est nécessaire de couvrir les connexions électriques et hydrauliques avec un couvercle de protection.
- Par la suite, l'air de l'échangeur de chaleur devra être retiré.
- Si des travaux de construction sont effectués dans la pièce où le convecteur de sol doit être installé, il est nécessaire de protéger l'appareil de la pénétration de gros débris pendant un certain temps jusqu'à ce qu'ils soient terminés. Après cela, vous devez nettoyer l'appareil.
- Le schéma d'installation du convecteur montre qu'à la fin de tous les travaux il est impératif d'installer une grille décorative.
Recommandation : « Si vous prévoyez de monter l'appareil près de la fenêtre, isolez le côté de l'appareil le plus proche, ainsi que le bas lui-même. Ceci afin d'éviter la formation de condensation.















