L'organisation de l'approvisionnement individuel en gaz donne beaucoup d'avantages au propriétaire d'une maison privée, supprimant sa dépendance aux communications centrales. En outre, de nombreuses régions du pays à ce jour ne disposent pas d'une couverture complète avec la gazéification principale. Dans ce cas, il reste à réfléchir aux méthodes et moyens de stockage du carburant explosif et donc exigeant. La solution la plus rationnelle et la plus avantageuse financièrement est un réservoir d'essence. Ce que c'est? C'est un réservoir volumineux qui peut stocker une quantité impressionnante de gaz, suffisante pour l'entretien à long terme de la maison.

Nomination du matériel
Le gasholder est utilisé comme source de substances gazeuses. D'une part, il agit comme une installation de stockage, et d'autre part, comme un conteneur à partir duquel du carburant est fourni pour alimenter l'équipement cible. Les installations les plus courantes pour les systèmes de chauffage. C'est à ces fins que les chaudières à gaz et les réservoirs de chaudières, ainsi que les cuisinières, sont le plus souvent utilisés. Les moyens de livraison sont les pipelines et les communications adjacentes avec les appareils de plomberie. Dans le même temps, le gaz pour le gasholder peut être différent, mais c'est à des fins domestiques que le butane et le propane sont le plus souvent utilisés.
Types de réservoirs d'essence
Selon le type d'installation, ainsi que les performances, les réservoirs de gaz, qui peuvent être commandés sur le site Web https://www.npommz.ru/emkosti-dlja-gaza, sont divisés en cinq types principaux:
- terrestre
- sous la terre
- verticale
- horizontal
- mobile
Les réservoirs d'essence au sol sont des types de réservoirs d'essence très populaires. L'avantage est la possibilité d'une installation relativement facile, qui ne nécessite pas de gros travaux préparatoires spéciaux. Convient pour une utilisation uniquement dans les régions aux climats chauds et doux.
Souterrain - le type de réservoir d'essence le plus courant. Malgré la grande quantité de travail préparatoire, l'utilisation est autorisée quelle que soit la température. Convient au travail dans tous les climats


Vertical - un excellent choix lorsqu'il est situé dans une petite zone et utilisé pour chauffer une petite maison ou un chalet d'été.
Les horizontales sont les plus populaires. En raison du grand plan d'évaporation, ils ont la productivité la plus élevée. Souvent utilisé pour connecter plusieurs maisons de campagne ou de campagne en même temps.
Les réservoirs mobiles sont les plus simples. Ils sont montés sur une remorque standard. Ils peuvent être utilisés périodiquement - au besoin.
Dispositif d'équipement
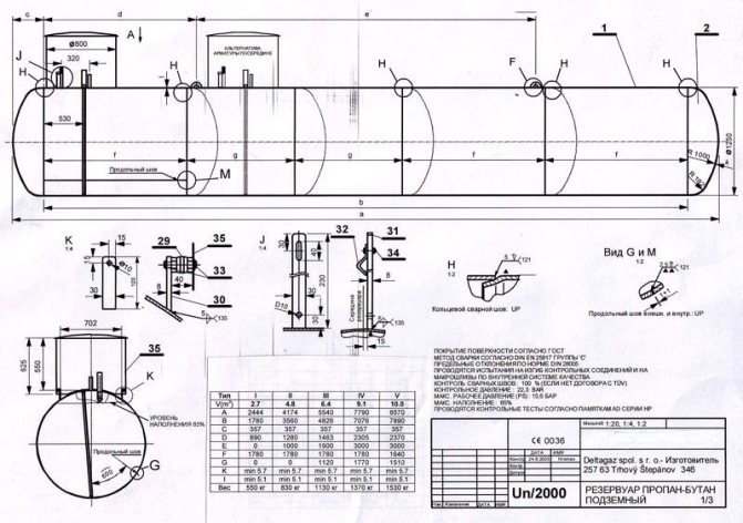
La conception traditionnelle est un récipient d'une seule pièce, dont la partie supérieure ne fournit qu'une seule ouverture technologique - le col. Plus il est élevé, plus la protection du corps principal contre les influences climatiques est efficace. Par le col, le mélange de carburant est rempli et prélevé du récipient. Les caractéristiques de l'appareil incluent les matériaux utilisés pour le gasholder. Qu'est-ce que c'est d'un point de vue technique? La construction des modèles domestiques est composée principalement d'acier avec de rares inclusions de matériaux caoutchoutés, qui offrent un degré d'étanchéité suffisant. Les réservoirs de gaz domestiques sont principalement à base d'alliages d'acier faiblement allié 17G1S et 09G2S.Les faces extérieures sont nécessairement traitées avec des composés anticorrosion constitués de substances polyuréthanes, de bitume et de mélanges époxy.


Les processus de travail et le contrôle des équipements sont effectués par des vannes d'arrêt et de contrôle. Sa composition peut varier, mais même le réservoir d'essence le plus simple pour une maison comprendra des vannes de sécurité et de remplissage, des capteurs de niveau de remplissage, un réducteur de régulation, etc. Les modèles coûteux prévoient la présence de l'automatisation avec des manomètres de haute précision et un contrôle programmé.
Caractéristiques du réservoir
Les principales caractéristiques techniques et opérationnelles comprennent l'épaisseur de la paroi, la température de fonctionnement, la pression et le volume maintenus. Habituellement, une tôle d'acier d'une épaisseur de 7 à 10 mm est utilisée dans la fabrication. Il convient de garder à l'esprit que les modèles de la norme européenne peuvent avoir des indicateurs plus bas - environ 5-6 mm. Mais les parois minces ne sont pas conçues pour stocker des mélanges de gaz domestiques. Le propane-butane liquéfié sans traitement spécial est plus susceptible d'être utilisé pour un réservoir de gaz dans les régions russes, par conséquent, les exigences en matière de fiabilité structurelle augmentent. La plage de température dépend également de la région d'utilisation. En règle générale, les fabricants fournissent des boîtiers avec des revêtements antigel évalués pour –40 ° C.
En ce qui concerne le volume et la pression, ces indicateurs sont interdépendants. Pour un usage domestique, il est recommandé d'acheter un réservoir capable de corriger la pression jusqu'à 16 atm. Le volume du gasholder sera de 2 000 à 5 000 litres. Il existe également des modèles ménagers d'une capacité de plus de 10 000 litres, mais en raison de leur taille, ces installations de stockage de gaz sont rarement utilisées.
Les autres équipements doivent également être de haute qualité
Les économies de coûts de qualité se font au détriment des perturbations et d'énormes coûts de réparation et d'entretien. Ce principe s'applique également aux équipements supplémentaires.
L'absence de piège à condensats, dont sont équipés tous les réservoirs de gaz AvtonomGaz, entraînera au mieux un arrêt de l'approvisionnement en gaz par temps froid. Dans le pire des cas, cela peut provoquer un incendie.
Un gazoduc en polyéthylène de qualité PE 80 devra être remplacé dans moins de dix ans. Il n'est pas conçu pour fonctionner avec du propane-butane et se détériore rapidement. Contrairement à d'autres entreprises, AvtonomGaz installe un gazoduc en polyéthylène PE 100, qui coûte un peu plus cher, mais ne nécessite pas de réparations cinq fois plus longtemps.
Une dalle creuse en béton ordinaire ne peut pas être utilisée pour installer un support de gaz. Dans cinq ans, il s'effondrera et le réservoir «flottera». Nous avons besoin d'une dalle massive de béton résistant aux acides et aux alcalis - c'est exactement ce qu'utilise AvtonomGaz.
Un autre détail important est le joint de dilatation. Cela permet d'éviter d'endommager le gazoduc si, en raison du soulèvement du sol, la maison s'est levée ou un âne. AvtonomGaz le définit toujours, alors que d'autres entreprises l'ignorent souvent.
Variétés de modèles


Les réservoirs peuvent être installés horizontalement ou verticalement. La méthode de localisation détermine les caractéristiques de la conception du logement La différence est que les modèles verticaux prennent moins de place mais ont des exigences de sécurité plus élevées. S'il y a un niveau élevé d'eau souterraine sur le site, il est préférable d'utiliser une structure de réservoir de gaz horizontale. Les examens indiquent que dans ce cas, une excavation profonde n'est pas nécessaire et le risque d'inondation de l'équipement sera minimisé. Mais en revanche, une grande zone de stockage devra être dégagée.
Distinguer les conceptions et le type d'occurrence. Cette classification s'applique également aux modèles horizontaux qui peuvent être complètement immergés dans le sol ou installés en surface.De plus, les différences d'approches affectent à la fois l'ergonomie de la commande et les nuances de la maintenance - il suffit de noter les spécificités du support technique d'un réservoir d'essence souterrain. Qu'est-ce que c'est en pratique? Il s'agit d'un équipement qui devra être déterré une fois par an ou plusieurs années pour un large éventail de paramètres techniques et physiques - de l'étanchéité à la qualité des revêtements de protection. Et à cet égard, les modèles au sol sont beaucoup plus attractifs en termes de coûts de maintenance et de facilité de gestion.
Réservoir d'essence mobile pour chalets d'été
Parfois, il est difficile de justifier l'installation d'un réservoir de gaz souterrain permanent dans le pays. Est-ce nécessaire si vous devez chauffer la datcha non pas tout l'hiver, mais uniquement le week-end? Dois-je acheter un réservoir de gaz souterrain si l'on sait que dans quelques années, la datcha sera raccordée au gaz naturel et qu'elle ne sera plus nécessaire? Improbable.
En revanche, vous ne voulez pas non plus avoir froid ou tripoter du bois de chauffage, pas le week-end, ou encore plus pendant plusieurs années.
Juste pour ce cas, les ingénieurs d'AvtonomGaz ont développé une remorque-citerne à gaz mobile. Il coûte à partir de 135 mille roubles, c'est-à-dire beaucoup moins cher qu'un réservoir d'essence souterrain permanent. Et si le besoin disparaît, il peut toujours être vendu.
Un réservoir d'essence mobile est en fait une grosse bouteille de gaz montée sur les roues d'une remorque de voiture. Cependant, contrairement aux bouteilles de gaz conventionnelles, il est chauffé. Cela lui permet de travailler sans interruption à tout moment de l'année.
Un réservoir d'essence mobile n'est pas aussi spacieux qu'un réservoir souterrain. Son volume est de 600 litres. Cette quantité de gaz liquéfié est suffisante pour chauffer une datcha d'une superficie de cent mètres carrés pendant un mois. Après cela, le réservoir d'essence mobile devra être attaché à la voiture et se rendre à la station-service la plus proche.
Installation d'un réservoir d'essence


Quelle que soit la méthode de placement, la structure nécessitera une plate-forme de support. Ce sera une sorte de fondation qui peut être réalisée sous forme de chape ou utiliser des dalles en béton armé d'une épaisseur de 15 à 20 cm Sur cette plate-forme, avec le support d'un équipement spécial, le réservoir est monté par soudage sur des crémaillères métalliques. En variante, l'installation du gasholder peut être réalisée sans dispositifs de maintien sur un tampon composite isolé, qui est spécialement sélectionné pour la taille d'un conteneur particulier. Cette solution est avantageuse en ce qu'elle ne nécessite pas de découper les crémaillères métalliques lors du démontage. Ensuite, les opérations de plomberie sont effectuées sous la forme de la pose d'une canalisation et de l'installation d'un piège à condensats. Au stade final, une vanne de régulation est installée dans une partie du col.
Inconvénients des réservoirs d'essence
- L'inconvénient le plus important réside dans les exigences relatives à la taille du site. Dans certains cas, par exemple, six acres d'une résidence d'été, l'installation d'un réservoir d'essence, à l'exception d'un mini et d'un mobile, est impossible. Et ces volumes peuvent ne pas être suffisants pendant longtemps, et le ravitaillement devra être fait très souvent.
- Dans les réservoirs de gaz verticaux, il y a une petite zone d'évaporation de gaz, il est donc nécessaire d'utiliser le chauffage à l'électricité, ce qui entraîne une augmentation des coûts de chauffage.
Maintenant, vous connaissez tous les réservoirs d'essence. Lequel choisir vous appartient en fonction de vos préférences et de vos besoins.
- le principal
- >
- Des articles
- >
- Installation d'un réservoir d'essence dans une maison privée: instructions d'installation, prix estimé
Installation d'un réservoir d'essence dans une maison privée: instructions d'installation, prix estimé
Ainsi, vous avez déjà décidé de la marque et du type de réservoir d'essence pour votre maison privée, sélectionné un fournisseur et signé un contrat. (Si vous êtes au stade de la prise de décision, nous vous recommandons de lire l'article "Quel réservoir d'essence choisir: russe ou européen")
Mais pour devenir l'heureux propriétaire d'un système d'alimentation en gaz autonome et se débarrasser à jamais du mal de tête, une bonne capacité de gaz liquéfié ne suffit pas!
Un fonctionnement ininterrompu, efficace et sûr du système sera assuré par une installation de haute qualité.
Étapes de l'installation du réservoir d'essence:
- Terrassements
- Installation de la fondation
- Fixation du réservoir d'essence à la fondation
- Pose d'un gazoduc dans la maison
- Installation de la tuyauterie interne à la chaudière, au poêle et aux autres éléments nécessaires
- Remplissage de la fosse
- Mise en service
L'ensemble du cycle de travail d'installation d'un réservoir d'essence dans une datcha, un site ou un village de chalets prend de 1 à 3 jours.
1. Travaux de terrain - 1 jour 2. Installation et raccordement du réservoir de gaz - 1 jour 3. Les travaux de terrain et l'installation peuvent être effectués en 1 jour.
Les conditions météorologiques peuvent également affecter le temps d'installation, surtout si les travaux sont effectués en hiver.
Comment se déroule le ravitaillement du réservoir d'essence?
Les réserves de carburant sont reconstituées, en moyenne, une fois tous les 2-3 ans. De plus, ce service doit être commandé lorsque le niveau de gaz résiduel dans le réservoir est d'environ 20-25%. Le ravitaillement est effectué directement par des machines spéciales équipées de tuyaux de 30 à 40 m de long.L'ensemble du processus comprend les étapes suivantes:
- Nettoyer la zone autour de l'équipement et préparer le cou.
- Vérification des données de l'équipement de mesure indiquant le niveau de remplissage exact.
- Raccordement des buses du réservoir au tuyau de l'équipement spécial.
- Remise à zéro des compteurs de l'automatisation de mesure.
- Alimentation en carburant et remplissage du réservoir de gaz avec le support de pompes ou d'un groupe compresseur.
- Élimination des résidus de gaz en soufflant les canaux avec de l'air comprimé.
- Démontage de l'équipement connecté.
Dans le temps, toute la procédure prend en moyenne 30 à 60 minutes. Cela dépend de la technologie d'injection de carburant et de la capacité du gasholder. Les commentaires des propriétaires d'équipement indiquent qu'il est moins coûteux de commander de gros volumes en une seule commande. Par exemple, remplir 30% coûtera environ 20 à 22 roubles. pour 1 litre et 70% - respectivement 15-17 roubles.
Fabricants et prix


Sur le marché des équipements d'ingénierie, les réservoirs d'essence sont présentés dans différents segments, y compris la classe économique, le groupe intermédiaire et la catégorie premium. Les fabricants les plus importants sont Spetsgaz, Real Invest, Chemet, Calor, VPS et Kadatec. Les deux premières sociétés représentent des entreprises nationales, tandis que les autres représentent la Pologne et la République tchèque. Comme indiqué précédemment, les produits russes sont préférables en raison de leur adaptation à la région d'utilisation cible, mais les entreprises européennes fabriquent des modèles selon des normes de qualité plus strictes. La question du prix peut aider à résoudre le problème du choix - combien coûte un réservoir d'essence? Les modèles russes de 2000 à 2500 litres sont estimés entre 130 et 150 000 roubles. Les produits importés d'un niveau similaire sont disponibles pour 170-200 mille.
Calcul des paramètres du modèle
Avant de prendre la décision finale sur l'achat d'un réservoir d'essence, vous devez décider des caractéristiques spécifiques. Pour cela, tout d'abord, la consommation moyenne de gaz est estimée. Si des bouteilles étaient utilisées auparavant, l'indicateur mensuel moyen de leur volume est multiplié par 12. En outre, la superficie d'un chalet ou d'une maison est divisée par 10 (puissance approximative de la chaudière en kW). Si la superficie est de 120 m2, la chaudière cible est de 12 kW. En conséquence, vous devez choisir un réservoir de gaz pour une maison d'un volume capable de desservir une unité de chauffage de la capacité spécifiée, tout en conservant un stock plusieurs mois ou années à l'avance (par exemple, avec une consommation de 500 litres par an) . Ici, la fréquence optimale de remplissage du réservoir est également calculée du point de vue des économies financières et de la faisabilité technique.
Choisir un réservoir d'essence pour un chalet d'été
En fonction de la superficie du chalet d'été, pour le territoire européen, il est nécessaire d'utiliser des réservoirs de gaz souterrains avec une disposition verticale ou horizontale.
Avantages des réservoirs de gaz souterrains horizontaux:
- haute performance
- grand volume de remplissage
- ne nécessitent pas de dispositifs supplémentaires pour maintenir une évaporation efficace
L'utilisation de ce type de réservoirs à gaz se justifie par l'utilisation constante de grands volumes de gaz combustible.
Pour une petite maison de campagne (jusqu'à 200 m2), il sera tout à fait suffisant de monter un réservoir d'essence vertical avec un emplacement souterrain.
Malgré la productivité relativement faible, ce type de dispositif permet de s'affranchir de l'utilisation de dispositifs supplémentaires pour maintenir une pression constante dans la ligne, et pour augmenter le volume de ravitaillement, plusieurs réservoirs de gaz peuvent être utilisés reliés à un réducteur.
Voici le principe standard pour calculer la quantité de consommation de gaz pour chauffer une maison de campagne d'une superficie de 50 mètres carrés:
- la consommation mensuelle moyenne de gaz varie de 3 à 4 litres par m². Carrés
- d'ici 6 mois, il faudra de 18 à 24 litres d'essence par unité de surface
- le volume total sera, respectivement, de 900 à 1200 litres
Lors du choix d'un réservoir de gaz, il est nécessaire de prendre en compte que ces calculs sont approximatifs.Par conséquent, pour assurer un fonctionnement efficace, il est nécessaire de prendre un stock de 10 à 20% du volume (en particulier pour les réservoirs de gaz situés horizontalement en raison de les caractéristiques de conception).























