Une autre classification
Pour certains, des types spéciaux d'éléments sont fabriqués. Qu'est-ce qu'une bride spéciale? Il s'agit du même matériel, mais pour faciliter le travail, leur conception est légèrement modifiée. Ils peuvent également être soudés, lâches, coulés, filetés. Ce n'est que sur eux que des rainures ou des projections sont soudées. Pour leur fabrication, tout d'abord, des dessins spéciaux sont développés et des moules sont coulés. Un tel matériel est fabriqué sur ordre des entreprises.
De loin, d'énormes et longues conduites principales (gaz, eau, pétrole, vapeur) semblent être des conduites pleines et continues. Mais cela vaut la peine de se rapprocher et les joints des tuyaux deviennent visibles. C'est là que se trouve la réponse à la question de savoir ce que sont les brides. Ils sont différents: rondes et carrées, brides à collerette en acier plat soudées ou en acier. Mais tous sont très importants pour assurer la sécurité des pipelines.
Fabrication de brides
Différentes nuances d'acier sont utilisées pour la fabrication: 13XFA, 20 / 09G2S, 12X18H10T, 15X5 M et autres. De plus, ils peuvent être en acier ou en acier inoxydable. La technologie utilisée est différente. Les fabricants utilisent le forgeage, l'estampage, le moulage. Pour chaque méthode, un équipement et des formulaires spéciaux sont utilisés. Lors de la sortie de leurs produits, les fabricants vérifient soigneusement leur qualité. En appliquant des tests spéciaux dans leur travail, les employés du service de contrôle qualité vérifient leur solidité et leur fiabilité. Les brides sont également testées pour leur résistance à l'humidité.
Ce que c'est? Puisqu'il s'agit de fixations et qu'ils participent à l'assemblage de pièces métalliques susceptibles d'entrer en contact avec l'eau, il est important qu'elles ne se corrodent pas. C'est pourquoi des alliages métalliques étanches sont utilisés.
Les fabricants recouvrent souvent la surface de la bride d'une couche de protection supplémentaire.
Matériaux et technologie des brides
Pour la fabrication de brides en acier et en fonte, on utilise:
- acier ─ carbone, faiblement allié, résistant à la chaleur, résistant à la corrosion;
- fonderie ─ en acier allié, fortement allié et non allié;
- fonte grise ─ SCH 15, SCH 20;
- fonte malléable ─ KCH 30-6;
- fonte ductile ─ VCh 40, VCh 45.
La technologie de fabrication des brides doit garantir le strict respect de leurs dimensions géométriques et de leurs propriétés mécaniques.
Les brides des types 01, 02, 03, 04 peuvent être en tôle. À condition que des soudures à pénétration complète soient effectuées sur toute la section transversale, ces types de brides peuvent être soudés. Les brides de type 11 (acier soudées bout à bout) ne doivent pas être en tôle. Ils sont fabriqués à partir de pièces forgées ou de flans estampés.
Les brides fabriquées par travail à chaud des métaux par pression - forgeage, laminage, emboutissage - sont entièrement conformes aux exigences d'exploitation modernes. Des résultats particulièrement bons sont obtenus avec la fabrication de brides par emboutissage à chaud et traitement thermique ultérieur. Les pièces forgées estampées à chaud sont aujourd'hui le principal type d'ébauches pour les brides de vannes de canalisation. Cette technologie est particulièrement pertinente dans la fabrication de brides soudées bout à bout en acier.
Étant moins sujettes à la déformation, les brides en fonte conservent mieux leur forme que les brides en acier, mais nécessitent une manipulation plus soigneuse, compte tenu de la fragilité relative. Ainsi, le serrage des raccords à bride des raccords en fonte doit être effectué avec soin afin qu'un zèle excessif n'entraîne pas une rupture de la bride.
Hauteur de projection
Si vous regardez le dessin d'une bride en acier, il a plusieurs paramètres, y compris la hauteur de la saillie. Il est désigné par les lettres H et B, il peut être mesuré dans tous les types de produits, à l'exception de celui qui a un joint à recouvrement. Les points suivants doivent être rappelés:
- les modèles avec les classes de pression 150 et 300 auront une hauteur de saillie de 1,6 mm;
- les modèles avec les classes de pression 400, 600 900, 1500 et 2000 ont une hauteur d'épaule de 6,4 mm.

Avec rebord et dépression
Dans le premier cas, les fournisseurs et les fabricants de pièces prennent en compte la surface de la saillie, dans le second cas, la surface de la saillie n'est pas incluse dans le paramètre spécifié. Dans les brochures partielles, ces chiffres peuvent être indiqués en pouces, où 1,6 mm correspond à 1/16 de pouce et 6,4 mm à ¼ de pouce.
Pression de service
Il s'agit de la pression avec laquelle un liquide (gaz, vapeur, etc.) est transporté dans le système. Par conséquent, plus la pression de service dans le système est élevée, plus les caractéristiques de résistance sont élevées, il est nécessaire de choisir des fixations. À leur tour, les caractéristiques de résistance requises des fixations sont assurées par le choix correct du matériau, des modes de traitement thermique, etc. Ainsi, dans la plage de température de -40 à + 400 ° C, et à des pressions allant jusqu'à 100 kgf / cm2, il est recommandé d'utiliser des fixations en acier 35, tandis qu'une augmentation de la pression jusqu'à 200 kgf / cm2 nécessite l'utilisation de fixations en acier 20X13.
Géométrie et densité des produits
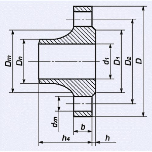
Un paramètre important qui détermine la géométrie est l'alésage nominal des produits. Comme déjà noté, il est désigné par les lettres "DN" et possède des indicateurs de 10 à 200. Cela concerne le choix de la pièce souhaitée: lorsque l'utilisateur connaît DN, toutes les autres dimensions sont attribuées automatiquement à la bride. Par exemple, pour un modèle DN 50, la hauteur d'indentation sera de 57-59; DN 80 ce chiffre est 89-91, et DN 100 - 108-110, où le premier chiffre indique le diamètre intérieur du tuyau ou du tuyau de dérivation, et le second indique le diamètre extérieur.


Dessin de bride plate
Un autre indicateur important est le poids des brides. Cela dépend non seulement des volumes, des dimensions et de la hauteur, mais aussi de sa géométrie, matériau de fabrication. Il convient de donner un exemple: une bride selon GOST 12820-80 avec DN 100 d'un type plat a un poids de 2,85 kg, tandis qu'une bride du même diamètre, mais un type de collier selon GOST 12821-80, a un poids de 4,4 kg. Cela signifie que les brides de collier sont plus lourdes que les pièces plates.
Brides et GOST
L'impressionnante variété de brides ne se transforme pas en chaos; au contraire, elle est structurée et ordonnée. Les conceptions, les versions, les tailles standard des brides, ainsi que les exigences techniques générales les concernant, les matériaux utilisés pour leur fabrication, les méthodes de fixation sont standardisées.
Actuellement, la norme nationale de la Fédération de Russie "GOST 33259-2015 Brides de raccords, raccords et canalisations pour une pression nominale jusqu'à PN 250. Conception, dimensions et exigences techniques générales" est en vigueur, qui a remplacé les GOST précédemment utilisés:
- GOST 12815-80. Brides de raccords, raccords et canalisations pour PN de 0,1 à 20,0 MPa (de 1 à 200 kgf / cm2). Les types. Dimensions de raccordement et dimensions des surfaces d'étanchéité;
- GOST 12816-80. Brides de raccords, raccords et canalisations pour PN de 0,1 à 20,0 MPa (de 1 à 200 kgf / cm2). Exigences techniques générales;
- GOST 12817-80. Brides en fonte grise pour PN de 0,1 à 1,6 MPa (de 1 à 16 kgf / cm2). Conception et dimensions;
- GOST 12818-80. Brides en fonte ductile pour PN de 1,6 à 4,0 MPa (de 16 à 40 kgf / cm2). Conception et dimensions;
- GOST 12819-80. Brides en acier moulé pour PN de 1,6 à 20,0 MPa (de 16 à 200 kgf / cm2). Conception et dimensions;
- GOST 12820-80. Brides soudées plates en acier pour PN de 0,1 à 2,5 MPa (de 1 à 25 kgf / cm2). Conception et dimensions;
- GOST 12821-80. Brides en acier soudées bout à bout sur PN de 0,1 à 20,0 MPa (de 1 à 200 kgf / cm2). Conception et dimensions;
- GOST 12822-80. Brides en acier desserrées sur la bague soudée pour PN de 0,1 à 2,5 MPa (de 1 à 25 kgf / cm2). Conception et dimensions.
Que sont les brides
Ils sont généralement utilisés par paires. En termes simples, il s'agit d'une attache ronde ou carrée dans laquelle un tuyau ou un autre élément de tuyauterie est inséré. Le tuyau suivant est inséré dans l'autre bride, après quoi les deux attaches sont boulonnées ensemble. Pour cela, un grand nombre de trous sont prévus le long du périmètre extérieur de la pièce.D'autres types de produits sont placés au bout du tuyau. La jonction du tuyau et de la bride est soudée. Ainsi, il s'agit d'un élément de liaison pour les pipelines, les réservoirs, les cuves, les puits, les appareils, etc. Pour cela, vous devez également sélectionner les fixations de bride appropriées (boulons, écrous, rondelles, goujons), dont le type et la résistance dépendent tous directement de la même pression, température et type de fluide transporté.
Qu'est-ce qu'une bride et comment ça marche
Le concept de bride comprend non seulement une partie des appareils de plomberie, mais également une méthode de fixation des tuyaux, qui est utilisée dans la pratique dans tous les secteurs industriels. Les joints à brides des tuyaux en acier se caractérisent par leur étanchéité et leur résistance.


Dans ce cas, la connexion est réductible. Et cela signifie qu'après le retrait, vous pouvez effectuer tous les travaux de réparation nécessaires et réutiliser la section de l'autoroute. Les raccords à brides pour tuyaux en acier sont sélectionnés en fonction de l'objectif du réseau, tout en tenant compte de divers types de brides fabriquées à partir de différents matériaux.
Avec une grande variété d'options en acier, les principaux types de structures suivants sont distingués:
- Options d'intercommunication. Ils sont utilisés avec succès pour prolonger la longueur du pipeline.
- Brides d'obturation. Il s'agit d'une version sans issue de ces détails.
Il s'avère que les brides sont des pièces de connexion qui sont installées dans un réseau à longue durée de vie et dans des conduites haute pression à l'intérieur, mais les connexions monolithiques par soudage sont appelées plus prioritaires.
Le mouvement du fluide à travers le pipeline avant le début des travaux d'installation est suspendu et n'est activé qu'après l'arrêt complet des actions. Dans le même temps, une attention particulière est portée à la pression; il est recommandé d'augmenter progressivement sa charge sur cette pièce.
Description des raccords à bride isolante, objectif IFS.
Un joint à bride isolante est une structure souvent utilisée dans les canalisations, constituée de trois brides, entre lesquelles un joint en paronite PON-B est utilisé comme mastic isolant. Les brides sont reliées les unes aux autres à l'aide de goujons, qui à leur tour sont également isolés de la bride à l'aide de douilles en fluoroplastique. La conception de connexion à bride isolante comprend également trois vis pour connecter les instruments électriques.
Un joint à bride isolante est un élément de pipeline conçu pour protéger le pipeline des courants parasites - ce que l'on appelle la corrosion électrochimique. Le problème de la corrosion électrochimique est aigu dans l'exploitation des pipelines souterrains. Les courants parasites, pénétrant dans des tuyaux qui n'ont pas d'isolation fiable, sont sûrs à l'entrée, mais créent une zone anodique dangereuse à la sortie, dans laquelle le métal est progressivement détruit sous l'influence d'un courant électrique. Par la suite, des fissures peuvent apparaître dans le système, ce qui peut entraîner des fuites et des accidents dans le système de canalisations.
Dans la production d'IFS, des ardoises en acier 09g2s, des joints et des bagues en fluoroplastique, du matériel en acier 40x (selon GOST 12816) sont utilisés.
Cas où l'IFS est installé:
• aux embranchements des tronçons de pipeline à partir du pipeline principal;
• à proximité d'objets de sources probables de courants parasites, ces objets peuvent être des sous-stations électriques, des dépôts de tramway, des bases de réparation;
• lors de l'installation du pipeline si ses parties sont constituées de métaux différents;
• déconnecter un pipeline isolé de diverses structures potentiellement dangereuses ou à l'entrée de ces installations;
• à la sortie du réseau pipelinier du territoire du fournisseur et à son entrée sur le territoire du consommateur;
• sur les sections verticales surélevées des entrées et sorties des points de distribution de gaz et des stations de distribution de gaz.
Une connexion à bride isolante est constituée de deux brides fabriquées conformément à GOST 12820-80 ou GOST 12821-80.
Dans la conception dans laquelle des brides selon GOST 12820-80 sont utilisées, pour assurer un assemblage non séparable des connexions, lors de l'assemblage des connexions, des tuyaux en acier sont soudés aux brides. Cela permet de souder les joints sans crainte de surchauffe, de perte d'étanchéité ou de perte de propriétés d'isolation électrique.
En quoi consiste une connexion à bride?
Un kit de joint simple se compose de deux brides identiques avec des trous centraux correspondant aux diamètres du tuyau, un joint, un jeu de boulons ou goujons avec écrous et rondelles. S'il est nécessaire de protéger le pipeline des courants parasites, des traversées isolantes sont placées sur les boulons et le joint est installé à partir d'un matériau diélectrique. Si la pression dans la canalisation ne dépasse pas 2,5 MPa, les brides sont serrées avec des boulons. Les goujons répartissent la force de serrage plus uniformément et sont plus pratiques pour travailler dans des endroits peu pratiques. Les raccords à brides cloutés sont utilisés à des pressions allant jusqu'à 4 MPa.


Raccords à bride isolante sur le gazoduc
Magasin d'entrepôt central et zone d'assemblage
pos. Ridge, st. Spoutnik / st. Kurgan, 330-37-01, 246-53-78
LLC "Stroykomplekt" est un fabricant certifié d'IFS (raccordement isolant de gazoducs, raccordement à bride isolante). Le certificat de conformité n ° С-RU.AE56.B.00987 TP 0681219 a été délivré par l'organisme de certification. Valable du 06/06/2011 au 05/06/2016. ...
Une commande spéciale est possible pour la fabrication de composants et IFS (raccordement à bride isolante, raccordement isolant de gazoducs) avec DN jusqu'à 300.
IFS (joint à bride isolante), joint isolant de gazoducs) est une connexion fermement étanche de deux sections de la canalisation, qui, au moyen d'un joint et de traversées électriquement isolants, empêche le passage du courant électrique le long de la canalisation. IFS (raccordement à bride isolante, raccordement isolant de gazoducs) se compose de trois brides. Un joint en paronite PON-B a été utilisé entre eux comme mastic-isolant. La connexion des brides est assurée par des broches, qui sont isolées de la bride par des coussinets en plastique fluoré. Trois vis sont prévues pour le raccordement d'instruments de mesure électriques dans la version IFS (raccordement à bride isolante, raccordement isolant de gazoducs).
Caractéristiques techniques:
Pression nominale du fluide (PN) 10, 16, 25 kgf / cm2 Température du fluide: de -30 à 250 ° С Résistance à une tension de 1 kV, pas moins de 5 MΩ
Conforme au certificat GOST 12816-80 n ° ROSS RU.AYU96.B03259 du 04/12/05 Licence n ° AYu96.V00415 du 05/07/01
Fig.1 Raccord à bride isolante
Description technique:
IFS (joint isolant de gazoducs, joint à bride isolante) est une connexion fermement étanche de deux sections de la canalisation, qui, au moyen d'un joint isolant électriquement et de traversées, empêche le passage du courant électrique le long du pipeline. La conception de l'IFS (raccordement isolant de gazoducs, raccordement à bride isolante) est illustrée à la Fig.1. IFS (raccordement isolant de gazoducs, raccordement à bride isolante) se compose de trois brides (pos.1 et 3). Un joint en paronite PON-B (item 5) est utilisé comme joint entre eux. Le raccordement des brides (pos.1 et 3) est fixé par un goujon (pos.4), qui est isolé de la bride (pos.1) par une douille en plastique fluoré (pos. 2). Pour connecter les instruments de mesure électriques dans la conception IFS (raccordement isolant de gazoducs, raccordement à bride isolante), trois vis sont fournies (élément 6).
Classes de pression de bride
Les pièces fabriquées selon les normes Asme (Asni) sont toujours caractérisées par un certain nombre de paramètres. L'un de ces paramètres est la pression nominale. Dans ce cas, le diamètre du produit doit correspondre à sa pression conformément aux échantillons établis.Le diamètre nominal est indiqué par une combinaison des lettres «ДУ» ou «DN», après quoi il y a un nombre qui caractérise le diamètre lui-même. La pression nominale est mesurée en "RU" ou "PN".


Dessin de bride avec différentes désignations
Les classes de pression du système américain correspondent à la conversion en MPa:
- 150 psi - 1,03 MPa;
- 300 psi - 2,07 MPa;
- 400 psi - 2,76 MPa;
- 600 psi - 4,14 MPa;
- 900 psi - 6,21 MPa;
- 1500 psi - 10,34 MPa;
- 2000 psi - 13,79 MPa;
- 3000 psi - 20,68 MPa.
Traduit de MPa, chaque classe indiquera la pression de la bride en kgf / cm². La classe de pression détermine où la pièce sélectionnée sera utilisée.
Désignation de la bride
Désignation des brides à souder plates
Bride 1-450-10 st. 20 GOST 12820-80 - c'est la désignation d'une bride plate conventionnelle de la version 1 (avec une saillie de raccordement) avec un alésage nominal de 450 mm, conçue pour une pression nominale de 10 kgf / cm2 ou 1 MPa en acier 20.
Et si la bride est carrée, avec DN 1200 en acier 3, alors: Bride carrée 1-1200-10 st. 3 GOST 12820-80.
Lors de la commande de brides d'un diamètre nominal de DN 100, 125 et 150 m, la lettre du diamètre de tuyau correspondant est indiquée.
Lors de la commande de brides de conception à rainure à tenon pour joints en fluoroplastique, la lettre F. est placée après les numéros de pression nominale.
Désignation des brides de col - soudure bout à bout
Bride 1-1000-100 st. 12x18n10t GOST 12821-80 - bride à collerette version 1, diamètre nominal Ä 1000 mm, PN 10 MPa ou 100 kgf / cm2, en acier inoxydable.
Bride carrée 1-800-10 st. 12x18n10t GOST 12821-80 - si carré. Et ici Du 800, et Ru 1 MPa.
Et si l'exécution est épine-rainure, la lettre F. est ajoutée.
Désignation de la bride desserrée
Bride 125-6 st.3sp GOST 12822-80 - DN 125, PN 0.6 MPa, acier 3 SP.
Bride carrée 400-6 st. 15хн GOST 12822-80. Ici, l'alésage nominal est de 400 mm et l'acier 15XM.
Parce que un anneau soudé est utilisé par paire, alors il est noté comme suit:
Bague 1-400-6 Art. 15XM GOST 12822-80 - version 1, DN 400 mm.
Lors de la commande de diamètres 100, 125, 150, vous devez ajouter la lettre dont vous avez besoin. Et lors de la commande d'une bride pour joints fluoroplastiques, rainure épine, la lettre F. est ajoutée.
Nous avons donc regardé comment les principaux types de brides sont indiqués
et vous pouvez passer à la question suivante, je pense que c'est très important. Et il s'agit de savoir comment acheter des brides, où voir le prix et peut-être voir la liste de prix avec l'assortiment, la disponibilité et les prix.
Variétés de bride
Sur le site officiel de notre société, un catalogue virtuel est présenté, dans lequel tous les raccords vendus sont placés selon des sections thématiques. Dans celui-ci, une place distincte est attribuée aux brides, qui diffèrent les unes des autres non seulement par la modification, mais également par les paramètres suivants:
- par la méthode d'installation;
- par champ d'application;
- sur les matériaux qui ont été utilisés dans leur fabrication;
- par les paramètres de fonctionnement.
Des brides plates et à collerette sont disponibles pour nos clients aujourd'hui. Ils sont activement utilisés par des entités commerciales spécialisées dans la production et l'extraction de minéraux.
Caractéristiques des brides de collier
Dans le processus de fabrication de brides à collerette, les fabricants utilisent de l'acier à haute résistance de diverses marques comme matière première principale. Les produits finis sont capables de résister à une pression de 1 à 10 MPa et peuvent être utilisés à différentes températures de fonctionnement, par conséquent, ils sont classés comme suit:
- nuances d'acier n ° 20 et 25 - la bride remplira les fonctions qui lui sont assignées à des températures allant jusqu'à - 30 degrés;
- nuances d'acier de construction - les brides peuvent être utilisées à des températures extrêmement basses jusqu'à - 70 degrés.
Les caractéristiques de conception des brides de collier incluent la présence de saillies tronquées sur leur surface. La fonction de cet élément est de fournir une connexion de tuyau hermétique.
Capacités techniques des brides plates
Les brides plates sont fabriquées dans un environnement de production avec des équipements de haute technologie et des normes techniques modernes. Les produits finis sont entièrement conformes aux normes et standards de l'État, et sont vendus à la vente avec la documentation d'accompagnement et les certificats pertinents.L'objectif principal des brides plates est de fournir des raccords de tuyauterie détachables lors de l'installation de conduites et d'unités de commande pour vannes d'arrêt et systèmes. Il convient de noter que, malgré la possibilité de démontage rapide de telles brides, leur utilisation garantit la connexion la plus étroite pour les communications d'ingénierie. Ces raccords sont capables de remplir leurs fonctions pendant de nombreuses décennies dans une large plage de températures: de + 300 à - 70 degrés. Les visiteurs du site Web de la société TK Engineering ont accès à diverses modifications de brides plates en acier, qui sont des types suivants:
- résistant à la chaleur;
- inoxydable;
- allié, etc.
Nous proposons également:
Brides plates en acier
De quoi sont-ils faits?
Les brides sont en acier. En fonction de la pression de service, de la température et du type de fluide transporté (vapeur, gaz, huile, eau), ils sont produits soit à partir d'un alliage spécial, soit à partir de qualités conventionnelles de carbone et d'acier inoxydable.
Types principaux:
- les brides à souder plates classiques sont les plus courantes;
- les brides de collier en acier sont plus durables et confortables;
- pour l'installation dans des endroits difficiles d'accès, une bride libre sur l'anneau soudé est le plus souvent utilisée;
- brides non standard, qui sont fabriquées selon des dessins individuels pour une commande spécifique.
Considérez les options de produits les plus populaires.
Méthodes de montage et portée
Le choix des composants dépend des tuyaux utilisés. Dans la plupart des cas, différents matériaux sont utilisés pour les tuyaux et les brides. Les raccords à brides, quel que soit leur type, se composent de plusieurs éléments de base:
- La bride elle-même.
- Attaches supplémentaires - rondelles, goujons, écrous, etc.
- Joints qui offrent des performances d'imperméabilisation supérieures.
En raison de qualités telles que la commodité et la facilité d'installation, la facilité de modification et de réparation et la polyvalence d'utilisation, ces composants sont largement utilisés pour l'installation de pipelines dans une grande variété d'industries et dans toutes les conditions.
Lors du choix de la bonne option, vous devez tenir compte des facteurs suivants:
- Pression de service. Cet indicateur dépend de la pression sous laquelle le fluide souhaité est transporté à travers le tuyau. En conséquence, plus cet indicateur est élevé, plus les fixations doivent être durables.
- Température. L'un des facteurs les plus importants. Le matériau et la marque de la fixation sont choisis à partir de la température de l'environnement dans lequel le pipeline sera situé.
- Mercredi. Ceci est influencé par des facteurs tels que la température, ainsi que par les indicateurs chimiques de l'espace - agressifs ou non agressifs. En fonction de cela, l'option souhaitée est sélectionnée, qui aura la résistance nécessaire à l'impact de ces facteurs négatifs.
- Indicateur de diamètre de fil. Toutes les brides ont deux diamètres de filetage - interne et externe. Les données peuvent être en millimètres ou en pouces, selon la situation et les réglementations applicables.
- Pas de filetage. Détermine la distance entre les différents sommets de filetage. Fondamentalement, il y a de grandes et petites étapes. Dans la plupart des cas, ces indicateurs sont déterminés par les réglementations nationales, mais lors de l'utilisation de conceptions non standard, des exceptions sont possibles.
- Longueur des boulons et des goujons. Données qui sont directement indiquées lors de la commande d'une option spécifique.
- Enrobage. Pour protéger les éléments de fixation des effets négatifs de divers facteurs, un revêtement protecteur est en outre utilisé avec l'utilisation de zinc, de chrome, de nickel ou d'autres options.


La prise en compte de tous ces facteurs vous permet d'obtenir la meilleure option qui garantira une fixation fiable du pipeline dans des conditions spécifiques.
Types de brides
Ainsi, une bride est, avant tout, un matériel. Selon l'application, ces pièces peuvent être plates, à collerette, libres.Le design n'est pas très différent. Les brides du collier ont une petite saillie en forme de cône. On l'appelle souvent un collier. Ce type de bride est utilisé lorsque des pièces doivent être soudées bout à bout. Cette saillie permet de connecter étroitement les raccords de tuyauterie ensemble. Ils sont également nécessaires lorsque les pipelines sont fournis à des réservoirs ou à d'autres équipements techniques. Le principal avantage de ces brides est qu'elles peuvent être utilisées plusieurs fois. Ces quincailleries sont faites de matériaux durables, ce qui leur permet d'être utilisées dans des travaux où la température varie de -253 à +600 degrés Celsius.


Qu'est-ce qu'une bride plate? C'est un matériel qui ressemble à un disque plat avec des trous. Il est utilisé lorsque vous devez connecter des pièces de raccords, d'arbres, de cuves, de canalisations, de dispositifs, etc. Avec cet élément, vous pouvez fixer étroitement des parties des pipelines.
Bride desserrée - qu'est-ce que c'est? Ce point de vue n'est pas très différent de ceux énumérés ci-dessus. Il se compose de deux parties: une bride régulière et une bague
Il est important qu'ils soient fabriqués dans le même matériau et aient le même diamètre et la même pression. Ils sont utilisés là où le travail est le plus difficile, là où l'installation est difficile.
En raison des deux parties, la connexion sera étroite et solide. Tout d'abord, une bride conventionnelle est connectée (elle est soudée), puis l'autre anneau peut ensuite être tourné en toute sécurité pendant le fonctionnement.
Comment une connexion à bride est-elle réalisée?
Lorsqu'il est nécessaire de connecter deux parties du pipeline, le soudage d'une bride en acier au tuyau est utilisé. Une telle fixation s'appelle une connexion à bride et permet à l'avenir de démonter la canalisation pour effectuer des réparations. Pour comprendre comment l'assemblage se déroule, vous devez examiner le processus en détail:
- Pour joindre deux éléments, des pièces plates sont utilisées qui ont un trou au centre où l'extrémité du tuyau est insérée.
- Il y a des trous le long du périmètre de la bague - des attaches y sont insérées: des boulons ou des goujons avec des écrous.
- La connexion sera détachable afin qu'elle soit scellée à l'aide de joints. Un raccordement à bride est conçu pour joindre deux tuyaux ou connecter un tuyau à un réservoir équipé d'un tuyau d'entrée à bride.


Exemple illustratif d'une connexion à bride
La bride peut être fabriquée de vos propres mains - un tel détail est parfait pour un taille-crayon pour une machine à affûter des objets.
Outils de fabrication composés
Pour connecter indépendamment deux parties de tuyau, vous devez préparer des outils. Fondamentalement, il s'agit d'un équipement conçu pour serrer des assemblages boulonnés autour de la circonférence des brides:
- clé manuelle;
- clé clé;
- clé à chocs pneumatique;
- clé dynamométrique hydraulique;
- type hydraulique de tendeur de boulon.


Amarrage sur les tuyaux
De plus, un lubrifiant spécial sera nécessaire, qui sera appliqué sur les deux surfaces pour éviter les frottements entre les pièces et assurer la légèreté du couple. La séquence de travail est simple: d'abord, serrez le premier boulon, puis serrez celui qui est en diagonale à 180 degrés du premier. Ensuite, ils vont au boulon situé à un angle de 90 degrés par rapport au second et de celui-ci à l'opposé.
Conseils des maîtres
Il existe un certain nombre de recommandations utiles d'artisans professionnels qui vous aideront à faire face à une connexion à bride du premier coup:
- Si les pièces ont 4 trous, les boulons doivent être serrés en croix.
- La surface de la structure doit être dégraissée et vérifiée pour la corrosion et la rouille.
- Il est recommandé de n'utiliser que des joints neufs et ils doivent être installés strictement au centre.
- Le couple de serrage des boulons doit être uniforme - c'est le seul moyen de garantir une connexion de bride fiable et étanche.


Tuyaux connectés avec brides
Afin de retirer la bride à l'avenir, des machines spéciales sont utilisées qui aident à l'aléser et à desserrer les boulons. Il est difficile de retirer les pièces manuellement, c'est pourquoi des outils pneumatiques sont utilisés.
Le raccordement de tuyaux avec des brides est un moyen pratique et fiable de joindre deux parties. Il aide à l'avenir à effectuer la réparation de la canalisation en retirant les éléments de connexion, tandis que le soudage ne permettra pas d'effectuer cette procédure. Il est sélectionné en fonction des conditions de travail, de la température et du diamètre du tuyau.
description générale
Pour connecter deux tuyaux, des brides sont utilisées, qui sont un anneau plat (la bride peut avoir une autre forme, par exemple un cadre carré). Au centre de la pièce se trouve un trou dans lequel l'extrémité du tuyau est insérée.


Le long du contour du «cadre», il y a un nombre pair de trous de montage pour le montage des fixations. Pour la fixation, des boulons ou des goujons avec écrous peuvent être utilisés.
Lors de l'utilisation de brides, les joints sont fendus. Pour que la connexion soit scellée, des joints d'étanchéité sont installés. Les brides sont utilisées pour joindre des tuyaux les uns aux autres, ainsi que pour connecter un tuyau à un réservoir qui a un tuyau d'entrée auquel la bride est soudée.
De quoi est faite la pièce
Dans l'industrie, des brides en acier sont utilisées, mais l'acier à partir duquel la pièce est fabriquée varie également. Le marquage des brides en acier déterminera dans quelles conditions il est préférable d'utiliser une pièce donnée:
- L'acier 20 est la matière première la plus utilisée. Il s'agit d'acier au carbone, les pièces qui en sont composées sont utilisées pour assembler des raccords sur les autoroutes, où la température extérieure n'est pas inférieure à -40 degrés et les indicateurs internes ne sont pas supérieurs à +475 degrés.
- Acier 09g2s - acier d'alliages de nickel, de chrome et de molybdène, destiné au soudage. Les produits fabriqués à partir de ce matériau peuvent être utilisés à une température extérieure de –70 degrés.
- 12Х18Н10Т - acier cryogénique. Les pièces en ce matériau peuvent être utilisées dans des environnements agressifs, par exemple avec des alcalis et des acides. La température autorisée est de - 196 degrés à +350 degrés.
- 10Х17Н13М2Т - acier ordinaire résistant à la corrosion. Les fixations de celui-ci sont utilisées dans des conditions particulièrement extrêmes, car elles restent résistantes à la corrosion sous contrainte. Températures de travail de -196 à +600 degrés.
- 15Х5М - acier faiblement allié résistant à la chaleur. Ces produits ont une résistance élevée à l'oxydation à des températures de + 600 à 650 degrés.
Ces marques sont les plus utilisées, cependant, les fabricants utilisent d'autres matières premières en plus d'elles. Il existe des modèles en polypropylène - ils sont conçus pour assembler des tuyaux en polypropylène avec des vannes métalliques. La température de fonctionnement d'un tel matériau est beaucoup plus basse - +80 degrés. Un collier pour bride peut leur être vendu dans un ensemble - une pièce spéciale pour créer une connexion à bride en polypropylène.


Bride en polypropylène
En plus de l'acier et du propylène, deux types de fonte sont utilisés: malléable et grise. Les pièces en fonte ductile sont utilisées à des températures de fonctionnement de -30 à +400 degrés et en fonte grise à des températures de -15 à +300 degrés.
Raccords à bride isolante
Ainsi, il n'absorbe pas simultanément l'humidité et évite le passage du courant électrique à travers la canalisation. Parfois, les joints sont également en plastique fluoroplastique ou en vinyle. L'IFS contient également des tirants, des coussinets en polyamide, des rondelles et des écrous. Grâce à ces ferrures, les brides sont tirées ensemble et fixées dans cette position. Commandez uniquement notre production de brides.
En général, les raccords à bride isolante sont la fixation solide de deux éléments de canalisation.Un joint isolant électrique y joue un rôle important, ce qui permet d'exclure l'entrée de courant électrique dans la canalisation. En moyenne, la résistance d'une connexion à bride isolante est d'au moins 1000 ohms.
Conception caractéristique
Une bride est un disque métallique rond ou, moins communément, carré avec un plan perforé. Un ensemble de raccords de ce type comprend:
- disques appariés;
- boulons et écrous pour la fixation et le serrage de ces plans;
- un joint en paronite, en fluoroplastique ou en graphite expansé thermiquement, assurant l'étanchéité.


Brides en plastique pour tuyaux en PVC
Les disques à collerette fournis à l'utilisateur final sous la forme dans laquelle ils sont sortis de la machine à emboutir peuvent être soit lisses, soit présenter des encoches caractéristiques. Ce modèle offre une étanchéité élevée requise pour un fonctionnement sans problème des conduites d'eau et de gaz. Les éléments suivants peuvent être appliqués aux disques par paires:
- pointes et rainures;
- saillies et dépressions correspondantes.
Des conceptions séparées prévoient des évidements pour des joints de différents types et formes. Les raccords à bride isolante des conduites de gaz nécessitent un contrôle de qualité particulièrement soigné de cet élément.
Les dimensions et le nombre de trous de boulons sont définis par le fabricant conformément à GOST. La fixation des raccords au tuyau lui-même se fait généralement avec une machine à souder. Certains types de raccords de tuyaux à bride peuvent également être fixés à l'aide du filetage appliqué sur le disque à bride de l'intérieur. Les experts notent que dans les structures de ce type, l'avantage de la résistance des connexions à bride est pratiquement perdu.


Bride de soudage et tube en acier


