N'oubliez pas l'importance de respecter les règles de sécurité !
Peu importe si vous allez travailler avec une prise ou avec un interrupteur, rappelez-vous que nous parlons d'électricité. Par conséquent, il est nécessaire de travailler avec, en respectant toutes les règles de sécurité et en disposant d'un équipement spécial. Si vous n'avez pas confiance en vos capacités, il est préférable de confier le processus à des professionnels dans leur domaine.
Important! Tous les travaux avec le câblage doivent être effectués uniquement dans des conditions d'électricité déconnectée. En règle générale, il y a une machine automatique à l'entrée ou même dans l'appartement, où cela peut être fait pour une pièce ou pour tout l'appartement dans son ensemble.

Effets
Si vous utilisez la méthode parallèle de connexion de la prise, certaines fonctionnalités apparaissent :
- en raison du fait que deux consommateurs seront impliqués (la prise elle-même et le dispositif d'éclairage), une surchauffe des fils et la survenue d'une urgence sont possibles ;
- il n'y a aucun moyen de connecter des appareils puissants;
- au moment où le système est allumé, il est possible de réduire la tension et l'arrêt à court terme d'autres appareils électriques.
Dans le cas où si vous ne vous connectez pas, mais que vous remplacez par une prise, tous les défauts sont dans une certaine mesure nivelés, cependant, de telles solutions ne doivent être utilisées qu'après réflexion et avec certaines compétences et expérience dans le travail électrique.
Quand de telles actions pourraient-elles être nécessaires?
- Parfois, des consommateurs supplémentaires d'électricité apparaissent dans la pièce, et nous sommes obligés de chercher un moyen de les alimenter. Dans le même temps, nous ne pouvons pas utiliser les prises existantes chargées d'appareils électriques ;
- Une ou plusieurs prises de la pièce sont cassées. Parfois, le point de connexion défaillant était le seul, et dans ce cas, l'une des sorties serait de créer une prise exactement à partir du commutateur.
Important! Conduire la sortie de l'interrupteur, bien qu'une procédure autorisée par les règles, reste une solution temporaire au problème. Par la suite, cette affectation doit être ramenée à la répartition d'origine.
L'appareil d'un réseau électrique d'appartement ou de maison
Pour déterminer s'il est possible de conduire une prise à partir du commutateur, vous devez avoir une bonne idée de la structure du réseau électrique domestique. Comprendre sa conception détermine la possibilité de faire des modifications.
Le schéma principal du réseau électrique de l'appartement
Le chemin du câblage de l'appartement commence à partir du panneau d'entrée, qui est alimenté par un câble provenant du réseau électrique externe de la maison. Il y a un dispositif de panneau à l'entrée de la maison ou à la porte d'entrée de l'appartement. À l'intérieur, il y a un interrupteur automatique auquel l'alimentation est fournie par le câble. Dans les maisons de construction soviétique, dans lesquelles le réseau électrique n'a pas été mis à jour depuis longtemps, les disjoncteurs remplissent les fonctions d'un appareil automatique. Les câbles de l'interrupteur du panneau sont dirigés vers le compteur électrique puis vers chacune des machines desservant le groupe. Les groupes ne communiquent pas entre eux et leur nombre est déterminé par le nombre de charges présentes dans l'appartement. Ils peuvent être distingués selon des critères tels que la facilité de mise en place ou le type de charge utilisée. Une règle stricte est la séparation des appareils situés dans les pièces d'habitation et de ceux de la cuisine et de la salle de bain, selon les différents groupes de groupe. A partir de chacune des machines, des câbles passent dans des boîtiers de distribution (un ou plusieurs), auxquels sont connectés les interrupteurs d'éclairage et les prises de courant de l'appartement. Cette conception optimise le service public et masque les réseaux publics.


Branchement des interrupteurs et des prises
Pour imaginer comment connecter correctement la prise au commutateur ou au réseau, vous devez vous rappeler les instructions des règles d'installation électrique. Ils constatent que le processus de branchement nécessite trois câbles avec des fonctions différentes. Pour simplifier la détermination visuelle des fonctions des fils, ils doivent différer les uns des autres par la couleur du matériau isolant (en pratique, les électriciens ignorent parfois cette règle).
Lors de la connexion de la prise, utilisez les câbles suivants :
- Phase, dont la fonction est d'alimenter la prise desservie, en y transportant un courant électrique. C'est le seul fil dont la couleur d'isolation n'est pas réglementée par la réglementation : l'essentiel est qu'il diffère des couleurs des deux autres câbles.
- Fil neutre gainé de bleu ou bleu clair. Comme la phase, dans la boîte de jonction, elle est connectée aux contacts d'alimentation de la prise.
- La mise à la terre, dont le rôle est de protéger les résidents contre les chocs électriques en touchant le corps d'un appareil électrique, ainsi que d'éviter les situations de court-circuit. Son matériau isolant est jaune ou vert. Le câblage est connecté aux contacts spéciaux de la prise, réservés à la mise à la terre.
Il est pratiqué de combiner des sockets entre eux avec une connexion parallèle au réseau ou série. Dans la première variante, chacun des éléments combinés reste indépendant.
Dans le cas de la connexion du commutateur, seuls deux câbles sont nécessaires, et les deux sont en phase. L'un est placé à l'entrée de l'appareil connecté et connecté à la phase de la ligne de groupe. L'autre est conduit de la sortie de l'interrupteur d'éclairage à la boîte de jonction et connecté à la phase du dispositif d'éclairage. Le fil neutre de ce dernier doit être amené dans le coffret, en contournant l'interrupteur, jusqu'au câble d'alimentation.
De quels outils avons-nous besoin ?
La liste des outils n'est pas très longue : un tournevis indicateur, une douille (en savoir plus sur les achats ci-dessous), une pince (la présence d'une poignée en caoutchouc est extrêmement importante), ainsi qu'un fil adapté à cela. Dans le même temps, pour des raisons de sécurité, il est préférable d'acheter également des gants caoutchoutés. Eh bien, si le travail est effectué sans couper le courant (ce qui doit être évité de toutes les manières possibles), le tapis en caoutchouc sous les pieds deviendra également un facteur critique.


Changer le but du point électrique et connecter l'un de l'autre
Connaissant les particularités de la connexion des appareils de prise et des boîtiers de commande d'éclairage, vous pouvez remplacer un élément par un autre ou établir une connexion entre eux. Lors de tout travail de connexion, vous devez d'abord mettre hors tension cette ligne, ainsi que les câbles des lignes voisines, qui peuvent être accidentellement touchés.
Remplacement de la prise par un interrupteur
De toutes les opérations surveillées, c'est la procédure la plus simple. Après avoir retiré l'ancienne prise, il reste une trinité de câbles - phase, zéro et masse. Il est nécessaire d'identifier chacun des éléments par la couleur de l'enroulement de protection. Pour plus de fiabilité, vous devez utiliser un multimètre (il pourra afficher la phase - le câble à travers lequel le courant circule lorsqu'il est connecté aux sondes de l'appareil), car lors des travaux d'installation, la régulation des couleurs du câblage est parfois ignoré. Dans les appartements de l'ancien schéma, où la modernisation du réseau électrique n'a pas été effectuée, au lieu de trois conducteurs, il y en aura très probablement deux (phase et zéro), car la mise à la terre n'était presque jamais utilisée auparavant.
Après avoir déterminé quel fil remplit quelle fonction, vous devez connecter le composant de phase à l'entrée du commutateur et zéro à la sortie. Ensuite, le travail est effectué dans la boîte de jonction : le zéro, qui auparavant tendu vers le boîtier de la douille, s'éteint puis se connecte à la phase du luminaire. La mise à la terre n'est pas utilisée dans l'opération, qu'elle ait été utilisée ou non dans l'ancienne prise. Après cela, le câble zéro du lustre ou de l'applique est connecté au réseau.
Remplacement de l'interrupteur par une prise
Pour un fonctionnement correct, des câbles supplémentaires doivent être posés. Pour connecter une prise, trois fils sont nécessaires, et après avoir retiré le boîtier de l'interrupteur, il n'en reste que quelques-uns. Mais il est tout à fait possible de brancher une prise de courant à cet endroit, et la prise fonctionnera, mais lors de son utilisation, vous devrez faire face à certaines restrictions.
Les réfrigérateurs, bouilloires électriques, appareils de chauffage ne peuvent pas être connectés à une prise de courant sans mise à la terre. Lors du choix du courant nominal, il convient également de prendre en compte le fait que des fils plus fins sont généralement utilisés pour les luminaires que pour les structures de douilles.
Tout d'abord, des interrupteurs sont effectués sur le site de la future localisation du boîtier de prise. À ses contacts d'alimentation, vous devez connecter les deux fils restants de l'interrupteur. L'un d'entre eux devra être transformé de phase à zéro: dans la boîte de jonction, éteignez le câble qui allait au fil de phase du luminaire avant de démonter le dispositif de contrôle d'éclairage. Il doit être connecté à la borne zéro du câble d'alimentation du groupe.
Montage de la prise dans le cas d'un seul interrupteur
- Il est nécessaire de retirer le clavier et le couvercle du commutateur, exposant ainsi le cadre métallique et le mécanisme de commutation ;
- Après cela, nous dévissons les boulons qui maintiennent l'interrupteur et le retirons;
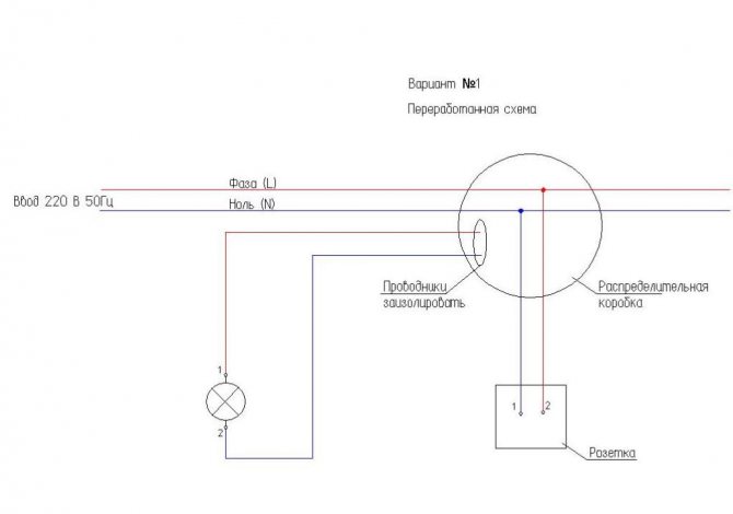
- Nous décrivons un emplacement pour l'installation d'une future prise, en la faisant au moins à un demi-mètre du sol, ainsi qu'à au moins un mètre et demi des radiateurs et autres appareils de chauffage de la pièce. Il vaut la peine de rester à l'écart des communications d'eau et de gaz. La longueur du fil, que nous allons tirer entre deux points, est également déterminée d'une manière correspondante ;
- Une prise est installée, après quoi, conformément aux instructions, la prise est installée et les fils y sont connectés. Les instructions pour l'installation de la prise seront données par nos soins à la fin du matériel ;
- Ensuite, nous devons visiter la boîte de jonction, qui est disponible dans n'importe quel appartement et dans laquelle tout le câblage est commuté. Dans la boîte et nous effectuons la commutation de manière à ce que zéro (N) et deux phases (L) soient fournis à la nouvelle prise. Nous allons isoler les mêmes fils qui allaient auparavant à l'ampoule.
Comment choisir l'emplacement de l'interrupteur
Avant de commencer l'installation de l'interrupteur, il convient de décider de son emplacement. Il faut peser le pour et le contre de son emplacement. L'emplacement le plus courant des interrupteurs est près de la porte. Ceci est pratique lorsque vous pouvez contrôler la lumière dans toute la pièce en sortant ou en entrant. D'autres options sont également possibles. Par exemple, des interrupteurs sont situés en tête de lit.


Avant de commencer à installer le commutateur, vous devez déterminer son schéma de connexion. Les règles d'installation doivent être prises en compte : l'interrupteur ne doit pas être situé à moins de soixante cm de la cabine de douche et à au moins un demi-mètre du branchement de gaz.
Selon eux, il faut également s'éloigner des portes d'environ 10 cm et de près d'un mètre du sol. Dans les pièces à forte humidité et à fortes variations de température, évitez d'installer des interrupteurs.


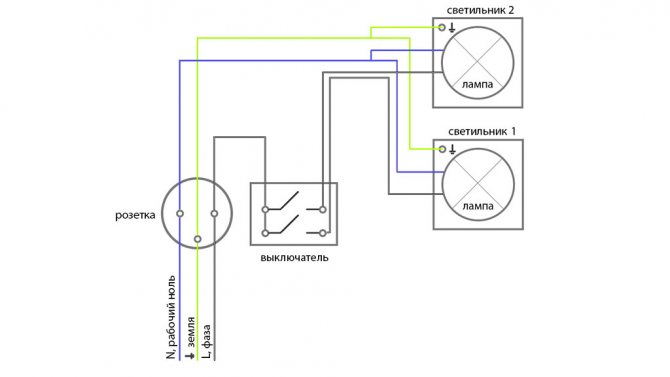
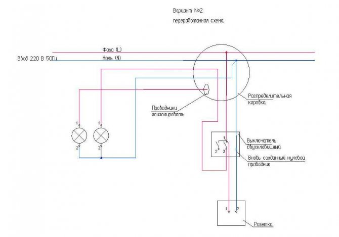
Câblage de prise de double interrupteur
Si dans le premier cas nous recevions une prise entièrement fonctionnelle, cependant, en même temps, en fait, nous perdions l'éclairage de la pièce, alors dans le cas d'un interrupteur appairé, tout se passe différemment. Après tout, c'est ainsi que nous pouvons équiper une prise supplémentaire, tout en maintenant l'éclairage de la pièce.
La tâche principale dans le cadre de cette opération est de redistribuer la fonction d'un des trois fils, qui est fourni à l'interrupteur. Nous le ferons, comme dans le cas majuscule, à l'aide d'une boîte de jonction. La tâche consiste à attribuer à ce troisième fil le rôle de conducteur neutre. Au total, la tâche est divisée en plusieurs étapes :
- Mise hors tension du réseau, démontage du double interrupteur, préparation du site pour la prise et installation de celui-ci;
- Nous allons à la boîte de jonction et reconnectons l'un des fils sortant du côté du commutateur au conducteur zéro commun. Le fil correspondant allant directement au dispositif d'éclairage est déconnecté et isolé du réseau général;
- Au cours du travail avec la sortie, nous connectons un noyau au fil de liquide de refroidissement créé et le second à celui de la phase, qui est placé jusqu'à l'interrupteur;
- Après avoir installé le double interrupteur, les conducteurs sont connectés aux bornes. L'appareil continue à remplir sa fonction, mais dans ce cas, il se transforme en un seul interrupteur.


Avant de commencer le travail
Il est nécessaire de couper l'électricité à l'aide des disjoncteurs situés dans le panneau électrique. Si nécessaire, les déconnexions sont vérifiées avec un tournevis indicateur. Après vous être assuré qu'il n'y a pas d'électricité, vous pouvez commencer à démonter l'ancienne prise si un nouvel appareil est prévu pour être installé à sa place. Tout d'abord, le boîtier est démonté, après quoi, à l'aide d'un tournevis, les vis sont dévissées - les pinces des pieds qui maintiennent le mécanisme à l'intérieur de la douille. Ensuite, l'appareil est complètement retiré de la boîte d'installation. Il ne reste plus qu'à desserrer les vis des bornes et débrancher les fils.


Les fils dans les boîtiers de prises doivent être préparés, en laissant les extrémités d'environ 100 mm de long. La tresse de protection est retirée et l'isolation des conducteurs est dénudée à une distance de 1 cm. Les conducteurs de phase et de zéro doivent passer entre les boîtiers. Afin de déterminer leur appartenance, vous devez allumer l'électricité, alimenter le réseau et utiliser un tournevis indicateur.
Comment installer une prise murale
Nous achetons les matériaux appropriés: une prise (ne lésinez pas sur la qualité, un socle en céramique est préférable), un câble, une boîte de prise et de l'albâtre. Ce dernier, vous l'avez deviné, est nécessaire pour fixer solidement la boîte elle-même dans le mur. Nous en parlerons ci-dessous. Le processus lui-même comprend les tâches suivantes:
- Un endroit est marqué sur le mur selon les instructions énoncées ci-dessus. Dans ce cas, les travaux de refendage du béton se font généralement à l'aide d'un ciseau ou d'un perforateur. Il en va de même pour la création d'un conduit d'une prise à une boîte de jonction. Avant cela, il est nécessaire d'utiliser un tournevis indicateur, ce qui nous aidera à nous assurer qu'il n'y a plus de câblage sur le lieu de travail;
Important! Lorsque vous utilisez un outil électrique, ce qui arrive presque tout le temps, vous devrez vous occuper des problèmes d'alimentation. Le plus souvent, dans ce cas, l'électricité n'est coupée que dans une pièce et une rallonge est tirée de la seconde. S'il n'est pas possible de le faire, vous devrez utiliser l'aide des voisins.
- Préparation à l'installation d'un boîtier pour une prise de courant. À ce stade, nous devons pré-percer ou retirer un morceau de plastique de la boîte, à travers lequel le câble passera à l'avenir. En même temps, nous élevons de l'albâtre en l'étalant conformément aux instructions. Étant donné que cette méthode de plâtre durcit très rapidement, il n'est pas recommandé de diluer une grande quantité à la fois;
- Installation de la boîte. Placez l'albâtre dans le trou du mur, puis noyez la boîte dans celui-ci, ayant atteint sa position uniforme, et aussi de manière à ce que ses extrémités affleurent le plan du mur;
- Câblage. Avant cela, l'appartement est complètement hors tension. Le câble préparé est placé à une extrémité dans la boîte et à l'autre extrémité à l'endroit de la commutation des fils, tandis qu'il est lui-même partiellement fixé avec une solution d'albâtre dans le canal creusé. Essayez de prendre en excès, pour ne pas découvrir le fait d'une longueur insuffisante en cas de dépassement du câble. Après cela, le mur peut être complètement fini;
- Commutation. Il est nécessaire de retirer environ 7 centimètres d'isolant, après quoi le zéro, la phase et la terre sont montés sur les points d'alimentation des conducteurs. Il est possible de commuter à la fois à l'aide de bornes spéciales et par torsion avec isolation ultérieure;
- Installation de la prise.Nous retirons la partie décorative de la douille préalablement préparée et la plaçons dans la boîte, en connectant les trois fils aux pièces correspondantes, placées dans les lettres PE, N, L. À l'aide des pattes réglables ou des vis, la douille est fixée dans la boîte , après quoi la partie décorative peut être installée, donner du stress et vérifier la qualité du travail.
Préparation de l'installation
Il convient de rappeler que les actions inverses ne peuvent pas être effectuées, c'est-à-dire que la prise ne peut pas être connectée à partir du commutateur pour des raisons techniques. Cela est dû au fait que la prise ressemble plus à une boîte de jonction, à travers laquelle passent également les fils de phase et d'alimentation zéro. L'interrupteur n'a pas de telles qualités, et lorsqu'il est éteint, il cessera simplement d'alimenter la prise.
À titre d'exemple d'une telle connexion, vous pouvez prendre un interrupteur à deux boutons auquel deux lampes distinctes sont connectées. Cette option est utilisée le plus souvent. La prise et le commutateur sont installés dans des boîtiers de prises séparés situés l'un à côté de l'autre. Vous aurez besoin d'outils et de consommables : tournevis cruciformes et plats avec un indicateur pour vérifier la présence ou l'absence d'une phase, un couteau d'électricien pour retirer l'isolant, ainsi que des pinces coupantes et un niveau.


Il est également nécessaire de préparer une boîte de jonction où les fils seront connectés. La connexion se fait avec des pinces coupantes et des pinces. Les endroits de torsions sont isolés avec du ruban électrique. Si l'installation est effectuée sur des surfaces en bois, des matériaux supplémentaires seront nécessaires - tubes ondulés ou bandes métalliques. Pour installer des prises et des interrupteurs, des boîtiers de prises et des boîtiers d'installation sont utilisés. Il est conseillé de prendre en compte autant que possible toutes les recommandations, en particulier lorsque vous connectez l'interrupteur de la prise de vos propres mains.
Dans de nombreux cas, des rainures sont découpées sous le câblage à l'aide d'un perforateur ou d'une rainureuse murale. Les fils électriques de la nouvelle zone doivent être les mêmes en termes de caractéristiques techniques que dans toutes les autres pièces. La section des conducteurs est choisie en tenant compte de la puissance de la future charge et de l'amplitude du courant nominal. Il est recommandé d'établir à l'avance un schéma de câblage de la prise et de l'interrupteur, après avoir préalablement déterminé leurs emplacements d'installation.
































