Envisagez de connecter un élément chauffant triphasé via un démarreur magnétique et un relais thermique.

Figure. 1 élément chauffant est connecté via un triphasé contacteur avec contacts normalement fermés MP (Fig. 1). Il commande le démarreur du thermostat TP, dont les contacts de commande sont ouverts lorsque la température sur le capteur est inférieure à celle réglée. Lorsqu'une tension triphasée est appliquée, les contacts des démarreurs sont fermés et l'élément chauffant est chauffé, dont les éléments chauffants sont allumés selon le schéma "en étoile".
Figure. 2 Lorsque la température réglée est atteinte, le relais thermique coupe l'alimentation des radiateurs. Ainsi, le régulateur de température le plus simple est réalisé. Pour un tel régulateur, vous pouvez utiliser le relais thermique RT2K (Fig.2) et pour le démarreur - un contacteur de troisième magnitude avec trois groupes pour l'ouverture.
RT2K est un relais thermique à deux positions (marche / arrêt) avec un capteur en fil de cuivre avec une plage de réglage de température de -40 à + 50 ° С. Bien entendu, l'utilisation d'un seul relais thermique ne permet pas de maintenir avec suffisamment de précision la température requise. La mise en marche des trois sections de l'élément chauffant à chaque fois entraîne des pertes d'énergie inutiles.
Figure. 3 Si nous réalisons le contrôle de chaque section de l'appareil de chauffage par un démarreur séparé connecté à son propre relais thermique (Fig. 3), alors il est possible d'effectuer un maintien plus précis de la température. Nous avons donc trois démarreurs, qui sont contrôlés par trois relais thermiques TP1, TP2, TP3. Les températures de réponse sont sélectionnées, disons comme t1 elektronchic.ru
But des éléments chauffants
À quoi servent les éléments chauffants avec thermostats? Sur leur base, des systèmes de chauffage autonomes sont conçus, des chaudières et des chauffe-eau instantanés sont créés. Par exemple, les éléments chauffants sont montés directement dans les batteries, à la suite de quoi naissent des sections qui peuvent fonctionner indépendamment, sans chaudière. Certains modèles sont axés sur la création de systèmes antigel - ils maintiennent une température positive basse, empêchant le gel et la rupture ultérieure des tuyaux et des batteries.
Sur la base des éléments chauffants, des réservoirs et des chauffe-eau instantanés sont créés. L'achat d'une chaudière n'est pas disponible pour chaque personne, de sorte que beaucoup les assemblent eux-mêmes à l'aide de composants séparés. En coupant un élément chauffant avec un thermostat dans un récipient approprié, nous obtenons un excellent chauffe-eau de type stockage - le consommateur devra l'équiper d'une bonne isolation thermique et le connecter à l'alimentation en eau.
Les éléments chauffants pour chauffer l'eau avec un thermostat sont nécessaires non seulement pour créer un équipement de chauffage de l'eau, mais aussi pour le réparer - si le chauffe-eau est en panne, nous en achetons un nouveau et le changeons. Mais avant cela, vous devez comprendre les problèmes de choix.
Comment connecter un élément chauffant à un thermostat
Vous savez maintenant comment et par quels paramètres les appareils de chauffage sont sélectionnés. Mais comment se fait la connexion? Afin de connecter un élément chauffant à un thermostat, vous devez choisir un fil avec une isolation fiable. Nous faisons également attention à la section transversale - elle doit être telle que le fil puisse fournir la pleine puissance au radiateur et ne pas fondre. Par exemple, pour un réchauffeur de 3 kW, la section du fil doit être d'au moins 2,5 mm. Nous vous recommandons de choisir des câbles avec des conducteurs en cuivre pour la connexion.
Comment ça marche et comment choisir
L'élément chauffant avec thermostat intégré a une structure simple, composée de deux parties, un élément chauffant et un capteur de température connecté à un régulateur de température.Mais même ici, plusieurs fonctionnalités affectent considérablement la facilité de maintenance et la durée de vie de l'appareil.
- La première chose à regarder lors de l'achat est son cas. Un élément chauffant plus durable sera en cuivre et aura une couleur noble correspondante, l'option la moins chère étant généralement en «acier inoxydable résistant aux acides». Il n'y a aucun moyen de savoir à quel point cet acier inoxydable est vraiment résistant dans le magasin, alors privilégiez la version en laiton du boîtier. Le diamètre extérieur du tube est généralement de 13 mm, mais il existe également des options minces et de faible puissance - 10 et même 8 mm chacune;
- Marquage. Puisque nous envisageons un élément chauffant pour un chauffe-eau, vous devez vous assurer que dans le marquage, avant la désignation de la tension de fonctionnement de 220V, il y a une lettre "P", indiquant le travail dans l'eau et les solutions alcalines faibles;
- Pouvoir. Il convient de garder à l'esprit que lors de la connexion à un réseau domestique ordinaire, vous ne devez pas utiliser d'élément chauffant, plus puissant que 2,5 kW - cela donne trop de charge sur le câblage ordinaire. Si vous prévoyez de connecter un élément chauffant plus puissant avec un thermostat, posez un câble séparé du blindage avec la section appropriée jusqu'au lieu de son installation.
- Le capteur de température est situé dans un tube séparé et, si nécessaire, en est retiré avec le thermostat. Evidu est un pivot. L'intérieur contient un thermocouple qui, lorsqu'il est chauffé, active le mécanisme du thermostat. Souvent, la défaillance du capteur thermique oblige l'élément chauffant à s'éteindre à basse température.
Champ d'application.
L'élément chauffant avec thermostat est un appareil universel et est utilisé comme élément chauffant pour:
- Organisations de chauffage électrique temporaire. Pour cela, grâce à un raccord spécial, il est inséré dans un registre ou dans une batterie en fonte;
- Eau de douche chauffée. Pour ce faire, il suffit de disposer d'un récipient, dans le cas duquel un trou est pratiqué à côté du fond, dans lequel l'élément chauffant est inséré;
En général, un élément chauffant avec thermostat est la source de chaleur et d'eau chaude la moins chère au stade de l'installation. Le coût de l'appareil commence à 5 $ (modèle Ariston 2 kilowatts), et un ensemble de raccords appropriés (joint et écrou) ne coûtera pas plus de 1 $.
But des éléments chauffants chauffants
Les éléments chauffants électriques ont gagné en popularité en raison de leur polyvalence et de leur rendement élevé. Toute l'électricité qu'ils consomment est utilisée aux fins prévues - pour chauffer l'espace environnant.
Les principaux appareils de chauffage où des éléments chauffants sont utilisés sont:
- Réchauffeurs d'huile électriques portables et stationnaires.
- Radiateurs de chauffage à eau.
- Sèche-serviettes chauffants pour la salle de bain.
- Cheminées électriques.
- Convecteurs électriques.
- Chaudières électriques.
L'équipement spécifié peut être utilisé comme source de chauffage principale ou supplémentaire. Il est peu coûteux, facile à installer et ne nécessite pas de compétences particulières pendant son fonctionnement.
désavantages
En principe, le prix de l'appareil se termine avec tous ses avantages et les inconvénients commencent:
- Non économique. En principe, il ne s'agit pas d'une "maladie" de l'élément chauffant lui-même, mais plutôt des dispositifs qui sont assemblés avec son aide. Le plus souvent, il s'agit de registres de chauffage artisanaux et de chauffe-eau faits maison. Le premier et le second ne fournissent pas au moins une sorte de conservation de l'énergie, par conséquent, les factures d'électricité seront extrêmement énormes;
- Fragilité. En raison de la proximité du thermocouple avec les éléments chauffants, l'élément chauffant avec thermostat intégré effectue très souvent un cycle marche / arrêt, ce qui affecte négativement toute automatisation et la désactive après un maximum de 2 ans d'utilisation. Certes, le côté positif est que l'automatisation change sans problèmes et la nécessité de retirer l'élément thermique;
- Incapacité d'ajuster avec précision la température. Le bouton sur le thermostat donne une idée très approximative de la température de sortie.Là encore, la proximité étroite du capteur de chaleur et de la bobine de chauffage rend un réglage précis presque impossible;
- Aucune protection contre l'humidité. Étant donné qu'un tel élément chauffant est souvent installé dans une salle de bain pour fournir de l'eau chaude, vous devrez prendre soin de vous protéger contre les éclaboussures et le placer dans un endroit tel que l'eau ne pénètre pas dans son corps.
En général, un élément chauffant avec un thermostat résout deux questions qui lui sont posées:
- Sécurité temporaire chauffage
- Sécurité temporel approvisionnement en eau chaude
Nous ne recommandons pas d'utiliser cet appareil comme source de chaleur permanente et préférons des produits de meilleure qualité et plus économiques.
Vidéo.
Un exemple de la façon dont les éléments chauffants peuvent être utilisés pour organiser un chauffage très bon marché.
Commentaires:
Stas
L'appareil est ce qu'il vous faut si vous avez besoin de fabriquer rapidement un radiateur électrique à partir d'un radiateur conventionnel. Cette conception a aidé à plusieurs reprises. Au lieu d'un bouchon inférieur, un tel dispositif est vissé et la batterie est remplie d'eau. Tout. batterie électrique prête
Denis
Stas, il s'avère donc pas un radiateur électrique, mais un mangeur d'énergie. L'efficacité tend vers zéro et il n'y a pas de transfert de chaleur.
Stas
Denis, je ne discute pas. Je l'ai écrit rapidement. Ceux. quand il ne s'agit pas d'une connexion permanente, mais d'une hutte temporaire. Pour les constructeurs dans un salon en basse saison, par exemple. Souhaitez-vous acheter un convecteur électrique pendant un mois si le chauffage central est allumé dans un mois? Et s'asseoir dans le froid n'est pas non plus une option.
Denis
Je ne sais pas pourquoi l'auteur n'a pas aimé l'élément chauffant en acier inoxydable - d'après mon expérience, les options en laiton et en acier inoxydable servent la même chose
Laisser un commentaire Annuler la réponse
Articles similaires


Pourquoi choisir un radiateur sec


À quoi sert un chauffe-eau en vrac?


Nous changeons les éléments chauffants du chauffe-eau Termeks. Instructions pas à pas


Chauffe-eau instantané sans pression - comme solution aux problèmes temporaires d'eau chaude.
Dispositif d'élément chauffant.
L'élément chauffant est un élément chauffant électrique constitué d'un tube métallique à paroi mince (coque), dont le matériau est le cuivre, le laiton, l'inox et l'acier au carbone. À l'intérieur du tube, il y a une spirale en fil nichrome, qui a une résistance électrique spécifique élevée. Les extrémités de la spirale sont connectées à des fils métalliques, qui connectent le radiateur à la tension d'alimentation.


La spirale est isolée des parois du tube par une charge électriquement isolante comprimée, qui sert à évacuer l'énergie thermique de la spirale et la fixe solidement au centre du tube sur toute sa longueur. L'oxyde de magnésium fondu, le corindon ou le sable de quartz sont utilisés comme charge. Pour protéger le mastic de la pénétration d'humidité de l'environnement, les extrémités de l'élément chauffant sont scellées avec un vernis résistant à la chaleur et à l'humidité.
Les fils de chauffage sont isolés des parois du tube et fixés de manière rigide avec des isolateurs en céramique. Les fils d'alimentation sont connectés aux extrémités filetées des bornes avec des écrous et des rondelles.


L'élément chauffant fonctionne de la manière suivante: lorsqu'un courant électrique passe le long d'une spirale, il chauffe, en s'échauffant, la charge et les parois du tube, à travers lesquelles la chaleur est rayonnée dans l'environnement.
Lors du chauffage de milieux gazeux pour augmenter le transfert de chaleur des éléments chauffants, ils sont utilisés côtes
en matériau avec une bonne conductivité thermique. En règle générale, un ruban en acier ondulé est utilisé pour les nervures, enroulé en spirale sur la coque extérieure de l'élément chauffant.


L'utilisation d'une telle solution constructive permet de réduire les dimensions globales et la charge actuelle de l'appareil de chauffage.
Théorie
Qu'est-ce qu'un élément chauffant dans une chaudière électrique? Du point de vue de l'électrotechnique, il s'agit d'une résistance active qui génère de la chaleur lorsqu'un courant électrique la traverse.
En apparence, un seul élément chauffant ressemble à un tube plié ou recourbé. Les spirales peuvent être de formes très différentes, mais le principe de connexion est le même, un seul élément chauffant possède deux contacts de connexion.
Lors de la connexion d'un seul élément chauffant à la tension d'alimentation, il suffit de connecter ses bornes à l'alimentation électrique. Si l'élément chauffant est conçu pour 220 volts, nous le connectons à la phase et au zéro de travail. Si l'élément chauffant est de 380 volts, il connecte l'élément chauffant à deux phases.
Mais il s'agit d'un élément chauffant unique, que nous pouvons voir dans une bouilloire électrique, mais que nous ne verrons pas dans une chaudière électrique. Les éléments chauffants de la chaudière de chauffage sont trois éléments de chauffage simples fixés sur une seule plate-forme (bride) avec des contacts sortis.
L'élément chauffant le plus courant de la chaudière se compose de trois éléments chauffants simples fixés sur une bride commune. Sur la bride, 6 (six) contacts de l'élément chauffant de l'élément chauffant électrique de la chaudière sont sortis pour connexion. Il existe des chaudières avec un grand nombre d'éléments chauffants simples, par exemple, comme ceci:


Schémas pour l'inclusion d'éléments chauffants dans un réseau monophasé.
Les radiateurs électriques tubulaires sont conçus pour une valeur spécifique Puissance
et
stress
par conséquent, pour assurer le mode de fonctionnement nominal, ils sont connectés au réseau d'alimentation avec la tension appropriée. Selon GOST 13268-88, les appareils de chauffage sont fabriqués pour des tensions nominales:
12
,
24
,
36
,
42
,
48
,
60
,
127
,
220
,
380 V
, cependant, les éléments chauffants les plus utilisés sont conçus pour des tensions de 127, 220 et 380 V.
Envisagez les options possibles pour connecter l'élément chauffant à un réseau monophasé.
2.1. Brancher sur une prise.
Les éléments chauffants d'une capacité maximale de 1 kW (1000 W) peuvent être connectés en toute sécurité à la prise via une prise conventionnelle, car la plupart des bouilloires électriques et des chaudières avec lesquelles nous chauffons l'eau ont une telle puissance.
Grâce à une prise ordinaire, vous pouvez allumer parallèle
deux éléments chauffants, mais les deux éléments chauffants doivent avoir une puissance ne dépassant pas 1 kW (1000 W), car lorsqu'ils sont connectés en parallèle, leur puissance totale augmente à 2 kW (2000 W). Ainsi, vous pouvez allumer plusieurs appareils de chauffage, mais leur puissance totale ne doit pas dépasser 2 kW, et pour vous connecter à la prise, vous devez utiliser une prise plus puissante.


Il y a une situation où plusieurs appareils de chauffage conçus pour une tension de fonctionnement de 127 V traînent à la maison, la main ne se lève pas pour les jeter et vous ne pouvez pas les allumer sur le réseau domestique. Dans ce cas, les radiateurs s'allument régulièrement
, ce qui permet de leur appliquer une tension accrue. Lorsque deux appareils de chauffage avec une tension de 127 V sont connectés en série, leur puissance reste la même et la résistance totale est doublée. Par exemple, lorsque deux radiateurs de 500 W sont allumés, leur puissance totale sera de 1000 W.
Schémas de raccordement des éléments chauffants de la chaudière
Option 1. Schéma de connexion à un réseau monophasé
Habituellement, trois dizaines uniques dans une telle conception sont placées de sorte que les contacts de différentes dizaines soient situés en face les uns des autres.
Pour connecter un élément chauffant pour 220 volts, vous devez connecter trois contacts de différentes spirales simples avec un cavalier et les connecter à un zéro de travail.
Les trois contacts restants doivent également être connectés et connectés à la phase de travail. Cela garantira l'inclusion simultanée de tous les éléments chauffants dans le chauffage lors de la mise sous tension.
class = "eliadunit">
Cependant, ils ne font pas de connexion directe de cette manière, et pour chaque deuxième contact de l'élément chauffant ils sont connectés à une phase après leur machine ou, ce qui se fait plus souvent, ils sont connectés depuis leur ligne de commande (automatisation).
Option 2. Connexion triphasée
Si nous regardons les éléments chauffants vendus pour les chaudières, nous verrons que presque tous sont étiquetés comme éléments chauffants 220/380 Volts.
Si vous avez cette version de l'élément chauffant et que vous avez la possibilité de vous connecter à une alimentation triphasée de 220 volts ou 380 volts, vous devez utiliser des schémas de connexion appelés «étoile» et «triangle».
Motif étoile
220 Volts trois phases, vous devez connecter trois contacts d'éléments chauffants simples avec une permanente et les connecter à un zéro de travail. Appliquer aux seconds contacts libres le long du fil de phase. Chaque élément chauffant fonctionnera à partir de 220 volts, indépendamment les uns des autres.


Selon le schéma "triangle"
380 Volts, vous devez vous connecter avec les contacts de cavaliers 1-6, 2-3, 4-5, pour les éléments chauffants simples 1-2.3-4.5-6 et leur fournir des fils de phase. Chaque élément chauffant fonctionnera à partir de 380 volts, indépendamment les uns des autres.


Nous continuons à nous familiariser avec radiateurs électriques tubulaires
(
Élément chauffant
). Dans la première partie, nous avons considéré, et dans cette partie, nous considérerons l'inclusion de radiateurs dans
réseau triphasé
.
Diagramme de connexion
Étant donné que l'appareil est en contact direct avec l'eau, une protection contre les dommages électriques doit être présente. courant - RCD (ou diffavtomat) et court-circuit au moyen d'un disjoncteur (AB). En raison de l'absence de protection intégrée du RCD contre les surintensités et l'inertie naturelle AB, il doit avoir un courant nominal au moins un échelon supérieur (25 A en association avec un disjoncteur de 16 ampères).
Le thermostat (TP), ou thermostat, joue un rôle important dans les équipements de chauffage. C'est un appareil polyvalent qui contrôle les systèmes de chauffage. Sa conception peut être différente, la fonction est la même: TP stabilise la température d'un environnement donné pendant un certain temps. Vous devez savoir comment connecter un thermostat pour qu'il remplisse correctement sa fonction.
Schéma de raccordement d'une chaudière électrique à une alimentation 220 V (monophasé)
Comme vous pouvez le constater, la ligne d'alimentation 220 V de la chaudière est protégée par un disjoncteur différentiel qui combine les fonctions d'un disjoncteur (AB) et. De plus, sans faute, la mise à la terre est connectée au boîtier de l'appareil.
Les éléments chauffants ou les éléments chauffants (s'il y en a plusieurs) dans une telle chaudière sont conçus pour une tension de 220V, respectivement, une phase est connectée à l'une des extrémités du radiateur électrique tubulaire et zéro à l'autre.
Pour connecter la chaudière, vous devez poser un câble à trois conducteurs (phase, zéro de travail, zéro de protection - mise à la terre).
Si vous n'avez pas réussi à trouver un arrêt automatique différentiel approprié ou si celui-ci est tout simplement trop cher dans la gamme d'automatismes de protection de votre choix, vous pouvez toujours le remplacer par un ensemble de dans ce cas, le schéma de raccordement d'une chaudière monophasée au réseau ressemble à So:
Il reste maintenant à choisir le câble de la marque et de la section souhaitées et les valeurs nominales des automatismes de protection pour le câblage correct de la chaudière électrique.
Lors du choix, il est nécessaire de s'appuyer sur la puissance de la future chaudière, et il est préférable de compter avec une marge, car à l'avenir, si vous décidez de changer la chaudière, vous ne pourrez pas choisir un modèle plus ancien ( plus puissant), sans retouche sérieuse du câblage.
Je ne vous chargerai pas de formules et de calculs inutiles, mais je vais simplement dresser un tableau pour le choix d'un câble et des automatismes de protection, en fonction de la puissance d'une chaudière électrique monophasée 220 V.Dans ce cas, les deux options de connexion seront pris en compte dans le tableau: par un interrupteur différentiel et par un faisceau de disjoncteur + RCD.
Pour la pose, les caractéristiques d'un câble en cuivre de la marque VVGngLS seront indiquées, le PUE minimum autorisé (règles d'installation électrique) pour une utilisation dans les bâtiments résidentiels, tandis que les calculs sont effectués pour le trajet du compteur à la chaudière électrique de 50 mètres de long. , si vous avez une plus grande distance, vous devrez peut-être ajuster les valeurs.
Tableau de sélection des automatismes de protection et des sections de câbles en fonction de la puissance de la chaudière électrique 220 V
Le dispositif à courant résiduel (OUZO) est toujours sélectionné un cran plus haut que le disjoncteur qui lui est couplé, mais si vous ne trouvez pas un disjoncteur différentiel de la valeur requise, vous pouvez prendre la protection de l'étape suivante, l'essentiel n'est pas pour le prendre plus bas qu'il ne devrait l'être. Il n'y a généralement pas de difficultés et de divergences particulières lors du raccordement d'une chaudière électrique pour 220V, nous passons à l'option triphasée.
Le schéma électrique général de raccordement d'une chaudière électrique 380 V est le suivant :
Comme vous pouvez le voir, la ligne est protégée par un disjoncteur différentiel triphasé; une prise de terre doit être reliée au corps de la chaudière.
Comme d'habitude, par tradition, je poste un schéma de raccordement d'une chaudière électrique triphasée avec un disjoncteur (AB) plus un dispositif à courant résiduel (RCD) dans un circuit, souvent moins cher et plus accessible que Dif. machine.
Il est pratique de sélectionner les valeurs nominales des automatismes de protection et la section de câble pour les chaudières électriques triphasées de différentes puissances selon le tableau suivant:
Dans les chaudières électriques triphasées, trois éléments chauffants sont généralement installés à la fois, parfois plus. Dans le même temps, dans presque toutes les chaudières ménagères, chacun des radiateurs électriques tubulaires est conçu pour une tension de 220 V et est connecté comme suit:
Il s'agit de la connexion dite «en étoile», dans ce cas, le conducteur neutre est fourni à la chaudière.
Les éléments chauffants eux-mêmes sont connectés au réseau de la manière suivante: un cavalier est connecté à l'une des extrémités de chacun des radiateurs électriques tubulaires, les phases L1, L2 et L3 sont alternativement connectées aux trois autres libres.
Si votre chaudière possède des éléments chauffants conçus pour une tension de 380 V, leur schéma de raccordement est complètement différent et il ressemble à ceci:
Une telle connexion de l'élément chauffant d'une chaudière électrique est appelée un "triangle" et à la même tension de 380 V, comme dans le procédé "Zvezda" précédent, la puissance de la chaudière augmente considérablement. Dans ce cas, un conducteur zéro n'est pas nécessaire, seuls les fils de phase sont connectés, le schéma de connexion électrique, respectivement, ressemble à ceci:
Ne vous écartez pas des schémas de raccordement acceptables pour votre chaudière électrique, s'il y a des éléments chauffants pour 220V avec une connexion triphasée, ne refaites pas le circuit en "triangle". Comme vous le comprenez, théoriquement, ils peuvent être reconnectés et une tension de 380 V peut être obtenue sur l'élément chauffant, respectivement, et une augmentation de leur puissance, mais en même temps, ils vont très probablement simplement griller.
Comment déterminer le schéma de connexion correct pour les éléments chauffants avec une étoile ou un triangle et, en conséquence, à quelle tension sont-ils conçus?
Si vous avez perdu les instructions de raccordement de votre chaudière électrique ou si vous ne pouvez tout simplement pas vous y référer, vous pouvez déterminer le schéma de connexion correct dans un environnement domestique comme suit:
1. Tout d'abord, inspectez les bornes de l'élément chauffant, le fabricant a probablement déjà préparé les contacts pour un certain circuit. Ainsi, par exemple, pour la connexion avec une "étoile" et des éléments chauffants pour 220V, trois bornes seront connectées par un cavalier.
2. La présence même de la borne zéro - «N», indique que l'élément chauffant est de 220 V et qu'ils doivent être connectés selon le schéma «Star». Dans le même temps, son absence ne signifie pas du tout que l'élément chauffant est de 380 V.
3. L'option la plus fiable pour connaître la tension de l'élément chauffant est de regarder le marquage indiqué soit sur la bride sur laquelle les radiateurs électriques tubulaires sont fixés.
Ou, sur l'élément chauffant lui-même, ses paramètres sont extraits sans faute:
Si vous ne parvenez pas à connaître avec certitude la tension pour laquelle votre chaudière électrique et son schéma de raccordement des éléments chauffants sont conçus, et qu'il est "très nécessaire" de se connecter, je vous conseille d'utiliser le circuit "Star". Avec cette option, si les Teng sont conçus pour 220 V, ils fonctionneront normalement, et s'ils sont à 380 V, ils donneront simplement moins d'énergie, mais l'essentiel ne brûlera pas.
En général, les cas sont différents et il est très difficile de les couvrir tous sous la forme d'un seul article. ,
donc
assurez-vous d'écrire vos questions, ajouts, histoires d'expérience personnelle et de pratique dans les commentaires, cela sera utile à beaucoup!
Le thermostat est conçu pour maintenir la température réglée en contrôlant les éléments de chauffage (refroidissement).
Ces dispositifs sont de plusieurs types, allant des simples dispositifs mécaniques aux dispositifs électroniques multifonctionnels et même intelligents.
Le principe de fonctionnement est que l'appareil dispose d'un capteur de température à distance qui signale la température ambiante à l'appareil. Pour maintenir et ajuster la limite définie, le thermostat est utilisé. Ils sont utilisés pour l'entretien de divers appareils, tels que : réfrigérateur, plancher chauffant, chauffe-eau ou chauffe-eau, incubateur, serres, etc.
Types de thermostats
En gros, il existe 3 types de thermostats:
- Plaque bimétallique;
- Thermocouple;
- Capteur infrarouge.
Plaque bimétallique
Sous l'influence du chauffage ou du refroidissement, la plaque se plie dans un sens ou dans l'autre. Ainsi, fermer ou ouvrir les contacts fournissant de l'électricité aux éléments chauffants. La plaque est une bande à deux couches soudée à partir de deux métaux avec des coefficients de dilatation thermique différents. Pour cette raison, lorsqu'elle est chauffée, les forces d'expansion "forcent" la plaque à se plier.
Thermocouple
L'élément est un support en forme de V en alliage métallique thermosensible. Un faible courant traverse le fil. Lorsque la température change, la résistance du conducteur change, ce qui affecte la caractéristique du courant. Ce facteur agit à travers le circuit de commande sur le relais d'alimentation du chauffage.
Domaines d'application des thermostats
Dans la vie de tous les jours, un exemple d'utilisation d'un thermostat peut être une machine à laver. Un capteur thermique connecté à un élément chauffant dans le réservoir "surveille" le niveau de chauffage de l'eau. Dans la voiture, le thermocouple du système de refroidissement "dirige" le mode d'allumage du ventilateur du radiateur.
Un régulateur de température est nécessairement intégré à divers appareils de chauffage d'ambiance d'un niveau de complexité suffisant. Pas un seul système de chauffage par le sol n'est complet sans TR à semi-conducteurs. Dans le réfrigérateur, le thermostat fait partie intégrante. Dans tous les PC et ordinateurs portables, des capteurs de température activent les ventilateurs, empêchant le matériel de surchauffer. Climatiseurs, fours à micro-ondes, fours électriques - ils ont tous des thermostats. Divers chauffe-eau, chaudières électriques, chaudières à gaz inclus dans le système de chauffage des bâtiments et des structures fonctionnent uniquement avec des unités de contrôle thermostatiques.
Connexion et installation du thermostat
Il existe deux options de connexion connues pour le thermostat. Ce sont des moyens de connecter des fils à deux conducteurs et des fils solides.
Connexion du câble bifilaire au thermostat
Un fil à deux conducteurs est utilisé lorsque le TR nécessite une alimentation électrique complète du secteur pour le fonctionnement d'un système de contrôle en boucle fermée pour le mode de chauffage d'un certain volume. Ce sont des circuits intégrés basés sur des microprocesseurs.
Les données reçues du capteur sous la forme d'un changement d'intensité du courant, les valeurs de résistance sont analysées par l'appareil. En conséquence, des commandes sont envoyées au démarreur d'élément chauffant avec un intervalle de temps prédéterminé et un seuil limite pour réchauffer un espace spécifique.
Noter! Un exemple de connexion d'un fil à deux fils est un schéma de connexion du thermostat à la pompe de circulation d'une chaudière à eau chaude.
Connexion du câble unipolaire au thermostat
Un câble à partir d'un noyau est utilisé dans le schéma de connexion des thermostats dans le cas où l'appareil lui-même est installé dans une rupture du fil de phase menant à la borne positive de l'élément chauffant. C'est-à-dire que le câble sert de coupure de phase dans le courant de secteur alimentant les éléments chauffants.
Élément chauffant et réseau monophasé. Que visser à quoi?
Ce cas est typique des datchas et des vieilles maisons de village. Vous devez d'abord comprendre de manière générale ce qui est en jeu et le moyen le plus simple de le faire est de regarder la figure suivante:


Ainsi, un réseau électrique monophasé a deux conducteurs - zéro et une phase. L'image elle-même montre deux façons d'allumer la charge: parallèle et séquentielle. Ces méthodes diffèrent dans la façon dont la tension initiale est divisée entre les éléments.Dans la plupart des cas, les éléments chauffants sont connectés en parallèle pour ne pas perdre de puissance utile, le circuit séquentiel ne convient que pour divers cas spécifiques. Un bloc préparé pour la connexion à une phase ressemblera à ceci:


Il convient également de prêter attention au choix du câble, mais nous aborderons ce point un peu plus tard, et passons maintenant à trois phases.
Options de connexion
- Au système de chauffage par le sol;
- À l'élément chauffant;
- Vers le radiateur.
Raccordement du thermostat au système de chauffage par le sol
Un thermostat de chauffage par le sol standard est inclus dans le kit de livraison avec des instructions détaillées pour le raccordement de l'appareil au système de chauffage par le sol. Vous pouvez connecter le TR vous-même, en utilisant les désignations sous les borniers.
À l'arrière du régulateur, il y a trois paires de prises terminales pour les fils. La première paire sert à connecter un câble réseau à deux cœurs. Prise "L" - phase, "N" - zéro.
La deuxième paire de prises est conçue pour se connecter aux sorties de chauffage par le sol - L1 et N1. Les cinquième et sixième bornes sont utilisées pour se connecter au capteur de température.
Les régulateurs de température au sol peuvent être branchés dans la prise ou montés sur le mur. Le capteur de température peut être intégré au corps de l'appareil ou installé à l'extrémité du câble de la télécommande.
Dans le premier cas, la température de l'air à l'intérieur de la pièce est mesurée. Dans la deuxième version, le capteur mesure le degré d'échauffement du revêtement de sol fini.
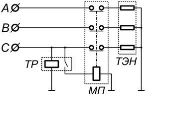
Raccordement du thermostat à l'élément chauffant
Le thermostat est connecté à un radiateur électrique via un démarreur magnétique. Cela est dû au fait que la puissance du régulateur est loin d'être comparable à la puissance des éléments chauffants.
Un démarreur magnétique (MP) est nécessaire pour contrôler un thermostat avec plusieurs appareils de chauffage à la fois. Le MP est coupé dans le fil de phase en parallèle avec le thermostat. Les modes de fonctionnement du tenov sont régulés par un thermostat, le courant d'alimentation passe par le MP. Cela permet d'utiliser un réseau électrique triphasé, ce qui permet le fonctionnement d'éléments chauffants de forte puissance.
De nombreux TR sont équipés de microprocesseurs électroniques, qui fournissent en outre des indicateurs du niveau d'humidité, de la pression et du temps nécessaire pour atteindre les valeurs des paramètres réglés.
Connexion du thermostat au chauffage
Il existe des thermostats mécaniques et électroniques. Récemment, les seconds modèles remplacent activement leurs homologues mécaniques. L'utilisation de l'électronique moderne permet de contrôler plus efficacement le régime de température dans un environnement donné.
TR pour les appareils de chauffage d'espace est intégré dans le boîtier des appareils de chauffage à air ou retiré à distance des appareils de chauffage. Le régulateur, tout d'abord, est connecté au réseau électrique, puis via le circuit de commande, il est connecté directement au capteur de température.
Informations Complémentaires. Les radiateurs infrarouges sont connectés à un thermostat dans la plupart des versions via un démarreur magnétique. Pour effectuer la connexion correcte de l'appareil, vous devez suivre strictement les points des instructions ci-jointes.
Les caractéristiques de la façon dont les dispositifs de contrôle de la température sont connectés dépendent du type de dispositifs de chauffage. Il peut s'agir d'une connexion à un ou deux conducteurs du chauffage par le sol TP. La connexion d'un thermostat biphasé à des éléments chauffants à courant triphasé est effectuée uniquement via un démarreur magnétique. Pour le chauffage de l'eau, le thermostat est coupé directement dans le radiateur. Dans chaque cas, il existe un circuit séparé pour connecter le thermostat.
Schéma de raccordement de la chaudière électrique
Le schéma de câblage général d'une chaudière électrique avec éléments chauffants n'est rien de plus qu'un schéma pour connecter un ou plusieurs éléments chauffants à l'alimentation électrique.
Pour comprendre et comprendre le principe de connexion d'une chaudière à élément chauffant, examinons un élément chauffant.


Sur la photo, vous voyez l'élément chauffant le plus simple, composé d'un tube chauffant.En conséquence, un tel élément chauffant ne comporte que deux contacts de connexion. Un tel élément chauffant est connecté directement. Un contact par phase (généralement 220 Volts), le deuxième contact à zéro de travail.
La puissance de ces éléments chauffants est faible et ils ne sont pas utilisés dans les chaudières de chauffage. Leur prérogative est les bouilloires ou les machines à laver, les lave-vaisselle.
Dans les chaudières électriques, les éléments chauffants «s'enroulent» à partir de deux, plus souvent de trois tubes. L'élément chauffant de la chaudière ressemble à ceci.
Comme vous pouvez le voir, il existe déjà 6 (six) contacts pour connecter de tels éléments chauffants et c'est l'option la plus simple. La tâche de connecter l'élément chauffant de la chaudière est de connecter correctement les six contacts de l'élément chauffant afin de le connecter à l'alimentation électrique.
Il n'y a rien de difficile à cela, si vous vous souvenez des deux schémas de connexion classiques du cours d'électrotechnique. Vous en avez probablement entendu parler, ce sont des circuits appelés "étoile" et "triangle". J'ai écrit à leur sujet en détail dans l'article Comment un consommateur basse tension de 380 volts obtient de l'électricité.
Je décrirai ces schémas dans un langage simple. Donc, nous avons 6 contacts par paires. Seulement trois paires.
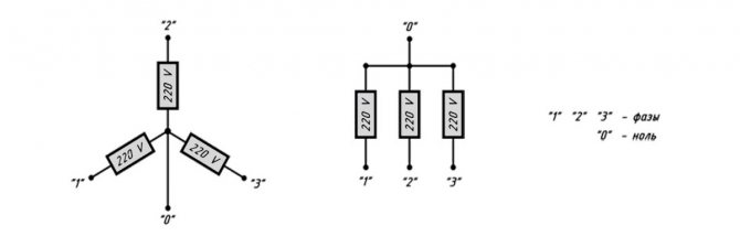
- Le circuit "étoile" suppose de connecter un contact de trois paires et de le connecter au "zéro" de travail. Les contacts restants des paires d'éléments chauffants sont connectés aux phases L1, L2, L3 si l'alimentation est de 380 V, ou ils sont également connectés et connectés à la phase L si l'alimentation est de 220 V.
Conseils d'installation
Quelques conseils:
- Avant d'acheter un TR, vous devez vous assurer que les caractéristiques du régulateur et des éléments chauffants sont compatibles.
- Vous devez choisir l'installation de l'appareil dans l'endroit le plus accessible.
- Au moment de décider de l'achat d'un appareil, il convient d'évaluer la faisabilité économique de l'utilisation d'un modèle spécifique de thermostat.
- Si vous n'avez pas suffisamment d'expérience dans l'installation de tels appareils, il est préférable de demander l'aide de spécialistes.
Une personne ignore parfois le nombre de dispositifs de contrôle thermique qui l'entourent. Ils font désormais partie de la vie quotidienne. Leur fonctionnement apporte des économies significatives sur les coûts énergétiques.
Les critères de sélection
Avant d'acheter un appareil Ariston apparemment simple vous pouvez prendre note de certains points:
- Garantie de l'équipement. Lors du choix d'un élément chauffant, les obligations de garantie ne peuvent être ignorées, car l'appareil assure le service normal et sûr du chauffe-eau. Le mauvais fonctionnement de l'élément chauffant installé se manifeste également par le fait que l'unité d'eau est susceptible de s'éteindre en permanence et même d'être choquée.
- Consommables de chauffage. L'anode sur pied en magnésium utilisée pour protéger l'appareil doit être changée une fois au moins une fois par an. Par conséquent, lors de la sélection, vous devez choisir les modifications avec les consommables disponibles.
- Pouvoir. Il est nécessaire de prendre en compte le fait que plus la chaudière elle-même est puissante, plus le chauffe-eau doit être puissant. Les performances varient de 2 à 9 kW.
- Variétés de thermostat. Une préférence particulière est donnée à un thermostat avec une fonction de protection thermique.
- Écart de température. Si l'utilisateur sait quelle température il souhaite atteindre, l'élément chauffant doit également être sélectionné avec un indicateur approprié.
La longueur de l'élément chauffant Ariston et le tube du thermostat jouent un rôle important pour garantir une puissance et une vitesse de chauffage optimales. Les plus connus sont les éléments chauffants d'une capacité de 2 à 5 kW. En outre, les éléments chauffants installés dans les chauffe-eau instantanés sont distingués séparément. Structurellement, de tels dispositifs ne prennent pas en compte les récipients pour stocker l'eau, de sorte que le but de l'élément chauffant est de réchauffer le plein débit le traversant à la température souhaitée.
Les éléments chauffants avec régulateur sont utilisés dans la vie quotidienne et dans divers domaines de l'industrie. Lui, ainsi que le raccord - le composant de fixation est fabriqué à partir de différents métaux. De plus en plus d'éléments chauffants deviennent un composant nécessaire pour obtenir de l'eau chaude. Et son utilisation en conjonction avec un thermostat réduira considérablement les coûts des services publics et augmentera la durée de vie de l'appareil.


