Dans l'article, vous apprendrez ce qu'est un élément chauffant, à quelles fins il est utilisé, comment il est connecté. Vous découvrirez également le type de design dont il dispose. En bref, il s'agit d'un appareil de chauffage électrique, et l'abréviation elle-même signifie tout simplement. C'est un radiateur électrique tubulaire. Il porte ce nom parce que souvent ces éléments sont réalisés sous forme de tubes en céramique, en verre ou en métal. Examinons maintenant de plus près tous les composants de cet appareil électrique.
Conception des éléments
L'article montre un schéma d'un élément chauffant. Le composant le plus important de tout élément chauffant est le réchauffeur lui-même, fait de filament nichrome, qui est situé à l'intérieur du tube sur toute sa longueur. Les extrémités du fil sont attachées aux broches de sortie. Le fil nichrome a une certaine résistance, lorsqu'un courant commence à le traverser, il se réchauffe et dégage de la chaleur vers un support en métal ou en céramique.

Il est à noter que le matériau à partir duquel le tube est réalisé doit avoir une résistance au courant élevée. Par conséquent, il est fabriqué à partir d'alliages comprenant du constantan ou du nichrome. La résistance de l'élément chauffant dépend de la quantité d'énergie dont l'appareil a besoin pour se développer.
Calcul des paramètres de chauffage
Selon la loi d'Ohm, la puissance est calculée, ce qui est égal au produit de la force du courant et de la tension du réseau électrique. En d'autres termes, pour que l'élément chauffant ait une puissance de 1000 W, vous devez d'abord calculer l'intensité du courant. Il existe deux paramètres connus - la puissance et la tension (dans le réseau domestique - 220 volts). Le courant sera égal à la puissance divisée par la tension. Si 1000/220, nous obtenons une intensité de courant égale à 4,55 A.
Afin de déterminer la résistance du fil, il est nécessaire de diviser la tension par l'intensité du courant. En conséquence, nous obtenons la résistance de l'enroulement de l'élément chauffant, exprimée en ohms. Plus précisément, on divise 220 par 4,55 et on obtient que la résistance du fil nichrome doit être égale à 48,4 ohms.


Il convient de noter que la résistance affecte directement la puissance de l'élément chauffant. Plus la valeur de résistance est faible, plus la puissance de l'élément chauffant est élevée. Il faut faire attention au fait que presque toute l'énergie sera dépensée pour chauffer le fil. Par conséquent, l'efficacité de la plupart des éléments chauffants est de presque 100%. En d'autres termes, plus l'appareil de chauffage est puissant, plus il se réchauffe rapidement et plus.
Où l'élément chauffant de la machine à laver est-il installé?
Dans les unités de lavage domestiques, on utilise des éléments chauffants dits humides, dont l'élément de travail est situé dans le réservoir de lavage et est en contact direct avec l'eau. Localement, dans les unités de lavage produites par différentes entreprises, les éléments chauffants peuvent être placés des deux côtés et devant et derrière la machine à laver.
Dans les machines à chargement frontal, les éléments chauffants ont une disposition latérale. La seule règle est de le placer au fond de la cuve de lavage pour chauffer l'eau plus efficacement. Le cours de physique de l'école sait également que les couches d'eau les plus froides se trouvent au fond et, lorsqu'elles sont chauffées, elles remontent. La convection naturelle du liquide se produit et son chauffage plus efficace.
Matériau isolant et tube
Entre le tube et le fil nichrome se trouve un isolant qui peut résister à des températures très élevées. Afin de fabriquer un tube pour éléments chauffants, il est nécessaire de choisir des matériaux qui ne se corrodent pas. Ce sont ces radiateurs électriques tubulaires qui sont le plus souvent utilisés dans l'industrie et la vie de tous les jours.


En règle générale, les tubes enfermés dans un tube de verre sont utilisés dans des environnements très agressifs, par exemple dans les laboratoires de chimie, dans lesquels il est nécessaire de chauffer divers mélanges. Mais vous pouvez également les trouver dans les radiateurs ménagers. En règle générale, ils sont utilisés dans des appareils utilisant un rayonnement de type infrarouge. Les tubes en céramique dans les appareils de chauffage sont très rarement utilisés aujourd'hui.
Variétés d'éléments de chauffage à air
La classification principale est basée sur les principes de travail avec différents environnements. Tout d'abord, les éléments chauffants de ce type diffèrent par leur capacité à fonctionner dans des environnements mobiles et calmes. Par exemple, un élément de chauffage à air conçu pour les milieux actifs a une conception plus robuste qui assure la durabilité de l'élément. Les modèles fonctionnant dans des conditions calmes sont fabriqués à partir de matériaux moins durables et moins protégés thermiquement.
Les modèles d'éléments de chauffage à air diffèrent en termes d'application. Il est important de noter ici la dépendance des tâches résolues par cet élément sur l'indicateur de la tension maintenue. L'élément chauffant classique à air 220V peut être considéré comme universel. Il est utilisé dans l'équipement des appareils électroménagers et dans certaines zones industrielles pour le chauffage des fluides de procédé. Dans les zones industrielles spécialisées d'utilisation de ces appareils de chauffage électriques, les modèles 380-660 V sont plus souvent utilisés.
Diamètre du tube
Les tubes peuvent avoir n'importe quel diamètre, mais des éléments d'un diamètre compris entre 6 et 24 mm sont largement utilisés. Outre le fait que l'isolant doit avoir des propriétés isolantes élevées, il est nécessaire qu'il transfère efficacement la chaleur de la bobine de chauffage au tube. Parlons maintenant de ce qu'est un élément chauffant et de son fonctionnement.


L'alimentation électrique de l'élément chauffant est fournie à l'aide des bornes, qui sont situées sur les inserts avec des isolateurs. Les terminaux peuvent être situés à une extrémité ou aux deux. Il existe une variété de radiateurs électriques tubulaires équipés d'une protection par fusible intégrée. En règle générale, ces éléments sont installés dans des lave-vaisselle ou des machines à laver.
Eléments chauffants pour chaudières de la société Ariston


La société Ariston utilise des éléments chauffants de sa propre production ou des commandes de l'usine Thermowatt en Italie. Eléments chauffants en cuivre et acier, pour récipients verticaux, droits et courbés, pour ceux couchés sur le côté.
Les éléments chauffants à écrou et à bride sont utilisés pour les chauffe-eau Ariston, avec un diamètre de bride exclusif - 42, 48, 63, 72 mm et équipés d'un filetage métrique. Les éléments chauffants sont principalement utilisés et il existe des modèles avec une conception fermée des éléments. Tous les appareils de chauffage ont une puissance de 1 à 4 kW. Six séries de boîtes sont utilisées dans 80 types de chauffe-eau, seuls les modèles ARI STEA TITE et ABS SLV contiennent des éléments secs avec une durée de vie de 7 à 10 ans sans remplacement.
Les chauffe-eau Ariston ont un contrôle thermostatique de la température dans la plage de 20 à 80 degrés, ce qui prolonge la durée de vie des éléments chauffants. Le remplacement des électrodes de magnésium se produit au besoin.
Cinq séries d'électrodes sont fabriquées avec des tubes en cuivre et une seule série avec de l'acier inoxydable. Les éléments chauffants de la série RNCA sont conçus pour les petites chaudières d'un volume de 30 et 50 litres.
Une attitude professionnelle envers le chauffe-eau Ariston, l'utilisation d'éléments chauffants spécialement créés pour celui-ci, a donné les résultats suivants:
- le placage d'argent des contacts a permis d'élever l'intensité du courant jusqu'à 25 ampères contre 18 pour les concurrents;
- un chauffage rapide de l'eau est assuré en raison d'un transfert de chaleur élevé;
- installation facile des éléments chauffants et fonctionnement à long terme sans réparation.
Pour le chauffage de l'air
Pour de tels éléments chauffants, la température peut atteindre 450 degrés. Ces appareils tubulaires sont utilisés pour chauffer l'air dans les locaux domestiques et industriels. De tels éléments chauffants sont à la base de la fabrication de convecteurs, de différentes conceptions de chambres de séchage, de rideaux d'air.Ces appareils de chauffage ont des tubes lisses ou à ailettes. Qu'est-ce qu'un élément chauffant pour chauffer l'air, nous examinerons plus en détail.
Les ailettes de ces appareils de chauffage sont constituées de sangles en acier qui sont fixées au tube. Grâce à l'utilisation de nervures, il est possible d'augmenter la surface de l'élément, par conséquent, la charge sur le fil nichrome est considérablement réduite et la ressource de l'élément augmente également. Dans ce cas, le transfert de chaleur augmente considérablement.
Chauffe-eau
Lors du remplacement de l'élément chauffant de la machine à laver, vous pouvez voir que sa conception est complètement scellée. Très souvent, de tels éléments chauffants peuvent être trouvés à la fois dans les machines à laver et dans les chaudières, les appareils de chauffage. L'eau peut y être chauffée jusqu'au point d'ébullition, qui est de 100 degrés Celsius. Si le volume d'eau est très important, des appareils de type bloc sont utilisés. Assez souvent, avec l'élément chauffant, un régulateur de température est installé pour la chaudière.


À l'aide d'un thermostat, il s'avère que l'élément chauffant est déconnecté de l'alimentation électrique lorsque le liquide atteint la température requise. Dès que l'eau refroidit, le thermostat remet le courant et le serpentin commence à se réchauffer. De tels éléments chauffants sont utilisés pour chauffer des chaudières, des chaudières, dans des machines à laver.
Élément chauffant avec thermostat. L'élément chauffant avec un thermostat chauffera rapidement et en toute sécurité l'eau
Les éléments chauffants avec thermostat intégré vivent presque partout où le chauffage de l'eau est nécessaire, des chaudières d'usine aux convecteurs artisanaux fabriqués à partir d'un radiateur en fonte. Quels sont les avantages et les inconvénients de cet appareil ? Trouvons-le.
Comment ça marche et comment choisir
L'élément chauffant avec thermostat intégré a une structure simple, composé de deux parties, un élément chauffant et un capteur de température connecté à un régulateur de température. Mais même ici, plusieurs caractéristiques affectent considérablement la facilité d'entretien et la durée de vie de l'appareil.
- La première chose à regarder lors de l'achat est son étui. Un élément chauffant plus durable sera en cuivre et aura une couleur noble correspondante, l'option la moins chère étant généralement en «acier inoxydable résistant aux acides». Il n'y a aucun moyen de savoir à quel point cet acier inoxydable est vraiment résistant dans le magasin, alors privilégiez la version en laiton du boîtier. Le diamètre extérieur du tube est généralement de 13 mm, mais il existe également des options minces et de faible puissance - 10 et même 8 mm chacune;


Le boîtier en acier de l'élément chauffant avec un thermostat est généralement un peu moins cher

Le corps de l'élément chauffant en cuivre donne plus d'espoir pour un long travail - Marquage. Puisque nous envisageons un élément chauffant pour un chauffe-eau, vous devez vous assurer que dans le marquage, avant la désignation de la tension de fonctionnement de 220V, il y a une lettre "P", indiquant le travail dans l'eau et les solutions alcalines faibles;
Symboles sur le corps de l'élément chauffant - Pouvoir. Il convient de garder à l'esprit que lors de la connexion à un réseau domestique ordinaire, vous ne devez pas utiliser d'élément chauffant plus puissant que 2,5 kW - cela donne trop de charge au câblage ordinaire. Si vous envisagez de connecter un élément chauffant plus puissant avec un thermostat, posez un câble séparé du blindage avec la section appropriée jusqu'au lieu de son installation.
- Le capteur de température est situé dans un tube séparé et, si nécessaire, en est retiré avec le thermostat. Evidu est un pivot. L'intérieur contient un thermocouple qui, lorsqu'il est chauffé, active le mécanisme du thermostat. Souvent, la défaillance du capteur thermique oblige l'élément chauffant à s'éteindre à basse température.


Appareils de type flexible
De telles conceptions ont trouvé une application dans des systèmes à canaux chauds, dans des moules. Ils sont pratiques lorsque vous devez façonner le contour dans un système de canaux chauds. Les tailles des éléments chauffants électriques peuvent être quelconques. Une sorte d'élément chauffant électrique flexible qui est familier à presque tous les propriétaires est un câble autorégulant pour un sol chaud.Un tel élément chauffant est très souvent utilisé dans la fabrication d'un système de chauffage des locaux.
Un type d'appareil distinct est un appareil à cartouche, dans lequel les bornes de connexion à la source d'alimentation se trouvent d'un côté. La longueur de l'élément chauffant peut être au maximum de 3,5 m.La principale différence par rapport à tous les autres types d'appareils est qu'il a un corps compact, le plus souvent en acier inoxydable avec des fils.


Les éléments chauffants à cartouche ont une densité de puissance très élevée, la chaleur de l'élément chauffant est transférée à la fois par convection et par contact. En règle générale, ces appareils de chauffage sont souvent utilisés dans l'industrie pour chauffer des huiles de différentes formes en métal. Assez souvent, les appareils peuvent être trouvés dans l'industrie automobile, la chaussure, l'alimentation et la fonderie.
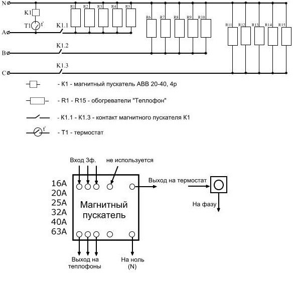
Connecter des appareils
Afin de connecter l'appareil à un réseau de tension alternative, vous devez utiliser les schémas donnés dans l'article. Assurez-vous d'installer une protection - un disjoncteur. De plus, vous pouvez installer un démarreur magnétique pour commuter le circuit ou un relais électromagnétique. Si vous devez régler la température, installez un régulateur spécial - il est permis d'utiliser à la fois électronique et mécanique, fonctionnant sur le principe d'un thermostat. Vous savez maintenant ce qu'est un élément chauffant et quels sont ses types, et surtout, vous vous êtes familiarisé avec les schémas de connexion.

