Caractéristiques de conception et principe de travail
La partie intérieure sert de foyer. Il est conçu pour que la combustion se produise de haut en bas. Ceci est facilité par une alimentation en air spéciale directement dans la zone de combustion. Le processus rappelle davantage la combustion lente avec la production de gaz à partir de combustibles carbonés. Dans une large mesure, ces gaz sont inflammables. En raison de leur postcombustion dans la partie supérieure du four, l'utilisation maximale d'énergie thermique se produit, ce qui permet d'augmenter le transfert de chaleur et de réduire la consommation de combustible.
La chambre de la chaudière est divisée en deux parties par un distributeur d'air. Il a la forme d'un tuyau, auquel un tampon avec des lames est attaché à une extrémité, et l'autre extrémité sert à fournir de l'oxygène.
Les chaudières à chauffage par le haut se caractérisent par un fonctionnement cyclique et jusqu'à ce que le premier onglet brûle, l'ajout d'un deuxième lot de combustible ne sera pas nécessaire.
Caractéristiques techniques des chaudières à combustible solide
Les chaudières supérieures sont produites avec différentes capacités de 8 à 95 kW. Certains modèles peuvent atteindre 1200 kW. Plus l'indicateur est élevé, plus le fonctionnement de l'unité est efficace et plus la zone peut être chauffée. Les chaudières avec la puissance minimale sont conçues pour être installées dans de petites maisons. Les "Burany" ukrainiens de 40 kW sont destinés au chauffage de grandes maisons ou d'entrepôts.

Chaudière à combustible solide BURAN-EXTRA 1200
Les matériaux de la chaudière sont la fonte ou l'acier. Un échangeur de chaleur en fonte est plus durable, mais en raison de son poids élevé, il peut être difficile à installer. Les échangeurs de chaleur en acier sont fabriqués à partir d'acier de différentes qualités, de la qualité inférieure à la qualité supérieure, résistant aux températures élevées. De plus, les chaudières en acier sont souvent protégées des briques en argile réfractaire.
Le plus souvent, les chaudières à chauffage par le haut fonctionnent au bois, mais il existe des modèles dans lesquels vous pouvez empiler du charbon, des briquettes de tourbe, des copeaux et d'autres combustibles.
L'efficacité des chaudières est de 85-93%. Selon les fabricants, la durée de fonctionnement de l'appareil après une charge de bois de chauffage est de 8 à 31 heures et sur les charbons jusqu'à 5 jours. Une chaudière moyenne peu coûteuse produit de la chaleur en 5 à 8 heures.
Température de chauffage de l'eau 70 0 C sur bois et 85 0 C sur charbon. La température d'entrée recommandée est de 60 0 C. Le système de chauffage peut être à circulation naturelle ou forcée.
Chaudière à combustible solide à combustion ultra-longue bricolage
Un radiateur fait maison aura la conception suivante :
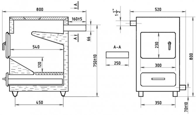
- Le foyer est un "box" de 460 mm de profondeur, 360 mm de largeur et 750 mm de hauteur avec un volume total de 112 litres. Le volume de chargement de combustible pour une telle chambre de combustion est de 83 litres (le volume total du four ne peut pas être rempli), ce qui permettra à la chaudière de développer une puissance allant jusqu'à 22 - 24 kW.
- Le fond de la chambre de combustion est une grille du coin, sur laquelle sera posé du bois de chauffage (l'air entrera dans la chambre à travers elle).
- Il doit y avoir un compartiment de 150 mm de hauteur sous la grille pour recueillir les cendres.
- L'échangeur de chaleur d'un volume de 50 litres est majoritairement situé au-dessus du foyer, mais sa partie inférieure le recouvre sur 3 côtés sous la forme d'une chemise d'eau de 20 mm d'épaisseur.
- Un tuyau de fumée vertical et des tuyaux de fumée horizontaux connectés à la partie supérieure de la chambre de combustion sont situés à l'intérieur de l'échangeur de chaleur.
- La chambre de combustion et le bac à cendres sont fermés par des portes scellées et l'admission d'air est effectuée par un tuyau dans lequel un ventilateur et un registre gravitationnel sont installés. Dès que le ventilateur s'éteint, le volet s'abaisse de son propre poids et ferme complètement l'entrée d'air.Dès que le capteur de température détecte une diminution de la température du liquide de refroidissement jusqu'au niveau défini par l'utilisateur, le contrôleur allume le ventilateur, le flux d'air ouvre le volet et un feu s'allume dans la fournaise. "L'arrêt" périodique de la chaudière en combinaison avec l'augmentation du volume du four permet d'étendre le fonctionnement sur une charge de combustible jusqu'à 10 - 12 heures sur le bois et jusqu'à 24 heures sur le charbon. L'automatisation de la société polonaise KG Elektronik a fait ses preuves: un contrôleur avec un capteur de température - modèle SP-05, un ventilateur - modèle DP-02.
chaudière à combustible solide à combustion ultra-longue à faire soi-même
Le foyer et l'échangeur de chaleur sont enveloppés de laine de basalte (isolation thermique) et placés dans le corps.
Le processus de fabrication d'une chaudière de vos propres mains.
La première étape consiste à préparer tous les blancs nécessaires :
- Tôles d'acier d'une épaisseur de 4 à 5 mm pour la fabrication d'un foyer. L'acier allié des nuances résistantes à la chaleur 12X1MF ou 12XM (avec des ajouts de chrome et de molybdène) est le mieux adapté, mais il doit être cuit dans un environnement d'argon, les services d'un soudeur professionnel seront donc nécessaires. Si vous décidez de fabriquer un four à partir d'acier de construction (sans ajout d'alliage), vous devez utiliser des nuances à faible teneur en carbone, par exemple l'acier 20, car celles à haute teneur en carbone peuvent perdre leur ductilité en cas d'exposition à des températures élevées (elles sont durcies) .
- Tôle d'acier mince d'une épaisseur de 0,3 à 0,5 mm, peinte avec une composition polymère (revêtement décoratif).
- Tôles d'acier de construction de 4 mm pour la coque.
- Tuyau DN50 (tuyaux de flamme à l'intérieur de l'échangeur de chaleur et tuyaux de raccordement du système de chauffage).
- Tuyau DN150 (tuyau de raccordement cheminée).
- Tuyau rectangulaire 60x40 (prise d'air).
- Bande d'acier 20x3 mm.
- Laine de basalte 20 mm d'épaisseur (densité - 100 kg/m3).
- Corde d'amiante pour sceller les ouvertures.
- Poignées de porte préfabriquées.
Les pièces doivent être soudées avec des électrodes MR-3C ou ANO-21.
Avantages et inconvénients des chaudières à combustible solide pour la combustion supérieure
Les chaudières à haut rendement fournissent de la chaleur aux utilisateurs depuis plus de 15 ans. Pendant ce temps, ils ont pleinement confirmé leur efficacité, qui est assurée par les facteurs suivants :
- lorsque le combustible est chargé, le distributeur monte, et après allumage il repose sur le bois et retombe en brûlant ;
- à l'endroit où l'air entre, il se produit une oxydation incomplète des hydrocarbures. Le gaz contenant des particules de cendres est transféré dans la partie supérieure de la chambre de combustion. Là, l'oxygène le rejoint, à la suite de quoi il est brûlé et dégage la chaleur restante;
- au début de la chambre de combustion des gaz, il y a un régulateur de tirage. Il détecte automatiquement la température de l'eau et régule la vitesse de combustion des composés volatils.
Les chaudières présentent les avantages suivants:
- longue durée de fonctionnement et nombre minimum de téléchargements ;
- indépendance énergétique grâce au travail à circulation naturelle et tirage naturel ;
- la polyvalence de certaines unités en termes de combustible : charbon, bois de chauffage, copeaux, tourbe, etc. ;
- une petite quantité de carburant est capable de fournir un rendement élevé;
- fonctionnement continu automatisé de la chaudière pour la fourniture d'eau chaude et de chaleur;
- l'absence de mécanismes complexes rend le fonctionnement de la chaudière simple même pour les débutants;
- haut niveau de sécurité;
- longue durée de vie de 10 à 15 ans ou plus.


La chaudière à combustion supérieure a un haut niveau de sécurité
Inconvénients des chaudières à combustible solide à chargement par le haut :
- coût élevé par rapport à d'autres installations;
- sensibilité aux changements de température de l'échangeur de chaleur. La condensation et l'oxydation des éléments en acier sont possibles;
- une teneur accrue en cendres peut obstruer la zone de combustion et réduire le niveau de transfert de chaleur ;
- il est nécessaire de nettoyer régulièrement manuellement la cheminée et le cendrier;
- pose de bois de chauffage peu pratique en raison des caractéristiques de conception;
- vous ne pouvez pas charger de gros combustible, par exemple pas de bois de chauffage coupé;
- le carburant doit être complètement sec, il faut donc réfléchir aux conditions de son stockage ;
- un chargement incomplet rend l'allumage peu pratique; le foyer est suffisamment profond ;
- il est impossible d'effectuer un chargement supplémentaire si le processus est déjà en cours d'exécution ;
- la poutre et le disque de support, qui servent de cloison entre les zones de combustion du combustible solide et du gaz, tombent rapidement en panne.
Comme vous pouvez le constater, les chaudières à combustible solide à combustion supérieure ne sont pas sans inconvénients. Par conséquent, avant d'acheter un tel appareil, pesez soigneusement le pour et le contre.
Avantages et inconvénients
La chaudière à combustible solide de Kholmov est très populaire. Il est considéré comme important qu'il s'agisse d'un appareil de chauffage à combustion longue. En plus de cela, l'unité a de nombreuses caractéristiques positives:
- Haut niveau d'efficacité. Les chaudières ont de hautes performances et sont capables de chauffer efficacement des chalets, des chalets d'été ou des salles de stockage.
- Facilité d'utilisation. La conception est équipée de trappes pratiques à travers lesquelles vous pouvez facilement charger du carburant ou nettoyer les chambres. Le bac à cendres peut être facilement retiré pour éliminer les produits de combustion.
- Polyvalence d'utilisation. L'unité de chauffage peut fonctionner avec tout type de combustible solide. Des bûches avec une humidité jusqu'à 45% peuvent également être utilisées.
- Sécurité opérationnelle. Pendant le fonctionnement de la chaudière, le monoxyde de carbone et la fumée ne sont pas émis dans la pièce.
Les chaudières non volatiles de Kholmov peuvent fonctionner en mode autonome jusqu'à 16 heures avec un remplissage de combustible dans la chambre.
Les inconvénients incluent la possibilité de dépôt de goudron et de suie sur les parois du compartiment de chargement.
Nuances du système de contrôle de la chaudière à combustion supérieure
Dans les chaudières à combustion longue à combustion par le haut, le principe de commande principal est la régulation des débits d'air entrant dans la chambre de combustion. Les unités standard sont équipées d'un dispositif mécanique pour cela. L'amortisseur à chaîne est actionné par un thermostat.
Le thermostat de la chaudière est réglé sur un certain régime de température. Lorsque le fluide caloporteur atteint le niveau requis, le registre est automatiquement réglé sur une certaine position, réduisant l'intensité de chauffage. Il est impossible de réduire drastiquement la température, car le liquide de refroidissement continuera à chauffer par inertie, chauffant la pièce.
Les appareils avec ventilateurs fonctionnent un peu différemment. Si vous avez besoin d'augmenter la puissance du transfert de chaleur, cela peut être fait précisément aux dépens du ventilateur. L'appareil soufflera de l'air. Grâce à cela, il est possible de réduire l'inertie de la chaudière. Le contrôle est automatique et les capteurs enregistrent les moindres changements de température du liquide de refroidissement.
Revue des meilleures chaudières à combustion supérieure
Actuellement, la production de chaudières à combustible solide s'est considérablement développée et de nombreux modèles d'entreprises étrangères et nationales sont présentés au choix des consommateurs. Jetons un coup d'œil aux meilleurs.
Stropuva
Les chaudières de la société bulgare Stropuva sont des unités compactes à haut rendement. Les appareils sont équipés d'un ventilateur soufflant. Le corps cylindrique a une structure d'arbre. Les appareils se caractérisent par d'excellentes performances combinées à un excellent design. Les chaudières universelles peuvent être chauffées avec du bois, de la tourbe ou des briquettes pressées. La puissance des modèles est de 8 à 40 kW, la surface chauffée est de 30 à 400 m². La teneur en humidité admissible du carburant peut atteindre 45%, ce qui est tout à fait conforme aux exigences modernes.
Liège
En Lituanie, les chaudières à combustion longue sont fabriquées avec un combustible solide de type universel, c'est-à-dire fonctionnant avec n'importe quel type de combustible. La puissance des unités varie de 10 à 40 kW, la surface chauffée peut atteindre 400 m².La durée de fonctionnement maximale sur une ponte de charbon est de 7 jours maximum, le bois de chauffage - jusqu'à 2 jours. La conception des chaudières est de type mine classique à combustion par le haut. Les chaudières Liepsnele ont un rendement élevé, pas moins de 90%, quel que soit le type de combustible et le choix du mode de fonctionnement.
Semaine
Les chaudières sont de forme rectangulaire, ont un design attrayant et des dimensions compactes. Pour une évacuation plus complète de la chaleur, des canaux sont prévus à travers lesquels passent les gaz de combustion chauffés. Chaudières russes à chauffage par le haut capables de fonctionner avec une charge de charbon jusqu'à 7 jours.


Semaine de la chaudière
La société Nedelka propose quatre variantes de chaudières de différentes capacités, en supposant le chauffage de locaux de différentes tailles : 50-250 m², 150-400 m², 400-800 m², 800-2000 m² .
Pour le chauffage de l'eau d'une maison privée, de nombreuses conceptions d'appareils de chauffage ont été développées. Les chaudières de mine se distinguent par leur efficacité et leur faible entretien. Leur coût est assez élevé, c'est pourquoi de nombreux artisans répètent les modèles d'usine à la maison ou les fabriquent selon leur propre conception.
Une chaudière de mine à combustion longue diffère des autres par la durée de combustion et les caractéristiques de l'appareil. Souvent, il n'est pas nécessaire d'ajouter du carburant, il possède une grande chambre à carburant et la combustion est lente. Deux types de chaudières minières ont été développées : à combustion conventionnelle et à pyrolyse. Chacun a un dispositif similaire de deux chambres: l'une brûle du carburant, l'autre a un échangeur de chaleur.
Une chaudière de mine à combustion conventionnelle est de conception plus simple. La moitié du volume total est occupée par un foyer d'une hauteur de presque toute l'unité, mais de faible largeur et profondeur. Sur le côté ou sur le dessus, il y a une trappe pour le chargement du carburant. Vue d'en haut, la chambre de combustion ressemble à une mine, d'où son nom. Un cendrier est situé sous la chambre de combustion, séparé de celle-ci par une grille. Par la porte du bac à cendres, l'accès s'ouvre non seulement à celle-ci, mais aussi à la chambre de combustion. L'entrée d'air est régulée par une grille située sous la porte.


La chaudière de mine ne nécessite pas de contrôle particulier en raison de sa durée de combustion
La deuxième partie importante est une chambre avec un échangeur de chaleur rempli d'eau ou, si la chaudière n'est pas utilisée pour le chauffage de l'eau chaude, un tube à feu. Les gaz y pénètrent par le foyer par le trou et sortent par la cheminée, chauffant simultanément l'échangeur de chaleur. De là, l'eau pénètre dans le système par des tuyaux ou de l'air chaud chauffe la pièce.
La chaudière à pyrolyse de type arbre a une conception similaire, mais est fabriquée avec quelques éléments supplémentaires:
- 1. Chambres dans lesquelles le monoxyde de carbone brûle et brûle. Situés au fond de l'espace d'échange thermique, les murs sont revêtus de briques en argile réfractaire.
- 2. Plusieurs tuyaux avec de nombreux petits trous. Grâce à eux, de l'air est fourni pour les chambres de combustion et la postcombustion.
- 3. En haut du mur, il y a des vannes pour séparer les deux chambres.
Le principe de fonctionnement de la chaudière à pyrolyse est quelque peu différent. Pendant le foyer, le débit d'air est limité, une combustion lente provoque la formation d'une grande quantité de gaz qui pénètrent dans les chambres supplémentaires et brûlent. Les chaudières brûlent n'importe quel combustible solide : charbon, bois, pellets. Une charge de charbon suffit pour cinq jours, du bois de chauffage - pas plus de trente heures. En raison de la combustion complète, ces chaudières ont un rendement élevé - jusqu'à 90%.
La conception proposée a une puissance de 22 kW, un rendement de 75 %. Il fonctionne au bois pendant 10 heures sans charge supplémentaire, au charbon - pendant une journée. Le foyer a un volume de 83 litres jusqu'au bord inférieur de l'ouverture de chargement. La chaudière est équipée d'automatismes fabriqués en Pologne: une unité de commande avec une sonde de température KG Elektronik SP-05 et un ventilateur DP-02. La vue générale est représentée sur le dessin.


L'appareil fonctionne comme suit :
- 1. Le bois de chauffage est chargé dans la chambre de combustion et mis le feu. Les portes sont hermétiquement fermées.
- 2.La température de chauffage requise est réglée sur l'unité de commande, au moins 50 °. Le bouton de l'unité est enfoncé et le ventilateur commence à souffler de l'air.
- 3. Lorsque la température de consigne est atteinte, l'alimentation en air par le ventilateur s'arrête. Le bois de chauffage couve lentement, il donne très peu de chaleur.
- 4. Après un certain temps, la température baisse. Le ventilateur se remet en marche et la combustion continue.
L'unité électronique régule le processus de combustion, qui se déroule à une efficacité maximale. Il n'y a pratiquement pas de combustion lente, des modes de combustion intensive et de veille sont utilisés.
La figure suivante montre une vue intérieure.


Le combustible solide est brûlé selon le schéma classique : la chaleur est directement transférée aux parois de la chemise d'eau et au toit du réservoir. Il a un échangeur de chaleur intégré qui prend la chaleur des gaz. L'air chauffé est introduit dans la chambre de combustion par le conduit d'air par le bas. Le combustible chargé en grande quantité assure une longue durée de fonctionnement de la chaudière. En attendant, lorsque le ventilateur s'éteint, l'air est complètement bloqué par un volet gravitaire, déclenché par un équipement automatique, le tirage naturel est bloqué.
Le dessin montre l'arrière avec un échangeur de chaleur à tube à flamme.


Lors de l'assemblage de nos propres mains, nous utilisons les dessins, nous respectons les dimensions spécifiées. La séquence est la suivante:
- 1. Découpez le corps dans du métal de 4 mm : fond, parois latérales, couvercle, portes. Tout colle au fond, qui se dégage sur les côtés, comme sur le dessin. A l'intérieur, on fixe les coins par soudure, qui serviront d'étagère pour la grille.
- 2. Soudez soigneusement les joints et passez à une chemise d'eau métallique de 3 mm. Il se retire des parois du boîtier de 20 mm et, pour l'installer, nous soudons des bandes d'acier sur le boîtier. Nous leur soudons la peau.
- 3. Installation des tubes à flamme sur le dessus de la chaudière. Nous découpons des trous dans les parois arrière et avant, insérons plusieurs tuyaux, soudons aux extrémités.
- 4. Découpez les portes, soudez deux bandes de l'intérieur, mettez de l'amiante entre elles pour sceller. Des grilles Grizzly mesurant 360 × 460 mm sont découpées dans les coins et soudées aux étagères avec un coin extérieur.
- 5. Dans les parois du réservoir, nous coupons les raccords des conduites d'alimentation et de retour, le tuyau de dérivation du canal de fumée. Nous soudons un conduit d'air à partir d'un tube profilé de 40 × 60 mm. Un ventilateur y sera fixé à travers la bride. L'entrée d'air se fait par la paroi arrière.
- 6. Nous soudons sur les charnières de la porte et les languettes pour fixer le cadre décoratif. Nous enveloppons le réservoir de la chaudière avec une isolation en basalte, le fixons avec un cordon. Nous fixons le cadre avec des vis autotaraudeuses aux languettes, installons les portes.
Descriptif du matériel
Les chaudières minières à combustion longue sont une technique efficace caractérisée par la durée de combustion du combustible la plus longue possible et des caractéristiques de conception uniques. La présence d'une chambre à combustible de taille accrue élimine le besoin de chargements fréquents et, grâce à la conception spéciale du ventilateur, une combustion lente est assurée avec le dégagement d'une grande quantité de chaleur.
Les plus répandues aujourd'hui sont deux conceptions de chaudières de mine :
- Pyrolyse.
- Avec une combustion normale.
Ces deux configurations ont deux chambres, dans l'une desquelles est disposé un échangeur de chaleur et la seconde est utilisée pour la combustion du carburant. La chaudière à cuve à combustion par le bas se distingue par sa simplicité de conception et dispose d'un four avec une hauteur pour l'ensemble de l'unité, ce qui permet de simplifier considérablement le chargement. La chambre de combustion ressemble à une mine dans son apparence, qui était le nom de ce type d'équipement de chauffage.
Dans cette vidéo, nous allons considérer une chaudière de mine :
La chambre de l'échangeur de chaleur est fabriquée selon la technologie classique du tube à flamme. A l'intérieur de ce compartiment sont posés de nombreux tuyaux dans lesquels circule un échangeur de chaleur, chauffé par l'air chaud provenant du foyer.La cheminée peut être réalisée à la fois sous la forme d'un tuyau vertical et d'un type coaxial, qui est conduit à travers le mur le plus proche de la rue.
Lire la suite: faites-le vous-même cheminée.
Les chaudières de mine pour le brûlage de fond à long terme sur bois ont reçu une conception modifiée, ce qui a permis d'assurer la combustion la plus longue possible. Une telle chaudière est complétée par les éléments suivants:
- Dans des chambres supplémentaires, situées sous l'échangeur de chaleur, le monoxyde de carbone est brûlé, ce qui permet d'améliorer le rendement de la chaudière.
- Des tuyaux percés de nombreux petits trous sont posés dans la chambre de pyrolyse, ce qui permet de fournir l'air nécessaire à la combustion du monoxyde de carbone.
- Une soupape est située directement au-dessus de la chambre de pyrolyse, ce qui vous permet de réduire et d'augmenter l'intensité de la combustion du carburant.
C'est intéressant: quel bois donne le plus de chaleur.
Le principe de fonctionnement d'une telle chaudière de mine à pyrolyse repose sur la limitation du débit d'air dans la chambre de combustion. En conséquence, le bois brûle extrêmement lentement, ce qui entraîne la formation d'une grande quantité de monoxyde de carbone. Cette conception permet une efficacité de l'équipement jusqu'à 90 %.
Principe de fonctionnement de la chaudière à bois, longue combustion
Le dispositif et le principe de fonctionnement d'une chaudière à bois pour un fonctionnement à long terme à partir d'une charge visent à recréer de telles conditions dans l'espace limité de la chambre de combustion. Le bois de chauffage ne brûle pas au sens plein du terme, mais il brûle. Le temps de fonctionnement augmente et le manque de chaleur est compensé par la postcombustion des gaz libérés.
La conception des chaudières à combustion longue comprend les unités suivantes:
- Chambre de combustion - l'appareil dispose de deux chambres de combustion à la fois. Le premier four (à chargement vertical ou horizontal) est conçu pour le chauffage au bois. La deuxième chambre est utilisée pour la postcombustion du dioxyde de carbone produit. Pour assurer une combustion complète du gaz, le foyer est composé de briques en argile réfractaire, ce qui évite les déperditions de chaleur et permet de maintenir une température d'environ 800°C.


Production d'une chaudière de pyrolyse de mine
Les plus populaires aujourd'hui sont les conceptions améliorées des chaudières à pyrolyse, qui ont un rendement élevé, économisent du carburant, peuvent fonctionner à partir d'une charge pendant 24 heures ou plus, fournissant un chauffage de haute qualité de la pièce. En raison de la simplicité de la conception d'une telle installation, elle peut être réalisée indépendamment, même avec une expérience minimale du soudage.
Outils et matériaux requis
Si vous disposez d'un schéma de fabrication d'une chaudière à pyrolyse de mine, il ne sera pas difficile de le réaliser. Un tel travail ne nécessite l'utilisation d'aucun équipement professionnel complexe, vous pouvez vous en tirer avec les outils et matériaux suivants :
- Coupeur de gaz.
- Machine de soudage.
- Divers outils de menuiserie.
- Tôle d'acier de 5 et 2 millimètres d'épaisseur.
- Tuyaux de divers diamètres.
- Brique d'argile réfractaire à haute température.
- Coins 4 par 4 centimètres.
- Double porte en frêne avec joint en amiante et volet de régulation d'air.
- Trois vannes nécessaires pour la cheminée et les cloisons entre les chambres.
- Portes pour le service de la chambre d'échange de chaleur.
- Tôle d'acier galvanisée.
- Laine de basalte.
Une condition préalable à la mise en œuvre d'une chaudière à combustible solide de mine de haute qualité sera la disponibilité d'un schéma approprié pour la fabrication d'un tel équipement. Vous pouvez faire un dessin vous-même, mais il est plus facile de le trouver dans des sources ouvertes sur Internet. Par la suite, tous les travaux, notamment la découpe du métal, sont effectués sur la base des plans et de la documentation disponibles.
Lors du choix d'un dessin spécifique pour la fabrication d'une chaudière, vous devez faire attention au volume du compartiment de combustion.Plus il est grand, plus la chaudière de la mine à combustion inférieure fonctionnera longtemps à partir d'un seul ravitaillement. Il est possible de fabriquer un tel équipement dont la taille du compartiment de combustion permettra à la chaudière de chauffer la pièce pendant deux ou trois jours, ce qui simplifie grandement l'entretien des équipements et la vie dans une maison privée.
Exécution de la partie principale
La partie principale de la chaudière est généralement comprise comme un corps fait maison, qui est divisé en plusieurs chambres. Des cloisons et des vannes sont réalisées entre elles, ce qui vous permet de réguler le volume d'air entrant dans la chambre de combustion.... Le corps est fait comme suit :
- Ils étudient le dessin et déterminent les dimensions et la méthode de découpe de la tôle.
- Un schéma de découpe est réalisé sur une tôle à l'aide d'un revêtement et la tôle d'acier est découpée par soudage autogène ou par découpe plasma.
- Les côtés du corps sont soudés à double couture.
- Dans la cloison entre l'échange thermique et la chambre à combustible, deux trous sont pratiqués, dont l'un est situé sur le dessus, et le second au niveau de la grille.
- L'ébauche de la chambre de combustion est installée dans le corps et clouée par soudure. Un loquet est fixé à l'ouverture supérieure de la cloison et la base est soudée.


Créez une ambiance chaleureuse dans votre maison avec les chaudières à pyrolyse
- Une grille est réalisée, pour laquelle des trous longitudinaux étroits sont découpés dans la tôle d'acier à l'aide d'un revêtement. Vous pouvez utiliser une grille en fonte ou en acier achetée, ce qui simplifiera quelque peu la fabrication de la chaudière de vos propres mains.
- La grille est soudée ou installée sur les coins.
- Les trous nécessaires sont découpés dans les parois latérales, ce qui sera nécessaire pour les portes de la chambre de combustion et du cendrier.
- À l'intérieur de la chambre thermique, deux rangées de tubes profilés ou d'angles sont soudées. Par la suite, les éléments de la chemise d'eau y seront fixés, ce qui n'est pas recommandé pour être placé à l'intérieur de la chambre de pyrolyse, car cela peut perturber la postcombustion des gaz.
- Un échangeur de chaleur est installé et soudé dans le corps, à l'intérieur duquel se trouve une chemise d'eau. Il est fabriqué à partir de tuyaux d'un diamètre de 2,5 centimètres.
- Au niveau de la grille, une cloison est soudée, qui sert de fond de postcombustion à combustible.
- Un trou est découpé dans la partie inférieure, qui sera nécessaire pour le tuyau d'alimentation en air.
- Pour alimenter en air la chambre de pyrolyse, un tuyau d'un diamètre de 5 centimètres est utilisé, dans lequel un grand nombre de petits trous sont percés. Un volet borgne est soudé à l'extrémité du tuyau.
- Les parois de la chambre de combustion sont revêtues de briques en argile réfractaire. Si nécessaire, il est taillé, après quoi, à l'aide d'une solution à haute température, la maçonnerie est réalisée.
- De plus, la maçonnerie peut être isolée avec de la laine de basalte, ce qui améliore l'efficacité thermique de l'équipement.
Ceci termine la production de la pièce principale. Il reste à faire un échangeur de chaleur, à l'intérieur duquel circulera un liquide, chauffé par des gaz chauds et dégageant par la suite de la chaleur à travers les radiateurs installés dans la maison.
Ensemble échangeur de chaleur
Un échangeur de chaleur, ou, comme on l'appelle aussi, une chemise d'eau, comprend plusieurs rangées de tuyaux horizontaux. Vous pouvez acheter des options toutes faites dans les magasins spécialisés qui vendent des pièces de rechange pour les équipements de chauffage. Si nécessaire, vous pouvez fabriquer vous-même un échangeur de chaleur de haute qualité et durable ou en utiliser un ancien. DANSCes travaux sont exécutés comme suit :
- Conformément au schéma en main, une coque rectangulaire ou carrée est soudée. Sa largeur et sa profondeur doivent être inférieures d'environ 6 centimètres aux dimensions de la chambre d'échange thermique.
- Deux trous sont découpés dans la virole, qui coïncident avec l'emplacement de la vanne dans la cloison de la chaudière et avec le trou de nettoyage de la chambre de pyrolyse.
- Sur les côtés opposés de la coque, des trous sont percés pour un tuyau d'un diamètre de 2,5 centimètres.Pour de tels travaux, utilisez une perceuse avec une couronne en diamant ou une perceuse spéciale pour le métal. Les trous sont décalés pour une efficacité de chauffage maximale.
- Les tuyaux sont coupés, après quoi ils sont insérés dans les ouvertures existantes dans le corps de la chaudière et soudés avec une double couture.
Si vous disposez d'un diagramme de haute qualité avec les dimensions détaillées de chaque élément d'une chaudière de mine, vous pouvez le faire même avec l'équipement le plus simple et une expérience minimale avec une machine à souder. Il suffit d'utiliser de l'acier ultra-résistant de haute qualité, qui garantira la durabilité la plus élevée possible.
La chaudière de mine à combustion longue est efficace, économe en carburant et facile à utiliser. Les équipements de chauffage de ce type sont aujourd'hui largement utilisés dans l'organisation du chauffage autonome à base de chaudières à combustible solide. Ces unités se distinguent par leur simplicité de conception qui, en présence d'un schéma de fabrication d'équipements de haute qualité, vous permet de l'exécuter vous-même, réduisant considérablement les dépenses du propriétaire pour l'organisation des services publics dans une maison privée.
Comment choisir une chaudière à bois à combustion lente
Les chaudières à bois à combustion longue sont proposées par plusieurs fabricants nationaux et étrangers. La conception de l'équipement, ainsi que les caractéristiques de génie thermique, diffèrent considérablement. Lors du choix d'un générateur de chaleur, une attention particulière est accordée aux paramètres suivants:
- Performance.
- Caractéristiques de conception.
- Pays du fabricant.
Selon les trois paramètres énumérés ci-dessus, un modèle de chaudière approprié est sélectionné pour les besoins domestiques.
Calcul de puissance
Une chaudière à bois bien sélectionnée pour une longue durée de vie, gère facilement le chauffage d'une surface habitable jusqu'à 400 - 500 m². Lors du choix, les performances du générateur de chaleur sont prises en compte. Le calcul de la puissance est effectué comme suit :
- Calculez la superficie totale de la maison.
- Calculer la puissance requise de la chaudière en utilisant la formule 1 kW = 10 m².
- Si un circuit ECS est présent dans l'ouvrage, 15 à 20 % de la réserve s'ajoutent au résultat obtenu.
Les calculs ci-dessus conviennent aux bâtiments avec un degré moyen d'isolation thermique, situés à la latitude moyenne de la Russie et dont la hauteur sous plafond ne dépasse pas 2,7 m. Pour les pièces avec une configuration complexe, un grand nombre d'ouvertures de fenêtres et de portes, les calculs sont effectués à l'aide de calculatrices en ligne.
Caractéristiques de fonctionnement des chaudières à bois à combustion longue
Le temps de combustion d'un signet de bois de chauffage est de 8 à 24 heures. La durée de vie de la batterie dépend de plusieurs facteurs :
- Type de chaudière.
- Qualité du carburant.
- Fonctionnement correct.
Apprendre à bien chauffer la chaudière est beaucoup plus facile qu'il n'y paraît à première vue. Lors de l'allumage et du fonctionnement ultérieur, ils satisfont aux exigences spécifiées par le fabricant dans la documentation technique. Après quelques foyers, le processus devient familier.


Comment obtenir du bois de chauffage à combustion longue
Vous pouvez obtenir une combustion à long terme du bois de chauffage en suivant attentivement les recommandations du fabricant :
- Le bois de chauffage est allumé avec le registre complètement ouvert.
- La chaudière ne passe en mode de combustion longue qu'après avoir atteint la température de 600 ° .
- La teneur en humidité du bois ne doit pas dépasser 20 %. Le chauffage avec des conifères n'est pas recommandé.


Les violations des règles de fonctionnement entraînent la formation de résine du bois dans la chaudière. Le plus souvent, les conditions suivantes ne sont pas remplies :
- La température minimale du liquide de refroidissement à la sortie ne doit pas descendre en dessous de 65 ° C.
- Il est correct de chauffer la chaudière avec du bois de chauffage en bois dur : tremble, hêtre, acacia, chêne, etc.
- La forte teneur en humidité du bois entraîne une libération abondante de résine.
Le bon fonctionnement des chaudières à combustion longue prolonge la durée de vie des équipements et augmente le transfert de chaleur.
Comment charger correctement le bois de chauffage


L'allumage s'effectue exclusivement avec des éclats secs.Il est interdit d'utiliser de l'essence ou du kérosène pour allumer du bois de chauffage. De temps en temps, il est recommandé d'utiliser des briquettes chimiques spéciales qui éliminent les dépôts de goudron sur les murs.
Combien de bois de chauffage est nécessaire pour la saison d'hiver
Le dispositif de la chaudière à combustion longue, permet d'économiser du carburant, environ 15-30%, selon le modèle choisi. La consommation approximative de bois de chauffage est calculée comme suit :
- Il est généralement admis que pour un chauffage tous les 100 m², 3 Gcal/mois seront nécessaires.
- Lorsqu'un kilogramme de bois de chauffage est brûlé, 3200 kcal sont libérés.
- Pour obtenir 1 Gcal, les chaudières à combustion longue brûlent 312 kg de bois de chauffage.
- Pour obtenir 3 Gcal, il vous faudra environ une tonne de bois.
Pendant la saison de chauffage, pour chauffer une maison de 100 m², vous avez besoin de 7 à 8 tonnes de bois de chauffage.


Règles et règlements pour l'installation d'une chaudière à bois à combustion longue
L'installation d'une chaudière à combustion longue est réalisée dans le respect des normes applicables à toutes les chaudières fonctionnant au bois. Lors des travaux d'installation, tenez compte des exigences existantes de PPB et SNiP :
- L'installation s'effectue sur une base solide et incombustible. Les murs et les sols sont recouverts de matériaux de construction incombustibles.
- La cheminée est réalisée dans le respect des coupes feu. À la jonction avec le mur en matériau combustible, un isolant résistant au feu est posé. Le matériau est doublé de tôle d'acier.


Le chauffage de l'eau d'une chaudière à bois à combustion longue est connecté à des sorties spéciales situées sur le corps de la chaudière. Les instructions indiquent en détail quel tuyau de dérivation va à l'alimentation et au retour du circuit d'eau.


- Une chaudière d'une puissance supérieure à 40 kW est installée dans une pièce séparée.
- Les chaudières volatiles sont connectées à l'alimentation électrique via un stabilisateur et une alimentation sans coupure. Assurez-vous d'utiliser des machines. La connexion se fait directement depuis la salle de contrôle.
Dans la pièce utilisée pour la chaufferie, il est nécessaire d'avoir une ventilation de soufflage et d'extraction et de la lumière naturelle. Si nécessaire, il est permis de placer la chaudière au sous-sol.
Avantages et inconvénients d'une chaudière de mine
- Pour le fonctionnement de la chaudière, vous pouvez utiliser du bois de chauffage humide à 50%.
- Grand choix de chaudières de différentes productions
- Peut être utilisé dans les maisons, les chalets d'été, les locaux industriels.
- Économie d'énergie.
- Un signet de bois de chauffage en mode économique durera jusqu'à 20 heures.
- La chaudière de la mine n'est pas difficile à entretenir et à nettoyer.
- Il n'y a pas de fumée dans la pièce provenant de la chaudière.


L'inconvénient est le coût élevé.


















