Dans cet article, nous discuterons des différents types de capteurs de température et de la manière dont ils peuvent être utilisés au cas par cas. La température est un paramètre physique mesuré en degrés. C'est une partie essentielle de tout processus de mesure. Les domaines nécessitant des mesures de température précises comprennent la médecine, la recherche biologique, l'électronique, la recherche sur les matériaux et les performances thermiques des produits électriques. Un appareil utilisé pour mesurer la quantité d'énergie thermique qui nous permet de détecter les changements physiques de température est appelé capteur de température. Ils sont numériques et analogiques.
Principaux types de capteurs
En général, il existe deux méthodes pour obtenir des données:
1. Contact... Les capteurs de température de contact sont en contact physique avec un objet ou une substance. Ils peuvent être utilisés pour mesurer la température de solides, de liquides ou de gaz.
2. Sans contact... Les capteurs de température sans contact détectent la température en interceptant une partie de l'énergie infrarouge émise par un objet ou une substance et en détectant son intensité. Ils ne peuvent être utilisés que pour mesurer la température dans les solides et les liquides. Ils sont incapables de mesurer la température des gaz en raison de leur incolore (transparence).
Symptômes d'un dysfonctionnement du DTOZH
Le capteur de refroidissement liquide, comme tout autre capteur, peut présenter des dysfonctionnements qui entraîneront un dysfonctionnement du moteur.
Les principaux signes indiquant une panne de l'appareil:
- augmentation de la consommation de carburant;
- mauvais échappement lorsque le moteur est froid;
- problèmes de démarrage du moteur par temps froid.
En règle générale, si un tel problème se produit, le capteur n'a pas besoin d'être remplacé. Le problème peut être dû à un contact desserré ou endommagé, à un problème de câblage ou à une fuite de liquide de refroidissement.
Parfois un moteur froid troit et "saucisse", et son régime de ralenti saute de valeurs minimales à maximales par minute, et après quelques minutes ou à partir d'un redémarrage, la situation est corrigée.
Ce problème peut être causé par une panne du capteur de température du liquide de refroidissement.
Vous pouvez vérifier l'état de l'appareil à l'aide d'un ohmmètre. Dans ce cas, vous n'avez pas besoin de le dévisser. Ce n'est pas sa résistance qui est vérifiée, mais le capteur de masse.
Lorsque le capteur est en ordre, la résistance tend vers l'infini, si elle est cassée, alors la résistance est de 10 kΩ ou moins.
Types de capteurs de température
Il existe de nombreux types de capteurs de température. Du simple contrôle marche / arrêt d'un appareil thermostatique aux systèmes de contrôle complexes de l'approvisionnement en eau, avec la fonction de le chauffer, utilisés dans les processus de croissance des plantes. Les deux principaux types de capteurs, avec et sans contact, sont subdivisés en capteurs résistifs, de tension et électromécaniques. Les trois capteurs de température les plus couramment utilisés sont:
- Thermistances
- Thermocouples à résistance
- Thermocouple
Ces capteurs de température diffèrent les uns des autres en termes de paramètres opérationnels.
TECHNOLOGIES DE DÉVELOPPEMENT D'ÉQUIPEMENT
Leçon sur la connexion de capteurs de température intégrés avec sortie analogique au contrôleur Arduino. Un projet de travail du thermomètre est présenté et le traitement programmé des informations provenant des capteurs de température est décrit.
Leçon précédente Liste des leçons Leçon suivante
Avec cette publication, je commence une série de leçons sur la mesure de la température dans le système Arduino. Au total, 4 cours sont prévus sur différents types de capteurs de température:
- capteurs de température intégrés avec sortie analogique - LM35, TMP35, TMP36, TMP37;
- capteurs de température en silicium de la série KTY81;
- capteurs intégrés avec interface numérique 1 fil - DS18B20;
- thermocouples (convertisseurs thermoélectriques).
Dans chaque leçon, je vais vous dire:
- brièvement sur le principe de fonctionnement et les paramètres des capteurs de température;
- sur les schémas de connexion des capteurs de température aux microcontrôleurs;
- Je vais vous parler du traitement logiciel des informations des capteurs de température;
- Je vais donner un schéma d'un thermomètre basé sur la carte Arduino et le logiciel correspondant.
Chaque leçon examinera un projet de thermomètre basé sur un contrôleur Arduino fonctionnant:
- en mode autonome avec sortie d'informations sur l'indicateur LED;
- dans le mode de communication avec un ordinateur, ce qui permet non seulement d'afficher la température actuelle, mais également d'enregistrer les changements de température avec la sortie de données sous forme graphique.
Capteurs de température intégrés avec sortie de tension analogique.
Avec toute la variété de ces appareils, les qualités générales suivantes leur sont inhérentes:
- la tension de sortie est linéairement proportionnelle à la température;
- les capteurs ont un facteur d'échelle étalonné pour la dépendance de la tension de sortie à la température; un étalonnage supplémentaire n'est pas nécessaire.
En termes simples, pour mesurer la température à l'aide de capteurs de ce type, il est nécessaire de mesurer la tension en sortie et, grâce à un facteur d'échelle, de la convertir en température.
Il existe de nombreux capteurs thermiques qui entrent dans cette catégorie. Je voudrais souligner les types de capteurs de température suivants:
- LM35;
- TMP35;
- TMP36;
- TMP37.
Ce sont les appareils les plus courants, assez précis et peu coûteux. J'ai écrit des articles sur ces capteurs. Vous pouvez consulter les liens LM35 et TMP35, TMP36, TMP37. Tous les paramètres, les caractéristiques techniques des appareils, les schémas de connexion typiques y sont décrits en détail.
Connexion de capteurs de température à un microcontrôleur.
Il est plus pratique d'utiliser des capteurs dans le boîtier TO-92.
Le schéma de câblage des appareils du boîtier TO-92 ressemble à ceci.

Tous les capteurs répertoriés fonctionneront selon ce schéma. Vous trouverez des informations sur d'autres schémas de mise en marche des capteurs de température aux liens LM35 et TMP35, TMP36, TMP37.
Paramètres de base, différences de capteur.
Les différences fondamentales entre les capteurs répertoriés les uns des autres sont les suivantes:
- Le TMP36 est le seul des capteurs de température répertoriés capable de mesurer des températures négatives.
- Les capteurs ont différentes plages de mesure de température.
Nous parlons de capteurs de température connectés selon le schéma ci-dessus. Par exemple, il existe un circuit de commutation LM35 qui vous permet de mesurer des températures négatives. Mais il est plus difficile à mettre en œuvre et nécessite une puissance supplémentaire. Il est préférable d'utiliser le TMP36 pour les températures négatives.
J'ai résumé les principaux paramètres des capteurs de température LM35, TMP35, TMP36, TMP37 pour ce circuit dans un tableau.
| Un type | Plage de mesure de température, ° C | Décalage de la tension de sortie, mV | Facteur d'échelle, mV / ° C | Tension de sortie à +25 ° C, mV |
| LM35, LM35A | 0 … + 150 | 0 | 10 | 250 |
| LM35C, LM35CA | 0 … + 110 | 0 | 10 | 250 |
| LM35D | 0 … + 100 | 0 | 10 | 250 |
| TMP35 | + 10 … + 125 | 0 | 10 | 250 |
| TMP36 | — 40 … + 125 | 500 | 10 | 750 |
| TMP37 | + 5 … + 100 | 0 | 20 | 500 |
Pour tous les capteurs de température, la tension de sortie ne peut être que positive, mais en raison de la polarisation, le TMP36 est capable de mesurer des températures négatives. La tension nulle à sa sortie correspond à une température de -40 ° C, et avec une tension de sortie de 0,5 V, la température sera de 0 ° C. Je trouve que le TMP36 est le capteur de température I / C analogique le plus convivial et je les utilise assez largement.
Projet Arduino de thermomètre sur capteurs de température LM35, TMP35, TMP36, TMP37.
Nous développerons un thermomètre qui:
- En mode autonome, affichez la valeur de la température sur un indicateur à diode électroluminescente (LED) à sept segments à quatre chiffres.
- Envoyez la valeur de température actuelle à l'ordinateur. Vous pouvez l'observer à l'aide du moniteur de port série Arduino IDE.
- À l'aide d'un programme spécial de haut niveau (je l'ai écrit): affichez la température mesurée sur l'écran de l'ordinateur.
- enregistrer les changements de température et les afficher graphiquement.
Circuit de thermomètre basé sur la carte Arduino UNO R3.
Il est nécessaire de se connecter à la carte Arduino:
- indicateur LED à quatre chiffres et sept segments en mode multiplexé;
- capteur de température TMP36 ou similaire.
J'ai choisi le type d'indicateur LED GNQ-3641BUE-21. Il est lumineux, de la taille optimale pour cette tâche. Nous l'avons connecté à la carte Arduino dans la leçon 20. Dans cette leçon, vous pouvez voir la documentation de l'indicateur, les schémas de connexion. Il existe également une description de la bibliothèque pour contrôler les voyants LED à sept segments.
Le circuit du thermomètre basé sur la carte Arduino UNO R3 ressemble à ceci.


L'indicateur LED est connecté au contrôleur en mode multiplexé (leçon 19, leçon 20).
Le capteur de température est connecté à l'entrée analogique A0. Condensateur C1 - blocage de l'alimentation du capteur, R1 et C2 - le filtre analogique le plus simple. Si le capteur thermique est installé à proximité du microcontrôleur, le filtre peut être exclu du circuit.
TMP35, TMP36, TMP37 permettent de travailler sur une charge d'une capacité allant jusqu'à 10 nF et LM35 - pas plus de 50 pF. Par conséquent, si le capteur est connecté au contrôleur avec une longue ligne avec une capacité significative, alors la résistance R1 doit être installée du côté du capteur et le condensateur C2 du côté du contrôleur. Le condensateur de blocage C1 est toujours installé à côté du capteur de température.
Dans tous les cas, le filtrage numérique du signal du capteur sera implémenté dans le programme du contrôleur.
Pour le tester, j'ai assemblé l'appareil sur une maquette.


Calcul de la température.
Le principe est simple. Pour calculer la température des capteurs LM35, TMP35, TMP37, vous devez:
- Lisez le code ADC.
- Calculez la tension à la sortie du capteur comme Uout = N * Uion / 1024, où
- Uout - tension à la sortie du capteur de température;
- N - code ADC;
- Uion - tension de la source de tension de référence (pour notre circuit 5 V);
- 1024 - le nombre maximum de gradations ADC (10 bits).
Les formules de calcul de la température pour différents capteurs avec une tension de référence de 5 V ressemblent à ceci.
| Type de capteur | La formule de calcul de la température T (° C), avec une tension de référence de 5 V, à partir du code ADC - N. |
| LM35, TMP35 | T = (N * 5/1024) / 0,01 |
| TMP36 | T = (N * 5/1024 - 0,5) / 0,01 |
| TMP37 | T = (N * 5/1024) / 0,02 |
Si un filtrage numérique est utilisé, il est également nécessaire de prendre en compte son coefficient. Vous devez également comprendre que les formules sont écrites sous une forme facile à comprendre. Dans un programme réel, il est préférable de calculer à l'avance la partie constante de la formule et de l'utiliser comme coefficient. Ceci est décrit en détail dans la leçon 13. Il y a aussi des informations sur la lecture et le filtrage numérique d'un signal analogique.
Programme de thermomètre Arduino.
Le programme doit exécuter les fonctions suivantes:
- lire les valeurs des codes ADC;
- les moyenne (filtrage numérique) pour augmenter l'immunité au bruit;
- calculer la température à partir du code ADC;
- afficher la valeur de la température sur un indicateur LED à quatre chiffres au format: signe;
- dizaines;
- unités;
- dixièmes de ° C
Le développement du programme est basé sur le principe habituel:
- une interruption de temporisation d'une période de 2 ms est implémentée;
- dans celui-ci, un processus parallèle se produit: régénération de l'indicateur LED;
- lire les codes ADC et faire la moyenne de leurs valeurs;
- minuteries logicielles.
- synchronisation à partir de la minuterie de programme 1 s;
Si vous lisez les leçons précédentes, tout sera clair.
Les bibliothèques MsTimer2.h et Led4Digits.h doivent être connectées. Vous pouvez télécharger les bibliothèques de la leçon 10 et de la leçon 20. Il existe également une description détaillée et des exemples. Voir la leçon 13 pour mesurer la tension des entrées analogiques.
Je vais tout de suite donner une esquisse du programme.
// thermomètre, capteurs LM35, TMP35, TMP36, TMP37 #include #include
#define MEASURE_PERIOD 500 // temps de mesure, * 2 ms #define ADC_RESOLUTION 4.8828125 // résolution ADC, mV (5000 mV / 1024) #define OFFSET 500. // offset de tension de sortie, mV (pour TMP36) #define SCALE_FACTOR 10. / / facteur d'échelle, mV (pour TMP36)
int timeCount; // compteur de temps de mesure long sumA0; // variable de sommation des codes ADC long avarageTemp; // valeur de température moyenne (somme des codes ADC, valeur moyenne * 500) boolean flagTempReady; // signe de l'état de préparation de la température du flotteur de mesure de la température; // température calculée, ° C
// type d'indicateur 1; produits des catégories 5,4,3,2; broches de segment 6,7,8,9,10,11,12,13 Led4Digits disp (1, 5,4,3,2, 6,7,8,9,10,11,12,13);
void setup () {MsTimer2 :: set (2, timerInterrupt); // définit la période d'interruption du minuteur sur 2 ms MsTimer2 :: start (); // activer l'interruption de la minuterie Serial.begin (9600); // initialise le port, vitesse 9600}
boucle void () {
if (flagTempReady == true) {flagTempReady = false; // les données sont prêtes
// calcul de la température température = (avarageTemp * ADC_RESOLUTION / 500. - OFFSET) / SCALE_FACTOR;
// affichage de la température sur l'indicateur if (temperature> = 0) {// température positive disp.print ((int) (temperature * 10.), 4, 1); } else {// température négative disp.digit [3] = 0x40; // moins est affiché disp.print ((int) (temperature * -1 * 10.), 3, 1); } disp.digit [1] | = 0x80; // allume le point du deuxième chiffre // transfère la température à l'ordinateur Serial.println (temperature); }}
// ————————————— gestionnaire d'interruption 2 ms void timerInterrupt () {disp.regen (); // régénère l'indicateur LED
// mesure de la température moyenne timeCount ++; // +1 compteur d'échantillons de moyenne sumA0 + = analogRead (A0); // sommation des codes A0 du canal ADC
// vérifier le nombre d'échantillons de moyennage if (timeCount> = MEASURE_PERIOD) {timeCount = 0; avarageTemp = sommeA0; // surcharge la valeur moyenne sumA0 = 0; flagTempReady = vrai; // signe que le résultat est prêt}}
Vous pouvez télécharger le croquis à partir de ce lien:
Inscrivez-vous et payez. Seulement 40 roubles. par mois pour accéder à toutes les ressources du site!
Chargement, vérification. Nous démarrons le moniteur de port série et vérifions les données sur l'ordinateur.


Le programme est conçu pour les capteurs TMP36, mais il est facile à adapter à d'autres types de capteurs. Pour ce faire, il suffit de modifier les valeurs du facteur d'échelle et de l'offset, spécifiées au début du programme avec les instructions #define.
| Type de capteur | Facteur et biais |
| LM35, TMP35 | #define OFFSET 0. #define SCALE_FACTOR 10. |
| TMP36 | #define OFFSET 500. #define SCALE_FACTOR 10. |
| TMP37 | #define OFFSET 0. #define SCALE_FACTOR 20. |
Résolution et précision du thermomètre.
La résolution de l'ADC dans notre circuit est de 5 V / 1024 = 4,88 mV.
Résolution du thermomètre :
- à un facteur d'échelle de 10 mV / ° C (capteurs LM35, TMP35, TMP36) est inférieur à 0,5 ° C;
- à un facteur d'échelle de 20 mV / ° C (sonde TMP37) est inférieur à 0,25 ° C.
Paramètres assez décents.
Quant à l'erreur de mesure, elle est un peu pire.
L'erreur de mesure des capteurs eux-mêmes est:
- pas plus de 0,5 ° C pour LM35;
- pas plus de 1 ° C pour TMP35, TMP36, TMP37.
Erreur de mesure de l'ADC de la carte Arduino.
Dans notre appareil, nous avons utilisé une tension de référence de 5 V, c'est-à-dire tension d'alimentation. Dans les cartes Arduino UNO R3, la tension 5 V est formée sur le régulateur linéaire NCP1117ST50. Les spécifications au format PDF peuvent être consultées sur ce lien NCP117.pdf. La stabilité de la tension de sortie de ce microcircuit est assez élevée - 1%.
Ceux. l'erreur de mesure totale du thermomètre ne dépasse pas 2%.
Il peut être légèrement augmenté en mesurant la tension de 5 V sur la carte et en réglant la résolution ADC dans le paramètre non pas à 5 V, mais à une valeur plus précise. Sur ma carte, la tension s'est avérée être de 5,01 V.Dans mon programme, vous devez réparer:
#define ADC_RESOLUTION 4.892578 // Résolution ADC, mV (5010 mV / 1024)
Utilisation d'une référence de tension externe pour la carte Arduino.
Mais il existe un moyen radical d'améliorer à la fois la précision et la résolution des mesures ADC. Il s'agit de l'utilisation d'une référence de tension externe.
La source la plus courante de tension stable est LM431, TL431, etc. Je vais écrire un article sur ce microcircuit. Pour l'instant, je vais donner un lien vers les informations - LM431.pdf.
Je vais donner le circuit de commutation LM431 comme tension de référence de 2,5 V pour la carte Arduino.


Dans le programme, vous devez changer la ligne qui détermine la résolution de l'ADC:
#define ADC_RESOLUTION 2.44140625 // Résolution ADC, mV (2500 mV / 1024)
Et dans setup (), connectez une référence de tension externe:
analogReference (EXTERNAL); // tension de référence externe
En conséquence, la résolution diminuera de 2 fois et la stabilité diminuera d'un ordre de grandeur. Tout de même, pour améliorer la précision, il est nécessaire de mesurer la tension réelle du LM431 avec un voltmètre et de la corriger dans le programme.
Une telle modification du thermomètre est absolument nécessaire si le dispositif est alimenté à partir d'une source d'énergie non stabilisée avec une tension proche de 5 V, par exemple à partir de batteries galvaniques ou d'une batterie rechargeable. Dans ce cas, il n'est pas nécessaire de parler de la stabilité de l'alimentation, et sans stabilisation de la source de tension de référence, la mesure sera très conditionnelle.
Programme de thermomètres de haut niveau.
Regarder les lignes de nombres dans la fenêtre du moniteur Arduino IDE devient rapidement ennuyeux. Je veux juste voir la valeur de la température. De plus, pour l'utilisation pratique du thermomètre avec un ordinateur, le logiciel Arduino IDE doit être installé. Tous les ordinateurs ne l'ont pas. En outre, les gens s'intéressent souvent aux changements de température, au processus de chauffage ou de refroidissement au fil du temps.J'aimerais pouvoir enregistrer les changements de température et les afficher graphiquement.
Pour ce faire, j'ai écrit un programme simple de haut niveau qui:
- affiche la valeur de température actuelle;
- enregistre le changement de température avec une discrétion de 1 s;
- affiche des informations sur les changements de température sous forme graphique.
Ce programme peut être utilisé à la fois avec le thermomètre de cet article et pour les thermomètres des leçons suivantes avec d'autres types de capteurs.
Le programme fonctionne sous les systèmes d'exploitation Windows 95, 98, XP, 7. Je n'ai pas essayé le reste.
Installation de l'application.
- Téléchargez le fichier d'archive Thermometer.zip:
Inscrivez-vous et payez. Seulement 40 roubles. par mois pour accéder à toutes les ressources du site!
- Décompressez-le dans votre dossier de travail. Vous pouvez quitter le dossier des archives du thermomètre.
L'application se compose de deux fichiers:
- Thermometer.exe - fichier exécutable;
- Conf.txt - fichier de configuration.
Il n'est pas nécessaire d'installer le programme, exécutez simplement le fichier Thermometer.exe.
Connexion du thermomètre à l'ordinateur.
L'échange de données entre l'ordinateur et le contrôleur s'effectue via le port COM. Le port peut être réel ou virtuel.
Le moyen le plus pratique consiste à utiliser le port virtuel, qui est créé par le pilote de la carte Arduino. Le port apparaît lorsque la carte est connectée à l'ordinateur. Vous n'avez pas besoin de lancer l'IDE Arduino. Le numéro de port peut être consulté: Panneau de configuration -> Système -> Gestionnaire de périphériques -> Ports (COM et LPT)


J'ai COM5.
Vous pouvez connecter votre ordinateur via une sorte de pont USB-UART. J'utilise des modules USB UART Board PL2303. Comment se connecter est écrit dans l'article sur le programme Surveiller le réfrigérateur sur l'élément Peltier.
Si l'ordinateur dispose d'un port COM standard (interface RS232), vous n'avez pas besoin d'installer de pilotes. Pour connecter le contrôleur dans ce cas, il est nécessaire d'utiliser un convertisseur de niveau RS232 - TTL, des microcircuits ADM232, SP232, MAX232 et similaires.
Il existe de nombreuses options de connexion. L'essentiel est qu'un port COM, virtuel ou réel, se forme sur l'ordinateur.
Premier lancement du programme.
Avant de démarrer le programme, un port COM virtuel doit avoir déjà été créé sur l'ordinateur. Et comme le port est créé lors de la connexion au connecteur de la carte Arduino, cela signifie que vous devez d'abord connecter la carte à l'ordinateur.
Exécutez ensuite le programme Thermometer.exe. Certains ports COM sont écrits dans le fichier de configuration du programme. Le programme essaiera de l'ouvrir au démarrage. Si cela ne fonctionne pas, il affichera un message avec le numéro du port erroné.
Cliquez sur OK et la fenêtre du programme s'ouvrira. Il y aura des tirets au lieu de la température. Il n'y a pas de données.
Sélectionnez le mode de sélection de port dans le menu (en haut). Une fenêtre de sélection s'ouvrira.
Définissez le numéro de port de votre carte. Chaque port a son état écrit. Naturellement, vous devez choisir parmi les ports étiquetés «gratuits».
Ferme la fenêtre. Le port COM sélectionné sera enregistré dans le fichier de configuration et sera toujours appelé au démarrage du programme. Vous n'avez pas besoin de définir le port à chaque fois que vous démarrez le programme.
Si la carte est allumée, le programme est chargé, tout fonctionne correctement, puis une fois par seconde une LED circulaire doit clignoter devant la valeur de température. Il clignote lorsque de nouvelles données arrivent.
Greffier.
Le programme dispose d'un enregistreur qui vous permet d'observer la dynamique des changements de température. L'enregistreur s'allume automatiquement au démarrage du programme. Il enregistre les valeurs de température par incréments de 1 seconde. La durée maximale d'enregistrement est de 30 000 secondes ou 8,3 heures.
Pour afficher les résultats de l'enregistrement, appuyez sur l'onglet de menu "Enregistreur".


C'est moi qui ai chauffé le capteur avec un fer à souder.
Vous pouvez agrandir le fragment en sélectionnant une zone rectangulaire avec le bouton droit de la souris enfoncé. La zone doit être sélectionnée de gauche à droite, de haut en bas.


La sélection d'une zone avec la souris de gauche à droite, de bas en haut retournera l'affichage de toutes les informations graphiques. C'est simple.
Ce programme sera utilisé dans les trois prochaines leçons avec d'autres types de projets de mesure de température.
Dans la prochaine leçon, nous mesurerons la température à l'aide de capteurs au silicium de la série KTY81.
Leçon précédente Liste des leçons Leçon suivante
Soutenez le projet
2
Auteur de la publication
hors ligne 1 heure
Edward
139
Commentaires: 1585Postes: 161Inscription: 13-12-2015
Thermistance
Une thermistance est une résistance sensible qui change sa résistance physique avec la température. Typiquement, les thermistances sont constituées d'un matériau semi-conducteur céramique tel que le cobalt, le manganèse ou l'oxyde de nickel et sont recouvertes de verre. Ce sont de petits disques plats scellés qui réagissent relativement rapidement à tout changement de température.


En raison des propriétés semi-conductrices du matériau, les thermistances ont un coefficient de température négatif (NTC), c'est-à-dire la résistance diminue avec l'augmentation de la température. Cependant, il existe également des thermistances PTC dont la résistance augmente avec l'augmentation de la température.
Calendrier de thermistance


Avantages des thermistances
- Grande vitesse de réponse aux changements de température, précision.
- À bas prix.
- Résistance plus élevée de l'ordre de 2 000 à 10 000 ohms.
- Sensibilité beaucoup plus élevée (~ 200 ohm / ° C) dans une plage de température limitée allant jusqu'à 300 ° C.
Dépendances de la résistance à la température
La dépendance de la résistance à la température est exprimée par l'équation suivante:
Où A, B, C - ce sont des constantes (fournies par les termes de calcul), R - résistance en Ohms, T - température en Kelvin. Vous pouvez facilement calculer le changement de température à partir d'un changement de résistance ou vice versa.
Comment utiliser une thermistance?
Les thermistances sont évaluées pour leur valeur résistive à température ambiante (25 ° C). Une thermistance est un dispositif résistif passif, elle nécessite donc la production de surveillance de la tension de sortie du courant. En règle générale, ils sont connectés en série avec des stabilisateurs appropriés formant un diviseur de tension secteur.
Exemple: Considérons une thermistance avec une valeur de résistance de 2,2K à 25°C et 50 ohms à 80°C. La thermistance est connectée en série avec une résistance de 1 kΩ via une alimentation de 5 V.


Par conséquent, sa tension de sortie peut être calculée comme suit:
A 25°C, RNTC = 2200 ohms ;
À 80 ° C, RNTC = 50 ohms;
Cependant, il est important de noter qu'à température ambiante, les valeurs de résistance standard sont différentes pour différentes thermistances, car elles ne sont pas linéaires. Une thermistance a un changement de température exponentiel, et donc une constante bêta, qui est utilisée pour calculer sa résistance pour une température donnée. La tension et la température de sortie de la résistance sont liées de manière linéaire.
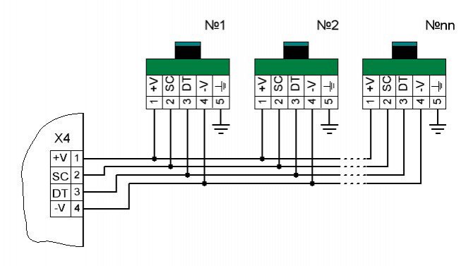
Connexion du capteur DS18B20 au microcontrôleur
Schéma typique pour connecter des capteurs DS18B20 à un microcontrôleur:


Comme vous pouvez le voir sur le schéma, le ou les capteurs DS18B20 sont connectés au microcontrôleur, s'ils ont une alimentation commune, avec trois conducteurs: - conclusion n ° 1 - fil commun (masse, terre) - conclusion numéro 2 - aka DQ, à travers lequel la communication entre MK et DS18B20 a lieu, est connecté à n'importe quelle broche de n'importe quel port de MK. La broche DQ doit être «tirée vers le haut» à travers la résistance vers l'alimentation positive - conclusion n ° 3 - alimentation du capteur - +5 volts Si l'appareil utilise plusieurs capteurs de température, ils peuvent être connectés à différentes broches du port MK, mais le volume du programme augmentera. Il est préférable de connecter les capteurs comme indiqué sur le schéma - en parallèle, à une broche du port MK. Permettez-moi de vous rappeler la taille de la résistance pull-up: «La résistance de la résistance doit être choisie à partir d'un compromis entre la résistance du câble utilisé et le bruit externe. La résistance de la résistance peut être de 5,1 à 1 kOhm. Pour les câbles à haute résistance de conducteur, une résistance plus élevée doit être utilisée.Et là où il y a des interférences industrielles, choisissez une résistance plus faible et utilisez un câble avec une section de fil plus grande. Pour les nouilles téléphoniques (4 conducteurs), une résistance de 3,3 kΩ est nécessaire pour 100 mètres. Si vous utilisez "paire torsadée", même catégorie 2, la longueur peut être augmentée jusqu'à 300 mètres "
Capteurs de température résistifs
Les capteurs de résistance à la température (RTD) sont constitués de métaux rares, comme le platine, dont la résistance électrique varie avec la température.


Les détecteurs de température résistifs ont un coefficient de température positif et, contrairement aux thermistances, offrent une précision de mesure de température élevée. Cependant, ils ont une faible sensibilité. Pt100 est le capteur le plus largement disponible avec une valeur de résistance standard de 100 ohms à 0 ° C. Le principal inconvénient est le coût élevé.
Les avantages de tels capteurs
- Large plage de température de -200 à 650 ° C
- Fournit une sortie de courant de chute élevée
- Plus linéaire par rapport aux thermocouples et aux RTD
Thermocouple
Les capteurs de température à thermocouple sont les plus couramment utilisés car ils sont précis, fonctionnent sur une large plage de températures allant de -200 ° C à 2000 ° C et sont relativement peu coûteux. Un thermocouple avec un fil et une fiche sur la photo ci-dessous:


Fonctionnement du thermocouple
Un thermocouple est composé de deux métaux dissemblables soudés ensemble pour produire une différence de potentiel sur la température. À partir de la différence de température entre les deux jonctions, une tension est générée qui est utilisée pour mesurer la température. La différence de tension entre les deux jonctions est appelée effet Seebeck.


Si les deux composés sont à la même température, le potentiel de différence entre différents composés est nul, c'est-à-dire V1 = V2. Cependant, si les jonctions sont à des températures différentes, la tension de sortie relative à la différence de température entre les deux jonctions sera égale à leur différence V1 - V2.
Vérification complète du capteur
Pour cela, vous aurez besoin, encore une fois, d'un multimètre et d'un thermomètre pouvant être immergé dans l'eau et affichant jusqu'à 100°C. Ordre d'exécution:
- Connectez les fils du multimètre aux contacts du capteur.
- Trempez l'élément à vérifier et le thermomètre dans un récipient rempli d'eau.
- Vous chauffez l'eau en surveillant la température et les lectures du multimètre.


Vérification du capteur de température du liquide de refroidissement
Comme vous l'avez déjà vu dans le tableau, la résistance du capteur change avec la température. S'ils correspondent à la table, il va bien. Lorsque les valeurs de résistance changent, il ne devrait pas y avoir de sauts brusques - c'est également le signe d'un dysfonctionnement. Si vous ne disposez pas d'un thermomètre adapté, vous ne pouvez tester qu'avec de l'eau bouillante, c'est-à-dire à 100 ° C. La résistance dans ce cas doit être approximativement égale à 180 ohms.










