Exigences générales pour l'installation d'une chaudière à gaz murale
Les générateurs de chaleur d'une puissance allant jusqu'à 60 kW peuvent être installés dans n'importe quelle zone non résidentielle d'une maison ou d'un appartement, à l'exception d'une salle de bain et de toilettes. Pour une installation plus efficace, vous devrez construire une pièce spéciale - une chaufferie.
Cependant, la zone locale de la chaudière et un site spécialement préparé (chaufferie) doivent répondre aux exigences suivantes:
- Dans une chaufferie à gaz ou une pièce réservée au placement d'une chaudière, il doit y avoir une fenêtre d'une superficie d'au moins un quart de mètre carré. Le métrage exact de l'ouverture de la fenêtre est calculé par la formule - largeur x longueur x hauteur de la pièce x 0,03. Autrement dit, pour chaque mètre cube de volume de chaufferie, il y a au moins 0,03 m2 de surface de fenêtre.
- La hauteur sous plafond dans cette zone ne peut pas être inférieure à 2,2-2,5 mètres.
- La surface recommandée de la chaufferie ou du local dédié est calculée en fonction de la proportion de 0,2 m2 = 1 kW de puissance de la chaudière.
- La résistance au feu des murs à l'emplacement de la chaudière à gaz est d'au moins 75 minutes. Résistance au feu du vantail de porte - au moins 30 minutes. Si la résistance naturelle au feu des matériaux de construction ne suffit pas, elle doit être augmentée en finissant les murs avec du plâtre (épaisseur de couche d'au moins 10 millimètres) ou des carreaux.
- En plus de la fenêtre qui s'ouvre dans une certaine zone de la pièce / chaufferie, il doit y avoir un échappement naturel - un canal traversant dans le mur d'un diamètre de 150 millimètres, complété par un conduit d'air de façade.
- Le flux d'air dans la pièce devra être assuré à l'aide d'une vanne dans le mur ou d'un espace sous le vantail de la porte. Les dimensions du conduit d'alimentation sont calculées en fonction de la proportion - 8 cm2 = 1 kW de la puissance thermique de la chaudière.
- La hauteur d'installation de la chaudière à gaz murale est choisie arbitrairement, mais en tenant compte de la distance obligatoire de 100 centimètres entre le radiateur et le plafond.
- La distance entre l'installation génératrice de chaleur et les murs «adjacents» à la surface de support ne doit pas être inférieure à 1 mètre.
- La distance entre la chaudière et le robinet du réseau de gaz ne doit pas dépasser 2 à 2,5 mètres.
Schéma de raccordement typique d'une chaudière à gaz
Essayez de suivre ces recommandations lorsque vous choisissez un emplacement pour installer la chaudière.
... Eh bien, si vous ne trouvez pas de pièce appropriée, vous devrez rééquiper l'une des pièces de votre maison, en "ajustant" les paramètres des fenêtres, des conduits d'alimentation et d'évacuation pour répondre aux exigences ci-dessus. Et seulement après cela, vous pouvez commencer à installer l'appareil de chauffage et à connecter la chaudière à la cheminée, à l'alimentation en eau et au système de chauffage.
Comment installer une chaudière à gaz murale - aperçu du processus
Au tout début, vous devrez vous occuper de la disposition du canal pour l'élimination des produits de combustion.
De plus, la plupart des chaudières à gaz sont équipées d'une cheminée coaxiale turbocompressée, ce qui suppose la procédure d'installation suivante:
- Dans la surface d'appui
(mur), à une distance de 100-120 centimètres du plafond, un trou traversant est fait. - De l'exterieur
une bride externe est montée sur le dessus du trou, dans lequel le tuyau de cheminée est passé. - De l'exterieur
le tuyau est fixé avec un scellant résistant à la chaleur et fermé avec une bride extérieure.
Pour ce faire, vous devrez procéder comme suit:
- La chaudière est «essayée» jusqu'à la cheminée, joignant le tuyau d'échappement avec l'évasement de l'échappement coaxial.
- Dans le même temps, la position du coin supérieur gauche ou de la vapeur du corps de la chaudière est marquée sur le mur. Et un seul.
- À l'aide de la marque marquée, le support de l'appareil de chauffage est fixé au mur, déterminant la position du point supérieur opposé à l'aide d'un niveau.
- Ensuite, vous pouvez fixer la partie inférieure de la structure de fixation.
- Une fois le montage du support terminé, la chaudière est «accrochée» aux fixations, fixant son emplacement avec des vis.
Installation par des spécialistes de la chaudière de chauffage
La prochaine étape est, en supposant les actions suivantes:
- Les femmes américaines sont vissées sur les raccords de l'eau chaude et du circuit principal - des adaptateurs spéciaux qui facilitent l'installation de la chaudière.
- Les vannes à bille sont vissées aux femmes américaines, qui coupent l'alimentation en eau et en liquide de refroidissement, si nécessaire, démontent le dispositif de chauffage.
- Deux filtres sont placés sous la vanne du raccord d'entrée du circuit de chauffage de l'eau - magnétique pour un nettoyage fin et ordinaire pour un nettoyage grossier.
- Un filtre grossier est monté sous la vanne du raccord d'entrée (retour) du système de chauffage.
- Toutes les extrémités libres des filtres et des vannes sont connectées aux sorties du câblage du système de chauffage et des canalisations du système d'alimentation en eau chaude.
Le raccordement à la conduite de gaz, malgré la simplicité de cette opération, nous ne l'envisagerons pas. Après tout, ce travail devrait être confié aux spécialistes du service local de gaz.
Pourquoi ne pas reprendre le raccordement à la conduite principale de gaz?
Les règles d'installation d'une chaudière murale sont simples et directes. Par conséquent, à un moment donné, il est tentant d'ignorer la nécessité d'appeler les spécialistes du service de gaz et de connecter la chaudière à la ligne principale de vos propres mains.
Cependant, vous ne devez pas le faire pour les raisons suivantes:
- Premièrement, certains fabricants d'équipements de production de chaleur au gaz ne fourniront pas votre appareil pour le service de garantie sans une note d'un spécialiste du service de gaz concernant le raccordement de la chaudière.
- Deuxièmement, les services concernés peuvent considérer l'installation indépendante comme une violation des règles d'exploitation d'un gazoduc domestique, sanctionnant de manière administrative le contrevenant au contrat de fourniture de gaz pour l'habitation.
- Troisièmement, les erreurs de connexion au câblage du système de chauffage ou de l'alimentation en eau ne menacent que d'une inondation locale dans la chaufferie. Alors qu'une mauvaise connexion à un gazoduc domestique, au mieux, vous laissera sans abri, et au pire, vous privera de votre vie. Et oubliez l'assurance - si vous avez connecté la chaudière vous-même, la responsabilité de l'accident incombe à vous.
Tout le monde connaît le principe qu'il vaut mieux tout faire correctement une fois, pour se conformer à toutes les exigences que de le refaire cent fois plus tard. Malheureusement, tous les "kulibins" de notre pays ne l'utilisent pas. Il y a souvent des situations où un propriétaire «expérimenté» sait lui-même où installer un équipement à gaz et enfreint en même temps toutes les normes imaginables et inimaginables. Dans le même temps, il n'y aura pas d'autorisation de connexion et les fonds dépensés ne pourront pas être restaurés. N'oubliez pas que le respect des exigences de sécurité lors de la planification du chauffage au gaz n'est pas un caprice des travailleurs du gaz, mais une préoccupation bien fondée pour la sécurité des vies humaines. À cet égard, il est impératif de consulter un spécialiste et d'étudier en détail les exigences fixées pour une pièce avec une chaudière à gaz. Considérons les points à prendre en compte lors de l'organisation du chauffage individuel afin d'éviter les problèmes et les tracas inutiles.
Principes généraux d'installation
L'installation d'une chaudière à combustible solide dans une maison privée nécessite une préparation minutieuse. Au stade préliminaire, le calcul du système de chauffage est effectué, en tenant compte des besoins en chaleur et en eau chaude. Ensuite, une chaudière de chauffage d'une puissance appropriée est sélectionnée. Si le système prévoit l'installation d'un ballon tampon pour accumuler l'excès de chaleur, la capacité du générateur de chaleur doit être le double des valeurs calculées.
Une salle spéciale est en cours de préparation pour l'installation d'une chaudière à combustible solide.La chaufferie doit être conforme aux exigences de sécurité incendie et sanitaire, disposer d'une ventilation efficace, d'une cheminée pour l'évacuation des produits de combustion, d'une alimentation en électricité et en eau.
Il est nécessaire de placer l'unité à combustible solide sur une base solide et plane spécialement équipée. La conception du système d'extraction des fumées doit correspondre aux paramètres d'ingénierie de la chaudière. Afin d'installer correctement la tuyauterie, il est important de respecter le schéma convenu avec les spécialistes.
Les principales étapes de l'installation
L'installation à faire soi-même d'une chaudière à combustible solide est effectuée dans l'ordre suivant
:
- L'unité est livrée à la chaufferie et libérée de son emballage d'origine.
- Si, en raison du manque d'espace dans la chaufferie, il est difficile de monter le générateur de chaleur, ces travaux sont effectués à l'extérieur. Il est nécessaire:
- installez un cendrier;
- attachez toutes les portes.
- La chaudière assemblée est installée sur une base préparée, tandis que la cheminée doit être située strictement le long de l'axe de la cheminée montée dans la chaufferie.
- La chaudière est fixée sur une surface plane, il est important d'éviter les déformations.
- Une cheminée est connectée, une unité de commande et un ventilateur sont installés, un groupe de sécurité est monté sur le tuyau de sortie de la chemise d'eau.
- La tuyauterie de la chaudière est en cours d'installation et de raccordement aux circuits de chauffage.

Raccordement de la cheminée à une chaudière à combustible solide
Noter! Le poids d'une chaudière à combustible solide dépasse généralement 50 kg, prévoyez d'installer la chaudière vous-même, invitez un assistant.
Chaufferie: exigences clés
Avant d'installer un générateur de chaleur à combustible solide, il est nécessaire de préparer une chaufferie. Cela devrait être une pièce séparée de la maison ou de l'annexe. Si la chaufferie est située dans la maison, elle devrait fournir une entrée séparée de la cour pour faciliter la livraison du combustible.
Liste des exigences de base pour la chaufferie
:
- superficie d'au moins 7 m2;
- la présence d'une ventilation d'alimentation efficace (la section du conduit de ventilation dépend de la puissance du générateur de chaleur - à partir de 8 cm pour 1 kW);
- le site d'installation de la chaudière doit être situé à distance des murs de manière à laisser un espace d'au moins 50 cm entre l'unité et les murs;
- le revêtement de sol doit être fait d'un matériau incombustible (béton, tuile), une tôle incombustible est posée devant la chambre de combustion, généralement une tôle d'acier;
- le diamètre de la cheminée doit correspondre aux paramètres de la sortie des fumées de la chaudière;
- l'alimentation en eau et l'installation du câblage électrique sont effectuées en tenant compte de toutes les exigences de sécurité incendie.
Important! Avant d'équiper la chaufferie, il est nécessaire de se familiariser avec la documentation du générateur de chaleur sélectionné afin que la pièce soit entièrement conforme aux paramètres spécifiques spécifiés par le fabricant.
L'installation d'une chaudière à combustible solide dans une maison en bois nécessite une attention particulière en raison du risque d'incendie accru
... Dans la chaufferie, un sol en béton est coulé ou une fondation séparée est préparée pour un générateur de chaleur, les murs sont revêtus d'un matériau incombustible.
Article connexe: Commande du four: pourquoi le processus est-il nécessaire


Formation de la fondation d'une chaudière à combustible solide dans une maison en bois
Les chaudières de faible puissance sont installées directement sur une chape plate en béton. Pour les chaudières à combustible solide dont la puissance dépasse 50 kW, il est nécessaire d'équiper une fondation séparée au sol d'un coussin de sable et de gravier
... La base de fondation de la chaudière doit s'élever de 8 à 10 cm au-dessus du niveau du sol et ne pas entrer en contact avec la fondation du bâtiment, ainsi que la chape de sol dans la pièce.
Il est important d'installer une chaudière à combustible solide de manière à ce que son efficacité corresponde aux indicateurs du passeport. Pour ce faire, vous devez sélectionner et installer correctement une cheminée, dont dépend l'intensité de tirage maximale possible.
Les exigences suivantes sont imposées à la cheminée
:
- manque de virages (s'ils ne peuvent être évités, les virages ne peuvent pas être rendus brusques);
- étanchéité de haute qualité de tous les joints de tuyaux, jonction de la cheminée au tuyau de dérivation de l'unité (un scellant spécial ou un ruban résistant à la chaleur est utilisé);
- la résistance de la structure est posée avec une marge pour les charges externes imprévues;
- la section transversale de la cheminée doit correspondre au format de la cheminée de la chaudière.
La ventilation naturelle par aspiration (la grille de transfert est installée sous le plafond de la chaufferie ou la gaine est montée parallèlement à la cheminée) remplit les fonctions suivantes:
- crée un vide, grâce auquel le flux d'air nécessaire au processus de combustion est assuré (lors de l'installation de chaudières d'une puissance de 50 kW ou plus, une ventilation forcée est nécessaire);
- élimine les produits de combustion emprisonnés accidentellement dans l'air ambiant.
Il est recommandé de courir dans le tuyau d'égout de la chaudière afin d'avoir un drain pratique pour que le clan de la sécurité évacue le mélange vapeur-eau, ainsi que pour vidanger le liquide de refroidissement de la chemise de la chaudière et du système de chauffage avant d'effectuer des opérations préventives ou de réparation. travail.
Chaufferie dans une maison privée. Normes et exigences pour cela
La meilleure option est d'équiper une pièce séparée dans la maison pour la chaufferie. Les caractéristiques d'une telle pièce doivent correspondre à celles présentées dans SNiP 31-02-2001, DBN V.2.5-20-2001, SNiP 11-35-76, SNiP 42-01-2002, SP 41-104-2000. Ces documents sont conçus précisément pour minimiser la possibilité de toute urgence. Une pièce avec une chaudière à gaz est considérée comme la plus dangereuse et la plus explosive de la maison.Il est donc nécessaire d'adopter l'attitude la plus responsable quant au choix d'une pièce adaptée à la chaufferie et à la disposition correcte. En fonction de la puissance thermique totale de la chaudière à gaz, le volume requis de la pièce est également calculé. Si la capacité d'une chaudière à gaz est inférieure à 30 kW, le volume minimum de la pièce est de 7,5 m3, 30-60 kW - 13,5 m3, et pour une chaudière d'une capacité supérieure à 60 kW, une pièce de 15 m3 est déjà nécessaire.
Le deuxième indicateur significatif lors du choix d'une chaufferie est la hauteur du plafond. Il doit mesurer au moins 2,5 m. Il convient de prêter attention à l'emplacement des murs porteurs dans la maison. Il est souhaitable que les murs principaux soient situés entre la chaufferie et les autres pièces. Il est important de faire attention à la décoration intérieure des murs. L'option la plus simple est le plâtre réfractaire.
Si les murs blancs ne rentrent pas dans l'intérieur de votre maison, n'oubliez pas que tous les matériaux utilisés doivent être sûrs. N'utilisez pas de substances inflammables et inflammables. Autrement dit, aucun parquet et revêtement de sol stratifié, ainsi que du papier peint et des panneaux en plastique, ne décoreront les murs de la chaufferie.
La présence de certains paramètres de la porte, de la fenêtre et de la ventilation est obligatoire. La porte ne doit pas être plus étroite que 0,8 m et la taille de la fenêtre est calculée en fonction du volume de la pièce: 0,3 m2 pour 10 m3 de chaufferie. Assurez-vous de prévoir un espace de plusieurs centimètres entre la porte et le seuil. Cela permettra un échange d'air avec d'autres pièces. N'oubliez pas le flux d'air frais de la rue.
Exigences de la chaufferie
L'aménagement d'une chaufferie dans une maison privée implique le respect d'un certain nombre d'exigences réglementaires, à la fois pour la pièce elle-même et pour les caractéristiques de l'installation de l'équipement. Les règles de base sont définies dans SNiP 42.01.2002 et SNiP 41.01.2003.


Les exigences générales pour tous les types de chaufferies sont:
- Tous les murs, le sol et le plafond de la chaufferie doivent être en béton, béton armé, brique. Tous les matériaux intérieurs doivent être ignifuges
- Il est interdit de placer plus de deux chaudières dans une pièce
- Il est interdit de placer des substances dangereuses et explosives dans la pièce, à l'exception du combustible utilisé
- La porte d'entrée de la chaufferie doit s'ouvrir vers l'extérieur et être ignifuge
- Tous les équipements connectés au réseau électrique du chalet doivent être mis à la terre
- Une seule exigence pour les chaudières avec cheminée est la création de systèmes d'échange d'air forcé ou naturel dans les pièces avec elles.
- Disponibilité de l'approvisionnement en eau et du drain d'égout
- Il est nécessaire de fournir un accès gratuit à la chaudière pour son fonctionnement, sa réparation et son entretien. La taille de l'espace libre est indiquée dans le passeport de la chaudière
- Le diamètre de la cheminée sur toute la longueur ne doit pas être inférieur au diamètre de la sortie de la chaudière
- Le passage de la cheminée à travers le grenier ou le mur est réalisé à l'aide de composants et d'éléments incombustibles
Exigences pour la cuisine lors de l'installation d'une chaudière murale à gaz
Si le nombre de mètres carrés résidentiels est limité et qu'il n'est pas possible d'allouer une pièce entière à une source de chaleur et d'eau chaude, la solution sera de placer une chaudière à gaz murale dans la cuisine. Cette option est autorisée par les documents réglementaires, mais sous réserve de certaines exigences. Nous pouvons dire qu'il s'agit d'une version simplifiée de la chaufferie, par conséquent, les exigences pour la pièce seront similaires.
- Hauteur du plafond - 2,5 m ou plus;
- Coin cuisine - 4 m2 ou plus;
- La zone de ventilation est calculée en fonction de la puissance de la chaudière - 8 cm² pour 1 kW. Il sera situé dans la partie supérieure de la salle;
- Une fenêtre avec une fenêtre est requise;
- En fonction de la puissance de la chaudière, la section de la cheminée est calculée: 30 kW - 130 mm, 40 kW - 170 mm;
- Le tuyau de cheminée doit dépasser le faîte du toit d'un demi-mètre et avoir un parapluie protecteur.
Le choix d'un emplacement spécifique pour une chaudière dans la cuisine doit être abordé en fonction des critères suivants:
- la distance par rapport aux autres unités de gaz est d'au moins 20 cm;
- distance aux surfaces inflammables - 20 cm;
- distance du mur - 30-50 cm;
- éviter les endroits dans les niches, les espaces entre les murs et à proximité immédiate d'une fenêtre.
L'avantage d'installer une chaudière à gaz dans la cuisine est également la présence de communications pré-installées: eau, électricité, ventilation. Et c'est une économie de coûts directe.
Conseils & Astuces
L'expérience de l'exploitation d'équipements de chauffage russes et étrangers permet de formuler un certain nombre de conseils et de recommandations, en tenant compte de ce qui aidera à éviter des coûts supplémentaires et à assurer un niveau de vie confortable:
- L'installation d'un stabilisateur de tension protégera les cartes électroniques ou l'automatisation de la chaudière contre les pannes dues aux surtensions. Ces planches ne sont pas sujettes à réparation et le coût de remplacement peut atteindre 30% du prix de la chaudière entière.
- Un drain d'égout avec un drain dans le plancher de la chaufferie permettra d'éviter les inondations en cas de fuite de liquide de refroidissement ou d'accident dans le circuit d'alimentation en eau
- L'installation d'une chaufferie dans une maison privée avec l'installation d'un système de contrôle du chauffage pour la température extérieure ou ambiante apporte des économies importantes sous forme de réduction des coûts de combustible. Le montant de ces économies sur une période de deux à trois ans dépasse le coût des coûts supplémentaires pour l'installation d'une telle automatisation.
- Lorsque vous utilisez de l'antigel, rappelez-vous que tous les fabricants de chaudières ne l'autorisent pas à être utilisé dans leurs produits. Son utilisation dans les chaudières de ces fabricants peut entraîner la perte de la garantie.
- L'aluminium et le cuivre forment une paire galvanique l'un avec l'autre, ce qui conduit à une corrosion accélérée des composés de ces métaux. Pour cette raison, le contact des radiateurs en aluminium de la chaufferie avec un tuyau en cuivre du circuit de chauffage doit être exclu.
- En l'absence de contrôle automatique de la température dans les pièces individuelles, il est conseillé d'installer des vannes réglables avec têtes thermostatiques sur les radiateurs. Cette solution maintient automatiquement la température de consigne.
- L'exigence de maintenabilité joue un rôle important dans la disposition des équipements.Accès facile et pratique à tous les éléments lorsque des réparations urgentes ou un remplacement d'équipement dans une chaufferie d'une maison privée sont nécessaires - une garantie de dépannage et d'accidents rapides et faciles
Lire d'autres articles sur ce sujet
| Normes de conception de la chaufferie dans une maison privée | Comment choisir une chaudière pour le chauffage domestique |
| Chaudière à bois pour le chauffage domestique - installation de bricolage | Comment choisir une chaudière à gaz pour chauffer une maison privée |
| Chaufferie autonome pour une maison privée | Chaudières diesel |
| Chaudières combinées: types, caractéristiques | Chaufferie gaz modulaire |
| Chaufferie au gaz dans une maison privée | Chaudières électriques pour chauffer une maison privée: caractéristiques, comment choisir, application |
Services à ce sujet
| Installation d'une chaufferie dans une maison privée | Conception de la chaufferie |
| Installation clé en main de chaufferies | Installation d'une chaudière de chauffage au gaz |
| Installation de chaufferies à gaz | Installation de chaudières de chauffage domestique |
| Installation d'une chaudière électrique | Installation d'une chaudière à combustible solide |
| Installation de chaudière à granulés | Installation d'une chaudière diesel |
| Installation de chaudières à gaz murales | Installation d'une chaudière à gaz dans une maison privée |
| Le coût d'installation des chaudières à gaz | Installation de chaudières à gaz au sol |
Coordination de l'installation de la chaudière avec le service gaz
Avant de procéder à l'installation directe de l'équipement, il est nécessaire de passer par plusieurs instances bureaucratiques et de répondre à leurs exigences. La première étape consiste à rédiger une demande auprès du service de gaz local et à obtenir les conditions techniques d'installation de la chaudière. L'application précise ces candidats et une brève description de la maison.
Assurez-vous d'indiquer quel équipement utilisant du gaz vous prévoyez d'installer (marque, capacité) et joignez une liste de documents:
- Copies des titres de propriété du terrain sur lequel se trouve (sera situé) l'objet de construction en capital appartenant au demandeur.
- Plan de situation pour l'emplacement de la parcelle de terrain en référence au territoire de la colonie.
- Calcul de la consommation horaire maximale de gaz prévue (non requise si la consommation horaire maximale de gaz prévue n'est pas supérieure à 5 m3).
La deuxième étape est la création d'un projet d'installation d'équipements à gaz. Pour une maison privée, un plan ou schéma du fil des tuyaux le long du site est en cours d'élaboration, ainsi que le point d'entrée sur le lieu d'installation des équipements. Le projet est confirmé par les autorités de l'état du service de gaz, approuvé et vous pouvez procéder à l'installation directe.
Chacune de ces étapes prend en moyenne 1,5 à 2 semaines. Donc, si vous décidez de changer radicalement le système de chauffage à la maison, prenez soin de ce problème au moins un mois avant l'arrivée du froid.
Ainsi, en respectant toutes les normes pour une pièce avec équipement à gaz, vous assurerez un fonctionnement sans problème de la chaudière à gaz. En remplissant toutes les exigences, protégez votre famille de toute urgence liée aux équipements à gaz. Débarrassez-vous des sanctions administratives et des réprimandes des services de gaz pour les violations des exigences.
Personne ne contestera probablement l'affirmation selon laquelle les systèmes à gaz sont les plus préférables pour une utilisation dans les maisons privées et les chalets. Les chaudières à gaz sont assez fiables et efficaces, ont une consommation de carburant relativement faible et permettent de réguler la température de l'air dans la pièce, qui dépend directement de la puissance de la chaudière dans les systèmes de chauffage fermés. Ce que vous devez savoir avant d'installer cet équipement sera abordé dans cette publication.
Exigences générales
Les règles d'installation d'une chaudière à gaz dans une maison privée sont strictement réglementées. C'est pourquoi, avant de créer un chauffage autonome basé sur une chaudière à gaz, il est nécessaire de se familiariser avec les documents réglementaires qui doivent être respectés à toutes les étapes des travaux. Tout d'abord, ce sont: SNiP 2.04.08-87; SNiP 2.04.01-85; SNiP 2.04.05-91; SNiP 41-01-2003; SNiP 21-01-97.
Les systèmes de chauffage au gaz diffèrent à bien des égards. Lors de l'installation, un point important est le nombre de circuits, l'emplacement et la méthode d'évacuation des gaz d'échappement. L'équipement de chaudière à circuit unique est utilisé pour chauffer les locaux d'une maison privée. De nombreux modèles peuvent fonctionner avec des chaudières à chauffage indirect pour créer une alimentation en eau chaude. Les chaudières à double circuit sont conçues pour créer à la fois du chauffage et de l'eau chaude sanitaire.
L'équipement de chauffage pour une maison privée peut être fixé au mur ou au sol. En règle générale, les chaudières au sol ont une capacité et des dimensions importantes, grâce à la chaudière qui y est placée. De telles installations sont exigeantes sur le système de ventilation du local dans lequel elles sont installées, la présence d'une cheminée à tirage naturel, la sécurité incendie des structures d'enceinte et la qualité de la base sur laquelle les équipements seront installés. Les chaudières à charnières sont moins exigeantes, et donc plus demandées chez nos compatriotes.
Avant d'installer une chaudière à gaz dans une maison privée, vous devez préparer le lieu pour son futur emplacement. La législation interdit de placer des minicators à gaz dans les salons. Une pièce séparée avec des dimensions appropriées, une ventilation, un éclairage et des systèmes de sécurité incendie appropriés est idéale à ces fins.
Il existe une relation directe entre la puissance de la chaudière et le volume de la chambre de combustion.
- La puissance ≤ 30 kW nécessite un volume de pièce ≥ 7,5 m 3.
- Une puissance de 30 à 59 kW nécessite un volume de pièce ≥ 13,5 m 3.
- Une puissance ≥ 60 kW nécessite un volume de pièce ≥ 15 m 3.
Si un raccordement en cascade de chaudières à gaz est utilisé dans un système de chauffage fermé, la surface de la chaufferie requise est calculée en fonction des exigences: pour une installation 4 m 2 de sol, avec une hauteur sous plafond d'au moins 2 m.
En ce qui concerne les parois et le plafond du four: ils doivent être constitués d'un matériau ayant une résistance au feu de 45 minutes.
Quant à la ventilation: le local destiné à l'installation des équipements de chaudière à gaz doit être équipé d'un système de ventilation de soufflage et d'extraction avec un facteur d'au moins 3. La taille du conduit de soufflage (lorsque l'air est fourni par la rue) est calculée à raison de 8 cm 2 pour 1 kW de puissance de chaudière. Si l'afflux provient de couloirs et de locaux non résidentiels de la maison, le diamètre du conduit doit être calculé dans le rapport de 30 cm 2 pour 1 kW de puissance de l'équipement.
De plus, dans cette pièce, il doit y avoir une fenêtre avec une surface vitrée d'au moins 0,3 m 2 pour chaque 1 m 2 du sol.
Les portes de la chaufferie doivent également répondre à des exigences strictement définies: la largeur de l'ouverture est d'au moins 0,8 m. Pour compenser la dépression, en cas de problème de débit d'air, un espace d'au moins 2,5 cm est requis entre le seuil et la porte.
Normes pour l'aménagement des chaufferies
Exigences générales pour le dispositif des chaufferies à gaz


La bonne nouvelle pour ceux qui souhaitent installer une chaudière à gaz de faible puissance (jusqu'à 30 kW) dans leur maison est le fait que SNiP ne nécessite pas de chambre de combustion séparée pour cela. Par conséquent, mettez-le calmement dans la cuisine, en respectant les normes suivantes:
- La superficie de la pièce n'est pas inférieure à 15 m2;
- Hauteur du plafond non inférieure à 2,2 mètres;
- Ventilation d'alimentation et d'extraction de la pièce;
- La surface vitrée pour 1 m3 du volume de la cuisine doit être d'au moins 0,3 m2;
- La fenêtre de la chaufferie doit être avec une fenêtre;
- Il doit y avoir des ouvertures d'entrée d'air dans le mur au-dessus du sol ou au bas de la porte (superficie totale d'au moins 0,025 m2) pour assurer un flux d'air constant;
- La chaudière doit être placée contre un mur en matériau incombustible (distance minimale 10 cm).
S'il n'y a pas de murs en matériaux incombustibles dans la pièce, les règles permettent d'installer la chaudière sur un mur en bois plâtré.Seulement, il doit être recouvert d'un écran en tôle réfléchissant la chaleur. Pour une chaudière à gaz d'une puissance supérieure à 30 kW, une chambre de combustion séparée est nécessaire. Les exigences de son agencement dépendent de l'emplacement. Jetons un coup d'œil aux deux options les plus courantes.
Exigences générales pour une chaufferie avec une chaudière à combustible solide


Lors de l'aménagement de ces locaux, les éléments suivants doivent être pris en compte:
- La surface minimale du four est de 8 m2. Le volume de l'extension doit être d'au moins 15 m3 + 0,2 m3 pour chaque kilowatt de puissance du système de chauffage.
- Hauteur du plafond - au moins 2,5 m.
- La distance entre l'avant de la chaudière et le mur opposé est de 2 m.
- Il est recommandé de placer l'appareil de chauffage sur une base spéciale solide et résistante à la chaleur d'une hauteur d'au moins 10 cm.
- Il doit y avoir au moins une fenêtre dans la pièce. La surface totale des fenêtres est calculée selon la formule: 0,03 m2 de vitrage pour chaque 1 m3 du volume du four.
- La porte d'entrée doit être en métal ignifuge avec un indice de résistance au feu de 0,6 heure. Il est important qu'elle s'ouvre vers l'extérieur. Largeur de porte - à partir de 80 cm.
- Une autre exigence pour une chaufferie pour une chaudière à combustible solide, quelle que soit sa taille ou son emplacement, est un niveau élevé de résistance au feu. Le matériau optimal pour la finition du sol dans une telle pièce est le carrelage en céramique. Les murs doivent être en briques réfractaires.
- Il est nécessaire d'équiper une ventilation naturelle et forcée. La circulation naturelle de l'air s'effectue à travers les ouvertures des fenêtres et des portes. Le système de ventilation forcée est équipé à raison de 8 cm2 de section de canal pour chaque kilowatt de puissance d'équipement.
- Le plancher sous la chambre de combustion est recouvert de tôle. Il est recommandé d'utiliser des panneaux d'amiante pour protéger les murs.
- Il est très important que la chaufferie soit exempte de poussière, de débris, de substances chimiquement actives et combustibles. Cette dernière peut provoquer un incendie à l'extérieur de la chambre de combustion, et la poussière contribue à l'accumulation de suie dans la cheminée.
Exigences générales pour une chaufferie autonome


Si les chaudières à conteneurs pour les maisons privées et les chalets d'été ne sont pas abordables, vous pouvez construire vous-même un tel bâtiment détaché.
- Le bâtiment ne doit pas être adjacent aux murs porteurs de la maison. C'est une exigence de sécurité. Dans ce cas, un incendie ou une explosion dans la chaufferie n'endommagera pas le bâtiment résidentiel.
- Le bâtiment doit avoir une fondation distincte qui n'est pas adjacente à la base de la maison. Des exigences élevées y sont placées. Une fondation renforcée en dalle ou en bande est réalisée, de la même manière que pour un immeuble résidentiel.
- Exigences techniques du bâtiment utilisé pour la chaufferie. La présence de fenêtres est obligatoire, la hauteur sous plafond n'est pas inférieure à 2,4 m, la superficie de la pièce n'est pas inférieure à 12 m². D'autres exigences peuvent s'appliquer selon le type de chaudière utilisé.
L'équipement de chaudière d'une mini chaufferie individuelle évite la construction d'immobilisations. L'installation, le raccordement au système de chauffage domestique et la mise en service de l'équipement ne prennent que quelques jours. L'installation d'un mini système de chauffage fonctionnant au combustible solide permet de fournir de la chaleur à un immeuble résidentiel à l'aide de: briquettes de combustible, pellets, bois de chauffage et autres matières premières.
Les communications
Avant de connecter la chaudière à gaz au système de chauffage et de commencer à profiter de tous les avantages de la civilisation, vous devez vous assurer de la disponibilité des communications techniques dans la chambre de combustion. En plus des tuyaux du système de chauffage et d'alimentation en gaz, vous devez prendre en charge les communications suivantes.
- L'électricité est nécessaire pour le fonctionnement des équipements de pompage, de l'allumeur et de l'automatisation. De plus, la chaufferie a besoin de lumière et d'une prise supplémentaire pour le raccordement éventuel d'un stabilisateur ou d'une alimentation sans coupure.Les experts recommandent que l'organisation de l'alimentation électrique dans la chaufferie soit réalisée avec un câble à trois conducteurs, d'une section de conducteur de 2 mm 2. Il doit y avoir un disjoncteur sur la ligne. La lumière est faite en utilisant le nombre requis de lampes avec des abat-jours fermés. Rappelez-vous que tous les équipements électriques doivent être mis à la terre.
- Tuyaux d'eau. Tout est simple ici: malgré le fait que le système de chauffage soit fermé, avec le temps, la quantité de liquide de refroidissement qu'il contient diminue. Pour le réapprovisionnement, vous avez besoin d'une alimentation en eau. S'il est censé connecter une chaudière à gaz à double circuit, une alimentation en eau est nécessaire pour créer une alimentation en eau chaude dans la maison.
- Égouts. La nécessité d'un système d'égouts n'est généralement envisagée qu'après le déclenchement de la soupape de sablage, à la suite de laquelle les masses de liquide de refroidissement se retrouvent sur le sol. La meilleure option est d'avoir un siphon de sol.
Système d'évacuation des fumées
La cheminée fait partie intégrante de tout équipement de chauffage au gaz (et pas seulement). Pour les chaudières à turbocompresseur, elles sont utilisées de petite taille et sont amenées dans la rue par un trou dans le mur de support. L'installation avec des brûleurs atmosphériques est une autre affaire: la température des gaz d'échappement à leur sortie atteint 800 ° C. Ce sont ces appareils qui nécessitent une grande cheminée réalisée conformément à toutes les règles de sécurité incendie.
Les cheminées doivent avoir une autre qualité très importante: créer un tirage naturel. Pour ce faire, ils doivent fonctionner strictement verticalement, avoir un diamètre correspondant à la capacité de la chaudière et être correctement évacués par le toit. La figure montre la hauteur de la tête de cheminée, en fonction de l'emplacement sur le toit.
En ce qui concerne la dépendance du diamètre de la cheminée à la puissance de la chaudière: ici, vous devez être guidé par les données indiquées dans le passeport pour l'installation.
Schéma et étapes de raccordement des chaudières à gaz
Il est préférable que la connexion soit assurée par des spécialistes ou des services spécialisés qui seront impliqués dans l'entretien de votre système de chauffage. Si votre initiative d'auto-installation d'équipement de chaudière trouve un soutien auprès des autorités compétentes (ce qui est très douteux), alors après la préparation du projet et les permis nécessaires et l'achat de l'équipement, vous pouvez procéder à l'installation de la chaudière. .
- Installation. La chaudière murale est montée sur le mur à l'aide de fixations ou de bandes spéciales, généralement fournies dans le kit. Le support au sol est monté sur une surface plane et ignifuge. Contrairement aux équipements muraux, les chaudières au sol sont installées à une distance de 25 à 30 cm du mur. Il est important de savoir que les installations doivent être accessibles de tous les côtés.
- Raccordement au système de fumées. Important! Après le raccordement, vous devez vous assurer qu'il y a un tirage dans la cheminée. Assurez-vous de vérifier l'étanchéité du raccordement du tuyau de dérivation au conduit de fumée.
- Connexion aux systèmes de communication. Un schéma typique pour connecter une chaudière à gaz à un système de chauffage avec une tuyauterie à deux tuyaux ressemble à celui illustré sur la figure.
Ce qui suit est un schéma de câblage classique pour une chaudière à gaz à double circuit murale.
De gauche à droite: sortie du liquide de refroidissement dans le système de chauffage; entrée d'eau du robinet; raccordement de la conduite de gaz; eau chaude vers le système ECS; entrée de caloporteur réfrigéré du système de chauffage.
Tout d'abord, vous devez prendre soin d'installer des robinets sur les systèmes d'alimentation en eau, de chauffage et de gaz, qui seront chargés de déconnecter ces systèmes de la chaudière, lors de son entretien et de sa réparation, ainsi que si un arrêt d'urgence est nécessaire. De plus, un filtre grossier doit être installé à l'entrée du système d'alimentation en eau et au «retour» du système de chauffage, en utilisant des éléments d'arrêt avant et après celui-ci.La dernière étape sera le raccordement de la chaudière au système de chauffage et un essai de fonctionnement de l'installation. Il doit être réalisé en présence d'experts gaziers.
Ce n'est pas une tâche facile. La chaudière ne peut pas être suspendue d'une manière ou d'une autre, car la sécurité des personnes vivant dans la maison dépend souvent de la bonne installation de la chaudière murale. Cela est dû au fait que l'installation de cet appareil est effectuée dans le strict respect des exigences techniques et des normes adoptées en Russie au niveau législatif.
C'est pourquoi l'installation d'une chaudière murale de vos propres mains est un processus extrêmement long et difficile pour un débutant.
Chauffage à circulation forcée
Le schéma d'installation d'une chaudière à combustible solide pour un système de chauffage à alimentation forcée prévoit l'installation d'une dérivation et d'une vanne à trois voies pour créer un circuit de circulation primaire.


Installation d'une chaudière à combustible solide dans un système de chauffage à circulation forcée
Ce principe de raccordement des chaudières à combustible solide exclut la formation de condensat dans le four d'une chaudière en acier ou la destruction d'une unité en fonte lorsqu'un fluide caloporteur refroidi pénètre dans la chemise d'eau d'un générateur de chaleur chaude. Une vanne à trois voies, ajustée à une température prédéterminée, et une dérivation permettent au liquide de refroidissement chauffé d'être mélangé dans le flux de retour jusqu'à ce que le système de chauffage atteigne le mode de fonctionnement optimal.
Article connexe: Principes et caractéristiques du système
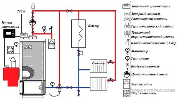
Le schéma d'installation d'une chaudière à combustible solide peut inclure un réservoir de préparation d'eau pour l'alimentation en eau chaude - une chaudière à chauffage indirect. Son élément chauffant est un serpentin à travers lequel passe le liquide de refroidissement chauffé par la chaudière.


Représentation schématique de l'installation d'une chaudière à combustible solide avec une chaudière à chauffage indirect
Dans le schéma ci-dessus, la chaudière et les branches de chauffage sont installées en parallèle, immédiatement après le circuit de circulation primaire. Une telle connexion vous permet de préparer l'eau pour l'alimentation en eau chaude en utilisant le liquide de refroidissement le plus chauffé. Une vanne thermostatique directe, montée à la sortie de la chaudière, ne permet pas au liquide de refroidissement de passer librement à travers la batterie. Il fait passer de l'eau refroidie à la température de consigne, qui a dégagé de la chaleur pour l'alimentation en eau chaude.
La complexité de la tuyauterie de la chaudière est également affectée par la présence d'un deuxième générateur de chaleur (chaudière à gaz ou électrique), le nombre et les types de circuits de chauffage (radiateur, chauffage par le sol).
Il existe différents schémas de connexion de deux chaudières multicombustibles pour l'entretien d'un système de chauffage. La meilleure option est d'utiliser un accumulateur de chaleur (ballon tampon), auquel sont connectés une unité à combustible solide et une chaudière électrique, chacune avec sa propre pompe de circulation. Le générateur de chaleur électrique est mis en marche par un signal du contrôleur avec un capteur de température de l'air lorsque la température ambiante commence à baisser après que le carburant de l'unité principale a brûlé et que le liquide de refroidissement du système s'est refroidi.







