Accueil & Gg; Chaudières à gaz & Gg;
Immergas est une entreprise italienne qui produit des équipements de chauffage depuis 1954. Il ne produit que des unités murales, améliorant ainsi plus rapidement les technologies modernes. Il n'existe qu'environ 80 modèles de chaudières à gaz Immergas, mais tous ne sont pas fournis aux pays de la CEI, mais uniquement ceux qui peuvent s'adapter aux conditions météorologiques nationales.

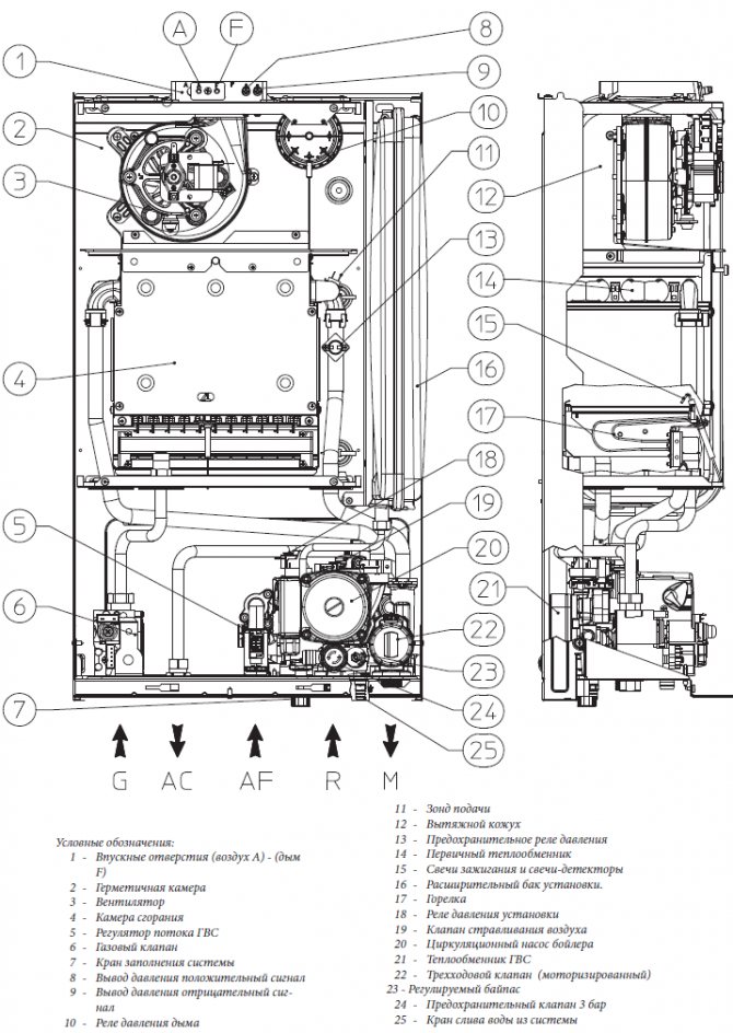
Figure. 1 Chaudière à gaz Immergas
De nombreux composants importants de la chaudière ne sont fabriqués que dans une usine italienne. Ces composants comprennent: une chaudière à eau, qui contient un échangeur de chaleur en spirale original en acier inoxydable de haute qualité, ainsi qu'une canalisation de chaudière (une instruction est également jointe). Mais ne vous inquiétez pas, ces pièces seront difficiles à acheter, car les centres de service Immergas sont situés dans toute l'Europe, y compris en Russie.
Absolument toutes les chaudières murales Immergas sont des produits de haute qualité qui ont déjà fait confiance à de nombreux citoyens de la Fédération de Russie. Ils subissent des tests spéciaux en usine, donc en achetant cette marque, vous pouvez être absolument calme. L'acheteur de l'unité à gaz Immergaz recevra un appareil de très haute qualité qui fonctionnera longtemps et sans problème.
Caractéristiques de ces chaudières à gaz
Après avoir acheté ou construit votre maison, la première question qui vous intéresse est quelle chaudière à gaz choisir pour votre maison? La chaudière à gaz Immergas est une excellente option à cet effet, car elle suit une excellente formule - prix / qualité, et est également livrée avec des instructions d'utilisation claires. Autrement dit, le prix est acceptable pour la plupart des résidents de la Fédération de Russie et la qualité de ce produit est très élevée.
Alors, quelles sont les caractéristiques inhérentes à ces unités à gaz murales:
- En raison de leur taille et de leur poids compacts, ils peuvent être installés même dans une petite cuisine. L'unité à gaz Immergas n'a pas besoin de se voir attribuer une salle d'installation séparée.
- Les chaudières de cette marque sont à la fois à circuit unique et à double circuit. Si vous avez juste besoin de chauffer la pièce, la première option convient également. Si, en plus de chauffer la pièce, vous avez également besoin de chauffer de l'eau pour un usage familial, il est préférable de choisir une chaudière à gaz à double circuit.
- De nombreux modèles d'appareils muraux ont un écran à cristaux liquides sur lequel vous pouvez voir les codes de tous les dysfonctionnements, le cas échéant, mais une chose est sûre, c'est que vous ne ferez pas de réparations pendant longtemps. Les codes peuvent être déchiffrés en regardant les instructions de ces chaudières à gaz.
- Ces unités disposent d'indicateurs de modes de fonctionnement.
- Chaque chaudière dispose d'un échangeur de chaleur en cuivre à circulation naturelle ou à circulation forcée. Si vous quittez souvent la maison, il est préférable de l'installer à circulation forcée, car un tel système de chauffage fonctionne de manière totalement autonome.
- Certains modèles sont équipés d'un thermostat d'ambiance. Vous pouvez également connecter une télécommande aux appareils - il deviendra alors encore plus facile de prendre soin des unités murales.
Les unités murales Immergas n'ont pas besoin d'être connectées à une cheminée, vous pouvez simplement connecter un tuyau coaxial qui élimine tous les produits de combustion par une ouverture dans le mur. Ceci est très pratique pour ceux qui vivent dans des appartements et souhaitent se chauffer de manière autonome. Les instructions pour les unités murales Immergas vous expliquent comment installer correctement la chaudière, ainsi que comment en prendre soin correctement si vous décidez de le faire vous-même.
Chaudières à gaz Immergas / chaudière Immergas (Italie)


Compagnie Immergas a été fondée en 1954 dans la ville de Brescello, située au centre de l'Italie. Plus de trente ans de l'usine Immergas fabrique des chaudières à gaz murales.Aujourd'hui, l'usine, d'une superficie totale de 40 000 m2, emploie 550 spécialistes nouvellement qualifiés.
Gamme de modèles de gaz mural Chaudières Immergas / Chaudières Imergas se compose de 78 modèles. Ces modèles sont fournis à l'Ukraine et aux pays de la CEI en tant que: Star, Star KW, Mini, Maior, Zeus Maior, qui sont adaptés aux conditions d'exploitation domestiques. Les modèles répertoriés sont des chaudières à décharge forcée de produits de combustion et à tirage naturel.
Popularité de la marque Immergas pas limité aux pays européens. Les produits de l'usine italienne sont bien connus même en Chine. Produits chaque année Immergas exporté vers 32 pays du monde. Ainsi, en termes de ventes de gaz articulé à condensation Chaudières Immergas / Chaudières Imergas, l'entreprise est devenue le leader absolu de la vente de chaudières murales en Europe.
De nombreux composants importants Chaudières Immergas / Chaudières Imergas fabriqué directement à l'usine de l'entreprise. Parmi eux se trouvent des composants clés tels que: une chaudière à accumulation avec un échangeur de chaleur en spirale d'origine en acier inoxydable de haute qualité et des tuyaux de turbine en cuivre internes de la chaudière. Le reste des composants utilisés pour la cueillette Chaudières Immergas / Chaudières Imergassont fournis par les principaux fabricants européens.
Pour assurer le fonctionnement stable et fiable des chaudières, l'entreprise a mis en place près de 600 centres de service spécialisés dans toute l'Europe. Pour améliorer les qualifications des employés, une formation est dispensée sur l'installation et la maintenance des chaudières.
Àdéchets Immergas / chaudières Imergaz produit sur dix lignes d'assemblage différentes de l'usine. Une grande attention est accordée au maintien de la haute qualité des produits, qui est assurée par des tests spéciaux. Tout Chaudières Immergas / Chaudières Imergaz subir des contrôles de contrôle à chaque étape de la production. A cet effet, des bancs d'essai sont utilisés, auxquels sont fournis du gaz, de l'eau, de l'électricité, et l'évacuation des produits de combustion est organisée. Ainsi, toutes les pièces sont testées dans des conditions réelles de fonctionnement. Chaudière Immergas / Chaudière Imergaz.
Au fil de l'histoire de son existence, des spécialistes Immergas a réussi à combiner en un seul mécanisme bien coordonné tous les processus intégraux de la production de chaudières de chauffage: de la conception du produit à la livraison au client, de la vente au support technique.
Client qui a acheté Chaudière Immergas / Chaudière Imergaz, reçoit un appareil qui non seulement répond aux exigences techniques modernes, mais combine également le rapport idéal entre prix et qualité. De plus, pour chaque gaz Chaudière Immergas / Chaudière Imergaz un excellent service après-vente est fourni.
Chaudière EOLO Mini 24 KW "IMMERGAS" turbo. Chaudière EOLO Mini 28 KW "IMMERGAS" turbo. Chaudière EOLO STAR 24 3E "IMMERGAS" turbo. Chaudière NIKE Maior 28 KW E "IMMERGAS" atmosphérique Chaudière NIKE Mini 24 KW "IMMERGAS" atmosphérique Chaudière NIKE Mini 28 KW "IMMERGAS" atmosphérique Chaudière NIKE STAR 24 3E "IMMERGAS" atmosphérique Immergas Zeus 28 kW Immergas Zeus 24 kW Nike Star 24 3 E Immergas Mini Nike 24 3 E Immergas Mini Eolo 28 3 E Immergas Mini Eolo 24 3 E Immergas Maior Eolo 32 4 E Immergas Maior Eolo 28 4 E Immergas Maior Eolo 24 4 E Immergas Eolo Star 24 3 E Immergas Avio 24 kW Immergas Nike Mini 28 kW Special Immergas Victrix 24 X 2 I Immergas Victrix 90 1 I Immergas Victrix 75 Immergas Victrix 26 2 I Immergas Victrix 50 Immergas Victrix Superior 32 KW Immergas Victrix Superior TOP 32 kW X ARES 150 Tec ARES 200 Tec ARES 250 Tec ARES 300 Tec ARES 350 Tec ARES 440 Tec ARES 550 Tec ARES 660 Tec ARES 770 Tec ARES 900 Tec Immergas Nike Mythos 24 2 Е Immergas Eolo Mythos 24 2 Е Immergas Victrix Zeus Superior 32 kW Immergas Hercules Сondensing 26 kW Immergas Hercules Сondensing 32 kW Immergas HerculesT Condensing 32 kW Immerg comme Hercules Solar 26 Immergas Mini Nike X 24 3 E Immergas Mini Eolo X 24 3 E
teplotek-ug.ru
Comment installer la chaudière Immergas
Si vous voulez que l'unité à gaz murale fonctionne sans problème et en pleine puissance, vous devrez alors inviter un spécialiste hautement qualifié dans ce domaine pour l'installation. Premièrement, il aura toutes les pièces constitutives pour la fixation du système, et vous n'avez pas à y penser, et deuxièmement, le travail professionnel est toujours différent du travail amateur.


Figure. 2 Unité murale à double circuit Immergas
Comment se déroule l'installation des chaudières à gaz Immergas:
- Vous devez d'abord décider quel équipement convient à votre maison, l'acheter et ensuite seulement penser à l'installation.
- Ensuite, il vaut la peine de trouver une instruction dans laquelle tout sera écrit en détail sur l'installation d'une unité à gaz.
- La chaudière doit être fixée à l'emplacement choisi dans la cuisine ou dans une autre pièce. S'il s'agit d'une unité murale, vous devez la fixer au mur.
- Ensuite, l'appareil mural doit être connecté à l'électricité, après avoir effectué une mise à la terre afin d'éviter que la chaudière ne brûle pendant un orage.
- Ensuite, vous devez installer un vase d'expansion et une pompe de circulation si vous connectez un chauffage à circulation forcée.
- L'étape suivante consiste à connecter l'unité de gaz à double circuit Immergas au système de chauffage.
- Ensuite, vous devez tester le système pour détecter les fuites (les instructions indiquent comment procéder).
- Ensuite, vous devez éliminer l'excès d'air. La manière de procéder correctement est également décrite dans les instructions.
- Et la dernière étape consiste à démarrer l'unité de gaz à deux circuits Immergas.
Aide au dépannage des chaudières Immergaz
___________________________________________________________________________
Question: Nous avons installé une chaudière à gaz à double circuit immergaz EOLO STAR 24 3 E s'éteint et ne s'allume périodiquement que pendant la saison de chauffage, pouvez-vous le réparer? Réponse: Si cela se produit une fois par jour, il s'agit d'un système d'auto-test. C'est bon, c'est comme ça que ça devrait être (dans toutes les chaudières). Si cela se produit plus souvent, il peut y avoir un problème avec la carte de commande. Question : La chaudière murale Immergaz Eolo Mini fonctionne depuis 3 ans, il n'y a eu aucun problème. Soudain, il a arrêté de chauffer l'eau, et le chauffage fonctionne comme d'habitude. Quelle est la raison et comment y remédier? Réponse: Si l'eau du robinet d'eau chaude est froide, nettoyez ou changez le capteur de débit. Et s'il ne sort pas de la grue, c'est très mauvais. Au contraire, vous devrez changer l'échangeur de chaleur. Question: La chaudière fonctionne depuis la deuxième année, modèle Immergas EOLO star 24 3e. L'année dernière (2012), les spécialistes du centre de service ont effectué une maintenance, qui consistait à le nettoyer de la poussière avec un aspirateur. Dans ce (2013) n'a pas appelé. Les problèmes ont commencé récemment. Il y a un programmateur de salle.
La chaudière chauffe jusqu'à 80 gr. s'éteint, la pompe pompe de l'eau et lorsque la température chute à 40 grammes. se rallume. Trois batteries connectées. Mais le froid le plus lointain. Bloqué deux proches, a gagné le loin. Ce n'était pas le cas avant. Qui peut dire quel est le problème? Réponse: le filtre sous la chaudière ou dans la chaudière est sale (eau de chauffage), ou l'échangeur de chaleur est bouché - c.-à-d. petit débit d'eau de chauffage, d'où la surchauffe. Question: Je ne peux en aucun cas supprimer le code 05, la chaudière eolo star 24 3 e ne s’allume pas, que dois-je faire? Réponse: Erreur 05: Dysfonctionnement de la sonde de chauffage NTC. Apparaît lorsque la chaudière est dans n'importe quel mode, y compris le mode veille. La raison de l'apparition est un circuit ouvert ou un court-circuit dans le circuit du capteur NTC du circuit de chauffage. Lorsque l'erreur "05" apparaît: la vanne de gaz se ferme, la pompe s'arrête, le ventilateur s'arrête. Redémarrage - automatiquement après élimination des défauts. Essayez de remplacer le capteur. Question: La chaudière à gaz Immergaz Eolo Star est installée et connectée, elle fonctionne depuis un an. De temps en temps, un seul grésillement "mordant" se fait entendre de la chaudière. Je ne comprends pas d’où cela vient et pour quelle raison. Deuxièmement, le circuit de chauffage chauffe étrangement. Je règle 50 degrés sur la chaudière, la chaudière commence à chauffer, la température atteint 50 en 30 secondes, le chauffage est éteint, puis en 10 secondes la température devient 40 degrés et après trois minutes le chauffage du circuit de chauffage est à nouveau activé . En fait, réglé à 50, il chauffe jusqu'à 40. La circulation du liquide de refroidissement dans la chaudière elle-même peut-elle être perturbée? Réponse: La circulation est interrompue, la chaudière est en ébullition. Soit une chaudière, soit un système. Question: chaudière double circuit murale Immergas Eolo Star 24 3e. Travaille depuis 1 an (depuis octobre 2012). Le système de chauffage (tuyaux, batteries) est neuf. Après avoir commencé à chauffer cet automne, j'ai commencé à éliminer l'erreur E27. Je ne peux pas attraper un modèle spécifique - parfois plusieurs fois par jour, mais il semble y avoir des jours sans cette erreur. Il semble que lorsqu'il fait plus froid dehors et que, par conséquent, cela fonctionne plus intensément, cela donne une erreur moins souvent. J'ai vérifié les vannes pour évacuer l'air sur les batteries et connecter les planchers chauffants - je n'ai trouvé aucune légèreté. Que pouvez-vous faire d'autre par vous-même? À propos, si vous démarrez de l'eau chaude du robinet, il commence à chauffer l'eau, parfois des gargouillis / cognement se font entendre et cesse de donner l'erreur E27. Réponse: Le code d'erreur 27 signifie une circulation insuffisante dans le circuit de chauffage, mais cette erreur disparaît généralement après l'ouverture du robinet d'eau chaude dans la salle de bain (la distance entre la chaudière et les tuyaux est d'environ 10 à 12 m).Dans le même temps, l'ouverture du robinet d'eau chaude dans la cuisine (à côté de la chaudière) ne pose pas de tels problèmes. Plusieurs fois, j'ai remarqué que parfois l'eau chaude ne coulait pas dans la salle de bain, et pour qu'elle aille, vous devez fermer l'eau et l'ouvrir à nouveau. Question: J'ai une chaudière à gaz Immergas EOLO MINI 24 connectée, c'est sa troisième année, il y a toujours des problèmes, cette fois le problème est le suivant: le chauffage fonctionne normalement, mais quand l'eau chaude est allumée, il n'y a tout simplement pas de chaud l'eau, l'eau froide coule et la chaudière commence à gagner de la température, et il y a un son comme si elle était sur le point de décoller. Aide à corriger les défauts? Réponse: Le capteur de débit ECS est défectueux (le flotteur est probablement bloqué par la saleté. Il peut être lavé ou remplacé si cela n'aide pas. Question: Nous avons installé une chaudière murale Immergas MINI Nike 24 3 E, qui a fonctionné pour deux hivers sans aucun problème, seuls de petits claquements se font entendre lors de l'allumage. Mais tout d'un coup, lorsque l'eau chaude est allumée, il devient fou et commence à augmenter brusquement la température. Les trois torches de l'écran sont allumées. les nombres courent pendant une centaine, des crépitements et une surchauffe se font entendre, l'erreur E27 apparaît. Et si vous ne rallumez pas l'eau, elle clignotera pendant longtemps. Réponse: vous avez un très mauvais tirage à cause de cela et apparaît, en cas de surchauffe se produit après l'arrêt de l'eau chaude, vous devez alors nettoyer l'interrupteur de débit.Si pendant l'utilisation, il se désactive, il semble que la chaudière est obstruée par du tartre, dans tous les cas, commencez par éliminer la fumée et l'admission d'air (par le à cause de cela, il peut bien y avoir un problème avec l'eau chaude, surtout si les cellules de l'échangeur de chaleur sont obstruées par de la suie.) Question: l'installation et le raccordement de la chaudière Immergas EOLO Star 23kw commence périodiquement à se fissurer et la température saute sur l'écran, l'erreur 27 apparaît plusieurs fois, je le redémarre et recommence à fonctionner. Que peut-il être et comment y faire face? Réponse: Il semble que l'échangeur de chaleur soit bouché. Le circuit de chauffage n'est pratiquement pas nettoyé. Vérifiez le filtre à l'entrée, probablement un système de chauffage de mauvaise qualité. Question: dites-moi quel pourrait être le problème, la chaudière a cessé de chauffer à plus de 32 degrés, la mini chaudière immergaz fait 28 kw, la nouvelle a été installée pendant 2-3 mois. Réponse: Petite flamme. Faible pression de gaz à l'entrée, la grille de la vanne de gaz est bouchée. Manque de modulation de la vanne gaz (il faut surveiller les courants sur les bobines). Si les courants sont bol. 200mA, puis le contrôle de la carte est activé. Surveillez la pression de sortie de la soupape. Question : Chaudière à gaz Imergaz NIKE Star 23kW. Fonctionne pour la huitième année. De pannes - 6 ans du tout et ne s'est pas penché dessus. Au cours de la septième année, la soupape a été remplacée pour remplir le système (elle a commencé à fuir), et cette année, elle donne constamment une erreur-01 «Verrouillage en cas de défaillance d'allumage». Selon les instructions - appuyez sur "réinitialiser". Je le fais. Se comporte de manière imprévisible - cela peut fonctionner ou il peut continuer à clignoter 01. 20 fois par jour, que faire? Réponse: Tout d'abord, il fallait assurer le service à temps. Nous devons appeler un technicien de service intelligent. Dans votre cas, 1. il se peut qu'il n'y ait pas de courant d'ionisation au niveau de l'électrode centrale (le courant est très faible et tous les appareils ne peuvent pas être mesurés). 2 la carte est défectueuse. 3 la soupape de gaz ne fonctionne pas correctement. Question: L'erreur 28 clignote dans la chaudière. Nous avons vérifié le système entier pour des fuites nulle part. Mais il s'éteint toujours. Quand je le redémarre avec un nouveau, il semble fonctionner, mais pas pour longtemps. Et encore une fois l'erreur 28 Réponse: Erreur 28 - une fuite dans le système ECS. Votre robinet d'eau chaude fuit quelque part. Le système voit que la chaudière fonctionne pour le chauffage et la température de l'alimentation en eau chaude augmente également, même si elle doit être constante. Réparez la fuite. Question: J'ai une chaudière Immergas EOLO Star 24 kw connectée après l'installation. 3 années. Le problème, c'est qu'hier matin, ils ont éteint la lumière, la chaudière a cessé de fonctionner et je l'ai éteinte du réseau. Une demi-heure plus tard, la lumière s'est allumée, j'ai allumé la chaudière, elle s'est mise à clignoter et a donné une erreur E10 (pression insuffisante dans le système). tapé le système comme s'il commençait à fonctionner, puis quelques heures plus tard, l'erreur E10 à nouveau. J'ai de nouveau composé le système jusqu'à presque 2. Le lendemain matin, c'était pareil. J'ai vérifié chaque tuyau, j'ai tout regardé, je pensais qu'il y avait une fuite quelque part, mais non, tout va bien.Dis moi quoi faire? Réponse: Dans la chaudière, la pression ne peut chuter que dans deux cas: un problème dans le détendeur (natif ou supplémentaire - pas si important) - le plus souvent, ou une panne dans l'échangeur de chaleur - un cas sur un million, à condition que le chauffage le système est vraiment 100% étanche. Question: L'appartement dispose d'une chaudière à gaz murale Immergaz EOLO STAR. Dites-moi ce que signifie le code d'erreur 03? D'abord noirci, brûlé 11, puis 03? Réponse: erreur 03 - le ventilateur est défectueux. 11 - "pas d'échappement" pas de pression des produits de combustion. J'ai résolu le problème comme ceci: j'ai d'abord enlevé le boîtier et ouvert la chambre, il y a un moteur qui aspire l'air de la chambre de combustion, 15 * 15 cm en forme d'escargot, je l'ai dévissé avec 3 vis, nettoyé les pales de la poussière incrustée sur les lames avec une brosse dure, l'essentiel est de ne pas déséquilibrer (certaines lames ont des trombones).
Il a graissé les roulements et les a remplacés. Je l'allume - le même problème. Et j'ai commencé à nettoyer, car 1 jour avant l'émission de l'erreur 11, j'avais un bruit supplémentaire de ce moteur. Après le nettoyage, il a disparu. Regardé dans les instructions indique un "pressostat de produits de combustion" ce relais est dans mon coin supérieur droit. Un tube capillaire y est connecté. Le principe du relais est le suivant : une petite pression d'air est fournie par un tube qui s'insère dans la chambre du ventilateur lorsque ce ventilateur est allumé, ce qui ferme le relais. Un relais fermé envoie un signal à l'unité de commande et le brûleur s'allume (enfin, en même temps, un certain nombre d'autres conditions sont probablement remplies, mais ce n'était pas important pour moi).
En général, le problème est que le moteur du ventilateur fonctionnait et que le brûleur ne s'est pas allumé. J'ai sorti ce tube capillaire transparent de la chambre du ventilateur et j'ai soufflé dedans (c'est-à-dire dans le capteur) le résultat - le relais s'est fermé, le brûleur s'est allumé. En conséquence, je me suis rendu compte que soit le capteur était réajusté à une pression d'air plus élevée, soit de la saleté dans les tubes capillaires, soit dans le raccord fixé à la chambre du ventilateur. J'ai sorti le raccord (dont j'ai sorti le bouchon. Tube sur la chambre du ventilateur), l'ai nettoyé et scié à un angle le tube intérieur, qui est situé dans la chambre du ventilateur, pour un meilleur passage de l'air. J'ai tout mis en place, je l'ai connecté. Et le Chaudron a commencé à fonctionner comme avant. Mais quelques heures plus tard, j'ai revu la même image - erreur 11. Ensuite, j'ai éteint le "pressostat des produits de combustion" (au fait, après cela, j'ai eu l'erreur 03, donc c'est probablement un mauvais contact, et ce capteur est localisé dans un endroit où il fait très chaud, je chauffe).
En général, j'ai arraché une sorte de fiche jaune sur ce relais, j'ai vu deux vis, j'ai essayé de les tordre et j'ai réalisé que l'une d'elles était chargée de régler le débit d'air, au niveau duquel le relais est déclenché. ajusté au plus petit débit. J'ai tout connecté à la chaudière, l'ai mise en marche pendant qu'elle fonctionnait. Question: La chaudière IMMERGAS NIKE STAR fonctionne déjà depuis 10 ans. C'était différent, mais c'était la première fois que je rencontrais un tel refus - lorsque le chauffage (eau chaude) est allumé, la chaudière se met en verrouillage (les LED jaune et rouge "Pas assez d'eau dans le système de chauffage" clignotent en alternance) tandis que sur le manomètre 1.2, l'image ne change pas à trois bars.
Lors de l'utilisation d'eau chaude, la chaudière se bloque immédiatement, et lors de l'utilisation du chauffage, la pompe fonctionne pendant 1-2 secondes, le relais est activé (lequel n'a pas encore été déterminé), la bougie ne fonctionne pas et la chaudière se met en marche. blocage. La manipulation de la position RESET ne donne pas le résultat souhaité. De plus - après avoir renversé de l'eau dans l'alimentation en eau chaude pendant 10 à 15 minutes, la chaudière a démarré. Réponse: Vérifiez le capteur de pression du système de chauffage. Peut-être envahi par la boue. Question: Une chaudière à gaz Imergaz Nike star 24 kw a été installée, le capteur de pression d'eau est en panne, le cavalier a été restauré. Est-il possible de fonctionner de cette façon ou vaut-il mieux installer un nouveau capteur? Réponse: Il est recommandé d'installer un nouveau capteur. Question: Boiler Immergas Nike Star 24. Problème: lors du fonctionnement en mode chauffe-eau à gaz, après avoir fermé le robinet d'eau chaude, la flamme ne s'éteint pas, chauffe davantage l'eau, surchauffe en conséquence, s'éteint et l'erreur 27 est déclenchée. qu'il ne fonctionne pas pour couper l'eau.Le maître a déclaré qu'il est possible que les robinets soient contournés entre l'eau froide et l'eau chaude et que le capteur ne fonctionne pas.
Déconnecté complètement du système d'eau chaude et mettre un robinet juste derrière la chaudière (pour la pureté de l'expérience). Après la fermeture de l'eau chaude, l'historique se répète - le gaz ne s'arrête pas, la chaudière surchauffe et l'erreur 27. Réponse: Vérifiez le fonctionnement du capteur de débit d'eau. Le commutateur Reed peut ne pas fonctionner. Question: Nous avons connecté et connecté la chaudière Immergaz Nike star 23 kw. l'erreur 01 a commencé à apparaître, la chaudière s'allume, mais s'éteint immédiatement. puis après 30 secondes, il se rallume et brûle normalement. Ce n'est pas toujours le cas. Réponse: Très probablement une électrode (contrôle de flamme). Peut être nettoyé, mais mieux remplacé. Si cela ne résout pas le problème, la carte est défectueuse. Question: la chaudière à double circuit Immergaz Eolo Metos 24 est suralimentée. Si vous pouvez expliquer pourquoi est-ce mieux avec une sonde d'ambiance? Cela fonctionne pour moi en hiver pendant environ 2-3 minutes, puis il s'éteint pendant 5 minutes. La pompe continue de fonctionner.
Puis il se rallume. En effet, pour un mouvement uniforme, il vaut mieux appliquer de petits efforts, mais plus souvent que rarement, mais pendant longtemps. Ou cette logique ne rentre-t-elle pas ici? Après tout, il sera guidé par le capteur dans une pièce, alors que dans d'autres, la température peut être différente? Je suis à la maison tout le temps, donc je peux régler à la fois la température du liquide de refroidissement et le couvercle des batteries et des planchers chauds. Réponse: Un thermostat d'ambiance, ajustez les batteries dans les pièces - où il fait froid pour ouvrir, où il fait chaud pour appuyer, réglez + 70 ° C sur la chaudière et vous obtiendrez une économie de gaz supplémentaire de 20%, et la chaudière durera beaucoup plus longtemps. Pourquoi? En bref: l'efficacité de la chaudière est maximale aux températures maximales, vous pouvez consulter la fiche technique. Dans ce mode, il cycle moins souvent, souffle moins souvent la chambre de combustion, s'allume moins souvent, ce qui prolonge la durée de vie et vous dépenserez moins d'électricité en pompes. Question: La chaudière Imergaz Eolo Star 24 3 E a fonctionné pendant 5 ans. A la fin de l'été, la pression d'eau chaude a chuté, a appelé un spécialiste pour rincer l'échangeur de chaleur (le circuit ECS était pratiquement obstrué par du tartre). Deux mois plus tard, l'image se répète, le circuit ECS est à nouveau rincé. Après le rinçage, 2 semaines se sont écoulées, la pression de l'eau chaude a recommencé à baisser, lorsque le robinet est fermé, la température saute à 80-85 degrés (réglée sur 36). La question aidera à remplacer l'échangeur de chaleur ou est la raison dans l'unité électronique? Réponse: Le remplacement de l'échangeur de chaleur est probable.
___________________________________________________________________________
___________________________________________________________________________
- Dysfonctionnements de la chaudière AOGV-23 ZhMZ
- Paramètres et dispositif des chaudières à gaz AOGV et AKGV
- Automatisation de chaudière Baxi Luna-3 Comfort
- Installation et montage de la chaudière Baksi Slim
- Réglages et entretien de la chaudière Beretta Chao
- Détermination des codes d'erreur et des dysfonctionnements des chaudières Rinnai
- Erreurs et dysfonctionnements de la chaudière à gaz Termet
- La signification du code d'erreur et des dysfonctionnements des chaudières Vilant
- Détermination des défauts et erreurs des chaudières Wisman
- Questions sur l'entretien des chaudières Navien
- Questions sur les dysfonctionnements des chaudières diesel Kiturami
- Chaudières Junkers - Les maîtres répondent aux questions des utilisateurs
- Les experts répondent aux questions sur les chaudières Electrolux
- Des réponses d'experts pour la réparation des chaudières Nova
- Questions sur le service des chaudières Hermann
- Réponses des maîtres d'entretien des chaudières Daewoo
- Questions sur l'entretien des chaudières Ferroli
- Questions des utilisateurs sur la réparation des chaudières électriques Evan
- A cause de quoi la chaudière à gaz AKGV s'allume et s'éteint immédiatement
- Quel est le dysfonctionnement de la chaudière Alpha Color, si elle affiche le code d'erreur E01
- A cause de quoi la chaudière AOGV s'enflamme et s'éteint rapidement
- Comment éliminer l'erreur E01 sur la chaudière Baltgaz
- Quelle est la panne si la chaudière de Dani s'enflamme, mais s'éteint immédiatement
- Pourquoi la chaudière Danko s'allume-t-elle mais s'éteint rapidement?
- La chaudière Demrad a cessé de maintenir la pression, quel est le problème
- À cause de quoi la chaudière Gazlux a commencé à se réchauffer et à faire du bruit
- Quelle est la raison si la chaudière à gaz Keber s'allume, mais s'éteint rapidement
- Comment réparer le code d'erreur 01 sur la chaudière Kiturami
- À cause de quoi la chaudière Conord s'enflamme, mais s'éteint immédiatement
- Quelle est la raison si la chaudière Lemax s'enflamme et s'éteint rapidement
- Pourquoi la chaudière Mimax s'enflamme-t-elle mais s'éteint brusquement?
- Pourquoi la chaudière Le foyer s'enflamme, mais s'éteint immédiatement
- Pourquoi la chaudière à gaz Ross s'allume, mais s'éteint rapidement
- Quel est le dysfonctionnement si la chaudière Siberia s'allume et s'éteint brusquement
- Pourquoi le signal de la chaudière s'allume et s'éteint brusquement?
- À cause de ce que la chaudière Termet peut faire du bruit et de la chaleur
- Pourquoi la chaudière à gaz Thermotechnicien s'enflamme-t-elle, mais s'éteint soudainement?
- Comment puis-je corriger l'erreur E01 sur la chaudière Thermon
- Pour cette raison, la chaudière à double circuit Electrolux a commencé à bourdonner et à chauffer
- Pour quelles raisons la chaudière à gaz Ferroli donne une erreur avec le code A01
- Pour une raison quelconque, la chaudière Immergaz ne fonctionne pas sur l'alimentation en eau chaude
- Pourquoi la chaudière à gaz Navien s'éteint-elle constamment et s'allume-t-elle immédiatement lorsqu'elle est chauffée?
___________________________________________________________________________
___________________________________________________________________________
___________________________________________________________________________
- Tuyauterie de chaudières de chauffage
- Chaudières STS
- Chaudières à combustible solide KBT
- Chaudière à granulés Peresvet
- Chaudière au sol en acier Raton
- Thermologie des chaudières à combustible solide
- Erreurs et dysfonctionnements de la chaudière à gaz Termet
- Réparation des chaudières Thermon
- Réparation des chaudières Nova
- Service chaudière Hermann
- Comparaison des chaudières à gaz Lemax Premium-20 et Danko-20s
___________________________________________________________________________
- Maintenance des chaudières Daewoo
- Dysfonctionnements de la chaudière Demrad
- Dysfonctionnements de la chaudière Mora
- Réparation de chaudières Westen
- Dysfonctionnements des chaudières Immergaz
- Types de chaudières à combustible solide
- Modèles et conceptions de chaudières combinées
- Chaudières à fioul et à double circuit
- Chaudières en fonte pour charbon
- Chaudières avec brûleurs simulateurs
- Chaudières importées pour systèmes de chauffage
Comment choisir les bonnes unités murales à double circuit Immergas
Avant d'acheter une unité murale à double circuit, vous devez décider quelles fonctions elle doit exécuter, quelle puissance avoir, quelle circulation, etc. Vous devez également inviter un spécialiste qui vous aidera à installer correctement la chaudière à gaz Immergas. Si vous avez besoin d'un équipement de chauffage uniquement pour chauffer la maison, il est préférable de choisir une chaudière à circuit unique - elle est à la fois moins chère et plus économique. Eh bien, si en parallèle vous avez également besoin de chauffer de l'eau pour un usage familial, il est préférable de choisir un modèle à deux circuits.
Les chaudières à double circuit sont les modèles les plus populaires dans le monde.
Ils peuvent éliminer les gaz résiduaires en:
- Tirage forcé.
- Envies naturelles.
Pour les personnes qui vivent dans des immeubles de grande hauteur, il est préférable de choisir un tirage forcé pour éliminer les gaz d'échappement, c'est-à-dire d'acheter un tuyau coaxial (vous pouvez trouver des instructions et lire comment l'installer afin de ne pas avoir à effectuer de réparations plus tard). Et les résidents des maisons privées doivent faire une cheminée pour les unités de gaz Immergas.
Immergas EOLO Star 14 3R
Caractéristiques
| La chambre de combustion | Fermé (turbocompressé) |
| Type de chaudière | Double circuit (chauffage + eau chaude) |
| Puissance max, kW | 14 - chauffage | 24 - eau chaude |
| Rendement à pleine charge (80/60 ° C),% | 90,0 |
| Débit ECS (à ΔТ 30 ° C), l / min | 11,1 |
| classe de protection | IPX5D |
| Dimensions hors tout, cm | 748 x 440 x 240 |
| Poids (kg | 30 |
| Pays producteur | Slovaquie |
La description


| À quoi servent les chaudières à gaz de 18 kW? Les chaudières à gaz murales d'une capacité ne dépassant pas 18 kW sont généralement appelées "chaudières de campagne". |
| Quelle chaudière choisir avec un échangeur de chaleur bithermique ou à plaques? Sur la base de notre expérience, nous recommandons des chaudières avec ... |
BUT ET APPLICATION DE LA CHAUDIÈRE À GAZ La chaudière à double circuit remplit deux fonctions:
1) Chauffe une pièce d'une superficie allant jusqu'à 150 m², 1 kW de puissance de chaudière peut chauffer 10 m². La chaudière est ajustée à la zone de chauffage requise et vous n'aurez pas de consommation excessive de gaz. Exemple: La superficie d'une maison est de 120 m², alors vous avez besoin d'une puissance de chaudière allant jusqu'à 12 kW, et quelle que soit la puissance de chaudière que vous choisissez (14, 18, 24 kW), alors toutes ces chaudières seront configurées pour une puissance de 12 kW et leur consommation de gaz sera la même ...
2) Prépare de l'eau chaude pour deux points de prise d'eau en même temps (cuisine + salle de bain) Si vous avez besoin d'eau chaude dans la cuisine et la salle de bain, la chaudière ne doit avoir qu'une capacité de 24 kW. Possibilités de chaudières (18 et 24 kW) pour la préparation d'eau chaude: Une chaudière de 24 kW (à ∆t = 30 ˚C) peut cuire - 11 l / min Une chaudière de 18 kW (à ∆t = 30 ˚C) peut cuire - 8 l / min Exemple: Consommation d'eau dans le robinet de cuisine: 3 l / min Consommation d'eau dans la douche dans la salle de bain: 6-7 l / min Consommation totale simultanée d'eau: 9-10 litres / minute On voit que la chaudière avec une capacité de 18 kW, même, il peut ne pas faire face à la préparation d'eau chaude pour une douche. Par conséquent, n'économisez pas 10 à 20 euros sur la puissance de la chaudière si vous utilisez la chaudière en hiver et que vous disposez de deux points de prise d'eau.
AVANTAGES
1. Immergas - fabriqué en Italie. +1
Immergas conçoit, développe et produit des chaudières à gaz murales uniquement dans l'Union européenne (UE).
Immergas produit des chaudières dans deux de ses propres usines situées dans l'UE: 1. Immergas Europa (Poprad, Slovaquie), dans cette usine, seuls deux modèles de chaudières sont admis: NIKE / EOLO Star 24 3E.
2. Immergas Spa (Breschello, Parme, Italie), cette usine produit tous les modèles de chaudières à gaz murales, y compris NIKE / EOLO Star 24 3E. Immergas ne fabrique pas ses équipements en dehors de la CE.


2. Qualité de fabrication. +2
Immergas est certifié ISO 9001 : 2008, preuve du strict respect des normes internationales Immergas qui régissent le système qualité.
La production de chaudières est réalisée selon le principe - "contrôle des travaux" Cela signifie qu'après l'installation d'une certaine unité dans le corps de la chaudière, il est impératif de vérifier et de contrôler son installation. Le contrôle est effectué à la fois par un spécialiste et par un équipement automatisé industriel moderne.


3. Immergas - en République de Biélorussie. +3
2006 année - Immergas est entré sur le marché biélorusse. Et au cours de cette courte période, il est devenu un chef de file dans le domaine des chaudières à gaz murales dans notre pays.
Plus de 14 000 familles - Chaque année, ils choisissent les chaudières à gaz Immergas (cela représente plus de 50% de l'ensemble du marché des chaudières à gaz murales en Biélorussie).
Plus de 300 magasins spécialisés Les chaudières à gaz Immergas sont recommandées à l'acheteur dans tout le pays en tant qu'équipement de haute qualité, fiable et économique. Les chaudières à gaz Immergas peuvent être achetées partout dans notre pays
Immergas, le premier a fait son propre Info-mobile en Biélorussie. Il est équipé d'équipements Immergas. L'info-mobile est utilisé pour la présentation à l'acheteur, directement dans son établissement.


4. Confort, fiabilité et qualité en 24 centimètres. +4
EOLO Star 14 R est l'une des chaudières les plus compactes de notre marché, ses dimensions sont de 74x44x24 cm. Grâce à son design italien et ses petites dimensions, elle est largement utilisée dans le chauffage des appartements. En raison du fait que la profondeur de la chaudière n'est que de 24 cm, elle ne prend pas beaucoup de place, ne mange pas visuellement la pièce et s'intègre facilement dans n'importe quel intérieur. En outre, vous économisez votre argent lors du choix et de la conception de meubles, car il n'est pas nécessaire «d'ajuster» les meubles de cuisine aux dimensions de la chaudière.




5. Commande de chaudière pratique et compréhensible. +5
La chaudière est contrôlée et surveillée à l'aide d'un «panneau de commande» avec un affichage numérique et des boutons de commande. Cela vous permet de contrôler et d'ajuster clairement le mode de fonctionnement de la chaudière. L'avantage du panneau de commande de la chaudière EOLO Star 14 R est que chaque bouton est responsable de sa propre action - pas besoin de monter dans le menu de la chaudière et d'appuyer sur plusieurs boutons pour régler la chaudière ou changer la température. Les chaudières à 4 ou 5 boutons sont très peu pratiques à contrôler et à configurer - pour régler le paramètre souhaité, vous devrez effectuer quelques opérations supplémentaires dans le menu de la chaudière.


6. Film de protection sur la chaudière. +6
La chaudière peut être sale ou rayée lors de son installation, ou si la pièce est en cours de réparation, de la poussière et des débris de construction s'y déposent. De plus, si la chaudière est installée dans la cuisine, le creusement s'y installe, ce qui est difficile à nettoyer à l'avenir. Tout cela dégrade l'apparence de la chaudière au fil du temps. Pour protéger la chaudière, Immergas recouvre ses chaudières d'un film protecteur invisible. Après un certain temps, il peut être retiré et la chaudière aura l'air neuve.
7. Des composants de marques mondiales renommées sont utilisés dans la production. +7
Pompe de circulation (trois vitesses - Grundfos (Danemark); Vase d'expansion - Zilmet (Italie); Ventilateur - Fime (Italie); Unité modulée au gaz - Sit (Italie); Échangeur de chaleur - Giannoni (Italie); Tableau de commande et de régulation - Bertelli & Partners (Italie).


Dans les chaudières murales à gaz Immergas, seuls des composants de fabricants européens sont installés.
huit.5 classe de protection de la chaudière - IPX5D. +8
La classe de protection maximale des chaudières est de 5. Cette classe de protection indique quels fils et la méthode de protection contre les contacts sont utilisés dans la chaudière. Une chaudière avec une 5ème classe de protection n'a pas peur de l'humidité, de l'humidité et des éclaboussures d'eau, ce qui lui permet d'être installée dans un sous-sol humide, un four et dans la cuisine près du lavabo. Vous n'aurez pas à changer les fils de la chaudière après 6 à 8 ans. Et appelez également le maître et payez-lui de l'argent pour le fait que du fil s'est oxydé et qu'il n'y a pas de contact.
9. Le raccordement d'eau interne est réalisé par des tuyaux en cuivre. +9
Tous les composants hydrauliques de la chaudière sont connectés les uns aux autres avec des tuyaux en cuivre, pas des tuyaux en caoutchouc ou à eau. Les tuyaux en cuivre n'échoueront pas, car ils n'ont pas peur des coups de bélier. Ils ne doivent pas être remplacés après 5 à 7 ans, comme les tuyaux en caoutchouc ou les tuyaux de toilettes.


10. Vanne de vanne pratique pour constituer le système de chauffage. +10
Dans la chaudière EOLO Star 14 R, le système de chauffage est alimenté par une vanne à vanne, qui est plus fiable qu'une vanne à bille. Moins d'efforts sont nécessaires pour ouvrir la vanne d'appoint et le système de chauffage est rempli de manière plus précise et précise.


11. Les unités sont fixées les unes aux autres avec des connexions détachables rapidement. +11
La fixation de diverses unités dans la chaudière est réalisée à l'aide de raccords à démontage rapide, ce qui facilite l'entretien et la réparation de la chaudière. Aucun effort supplémentaire n'est requis pour dévisser les raccords à vis, et il n'est pas non plus nécessaire de transporter en plus des clés de différentes tailles.


12. Toutes les opérations de la chaudière sont contrôlées par un microprocesseur. Grâce à cela, la chaudière dispose d'une fonction d'autodiagnostic des défauts. +12
L'écran affiche le code de dysfonctionnement de la chaudière en cas de panne. Cela permet de résoudre des problèmes de réparation mineurs à distance (sans laisser le service après-vente au site d'installation de la chaudière), ce qui économise de l'argent pour l'utilisateur et pour le service après-vente - du temps.
13. Une caractéristique importante est le bruit de la chaudière. +13
Lorsque la chaudière fonctionne, vous pouvez entendre comment le ventilateur, le brûleur fonctionnent dans la chaudière, mais l'utilisateur de cette chaudière n'entendra pratiquement pas les sons de la chaudière. Ceci est réalisé en installant un couvercle supplémentaire à l'intérieur de la chaudière.
Niveau sonore pendant le fonctionnement de la chaudière - 36 dBA Niveau sonore à la charge maximale de la chaudière (avec la fonction «ramoneur») - 55 dBA


14. EOLO Mythos 24 2E possède toutes les fonctions et fonctions de sécurité. +14
- fonction d'autodiagnostic des dysfonctionnements; - allumage électronique avec contrôle d'ionisation; - allumage électronique en douceur; - modulation électronique douce de la flamme du brûleur; - fonction de protection contre le blocage de la pompe; - protection contre le gel; - protection contre la surpression de l'eau dans le système de chauffage (3 atm); - fonction de contrôle de l'élimination en toute sécurité des produits de combustion; - protection contre la surchauffe de l'eau dans l'échangeur de chaleur; - protection contre la formation de tartre; - protection contre les perturbations de la circulation; - by-pass automatique.
15. Entièrement adapté pour fonctionner dans les conditions biélorusses. +15
- la chaudière fonctionne à une pression de gaz minimale de 3,5 à 28 mbar; - la chaudière fonctionne à une pression d'eau du robinet minimale de 0,3 bar ou 2 l / min; - aucune polarité n'est requise lors du raccordement de la chaudière au réseau; - la chaudière peut fonctionner au gaz liquéfié (lors du remplacement des buses).
16. Il est possible d'utiliser de l'antigel dans le système de chauffage. + 16
Immergas permet l'utilisation d'une solution antigel spéciale pour les systèmes de chauffage. La garantie matérielle demeure. Toutes les entreprises n'autorisent pas l'utilisation d'antigel dans le système de chauffage. Cela indique l'utilisation de joints bon marché lors de la connexion des nœuds.
17. Aucun stabilisateur de tension externe requis. + 17
Économies d'argent importantes (à partir de 50 $), car vous n'avez pas besoin d'acheter un régulateur de tension supplémentaire. Étant donné que la protection contre les surtensions, ± 10% à partir de 220 V est intégrée à la chaudière elle-même.
Assurez-vous que cela est écrit dans la carte de garantie ou le contrat, car de nombreux escrocs sur le marché disent que leur équipement peut fonctionner sans stabilisateur de tension.Mais en même temps, si quelque chose arrive, ils disent simplement: "Je suis désolé, la chaudière veut dire qu'elle ne l'a pas fait, payez pour la réparation de la chaudière."
18. Garantie 5 ans. + 18
La garantie de cinq ans commence à partir du moment où la chaudière est mise en service pour la première fois, et non à partir du moment de l'achat ou de l'installation. Tous les cas sont garantis, à l'exception des dommages physiques à la chaudière et de la réparation de la chaudière par des spécialistes non certifiés.
Posez des questions au vendeur lors de l'achat d'une autre chaudière: Y aura-t-il une garantie pour la chaudière si je n'installe pas de stabilisateur de tension? Y aura-t-il une garantie pour la chaudière si la carte grille pendant une surtension ou un coup de foudre? Y aura-t-il une garantie pour la chaudière si l'échangeur de chaleur est obstrué par du tartre dans le système d'eau chaude? Y aura-t-il une garantie pour la chaudière si la pompe est bloquée par la saleté? Y aura-t-il une garantie pour la chaudière si le bloc gaz est bouché? Et vous obtiendrez une réponse - y a-t-il une garantie du tout dans cette chaudière.
19. Ensemble complet de livraison. + 19
Immergas pense à son équipement et veille à sa protection contre les facteurs extérieurs (mauvaise eau). À cette fin, Immergas propose une offre complète.
- tuyau d'échappement des fumées avec buse antigel;
Économiser lors de l'achat d'un ensemble, par rapport aux concurrents - jusqu'à 90 euros !!!
20. Le service est la tâche la plus importante d'IMMERGAS. + 20
Quelle que soit la qualité de la chaudière, elle nécessitera tôt ou tard un entretien. Le service ne devrait pas être coûteux en termes d'argent et imperceptible dans le temps pour l'abonné, c'est pourquoi Immergas a conclu des contrats de service avec GorGaz dans toute la Biélorussie. Lors de l'achat d'une chaudière, renseignez-vous sur le prix des pièces détachées et la disponibilité d'un centre de service dans votre ville
Immergas possède plus de 250 centres de service et plus de 200 entrepôts de pièces de rechange dans tout le pays.
21. En achetant des chaudières de la société italienne Immergas, vous obtenez des produits de qualité olympique.
IMMERGAS est un fournisseur de chaudières à gaz pour les Jeux Olympiques: Athènes 2004 et Pékin 2008.
5 ans de garantie. La garantie couvre tous les défauts causés par le fabricant.
Service 24 heures. La maintenance et le service sont assurés par le Gorgaz et des organismes de services privés.
Mode d'emploi chaudière à gaz EOLO Star 14 R
| Pourquoi Immergas? Vous avez besoin d'une chaudière à gaz ? Et vous vous êtes demandé pourquoi Immergas? |









