Le chauffage ou le refroidissement efficace et économique de l'environnement de travail dans l'industrie moderne, le logement et les services collectifs, les industries alimentaires et chimiques est réalisé à l'aide d'échangeurs de chaleur (TO). Il existe plusieurs types d'échangeurs de chaleur, mais les plus largement utilisés sont les échangeurs de chaleur à plaques.

L'article discutera en détail de la conception, de la portée et du principe de fonctionnement de l'échangeur de chaleur à plaques. Une attention particulière sera portée aux caractéristiques de conception des différents modèles, aux règles de fonctionnement et aux caractéristiques de maintenance. En outre, une liste des principaux fabricants nationaux et étrangers de plaques TO sera présentée, dont les produits sont très demandés par les consommateurs russes.
Appareil et principe de fonctionnement
La conception de l'échangeur de chaleur à plaques à joints comprend:
- une plaque frontale fixe sur laquelle sont montés les tuyaux d'entrée et de sortie;
- plaque de pression fixe;
- plaque de pression mobile;
- paquet de plaques de transfert de chaleur;
- joints en matériau résistant à la chaleur et résistant aux fluides agressifs;
- base de support supérieure;
- base de guidage inférieure;
- lit;
- ensemble de boulons d'ancrage;
- Un ensemble de pieds de support.
Cette disposition de l'unité assure l'intensité maximale d'échange thermique entre les milieux de travail et les dimensions compactes de l'appareil.


Conception d'échangeur de chaleur à plaques à joints
Le plus souvent, les plaques d'échange thermique sont fabriquées par estampage à froid à partir d'acier inoxydable d'une épaisseur de 0,5 à 1 mm, cependant, lors de l'utilisation de composés chimiquement actifs comme milieu de travail, des plaques de titane ou de nickel peuvent être utilisées.
Toutes les plaques incluses dans le jeu de travail ont la même forme et sont installées séquentiellement, dans une image miroir. Cette méthode d'installation des plaques de transfert de chaleur permet non seulement la formation de canaux à fentes, mais également l'alternance des circuits primaire et secondaire.
Chaque plaque comporte 4 trous, dont deux assurent la circulation du fluide de travail primaire, et les deux autres sont isolés avec des joints de contour supplémentaires, excluant la possibilité de mélanger le fluide de travail. L'étanchéité de la connexion des plaques est assurée par des joints de contour spéciaux constitués d'un matériau résistant à la chaleur et résistant aux effets des composés chimiques actifs. Les joints sont installés dans les rainures du profil et fixés avec un clip de verrouillage.


Le principe de fonctionnement de l'échangeur de chaleur à plaques
L'évaluation de l'efficacité de tout entretien de plaque est effectuée selon les critères suivants:
- Puissance;
- la température maximale de l'environnement de travail;
- bande passante;
- résistance hydraulique.
Sur la base de ces paramètres, le modèle d'échangeur de chaleur requis est sélectionné. Dans les échangeurs de chaleur à plaques et joints, il est possible d'ajuster le débit et la résistance hydraulique en modifiant le nombre et le type d'éléments à plaques.
L'intensité de l'échange thermique est due au régime d'écoulement du fluide de travail:
- avec un écoulement laminaire du liquide de refroidissement, l'intensité du transfert de chaleur est minimale;
- le mode transitoire est caractérisé par une augmentation de l'intensité du transfert de chaleur due à l'apparition de tourbillons dans l'environnement de travail;
- l'intensité maximale du transfert de chaleur est obtenue avec un mouvement turbulent du liquide de refroidissement.
Les performances de l'échangeur de chaleur à plaques sont calculées pour un écoulement turbulent du fluide de travail.
Selon l'emplacement des rainures, il existe trois types de plaques de transfert de chaleur:
- de "Mou, tendre"
canaux (les rainures sont situées à un angle de 600). De telles plaques sont caractérisées par une turbulence insignifiante et une faible intensité de transfert de chaleur, cependant, les plaques "molles" ont une résistance hydraulique minimale; - avec "Moyenne"
canaux (angle d'ondulation de 60 à 300). Les plaques sont de transition et diffèrent par les taux moyens de turbulence et de transfert de chaleur; - de "Difficile"
canaux (angle d'ondulation 300). Ces plaques se caractérisent par une turbulence maximale, un transfert de chaleur intense et une augmentation significative de la résistance hydraulique.
Pour augmenter l'efficacité de l'échange thermique, le mouvement du fluide de travail primaire et secondaire est effectué dans la direction opposée. Le processus d'échange thermique entre les milieux de travail primaire et secondaire est le suivant:
- Le liquide de refroidissement est fourni aux tuyaux d'entrée de l'échangeur de chaleur;
- Lorsque les milieux de travail se déplacent le long des circuits correspondants formés à partir d'éléments de plaque d'échange de chaleur, un transfert de chaleur intense se produit à partir du milieu chauffé en cours de chauffage;
- À travers les tuyaux de sortie de l'échangeur de chaleur, le liquide de refroidissement chauffé est dirigé vers sa destination (vers les systèmes de chauffage, de ventilation, d'alimentation en eau) et le liquide de refroidissement refroidi entre à nouveau dans la zone de travail du générateur de chaleur.
Le principe de fonctionnement de l'échangeur de chaleur à plaques
Pour assurer un fonctionnement efficace du système, une étanchéité complète des canaux d'échange de chaleur est nécessaire, qui est assurée par des joints.
Variétés d'échangeurs de chaleur secondaires
Lors du choix d'une chaudière à gaz à double circuit, il est important de faire attention aux caractéristiques de conception des circuits. Ils sont de deux types:
- lamellaire;
- coquille et tube.
Les types à plaques et à coque et tube sont utilisés avec une conception séparée des échangeurs de chaleur.
En plus de celui séparé, il existe un échangeur de chaleur bithermique, ce qui implique un dispositif combiné pour les circuits d'eau et de chauffage.
…


Contours lamellaires
L'échangeur de chaleur à plaques se compose de plusieurs plaques métalliques avec des passages extrudés. Ils sont rassemblés dans une image miroir pour former des canaux isolés pour un mouvement fluide. Les plaques sont fabriquées par emboutissage de tôle d'une épaisseur de 1 mm. Les canaux sont généralement des triangles équilatéraux avec des angles de différentes tailles. Plus l'angle est net, plus l'eau se déplace rapidement. Plus c'est bête, plus la circulation est lente.
Selon le schéma du mouvement du support, les plaques sont multi-passes et en une seule passe. Dans la première version, le liquide de refroidissement peut changer de direction plusieurs fois, ce qui permet de produire un rendement suffisamment élevé. Dans le second cas, le sens de déplacement des liquides ne change pas.
Caractéristiques de l'appareil d'une chaudière à gaz murale
Lisez ici comment rincer un échangeur de chaleur de chaudière à gaz à la maison?
Remplacement de l'échangeur de chaleur dans une chaudière à gaz de vos propres mains
Selon la méthode de connexion, les échangeurs de chaleur à plaques sont pliables et brasés. Les contours des plaques démontables sont combinés à l'aide de joints en caoutchouc élastiques. Pour assurer l'étanchéité des canaux, il est nécessaire de les serrer avec des attaches métalliques. La conception comprend deux dalles massives - fixes et mobiles. Sur le premier, des tiges sont fixées, sur lesquelles les plaques sont enfilées. Plus il y en a, plus il y a de chaleur. La plaque mobile est installée en dernier. Les écrous sont placés sur les chapes et serrés jusqu'à ce qu'ils soient serrés.L'avantage des contours de plaques pliables est qu'ils peuvent être démontés, nettoyés ou supprimés des éléments inutiles. L'inconvénient est le poids et la taille importants.


Les échangeurs de chaleur brasés sont soudés à partir de plaques dans une atmosphère d'argon - cela évite la corrosion dans les zones de soudage. Ces contours ne sont pas démontés, ils sont donc plus difficiles à nettoyer que ceux pliables. Leur avantage est leur taille plus compacte et leur poids relativement léger.
Coquille et tube
Les circuits de coque et de tube sont de conception plus simple, mais moins efficaces, ils sont donc de plus grande taille. En raison de la consommation importante de matériaux, les chaudières à gaz domestiques sont de moins en moins équipées de tels échangeurs de chaleur. Mais la conception des circuits à coque et tube est plus fiable et peut résister à des charges importantes pendant le fonctionnement. Par conséquent, ils sont principalement équipés d'unités industrielles.
Ces échangeurs de chaleur sont un tube dans lequel sont posés de nombreux petits tubes. De l'eau chauffée circule le long d'eux, qui est ensuite fournie aux robinets.
Noter! L'efficacité des échangeurs de chaleur à tubes et tubes est inférieure à celle des équivalents à plaques.
Échangeurs de chaleur bithermiques
Les circuits bithermiques sont deux tuyaux insérés l'un dans l'autre: l'eau chaude sanitaire se déplace le long de l'échangeur thermique interne et le caloporteur du système de chauffage se déplace le long de l'échangeur externe. Les chaudières à gaz avec une telle conception de circuit sont plus efficaces, l'eau chaude y chauffe plus rapidement que dans les homologues conventionnels. Cependant, les échangeurs de chaleur bithermiques présentent également des inconvénients: ils s'encrassent plus rapidement avec des dépôts de sel, ce qui entraîne leur défaillance précoce. Par conséquent, si le choix s'est porté sur une unité équipée d'un circuit combiné, vous devez placer un filtre sur l'entrée d'eau froide, qui retiendra tous les sels et la saleté. Sinon, l'échangeur de chaleur sera rapidement obstrué par des sédiments et tombera en panne. Il ne sera pas possible de le nettoyer en tant que circuit séparé. Vous devrez acheter un nouvel échangeur de chaleur bithermique, ce qui est assez cher.


Exigences relatives aux joints
Pour assurer l'étanchéité complète des canaux profilés et éviter les fuites de fluides de travail, les joints d'étanchéité doivent avoir la résistance thermique nécessaire et une résistance suffisante aux effets d'un environnement de travail agressif.


Les types de joints suivants sont utilisés dans les échangeurs de chaleur à plaques modernes:
- éthylène propylène (EPDM). Ils sont utilisés lorsque vous travaillez avec de l'eau chaude et de la vapeur dans la plage de température de -35 à + 1600 ° C, ne convient pas aux milieux gras et huileux;
- Les joints NITRIL (NBR) sont utilisés pour travailler avec des fluides de travail huileux dont la température ne dépasse pas 1350 ° C;
- Les joints VITOR sont conçus pour fonctionner avec des fluides agressifs à des températures ne dépassant pas 1800 ° C.
Les graphiques montrent la dépendance de la durée de vie du joint aux conditions de fonctionnement:


En ce qui concerne la fixation des joints, il existe deux manières:
- sur la colle;
- avec un clip.
La première méthode, en raison de la lourdeur et de la durée de la pose, est rarement utilisée.De plus, lors de l'utilisation de colle, l'entretien de l'unité et le remplacement des joints sont considérablement compliqués.
Le verrou à clip permet une installation rapide des plaques et un remplacement facile des joints cassés.
Les principaux types d'échangeurs de chaleur à plaques
Compte tenu des caractéristiques de conception des différents types d'échangeurs de chaleur, ils peuvent être conditionnellement subdivisés en types suivants:
- Échangeur de chaleur à un seul passage, chauffe le liquide en se déplaçant constamment dans une direction. Un tel dispositif présente un contre-courant de liquides de refroidissement.
- Dispositif de plaque multi-passes il n'est utilisé qu'avec une différence de température relativement faible des caloporteurs. Dans ce cas, le mouvement des liquides se produit dans deux directions - avant et arrière.
- Unité multi-circuits équipé de deux circuits indépendants, situés sur un côté de l'appareil. Un tel échangeur de chaleur à plaques est considéré comme le meilleur lorsqu'un réglage constant de la puissance calorifique est nécessaire.
Seuls des matériaux de haute qualité sont utilisés pour la fabrication des plaques d'échangeur de chaleur. Dans ce cas, la conception de l'appareil est équipée de 5 ou 50 éléments individuels, dont le nombre dépend de la puissance de l'unité. De tels échangeurs de chaleur peuvent être complétés par des plaques fixées directement sur le cadre, ce qui vous permet de modifier les indicateurs de puissance de l'appareil. Un échangeur de chaleur de haute qualité peut résister à des variations de température du liquide de refroidissement comprises entre -25 ° C et + 200 ° C.
Caractéristiques
Généralement, les caractéristiques techniques d'un échangeur de chaleur à plaques sont déterminées par le nombre de plaques et la manière dont elles sont connectées. Vous trouverez ci-dessous les caractéristiques techniques des échangeurs de chaleur à plaques scellées, brasées, semi-soudées et soudées:
| Paramètres de travail | Unités | Pliant | Brasé | Semi-soudé | Soudé |
| Efficacité | % | 95 | 90 | 85 | 85 |
| Température maximale du fluide de travail | 0C | 200 | 220 | 350 | 900 |
| Pression maximale du fluide de travail | bar | 25 | 25 | 55 | 100 |
| Puissance maximum | MW | 75 | 5 | 75 | 100 |
| Durée moyenne de fonctionnement | années | 20 | 20 | 10 — 15 | 10 — 15 |
Sur la base des paramètres indiqués dans le tableau, le modèle d'échangeur de chaleur requis est déterminé. En plus de ces caractéristiques, il faut tenir compte du fait que les échangeurs de chaleur semi-soudés et soudés sont plus adaptés pour travailler avec des milieux de travail agressifs.
Domaine d'utilisation
Il existe aujourd'hui plusieurs types d'échangeurs de chaleur.
De plus, chacun des appareils a une conception et une fonction de travail uniques:
- soudé;
- pliant;
- semi-soudé;
- soudé.
Les appareils à système pliable sont souvent utilisés dans les réseaux de chaleur qui sont connectés aux bâtiments résidentiels et aux bâtiments à des fins diverses, dans les systèmes climatiques et les chambres frigorifiques, les piscines, les points de chauffage et les circuits d'alimentation en eau chaude. Les appareils soudés ont trouvé leur utilité dans les usines de congélation, les réseaux de ventilation, les appareils de climatisation, les équipements industriels à diverses fins et les compresseurs.


Conception détaillée de l'échangeur de chaleur à plaques
Les échangeurs de chaleur semi-soudés et soudés sont utilisés dans:
- systèmes de ventilation et climatiques;
- domaine pharmaceutique et chimique;
- pompes de circulation;
- industrie alimentaire;
- systèmes de récupération;
- dispositifs pour dispositifs de refroidissement à différentes fins;
- dans les circuits de chauffage et l'alimentation en eau chaude.
Le type d'échangeur de chaleur le plus populaire, utilisé dans la vie quotidienne, est brasé, qui permet de chauffer ou de refroidir le liquide de refroidissement.
À quoi sert un échangeur de chaleur dans un système de chauffage?
Expliquer la présence d'un échangeur de chaleur dans un système de chauffage est assez simple. La plupart des systèmes de fourniture de chaleur dans notre pays sont conçus de manière à ce que la température du liquide de refroidissement soit régulée dans la chaufferie et que le fluide de travail chauffé soit fourni directement aux radiateurs installés dans l'appartement.


En présence d'un échangeur de chaleur, le fluide de travail de la chaufferie est supprimé avec des paramètres clairement définis, par exemple 1000C. En entrant dans le circuit primaire, le liquide de refroidissement chauffé n'entre pas dans les appareils de chauffage, mais chauffe le fluide de travail secondaire, qui pénètre dans les radiateurs.
L'avantage d'un tel système est que la température du liquide de refroidissement est régulée dans des stations thermiques individuelles intermédiaires, d'où il est fourni aux consommateurs.
Échangeur de chaleur de chaudière
Au début, rappelez-vous que l'échangeur de chaleur est l'élément principal, en tant que tel, dans le dispositif d'une chaudière à gaz. C'est à travers l'échangeur de chaleur que l'énergie thermique du gaz de combustion est transférée au caloporteur (échangeur de chaleur primaire) et à travers l'échangeur de chaleur est transférée du caloporteur chaud au caloporteur froid (échangeur de chaleur secondaire).Il est à noter que ces deux échangeurs de chaleur sont très souvent remplacés par un échangeur de chaleur mixte, mieux connu sous le nom d'échangeur de chaleur bithermique. Sur la première photo, nous regardons l'emplacement de l'échangeur de chaleur dans une chaudière à gaz avec une chambre de combustion fermée.


La deuxième photo montre l'aspect de l'échangeur de chaleur.
Avantages et inconvénients
L'utilisation répandue des échangeurs de chaleur à plaques est due aux avantages suivants:
- dimensions compactes. En raison de l'utilisation de plaques, la zone d'échange de chaleur est considérablement augmentée, ce qui réduit les dimensions globales de la structure;
- facilité d'installation, d'utilisation et d'entretien. La conception modulaire de l'unité facilite le démontage et le lavage des éléments nécessitant un nettoyage;
- haute efficacité. La productivité du PHE est de 85 à 90%;
- coût abordable. Les installations en tube, en spirale et en blocs, avec des caractéristiques techniques similaires, sont beaucoup plus chères.
Les inconvénients de la conception de la plaque peuvent être pris en compte:
- le besoin de mise à la terre. Sous l'influence de courants parasites, des fistules et d'autres défauts peuvent se former dans des plaques minces estampées;
- la nécessité d'utiliser des environnements de travail de qualité. Étant donné que la section transversale des canaux de travail est petite, l'utilisation d'eau dure ou de caloporteur de mauvaise qualité peut entraîner des blocages, ce qui réduit le taux de transfert de chaleur.
Schémas de tuyauterie d'échangeur de chaleur à plaques
Il existe plusieurs façons de connecter le PHE au système de chauffage. Le plus simple est considéré comme une connexion en parallèle avec une vanne de régulation, dont le schéma de principe est illustré ci-dessous:


Schéma de connexion parallèle de PHE
Les inconvénients d'une telle connexion comprennent une charge accrue sur le circuit de chauffage et un faible rendement du chauffage de l'eau avec une différence de température importante.
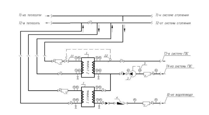
La connexion parallèle de deux échangeurs de chaleur dans un schéma en deux étapes fournira un fonctionnement plus efficace et plus fiable du système:


Schéma de connexion parallèle à deux étages
1 - échangeur de chaleur à plaques; 2 - régulateur de température; 2.1 - valve; 2.2 - thermostat; 3 - pompe de circulation; 4 - compteur de consommation d'eau chaude; 5 - manomètre.
Le fluide caloporteur du premier étage est le circuit de retour du système de chauffage et l'eau froide est utilisée comme fluide à chauffer. Dans le deuxième circuit, le fluide caloporteur est le caloporteur de la ligne directe du système de chauffage, et le caloporteur préchauffé du premier étage est utilisé comme fluide chauffé.
Manuel d'utilisation
Chaque échangeur de chaleur à plaques fabriqué en usine doit être accompagné d'un manuel d'utilisation détaillé contenant toutes les informations nécessaires. Vous trouverez ci-dessous quelques dispositions de base pour tous les types d'EFP.
Installation de PHE
- L'emplacement de l'unité doit permettre un accès libre aux principaux composants pour la maintenance.
- La fixation des conduites d'alimentation et de refoulement doit être rigide et étanche.
- L'échangeur de chaleur doit être installé sur une base strictement horizontale en béton ou en métal avec une capacité portante suffisante.
Travaux de mise en service
- Avant de démarrer l'unité, il est nécessaire de vérifier son étanchéité selon les recommandations données dans la fiche technique du produit.
- Au démarrage initial de l'installation, la vitesse de montée en température ne doit pas dépasser 250 ° C / h et la pression dans le système ne doit pas dépasser 10 MPa / min.
- La procédure et l'étendue des travaux de mise en service doivent clairement correspondre à la liste figurant dans le passeport de l'unité.
Fonctionnement de l'unité
- Lors de l'utilisation du PHE, la température et la pression du fluide de travail ne doivent pas être dépassées.Une surchauffe ou une pression accrue peut entraîner de graves dommages ou une panne complète de l'unité.
- Pour assurer un échange thermique intensif entre les milieux de travail et augmenter l'efficacité de l'installation, il est nécessaire de prévoir la possibilité de nettoyer les milieux de travail des impuretés mécaniques et des composés chimiques nocifs.
- L'extension significative de la durée de vie de l'appareil et l'augmentation de sa productivité permettront une maintenance régulière et un remplacement rapide des éléments endommagés.
Rinçage de l'échangeur de chaleur à plaques
La fonctionnalité et les performances de l'unité dépendent en grande partie d'un rinçage de haute qualité et en temps opportun. La fréquence de rinçage est déterminée par l'intensité du travail et les caractéristiques des processus technologiques.


Méthodologie de traitement
La formation de tartre dans les canaux d'échange de chaleur est le type de contamination PHE le plus courant, entraînant une diminution de l'intensité de l'échange thermique et une diminution de l'efficacité globale de l'installation. Le détartrage est effectué à l'aide d'un rinçage chimique. Si, outre le tartre, il existe d'autres types de contamination, il est nécessaire de nettoyer mécaniquement les plaques de l'échangeur de chaleur.
Lavage chimique
La méthode est utilisée pour nettoyer tous les types de PHE et est efficace lorsqu'il y a peu de contamination de la zone de travail de l'échangeur de chaleur. Pour le nettoyage chimique, le démontage de l'unité n'est pas nécessaire, ce qui réduit considérablement le temps de travail. De plus, aucune autre méthode n'est utilisée pour nettoyer les échangeurs de chaleur brasés et soudés.
Le rinçage chimique de l'équipement d'échange de chaleur est effectué dans l'ordre suivant:
- une solution de nettoyage spéciale est introduite dans la zone de travail de l'échangeur de chaleur, où, sous l'influence de réactifs chimiquement actifs, une destruction intensive du tartre et d'autres dépôts se produit;
- assurer la circulation du détergent à travers les circuits primaire et secondaire du TO;
- rinçage des canaux d'échange de chaleur avec de l'eau;
- vidanger les produits de nettoyage de l'échangeur de chaleur.
Pendant le processus de nettoyage chimique, une attention particulière doit être accordée au rinçage final de l'unité, car les composants chimiquement actifs des détergents peuvent détruire les joints.
Les types de contamination et les méthodes de nettoyage les plus courants
En fonction du fluide de fonctionnement utilisé, des conditions de température et de la pression dans le système, la nature de la contamination peut être différente, par conséquent, pour un nettoyage efficace, il est nécessaire de choisir le bon détergent:
- détartrage et dépôts métalliques à l'aide de solutions d'acide phosphorique, nitrique ou citrique;
- l'acide minéral inhibé convient pour éliminer l'oxyde de fer;
- les dépôts organiques sont intensément détruits par l'hydroxyde de sodium et les dépôts minéraux par l'acide nitrique;
- la contamination par la graisse est éliminée à l'aide de solvants organiques spéciaux.
Étant donné que l'épaisseur des plaques de transfert de chaleur n'est que de 0,4 à 1 mm, une attention particulière doit être portée à la concentration des éléments actifs dans la composition détergente. Le dépassement de la concentration admissible de composants agressifs peut entraîner la destruction des plaques et des joints.
L'utilisation répandue des échangeurs de chaleur à plaques dans divers secteurs de l'industrie et des services publics modernes est due à leurs performances élevées, leurs dimensions compactes, leur facilité d'installation et de maintenance. Un autre avantage du PHE est le rapport qualité / prix optimal.
COMMENT L'ÉCHANGEUR DE CHALEUR À PLAQUES EST CONSTRUIT
Les éléments suivants se distinguent dans la conception:
- une plaque fixe avec des buses, à laquelle sont connectés les tuyaux d'alimentation du fluide de travail;
- plaque de pression arrière;
- assiettes estampées, attachées dans un emballage;
- joints en caoutchouc, canaux d'étanchéité et tout l'appareil dans son ensemble;
- guides supérieurs et inférieurs pour la fixation de la structure;
- support arrière;
- tiges filetées pour la fixation d'éléments individuels.
Des plaques de même taille sont produites pour un échangeur de chaleur. Dans l'emballage, ils sont positionnés en rotation de 180 degrés l'un par rapport à l'autre. Pour cette raison, des canaux internes sont formés pour déplacer l'environnement de travail.


Le principe de fonctionnement d'un échangeur de chaleur à plaques est présenté plus clairement dans le schéma.
En fonction de la méthode de collage des plaques, les types d'échangeurs de chaleur à plaques suivants sont distingués:
- pliant;
- brasé;
- semi-soudé;
- soudé.
Le choix de l'appareil dépend de l'application et des conditions d'utilisation. Les modèles pliables sont les plus répandus: ils sont compacts, faciles à installer et leur nettoyage et leur entretien ne nécessitent pas beaucoup d'efforts.