Description de la chaudière murale à gaz Neva Lux 8224
Double circuit chaudière à gaz murale Neva Lux 8224 avec une chambre de combustion fermée est destiné au chauffage des appartements et à l'approvisionnement en eau chaude dans les immeubles à plusieurs étages, ainsi que dans les zones suburbaines privées jusqu'à 240 m².
Sécurité
Chaudière à gaz murale Neva Lux 8224 absolument sûr à utiliser. Les fabricants ont prévu toutes les situations d'urgence possibles. L'alimentation en gaz de la chaudière est automatiquement arrêtée lorsque la flamme du brûleur s'éteint, le fluide chauffant chauffe à une température supérieure à 90 ° C, des violations et des problèmes dans le système d'évacuation des fumées, des pannes de courant et également lorsque la pression chute en dessous le niveau maximal admissible.
Fonctions intégrées d'antigel, protection automatique contre le blocage de la pompe, "acidification" de la vanne à trois codes. Si la pression dans le système de chauffage dépasse 3 bar, le liquide de refroidissement est évacué.
En cas de dysfonctionnement, un système d'autodiagnostic électronique affiche les codes d'erreur sur l'écran.
Système d'échangeur de chaleur séparé
Les chaudières à gaz Neva Lux 8224 disposent de deux échangeurs de chaleur: un en cuivre pour le circuit de chauffage et un échangeur de chaleur à plaques en acier inoxydable secondaire pour l'alimentation en eau chaude. En pratique, cela signifie que l'approvisionnement en eau chaude et le chauffage sont moins dépendants l'un de l'autre que lors du fonctionnement de chaudières avec un échangeur de chaleur bithermique. De plus, les chaudières avec échangeurs de chaleur séparés sont moins exigeantes sur la qualité de l'eau.
L'utilisation d'un système de deux échangeurs de chaleur séparés peut réduire considérablement la probabilité de formation de tartre dans l'échangeur de chaleur primaire, réduisant ainsi les coûts de service et prolongeant la durée de vie du dispositif.
Caractéristiques supplémentaires
Toute personne souhaitant acheter une chaudière à gaz Neva Lux 8224 peut choisir les options dont elle a besoin: raccordement d'une sonde de température extérieure, d'un thermostat d'ambiance, d'une chaudière à chauffage indirect, d'une télécommande, etc.
Caractéristiques de la chaudière murale à gaz Neva Lux 8224
- Modulation électronique continue de la flamme
- Type de gaz: naturel ou liquéfié
- Contrôle électronique
- Système de sécurité à plusieurs niveaux
- Échangeur de chaleur à plaques secondaire
- Précision de température jusqu'à 1 ° C
- Allumage électronique automatique
- Système d'autodiagnostic électronique
- affichage LCD
Source: mrklimat.ru
Les équipements de chauffage au gaz de la société Neva Lux sont utilisés pour maintenir une température confortable dans les locaux industriels, dans les immeubles à appartements, dans les maisons privées et les structures domestiques. Les chaudières à gaz sont le développement des concepteurs russes, l'équipement est en service depuis plus d'un an par des entreprises municipales. Tous les appareils de la société Neva Lux fonctionnent au gaz principal, mais il existe également des modèles qui fonctionnent sur la base du gaz liquéfié. Découvrez les avantages des chaudières à gaz Beretta sur cette page.
Caractéristiques techniques des chaudières à gaz Neva
Les chaudières à gaz Neva deluxe se distinguent par un prix abordable. Les concepteurs de l'entreprise ont pris en compte les conditions dans lesquelles les chaudières Neva Lux sont obligées de travailler.
- L'équipement peut continuer à fonctionner même avec des différences de pression de liquide et de gaz dans le système.
- Presque tous les modèles sont équipés d'un échangeur de chaleur en cuivre, qui n'est lancé que sur le circuit de chauffage.
- Lors de l'assemblage de la chaudière à gaz Neva Lux, des composants fabriqués en Europe sont utilisés.
- Toutes les unités ont un système de sécurité à plusieurs niveaux et une conception progressive qui peut rivaliser avec les chaudières à gaz et Beretta.
- Certains modèles peuvent fonctionner même avec des températures ambiantes fluctuantes.
- L'appareil de chauffage domestique a un haut niveau d'efficacité -96-98%.
Types de chaudières à gaz Neva
Sur le marché des équipements de chauffage en Russie, les variantes suivantes de chaudières de chauffage au gaz de type mural de luxe Neva à deux circuits sont fournies:
- chaudière Neva deluxe 7218 - une chaudière à gaz conçue pour chauffer une pièce d'une superficie de 180 m², vous pouvez chauffer à la fois une maison privée et des appartements dans un immeuble de plusieurs étages;
- chaudière à gaz Neva lux 7224 - une option économique Neva lux 8224. Elle a la même fonctionnalité, dispose d'un échangeur de chaleur bithermique. Conçu pour chauffer un immeuble d'habitation;
- chaudière à gaz murale Neva deluxe 8224 est une chaudière à gaz conçue pour le chauffage d'appartement d'un immeuble de plusieurs étages. En outre, l'appareil est conçu pour chauffer un liquide pour les besoins ménagers du consommateur. Il peut également être utilisé pour chauffer une pièce privée de type S de 240 m²;
- chaudière à gaz murale Neva lux 8618 - le modèle le plus progressif Neva lux, caractérisé par une faible consommation d'énergie;
- chaudière à eau chaude à gaz Neva - l'équipement de chaudière de ce type est combiné, fonctionne à une puissance de 10,5 -24 kW, fonctionne à température constante;
- chaudière murale à gaz Neva Tranzit NT 24 - est destinée au chauffage de liquide pour les besoins domestiques du consommateur et au chauffage de petits locaux.
Installation et raccordement des chaudières Neva
Avant de connecter l'appareil de chauffage, il est nécessaire de dessiner un schéma de projet selon lequel l'appareil sera inséré dans le système. Le schéma servira en outre de base pour la réparation du système de chauffage ou de la chaudière elle-même. Il est également nécessaire de prendre en compte le fait que l'installation et le raccordement de l'équipement doivent être effectués par un spécialiste disposant de connaissances et d'une expérience suffisantes. Comment installer les chaudières à gaz Buderus, lisez ici: https://teplamore.com/kotly/gazovye/obzor-vidov-gazovyx-kotelov-buderus.html
Chaudière de luxe Neva, mode d'emploi
Conformément à l'exhaustivité de la chaudière à gaz Neva Lux, avec l'appareil lui-même, il y a une carte de garantie, des fixations et des instructions d'utilisation dans l'emballage. Il contient toutes les variantes possibles de pannes, les méthodes de connexion de l'appareil au système de chauffage et bien plus encore. Du point de vue des spécialistes, il n'y a rien de compliqué à faire fonctionner un appareil de chauffage. Tous les problèmes peuvent être résolus de manière indépendante. La seule chose à prendre en compte est que si l'équipement tombe en panne, il sera nécessaire d'appeler un spécialiste, sinon, si l'utilisateur tente de réparer l'appareil par lui-même, il risque de se blesser non seulement lui-même, mais aussi le locaux, ainsi que ses proches. Le gaz est une matière dangereuse et explosive qui, si elle est mal manipulée, peut entraîner des conséquences irréparables.
Chaudière à gaz Neva lux, dysfonctionnements
Tout équipement peut tomber en panne, les chaudières à gaz ne font pas exception. Par exemple, les dysfonctionnements les plus courants qui se produisent avec cette chaudière:
- Faible niveau de gaz dans le système;
- Extinction de la flamme;
- Basse pression dans le système de chauffage;
- Dysfonctionnements dus à un impact physique.
Si quelque chose échoue, vous devez contacter le service d'assistance technique. Cela ne vaut pas la peine de résoudre le problème par vous-même, car la garantie n'est valable que si l'intégrité de l'appareil n'est pas violée, ce qui est impossible avec l'auto-réparation.
Prix des chaudières à gaz Neva Lux
L'équipement de chauffage peut être acheté à un prix assez abordable, car l'équipement est conçu pour la classe moyenne, c'est-à-dire sur la population générale de la Fédération de Russie. Tous les appareils de chauffage de type à gaz Neva Lux sont compris entre 12 000 roubles et 32 000 roubles.
Où acheter une chaudière à gaz Neva Lux?
Vous pouvez acheter des équipements pour le système de chauffage à la fois directement dans les bureaux de vente de l'entreprise et dans des organisations commerciales spécialisées vendant des équipements de chauffage et des appareils sanitaires.
Vous pouvez acheter une chaudière à gaz Neva Lux à Moscou aux adresses suivantes:
- Moscou. Severodvinskaya 13 à 1 Numéro de téléphone de contact,
- Moscou, rue Belorechenskaya, 37, bâtiment 1 Téléphone de contact
- Moscou, st. Govorova d. 16, bâtiment 6. Téléphone de contact
Vous pouvez acheter une chaudière à gaz Neva Lux à Saint-Pétersbourg aux adresses suivantes :
- Bureau "Techno Dom" Saint-Pétersbourg, Stachek ave., 57 Téléphone de contact
- Saint-Pétersbourg, B.Sampsonievsky prospect, 92 Contact phone, 8 (812) 670-21-25
- LLC "Proteplo" Saint-Pétersbourg, Chugunnaya, maison 14, éclairée. K (entrée de Mendeleevskaya 9) Téléphone de contact, 8800775-63-03
Vidéo
Regardez une vidéo de présentation de l'une des chaudières de luxe Neva ci-dessous:
En achetant des équipements de chauffage Neva Lux, le consommateur bénéficie non seulement d'une atmosphère confortable dans sa maison, mais également d'un «partenaire» durable, ainsi que de la qualité et de la fiabilité. Les chaudières à gaz Neva Luxury, entre autres, restent une option assez démocratique pour les grandes maisons de campagne et les petites maisons de campagne. Laquelle des chaudières à gaz Navien choisir, lisez sur cette page.
Source: teplamore.com
Histoire de la société Neva
Les utilisateurs russes connaissent bien la chaudière à gaz murale à simple et double circuit Neva Lux. Mais tout le monde ne sait pas qu'une entreprise qui produit de tels équipements est apparue sur le marché il y a plus de 50 ans.
L'entreprise d'origine s'appelait Gazapparat. Il s'est spécialisé dans la production de tout équipement à gaz, y compris les colonnes, les chaudières, les appareils de chauffage. Actuellement, la société appartient à la plus grande entreprise Baltic Gas Company.
Grâce à une telle alliance, des modèles tels que le Neva Lux et un nouveau produit sur le marché - le modèle Turbo, sont apparus. Les lacunes dans le travail des premiers modèles ont été prises en compte et ont été éliminées dans les suivants. En conséquence, le consommateur reçoit un produit de qualité européenne.
Un peu sur la société Neva
La société existe depuis plus d'un demi-siècle et était au départ une entreprise publique appelée Gazapparat. Cette entreprise se spécialisait, comme son nom l'indique, dans la production d'équipements au gaz domestique: des colonnes, divers appareils de chauffage et des chaudières de chauffage étaient également produits.

À la fin des années 90, l'entreprise est passée à la propriété de la société Baltic Gas Company, avec la préservation des installations de production dans la ville de Saint-Pétersbourg. C'est sous la direction de ce géant que l'entreprise, pourrait-on dire, connut une seconde vie et commença à se développer rapidement.
De nouveaux types de chaudières à gaz Neva, équipées d'automatismes modernes, ont vu le jour. Les erreurs et les défauts des premiers modèles ont été pris en compte et l'équipement a été sérieusement amélioré. En conséquence, le consommateur domestique a aujourd'hui la possibilité d'acheter une chaudière fiable à un ou deux circuits de la série de luxe à un prix abordable. Et la société envisage sérieusement d'entrer sur le marché mondial des ventes.
Gamme de chaudières à gaz Neva
Les unités produites par Neva sont subdivisées en deux séries: Lux et Turbo. Les appareils appartenant à la série Lux sont divisés en deux catégories:
- Chaudière à gaz murale simple circuit Neva Lux. Conçu uniquement pour alimenter la maison en chaleur. Si vous connectez une chaudière à chauffage indirect, une telle unité sera en mesure de fournir à la maison une alimentation en eau chaude. Du fait que le dispositif comprend un brûleur à modulation, qui peut modifier l'intensité de la combustion en fonction d'un régime de température donné, le dispositif est très économique. Le fonctionnement de la chaudière peut être converti en gaz liquéfié.Les chaudières murales à gaz à circuit unique Neva ont rencontré une forte demande de la part des utilisateurs également en raison de leur faible prix, de leur maintenance simple, ainsi que de l'absence de nœuds volatils sujets à des chutes de tension dans le réseau.
- Chaudière à gaz murale à double circuit Neva Lux. Ces appareils ont des chambres de combustion ouvertes et fermées, ainsi qu'un échangeur de chaleur bithermique. La cheminée peut être coaxiale ou traditionnelle. Le processus de chauffage du liquide de refroidissement est contrôlé par une automatisation très précise. La distorsion maximale à partir d'un régime de température donné ne dépasse pas 1%. Une autre différence clé entre une chaudière à gaz murale à double circuit est la possibilité de connecter deux systèmes de chauffage à la fois. Il y a des sorties pour le chauffage au sol.
Si vous connectez un thermostat, vous réduisez considérablement la consommation de gaz et l'automatisation fonctionnera de manière totalement autonome. L'unité de commande ajuste automatiquement le chauffage du liquide de refroidissement en fonction de la température de la pièce.
Comment acheter une chaudière à gaz et ne pas se tromper?
Un acheteur, choisissant, par exemple, une chaudière à gaz murale Neva Lux 8224 sur laquelle les avis peuvent être faux et écrits sur commande, doit comprendre qu'ils ne peuvent pas être invoqués. Après tout, il arrive souvent que la conception soit parfaite, l'équipement est le plus moderne, mais un assemblage de mauvaise qualité altère tous les avantages. Par exemple, en 2014, la chaudière à gaz murale Neva Lux 8224 se caractérise par des critiques comme un produit naturellement brut, appelé - modifier avec un fichier.
Un tel examen est apparu en raison d'un assemblage de mauvaise qualité, ainsi qu'en raison du fonctionnement instable de la chaudière en raison d'un défaut dans la cheminée coaxiale, qui n'était pas spécifié dans les instructions. Bien sûr, à l'heure actuelle, la société Neva a pris certaines mesures et éliminé les défauts d'assemblage du produit. Il n'y a pratiquement aucune plainte concernant le modèle Lux 8618 et vous pouvez acheter une chaudière à gaz murale à un circuit Neva Lux, et avec une livraison dans n'importe quelle région, vous pouvez le faire dans des magasins spécialisés.
Pour les chaudières à gaz montées, les prix dépendent de leur puissance, de leur type, de leur configuration et de la demande de l'appareil. Par exemple, la chaudière murale à gaz à double circuit Neva Lux proposée par de nombreux magasins en ligne, dont le prix à une puissance de 24 kW, mais avec des configurations différentes, varie de 31 800 à 35 600 roubles.
La chaudière la plus chère Nevalux 8224 est équipée d'une chaudière à accumulation intégrée. Lors du choix d'une chaudière pour le chauffage, si vous êtes satisfait de la chaudière à gaz Neva Lux 8224, il est préférable d'obtenir le prix des avis auprès de vrais propriétaires ou de spécialistes des équipements à gaz.
Chaudière Neva Turbo
Sur la qualité et la facilité d'utilisation, les utilisateurs ont laissé différents avis : positifs et négatifs. Au fil du temps, tous les ajustements nécessaires ont abouti à la production d'une série distincte d'appareils de chauffage. Les unités Neva Turbo sont, dans l'ensemble, une version modifiée de la série Lux déjà familière.
Toutes les lacunes ont été prises en compte ici. Les caractéristiques techniques des modèles sont les suivantes :
- chambre de combustion fermée - ici, il y a une alimentation forcée en air au moyen d'un ventilateur. Le désenfumage est effectué à l'aide d'un dispositif spécial à travers - une cheminée coaxiale;
- automatisation - chaudière murale à gaz à double circuit - Neva Turbo est parfaitement adaptée au fonctionnement. Un système à plusieurs niveaux de capteurs et de vannes est responsable de la sécurité des équipements et de la régulation du chauffage. Le package comprend un système d'autodiagnostic, qui vérifie automatiquement, dont les résultats sont affichés sur l'écran à cristaux liquides;
- contrôle - sur les boutons habituels. À l'aide d'un régulateur conventionnel, vous pouvez définir le régime de température souhaité, à condition que le programmateur soit installé, sélectionner les conditions de fonctionnement pendant plusieurs jours ou une semaine. Le kit en option comprend un thermostat d'ambiance.Le capteur donne un signal pour éteindre le chauffage lorsque la pièce atteint la température souhaitée.
Les chaudières turbo sont des unités volatiles. L'alimentation électrique de la chaudière est réalisée en la branchant sur un réseau 220 V conventionnel.
Modèles les plus populaires
Considérez les modèles de chaudières à gaz de la société BaltGaz, dont la demande est stable.
Neva Lux 7218
La chaudière Neva Lux 7218 est la meilleure option pour fournir de la chaleur à des pièces d'une superficie allant jusqu'à 180 m² Le circuit d'eau chaude est nécessaire pour augmenter le confort et fournit de l'eau chaude aux résidents. L'ensemble de cette chaudière à double circuit comprend un échangeur de chaleur bithermique, grâce auquel toutes les fonctions utilisateur restent à un niveau élevé.
Les caractéristiques distinctives de la conception et des caractéristiques techniques de l'appareil sont les suivantes :
- chambre de combustion fermée;
- la température de fonctionnement dans le circuit de chauffage et l'alimentation en eau chaude est comprise entre 30 ° C;
- grâce à des réglages supplémentaires, il est possible de basculer le fonctionnement de l'équipement en gaz liquéfié;
- les performances de la chaudière Neva Lux 7218 sont très élevées, le rendement atteint 90%;
- grâce à l'unité électronique, la flamme est surveillée en permanence. Ceci est effectué à la fois pendant le fonctionnement du circuit de chauffage et du circuit d'alimentation en eau chaude;
- tous les composants sont européens, grâce à quoi l'unité a un grand nombre d'avis d'utilisateurs positifs.
Neva Lux 8224
Cette unité est fixée au mur. Tenez compte des caractéristiques de conception de l'appareil:
- une puissance élevée permet d'utiliser 8224 unités à double circuit pour fournir de la chaleur à des locaux d'une superficie allant jusqu'à 250 m²;
- la chambre de combustion unique est refroidie à l'eau, ce qui augmente de plusieurs fois la durée de vie de tous les éléments structurels ;
- un logiciel à microprocesseur, présent dans les chaudières de ce modèle, détermine le maintien du régime de température défini. L'erreur est inférieure à 1° ;
- de plus, l'emballage de cet appareil comprend deux échangeurs de chaleur : le cuivre est destiné au chauffage ; plaque, en acier inoxydable - pour l'alimentation en eau chaude.
Le contrôle de l'instrument dans le 8224 a été amélioré avec une option de contrôle à distance et une connexion PC pour les diagnostics et la possibilité de régler avec précision le matériel.
Les appareils de chauffage de ce modèle ont un affichage numérique sur lequel toutes les informations d'un système d'autodiagnostic automatique sont affichées.
Neva Lux 8618
La chaudière à gaz murale Neva Lux 8618 est une chaudière à gaz à circuit unique. Par rapport aux unités au sol de même puissance, ce modèle a des performances plus élevées, l'efficacité est de 90%. La chaudière se caractérise également par une consommation de gaz réduite.
Les unités murales Neva Lux 8618 se distinguent par les caractéristiques suivantes:
- en raison de sa taille compacte, de tels équipements peuvent être installés même dans des pièces de petite taille, ils ne prendront pas de place supplémentaire;
- un grand nombre d'avis positifs témoignent de la fiabilité de l'équipement. Les appareils sont adaptés aux conditions russes ;
- grâce à la pompe de circulation intégrée, les chaudières peuvent être installées dans des systèmes de chauffage prêts à l'emploi.
De plus, vous pouvez connecter une chaudière à chauffage indirect, un ventilateur de désenfumage forcé, un thermostat d'ambiance à de telles chaudières, grâce auxquelles l'équipement est très économique.
Ces chaudières à gaz peuvent fonctionner à une pression réduite de 0,3 bar.
Dysfonctionnements et réglages des chaudières Neva
Le brûleur de la chaudière à gaz Neva Lux 8224 (BaltGaz) ne s'allume pas. Face à ce dysfonctionnement au démarrage. Après l'installation des buses pour gaz liquéfié sur le nouvel appareil (avant qu'il ne soit pas actionné), le cavalier pour passer à ce type de carburant a été placé et sa reprogrammation a été effectuée, selon le passeport, le brûleur ne s'allume pas dans mode normal.Si vous appuyez sur le bouton RESET et le maintenez enfoncé, le voyant du mode de réglage (petite personne) s'allume en bas à droite et dans ce mode le brûleur s'allume. La flamme est uniforme, de couleur bleue. Les batteries et le chauffage au sol sont chauffants. Lors de la tentative de vérification du fonctionnement du circuit ECS (mode été), la chaudière tombe en panne, ainsi que lors de la mise en marche normale. Il essaie d'allumer le brûleur, s'éteint, au bout de quelques secondes il rallume le brûleur et s'éteint à nouveau. Ne fonctionne que si vous maintenez enfoncé le bouton de réinitialisation. C'est-à-dire un comportement similaire dans les modes hiver et été. L'entrée et la sortie du circuit de chauffage sont inversées (en raison d'un marquage mal interprété de l'appareil). Mais la présence d'une flèche hydraulique, si je comprends bien, devrait neutraliser ce défaut. Dites-moi si c'est vrai et pourquoi? Et aussi, quelles sont les raisons possibles de ce comportement de la chaudière. Je n'ai pas vérifié la pression du gaz. 3 bouteilles de gaz sont interconnectées avec un tuyau de gaz à travers des tés et des réducteurs. J'ai raisonné de cette façon, même si l'un des réducteurs est défectueux, la pression dans le système doit toujours être équilibrée au détriment du reste des cylindres. Le réducteur est le plus courant, une grenouille pour les bouteilles de gaz. Comment la pression de gaz basse et haute dans la conduite d'alimentation affectera-t-elle la flamme du brûleur? Je vous serais reconnaissant de signaler d'éventuelles erreurs spécifiques. Selon le manuel d'utilisation, les jets ont été remplacés par ceux d'usine pour le gaz liquéfié. L'appareil a été reprogrammé pour fonctionner avec du gaz liquéfié (le seul paramètre qui change est la puissance d'allumage), le cavalier qu'il contient (responsable du type de carburant) est réglé sur la position pour gaz liquéfié. Quelles autres erreurs peut-il y avoir ? Il y avait une situation similaire avec la chaudière murale Neva Lux. Manque d'expérience en dépannage. La raison s'est avérée banale. Lors du remplacement des buses (lors de la conversion en gaz liquéfié), les capteurs de flamme ont été retirés. Deux contacts métalliques en isolation céramique blanche. Les contacts métalliques à l'intérieur de ces capteurs sont fixés de manière lâche et lorsqu'ils ont été réinstallés, ils étaient légèrement "tournés" sur le côté et "ne voyaient pas" la flamme. En conséquence, l'automatisation de la chaudière considérait que le brûleur ne brûlait pas et l'allumait constamment. Le maître installant la chaudière a vérifié tous les capteurs un par un, puis il a constaté ce défaut. Très probablement, il s'agit d'un dysfonctionnement typique associé à un défaut de conception. Cela fera peut-être gagner du temps. Dans tous les cas, le capitaine a effectué la mise en service et la marque principale dans le passeport, afin que la garantie de deux ans de l'unité soit valide. Une chaudière à gaz Neva 8230 (double circuit) a été installée et raccordée, elle fonctionne pour la première saison. Récemment, lorsque le robinet d'eau chaude a été ouvert, de l'eau chaude a coulé, mais au bout d'une minute, elle est devenue froide. J'ai regardé la chaudière - erreur 02, j'ai appuyé sur le rezet, le chauffage s'est allumé. Et c'était le matin, le soir j'ai essayé de l'allumer - tout allait bien. Après s'être calmé, après 4 jours (aujourd'hui), tout s'est à nouveau produit. Voici les détails. Lorsque le mélangeur d'eau chaude s'ouvre, l'appareil passe à l'eau chaude, puis un bruit se produit, quelque chose comme l'aspiration d'air, et en même temps l'aiguille du manomètre commence à osciller, de haut en bas de 0,5, puis un son fort d'air aspiré dans la chaudière et dans un réservoir à membrane (un réservoir supplémentaire est de 18 litres). Et sur le manomètre, la flèche vole jusqu'à 5 bars, puis le gaz s'éteint apparemment (la bougie est indiquée sur l'écran), et la température de l'eau chute brusquement à 23 degrés, et l'erreur 02 apparaît. Cela ressemble à cette erreur ça veut dire qu'il y a de l'air dans le système de chauffage, mais voilà je ne comprends pas bien, j'ouvre alors le robinet sur la ligne d'eau chaude, et tout cet air et pression sur la ligne de chauffage. Peut-être quelque chose avec une vanne 3 voies ? Ou regardez-vous toujours dans la direction du chauffage, indiquant qu'il y a une sorte de filtre à nettoyer. La chaudière produite par Baltgaz est neuve, mais je l'ai installée moi-même, et elle a été lancée sans la présence de techniciens de service (c'était fin octobre, je ne pouvais plus attendre), donc apparemment je pars avec une garantie. Au démarrage, selon les instructions, tout était rempli d'eau, l'évent a été ouvert sur la pompe et libéré.Le système de chauffage, sans calculs, mais il semblait qu'il passait par tous les points, il ne semblait pas y avoir d'air, la seule chose était que le sol d'une pièce ne circulait pas bien, mais cela n'a pas été fait tout à fait correctement (une branche de 32 tuyaux à 16, sans peigne et sans pompe supplémentaire), ne pousse plutôt pas tout. Il y a un manomètre supplémentaire sur le chauffage, il indique presque le même que sur la chaudière. Sur l'unité, le 1,5 recommandé, sur la ligne de retour, le manomètre indique 1,8 (le manomètre est censé être italien). Peut-être que quelqu'un avait ceci ou quelque chose comme ça, je ne voudrais tout simplement pas appeler le maître, et pour qu'il dise que beaucoup de choses doivent être changées, eh bien, et que je peux laver et nettoyer les petites choses moi-même. Oui, il y a des filtres sur l'eau, un fil commun de 5 microns, et des polyphosphates à l'entrée de l'alimentation en eau chaude (selon recommandation du fabricant). Sans eau chaude, la chaudière NevaLux pour le chauffage fonctionne normalement, maintient la température et tout ça. Le problème de l'alimentation secteur a été résolu à 2 niveaux : 1) Stabilisateur de Resant 3 kW 2) UPS, conversion en ligne, 3,5 kW - nous, dans nos datchas, avons des pannes de courant inattendues, et à en juger par le stabilisateur, il y a jusqu'à 255 V à l'entrée problème de réglage fin et de réglage des paramètres de la chaudière baltgaz 7224 via la télécommande neva lux. La notice précise qu'il est possible de modifier le paramètre du mode maintien en température, soit en modulant la flamme, soit en allumant et éteignant l'appareil. Mais lorsque vous entrez dans le menu de ce réglage "P01" et sélectionnez le paramètre, au lieu de "0" - allumer et éteindre l'appareil et "1" - moduler la flamme, une échelle de gradation de température apparaît. Si quelqu'un a rencontré, s'il vous plaît dites-moi ce que signifient les programmes de réglage fin pour le fonctionnement de l'unité. Il n'y a pas de respect total des instructions. P1 - puissance d'allumage - pour qu'il s'allume en douceur. P2 - puissance pour le chauffage - par la superficie de la pièce. La chaudière murale à double circuit Neva Lux 8224 est en fonctionnement, la maison fait 48 m². m. Je l'ai pris avec une marge pour une mise à l'échelle ultérieure jusqu'à 90 mètres carrés. m. Radiateurs en aluminium CO 6 en 6 sections avec une puissance totale de 6912 watts. Je viens de trouver un article avec des instructions : L'appareil est connecté au système de chauffage et d'eau chaude, en tenant compte de ses caractéristiques et de sa puissance thermique. Le transfert de chaleur minimum du système de chauffage doit être supérieur à 8,9 kW pour la chaudière NevaLux 8224. Quelle est la gravité de la « pénurie » de 2 kW ? Mettre un autre radiateur sur une telle puissance ou marteler et ainsi passer l'hiver ? Et puis le point suivant ne dérange pas beaucoup: "Sinon, l'appareil fonctionnera de manière instable, ce qui entraînera une diminution de sa durée de vie." Il n'y a rien de terrible. Mais la chaudière doit être installée et un thermostat d'ambiance supplémentaire doit être connecté. Pour augmenter sa durée de vie. Il est préférable de prendre non pas le principe programmable, mais le principe marche-arrêt mécanique habituel. Les seuls chiffres sur la centrifugeuse ne correspondent pas toujours à la température réelle. Chaudière à gaz installée Neva Lux 7224 installée dans la maison il y a 2 ans. Connecté via IBPS-12-350K Sibkontakt. La carte coûte neva pcb rev7. C'est déjà le 3e. Vraisemblablement, le 1er a brûlé pendant un orage. Visuellement, R65 a grillé sur les deux cartes. Récemment, le prix de la planche a augmenté. Ces planches peuvent-elles être réparées ? Ces cartes n'aiment pas le grand écart de l'électrode d'allumage, je vous recommande donc de la regarder sur votre appareil. Il n'y avait pas d'autres raisons pour la rupture de ces conseils. La chaudière murale Neva 7224 fabriquée par Baltgaz est en fonctionnement. Après 2 ans d'utilisation, un dysfonctionnement est apparu. Lorsque l'eau chaude est utilisée pendant une longue période, l'unité libère la pression du système de chauffage et donne l'erreur 04, alors que le manomètre est en place, avec et sans pression de 1,6 bar. Tout le temps, vous devez ouvrir le maquillage avant qu'il ne commence. Et ainsi à chaque fois. Que faire? Vérifiez la pression d'air dans le vase d'expansion, si elle est inférieure à ce qu'elle devrait être, la chaudière génère une erreur 04. Veuillez aider. Nous avons déménagé dans un appartement. Voici une chaudière murale double circuit Neva deluxe 7218. En journée elle donne une erreur 04. On s'alimente. Ensuite, la température a commencé à descendre en dessous de 1. Maintenant, de l'eau en sort, où pénètre le tuyau de chauffage.Maintenant, éteint-le. Que faire? Tu ne peux pas l'allumer ? Vérifiez le pressostat, peut-être que les tuyaux sont bouchés ou qu'un petit tuyau est bouché dans la cheminée, d'où sort l'air. Dysfonctionnement de la chaudière gaz neva lux 7023. Le chauffage fonctionne normalement, et lorsque vous ouvrez le robinet d'eau chaude, cela donne une erreur E2 et de l'eau froide coule, lorsque vous fermez à nouveau l'eau, le chauffage fonctionne. La pression de l'eau est bonne et ne change pas. Qu'est-ce qui ne va pas ? E2 - erreur d'allumage non réussi ou surchauffe du liquide de refroidissement. Le brûleur s'allume et 2 sec. s'allume (l'eau est chaude), puis affiche une température de 95 et l'erreur E2 s'envole immédiatement. Et le chauffage fonctionne. Le capteur de température ECS est peut-être défectueux. Bien que l'erreur E2 indique un allumage infructueux, elle tomberait également sur chauffage. Et comment vérifier le bon fonctionnement de la sonde ECS avant de la remplacer ? Par résistance! Ils devraient tous afficher 1 kOhm à 25 degrés. J'ai effectué l'installation et installé la chaudière Neva Lux 7224, l'ai reprogrammée pour le gaz liquéfié, remplacé les buses par des 0,79, ajusté la pression de gaz minimale et maximale. Mais le problème est que le chauffage fonctionne bien et que l'alimentation en eau chaude ne chauffe pas au-dessus de 27 degrés, la pression de l'eau n'est pas très puissante, mais même avec une diminution du débit d'eau au-dessus de 50 degrés, il n'a pas été possible de chauffer. Quel pourrait être le problème? Le débit d'eau à l'entrée de l'appareil est de 20 à 30 litres par minute. Beaucoup de. Jetez un œil au passeport de la chaudière. Réglez autant qu'il peut gérer. Dites-moi, un tel dysfonctionnement: la température de l'eau chaude saute lors du fonctionnement en mode ECS - il fait chaud, puis froid, il n'y a pas d'erreurs, tout le reste fonctionne bien. La chaudière Neva Lux 8224, fonctionne en continu depuis 2009. La pression semble être normale, elle fait des sons - depuis six mois, lorsque l'eau chaude est allumée, elle «hurle» de différentes manières, lorsque le chauffage fonctionne, il n'y a pas de sons. S'il y a un allumage cyclique - stop, allumage - stop, une demande d'eau ininterrompue est observée à ce moment (l'icone clignote). La chaudière a besoin d'entretien, pendant laquelle elle a chauffé beaucoup d'eau. Vous avez juste un échangeur de chaleur bouché ou une basse pression ringard, la chaleur de l'échangeur de chaleur secondaire n'est tout simplement pas évacuée, l'appareil fonctionne de manière cyclique, car l'eau dans le circuit chaudière atteint la valeur nominale, et comme il n'y a pas d'évacuation de chaleur, il arrête de chauffer et attend que la température baisse un peu. Il voit une chute et se rallume, pendant cette pause, lorsque l'appareil a réagi, la chaleur a disparu, mais le petit circuit n'a pas encore eu le temps de chauffer et vous obtenez une douche de contraste. Dysfonctionnement de la chaudière Neva, l'erreur 03 a sauté - le ventilateur ne fonctionne pas, je lui apporte de la tension - cela fonctionne, le pressostat fonctionne également. Le relais, probablement, est à nouveau défectueux sur la carte - c'était déjà comme ça il y a environ 2 ans, l'a pris à un ami d'une unité cassée, l'a soudé - tout a fonctionné. Dites-moi, pouvez-vous en quelque sorte « le contourner » ? Lorsque je réinitialise l'erreur et connecte manuellement le ventilateur, la chaudière essaie de démarrer, l'allumage est déclenché, mais il semble que le gaz ne circule pas (le même relais, apparemment) et après quelques tentatives, il affiche déjà l'erreur 01. installation d'un thermostat d'ambiance (confort, économie de gaz, augmentation de la durée de vie de la chaudière Baltgaz). Erreur 01 - vous devez vérifier s'il y a de la tension sur la vanne de gaz, si elle s'ouvre et s'il y a une pression de gaz. Soyez prudent en général. Sinon, vous montez à 220, et maintenant vous monterez dans le gaz. Mieux vaut appeler le maître. Le maître peut s'identifier au moins par la présence d'un diff de gaz. manomètre-dispositif pour mesurer la pression du gaz. La superficie de la maison est probablement petite, l'appareil n'a pas été réglé en termes de puissance. Vous pouvez également fournir un thermostat d'ambiance. Dysfonctionnement de la chaudière Neva Lux 8230. Après l'hiver, il l'a éteinte. Mais avec l'arrivée des pluies, j'ai décidé de réchauffer un peu la maison. Je l'allume, l'allumage est en cours, tout va bien. La température monte soudainement à celle réglée sur l'écran et l'appareil s'éteint. Démonté, j'ai pensé que la pompe était peut-être bloquée. Je l'ai tordu avec un tournevis, allumé, la pompe ronronne. Je change la vitesse dessus - ça change.Bourdonnement différemment, toutes les règles. Et puis encore, chauffage rapide de la chaudière et arrêt. J'ai touché l'écrou de sortie de la pompe - il fait très chaud. Comme si quelque chose au-delà de la pompe empêchait l'eau de passer. Qu'est ce que ça pourrait être? Regardez la connexion de l'actionneur de la vanne à trois voies sur la carte, parfois le contact s'aggrave. La chaudière à gaz Neva lux 8224 (Baltgaz) est en fonctionnement, la pompe de post-circulation tourne en permanence. J'ai remarqué qu'il était constant quelle que soit la température. Pour vérifier cela, j'ai dépassé la température du CO à 60 degrés. Le brûleur s'est éteint, a réduit la température à 30 degrés afin qu'il ne s'allume pas bientôt. Il ne s'éteint pas du tout. Si je comprends bien, il est impossible de changer le fonctionnement de la pompe? Ils disent que la post-circulation par défaut est de trois minutes ! Le paramètre P3 est le temps minimum entre la coupure et le redémarrage. Peut être modifié de 0 à 14 minutes. La valeur par défaut est de 3 minutes. Essayez de l'augmenter à 5 minutes et, si après cela, la pompe continue de fonctionner sans s'arrêter, alors le cerveau. Au début, la chaudière murale Neva Lux refusait de passer du mode chauffage à l'ECS, mais cela arrivait parfois. J'ai vérifié tous les fils de connexion. Nous avons des contacts. J'ai enlevé mon email. moteur avec une vanne à trois voies. La valve est pressée avec un tournevis. Lors du changement de mode, avec le moteur à soupapes retiré, cela fonctionne également. Le stock de celui-ci va et vient comme il se doit. Mais vous le mettez ensemble, il n'y a pas de commutation. J'ai appelé le maître. Il a dit qu'il était à blâmer, peut-être que le capteur de débit l'était probablement. Après test, le signal ne semble pas lui aller. Nous devons commander. Il est parti et la chaudière a commencé à fonctionner dans les deux modes ! Mais le bonheur n'a pas duré longtemps. L'appareil est resté en mode veille pendant une journée. Et le lendemain, je monte dessus, puis le voyant clignote. Tous les symboles y brillent en même temps, et ainsi de suite à l'infini. Essayer de réinitialiser n'aide pas. Déconnecté du réseau. J'ai attendu. L'effet est nul. Quel est le dysfonctionnement ? Retirez le connecteur sur la carte. À son tour, retirez les fils du connecteur (un poinçon est nécessaire) allant à l'actionneur de la vanne à trois voies et serrez les connecteurs. Cela vous aidera, vous verrez. Récemment, ils ont éteint le gaz et après cette erreur 01, la réinitialisation clignote et ne chauffe pas l'eau, que dois-je faire ? Vous avez de l'air ou du gaz dans le tuyau bloqué par quelque chose. Les chaudières ne sont pas dépendantes de la phase, il n'y a donc vraiment pas de flamme. Et la première chose à appuyer est toujours un rezet. La chaudière Neva Lux 7023 est en fonctionnement (déjà hors production). Lorsque la fiche a été branchée dans la prise, il y a eu un bruit sec et l'appareil s'est complètement éteint. Le maître a été convoqué. La planche grillée a été remplacée. L'appareil s'éteint périodiquement après avoir travaillé pendant un jour ou deux. Nous avons installé un stabilisateur de tension, installé (sur les conseils du maître) un thermostat d'ambiance. La chaudière a commencé à émettre régulièrement une erreur E7 et à s'éteindre tous les deux jours. Les maîtres furent à nouveau convoqués. Ils sont arrivés, ont longtemps tripoté, enlevé tous les boutons de commande du panneau avant pour que le travail ne puisse être réglé qu'à l'aide d'un thermostat. Après le départ des maîtres, l'appareil a fonctionné pendant deux jours puis s'est à nouveau éteint. Il s'avère qu'il est maintenant nécessaire d'appeler le maître à chaque fois pour démarrer cet appareil (avant qu'il ne puisse au moins être démarré la nuit en appuyant sur le bouton RESET). Maintenant, ils sont privés de cette opportunité. Et le froid vous attend. Sur un dysfonctionnement de chaudière Baltgaz. Erreur E-7 - surchauffe du liquide de refroidissement. Raisons: 1. Le capteur de température n'est pas fixe. 2. Nouvelle carte mal réglée. 3. La carte elle-même peut être défectueuse (mais c'est très rare !) 4. Si la chaudière a plus de 2 ans et n'a pas été entretenue, l'échangeur de chaleur peut être bouché. C'est-à-dire une faible circulation du liquide de refroidissement, ça marche, ça ne marche pas. Une chaudière à double circuit Neva Lux 8224 est installée, régulièrement à des températures inférieures à -25 dans la rue elle s'arrête et l'erreur 03 apparaît. Le problème est résolu soit en déversant soit en soufflant le condensat dans les tubes en silicone. L'installation a été réalisée en 2008. L'erreur 03 apparaît dès la première année de fonctionnement, il n'y a plus eu de problèmes. Comment résoudre le problème? une.En installant un tube en silicone de la chaudière Wilant, il a un tube en plastique spécial avec un trou dans la transition entre deux morceaux de tuyau. 2. Insérez une aiguille d'une seringue médicale dans ce tube en silicone, le diamètre du trou est d'environ 0,5 à 1 mm. L'aiguille doit pointer vers le tube de Pitot dans le tube dans lequel il y a un vide. 3. Faites un trou dans le pressostat d'un diamètre de 0,5 à 1 mm. L'erreur 03 elle-même peut ne pas être due à la condensation dans le tube en silicone, le givre et la glace à l'extrémité du tuyau coaxial du côté de la rue sont une cause fréquente de cette erreur, surtout si le givre interfère avec l'admission de l'air de combustion. Dites-moi, la chaudière à double circuit NevaLux tombe en panne tout le temps. Erreur 03, le ventilateur ne fonctionne pas au démarrage, il fonctionne lorsque vous soufflez sur le tube du pressostat. La chaudière démarre et ne s'allume pas lorsqu'elle est chauffée, vous devez l'éteindre. Vous ouvrez la trappe en haut à droite et redémarrez l'appareil, généralement cela suffit. Dysfonctionnement de la chaudière Neva lux 7023. Avec une fréquence de 2 fois par mois, cela donne une erreur E7. Mais après le redémarrage, cela fonctionne toujours. Maintenant, cela donne une erreur E6. Il fonctionnera pendant 15 minutes, puis il s'éteindra. Qu'est ce que ça pourrait être? L'erreur E7 est une surchauffe du liquide de refroidissement. L'échangeur de chaleur peut être envahi par le tartre, circulation insuffisante à travers l'échangeur de chaleur. Y a-t-il un bruit, un crépitement pendant le fonctionnement de la chaudière? Au détriment de E6 - ici vous pouvez voir le pressostat, le ventilateur. Ici, vous devez regarder. Et idéalement, vous devez toujours faire appel à un spécialiste. Regardez visuellement: il n'y a pas de givre à la sortie de la cheminée. La chaudière à gaz Neva Lux 8029 est installée et connectée.L'erreur E2 s'est allumée et l'appareil ne s'allume pas du tout. Lorsque l'eau est fournie, le transformateur d'allumage ne fonctionne pas (pas d'étincelle). Dans le même temps, après un démarrage infructueux, le ventilateur d'extraction fonctionne sans s'éteindre (même après avoir éteint le bouton du panneau avant, lorsque le voyant s'éteint). J'ai vérifié le circuit du transformateur, quand il démarre, le relais clique dans l'unité de contrôle. Dites-moi, quelle est la tension de la carte qui va au trans - je veux vérifier avec un testeur ? Le 220 V va à l'unité d'allumage depuis la carte. Vous pouvez le vérifier avec un simple fil, avec 220 V connecté, l'étincelle devrait commencer à cliquer. S'il n'y a rien, alors l'unité d'allumage est endommagée, il est impossible de la réparer, seulement une nouvelle. Aidez à éliminer le problème avec la chaudière à double circuit Neva Lux 7023. Lorsque le robinet d'eau chaude est ouvert, le numéro 95 apparaît sur l'indicateur, la pression chute et l'erreur E7 apparaît. L'eau coule froide. Si la pression de l'eau diminue, la pression redevient la même (la flèche revient à sa position d'origine, c'est-à-dire que la pression augmente), le code d'erreur E7 disparaît, les chiffres sur l'indicateur montent aux alentours de 48, l'eau devient assez chaude , puis la température baisse et cela se répète. Le chauffage est allumé, fonctionne. En général, à une pression normale d'eau chaude, 95 sort, puis E7, et l'eau s'écoule froide. Comment résoudre ce problème? Après le démarrage de la chaudière en mode chauffage (après un arrêt estival), ma circulation a disparu. Les capitaines sont venus et ont dit que la pompe avait cessé de fonctionner et qu'elle cherchait une remplaçante depuis une semaine. Heureusement, mon système est conçu pour un appareil sans pompe (il y a une pente) et il se réchauffe, même s'il s'allume et s'éteint 2 fois par minute. Appareil Neva Lux 8029 et pompe Wilo NFSL 12/4, pouvez-vous me dire si c'est en cours de correction ? Quelle est la gravité de la panne - il fait chaud (mais pas chaud), plus chaud que l'eau d'entrée. Dévissez la vis sur l'arbre de la pompe et essayez de tourner l'arbre de la pompe. Si cela ne fonctionne pas, changez la pompe. Pour l'avenir, ne déconnectez pas la chaudière du réseau pour l'été, mais mettez-la en mode été, elle fera tourner sa pompe de temps en temps, l'empêchant ainsi de s'aigrir. Tout le monde n'a pas eu le temps de s'occuper de la chaudière Baltgaz, et il y a une chaudière électrique sur l'alimentation en eau chaude, donc elle n'a pas beaucoup brûlé. Je suis donc arrivé à l'échangeur secondaire, il y a un certain inconvénient lors du démontage, le moteur de la vanne 3 voies interfère, sans le démonter, vous ne pouvez pas ramper jusqu'au deuxième hexagone qui fixe l'échangeur aux tubes.Je l'ai enlevé, lavé dans la salle de bain sous l'eau, de nombreux cailloux plats et gris foncé sont tombés, je l'ai assommé pendant longtemps avec la pression de l'eau, et quand je l'ai enlevé, je l'ai immédiatement essayé pour souffler, et tout était soufflé à travers, c'est-à-dire que le débit d'eau était clairement, mais cela peut être très compliqué. J'ai essayé de trouver une solution, un jour de congé, il est irréaliste de faire cela, personne ne prend le tube, ou ils ne l’ont pas. J'y suis allé selon l'ancienne méthode, au début, j'ai barbouillé du cola versé, chauffé le radiateur avec de l'eau chaude. Puis il l'a versé avec de l'acide citrique et laissé 1 heure. Je n'ai pas vu d'effet particulièrement évident, j'ai de nouveau tout lavé sous pression. De plus, il n'est bouché que du côté du système de chauffage, du côté de l'arrivée d'eau chaude tout est propre. En général, en cours de route, j'ai décidé de regarder le reste - des capteurs de température et une vanne à trois voies. Les capteurs se sont avérés fonctionnels et ont réagi aux changements de température. J'ai démonté la vanne 3 voies, je n'ai rien vu de critique, le ressort est élastique, toutes les bagues sont normales, les vannes sont sans grippage, la seule résistance du moteur s'est avérée être d'environ 9 kOhm, et 15 kOhm devrait être, peut-être que cela dépend du modèle. En général, j'ai tout mis en place, et ça a commencé à fonctionner. Le puisard de boue sur la ligne de retour a été bouché avec le même, l'a nettoyé, mais n'a pas trouvé de trou dans le maillage. Apparemment, quelqu'un a ouvert le bypass sans moi.
Entretien et exploitation
Quel que soit le modèle que vous préférez, l'installation d'une chaudière murale se fait dans les plus brefs délais sans aucun frais supplémentaire.
L'objectif principal du fabricant est la commodité de l'installation et du fonctionnement ultérieur de l'unité. C'est pourquoi les appareils de chauffage de la société Neva Lux sont une station entièrement prête à fonctionner. Il vous suffit de connecter l'équipement au système de chauffage et à l'alimentation électrique et de commencer à chauffer la pièce. Comme le montre la pratique, tout le travail prend 3-4 heures. Une fois l'installation terminée, vous n'avez plus à vous soucier de la sécurité de fonctionnement de la station. Le fonctionnement constant des automatismes minimise le risque de fuite de gaz, d'urgence, même en cas de panne de courant imprévue.
Installation et connexion
Avant de procéder à l'installation et au raccordement de la chaudière Neva Lux, réfléchissez et esquissez un schéma. Le projet détermine où et comment la connexion de l'unité aura lieu, en tenant compte de la tuyauterie ultérieure, et un schéma de la connexion au réseau est également créé.
Le circuit lui-même sera utile plus tard lors du remplacement ou de la réparation de l'unité. L'installation et le raccordement de la chaudière Neva Lux peuvent se faire indépendamment. Il n'y a là rien de compliqué. L'essentiel est de respecter les conditions d'utilisation énoncées dans les instructions du fabricant. Mais il vaut mieux faire confiance aux professionnels. Grâce à leur expérience et leurs connaissances particulières, ils détermineront avec précision la liste des éléments de cerclage requis et effectueront le travail au bon niveau.
En moyenne, le processus d'installation prend 3 à 4 heures. C'est un temps estimé. L'installation de thermostats supplémentaires et la connexion au système de contrôle peuvent prendre plus de temps.
Les chaudières Neva Lux sont faciles à installer, car ce sont des unités sûres et prêtes à l'emploi.


Installation de chaudière Neva Lux
Caractéristiques d'installation
Il convient de mentionner qu'une chaudière murale à gaz à double circuit est un système autonome et qu'il n'est pas difficile à installer et à connecter. Afin de réaliser l'installation et la tuyauterie de la chaudière à gaz, vous devez utiliser les composants suivants :
- robinets à tournant sphérique, ils seront chargés de couper l'eau;
- réseau et circuit de chauffage;
- toutes sortes de lecteurs;
- cheminée coaxiale, qui est incluse dans le package de la chaudière.
Afin de protéger l'appareil de chauffage de toutes sortes d'impuretés, il est nécessaire d'installer certaines pièces filtrantes: filtre à gaz, magnétique et grossier.
La séquence d'installation d'une chaudière à gaz murale BaltGaz est la suivante :
- L'unité Neva Lux est montée au moyen de bandes spéciales incluses dans son emballage.Afin de fixer solidement ces planches au mur, il est préférable d'utiliser des ancrages.
- Des robinets à tournant sphérique sont placés à l'entrée et à la sortie de la chaudière du circuit d'alimentation en eau chaude et de chauffage. L'entretien ultérieur de l'unité sera beaucoup plus facile.
- Ensuite, vous devez installer tous les filtres requis à l'aide de raclettes appropriées.
- Ensuite, vous pouvez procéder à l'installation du circuit de chauffage et d'ECS ou vous connecter aux systèmes de tuyauterie existants.
Tous les raccordements et l'installation du filtre doivent être effectués par des spécialistes autorisés à le faire.
Il est préférable de choisir une cuisine ou une autre pièce de la maison où il y a un trou de ventilation comme emplacement de l'unité. Ceci est prescrit par les règles d'exploitation des équipements à gaz et de sécurité générale. De plus, lors du choix d'un site d'installation, vous devez prendre en compte la commodité de fournir des communications: conduites d'eau et de gaz, câblage électrique.
Les avis des utilisateurs confirment que les chaudières à gaz Neva Lux sont des appareils de chauffage efficaces. Si vous effectuez l'installation correcte, vous n'avez pas à vous soucier de la sécurité de l'équipement. Grâce à l'automatisation moderne, le risque d'urgence est réduit à zéro.
Source : teplofan.ru
Avantages Neva Lux
Parmi les propriétaires de maisons et de chalets d'été, les chaudières à gaz Neva Lux, équipées d'une parfaite automatisation et d'une faible consommation d'énergie, sont populaires.
Les chaudières à gaz Neva Lux sont des unités de chauffage murales à double circuit équipées de chambres de combustion ouvertes ou fermées, d'un désenfumage forcé ou naturel.
Les chaudières Neva Lux se distinguent par leur qualité de performance et leur fiabilité, grâce à l'utilisation exclusive de matériaux de haute qualité et de technologies parfaites. Les consommateurs préfèrent cet équipement de chauffage, tout d'abord, pour les avantages suivants:
- Excellente conception, qualité de fabrication et fiabilité à faible coût ;
- Haute efficacité (jusqu'à 98%);
- L'utilisation non seulement de gaz naturel, mais également de gaz liquéfié pour le chauffage, ce qui est important dans les zones éloignées des conduites de gaz ;
- Système de sécurité intégré à plusieurs niveaux ;
- Un fonctionnement stable à pression réduite de gaz et d'eau les met hors de concurrence avec leurs homologues étrangers.
À propos du populaire Neva Lux 8224
Si vous avez besoin d'une chaudière à double circuit fiable, il est tout d'abord logique d'examiner de plus près ce modèle particulier, car il peut à juste titre être considéré comme l'une des offres exclusives du marché pour un prix aussi modeste. Quelle est la particularité de cette technique ?


Ce n'est un secret pour personne que les produits nationaux ont toujours été beaucoup moins chers que leurs homologues européens. Et c'est précisément le prix démocratique qui est le principal avantage du modèle Neva Lux 8224 par rapport aux concurrents importés. En fait, un Russe peut, pour relativement peu d'argent, acquérir une unité fiable et moderne avec une automatisation intégrée, une faible consommation de carburant et des performances élevées.
Il est évident que la société BaltGaz, s'efforçant de satisfaire au maximum les souhaits de l'acheteur pour relativement peu d'argent, a "présenté" les unités Neva Lux 8224 avec un ensemble complet, qui est assez vaste pour son segment de prix. Notons les caractéristiques suivantes de cette conception :
- La présence de deux échangeurs de chaleur - pour l'alimentation en eau chaude et le chauffage;
- La capacité de l'unité à maintenir indépendamment la température du liquide de refroidissement à un niveau donné avec une erreur de 1 degré Celsius ;
- Possibilité d'agrégation avec un thermostat externe ;
- La présence d'un système de sécurité à plusieurs niveaux qui garantit une longue durée de vie ;
- Contrôle électronique du brûleur, système d'allumage automatique, ainsi que modulation électronique constante de la flamme ;
- La présence d'un moniteur à cristaux liquides, qui vous permet de contacter l'équipement via une interface pratique et intuitive;
- Disponibilité d'un système d'autodiagnostic des erreurs et dysfonctionnements
- Pompe de circulation intégrée et grand vase d'expansion pour un fonctionnement plus sûr du système.
Ce n'est un secret pour personne que pour une chaudière moyenne de fabrication européenne, un ensemble d'options pour la chaudière à gaz Neva Lux 8224 est considéré comme la norme. La plupart des chaudières allemandes modernes sont équipées de systèmes de sécurité beaucoup plus avancés et, en termes d'efficacité, elles sont supérieures à la technologie domestique. Et, néanmoins, le prix démocratique et la réputation de l'entreprise sont tous deux devenus la raison d'une demande considérable pour la chaudière à gaz Neva Lux 8224.
Examinons de plus près les paramètres techniques de ce modèle afin de nous assurer que sa popularité sur le marché intérieur et le marché des pays de la CEI est vraiment méritée.
Conception
A un coût adéquat, les chaudières à gaz Neva Lux se distinguent par leurs propriétés de forte consommation.


Radiateurs Neva Lux
Un sérieux avantage des chaudières Neva Lux est leur adaptabilité à un fonctionnement dans nos réalités.
Les caractéristiques de conception à forte demande incluent :
- Circuit de chauffage à deux circuits ;
- Choix de chambre de combustion ouverte ou fermée;
- Précision du contrôle de la température (jusqu'à 1 degré);
- Utilisation de capteurs de température externes ;
- Brûleur automatique avec modulation de flamme ;
- Système de sécurité à plusieurs niveaux;
- Moniteur LCD avec interface conviviale ;
- Riche équipement comprenant pompe et vase d'expansion;
- Composants importés.
L'ensemble d'équipement Neva Lux comprend :
- Échangeurs de chaleur séparés pour les systèmes de chauffage et d'eau chaude (pas sur tous les modèles);
- Allumage électronique;
- Autodiagnostic intégré;
- Système automatique de maintien de la température ;
- Système de sécurité numérique à plusieurs niveaux.
Caractéristiques techniques du modèle
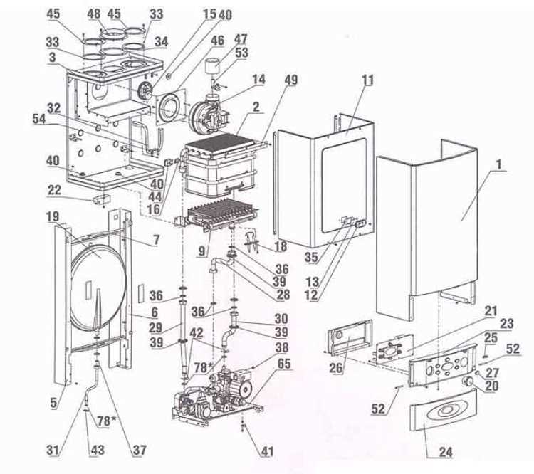
L'unité Neva Lux 8224 est équipée d'une chambre de combustion fermée, dans laquelle l'air est pompé à l'aide d'une turbine intégrée. Un tuyau est fourni avec l'équipement pour faciliter l'installation de l'équipement.
Ce modèle dispose de deux échangeurs de chaleur pour l'ECS et le chauffage. La puissance nominale du Neva Lux 8224 atteint 24 kW, ce qui signifie que les propriétaires d'une surface habitable allant jusqu'à 230-250 mètres carrés peuvent acheter cet appareil en toute sécurité, car il fournira de la chaleur à la maison à tout moment de l'année.
Dans son mode le plus efficace, la chaudière consomme 2,62 mètres cubes de gaz. Dans le même temps, l'unité affiche un rendement assez élevé au niveau de 92,5%. À une température de liquide de refroidissement de 25 degrés Celsius, la chaudière à gaz Neva Lux 8224 est capable de produire jusqu'à quatorze litres d'eau chaude par minute.
Le kit avec la chaudière Neva Lux 8224 est livré avec une notice qui facilitera le processus d'installation. En même temps, avant l'installation, il faut garder à l'esprit que la chaudière possède une entrée et une sortie de circuit de chauffage G 3/4 ", une entrée de gaz G 3/4" et une entrée et une sortie pour le circuit ECS G 1/2 ".
Le poids léger avec un emballage de 36,5 kg et les dimensions modestes de 720x410x326 mm facilitent grandement l'installation de l'appareil et son transport du lieu d'achat jusqu'au domicile. Dans le même temps, ne soyez pas dérouté par le faible poids - l'appareil est conçu pour fonctionner dans les conditions extrêmes de la Sibérie à basse température et fonctionne plus sérieusement qu'il n'y paraît.
conclusions
Les ingénieurs russes ont pris très au sérieux la création d'un appareil de chauffage universel, comme le montre la conception du Neva Lux 8224. Si vous, en tant que client, recherchez l'harmonie entre le prix et la qualité, de nombreux experts du marché vous conseilleront sur ce modèle particulier, car la fiabilité, la facilité d'utilisation et l'adaptabilité aux conditions russes sont les avantages fondamentaux de cette chaudière.
Source : prostokotel.ru
La gamme
La gamme de produits du fabricant comprend plusieurs modèles Neva Lux muraux aux dimensions compactes, dont la puissance varie de 12,7 à 30 kW.
- Le modèle était à l'origine destiné à être utilisé dans des appartements et des petites maisons d'une superficie allant jusqu'à 110 m². m.Cette unité à deux circuits et une chambre fermée, d'une capacité de 12,7 kW. Équipé d'un échangeur de chaleur bithermique et d'un système d'allumage électronique. Capable de chauffer jusqu'à 9 l/min en utilisant de l'eau chaude. L'utilisation d'un échangeur de chaleur commun a conduit à une réduction des coûts tout en maintenant la fonctionnalité. Se distingue par une faible consommation de gaz.


Circuit de chauffage Neva Lux 7218
- La puissance de ce chauffage à double circuit avec un échangeur de chaleur bithermique est de 18 kW. Conçu pour une surface habitable jusqu'à 180 m². m. Il dispose d'une pompe plus puissante, grâce à laquelle le taux de chauffage de l'eau chaude atteint 14 litres par minute.
- Une chaudière à double circuit avec un échangeur de chaleur bithermique est conçue pour les pièces d'une surface de chauffage allant jusqu'à 240 m². m.
- Il diffère du modèle ci-dessus en connectant une télécommande, un thermostat extérieur et un ordinateur personnel. Il y a deux échangeurs de chaleur, l'un en cuivre et l'autre en plaques d'acier. Conçu pour 240 carrés de superficie. Alimenté par du gaz liquéfié. Equipé d'une chambre fermée, refroidie à l'eau et d'un système de désenfumage forcé.
- Ce modèle à deux circuits à chambre ouverte est destiné à être utilisé dans les systèmes de chauffage d'appartements et de maisons d'une superficie totale allant jusqu'à 300 m². m. Équipé d'un échangeur de chaleur bithermique.
- Neva Lux 8624. Ce modèle de 24 kW est équipé de deux échangeurs de chaleur et d'une chambre de combustion ouverte. La carte électronique italienne est adaptée à nos conditions.
Comme vous pouvez le constater, en plus des modèles économiques éprouvés, le fabricant fournit ses versions mises à jour à un prix plus élevé. Le foyer de ce dernier (la désignation commence par un huit) a reçu un refroidissement par eau. L'échangeur de chaleur pour le chauffage de l'eau est constitué de tuyaux de diamètre accru, ce qui ralentit l'apparition de tartre.


Neva Lux 8224
Le revêtement extérieur est en métal-plastique. Trois couches - apprêt, galvanisé et émail - protègent de manière fiable la chaudière de la corrosion. Ils disposent de panneaux de contrôle améliorés.