Accueil / Chaufferies
Retour à
Publié le: 28.02.2020
Temps de lecture: 6 minutes
0
519
Le schéma thermique de la chaufferie est destiné à la représentation graphique des équipements principaux et auxiliaires, et à la relation à l'aide de réseaux d'ingénierie. De tels schémas sont obligatoires dans le développement de la documentation de conception, ils sont réalisés à l'aide d'éléments approuvés par SNIP.
Le diagramme montre le débit du liquide de refroidissement à travers les tuyaux vers les appareils de chauffage, la chaudière, le réservoir et la pompe. Les lignes indiquent l'emplacement des vannes de régulation et des dispositifs de sécurité.

- 1 Quelle est la différence entre les diagrammes thermiques de base et détaillés
- 2 Quelle est la différence entre les circuits avec un système fermé et ouvert
- 3 Schéma de la chaufferie en cas d'utilisation de combustible solide
- 4 Plan de la chaudière électrique
- 5 Schéma avec une chaudière à gaz
- 6 Chaudière dans le schéma de la chaufferie
- 7 Harnais avec une flèche hydraulique
- 8 Disposition de la chaufferie avec 2 chaudières
Quelle est la différence entre les diagrammes thermiques de base et détaillés
Les schémas d'alimentation en chaleur thermique sont de principe, détaillés et d'installation. Sur le schéma de base de la chaufferie, seuls les principaux équipements thermiques sont indiqués: chaudières, échangeurs de chaleur, installations de désaération, filtres pour le traitement chimique de l'eau, pompes centrifuges d'alimentation, d'appoint et de drainage, ainsi que les réseaux d'ingénierie qui combinent tout cet équipement sans en préciser le nombre et l'emplacement. Sur un tel document graphique, les coûts et les caractéristiques des fluides caloporteurs sont indiqués.


Le diagramme thermique développé reflète l'équipement placé, ainsi que les tuyaux avec lesquels ils sont connectés, avec la spécification de l'emplacement des vannes d'arrêt et de contrôle et des dispositifs de sécurité. Dans le cas où l'application de tous les nœuds au diagramme thermique expansé est impossible, alors celle-ci est déconnectée en ses parties constitutives selon le principe technologique. Le schéma technologique de la chaufferie fournit des informations détaillées sur l'équipement installé.


Qu'est-ce qu'un diagramme schématique de la chaufferie
Le dessin graphique doit refléter tous les mécanismes, appareils, appareils, ainsi que les tuyaux qui les relient. Dans les schémas de chaufferie standard, les chaudières et les pompes (circulation, appoint, recirculation, réseau), ainsi que les réservoirs de stockage et de condensation sont inclus. L'invention concerne également des dispositifs pour fournir du carburant, le brûler, ainsi que des dispositifs pour la désaération de l'eau, des échangeurs de chaleur, les mêmes ventilateurs, des écrans thermiques, des panneaux de commande.


La nature de l'équipement et son emplacement dépendent du type de liquide de refroidissement, des communications thermiques et, ce qui est important, de la qualité de l'eau.
Les réseaux de chaleur fonctionnant à l'eau sont divisés en deux groupes:
- Ouvert (dans ce cas, le liquide est prélevé dans des installations locales);
- Fermé (l'eau retourne à la chaudière, dégageant de la chaleur).
L'exemple le plus populaire de diagramme schématique est un exemple de chaufferie à eau chaude de type ouvert. Le principe est qu'une pompe circulaire est installée sur la conduite de retour, elle est chargée de fournir l'eau à la chaudière, puis dans tout le système. Les lignes d'alimentation et de retour seront connectées par deux types de cavaliers - bypass et recirculation.
Le schéma technologique peut provenir de n'importe quelle source fiable, mais il serait bon d'en discuter avec des spécialistes. Il vous conseillera, vous dira si cela convient à votre situation, vous expliquera l'ensemble du système d'action. Dans tous les cas, il s'agit de la structure la plus importante pour une maison privée, par conséquent, l'attention doit être maximisée.
Des circuits ouverts et fermés peuvent être utilisés lors de l'installation de chauffage à vapeur. En savoir plus à ce sujet dans notre prochain article: https://homeli.ru/stroitelstvo-doma/inzhenernye-sistemy/kanalizatsiya/parovoe-otoplenie
Quelle est la différence entre les systèmes fermés et ouverts
La principale différence entre un système de chauffage ouvert ou gravitationnel et un système fermé est l'absence totale de dispositifs pour le mouvement forcé du liquide de refroidissement à travers les tuyaux. Ce processus se produit uniquement en raison de la dilatation thermique du liquide chauffé.


La composition des éléments dans le schéma thermique d'une chaufferie avec un circuit de chauffage ouvert:
- La source de chauffage est une chaudière à eau chaude fonctionnant aux combustibles solides, liquides et gazeux.
- Vase d'expansion pour la compensation thermique du liquide de refroidissement.
- Tuyau de trop-plein du compensateur de température.
- Ligne d'alimentation (chaude) avec colonnes montantes de chauffage.
- Appareils de chauffage.
- Ligne de retour avec colonnes montantes chauffantes.
- Vanne de vidange du liquide de refroidissement.
- Vanne d'appoint du réseau de chauffage.


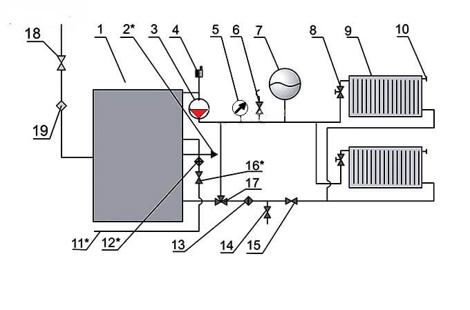
La circulation du fluide caloporteur dans le circuit fermé de la chaudière est réalisée grâce à la pompe de circulation (3), qui est installée sur la conduite de sortie d'eau de la chaudière (1), en règle générale, dans sa partie supérieure, et un évent (4) est également situé ici. L'eau chauffée dans la chaudière entre dans la canalisation d'alimentation en chauffage et est dirigée vers les batteries (9) à travers la vanne thermostatique (8).
Un vase d'expansion (7) est installé sur la conduite d'alimentation pour la compensation de température de l'eau pendant le chauffage, une soupape de sécurité (6) pour soulager la pression d'urgence dans le réseau et un manomètre (5) pour contrôler la pression de service du fluide.
Une valve Mayevsky est installée sur le dispositif de chauffage pour abaisser le sas (10). Une vanne à trois voies (17), un filtre de purification d'eau (13), une vanne d'arrêt (15) et une vanne de vidange (14) sont installés dans le sens du mouvement inverse du liquide de refroidissement.
Le gaz est fourni à la chaudière par un robinet de gaz (18) et un filtre (19) pour nettoyer le vecteur d'énergie devant la buse du brûleur. L'eau d'appoint dans le schéma de la chaufferie à eau chaude est fournie à partir de l'alimentation en eau (11) à travers la vanne (16) vers le filtre pour éliminer les solides en suspension et les sels de dureté. La chaudière est équipée d'une conduite d'alimentation en eau chaude pour les besoins auxiliaires (2).
Comment utiliser le circuit de chauffage de la chaufferie
Le système d'alimentation en chaleur fonctionne 24 heures sur 24 pendant près de 7 à 8 mois, «brûlant» des dizaines de milliers de roubles dans les fours de la chaudière. Par conséquent, tous les propriétaires s'efforcent d'optimiser les performances du système. De plus, un calcul précis des schémas thermiques des chaufferies à eau chaude, effectué au stade de la conception, contribuera à renforcer la fiabilité de la structure et à réduire la consommation d'énergie des appareils de chauffage.
Pour ce faire, il vous suffit de calculer les options de placement de la chaudière, du vase d'expansion, du chauffage supplémentaire, en cours de route, après avoir décidé des caractéristiques du câblage et des nuances de circulation.
Schéma thermique de base d'une chaufferie à eau chaude
- Disposition de tous les composants du système dans la maison elle-même. Ce document sera utile au stade de l'installation du pipeline.
- Implantations d'appareils de chauffage, pompes, vases d'expansion et autres équipements. Ce document lors du montage des branches de chauffage et de chauffage de l'eau de la chaufferie eau chaude
- Spécifications pour tous les composants du système. Ce document est utilisé pour l'achat de matériaux et d'équipements.
De plus, les trois documents peuvent être regroupés sur un schéma de principe de la chaufferie, rédigé sous une forme simplifiée (lorsque les icônes sont remplacées par des plans d'équipement et de vannes d'arrêt et de contrôle). Et plus loin dans le texte, nous examinerons plusieurs variétés de tels schémas.
Disposition typique de la chaufferie
- Variété ouverte, lorsqu'un liquide chaud est prélevé sur des installations «locales».
- Version fermée, lorsque le liquide de refroidissement du système de chauffage est également utilisé pour chauffer l'eau.
De plus, le circuit ouvert suppose une consommation d'énergie supplémentaire pour alimenter l'installation de chauffe-eau "locale", mais il est moins cher au stade de l'installation. Le circuit fermé de la chaufferie d'une maison privée est plus difficile à installer, mais il est «alimenté» par une chaudière centrale. De plus, en raison des pompes à chaleur et des évaporateurs et condenseurs intermédiaires, un liquide de qualité pratiquement potable, chauffé à 70-100 degrés Celsius, est évacué dans le système d'alimentation en eau chaude.
Par conséquent, en tant que schéma d'une chaufferie de chauffage à eau, dans la plupart des cas, c'est une version fermée, composée des unités suivantes, qui est utilisée:
- La chaudière principale, qui chauffe l'eau pour le système de chauffage et le circuit de chauffage de l'eau.
- Le circuit de chauffage de l'eau lui-même, circulant à l'intérieur du ballon de stockage.
- Le circuit du système d'alimentation en eau chaude, fermé au ballon de stockage.


En conséquence, le réservoir de stockage fonctionne comme une batterie ordinaire qui ne chauffe pas la pièce, mais le système d'alimentation en eau chaude. Autrement dit, nous avons devant nous une chaudière à accumulation un peu inhabituelle.
Le système d'alimentation en eau chaude courante fonctionne sur la base d'une chaudière à double circuit, qui traverse le serpentin chauffé soit une partie de l'eau du système de chauffage, soit de l'eau du système d'alimentation en eau chaude. Autrement dit, le circuit ouvert transforme la chaudière du système de chauffage en une colonne ordinaire. De plus, la meilleure option pour une installation de chauffage à eau libre est une chaudière à deux spirales situées dans des chambres de combustion séparées.
Les chaudières automatisées sont moins chères à utiliser que les appareils de chauffage conventionnels. Après tout, un appareil standard fonctionne dans un mode 24 heures sur 24, tandis qu'une chaudière "intelligente" est équipée d'un dispositif spécial qui synchronise le fonctionnement de la chaudière avec les besoins des propriétaires de la maison.
Schéma d'automatisation de la chaufferie
- Optimise la température de chauffage en fonction de la saison. Après tout, en été, il est plus agréable d'utiliser de l'eau chaude et en hiver, un liquide vraiment chaud doit circuler dans le SGW.
- Ils contrôlent le fonctionnement des «circuits» de la chaudière de chauffage et d'eau chaude. Après tout, la plupart des modèles sont équipés d'une seule "chambre de combustion". Autrement dit, la branche de chauffage ou de chauffage de l'eau est en état de fonctionnement.
- Ils contrôlent les régimes de température non seulement du chauffe-eau, mais également de l'unité de chauffage. Après tout, les modes jour et nuit doivent être utilisés à la fois sur les branches de chauffage et de chauffage de l'eau.
- Corriger le fonctionnement des pompes et des systèmes de circulation et / ou de recirculation en circuit fermé. De plus, sans cette fonction, le fonctionnement d'un système de chauffage d'eau fermé n'est en principe pas possible. C'est-à-dire qu'il existe un certain ensemble de microcircuits ou d'éléments de commande mécaniques dans tout circuit fermé d'une chaudière à eau chaude.
De plus, l'unité de contrôle automatique peut fonctionner selon trois modes, à savoir:
- Au format de la priorité du système d'alimentation en eau chaude. Autrement dit, lorsque toute la puissance va au circuit de chauffage de l'eau. Habituellement, ce mode est utilisé pendant la saison chaude.
- En format de travail mixte, lorsque la branche de chauffage ou le chauffe-eau fonctionne. Ce mode est maintenu avec un chauffage à eau courante, réalisé en circuit ouvert.
- Dans le format de travail sans priorités, lorsque l'essentiel de l'énergie va au circuit de chauffage, et une partie est consacrée au chauffage de l'eau. Cette option de contrôle est recommandée pour les systèmes de chauffage d'eau fermés.
Bien entendu, tous les modes ci-dessus peuvent être mis en œuvre même dans un seul format d'appareil.Par conséquent, un système de chauffage de l'eau utilisant une chaudière peut être mis en œuvre en format continu (chauffage direct de type ouvert dans une chaudière à double circuit) ou en format cumulatif (chauffage indirect de type fermé dans un vase d'expansion).
Cette caractéristique des chaudières à eau chaude permet d'économiser de l'énergie aussi bien en hiver qu'en été. En effet, pendant la saison froide, vous pouvez utiliser un chauffage indirect à partir de la ligne de vapeur située dans le réservoir. Et pendant la saison chaude, vous pouvez puiser de l'eau chaude directement du circuit de chauffage de la chaudière.
Les exigences relatives aux chaufferies sont définies dans SNiP. En fonction de l'endroit où se trouve la pièce avec l'équipement de chauffage installé, les chaufferies peuvent être attribuées à l'un des types suivants:
- intégré;
- Sur pied;
- attaché.
En savoir plus: Brasage des tuyaux en cuivre: analyse étape par étape et exemples pratiques
Les dimensions de la pièce allouées à la chaufferie sont choisies en fonction du type de combustible et de la conception de la chaudière.
Lorsqu'il est difficile d'aménager une pièce spéciale pour une chaufferie, il existe une autre option: une mini-chaufferie. Il est placé dans un conteneur spécial qui peut être placé dans la cour de la maison. Il ne reste plus qu'à connecter la mini-chaufferie aux communications.
Une mini-chaufferie dans la cour à côté du manoir vous évite les travaux de conception, la construction et l'aménagement d'une pièce séparée, les appareils de ventilation. Le conteneur contient déjà tout ce dont vous avez besoin pour le fonctionnement efficace du système de chauffage
La faible popularité de ces modules s'explique par leur coût plutôt élevé. S'il y a une perspective d'allocation d'espace pour une chaufferie au sous-sol, vous pouvez acheter l'équipement séparément. Ensuite, le système de chauffage sera beaucoup moins cher.
Une part importante du budget familial est consacrée au chauffage d'une maison. Par conséquent, au stade de la conception du système, il convient de rechercher son optimisation maximale en effectuant un calcul précis du schéma de chaufferie pour les logements de banlieue. Il faudra une erreur de calcul de toutes les options pour l'emplacement de l'équipement, y compris une chaudière, un vase d'expansion, des radiateurs, ainsi que la prise en compte des caractéristiques de câblage et de circulation.
Lors de la conception d'une chaufferie, il est nécessaire de partir des exigences des documents réglementaires. Dans la pièce où la chaudière est installée, un chauffage supplémentaire est souvent installé, car la chaleur générée par l'unité elle-même n'est pas suffisante
Dans un diagramme schématique bien conçu de la chaufferie, tous les éléments et la canalisation qui les relient doivent être reflétés. Le dessin standard comprend: chaudières, pompes - alimentation, réseau, circulation, recirculation, réservoirs - condensation et stockage, échangeurs de chaleur, ventilateurs, dispositifs d'alimentation en carburant et de combustion, panneaux de commande, boucliers thermiques, dégazeur d'eau.
Lors de l'élaboration d'un schéma typique de chaufferie, l'une des deux options pour les réseaux de chauffage peut être prise comme base - ouverte et fermée. L'installation d'un circuit ouvert est moins coûteuse, mais plus coûteuse en fonctionnement. La deuxième option est plus compliquée au stade initial, mais la fuite de liquide de refroidissement est pratiquement réduite à zéro, car le système est hermétiquement fermé. Ce schéma est utilisé dans la plupart des maisons privées.
Le système fermé comprend une chaudière qui fournit à la fois le système de chauffage et le circuit de chauffage à eau en liquide de refroidissement chaud, et une canalisation d'alimentation en eau chaude fermée. La circulation du liquide de refroidissement est ici effectuée de force au moyen d'une pompe. Cela permet, lors de l'installation de tuyaux, sans se soucier particulièrement des pentes, de les poser le plus commodément.
- Un maximum de 2 chaudières peut être installé dans une pièce, quelle que soit sa superficie.
- Lors de la construction et de la décoration de la chaufferie, il est inacceptable d'utiliser des matériaux qui ne répondent pas aux exigences de sécurité incendie. Pour la construction de murs, il est nécessaire d'utiliser des briques ou des blocs de béton, et sous forme de finition - plâtre ou carreaux.Le sol doit être recouvert de béton ou de métal.
- La ventilation et la cheminée doivent être adaptées à l'équipement installé. Des exigences particulières sont imposées à la ventilation lors de l'utilisation d'équipements fonctionnant au gaz. Dans tous les cas, l'air de la pièce doit être circulé et renouvelé au moins 3 fois dans les 60 minutes.
- Une condition préalable est la présence d'une fenêtre et d'une porte qui s'ouvre vers l'extérieur. Il peut y avoir une deuxième porte menant à la buanderie, mais elle doit être complétée conformément aux conditions de sécurité incendie.
La superficie de la chaufferie doit être calculée en fonction des caractéristiques de l'équipement qui doit être installé et en tenant compte des mètres carrés supplémentaires pour un entretien pratique. Il existe un certain nombre d'exigences supplémentaires pour les locaux et l'équipement des chaufferies, en fonction de la décision prise concernant le type de combustible.
Schéma de la chaufferie en cas d'utilisation de combustible solide
Les chaudières à combustible solide présentent un certain inconvénient, qui est causé par la forte inertie de fonctionnement, du fait de l'impossibilité de régler finement le processus de combustion du combustible solide.
Afin de lisser le défaut, un ballon tampon est installé dans le circuit, qui prend la température pour chauffer le circuit de chauffage et consomme de la chaleur pendant une longue période.


Un tel schéma thermique d'une chaufferie à combustible solide comprend:
- Source de chaleur avec circuit de chauffage primaire: chaudière à combustible solide;
- groupe de sécurité avec soupape de sécurité;
- capacité tampon;
- pompe de circulation du circuit de chauffage;
- pompe de circulation de chaudière;
- vase d'expansion;
- vannes d'arrêt, drains, bouches d'aération;
- vanne d'équilibrage;
- unité de mélange du circuit de chauffage, pour le maintien automatique de la température dans les batteries;
- unité de mélange du circuit de chaudière, pour un fonctionnement optimal de la chaudière;
- Automatisation dépendant de la météo ou personnalisable avec signalisation du mode d'urgence.
Placement des chaufferies sur le schéma directeur
Placement des chaufferies sur le plan directeur
Le placement correct des chaufferies sur le plan général du site prédétermine dans une plus large mesure le coût de sa construction et l'efficacité des travaux. L'emplacement des chaufferies sur le plan directeur doit correspondre au schéma de fourniture de chaleur envisagé pour une zone industrielle ou une agglomération. Lors du choix d'un site pour la construction d'une chaufferie, les conditions d'approvisionnement en chaleur et la proximité des consommateurs de chaleur doivent être prises en compte. En règle générale, le site de construction d'une chaufferie doit être situé au centre des charges thermiques du quartier, en tenant compte des perspectives de développement. Une attention particulière doit être accordée au choix de l'emplacement du site de la chaufferie, conçu pour la combustion de combustibles solides et à haute teneur en soufre. Pour de telles chaufferies, si les scories et les cendres ne sont pas utilisées par les organisations de construction, les décharges de cendres doivent être situées sur des terrains impropres ou inappropriés à d'autres fins, et pour éliminer la dérive des cendres volantes, des gaz de combustion sulfureux et autres toxiques dans les zones résidentielles voisines. ou des installations industrielles, l'emplacement des chaufferies doit être situé en tenant compte de la direction du vent dominant.
Lors de la conception de chaufferies sur le territoire des entreprises industrielles ou à proximité d'elles, il est nécessaire de combiner les bâtiments et les structures des entrepôts de matériaux, des ateliers de réparation centraux, des prises d'eau et des stations de pompage pour l'approvisionnement en eau, les voies ferrées, les routes, les réseaux d'ingénierie, les dispositifs de déchargement et le carburant. dépôts, usines de traitement préliminaire des eaux, sous-stations de transformation et installations de traitement.
Les zones de protection sanitaire des chaufferies, en fonction de la consommation de combustible et de sa teneur en cendres, doivent être établies conformément à SNiP II - M. 1 - 71 *.Le placement des sites de chaudières à proximité des aérodromes devrait dans chaque cas être coordonné avec les services en charge de ces installations.
Le placement des chaufferies sur le plan général doit être choisi pour la capacité finale de la chaufferie et avec des dimensions suffisantes pour le placement rationnel de tous les bâtiments, structures et routes nécessaires. En plus du bâtiment de la chaufferie, le site accueille généralement un stockage de combustible et un dispositif d'alimentation en combustible, une cheminée et des usines de collecte des cendres, un stockage de matériaux et de réactifs pour l'UTL, une unité d'élimination des cendres et des scories, des dispositifs de traitement de divers effluents. et des stations de pompage pour eux. Le placement des chaufferies sur le plan directeur devrait garantir la possibilité de leur extension et de leur fonctionnement fiable avec des coûts de construction minimes.
La zone où seront situées les chaufferies sur le plan directeur doit avoir un sol fiable pouvant servir de base naturelle au bâtiment et aux structures. Les travaux d'excavation et autres travaux de planification doivent être réduits au minimum. Le placement des chaufferies sur le plan général, si la chaufferie est située à l'extérieur d'une entreprise industrielle et comporte des espaces ouverts avec des équipements, des entrepôts, des postes de transformation situés dessus, doit être aménagé et séparé par une clôture.
Figure. 9.1. Placement des chaufferies sur le plan directeur avec une capacité de chauffage de 60 Gcal / h.
Le combustible est du charbon.
1 - chaufferie; 2 - cheminée; 3 - entrepôt pour le stockage humide du sel; 4 - station de décantation de l'élimination pneumatique des cendres et des scories; 5.1 - dispositif de réception; 5.2 - galerie numéro 1; 5.3 - service de concassage; 5.4 - galerie numéro 2; 6 - stockage de carburant; 7 - viaduc de déchargement vibro; 8 - rack de déchargement; 9 - viaduc du hayon élévateur.
Figure. 9.2. Schéma d'aménagement général d'une chaufferie d'une capacité de chauffage de 230 Gcal / h.
Carburant - mazout, gaz.
1 - bâtiment de la chaufferie; 2 - cheminée; 3 - entrepôt pour l'acide sulfurique et le sel; 4 - poste de transformation ouvert; 5 - station de pompage de fioul avec stations d'épuration des eaux usées et d'extinction d'incendie; 6 - réservoir de réception pour le fioul; 7 - viaduc ferroviaire pour l'évacuation du fioul; 8 - réservoir métallique pour le stockage du mazout; 9 - cuve métallique pour le stockage des additifs liquides; 10 - réservoir d'eau pour les besoins d'extinction d'incendie; 11 - récupérateur d'huile; 12 - réservoirs de condensat.
Entre les bâtiments, les structures, le stockage de carburant et les autres dispositifs, des distances et des routes correspondant aux codes et règlements du bâtiment doivent être prévues pour garantir la possibilité d'opérations de transport et de lutte contre l'incendie. Le raccordement du territoire de la chaufferie aux chemins de fer publics est conçu en accord avec l'administration routière locale.
Le drainage des eaux du territoire et du bâtiment de la chaufferie doit être effectué et relié au réseau d'assainissement industriel, pluvial et utilitaire de l'ensemble du site de l'entreprise ou du territoire alloué pour la construction de la chaufferie. Les effluents doivent être neutralisés, nettoyés de toute contamination par des particules solides, des produits pétroliers et d'autres substances toxiques, refroidis à une température inférieure à 40 ° C et, s'ils ne peuvent pas être réutilisés, ensuite rejetés dans les égouts.
Le principal indicateur de l'utilisation du territoire est le facteur de construction, c'est-à-dire le rapport de la superficie occupée par les bâtiments et les structures à la superficie totale du complexe. Pour les chaufferies temporaires, le facteur de construction doit être compris entre: pour le combustible solide - 0,4 - 0,5, pour le combustible liquide et le gaz - 0,5 - 0,6.
En figue. 9.1 montre un schéma de l'aménagement général d'une chaufferie d'une capacité totale de chauffage de 60 Gcal / h, fonctionnant au combustible solide. La livraison du combustible (bitumineux et lignite) se fait par chemin de fer. A cet effet, l'introduction du chemin de fer sur le territoire de la chaufferie est prévue. À côté de la voie ferrée, il y a un stockage de carburant et un dispositif de réception d'alimentation en carburant.
Le schéma d'aménagement général d'une chaufferie d'une capacité totale de chauffage de 230 Gcal / h, fonctionnant au gaz naturel et au fioul, est illustré à la Fig. 9.2. Le diagramme montre l'emplacement des bâtiments de la chaufferie, de l'entrepôt de fioul et de l'entrepôt de produits chimiques. La livraison du fioul sur le territoire de la chaufferie est assurée par chemin de fer.
En figue. 9.1 et 9.2 montrent les schémas de principe de la disposition des structures sur le site. Toutes les dimensions sont approximatives, ce qui ne peut servir que de détermination préliminaire des dimensions du terrain pour la construction d'une chaufferie.
Lors de la conception de l'emplacement d'une chaufferie sur le plan directeur, il est nécessaire de prévoir la possibilité de placer des sites de montage élargis, de stockage, ainsi que des structures temporaires nécessaires pour la période de construction et d'installation.
Figure 9.3 Vue en perspective d'une chaufferie d'une capacité de chauffage de 60 Gcal / h (fioul - charbon).
Il est également nécessaire de prendre en compte les normes sanitaires du niveau sonore admissible des équipements installés dans des espaces ouverts lorsque la chaufferie est située dans la zone de développement résidentiel.
Le schéma de transport sur le territoire de la chaufferie est pris en fonction de sa capacité de conception, en tenant compte de la séquence de construction et des perspectives d'expansion. La conception d'autoroutes sur site avec une surface améliorée devrait prévoir la possibilité d'un accès de transport aux bâtiments et structures des chaufferies et aux équipements installés dans les zones ouvertes.
Les types de perspective de chaufferies donnent des idées générales sur la manière dont les structures du complexe de chaufferies (chaufferie, stockage de combustible, alimentation en combustible, stockage de réactifs, bâtiment auxiliaire) s'intègrent dans l'ensemble architectural d'une zone résidentielle ou industrielle donnée. En figue. 9.3 montre la perspective d'une chaufferie avec chaudières à eau chaude KV - TS - 20.
Plan chaudière électrique
Une chaudière électrique est une unité qui chauffe un liquide de refroidissement en convertissant l'électricité en énergie thermique. Il est utilisé comme source de chaleur pour les petites maisons de banlieue ou comme source de secours avec une chaudière à gaz ou à combustible solide.
Sur la base de la modification de tels dispositifs, divers schémas de connexion des chaudières électriques au chauffage sont utilisés. Le plus populaire est un système de chauffage à plusieurs niveaux avec une combinaison d'appareils de chauffage sous forme de radiateurs et un système de «plancher chaud».


Éléments de base du chauffage électrique d'une maison privée:
- Source de chauffage, chaudière électrique.
- Groupe de sécurité avec purgeur d'air, soupape de sécurité et manomètre pour évacuer la surpression dans le réseau.
- Collecteur pour diriger l'eau le long des contours.
- Radiateurs.
- Échangeur de chaleur pour l'alimentation en eau chaude.
- Vase d'expansion pour la compensation hydraulique du système.
- Collecteur pour le système "plancher chaud".
- Système de chauffage par le sol.
- Filtre pour nettoyer le liquide de refroidissement des solides en suspension.
- Clapet anti-retour.
- Pompe électrique de circulation.
- Réseaux d'alimentation électrique.
- Automatisation de la sécurité avec alarme.
Circuit chaudière à gaz
Les chaudières à gaz sont les sources de chauffage les plus économiques et fonctionnelles. Un petit bâtiment, en fait, abrite une mini-chaufferie dans une maison privée.
Les fabricants de chaudières modernes équipent tous les équipements nécessaires dans le corps sous la forme de pompes, d'un vase d'expansion, d'une soupape de sécurité et d'un évent. Le propriétaire d'un tel équipement n'a besoin que de connecter l'unité au circuit de chauffage et d'alimentation en eau chaude, ce qui réduit considérablement les coûts d'installation.
Mais le principal avantage de la chaudière intégrée est la cohérence du fonctionnement de toutes les unités auxiliaires qui ont été testées et réglées en usine.


Le schéma thermique le plus simple d'une chaufferie à gaz:
- La source de chaleur est une chaudière à gaz.
- Groupe de sécurité, avec purgeur d'air, soupape de sécurité, manomètre et vase d'expansion.
- Alimentation en liquide de refroidissement des appareils de chauffage.
- Retour du liquide de refroidissement des appareils de chauffage
- Radiateurs de chauffage
- Approvisionnement en eau du robinet pour le réapprovisionnement du réseau de chaleur avec un filtre et des vannes d'arrêt et de sécurité.
- Alimentation en eau du robinet du circuit ECS de la chaudière.
- Filtre pour le nettoyage grossier du liquide de refroidissement des solides en suspension sur la conduite de retour.
- Clapet anti-retour sur la conduite de retour.
- Pompe de circulation sur la conduite de retour.
Chaudière dans le schéma de la chaufferie
Il existe différentes options pour connecter une chaudière à chauffage indirect à des chaudières pouvant fonctionner avec tout type de combustible: gaz, combustibles solides et liquides.
Dans ce schéma avec une chaudière à chauffage indirect, une flèche hydraulique ou un collecteur de distribution n'est pas installé. L'installation de ces éléments est associée à certaines difficultés, car elle crée un système hydraulique très complexe.


Ce schéma utilise 2 pompes de circulation - pour le chauffage et l'approvisionnement en eau chaude. La pompe à chaleur fonctionne en permanence lorsque la chaufferie est en marche. La pompe de circulation d'ECS est démarrée par un signal électrique du thermostat installé dans le ballon.
Le thermostat détecte la baisse de température du liquide dans le réservoir et transmet un signal pour allumer la pompe, qui commence à faire circuler le liquide de refroidissement le long du circuit de chauffage entre l'unité et la chaudière, chauffant l'eau à la température réglée.
Ce schéma est utilisé pour toutes les modifications des sources de chauffage installées dans les chaufferies à eau chaude et à vapeur.
Une certaine modification du circuit est autorisée lorsqu'une chaudière de faible puissance y est installée. La pompe électrique de chauffage peut être désactivée par le même thermostat qui allume la pompe de la chaudière.
Dans ce cas, l'échangeur de chaleur chauffe plus rapidement et le chauffage est arrêté. Avec des temps d'arrêt prolongés, la température de la pièce baissera.
De plus, après la fin du chauffage dans la chaudière, la pompe du circuit de chauffage est mise en marche et commence à pomper le caloporteur froid dans la chaudière, ce qui provoque la formation de condensation sur les surfaces chauffantes de la chaudière et entraîne sa défaillance prématurée.


Le processus de condensation peut également se produire dans le cas de longs pipelines posés sur les batteries. Avec une grande puissance calorifique sur les appareils de chauffage, le liquide de refroidissement peut également se refroidir beaucoup, une température de retour basse nuira au fonctionnement de la chaudière.
Pour le protéger de la condensation et des coups de bélier qui se produisent lorsque l'eau froide entre en contact avec des surfaces de chauffage chaudes, un circuit de protection équipé d'une vanne à trois voies est prévu dans le système.
Le diagramme montre une température de 55 ° C. Le thermostat intégré au circuit sélectionne automatiquement le débit requis pour maintenir la température du liquide de refroidissement au retour.
Schéma de la chaufferie d'une maison privée: un aperçu des options possibles
Un dessin graphique rédigé avec compétence doit tout d'abord refléter tous les mécanismes, dispositifs, appareils et tuyaux qui les relient
Les réseaux de chaleur fonctionnant à l'eau sont divisés en deux groupes:
L'exemple le plus populaire de diagramme schématique est un exemple de chaufferie à eau chaude de type ouvert. Le principe est qu'une pompe circulaire est installée sur la conduite de retour, elle est chargée de fournir l'eau à la chaudière, puis dans tout le système. Les lignes d'alimentation et de retour seront connectées par deux types de cavaliers - bypass et recirculation.
Le schéma technologique peut provenir de n'importe quelle source fiable, mais il serait bon d'en discuter avec des spécialistes. Il vous conseillera, vous dira si cela convient à votre situation, vous expliquera l'ensemble du système d'action. Dans tous les cas, il s'agit de la structure la plus importante pour une maison privée, par conséquent, l'attention doit être maximisée.
Le schéma thermique des chaufferies avec chaudières à eau chaude a ses propres caractéristiques
Et afin de pouvoir augmenter la température aux valeurs souhaitées, une pompe de recirculation est installée. Les chaudières à eau doivent être surveillées pour que leur durée de vie soit décente, contrôler la constance de la consommation d'eau. Habituellement, le fabricant définit les données minimales pour cet indicateur.
En savoir plus: Drainage du site à faire soi-même - drainage des tronçons du circuit
Pour que les chaufferies fonctionnent correctement, vous devez utiliser des dégazeurs sous vide. En règle générale, un éjecteur à jet d'eau crée un vide et la vapeur libérée est utilisée pour la désaération. Mais la principale chose qui leur fait peur lors de l'installation d'une chaufferie est la liaison constante avec le lieu. L'automatisation moderne simplifie de nombreux processus.
L'automatisation des chaufferies est récemment devenue de plus en plus demandée, car l'automatisation des chaudières est la partie la plus importante d'une chaufferie.
Il existe des fonctions personnalisées populaires qui adaptent le fonctionnement de l'équipement en tenant compte du style de vie des propriétaires de la maison. Il s'agit à la fois d'un système d'alimentation en eau chaude conventionnel et d'un ensemble d'options individuelles qui conviennent à ces résidents particuliers et sont économiques. De la même manière, vous pouvez développer un schéma d'automatisation de chaufferie en choisissant l'un des modes populaires.
La pompe de charge doit développer une haute pression plus élevée que dans le circuit de chauffage avec un débit relativement faible. Cependant, pour le réapprovisionnement, le pompage de grands volumes de liquide n'est pas nécessaire. La sélection d'une telle pompe est effectuée selon plusieurs exigences.
Lors du choix, ils combinent les caractéristiques de la pompe et des réseaux de chaleur et déterminent le point de fonctionnement du système
Sélection de la pompe d'appoint:
- Il doit créer une pression qui dépassera la pression dans la conduite de retour de CO;
- En outre, la pression doit pouvoir pousser à travers la résistance hydraulique du capteur de pression, pipeline;
- Un autre critère important est le débit, en particulier, pour les CO fermés, le taux de fuite est d'un demi pour cent du volume de fluide caloporteur dans la chaudière et le circuit de chauffage.
Dans le même temps, je voudrais dire qu'il n'est pas très pratique d'acheter une telle pompe pour le travail. En ce sens qu'il ne doit pas seulement servir de recharge. Il peut également remplir des fonctions supplémentaires, par exemple être une pompe de circulation de secours, et également être utilisé pour pomper et drainer de l'eau dans le circuit.
Que devrait-il y avoir dans la pièce, quel devrait être le diagramme schématique d'une chaufferie à combustible solide dans une maison privée?


Estimons la composition:
- Le générateur de chaleur lui-même avec les soutes, les réservoirs de carburant, etc.
- La tuyauterie d'une chaudière à combustible solide, qui comprend un groupe de sécurité de chaudière, une pompe de circulation et un mitigeur à trois voies.
- Chaudière de chauffage indirect pour la production d'eau chaude sanitaire pour le système d'alimentation en eau domestique.
- Cheminée pour chaudière TT avec section et hauteur efficaces.
- Système de drainage de l'eau de la chaudière en cas de maintenance préventive du générateur de chaleur.
- Automatisation des chaudières - en interne ou en fonction des conditions météorologiques.
- Système d'extinction d'incendie dans une chaufferie à combustible solide.
Considérez quelles sont les caractéristiques des différents types de combustibles solides utilisés, ce que devrait être une chaufferie pour une chaudière à combustible solide sur différents types de matériaux de combustion.
Chaufferie au bois
En fait, une chaufferie au bois est une pièce classique pour une chaudière à combustible solide, qui peut avoir une taille minimale. Les principales différences entre les différentes pièces sont la taille de la porte du foyer au mur ou aux portes de la chaufferie. Cela dépend de la longueur du journal utilisé.
Si vous chauffez avec des briquettes ou du bois européen, cette distance peut être minime. N'oubliez pas qu'en plus de charger du bois de chauffage, vous devez toujours ramasser les cendres, ce qui nécessitera également un espace libre devant la chambre de combustion / le bac à cendres.
Chaufferie à pellets
La taille de la chaufferie à pellets dépendra de la façon dont la trémie à pellets est installée. La chaufferie à granulés ne diffère pas seulement par la surface au sol, mais également par la hauteur de la chaufferie.
Puisqu'avec un bunker haut installé pour 400-600 litres ou avec un bunker pour 150-200 litres sur une chaudière, telle que Kupper, vous aurez besoin de plus d'espace au-dessus du bunker pour charger les pellets.
Si la trémie est haute, il est préférable de faire une petite échelle ou d'utiliser une échelle basse et stable pour charger les granulés. Parce qu'il n'est pas réaliste de soulever des sacs de 40 kg de pellets au-dessus de votre tête pour le chargement.
chaufferie au charbon
La chaufferie au charbon se distingue par le fait qu'il est très pratique d'avoir à proximité une spacieuse caisse à charbon. Et ne transportez pas le charbon dans des seaux depuis le hangar, mais raccourcissez autant que possible le chemin du charbon au four de la chaudière.
En termes de taille, une chaufferie au charbon sera approximativement égale à une chaufferie au bois, avec l'espoir qu'avec un chargement par le haut, il serait bon d'avoir plus d'espace sur le dessus pour manier un seau.
Les chaudières à sciure de bois ou à déchets de bois sont légèrement plus grandes que les générateurs de chaleur à bois conventionnels. Les systèmes de fanage de combustible sur la grille peuvent brûler efficacement un combustible à frittage aussi rapide. La chaudière à sciure se distingue également par la grande taille de la trémie ou du foyer pour une charge de combustible.
Le foyer est situé au-dessus du foyer, ce qui signifie que la chaufferie à sciure ou à déchets de bois doit avoir une hauteur plus élevée qu'une chaufferie standard.
Si une chaufferie à biocarburant ou à coque est équipée d'une alimentation pneumatique, la pièce avec la chaudière elle-même peut avoir de petites dimensions. Si l'alimentation en cosses avec un agitateur circulaire est utilisée, une telle chaufferie aura une grande trémie de cosses.
Et le bunker minimum efficace est de 2,0 x 2,0 mètres. Cela signifie que la chaufferie à base de balles aura une taille minimale de 4,0 sur 4,0 mètres.
En conclusion, il convient de noter que le circuit de chauffage à eau de la chaudière du système de chauffage est soumis à des charges corrosives plus importantes que le système de chauffage lui-même. Les gaz de combustion peuvent endommager l'échangeur de chaleur dans lequel circule l'eau chauffée.
Par conséquent, afin de neutraliser l'influence des catalyseurs pour les processus corrosifs, le liquide de refroidissement à l'entrée de l'échangeur de chaleur de la chaudière doit être chauffé à 60-70 degrés Celsius.
Lire la suite : Relais à impulsions pour la commande d'éclairage - Raccordement d'un relais à impulsions pour la commande d'éclairage
Cependant, cette précaution n'est justifiée que dans le cas de l'utilisation d'échangeurs de chaleur en acier en acier de construction. Les échangeurs de chaleur en cuivre ou en acier inoxydable ne souffrent pas de corrosion.
Pour mettre en œuvre le schéma d'automatisation d'une chaufferie privée, vous devez investir des fonds supplémentaires. Une simple vanne thermostatique est très bon marché et les systèmes programmables sont beaucoup plus chers. Le fonctionnement continu d'une chaudière conventionnelle dans un mode entraîne une grande consommation d'électricité et d'argent. Par conséquent, le coût d'achat d'une unité d'automatisation est rapidement amorti pendant le fonctionnement.
L'automatisation dans une chaufferie privée est une garantie du fonctionnement du système de chauffage avec une efficacité maximale, ce qui permet d'offrir des conditions de confort aux personnes vivant dans la maison.
L'élément le plus important du système de chauffage est le thermostat. Sa fonction est de réguler la température à la fois dans une pièce séparée et dans toute la maison. Il existe de nombreux types de thermostats - du simple mécanique au climatiseur. Ce dernier est le plus avancé technologiquement, rentable, mais aussi très coûteux.
Le système de régulation de chauffage se compose d'un régulateur de température, d'un capteur de température d'air extérieur, d'un actionneur, d'un capteur de température de liquide de refroidissement, d'un écran pour le raccordement à un système de régulation externe, d'une pompe de circulation pour l'alimentation en liquide de refroidissement, de circuits consommateurs ()
Le prix de l'automatisation dépend du type de chaudière utilisée, de la présence d'un plancher chaud, de capteurs solaires, etc. Afin de ne pas dépenser d'argent supplémentaire, vous devez analyser les caractéristiques de tous les régimes, calculer le coût. Il est assez difficile de le faire par vous-même, mais vous pouvez toujours vous tourner vers des spécialistes ayant ce problème.
Le gaz est une substance explosive, par conséquent, les exigences pour les chaudières à gaz sont très strictes. Si une chaudière d'une capacité allant jusqu'à 30 kW suffit pour chauffer une maison, une pièce séparée n'est pas nécessaire pour la chaufferie. La chaudière peut être placée dans une cuisine bien ventilée sur un mur en matériaux incombustibles, à condition que le volume de la pièce soit d'au moins 15 m², la hauteur du sol au plafond soit de 2,5 m, la surface au sol est à partir de 6 m?.
Harnais avec une flèche hydraulique
Dans les systèmes complexes d'alimentation en chaleur à plusieurs niveaux, un distributeur hydromécanique est souvent utilisé pour équilibrer les flux de fluide dans diverses sections du circuit avec des pompes électriques de circulation individuelles - une flèche hydraulique ou un collecteur.


Un schéma similaire de l'unité de chaudière implique l'inclusion d'une chaudière à chauffage indirect via les pompes NB et HP, un chauffage par radiateur via les pompes НК1 et НК2 et un chauffage par le sol via Н1.
Il a la capacité de fonctionner sans module hydraulique, auquel cas des vannes d'équilibrage sont prévues pour compenser les pertes de charge dans les différentes "branches" du système.


Ensemble complet d'équipements thermo-mécaniques:
- Source d'alimentation en chaleur - 2.
- Groupe de sécurité, avec purgeur d'air, soupape de sécurité, manomètre et vase d'expansion.
- Alimentation en liquide de refroidissement des appareils de chauffage.
- Retour du liquide de refroidissement des appareils de chauffage
- Radiateurs de chauffage.
- Système de chauffage au sol.
- Chaudière à chauffage indirect
- Filtre grossier pour la purification de l'eau de chaudière des matières en suspension sur la ligne de retour.
- Clapet anti-retour sur la ligne de retour.
- Pompes de circulation : via la canalisation principale, dans le circuit de chauffage par le sol et la chaudière à chauffage indirect.
Schéma chaufferie avec 2 chaudières
L'utilisation de deux unités à gaz pour un système d'alimentation en chaleur est une solution assez populaire parmi les propriétaires de chauffage autonome avec une puissance thermique du système supérieure à 50 kW.
Il peut s'agir d'une grande zone chauffée de l'objet et de la présence de charges thermiques supplémentaires sous forme d'eau chaude ou d'installations avec aérothermes.


L'utilisation de deux unités par circuit de chauffage présente de nombreux avantages par rapport à une source d'énergie équivalente. Tout d'abord, parce que plusieurs unités de petite taille et de poids inférieur sont beaucoup plus faciles et plus économiques à placer dans une chaufferie, ce qui est particulièrement important lors de la construction de fours de toit ou de demi-sous-sol.
De plus, l'installation de 2 unités augmente considérablement la fiabilité de fonctionnement du système d'alimentation en chaleur. En cas d'arrêt d'urgence de l'une des unités, celle-ci continuera à fonctionner avec une charge thermique de 50 %.
Un tel schéma de tuyauterie augmente considérablement la durée de vie des chaudières, du fait qu'elles sont moins chargées pendant la saison de chauffage.
Projet type 903-1-217.85 Bloc chaufferie avec 4 chaudières Universal-6M à combustible solide.
Bloc chaufferie avec 4 chaudières "Universal-6M" pour combustible solide.
Ce projet a
Documentation électronique
Qu'est-ce qu'un passeport projet ?
Le passeport projet est une brève description d'un projet type présenté sur plusieurs feuilles A4. Le nombre de feuilles varie de 1 à 15 (généralement 2-4.)
Attention ! Le passeport de projet n'est pas un projet typique.L'achat d'un passeport pour un projet type est nécessaire pour se familiariser avec le résumé du projet. Près de 95 % des projets sont calculés aux prix de 1984
Une traduction approximative par coefficients est possible. Pour calculer, vous devez acheter un passeport de projet et recalculer dans les prix actuels
Près de 95 % des projets sont calculés aux prix de 1984. Une traduction approximative par coefficients est possible. Pour calculer, vous devez acheter un passeport de projet et recalculer en prix courants
Nous fournissons un calcul - « Certificat du coût estimatif d'un objet de construction d'immobilisations »
Le coût de ce service est 1200 roubles
fournir un certificat du coût estimatif d'un objet de construction d'immobilisations
* Champs obligatoires
Images
Pour terminer la procédure d'achat d'un passeport pour un projet standard, cliquez sur le bouton "Télécharger le passeport"
et enregistrez le fichier avec l'extension PDF dans n'importe quel endroit qui vous convient.
Pour terminer la procédure d'achat d'un ensemble d'un projet type, cliquez sur le bouton "Télécharger le kit"
et enregistrez le fichier avec l'extension PDF dans n'importe quel endroit qui vous convient.
Fonds VTSIS, 2000-2018