Publié dans Conseils Publié 21/02/2016 · Commentaires: · Lire: 4 min · Vues: Publication Vues: 4556
Bonjour les amis! Avez-vous déjà pensé à la fiabilité de la protection de votre chaudière contre la surchauffe? Parfois, lors de l'allumage d'une chaudière à combustible solide, la température du liquide de refroidissement a atteint une valeur critique et le carburant continue de brûler. Dans le même temps, une quantité importante de chaleur est libérée, ce qui menace de graves conséquences à la fois pour la chaudière et pour l'ensemble du système de chauffage.

Le système de chauffage avec une chaudière à combustible solide est inertiel. Cette qualité positive des chaudières à combustible solide avec un échauffement excessif du liquide de refroidissement peut jouer un rôle fatal. Dans ce cas, il ne fonctionnera pas pour arrêter immédiatement le chauffage en cours du liquide de refroidissement. Une situation particulièrement désastreuse se produit si le système de chauffage contient des tuyaux en polypropylène ou en métal-plastique. Leur fonctionnement n'est pas conçu pour une température si élevée qu'il conduira inévitablement à une dépressurisation du système.
Dans ce cas, il n'est plus nécessaire de s'appuyer sur un système de sécurité composé d'un vase d'expansion, d'une vanne de vidange, d'un purgeur d'air automatique. Il protège uniquement le système de la surpression. Mais, lorsque la ressource du vase d'expansion a déjà été épuisée, la pression croissante dans le système conduit au fonctionnement de la vanne de vidange, et une partie du liquide de refroidissement est évacuée du système.
Il semble que la situation devrait s'améliorer, mais elle ne fait que s'aggraver, car une diminution du volume du liquide de refroidissement entraîne une ébullition plus intense de l'eau dans la chaudière. La température continue d'augmenter, et maintenant…. Mais ce n'est pas si mal que ça. Les fabricants de chaudières ont également prévu ce scénario. Les chaudières modernes sont équipées de dispositifs qui empêchent la surchauffe de la chaudière. Mais à quel point ils sont efficaces, essayons de le comprendre dans cet article.
Utilisation de la soupape de sécurité
Ce n'est pas la même chose qu'une soupape de sécurité. Ce dernier soulage simplement la pression dans le système, mais ne le refroidit pas. Une autre chose est la soupape de protection contre la surchauffe de la chaudière, qui prend l'eau chaude du système et fournit à la place de l'eau froide à partir de l'alimentation en eau. L'appareil est non volatile, il est connecté au réseau d'alimentation et de retour, au réseau d'alimentation en eau et au réseau d'assainissement.


À une température du liquide de refroidissement supérieure à 105 ºC, la vanne s'ouvre et, en raison d'une pression dans le système d'alimentation en eau de 2 à 5 bar, l'eau chaude est déplacée de la chemise du générateur de chaleur et des canalisations froides, après quoi elle va dans les égouts système. Le schéma de connexion de la soupape de protection de la chaudière à combustible solide est indiqué:


L'inconvénient de cette méthode de protection est qu'elle ne convient pas aux systèmes remplis de liquide antigel. En outre, le système n'est pas applicable dans les conditions où il n'y a pas d'alimentation en eau centralisée, car, avec une panne de courant, l'alimentation en eau d'un puits ou d'une piscine s'arrêtera également.
Circuit de dérivation d'urgence
Le schéma de protection d'une chaudière à combustible solide contre la surchauffe présenté ci-dessous ne présente pratiquement aucun inconvénient:
En cas de panne de courant, la pompe de circulation s'arrête, ce qui, pendant le fonctionnement, appuie sur le pétale du clapet anti-retour, ce qui empêche le mouvement de l'eau à travers la dérivation. Mais après l'arrêt, la vanne s'ouvrira et le liquide de refroidissement continuera à circuler de manière naturelle. Même si à ce moment un accident se produit avec une chaudière à combustible solide et que le chauffage de l'eau ne s'arrête pas, la chaleur sera évacuée dans le réservoir tampon jusqu'à ce que le bois de chauffage dans la chambre de combustion brûle.
Certes, plusieurs conditions sont requises ici:
- la présence d'un accumulateur de chaleur ou d'un ballon tampon d'un volume suffisant;
- les tuyaux du circuit de la chaudière vers le réservoir doivent être en acier, avec des diamètres et des pentes accrus adaptés à la circulation naturelle;
- clapet anti-retour - uniquement de type pétale, monté horizontalement.
Exigences de la cheminée
Pour déterminer les caractéristiques présentées par le fabricant lui-même, vous devez lire les instructions, car des données spécifiques sont fournies, quelle est la section transversale minimale du tuyau, la hauteur, le régime de température - ces facteurs dans un cas particulier sont fondamentaux et vous devez vous concentrer écrit sur eux quelle cheminée est la meilleure pour une chaudière à combustible solide et quels paramètres techniques doivent être pris en compte. Les caractéristiques énumérées ci-dessus, telles que la hauteur, la longueur de la cheminée, vous permettront de choisir un canal fiable et surtout fonctionnel du point de vue de ce modèle particulier.
Tenez compte du diamètre de la cheminée pour un canal de combustible solide, car tous les canaux ne seront pas en mesure d'éliminer la quantité de gaz générée dans un certain temps, et les fumées et gaz accumulés peuvent pénétrer dans la pièce par des joints non étanches et des fissures .
Exigences technologiques
Les exigences techniques suivantes doivent être respectées:
- Une zone dédiée doit être prévue pour disperser la fumée. Il s'agit d'un tuyau vertical installé derrière la buse d'une chaudière à combustible solide. La section d'accélération a une hauteur d'un mètre.
- La cheminée est installée uniquement verticalement. Un écart ne dépassant pas 30 degrés est autorisé.
- La présence de flèches est interdite.
- La longueur est très importante (3 à 6 mètres).
- Trois sections horizontales sont autorisées. De plus, la longueur de chacun ne doit pas dépasser un demi-mètre.
- La hauteur de la tête au-dessus du toit doit dépasser 100 cm.
- La fixation du tuyau au mur est effectuée par incréments de 1,5 mètre.
- Pour créer un joint étanche, les tuyaux sont abondamment lubrifiés avec un scellant résistant à la chaleur.
Pour obtenir un tirage idéal, il est nécessaire que la conception de la cheminée ait un nombre minimum de tours. Un tuyau plat est considéré comme le meilleur.
La cheminée peut être installée à l'intérieur ou à l'extérieur du bâtiment. Pour la première option, il est nécessaire de protéger le tuyau afin qu'il n'entre pas en contact avec des matériaux combustibles. Un écran métallique spécial est utilisé, installé à l'endroit où le tuyau traverse le plafond. La cheminée doit être à une distance de plus de 25 cm du mur.
Les structures extérieures semblent beaucoup plus sûres. Ils sont beaucoup plus faciles à entretenir. Les maîtres considèrent cette méthode comme la plus préférable.
Raisons de surchauffe
La seule raison de la surchauffe est que la chaudière produit plus de chaleur que celle consommée par le système de chauffage. Mais si auparavant tout allait bien, mais que maintenant la chaudière surchauffe, le problème n'est pas que la chaudière est très puissante, mais le problème est ailleurs.
Il est possible que votre filtre à impuretés devant la pompe de circulation soit simplement bouché. Dans ce cas, vous devez le dévisser et le nettoyer et le problème sera résolu. Avec un tel problème, votre retour sera froid.
Il existe une option selon laquelle la pompe de circulation vient de tomber en panne. Avec un tel problème, votre retour sera également froid. Changer la pompe.
Mais le problème le plus courant est la surchauffe consécutive à une panne de courant. Tout est parfait pour vous - un filtre propre, une pompe en état de marche, mais cela ne peut tout simplement pas fonctionner. Et une surchauffe se produit. Le problème peut être résolu en éteignant la chaudière ou en retirant le combustible brûlant du four de la chaudière - mais c'est loin d'être la meilleure option. La meilleure option est de rendre le système de chauffage insensible aux pannes de courant - pour le rendre autonome ou pour installer une alimentation sans coupure.
Regardez la vidéo avec l'apparition d'une surchauffe de la chaudière lorsque la tension d'alimentation est coupée.
Et voici une vidéo avec un moyen de résoudre le problème de surchauffe de la chaudière et du système de chauffage.


Un vrai technicien en réparation de chaudières est difficile à trouver
Par conséquent, il est important de les comprendre par vous-même, car le maître n'est vraiment pas toujours nécessaire et de nombreux problèmes peuvent être résolus par vous-même. Considérez une liste des dysfonctionnements de la chaudière, qui couvre autant que possible toutes les pannes possibles
L'article est destiné à un profane, mais à une personne ordinaire capable d'éliminer de tels problèmes.
Circuit de stockage de chaleur
Dans un certain nombre de pays de l'UE, des règles ont été introduites, selon lesquelles les systèmes de raccordement des chaudières à combustible solide au système de chauffage doivent nécessairement inclure un accumulateur de chaleur. Sans cela, le fonctionnement de tels appareils de chauffage est tout simplement interdit. La raison en est la teneur élevée en monoxyde de carbone (CO) dans les émissions lors de la limitation de l'apport d'oxygène au four pour réduire l'intensité de la combustion.
Avec un accès normal à l'air, du dioxyde de carbone (CO2) inoffensif se forme, par conséquent, le foyer doit fonctionner à pleine capacité, donnant de l'énergie à l'accumulateur de chaleur. Ensuite, la teneur en CO ne dépassera pas les normes environnementales. Dans l'espace post-soviétique, il n'y a toujours pas de telles exigences, respectivement, nous continuons à bloquer l'accès à l'air afin d'obtenir une combustion lente du bois, par exemple, dans une chaudière à combustion longue.
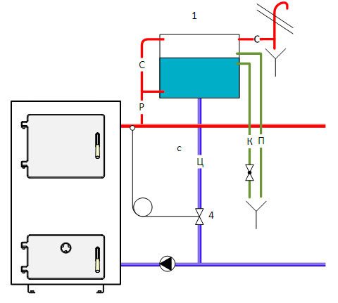
Les accumulateurs de chaleur sont disponibles dans le commerce en tant que produit fini, bien que de nombreux artisans fabriquent les leurs. Fondamentalement, il s'agit d'un réservoir recouvert d'une couche d'isolation thermique. Dans la version d'usine, il peut avoir un circuit ECS intégré et un élément chauffant pour le chauffage de l'eau. Une telle solution vous permet d'accumuler la chaleur d'une chaudière à bois et, pendant les moments d'arrêt, de chauffer la maison pendant un certain temps. Le schéma de raccordement de la chaudière avec l'accumulateur de chaleur est illustré sur la figure:


Noter. Dans le circuit, au lieu d'une unité de mixage composée de plusieurs éléments, un appareil prêt à l'emploi est installé qui remplit les mêmes fonctions - LADDOMAT 21.
Nous utilisons un échangeur de chaleur de refroidissement
Son principe de fonctionnement est basé sur le refroidissement de l'eau chauffée dans le système de chauffage. Un échangeur de chaleur de refroidissement est installé dans la chaudière elle-même ou à sa sortie. Dès que la température de l'eau atteint 95 degrés, la vanne s'ouvre et l'eau froide du robinet commence à s'écouler dans l'échangeur de chaleur, réduisant la température du liquide de refroidissement. Un tel système nécessite un grand volume d'eau froide pour fonctionner en toute sécurité. Le manque d'eau dans le réseau d'alimentation en eau au moment de la surchauffe de la chaudière peut conduire à une urgence.
Quels sont les moyens de protéger les équipements de chauffage contre la surchauffe
Les entreprises manufacturières tentent d'augmenter l'attractivité de leurs produits auprès des consommateurs, d'inclure dans le passeport technique des équipements de chaudières toutes les garanties de leur sécurité. Le consommateur non initié n'a pas la moindre idée des moyens de protéger la chaudière de chauffage de l'ébullition.
Il existe actuellement les moyens suivants pour assurer la protection des unités à combustible solide utilisées pour les systèmes de chauffage autonomes. L'efficacité de chaque méthode s'explique par les conditions de fonctionnement de l'équipement de la chaudière et les caractéristiques de conception des unités.
Dans la plupart des cas, les fabricants recommandent d'utiliser l'eau du robinet pour le refroidissement dans la fiche technique d'un appareil de chauffage. Dans certains cas, les chaudières à combustible solide sont équipées d'échangeurs de chaleur supplémentaires intégrés. Il existe des modèles de chaudières avec échangeurs de chaleur externes. Utilisé par une soupape de sécurité pour éviter la surchauffe. La soupape de sécurité est conçue uniquement pour soulager la pression excessive dans le système, tandis que la soupape de sécurité ouvre l'accès à l'eau du robinet lorsque la chaudière surchauffe.


Si la température du liquide de refroidissement dépasse la marque de 100 ° C, cela crée une surpression qui ouvre la vanne. Sous l'influence de l'eau du robinet, alimentée sous une pression de 2 à 5 bars, l'eau chaude est évacuée du circuit par de l'eau froide.


Le premier aspect controversé du refroidissement de l'eau du robinet est le manque d'électricité pour alimenter la pompe. Le vase d'expansion n'a pas assez d'eau pour refroidir la chaudière.
Le deuxième aspect, qui balaie cette méthode de refroidissement, est associé à l'utilisation d'antigel comme caloporteur. En cas de situation d'urgence, jusqu'à 150 litres d'antigel iront à l'égout avec l'eau froide entrante. Cette méthode de protection en vaut-elle la peine?
La présence d'un onduleur permettra de maintenir le fonctionnement de la pompe de circulation dans une situation critique, à l'aide de laquelle le liquide de refroidissement se dispersera uniformément dans la canalisation, sans avoir le temps de surchauffer. Tant que la capacité de la batterie est suffisante, une alimentation sans coupure garantit le fonctionnement de la pompe. Pendant ce temps, la chaudière ne doit pas avoir le temps de chauffer jusqu'aux paramètres critiques, l'automatisation fonctionnera, en démarrant l'eau le long du circuit de secours de secours.
Une autre façon de sortir d'une situation critique sera d'installer un circuit d'urgence dans la tuyauterie d'une unité à combustible solide. L'arrêt de la pompe peut être dupliqué par le fonctionnement du circuit de réserve avec circulation naturelle du liquide de refroidissement. Le rôle du circuit de secours n'est pas de fournir le chauffage des locaux d'habitation, mais uniquement de pouvoir évacuer l'énergie thermique excédentaire en cas d'urgence.


Un tel schéma pour organiser la protection de l'unité de chauffage contre la surchauffe est fiable, simple et pratique à utiliser. Vous n'aurez pas besoin de fonds spéciaux pour son équipement et son installation. Les seules conditions pour qu'une telle protection fonctionne sont:
- la présence d'un vase d'expansion ou d'un réservoir de stockage dans le système;
- utilisation d'un clapet anti-retour uniquement de type pétale;
- les tuyaux du circuit secondaire doivent avoir un diamètre plus grand que le circuit de chauffage classique.
Raisons pouvant entraîner une surchauffe d'une chaudière à combustible solide
Même au stade de la sélection et de l'achat, il est important de prendre en compte les caractéristiques de fonctionnement de l'appareil de chauffage. De nombreux modèles actuellement en vente disposent d'un système de protection contre la surchauffe intégré. La deuxième question est de savoir si cela fonctionne ou non. Cependant, il est nécessaire d'adhérer à certaines connaissances et compétences, dans l'espoir de créer un système de chauffage autonome efficace et sûr à la maison.
Le fonctionnement fiable de l'unité de chauffage dépend des conditions de fonctionnement. En cas de violations manifestes des paramètres technologiques des équipements de chauffage et d'abus des règles de sécurité standard, il existe une forte probabilité d'urgence.


Pour référence: Si la température dans la chambre de combustion dépasse les paramètres admissibles, l'eau de la chaudière peut bouillir. Le résultat d'un processus incontrôlé est la dépressurisation du circuit de chauffage, destruction du corps de l'échangeur de chaleur. Dans le cas des chaudières à eau chaude, une explosion peut se produire en cas de surchauffe.
Les conséquences négatives possibles peuvent être évitées même au stade de l'installation d'une chaudière à combustible solide. Une tuyauterie correcte de l'appareil de chauffage garantira votre sécurité et un fonctionnement fiable de l'unité à l'avenir.
Dans le détail, dans chaque cas, le système de protection de chaudière à combustible solide a ses propres spécificités et caractéristiques. Chaque système de chauffage a ses avantages et ses inconvénients. Par exemple:
- Lorsqu'il s'agit de chaudières à combustible solide avec circulation naturelle du liquide de refroidissement, il est nécessaire de veiller à la sécurité et à la fonctionnalité de l'équipement de chauffage même pendant l'installation. Les tuyaux du système sont installés en métal.De plus, le diamètre de tels tuyaux doit dépasser le diamètre des tuyaux utilisés pour la pose d'un circuit à circulation forcée du liquide de refroidissement. Les capteurs installés sur le circuit d'eau signaleront une éventuelle surchauffe du liquide de refroidissement. La soupape de sécurité et le vase d'expansion agissent comme un compensateur, réduisant la surpression dans le système.
Un inconvénient important du système de chauffage gravitationnel est l'absence d'un mécanisme efficace pour ajuster les modes de fonctionnement des chaudières à combustible solide.
- De grandes opportunités technologiques pour les consommateurs sont offertes par les chaudières à combustible solide à double circuit fonctionnant avec circulation forcée du liquide de refroidissement dans le système. Déjà, seule la présence du deuxième circuit augmente considérablement la capacité à réguler la température de chauffage de l'eau de la chaudière. Le seul inconvénient du fonctionnement d'un tel système est une pompe de travail, qui peut rendre difficile le fonctionnement du système de chauffage avec son travail.
Cela est dû au fait que lorsque l'électricité est coupée, la pompe cesse de remplir ses fonctions. L'arrêt du processus de circulation et l'inertie des chaudières à combustible solide peuvent entraîner une surchauffe de l'unité de chauffage. Si l'équipement de la chaudière n'est pas équipé d'une alimentation électrique sans coupure, la situation de panne de courant est lourde de conséquences extrêmement désagréables.
Une protection efficace contre la surchauffe d'une chaudière à combustible solide en état de marche doit être basée sur le mécanisme pour éliminer l'excès de chaleur généré par le dispositif de chauffage.
Comment fonctionne la vanne de dérivation thermostatique
La vanne thermostatique est installée sur le départ devant la section de dérivation (section de canalisation) reliant le départ et le retour de la chaudière à proximité immédiate de la chaudière. Dans ce cas, une petite boucle de circulation du liquide de refroidissement est formée. La thermo-ampoule, comme mentionné ci-dessus, est installée sur la canalisation de retour à proximité immédiate de la chaudière.
Au moment du démarrage de la chaudière, le liquide de refroidissement a une température minimale, le fluide de travail dans le puits thermométrique occupe un volume minimal, il n'y a pas de pression sur la tige de la tête thermique et la vanne ne fait passer le liquide de refroidissement que dans un sens de circulation dans un petit cercle.
Au fur et à mesure que le liquide de refroidissement se réchauffe, le volume du fluide de travail dans le puits thermométrique augmente, la tête thermique commence à appuyer sur la tige de la vanne, faisant passer le liquide de refroidissement froid à la chaudière et le liquide de refroidissement chauffé dans le circuit de circulation général.


En raison du mélange dans l'eau froide, la température dans la conduite de retour diminue, ce qui signifie que le volume du fluide de travail dans le puits thermométrique diminue, ce qui entraîne une diminution de la pression de la tête thermique sur la tige de vanne. Ceci, à son tour, conduit à la fin de l'alimentation en eau froide de la petite boucle de circulation.
Le processus se poursuit jusqu'à ce que tout le liquide de refroidissement soit chauffé à la température requise. Après cela, la vanne bloque le mouvement du liquide de refroidissement le long d'une petite boucle de circulation et tout le liquide de refroidissement commence à se déplacer le long d'un grand cercle de chauffage.


Le mitigeur thermostatique fonctionne de la même manière qu'une vanne de régulation, mais il n'est pas installé sur la conduite de départ, mais sur la conduite de retour. La vanne est située devant le by-pass, qui relie l'alimentation et le retour et forme un petit cercle de circulation du liquide de refroidissement. L'ampoule thermostatique est fixée au même endroit - sur la section de la conduite de retour à proximité immédiate de la chaudière de chauffage.
Tant que le liquide de refroidissement est froid, la vanne ne le fait que dans un petit cercle. Au fur et à mesure que le caloporteur se réchauffe, la tête thermique commence à appuyer sur la tige de la vanne, faisant passer une partie du caloporteur chauffé dans le circuit de circulation général de la chaudière.


Comme vous pouvez le voir, le schéma est extrêmement simple, mais en même temps efficace et fiable.
La vanne thermostatique et la tête thermique n'ont pas besoin d'énergie électrique pour fonctionner, les deux appareils sont non volatils.Aucun appareil ou contrôleur supplémentaire n'est nécessaire non plus. Pour chauffer le liquide de refroidissement circulant dans un petit cercle, 15 minutes suffisent, tandis que chauffer tout le liquide de refroidissement dans la chaudière peut prendre plusieurs heures.
Cela signifie qu'en utilisant une vanne thermostatique, la durée de formation de condensat dans une chaudière à combustible solide est réduite plusieurs fois, et avec elle le temps pour l'effet destructeur des acides sur la chaudière est réduit.
Pour protéger la chaudière à combustible solide du condensat, il est nécessaire de la canaliser correctement à l'aide d'une vanne thermostatique et en même temps de créer un petit circuit de circulation du liquide de refroidissement.
Lors de l'achat et de l'installation d'une chaudière à combustible solide, il est impératif de prendre en compte les particularités de son fonctionnement, à savoir la forte probabilité de surchauffe en situation d'urgence, pouvant entraîner un accident grave voire la destruction de la chemise d'eau de l'unité (explosion ). De plus, la formation de condensation sur les parois de la chambre de combustion peut causer des dommages considérables, ce qui se produit dans certains modes de fonctionnement. Pour éliminer de tels problèmes, la chaudière à combustible solide doit être protégée de la surchauffe et de la condensation, ce qui sera discuté dans notre article.
Protection contre la surchauffe d'une chaudière à combustible solide avec des dispositifs spéciaux
Pour utiliser efficacement une chaudière à combustible solide, elle doit être protégée de manière fiable à l'aide d'éléments et de dispositifs spéciaux. S'il n'est pas correctement protégé, l'équipement peut simplement surchauffer et dysfonctionner. Ce type de chaudières est utilisé dans les bâtiments auxquels il n'y a pas d'accès au gaz naturel. Cela signifie qu'il est nécessaire d'utiliser un carburant alternatif.
Puisqu'une chaudière à combustible solide a forcé la circulation de l'eau, il est nécessaire de s'assurer que le système est protégé de manière fiable contre toutes sortes d'écarts de température. Les chaudières électriques modernes doivent fonctionner longtemps avec un haut degré de fiabilité.
En raison du système de combustion supérieur utilisé dans la chaudière à combustible solide, les utilisateurs peuvent compter sur une utilisation économique de l'appareil lorsqu'ils chauffent des locaux à diverses fins. Les combustibles solides élargissent considérablement les capacités des consommateurs et deviennent indépendants des autres types de combustibles. Il suffit de disposer d'un approvisionnement en combustible solide pour fournir de la chaleur aux locaux sans interruption.
Si des chaudières de chauffage sont utilisées, il est nécessaire de résoudre le problème de la fourniture d'énergie électrique et de fournir une protection en cas de surtensions. Étant donné que personne n'est à l'abri des urgences, des dispositifs de protection fiables sont indispensables.
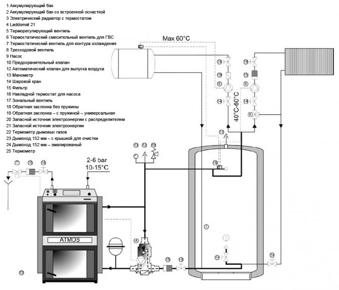
Schéma de base pour la tuyauterie d'une chaudière à combustible solide
Pour une meilleure compréhension des processus qui se produisent pendant le fonctionnement du générateur de chaleur, nous montrerons sa tuyauterie sur la figure, puis nous analyserons le but de chaque élément. Dans le cas où l'unité de chauffage est la seule source de chaleur dans la maison, il est recommandé d'utiliser le schéma de base suivant pour le connecter:


Noter. Le schéma de base, où il y a un petit circuit de chaudière et une vanne à trois voies, illustré sur la figure, est obligatoire pour une utilisation avec d'autres types de générateurs de chaleur.
Ainsi, le premier sur le chemin du mouvement du liquide de refroidissement depuis la chaudière est le groupe de sécurité. Il se compose de trois pièces montées sur un collecteur:
- manomètre - pour contrôler la pression dans le réseau;
- soupape de décharge d'air automatique;
- soupape de sécurité.
Lors du fonctionnement d'une chaudière à combustible solide, il existe toujours un risque de surchauffe du liquide de refroidissement, en particulier à des modes proches de la puissance maximale. Cela est dû à une certaine inertie de la combustion du carburant, car lorsque la température de l'eau requise est atteinte ou une coupure de courant soudaine, il ne sera pas possible d'arrêter immédiatement le processus.Quelques minutes après l'arrêt de l'alimentation en air, le liquide de refroidissement continuera à chauffer, à ce moment il y a un risque de vaporisation. Cela conduit à une augmentation de la pression dans le réseau et au risque de destruction de la chaudière ou de rupture de tuyaux.
Pour exclure les urgences, la tuyauterie de la chaudière à combustible solide doit obligatoirement comprendre une soupape de sécurité. Il est ajusté à une certaine pression critique, dont la valeur est indiquée dans le passeport du générateur de chaleur. En règle générale, la valeur de cette pression dans la plupart des systèmes est de 3 bars, lorsqu'elle est atteinte, la vanne s'ouvre, libérant de la vapeur et de l'eau en excès.
En outre, conformément au schéma, pour le bon fonctionnement de l'unité, il est nécessaire d'organiser un petit circuit de circulation du liquide de refroidissement. Sa tâche est d'empêcher l'entrée d'eau froide du système de chauffage domestique dans l'échangeur de chaleur et la chemise d'eau de la chaudière. Ceci est possible dans 2 cas:
- au démarrage du chauffage;
- lorsque, en raison d'une panne de courant, la pompe s'arrête, l'eau dans les canalisations se refroidit, puis l'alimentation en tension reprend.
Important! La situation de coupure de courant pose un danger particulier pour les échangeurs de chaleur en fonte. Un pompage soudain d'eau froide du système peut entraîner sa fissuration et une perte d'étanchéité.
Si la chambre de combustion et l'échangeur de chaleur sont en acier, le raccordement de la chaudière à combustible solide au système de chauffage par une vanne à trois voies les protège de la corrosion à basse température. Le phénomène se produit si de la condensation se forme sur les parois internes de la chambre de combustion en raison des différences de température. En se mélangeant aux fractions volatiles et aux cendres, l'humidité forme une couche de tartre sur les parois d'acier, qui est très difficile à nettoyer. Cela corrode le métal et raccourcit la durée de vie du produit dans son ensemble.
Le schéma fonctionne selon le principe suivant: tandis que l'eau dans la chemise de la chaudière et dans le système est froide, la vanne à trois voies lui permet de circuler le long d'un petit circuit. Après avoir atteint la température de 60 ° C, l'unité commence à mélanger le liquide de refroidissement du réseau à l'entrée de l'unité, augmentant progressivement sa consommation. Ainsi, toute l'eau des tuyaux se réchauffe progressivement et uniformément.
Nœuds de sécurité dans le schéma de câblage d'une chaudière à combustible solide
Tout d'abord, lors de l'installation d'une chaudière à combustible solide, les problèmes de sécurité de fonctionnement sont pris en compte. On sait qu'une chaudière à combustible solide est plus difficile à faire fonctionner et à contrôler que, par exemple, une chaudière à gaz ou électrique. Ceci est déterminé par l'inertie des processus de combustion du combustible solide, qui met plus de temps à s'enflammer et dont la combustion est difficile à arrêter rapidement. Ce facteur crée les conditions préalables au fait qu'en cas de certaines situations d'urgence, en particulier celles associées à l'arrêt de la circulation du liquide de refroidissement, même une faible combustion ou une combustion lente du carburant peut provoquer une forte augmentation de la pression dans le système de chauffage, ébullition du liquide de refroidissement (eau) dans l'échangeur de chaleur de la chaudière avec d'autres conséquences désagréables - jusqu'à ce que le système de chauffage soit endommagé. Afin d'éviter ces phénomènes et de réduire leurs conséquences indésirables, diverses solutions techniques sont prévues dans la tuyauterie d'une chaudière à combustible solide, qui sont discutées ci-dessous.
Groupe de sécurité.
Soi-disant "groupe de sécurité»- un élément obligatoire dans les systèmes de chauffage construits non seulement sur la base de chaudières à combustible solide, mais également dans les systèmes basés sur d'autres types de combustible / énergie. L'objectif principal du groupe de sécurité est de soulager l'augmentation de la pression et d'exclure la formation de poches d'air dans le circuit de chaudière du système de chauffage. Un groupe de sécurité est un ensemble d'équipements, généralement composé d'une soupape de sécurité, d'un évent automatique et d'un manomètre, monté sur un collecteur spécial. Malgré le terme commun de «groupe de sécurité», cela ne signifie pas du tout que ses éléments doivent être combinés.De plus, souvent plus efficacement et correctement, les appareils ci-dessus fonctionnent séparément lorsqu'ils sont installés dans le système, en tenant compte des particularités de leur travail. Par exemple, une soupape de sécurité - à proximité immédiate de la chaudière dans l'alimentation; bouche d'aération - dans une zone spécialement organisée pour une ventilation efficace; manomètre - à proximité immédiate du vase d'expansion.


La soupape de sécurité est l'élément principal du groupe de sécurité. La soupape de sécurité est conçue pour vider le liquide de refroidissement lorsque la pression dans le système de chauffage dépasse la norme. En règle générale, le réglage d'usine de la vanne est de 3 bar. Lors de l'installation d'une soupape de sécurité ou d'un groupe de sécurité, il est interdit d'installer des vannes d'arrêt entre celle-ci et la chaudière. Purgeur d'air automatique, comme son nom l'indique, est conçu pour collecter et éliminer les bulles d'air qui se forment pendant le fonctionnement du système de chauffage. Les éléments du groupe de sécurité peuvent être montés dans la chaudière en tant qu'équipement standard, et peuvent également être installés de manière autonome, sans être combinés en une seule unité. Le groupe de sécurité (ou ses éléments) est installé sur la ligne d'alimentation à proximité immédiate de la chaudière (pas plus de 1 m).
Protection contre la surchauffe de la chaudière
La surchauffe du liquide de refroidissement dans la chaudière est l'une des plus importantesmaisrisques importants typiques d'une chaudière à combustible solide. Une surchauffe accidentelle de la chaudière peut se produire pour diverses raisons: le flux d'air n'est pas interrompu, dans le cas du chauffage du liquide de refroidissement à la température de consigne; arrêt anormal de la pompe de circulation, etc. Pour éviter la surchauffe d'une chaudière à combustible solide, ils servent le plus souvent soupapes de décharge thermique et échangeur de chaleur de sécurité.
Échangeur de chaleur de sécurité


L'échangeur de chaleur de sécurité (de protection) est conçu pour le refroidissement forcé du caloporteur dans l'échangeur de chaleur principal de la chaudière, lorsque le caloporteur dépasse la température de consigne maximale. Un échangeur de chaleur de sécurité peut être attribué à la tuyauterie d'une chaudière à combustible solide avec un certain allongement, car cet équipement, en règle générale, est prévu par la conception de la chaudière et peut être à la fois un élément structurel de la chaudière (Wattek, Viessmann chaudières à pyrolyse), et peut être complétée sur commande, mais pour ces chaudières, dans lesquelles prévoit son installation (BAXI, De Dietrich).
L'échangeur de chaleur de sécurité est un serpentin (chaudières De Dietrich, Beretta, etc.) ou une construction pipe-in-pipe (chaudières Wirbel, etc.), qui est installé dans l'échangeur de chaleur principal. Un capteur de température est installé sur la conduite d'alimentation à la sortie de la chaudière ou directement dans l'échangeur de chaleur principal, qui, en atteignant une certaine température (par exemple, 95 ° C), ouvre une vanne thermostatique, à travers laquelle l'eau froide du le système d'alimentation en eau commence à s'écouler dans l'échangeur de chaleur de sécurité. L'eau froide entrante, circulant à travers l'échangeur de chaleur de protection, évacue l'excès de chaleur du liquide de refroidissement et est évacuée dans l'égout. Cette méthode de prévention de la surchauffe du liquide de refroidissement dans la chaudière est considérée comme optimale, car elle assure un refroidissement efficace du liquide de refroidissement sans endommager les composants de la chaudière en raison de changements brusques de température.
Soupape de décharge thermique
Si la chaudière à combustible solide n'est pas fournie échangeur de chaleur de sécurité, la chaudière peut être protégée contre la surchauffe en utilisant soupape de décharge thermique... Il existe deux méthodes fondamentales d'utilisation de soupapes de décharge thermique pour protéger une chaudière à combustible solide contre la surchauffe - avec la décharge du liquide de refroidissement surchauffé du système de chauffage ou avec son refroidissement. Considérons d'abord la deuxième méthode.
Refroidissement du caloporteur à l'aide d'un chauffe-eau indirect (chaudière).
Cette méthode est généralement utilisée en présence d'un chauffe-eau à accumulation (chaudière).


Figure. 3.Évacuation de la chaleur d'une chaudière à combustible solide au moyen d'une chaudière à chauffage indirect
Cette méthode fonctionne essentiellement de la même manière qu'un circuit d'échangeur de chaleur de sécurité dont la fonction est assurée par une chaudière. Lorsque la chaudière chauffe jusqu'à la température réglée, la soupape de sécurité (1) installée sur le tuyau d'ECS de la chaudière (3) est déclenchée à partir du capteur (2), et l'eau chaude est évacuée dans l'égout (4), et froide l'eau pénètre dans le chauffe-eau (6). Le capteur de température de la chaudière donne l'ordre à l'actionneur de le chauffer, à la suite de quoi le liquide de refroidissement commence à circuler à travers le serpentin de la chaudière (5) et est refroidi à partir de l'eau froide entrant dans le BKN jusqu'à ce que le capteur de la soupape de décharge thermique donne un commande pour le fermer.
Lors de l'utilisation de cette méthode, le liquide de refroidissement reste dans le système, n'est pas brisé par l'eau d'alimentation et la chaudière n'est pas exposée à un effet de température brutal de l'eau d'appoint froide.
Décharge de caloporteur surchauffé


Cette méthode de protection de la chaudière contre la surchauffe est basée sur le déchargement du caloporteur surchauffé et son remplacement par de l'eau d'appoint. La soupape de décharge thermique est installée sur la conduite d'alimentation à proximité immédiate de la chaudière. La vanne est généralement contrôlée par un capteur de température intégré. Le capteur de température peut être à distance, également installé sur la conduite de départ ou directement dans l'échangeur de chaleur de la chaudière. Lorsqu'un signal de commande du capteur concernant le dépassement de la température réglée est reçu, la vanne s'ouvre et le liquide de refroidissement est évacué dans l'égout.
La photo montre la soupape de décharge thermique Caleffi 542.
Lors de l'installation d'une soupape de décharge thermique, il est nécessaire de prévoir fourniture de recharge automatique systèmes de chauffage. Dans un système de chauffage ouvert, le complément est généralement effectué à partir d'un vase d'expansion ouvert, qui, à son tour, est automatiquement rempli sous la commande d'une vanne à flotteur. Dans un système de chauffage fermé, un appoint automatique peut être effectué à partir d'une source d'alimentation en eau garantie par une vanne d'appoint (réducteur de pression).
Un interrupteur peut être installé sur la soupape de décharge thermique pour contrôler un appareil ou activer une alarme de surchauffe (une telle soupape est représentée sur la figure).


Figure. 4.1. Soupape de décharge thermique dans un système de chauffage fermé avec alimentation d'une chaudière à combustible solide à partir d'un système d'alimentation en eau


Un certain nombre de fabricants proposent
appareils combinésqui combinent une soupape de décharge thermique et une soupape d'appoint. Les capteurs de température de telles vannes peuvent également être intégrés ou externes. Le principe de fonctionnement est similaire à celui d'une simple vanne, sauf que lorsque la température du liquide de refroidissement atteint un certain niveau, les deux vannes (refoulement et appoint du liquide de refroidissement) s'ouvrent simultanément. L'illustration montre la vanne combinée Caleffi 544.


Figure. 4.2. Soupape de décharge thermique combinée dans le schéma de câblage d'une chaudière à combustible solide
Par rapport avec un schéma de chaudière à combustible solide avec échangeur de chaleur de sécuritéLe circuit de la soupape de décharge thermique présente des avantages et des inconvénients. Les avantages de cette solution sont sa relative simplicité et son coût. L'inconvénient d'un tel schéma est le régime de température défavorable du fonctionnement de l'échangeur de chaleur avec un changement brusque de la température du liquide de refroidissement dans la chaudière, ce qui peut entraîner des conséquences indésirables, en particulier la condensation, dont nous parlerons ci-dessous.
Protection d'une chaudière à combustible solide contre la surchauffe dans les systèmes de chauffage ouverts


En conclusion, nous présentons les schémas recommandés pour organiser l'évacuation thermique et protéger le système de chauffage contre la surchauffe du liquide de refroidissement dans les systèmes de chauffage à vase d'expansion ouvert. Le premier schéma recommandé par les recommandations européennes (en particulier, Sat. P I.S.P.E.S.L).Il est basé sur l'utilisation d'une soupape de décharge thermique (3) avec complément simultané à partir d'un vase d'expansion ouvert et une évacuation du mélange vapeur-air à travers une canalisation "bougie" (C) avec séparation supplémentaire et libération de vapeur dans l'atmosphère. Ce schéma montre également l'organisation du remplissage automatique du vase d'expansion à l'aide d'un robinet à flotteur.
Figure. 5. Protection contre la surchauffe en système ouvert avec soupape de décharge thermique.


Deuxième circuit est une modification de la première, basée sur la norme DIN EN 12828. Dans ce schéma, la soupape de décharge thermique n'est pas utilisée et tout le volume excédentaire du liquide de refroidissement en cas de surchauffe est pris en charge par le vase d'expansion, qui dans ce schéma a un augmentation du volume. Lorsque le liquide de refroidissement surchauffe et bout (par exemple, lorsque la pompe de circulation est arrêtée), l'excès de chaleur est dépensé pour chauffer l'eau dans le RB, et le mélange vapeur-air est séparé et la vapeur est libérée dans l'environnement extérieur. Dans ce cas, la vanne de dérivation (sécurité) (4) est déclenchée et un circuit de circulation naturel est créé à travers les canalisations P et C.
Figure. 6. Possibilité de raccorder une chaudière à combustible solide à un vase d'expansion ouvert
Symboles sur les schémas : 1. Vase d'expansion. 3. Soupape de décharge thermique. 4. Vanne de dérivation Canalisations: P - vanne d'expansion; С - chandelier (pour l'évacuation de la vapeur); K - contrôle; P - débordement; C - circulant; Н - remplissage de RB.
Principe de base de la protection de la chaudière contre la condensation
Pour protéger la chaudière à combustible solide de la formation de condensation, il est nécessaire d'exclure une situation dans laquelle ce processus est possible. Pour ce faire, vous ne devez pas laisser le caloporteur froid pénétrer dans la chaudière. La température de retour doit être inférieure de 20 degrés à la température de départ. Dans ce cas, la température d'alimentation doit être d'au moins 60 C.
Le moyen le plus simple est de chauffer une petite quantité de liquide de refroidissement dans la chaudière à la température nominale, de créer un petit circuit de chauffage pour son déplacement et de mélanger progressivement le reste du liquide de refroidissement froid avec de l'eau chaude.
L'idée est simple, mais elle peut être mise en œuvre de diverses manières. Par exemple, certains fabricants proposent d'acheter une unité de mélange prête à l'emploi, dont le coût peut être 25 000
et plus de roubles. Par exemple, la société FAR (Italie) propose des équipements similaires pour
28 500 roubles
et la société
Laddomat
vend une unité de mélange pour
25 500 roubles
.
Un moyen plus économique, mais non moins efficace, de protéger une chaudière à combustible solide du condensat consiste à réguler la température du liquide de refroidissement entrant dans la chaudière à l'aide d'une vanne thermostatique à tête thermique.





