Un système de chauffage classique avec un générateur de chaleur est bien connu de tous les propriétaires de maison. Cependant, en combinant une chaudière à gaz et électrique dans un seul système, un effet pratique beaucoup plus grand peut être obtenu. Ils disent qu'une telle connexion est beaucoup plus économique que d'habitude. Cela semble tentant, n'est-ce pas?
Avec un raisonnement logique, des doutes surgissent: comment l'électricité contribuera-t-elle à économiser le budget, car son coût est beaucoup plus élevé que le gaz? Et pourquoi faire cela du point de vue de l'opportunité d'augmenter la puissance des unités? N'est-il pas plus facile d'acheter une seule chaudière efficace?
En fait, le projet d'une telle combinaison est tout à fait justifié. Nous vous expliquerons en détail comment assembler un chauffage avec des appareils électriques et à gaz. Vous découvrirez la structure de ce système et sa faisabilité. Nous vous aiderons à établir un schéma et à ne pas manquer les nuances importantes de l'organisation d'une ligne de chauffage combinée.
Pourquoi installer deux chaudières à la fois?
Le rôle de leader dans la liaison gaz + électro est généralement assuré par une unité gaz. Ceci est logique ne serait-ce qu'en raison du moindre coût du carburant utilisé dans l'approvisionnement. Mais le mot «enregistrer» a retenti plus haut, et on ne sait pas quelle est la réduction des coûts.
Le fait est que dans de nombreuses régions, le tarif de l'électricité est basé sur le système jour / nuit. Dans certains cas, cela s'avère au moins pas mal, mais c'est plus économique que de payer pour l'essence. La différence est douteuse, cependant, elle peut servir de raison supplémentaire à l'accumulation d'arguments pour le double lien.

L'installation d'une chaudière électrique en conjonction avec une chaudière à gaz peut jouer un rôle d'appoint ou supplémentaire dans l'organisation globale de l'approvisionnement en chaleur. Lors du choix de la puissance de l'équipement, il convient de se concentrer précisément sur le but de son utilisation.
Bien entendu, ce n'est pas une raison si convaincante de concevoir immédiatement un système de chauffage avec 2 chaudières. Les principaux avantages du circuit sont l'amplification de puissance et un fonctionnement ininterrompu. Lors du choix et de l'installation d'un générateur de chaleur, il est nécessaire de bien comprendre que tout appareil et toute alimentation en carburant ne dureront pas éternellement.
Ils coupent l'alimentation électrique, ils peuvent couper la conduite de gaz en raison d'une fuite, la tension du réseau chutera ou une panne banale de l'unité elle-même se produira. Dans ce cas, vous courez le risque de vous retrouver sans chauffage ni eau chaude pendant la saison froide.


Pour assurer le fonctionnement ininterrompu des équipements de chauffage ou augmenter la capacité du système dans son ensemble, il est possible de permettre à 2 chaudières fonctionnant avec des combustibles différents de fonctionner en même temps.
Cela s'appelle la connexion d'une alimentation supplémentaire (pour l'amplification de puissance) ou de secours, en fonction des objectifs et des situations qui se présentent.
Méthodes de raccordement des chaudières à bois et à gaz en un seul système
Puisqu'une chaudière à bois fonctionne dans un système ouvert, il n'est pas facile de la combiner avec un appareil de chauffage au gaz, qui a un système fermé. Avec une tuyauterie de type ouvert, l'eau est chauffée à une température de cent degrés et plus à la haute pression la plus élevée. Pour sécuriser la surchauffe du liquide, un vase d'expansion est installé.
Une partie de l'eau chaude est évacuée par les réservoirs ouverts, ce qui contribue à réduire la pression dans le système. Mais l'utilisation de tels réservoirs de rejet devient parfois la raison de la pénétration de particules d'oxygène dans le liquide de refroidissement.
Il existe deux façons de connecter deux chaudières en un seul système:
- connexion en parallèle d'une chaudière à gaz et à combustible solide avec des dispositifs de sécurité;
- connexion en série de deux chaudières de types différents à l'aide d'un accumulateur de chaleur.
Application de stockage de chaleur
Un système de chauffage à deux chaudières a la structure suivante:
- l'accumulateur de chaleur et la chaudière à gaz sont combinés avec des appareils de chauffage en circuit fermé;
- les flux d'énergie du poêle à bois vers l'accumulateur de chaleur sont transférés vers un système fermé.
À l'aide d'un accumulateur de chaleur, il est possible d'effectuer le fonctionnement du système simultanément à partir de deux chaudières ou uniquement à partir d'une unité de chauffage au gaz et au bois.
Circuit fermé parallèle
Pour combiner les systèmes d'une chaudière à bois et à gaz, les dispositifs suivants sont utilisés:
- soupape de sécurité;
- réservoir à membrane;
- manomètre;
- soupape de purge d'air.
Tout d'abord, des vannes d'arrêt sont montées sur les buses de deux chaudières. Une soupape de sécurité, un dispositif d'évacuation de l'air et un manomètre sont installés à proximité de l'unité à bois.
Un interrupteur est placé sur la branche de la chaudière à combustible solide pour le fonctionnement du petit cercle de rotation. Fixez-le à une distance d'un mètre du poêle à bois. Un clapet anti-retour est ajouté au cavalier, qui bloque l'accès de l'eau à une partie du circuit de l'unité à combustible solide pompé.
Le flux de retour est relié aux radiateurs. Le flux de retour du fluide caloporteur est divisé par deux tuyaux. L'un est connecté via une vanne à trois voies au cavalier. Avant de brancher ces tuyaux, un réservoir et une pompe sont montés.
Dans un système de chauffage parallèle, un accumulateur de chaleur peut être utilisé. Le schéma d'installation de l'appareil avec une telle connexion consiste à y connecter les lignes de retour et d'alimentation, les tuyaux d'alimentation et de retour du système de chauffage. Pour le fonctionnement conjoint ou séparé des chaudières, des robinets sont installés sur tous les nœuds du système qui coupent le débit de liquide de refroidissement.
Connectivité partagée
Il n'est pas si facile de concevoir un système de chauffage au gaz classique. Autrement dit, il est facile de créer un programme fonctionnel, mais il est problématique de le faire approuver. La situation des chaudières électriques est moins déplorable en termes de coûts, de temps et de problèmes d'obtention des documents d'approbation de la procédure.
Et voici la combinaison de 2 unités multi-combustibles. Il semblerait que vous ne contournerez pas les problèmes et que vous vous adresserez littéralement aux autorités pendant des années, pour obtenir des permis. Mais ce n'est pas le cas.


Il n'y a aucune restriction sur l'utilisation conjointe d'une chaudière à gaz et électrique dans les documents réglementaires. Cependant, il est encore nécessaire de s'entendre sur un tel projet avec le service de gaz et d'obtenir l'autorisation si vous dépassez la limite établie de la capacité totale de l'équipement pour l'utilisation de l'électricité.
En fait, les codes du bâtiment sont tout à fait favorables à de tels programmes. Pour être plus précis, il n'y a aucune interdiction.
Les compteurs d'énergie et de consommation de carburant sont différents. La consommation de ressources n'est pas dépassée, une situation explosive n'est pas provoquée - installez les chaudières en respectant les normes standard, les instructions d'installation pour chacune. Il ne devrait y avoir aucun problème.
Nous vous rappelons que l'installation des chaudières à gaz doit être effectuée conformément à la norme SP 402.1325800.2018 (de plus, ce document est obligatoire et non consultatif).
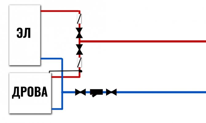
Schéma de câblage pour deux chaudières à commande manuelle


Rien n'est nécessaire ici, sauf pour les vannes d'arrêt. La commutation entre les chaudières s'effectue par ouverture / fermeture manuelle de deux robinets situés sur le liquide de refroidissement. Et pas quatre, pour couper complètement la chaudière inactive du système. Les deux chaudières ont le plus souvent des vases d'expansion intégrés et il est plus rentable de les utiliser tous les deux en même temps, car le volume du système de chauffage dépasse très souvent la capacité d'un vase d'expansion pris séparément.Afin d'éviter l'installation inutile d'un vase d'expansion supplémentaire (externe), il n'est pas nécessaire de couper complètement les chaudières du système. Il est nécessaire de les arrêter en fonction du mouvement du liquide de refroidissement et de les laisser simultanément inclus dans le système d'expansion.
Comment connecter 2 chaudières dans le système?
Vous ne pouvez pas simplement prendre et connecter 2 appareils au hasard, le système ne fonctionnera pas ou ne fonctionnera pas correctement. Il est nécessaire d'utiliser soigneusement conçu, conçu avec compétence du point de vue de l'ingénierie.
Il existe deux schémas de connexion principaux, à savoir:
- Cohérentlorsque tous les éléments sont connectés les uns aux autres sans nœuds supplémentaires. Dans ce cas, un appareil chauffera le liquide de refroidissement et le second le réchauffera;
- Parallèle, dans lequel les appareils inclus dans le circuit ont 2 nœuds de connexion et les chaudières fonctionnent indépendamment les unes des autres.
Le système séquentiel est plus adapté aux installations de chaudières à faible puissance et est rarement utilisé.


La connexion en série est considérée comme impraticable ne serait-ce que parce qu'il est impossible de retirer une chaudière sans affecter la seconde. En fait, le problème est résolu en installant des by-pass et des vannes d'arrêt, mais une connexion toujours en parallèle est avantageuse.
Pendant ce temps, la connexion en parallèle dans un seul système de chaudières à gaz et électriques présente de nombreux avantages. C'est donc celui-ci qui est le plus utilisé, malgré le fait que cet agencement nécessite plus de matériaux et soit considéré comme plus cher.
Dans un tel appareil, vous pouvez éteindre l'un des appareils à tout moment et même le retirer pour le remplacer ou le réparer, le second continuera à fonctionner normalement.
Système fermé avec deux chaudières
Un tel système fournit connexion en parallèle de deux chaudières... Une attention particulière est portée au groupe de sécurité. Au lieu d'un vase d'expansion ouvert, un réservoir à membrane fermé est installé dans une pièce spéciale.
Le groupe de sécurité se compose de:
- Vanne de purge d'air.
- Soupape de sécurité pour réduire la pression.
- Manomètre.
Le cerclage se fait selon le schéma suivant:
- Des vannes d'arrêt sont installées aux sorties des échangeurs de chaleur des deux chaudières.
- Un groupe de sécurité est installé sur la ligne d'alimentation, qui part du dispositif à combustible solide. La distance entre celui-ci et la vanne peut être faible.
- Connectez les tuyaux d'alimentation des deux chaudières. Dans le même temps, avant de se connecter à une ligne qui part d'une chaudière à combustible solide pour une maison, un cavalier est enfoncé (pour organiser un petit cercle). Le point de raccordement peut être situé à une distance de 1 à 2 m de la chaudière. Une valve à pétale inversée est placée à une courte distance du cavalier. Si la chaudière à bois cesse de fonctionner, le liquide de refroidissement sous la pression créée par l'unité à gaz fonctionnant à partir du cylindre ne pourra pas se déplacer le long de la conduite d'alimentation vers le dispositif à combustible solide.
- La conduite d'alimentation est connectée à des radiateurs de chauffage situés dans différentes pièces et à des distances différentes les uns des autres.
- La conduite de retour est montée. Il doit être situé entre les radiateurs et les chaudières. En un seul endroit, il est divisé en deux tuyaux. L'un d'eux conviendra pour une chaudière à gaz. Dessus une soupape à ressort de rappel est placée devant l'unité... Un autre tuyau doit s'adapter à la chaudière à combustible solide. Le cavalier susmentionné y est connecté. Une vanne à trois voies est utilisée pour le raccordement.
- Avant de dériver la conduite de retour, il vaut la peine d'installer un réservoir à membrane et une pompe de circulation.
Fonctionnalités parallèles
Examinons de plus près à quoi ressemble un schéma standard de connexion en parallèle de chaudières à gaz et électriques:
- Les circuits d'alimentation en liquide de refroidissement sont connectés à chaque unité. Ils rejoignent une ligne commune.
- Il est impératif dans ce cas qu'il existe des groupes de sécurité et des vannes d'arrêt.
- L'autre ligne est reliée aux boucles des lignes de retour, également équipées de vannes d'arrêt.
- Une pompe de circulation est installée sur la conduite de retour (ou à l'alimentation), devant l'unité pour aligner les circuits de tuyauterie.
- Le réseau des deux unités de chauffage est connecté aux collecteurs.
- Un vase d'expansion est installé sur l'un des collecteurs de distribution. Un circuit d'appoint est également connecté à sa canalisation, équipé d'un clapet anti-retour et de vannes d'arrêt.
- Des collecteurs de distribution, il y a des branches principales vers le chauffage par le sol, des radiateurs, une chaudière, des pompes de circulation et des vannes pour vidanger le liquide de refroidissement du système sont installés sur chacun.
Ce n'est pas un diagramme schématique, mais seulement ses principales caractéristiques. De manière générale, cela donne une idée de la meilleure façon de connecter une chaudière électrique supplémentaire à la chaudière à gaz principale. L'option d'assemblage peut être compliquée et améliorée, par exemple avec un système d'automatisation et un servo variateur.


Avec une connexion en parallèle, vous pouvez également installer une flèche hydraulique et une unité d'automatisation, mais avant cela, réfléchissez bien à cette solution, leur installation n'est pas toujours conseillée
Raccordement correct de deux chaudières dans un système de chauffage
Il y a deux façons de sortir de la situation ci-dessus.
Raccordement de deux chaudières avec changement manuel
Vous pouvez placer les vannes aux endroits indiqués sur le schéma avec des cercles verts:


Et fermez manuellement le pipeline avec la chaudière inopérante. Ce n'est pas tout à fait pratique, mais cela a aussi le droit d'exister. Vannes pour trois positions:


Il existe un meilleur moyen, car il vous permet de connecter deux chaudières au sol afin que les deux ensemble ou séparément puissent fonctionner sans gestes inutiles de notre part - il suffit d'allumer la chaudière ou les deux et de vaquer à nos occupations.
Raccordement de deux chaudières avec contrôle automatique
Le schéma suivant pour le raccordement de deux chaudières vous permet de contrôler automatiquement la température de l'air dans les pièces et la température de l'eau dans l'alimentation en eau chaude.


Il vous suffit d'ajouter une flèche hydraulique. Après cela, vous pouvez connecter dans un système n'importe quel nombre de chaudières (également n'importe quel) avec n'importe quel nombre de circuits avec n'importe quel consommateur.
Cependant, j'ai fait une réserve: en plus de la flèche hydraulique, deux pompes supplémentaires ont été ajoutées - une pour chaque chaudière.
Comment fonctionne le circuit avec un pistolet hydraulique et deux chaudières?
Les pompes de chaudière fournissent le liquide de refroidissement du pistolet à eau aux chaudières, où il chauffe et retourne au pistolet à eau. À partir de la flèche hydraulique, le liquide de refroidissement est démonté par les pompes des circuits - chacun prend autant qu'il en a besoin, sans obstacles. Si les débits à travers les chaudières et à travers les circuits diffèrent, alors une partie du liquide de refroidissement tombera ou montera simplement à l'intérieur de la flèche hydraulique, ajoutant à son manque. Et tout le système fonctionnera de manière stable.
Options de démarrage manuel / contrôle automatique
La gestion du système de redondance de la chaudière ou l'arrêt des défaillants peuvent être effectués manuellement ou en mode automatique. Laisser le système en marche avec une chaudière éteinte n'est pas pratique, car l'eau continuera à circuler.
Imaginez ce qui se passera lorsque le flux de retour refroidi ira dans la direction opposée et commencera à se mélanger à l'alimentation, refroidissant le liquide de refroidissement et forçant la pompe à fonctionner en vain.
Si, pour une raison quelconque, vous ne souhaitez pas équiper les chaudières d'appareils complexes, vous démarrerez l'unité vous-même. Autrement dit, tout est standard: vous devez allumer l'appareil - activez toutes les vannes nécessaires et allumez-le. Lors de la déconnexion, procédez dans l'ordre inverse.
Si vous souhaitez que l'équipement de secours démarre en mode automatique, le système est équipé d'automatisation, de thermostats, de capteurs de température d'air intérieur et extérieur, de capteurs de température de liquide de refroidissement et de servo variateurs.
Dans le schéma de principe du démarrage de secours automatique de l'unité de chauffage, toutes les vannes d'arrêt doivent être en position ouverte. Selon le schéma du compteur, le système est équipé de clapets anti-retour afin d'éviter la circulation parasite du liquide de refroidissement à travers la chaudière qui ne fonctionne pas à un certain moment.
Cependant, malgré la commodité, le système peut poser certains problèmes, par exemple la résistance hydraulique des clapets anti-retour, ce qui entraîne une contrainte sur les pompes, une contamination et une usure des dispositifs eux-mêmes.
Pour allumer automatiquement la chaudière de chauffage, le système est équipé d'un thermostat qui envoie des commandes à l'unité de commande, en fonction des conditions de température dans la maison. L'heure de mise en marche pour l'utilisation de la veille de nuit est réglée sur une minuterie. La pompe de circulation est arrêtée par un démarreur magnétique.


L'automatisation des chaudières électriques peut être intégrée, faite maison ou achetée séparément. Cependant, vous ne devez pas l'installer de vos propres mains uniquement sur les conseils d'Internet, sans avoir les compétences appropriées. Invitez l'assistant pour l'installation et corriger les paramètres système
Lors du choix d'une commande qui sera équipée d'une chaudière électrique installée en parallèle avec une chaudière à gaz, vous devriez opter pour l'automatisation, si:
- La chaudière de réserve est allumée la nuit, lorsqu'il n'est pas pratique de démarrer manuellement.
- En cas de longs départs de la maison pendant la saison de chauffage.
- Si la chaudière à gaz n'est pas fiable.
Dans d'autres cas, il est tout à fait possible d'utiliser le schéma manuel le plus simple.
Chaudières de chauffage bi-énergie
Dans un effort pour obtenir des performances élevées du système de chauffage, pour éviter les interruptions de tension dans le réseau électrique et dans le fonctionnement de l'unité, beaucoup se tournent vers l'installation de chaudières bicombustibles. Malgré leur grande taille et leur poids solide, les chaudières mixtes fonctionnent bien grâce à l'utilisation de différents types de combustibles et à des coûts d'entretien minimes.
Le schéma, dans lequel le gaz et le bois de chauffage sont utilisés pour chauffer le liquide de refroidissement, est considéré comme le plus populaire et le plus pratique, car il fonctionne avec un système de chauffage ouvert. Si vous souhaitez installer un système fermé, il est recommandé de mettre un circuit supplémentaire pour le système de chauffage dans le réservoir d'une chaudière universelle.
Article connexe: Comment installer une toilette suspendue - nous économisons de l'espace judicieusement
Les fabricants de chaudières de chauffage produisent plusieurs types de chaudières mixtes bicombustibles:
- gaz avec combustible liquide;
- gaz combustible solide;
- combustible solide avec électricité.
Chaudière à combustible solide et électricité
L'une des chaudières combinées financièrement solides et fonctionnellement pratiques est considérée comme une chaudière à combustible solide avec un radiateur électrique qui vous permet de contrôler et de réguler la température dans la maison. Grâce à l'utilisation d'éléments chauffants, ces chaudières présentent un certain nombre d'avantages et de caractéristiques positives. Examinons plus en détail le principe de fonctionnement du système de chauffage d'une chaudière combinée.
La chaudière mixte ne fonctionne qu'avec un seul type de combustible solide. L'eau du circuit commence à chauffer lorsque la matière première chargée brûle. Dès que le carburant brûle, le thermostat se déclenche et les radiateurs électriques sont éteints, l'eau commence à refroidir. En raison d'une diminution de la température, l'élément chauffant est automatiquement mis en marche pour chauffer l'eau. Le processus de chauffage et de refroidissement est cyclique, de sorte qu'une température confortable est constamment maintenue dans la maison.
Pour optimiser le fonctionnement des circuits, les fabricants suggèrent d'utiliser des accumulateurs de chaleur dans les systèmes de chauffage. Extérieurement, il s'agit d'un conteneur d'un volume de 1,5 à 2 mètres cubes. Principe de fonctionnement: les tuyaux du circuit traversent le ballon accumulateur et chauffent l'eau disponible.Après la fin du fonctionnement de la chaudière, l'eau chaude cède lentement de l'énergie thermique au système de chauffage. Grâce aux batteries, le régime de température est maintenu de manière stable pendant une longue période.
En résumé, on peut noter que pour réduire le coût de chauffage d'une maison privée, pour assurer un fonctionnement ininterrompu et stable du système de chauffage, l'installation d'une chaudière bicombustible est la meilleure option éprouvée.
Flèche hydraulique dans le système de connexion parallèle
Hydrostrelka est un dispositif qui assure le découplage hydraulique des débits fournis aux circuits individuels du système de chauffage. Il joue le rôle d'un ballon tampon qui reçoit le flux du caloporteur chauffé par des chaudières et le distribue aux consommateurs dans un système ramifié.
Souvent, le volume de liquide de refroidissement nécessaire pour eux diffère, la vitesse de déplacement de l'eau chauffée et sa pression diffèrent. Et dans la situation considérée, le mouvement de l'eau chauffée de chacune des chaudières stimule également sa propre pompe de circulation.
Lorsqu'une pompe puissante est activée, une distribution inégale du liquide de refroidissement le long des circuits se produit. Ainsi, la tâche de la flèche hydraulique est d'égaliser cette pression. En raison du fait qu'il n'y a pratiquement pas de résistance hydraulique à l'intérieur, il acceptera et distribuera librement les flux de liquide de refroidissement des deux chaudières.
Voyons s'il est vraiment nécessaire dans un système parallèle de connecter 2 chaudières, d'autant plus que si le séparateur hydraulique est acheté et installé à l'aide d'un assistant, et non de nos propres mains, le montant total sera désagréablement surprenant.


L'appareil est un morceau de tuyau avec des buses, creuses ou avec des filets filtrants pour éliminer les bulles et filtrer les impuretés. Il peut être installé dans n'importe quelle position, mais le plus souvent verticalement, en équipant le dessus d'un évent et d'une vanne d'arrêt pour le nettoyage par le bas. Une flèche hydraulique est installée entre la chaudière et les circuits de chauffage
Dans le schéma de raccordement classique, un séparateur hydraulique n'est généralement pas nécessaire, car un conflit de 2-3 pompes peut être nivelé sans ce dispositif. Par conséquent, si vous avez 2 chaudières utilisées exclusivement comme secours et qu'il n'y a pas plus de 3-4 pompes dans le système, cela n'est pas nécessaire.
Mais s'il y a plus de circuits à circulation forcée ou que les chaudières de chauffage fonctionnent simultanément à puissance, il est préférable d'installer cet appareil. Encore une fois, on ne sait pas si vous utiliserez la deuxième chaudière en permanence ou uniquement en mode veille, il est donc préférable de jouer la sécurité.
Mauvaise connexion de deux chaudières à un système de chauffage
Commençons par comment ne pas le faire. Il n'est pas nécessaire de connecter des chaudières comme ceci:


Pourquoi? Malgré la présence de clapets anti-retour, les pompes en marche prélèveront le fluide caloporteur des deux chaudières, même lorsqu'elles sont éteintes.
Avec deux chaudières en fonctionnement, il n'est pas non plus un fait que le liquide de refroidissement sera fourni au système de manière uniforme: les résistances hydrauliques des circuits sont très probablement différentes en raison des différences de longueur des canalisations.
Conclusions et vidéo utile sur le sujet
Synchronisation de fonctionnement et arrêt des chaudières dans une installation parallèle:
L'installation de 2 chaudières de chauffage, gaz et électrique, est une sage décision pour augmenter la puissance des équipements de chauffage, ainsi que pour le chauffage d'appoint du bâtiment. L'installation parallèle d'unités n'est pas aussi difficile que cela puisse paraître au premier abord.
L'essentiel est de sélectionner correctement le schéma de disposition et de calculer correctement la puissance totale ou de réserve de l'équipement. Si vous n'êtes pas confiant en vos capacités et que vous ne pouvez pas le gérer seul, il est préférable de contacter un plombier. Ils vous aideront à installer rapidement et efficacement le système pour un approvisionnement en chaleur fiable et confortable dans votre maison.
Connexion de deux chaudières en un seul système
Il est possible de combiner deux appareils de chauffage en utilisant la commande manuelle et automatique.
Connexion manuelle
Les chaudières sont allumées et éteintes manuellement à l'aide de deux robinets sur le liquide de refroidissement. La tuyauterie est réalisée à l'aide de vannes d'arrêt.
Des réservoirs d'expansion sont installés dans les deux chaudières, qui sont utilisées simultanément. Les experts recommandent de ne pas couper complètement les chaudières du système, mais simplement de les connecter simultanément au vase d'expansion, bloquant le mouvement de l'eau.
Connexion automatique
Un clapet anti-retour est installé pour la régulation automatique de deux chaudières. Il protège les pannes de l'unité de chauffage des flux nocifs. Sinon, la méthode de circulation du liquide de refroidissement dans le système n'est pas différente de la commande manuelle.
Schéma de câblage pour deux chaudières avec contrôle automatique


Sur le plan hydraulique, ce n'est pas différent d'un système manuel, sauf pour un détail. Lors du raccordement de deux chaudières, deux clapets anti-retour apparaissent. Le clapet anti-retour est nécessaire pour exclure les flux parasites à travers la chaudière au repos. Il n'est pas nécessaire de chevaucher quoi que ce soit manuellement dans ce système. Les autoroutes doivent toujours être ouvertes. Et si l'une des chaudières ne fonctionne pas, la pompe de la deuxième chaudière entraînera inévitablement le liquide de refroidissement à travers elle. De l'endroit où les chaudières sont connectées au système, le liquide de refroidissement se déplacera vers le système de chauffage et dans un petit cercle à travers la chaudière inactive. La résistance dans la zone avec une chaudière qui ne fonctionne pas est bien inférieure à la résistance du système de chauffage. Dans la zone où la chaudière est éteinte, les liquides de refroidissement vont se gaspiller beaucoup plus que par le système de chauffage, où son déficit se fera sentir. Les clapets anti-retour résolvent ce problème. Le même problème peut être résolu au moyen d'une flèche hydraulique, mais alors ce sera déjà un système différent et d'autres coûts. Des clapets anti-retour peuvent être installés, par exemple, sur la conduite de retour.
Important! Les vannes doivent travailler l'une vers l'autre, puis le liquide de refroidissement des deux chaudières se déplacera dans un seul sens, vers le système de chauffage.
Pour un système automatique pour le fonctionnement simultané de deux chaudières, une pièce supplémentaire sera nécessaire - il s'agit d'un thermostat qui éteindra la pompe de circulation s'il y a une chaudière à bois ou toute autre chaudière à chargement manuel dans le système. Il est impératif d'arrêter la pompe au niveau de la chaudière. Car lorsque le combustible y brûle, il est inutile de gaspiller le liquide de refroidissement à travers cette chaudière, interférant avec le fonctionnement de la deuxième chaudière. Ce qui reprendra le travail lorsque le premier s'arrêtera. Avec le diamètre maximal et la marque de thermostat la plus élevée pour éteindre la pompe, vous ne dépenserez pas plus de 4000 roubles et obtiendrez un système automatique.