Accueil / Chaudières à combustible solide
Retour à
Publié: 10.08.2019
Temps de lecture: 6 minutes
0
2108
Les chaudières de mine (ШК) à pyrolyse à combustion longue ou les chaudières de Kholmov sont l'une des variétés de générateurs de chaleur à combustible solide. Ils appartiennent à la classe des unités non volatiles et efficaces, à mouvement forcé ou naturel du milieu gaz-air.
Habituellement, les chaudières de mine sont fabriquées sur des sites industriels, cependant, il existe aujourd'hui de nombreuses conceptions réalisées par des artisans dans le respect des exigences des normes et standards dans le domaine de la fabrication et de l'exploitation sûre des chaudières.
De nombreux appareils sont équipés de fonctions écoénergétiques avec un circuit de chauffage d'eau supplémentaire et un réservoir de stockage.
- 1 chaudron de Kholmov
- 2 Comment fonctionne la chaudière
- 3 Avantages et inconvénients
- 4 Fabrication d'une chaudière de pyrolyse de mine 4.1 Algorithme de création de chaudière DIY.
Chaudière de Kholmov
Cette modification du four diffère en ce qu'il est équipé de deux chambres - pour installer un échangeur de chaleur et séparément pour brûler du carburant. Ces appareils avec combustion par le bas et pleine hauteur du four, qui sont devenus leur nom. Le principe de fonctionnement dépend de la conception.
Les plus populaires aujourd'hui sont deux modèles:
- Chaudières à pyrolyse Kholmov (PC);
- combustion normale.
Le carburant brûle au fond de la chambre de combustion fermée. Le deuxième puits est plus petit, sert à la postcombustion des gaz de combustion et à les refroidir dans la chaudière pour chauffer l'eau de chauffage.
Des dispositifs non volatils contrôlent la température avec un thermostat RT3 installé à l'avant de la structure. Pour une combustion complète du carburant, l'alimentation en air est régulée par la porte soufflante située sur la porte principale du cendrier.

La chaudière de Kholmov. Vue de dessus et de côté
Un obturateur spécial de restriction est installé pour assurer le passage d'air minimum. Dans la partie arrière supérieure de l'unité, il y a un tuyau de dérivation pour connecter une cheminée qui fournit un tirage naturel.
La chaudière est équipée d'une vanne d'arrêt et de compensateurs à l'extérieur et à l'intérieur du carter, conçus pour empêcher les cordons de soudure d'éclater en cas de surchauffe d'urgence.
Conception et principe de fonctionnement
La chaudière de mine à combustion longue est de deux types:
- Appareil de combustion conventionnel.
- Unité de pyrolyse.
Ils se composent de deux caméras, qui divisent la chaudière en deux parties verticales. Le bois de chauffage brûle dans le premier, un échangeur de chaleur est dans le second.
La construction d'une chaudière de mine à combustion conventionnelle est plus simple:
- Foyer. Elle est représente 50% ou plus du volume l'appareil entier. Cette partie de la chaudière à combustion longue a une grande hauteur (presque égale à la hauteur de l'unité), une faible largeur et une faible profondeur.
- Trappe de chargement. Situé sur le dessus ou sur le côté de la chambre de combustion.
- Chambre à cendres. Accueille sous la chambre de combustion.
- La grille. Il sépare les cendres et les chambres de combustion.
- Porte des cendres. Il a de telles dimensions qui permettent d'accéder non seulement au bac à cendres, mais également à la partie inférieure de la chambre de combustion. Ils placent dessus porte de régulation d'air.
- Chambre d'échange thermique. À l'intérieur c'est échangeur de chaleur à eau ou à tube de fumée... Il a un trou à travers lequel s'écoule le monoxyde de carbone formé dans la chambre de combustion.
- Cheminée. Il a un rabat.


Une telle chaudière de mine fonctionne comme suit:
- Le bois de chauffage est mis en feu dans la chambre de combustion.
- Le monoxyde de carbone chaud s'échappe par l'ouverture dans la chambre d'échange thermique.
- Le gaz chauffe le liquide de refroidissement.
- La fumée refroidie sort par la cheminée et l'eau chauffée entre dans le système de chauffage.
Pyrolyse la chaudière de mine à combustion longue a presque la même conceptionmais c'est plus compliqué. La différence réside dans la disponibilité de:
- Chambres de combustion et postcombustion du monoxyde de carbone. Placé dans la partie inférieure de la chambre d'échange thermique. Leurs murs sont en briques réfractaires.
- Tuyaux d'air secondaire. Il est situé à l'intérieur de la chambre de combustion. Une caractéristique du tuyau est la présence d'un grand nombre de trous.
- Vannes en haut de la paroi qui sépare les deux chambres.
Une telle chaudière de mine fonctionne différemment: la pyrolyse est créée dans la chambre de combustion en allumant du bois de chauffage et en limitant l'apport d'air à travers la porte des cendres.


Pendant la pyrolyse, le bois de chauffage se décompose en coke et en divers gaz combustibles. Ces derniers pénètrent dans la chambre de combustion, se mélangent à l'air et brûlent. Les gaz résiduels brûlent dans la postcombustion. La chaleur générée chauffe le liquide de refroidissement.
Principe de fonctionnement de la chaudière
Le processus de génération de chaleur se déroule de deux manières: la combustion directe du combustible naturel et la postcombustion d'un mélange de gaz de pyrolyse formé par manque d'air. Certains des combustibles couvent, dégageant de la fumée de goudron et de suie. En outre, les gaz migrent à travers les charbons, saturés de composants combustibles, et se transforment en un mélange gaz-combustible.
Ces unités sont du type mine - avec combustion par le bas. Le processus est réalisé au niveau de 20,0 cm dans la zone inférieure de l'espace du four. Le carburant supérieur attend dans la réserve chaude tandis que le carburant inférieur brûle. Les gaz de combustion s'accumulent à environ 30,0 cm au-dessus du combustible.


Le volume principal d'air primaire tombe sous la grille et se déplace vers la partie de la post-combustion de pyrolyse. Il capte les gaz de combustion au-dessus du niveau de combustion.
Les mines sont séparées par une cloison ayant un petit espace au fond, à travers lequel la flamme est attirée par poussée de la première chambre à l'autre, où la post-combustion complète des gaz combustibles est terminée, en lavant l'échangeur de chaleur à convection de T +850 C.
Le circuit de chauffage dans la chemise d'eau de la chaudière de type mine est soumis à un chauffage par rayonnement, la chaleur résiduelle est transférée à l'échangeur de chaleur de type convection.
Travail final
- Le haut de la partie intérieure de la chemise d'eau est soudé.
- Percez un trou pour la cheminée et soudez un tuyau d'un diamètre de 130 mm.
- Un trou similaire est percé dans la partie supérieure du corps d'une chaudière de mine artisanale à combustion longue et la pièce est soudée.
- Des trous sont percés en haut et en bas de la chemise d'eau, des tuyaux fabriqués à partir d'un tuyau de 2,5 cm sont soudés.
- Vérifiez l'étanchéité de l'échangeur de chaleur en le remplissant d'eau et en augmentant la pression.
- Le fond est soudé à une chaudière de mine artisanale.
- Un tube profilé de dimensions 20x20 mm est soudé de tous les côtés le long du périmètre.
- Une tôle d'acier d'une épaisseur de 1 à 2 mm est fixée sur le dessus.
- Le four et les portes de chargement sont soudés.
- L'ensemble de la structure est gainé de laine de basalte et de tôle galvanisée.
Avantages et inconvénients
L'unité minière présente les principaux avantages suivants:
- Polyvalence, disponibilité des travaux sur différents types de combustibles, y compris le liquide pour les installations modifiées.
- Rendement, productivité et autonomie de la chaudière élevés sans charge supplémentaire de combustible jusqu'à 24 heures.
- Conception intelligente pour un entretien facile, le chargement / déchargement se fait par des trappes séparées.
- Fiabilité et sécurité, par conséquent, la contamination gazeuse des locaux et l'intoxication au monoxyde de carbone, pourrait-on dire, sont réduites à «zéro».
Les inconvénients comprennent:
- augmentation de la formation de suie et de goudron pendant la combustion du carburant;
- dimensions énormes de l'installation.
Les principaux avantages et inconvénients des équipements de chaudière de type mine
Pour une maison de campagne ou une maison d'hôtes de campagne, ce type d'équipement de chauffage est une vraie trouvaille.Il n'est pas toujours possible d'obtenir le carburant parfait à utiliser. Le bois de chauffage sec pendant les saisons froides et humides est un événement rare. Pour les autres appareils de chauffage, un tel état du bois de chauffage peut entraîner une mauvaise performance des équipements de chauffage. Les chauffe-mines ne souffrent pas de ces inconvénients.
En installant de tels équipements de chauffage dans votre maison, vous bénéficiez des avantages suivants:
- l'unité fonctionne avec presque tous les types de combustibles organiques solides;
- les unités sont capables de fonctionner dans différents modes de fonctionnement (large plage de puissance);
- l'équipement est économique. Un signet suffit pour 12 à 24 heures;
- fonctionnement long et continu pendant toute la saison de chauffage;
- les unités de ce type sont non volatiles;
- simplicité de conception et facilité d'entretien (les cendres sont éliminées pendant le fonctionnement de l'unité);
- haut niveau de sécurité de l'unité de commande.
Sur une note: En évaluant les avantages de l'équipement de chaudière de type mine, n'oubliez pas que, comme toute autre chaudière, cette unité nécessite une tuyauterie compétente. Sinon, vous risquez de perdre tous les avantages de cet équipement.
D'autres inconvénients de ce type d'équipement de chaudière incluent la simplicité de sa conception. Il faut être prudent et attentif ici! Une mauvaise interprétation des principaux paramètres de l'équipement et une connaissance superficielle du principe de fonctionnement des chaudières de type mine peuvent avoir des conséquences désagréables.


À première vue, la conception de l'appareil de chauffage est simple et directe. Beaucoup de gens essaient de fabriquer eux-mêmes un tel équipement. Les tentatives ne sont pas toujours couronnées de succès en raison du fait qu'il est très important de positionner correctement et précisément les échangeurs de chaleur. Dans la chambre de combustion, la température atteint 450-5000C et si l'échangeur de chaleur à tubes d'eau est situé bas, votre chaudière bouillira instantanément, ce qui entraînera de tristes conséquences.
En fonction de la conception de la chambre de combustion, les appareils de chauffage se distinguent dans les types suivants, par les noms des créateurs. La partie principale des unités de chauffage utilisées dans la vie quotidienne sont les chaudières de Kholmov et les appareils de chauffage d'Efimov.
Production d'une chaudière de pyrolyse minière
Les PC modifiés sont aujourd'hui très demandés, avec un rendement élevé, vous permettant d'économiser une quantité importante de carburant et de fonctionner en un seul remplissage pendant plus d'une journée. La simplicité de la conception permet de fabriquer une chaudière avec même un peu d'expérience en soudage.


Dessin d'une chaudière à pyrolyse ordinaire
La base pour créer une chaudière Kholmov efficace de vos propres mains sera une documentation de conception fiable: dessins, spécifications et calculs, qui peuvent être trouvés sur Internet aujourd'hui.
Lors du choix du dessin souhaité de l'unité, ils font attention au volume de chargement de l'appareil, plus il est grand, plus le travail sera long et de quoi dépend la puissance du générateur de chaleur.


Algorithme pour créer une chaudière de vos propres mains.
- Ils réalisent la partie principale de l'appareil et le divisent en deux chambres, installant des cloisons et des vannes pour l'alimentation en air.
- Un schéma de pièces est transféré sur une feuille de métal et découpé par autogène.
- Les éléments latéraux sont soudés avec une couture renforcée.
- 2 trous sont percés entre la chaudière et la chambre de combustion dans la cloison - en haut et en bas près de la grille.
- Installez les détails de la chambre de combustion et ébouillantez-les.
- Fixez le loquet au trou supérieur et fixez-le.
- Les grilles sont réalisées avec la découpe de fentes longitudinales étroites.
- Les grilles sont placées sur des coins métalliques (fonte) ou soudées (acier).
- Les portes de la chambre de combustion et du bac à cendres sont faites.
- Une chaudière est installée et soudée à partir de tuyaux de 25 mm avec une chemise d'eau.
- Équiper la chambre de postcombustion du mélange fumées-gaz en soudant une cloison à côté de la grille.
- Un trou est fait en bas pour installer un tuyau d'air de 50 mm avec un registre aveugle à l'extrémité de sortie et de nombreux trous pour créer un flux d'air uniforme.
- La chambre de combustion est isolée avec de la chamotte, puis elle est en outre isolée avec de la laine de basalte, ce qui augmente l'efficacité thermique de la chaudière.
- En outre, l'installation de l'équipement fabriqué, la tuyauterie des voies d'eau et de fumée et de gaz, l'installation de chauffage, puis les tests de pression du système sont effectués.
Instructions de bricolage pour fabriquer la chaudière de Kholmov
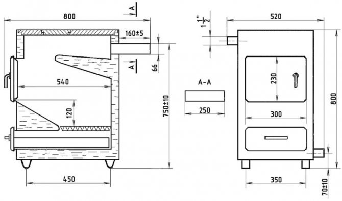
Vous trouverez ci-dessous des instructions étape par étape sur la façon de créer vous-même une chaudière Kholmov. La puissance de l'appareil, qui sera considérée, est de 8 à 10 kilowatts.


Conformément aux dessins, qui sont montrés dans la vidéo ci-dessous, les dimensions du produit ressembleront à ceci:
- 0,8 mètre de haut;
- 0,47 mètre de large;
- 0,576 mètre de profondeur (si vous ajoutez une porte avec un cou, vous obtenez 0,63 mètre).
Vidéo - Chaudière de mine à combustible solide
Première étape. Nous préparons tout ce dont vous avez besoin
Pour fabriquer une chaudière Kholmov, il est impératif que vous obteniez:
- tôle d'acier de 0,3 à 0,4 centimètres d'épaisseur;
- une tige de fer d'un diamètre de 1 centimètre et d'une longueur de 47 centimètres;
- cordon d'amiante (dimensions recommandées - 1,5x1,5 centimètres);
- tuyaux - le diamètre doit être de 1,5, 2, 4 et 11,5 centimètres.
Quant à la quantité de consommables, elle doit être sélectionnée en fonction du dessin sélectionné. Bien sûr, n'oubliez pas un petit stock.


Deuxième étape. Nous construisons l'intérieur
Cette partie est, en fait, une structure constituée de quatre parois et comportant un déflecteur d'eau. Le processus de fabrication devrait commencer juste à partir de la construction de cette cloison d'eau. Les dimensions de l'élément doivent ressembler à ceci:
- 48,5 centimètres de haut;
- 40,3 centimètres de large;
- 6 centimètres de profondeur.
Quant à la cloison, il s'agit en fait d'une paire de parois verticales, auxquelles le bas et le haut sont soudés. Au centre, il est nécessaire de souder un joint de dilatation, qui est un élément métallique en forme de U. Ce joint de dilatation est soudé au tout début à l'un des murs. Si nous parlons de partitions de fin, elles ne sont pas nécessaires dans ce cas.


Ensuite, pour fabriquer le chaudron de Kholmov, vous devez adhérer à l'algorithme d'actions suivant.


Étape 1. Découpez les parois latérales intérieures de l'appareil de chauffage en tôle. Si vous regardez les vidéos et les dessins, vous pouvez arriver à la conclusion que la hauteur de ces murs fluctue dans les 77 centimètres et la largeur est de 54,6 centimètres. Cependant, ce ne sont pas des rectangles ordinaires, car devant le coin inférieur, il devrait y avoir un rectangle vertical de 20,8x8 centimètres et du même côté, mais en haut, horizontal avec des dimensions de 38,7x3 centimètres. De plus, vous devez percer des trous sur ces côtés pour le déflecteur d'eau. Ils doivent être à 2 centimètres du haut et à 10,2 centimètres de l'arrière.
Étape 2. Ensuite, découpez les côtés avant / arrière. Les dimensions du premier doivent être de 40,3 x 56,2 centimètres et du second de 40,3 x 77 centimètres.
Étape 3. Souder tous les éléments décrits ci-dessus en une seule structure. Pour ce faire, utilisez le soudage par points. Cela combinera les détails en un tout, mais si nécessaire, vous pourrez ajuster leur emplacement.
Étape 4. Ensuite, vous devez souder une paire d'arcs métalliques. Le premier d'entre eux doit être en forme de U et le second - solide. Fixez le premier en bas de la structure soudée et le second en haut. Dans ce cas, il est important que l'angle entre ces éléments et les murs soit de 90 degrés. En ce qui concerne le cadre, vous pouvez le découper dans la même tôle, bien que vous puissiez également le souder à l'aide de bandes métalliques de 3 centimètres de large chacune.
Étape 5. Après cela, soudez soigneusement chacune des coutures.
Étape 6. Créez un autre cadre "P". Dans ce cas, ses dimensions doivent être telles qu'il puisse s'intégrer facilement à l'intérieur de l'unité. Installez ce cadre sur la cloison d'eau (la distance entre eux doit être de 9 centimètres).


Étape 7. Aux parties supérieures des rectangles faisant saillie à l'avant, souder horizontalement une bande de fer de 40,3 centimètres de long et 8 centimètres de large.
Étape 8. Découpez un trou rond d'un diamètre de 11,5 centimètres en haut de la face arrière.
Troisième étape. Nous construisons la partie extérieure
Maintenant, commencez à fabriquer les portes et les murs extérieurs de la chemise d'eau. La séquence d'actions dans ce cas devrait être la suivante.


Étape 1. Découpez les murs extérieurs en tôle sous la forme de rectangles réguliers. Les dimensions de la face avant doivent être de 46,3x56,2 centimètres, les dimensions latérales - 57,6x77 centimètres et celle du dos - 46,3x77 centimètres.
Étape 2. Découpez une paire de trous ronds dans la paroi avant pour compenser (ces trous peuvent également être en forme de losange) d'un diamètre de 1 centimètre. Faites les trous sur une seule ligne verticale. Et dans le coin supérieur droit, faites un autre trou, cette fois d'un diamètre de 1,5 cm. Ce trou est nécessaire pour le thermomètre.
Étape 3. Faites également des trous dans le mur du fond. Cela devrait être une paire de compensation et 3 autres auxiliaires (pour la cheminée, alimentation en fluide de travail d'un diamètre de 4 centimètres et sous une vanne de vidange d'un diamètre de 1,5 centimètres).
Étape 4. Nous continuons à construire la chaudière de Kholmov. Maintenant, 4 trous doivent être faits dans les parois latérales pour compenser. Dans le même temps, la première paire sur les murs doit être située au ras du joint de dilatation de la chemise, puis une barre de fer devra être insérée et soudée ici. Percez quelques trous dans la paroi gauche - 4 centimètres de diamètre (pour éliminer le fluide de travail) et 2 centimètres (pour le thermostat).
Étape 5. Réalisez des joints de dilatation en forme de lettre "P" à raison de dix exemplaires Les dimensions doivent être de 3x4x4 centimètres (hauteur, largeur et longueur, respectivement).
Étape 6. Souder ces joints de dilatation aux trous correspondants dans les murs extérieurs.
Étape 7. Souder tous les murs extérieurs vers l'intérieur.
Étape 8. Souder sur la cheminée et les tuyaux.


Étape 9. Souder quatre boulons sur le dessus de la structure. Ils doivent être situés autour du périmètre de la chambre d'échange de chaleur.
Étape 10. Vérifiez la structure pour des fuites. Prenez des bouchons pour cela et placez-les sur chacune des buses, puis versez du liquide dans l'appareil. Augmentez la lecture de la pression à environ 2,2 bar. La pression de service standard pour le dispositif décrit sera de 1,5 bar. Si vous trouvez des fuites, assurez-vous de les souder.
Étape 11. À la fin, soudez le fond.


Quatrième étape. Nous fabriquons des seuils, des portes et des grilles
Quant à l'écrou, il s'agit d'un couvercle rectangulaire avec un certain nombre de trous et de butoirs. Les dimensions de cet élément doivent être de 5,5x16x40 centimètres, et l'algorithme pour le fabriquer est donné ci-dessous.


Étape 1.
Prenez d'abord la tôle.
Étape 2.
Ensuite, dans chacun des coins de la feuille, découpez un trou de forme carrée avec une taille de côté de 5,5 centimètres.
Étape 3.
Repliez les côtés.
Étape 4.
Soudez soigneusement les joints.


Étape 5.
Faites 14 trous le long de l'un des côtés de 40 centimètres.
Vidéo - Auto-fabrication d'une chaudière de mine
Noter! Tournez l'écrou à l'envers, placez-le dans le corps de sorte qu'il soit situé sous le déflecteur d'eau en bas. L'espace doit être d'environ 3,5 centimètres.
Les dimensions de la grille, conformément aux dessins sur Internet, doivent être de 20x40 centimètres, bien que les trous en bas dans ce cas devraient déjà être longitudinaux. Réalisez la partie principale de la porte de la même manière que le seuil, puis percez un trou de 8x19 centimètres dans la partie supérieure. Il est important que l'ouverture soit fermée par un couvercle à rabat avec des rideaux soudés sur l'ouverture formée.


Couvrir la porte autour du périmètre avec un cordon d'amiante, en utilisant un scellant résistant à la chaleur.Souder d'un côté les oreilles pour les charnières et de l'autre - une bande de fer avec une fente au centre. Une poignée spéciale rentrera juste dans cette fente.


Au final, il ne reste plus qu'à réaliser les toits des chambres de combustion / d'échange thermique en utilisant la même technologie que la partie principale des portes. C'est tout, comme vous pouvez le voir, la chaudière Kholmov a une conception assez simple, il est donc tout à fait possible de faire face à la fabrication par vous-même. Bonne chance avec ton travail!
Meilleures chaudières de mine
Les SC de type pyrolyse sont aujourd'hui en demande parmi la population vivant dans des maisons à un ou deux étages, car ils ont prouvé leur efficacité et leur facilité d'utilisation.


Le marché a rapidement réagi aux demandes des acheteurs et a été rempli d'une grande variété d'unités de fabricants nationaux et étrangers.
Dans les évaluations des achats en ligne en 2020, la plus grande demande concerne les unités avec une durée de vie de plus de 20 ans et des surfaces chauffantes innovantes.
Principales caractéristiques des chaudières minières.
| Indicateurs | Pyrolyse 43 Kp-10 | Heiztechnik (12 kW | Wirbel ECO CK Plus 25 |
| Prix | 67100 RUB | RUB 215760 | 277 845 RUB |
| Modèle | 66694 | 90128 | 80023 |
| Fabricant | Pyrolyse 43 | Heiztechnik | Wirbel |
| Brève description | La durée du travail sur 1 onglet peut aller jusqu'à 10 heures. Efficacité 85% à 90%. Intensité énergétique, faible consommation de carburant. Maintien automatique de la température de chauffage. | Puissance 12 kW, nouvelle UE, technologie innovante. Installation de chauffage respectueuse de l'environnement avec un brûleur auto-allumeur amélioré et un système d'auto-nettoyage. Efficacité - 91%, température de chauffage - 85 C. | Unité universelle pour combustibles liquides et solides. La plage du milieu chauffé est de 40/90 С, le rendement pour le combustible solide est de 85%, pour le combustible liquide - 90% |
| Puissance, kWt: | 10 | 12 | 25 |
| Poids (kg | 210 | 350 | 271 |
| Dimensions (HxLxP), mm | 1 070 x 500 x 800 | 1 370 x 1 150 x 550 | 1 260 x 915 x 1070 |
| Diamètre de la cheminée, mm | 160 | 150 | 160 |
| Pays producteur | Russie | Pologne | Allemagne |
Ainsi, pour résumer la ligne, on peut faire valoir que les chaudières à arbre sont des dispositifs efficaces avec une faible consommation de carburant spécifique. De telles unités sont aujourd'hui utilisées pour le chauffage individuel des habitations et du public, réduisant considérablement les coûts de chauffage des propriétaires.
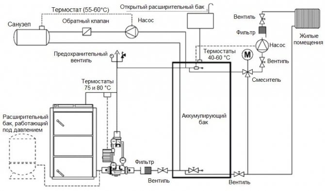
Caractéristiques de l'appareil et de la conception de la chaudière Kholmov
La chaudière de Kholmov signifie une construction de type puits. Cela signifie que le compartiment de combustion, ainsi que le compartiment avec l'échangeur de chaleur, sont situés verticalement dans ce cas. Ce type de chaudières à combustible solide fonctionne, qui peut également être du bois de chauffage. La puissance des modèles industriels, qui peuvent être achetés dans des points de vente spécialisés, est de 10, 12 et 25 kilowatts. Si le compartiment à carburant est complètement chargé, il peut fournir un chauffage continu d'une pièce de taille moyenne dans les 12 à 16 heures.
Toutes les chaudières Kholmov peuvent être de deux types:
- volatil;
- non volatile.
Et maintenant, nous allons examiner de plus près la structure interne du chauffage décrit. Ainsi, il comprend les éléments structurels suivants:
- corps;
- thermostat;
- mine de carburant;
- entrée / sortie nécessaire pour l'entrée, la sortie et la purge, l'installation d'un groupe de sécurité ou de soupapes de sécurité;
- la chambre dans laquelle se trouve l'échangeur de chaleur;
- un tuyau de dérivation pour connecter une cheminée;
- grilles de grille;
- joints de dilatation thermique;
- des portes;
- bac à cendres.


Comme on peut le voir, il n'y a pas beaucoup d'éléments. En ce qui concerne le poids, par exemple, une chaudière d'une capacité de 12 kilowatts pèse environ 255 kilogrammes. Les dimensions standard sont les suivantes (HxLxL): 124x48,5x66 centimètres. Pour cette raison, vous n'aurez aucune difficulté à amener une telle chaudière, par exemple, dans une porte. Les modèles, dont la puissance est de 10 kilowatts, diffèrent peu de ceux décrits ci-dessus (tant en termes de paramètres que d'apparence), la principale différence réside dans la conception interne.
Les portes supérieures de l'appareil sont doubles et à l'intérieur se trouve un matériau d'isolation thermique (en fait, à cause de cela, elles ne chauffent pas au-dessus de 80 degrés). Les portes sont recouvertes d'un joint en amiante le long des bords et une peinture spéciale résistante à la chaleur est utilisée pour la peinture.Il y a 4 vis à dégagement rapide pour fermer le couvercle arrière, le reste est fermé au moyen de verrous spéciaux. De plus, la porte inférieure du compartiment à cendres n'est recouverte d'un matériau d'isolation thermique qu'à 40%, mais sa température, en règle générale, ne dépasse pas 90 degrés, car l'élément est refroidi par des courants d'air permanents.


Une information important! Le fond de la chambre n'est pas la partie la plus basse de l'appareil de chauffage. Ce dernier est une plaque spéciale avec une paire de longues pattes et un isolant thermique situé à l'intérieur.
Grâce à tout cela, la chaudière Kholmov a reçu non seulement un rendement suffisamment élevé, mais également un degré de sécurité incendie suffisant. En conséquence, l'appareil peut facilement être installé même sur un sol en bois.


Si nous considérons spécifiquement les modèles non volatils du chauffage Kholmov, ils sont en outre équipés d'un ventilateur ou d'un extracteur de fumée, ainsi que d'un contrôleur spécial conçu pour contrôler le processus. Cependant, les plus populaires sont les appareils non volatils. Le processus de travail en eux est régulé au moyen d'un thermostat spécial, situé sur la paroi avant. Ce thermostat est enchaîné à une petite porte de soufflante.


La porte elle-même est conçue pour fournir de l'air à l'intérieur de la chaudière, ce qui est nécessaire pour maintenir le processus de combustion du carburant. Situé sur la grande porte à cendres. Il ne se ferme jamais complètement, car il doit y avoir un dégagement spécial requis pour un passage minimum des masses d'air.
En haut de la partie arrière, il y a un tuyau de dérivation et, à son tour, une cheminée est connectée. Cet élément, en passant, est destiné à créer une traction naturelle. En conséquence, l'air est fourni à l'appareil par la porte du ventilateur. Derrière une paire de grilles en fonte (qui, soit dit en passant, sont amovibles), il y a une grille auxiliaire soudée, également appelée bosses, car elle est située au-dessus de quelques autres.


Une boîte à cendres est située sous la grille (les cendres s'y accumulent). Si la porte est ouverte, ce tiroir peut être facilement retiré pour un nettoyage ultérieur. Le fluide de travail est drainé par un tuyau spécial d'un demi-pouce situé au bas de la chaudière. Un élément similaire est disponible pour le tube fusible ou le groupe de sécurité. Les produits pour l'entrée et le «retour» sont de plus grande taille, le tuyau de retour est situé en bas et la sortie est en haut.
Une information important! Afin d'éviter l'expansion de l'appareil de chauffage aux dimensions critiques et la divergence des joints, des joints de dilatation sont présents dans l'appareil.
Ces derniers sont disponibles autour du périmètre de la chaudière. De plus, ils sont dans le corps - ils sont fabriqués sous la forme de cloisons / tiges. La distance entre les cloisons est de 24 cm. Quant à l'échangeur de chaleur, de tels joints de dilatation ne sont pas prévus par la conception, car les dimensions de cet élément lui permettent de conserver sa propre forme.
Vidéo - Comment est aménagée la chaudière Kholmov d'une capacité de 25 kilowatts
Choisir le bon design
Avant d'envisager différentes options pour les unités de chauffage au bois et au charbon, nous proposons de clarifier la question de savoir d'où vient la durée de combustion en tant que telle. Grâce aux efforts des vendeurs et des annonceurs, la plupart des utilisateurs estiment que cela est facilité par le mode de combustion lente de la chaudière, dans lequel le bois brûle très lentement.


Dans la vraie vie, vous ne pourrez pas faire fonctionner en permanence un générateur de chaleur en mode combustion lente et voici pourquoi:
- à basse température dans la chambre, le rendement de la combustion des combustibles solides diminue (le rendement de l'installation diminue de 75 à 60%);
- seul le bois sec couve bien et le bois humide commencera à s'estomper si vous n'ouvrez pas l'arrivée d'air;
- l'unité ne fournira tout simplement pas la quantité d'énergie thermique nécessaire pour chauffer la maison.
En fait, les commerciaux sont rusés ou eux-mêmes ne comprennent pas de quoi ils parlent. Les vraies chaudières à combustible solide pour une combustion longue ont un volume accru de foyer. Plus il y a de bois de chauffage, plus il brûle longtemps et dégage efficacement de la chaleur. Concrètement, en chiffres, cela s'exprime comme suit: le volume du four d'une unité conventionnelle d'une capacité de 20-22 kW ne dépasse pas 65 litres, et la durée de fonctionnement est de 6 heures. générateur de chaleur brûlant avec une chambre de combustion pour 80-100 litres, qui ne fonctionnera pas à partir d'un signet de bois moins de 7 à 8 heures, et de charbon - jusqu'à 1 jour.
Référence. Voici quelques exemples de chaudières fabriquées en usine répondant à cette exigence (illustrées ci-dessus sur la photo). Il s'agit de Viessmann Vitoligno 100-S VL1A024–25 kW (volume 100 l), Atmos C 20S (20 kW - 100 litres) et, bien sûr, Stropuva avec une chambre géante de 260 l (c'est le secret de la combustion longue). Cela inclut également les unités modernes sur pellets, dont l'alimentation en carburant dans le bunker vous permet de chauffer en continu jusqu'à 7 jours.
Maintenant, nous listons les types populaires de chaudières maison:
- traditionnel avec combustion directe de combustible solide;
- combustion supérieure, réalisée selon les dessins des appareils de chauffage Stropuv et des poêles Bubafon;
- modèles de générateurs de gaz, un nom plus familier est la pyrolyse;
- unités de type mine.
Nous avons parlé de la façon de fabriquer un générateur de chaleur à pyrolyse de nos propres mains plus tôt dans le manuel correspondant, nous ne le considérerons donc pas à nouveau. Quant à la chaudière de la mine représentée sur le schéma, son montage et son fonctionnement sont associés à quelques difficultés. Le produit est plutôt volumineux et gourmand en matériaux; de plus, un échangeur de chaleur tubulaire surdimensionné se colmate rapidement de suie lors de l'utilisation de bois humide.
Dessins d'une chaudière sous pression classique
Vous demandez - pourquoi la pressurisation forcée? Ceci est nécessaire pour éviter le fameux régime de combustion lente et pour brûler des combustibles solides de manière économique. Le principe de fonctionnement est le suivant:
- Le bois de chauffage (ou charbon) est chargé jusqu'en haut dans une chambre de combustion d'un volume de 112 dm³ et allumé. Après cela, toutes les portes sont fermées hermétiquement et les automatismes sont mis en marche, commençant le soufflage d'air par le ventilateur.
- Après avoir atteint la température de consigne du liquide de refroidissement, le contrôleur arrête le ventilateur et la chaudière passe en mode veille. Une faible quantité d'air entre par le canal, fermé par le volet gravitationnel, de sorte que le carburant ne sort pas.
- Lorsque le capteur de température détecte le refroidissement du liquide de refroidissement dans le réservoir de la chaudière, l'automatisme rallumera le ventilateur et le cycle se répétera.


Noter. L'ensemble d'automatisation peu coûteux utilisé dans cette chaudière, illustré sur la photo, vous permet d'organiser l'injection d'air selon plusieurs modes d'intensité pour le bois et le charbon de qualité et d'humidité différentes.
La chaudière à combustible solide pour combustion longue du type universel charbon / bois de chauffage présentée ci-dessous dans le dessin présente les paramètres techniques suivants, qui ont été testés dans la pratique:
- puissance thermique nominale - 22 kW;
- efficacité - 77% (réel);
- pression de service maximale - 3 bar, tests - 4 bar;
- la profondeur de la chambre de combustion - 460 mm, la taille de l'ouverture pour la pose de bois de chauffage - 36 x 25 cm;
- volume de la chambre - 112 litres;
- temps de combustion sur bois - au moins 8 heures, en moyenne - 10 heures, sur charbon - 1 jour.
Le dispositif du générateur de chaleur à bois est assez simple: la chambre de combustion, allongée en hauteur, est équipée de grilles en bas, et en haut d'un échangeur de chaleur de 4 tuyaux placé à l'intérieur du réservoir.
L'air est injecté dans la chambre à cendres par un canal à partir d'un profil de 60 x 40 mm, chauffé par la paroi arrière de la chambre de combustion. Le ventilateur et l'unité d'automatisation sont installés par le haut, ce qui les protège de la poussière et de la saleté.Tous les détails de conception sont indiqués dans les dessins, que vous pouvez utiliser comme base pour l'autoproduction.
Option de chauffage à combustion supérieure
Les chaudières à eau chaude à combustion longue maison, où la combustion du carburant est organisée de haut en bas, sont fabriquées selon le type de poêle Bubafonya bien connu, dont nous avons donné la description et la fabrication de nos propres mains. Le générateur de chaleur est le même poêle, équipé uniquement d'une chemise d'eau, comme indiqué sur le dessin.
Un point important. Le principe de fonctionnement du réchauffeur est considéré comme relativement nouveau et consiste dans le fait que l'air est fourni au réseau de combustible par le haut, à travers un tuyau avec un disque de métal lourd à l'extrémité. La zone de combustion est également en haut, et le bois, en brûlant, s'affaisse sous le poids de la charge. En règle générale, le flux d'air se déplace naturellement en raison du tirage de la cheminée, bien qu'une alimentation forcée puisse être organisée si vous le souhaitez.
À en juger par les critiques des utilisateurs réels sur les forums thématiques, ces chaudières à combustible solide à combustion longue n'ont pas très bien fonctionné. Il existe plusieurs raisons:
- l'unité est inférieure en efficacité aux modèles classiques, car la zone de combustion intensive est située dans le même plan;
- le corps rond du radiateur complique la fabrication à la maison, mais il ne peut pas être fait carré;
- jusqu'à ce que toute la partie précédente ait brûlé, il est techniquement difficile de jeter du bois de chauffage frais;
- Comme Bubafonu, le générateur de chaleur à bois à combustion par le haut n'est pas facile à éteindre si nécessaire.
Des caractéristiques plus intéressantes des chaudières cylindriques seront révélées par un expert en chauffage dans sa vidéo:
Dispositif de chaudière
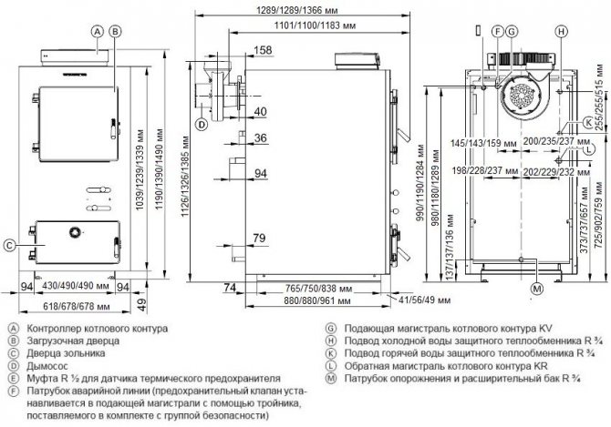
L'unité de chauffage de Kholmov a une structure minière. Ces chaudières sont divisées en deux types:
- dépend de l'énergie électrique;
- travailler sans être connecté au réseau électrique.
Toutes les chaudières Kholmov ont une conception, qui se compose des éléments suivants:
- étui métallique;
- deux chambres - un carburant et un arbre avec un échangeur de chaleur;
- thermostat;
- barres de grille;
- le tuyau de dérivation auquel la cheminée est connectée;
- compensateurs de dilatation thermique;
- entrées et sorties pour vidange, alimentation et sorties et installation d'une soupape de sécurité;
- des portes;
- plateau coulissant pour la collecte des cendres.
Les portes des unités sont constituées de deux feuilles de métal, entre lesquelles une couche de matériau isolant thermique est posée. Leurs bords le long du contour sont recouverts d'un scellant à l'amiante résistant à la chaleur. Cette conception permet aux portes de ne pas chauffer trop - la température maximale de leur chauffage atteint 80 degrés.
Les couvercles sont sécurisés avec des verrous spéciaux, seul le panneau arrière est fixé avec des vis amovibles. La porte à cendres est refroidie par des courants d'air continus, elle contient donc moins de 50% d'isolation thermique.


Sur la photo, la chaudière de Kholmov avec un bunker agrandi
Le fond de l'unité est une plaque spéciale recouverte d'un matériau qui réduit le transfert de chaleur. Il y a une caméra en haut et deux longues pattes stables en bas.
Les conceptions volatiles des chaudières Kholmov sont équipées d'un ventilateur et d'un dispositif qui contrôle le processus. Les unités qui fonctionnent indépendamment de l'électricité ont un thermostat sur la paroi avant, à l'aide duquel le transfert de chaleur des équipements de chauffage est automatiquement ajusté. L'appareil est connecté à la porte du ventilateur avec une chaîne spéciale. Le bac à cendres est situé juste sous le char. Lorsque la porte est ouverte, le bac à cendres peut être facilement retiré. Au bas de la chaudière, il y a un tuyau pour vidanger le fluide de travail. Les robinets d'entrée sont situés en haut et les tuyaux de retour en bas.
Les compensateurs de dilatation sont situés autour du périmètre de l'unité, et également sous la forme de tiges et de cloisons sont situés dans le corps lui-même. Ils protègent le boîtier contre l'augmentation des volumes critiques pendant le préchauffage. Grâce à cela, l'échangeur de chaleur n'est pas non plus déformé.Les murs de séparation sont espacés de 24 centimètres.
Fonctionnement de la chaudière
Différents types de combustibles peuvent être utilisés pour de telles chaudières:
- Charbon;
- Charbon marron;
- Anthracite;
- Granulés et briquettes de bois;
- Bois de chauffage;
- Ardoises avec tourbe.
Les matériaux en bois se caractérisent par un rendement élevé en éléments volatils lors de la combustion. Le type de combustible le plus populaire pour de telles structures est le charbon. Le schiste bitumineux a une teneur en cendres très élevée; par conséquent, il est rarement utilisé dans les appareils de chauffage.


La chaudière est très simple à utiliser. Tout d'abord, il est nécessaire de charger du carburant dans la chambre, et de le faire le plus étroitement possible, sans laisser de grands espaces, car la durée de la combustion en dépend. Si vous utilisez du charbon, il est à noter qu'il est interdit de le reconstituer en brûlant. Dans le cas du bois de chauffage, vous pouvez les jeter, mais n'ouvrez pas les portes en grand pour ne pas vous brûler.
Il n'y a pas d'exigences particulières en matière d'humidité, mais il est toujours préférable d'utiliser des matériaux secs, ils ont une meilleure qualité lors de la combustion. Lorsque vous utilisez de la tourbe et du charbon, assurez-vous d'utiliser un collecteur de débit d'air.
Matériaux (modifier)
Pour fabriquer une chaudière à pyrolyse de type mine, vous devez vous approvisionner en:
- Tôle d'acier doublée. Épaisseur 3-5 mm. Cela ne vaut pas la peine d'utiliser un autre acier, car la pyrolyse s'accompagne d'une température élevée et l'alliage habituel brûle rapidement.
- Tôle d'acier avec épaisseur 1-2 mm.
- Briques en argile réfractaire.
- Tuyaux avec un diamètre 13,5 et 2,5 cm.
- Angles avec des dimensions de 4 x 4 cm Une alternative peut être un tube profilé avec les mêmes dimensions.
- Double porte à cendres. Il est souhaitable qu'il ait un joint en amiante. Il doit obligatoirement disposer d'un registre pour réguler l'alimentation en air.
- Une porte pour nettoyer la chambre d'échange thermique.
- Vannes. 3 pièces. L'un est destiné à la cheminée, le second sera installé sur la cloison entre les chambres, le troisième est nécessaire pour réguler l'alimentation en air de la chambre de combustion.
- Laine de basalte.
- Feuille galvanisée.
Avant d'acheter des matériaux, vous devez calculer la puissance minimale d'une chaudière de mine à combustion longue et dessiner ou trouver un dessin de l'appareil dans des sources ouvertes.
Dessins de la chaudière à combustion longue Kholmov
Les excellentes caractéristiques techniques de la chaudière à combustible solide Kholmov et sa conception simple ont contribué au fait que divers dessins et schémas sont apparus, qui indiquent comment fabriquer correctement une unité de ce type vous-même.
Cependant, il est presque irréaliste de réaliser pleinement et efficacement une telle chaudière à la maison. De plus, le travail peut entraîner des accidents. La sécurité ne peut être garantie que par des chaudières de chauffage fabriquées en usine et possédant des certificats.
Selon les avis des utilisateurs, les chaudières à combustible solide de type mine de toute la gamme d'appareils de chauffage sont les plus pratiques, les plus efficaces et les plus faciles à entretenir. Leur prix est relativement bas et la présence d'éléments et de mécanismes complexes dans la conception est minimisée. Pour ceux qui souhaitent disposer d'un chauffage autonome, les chaudières Kholmov offriront beaucoup de temps libre et un niveau de confort suffisant.
À propos du service MosCatalogue.net
MosCatalogue.net est un service qui vous offre la possibilité de télécharger rapidement, gratuitement et sans inscription des vidéos de YouTube en haute qualité. Vous pouvez télécharger des vidéos aux formats MP4 et 3GP, et vous pouvez également télécharger tout type de vidéo.
Recherchez, regardez, téléchargez des vidéos - le tout gratuitement et à grande vitesse. Vous pouvez même trouver des films et les télécharger. Les résultats de la recherche peuvent être triés, ce qui facilite la recherche de la vidéo souhaitée.
Vous pouvez télécharger gratuitement des films, des clips, des épisodes, des bandes-annonces et vous n'avez pas besoin de visiter le site Youtube lui-même.
Téléchargez et regardez un océan de vidéos sans fin en haute qualité. Tout est gratuit et sans inscription!
Avantages et caractéristiques des structures à combustion longue
Les analogues prenant en charge la combustion à long terme diffèrent des chaudières ordinaires par la présence de deux chambres de travail à la fois. Dans le premier d'entre eux, le carburant directement incorporé est brûlé, et dans le second, les gaz libérés. L'approvisionnement en oxygène en temps opportun joue un rôle important. Un ventilateur conventionnel avec une automatisation simple peut être utilisé comme dispositif de soufflage d'air.


Les principaux éléments des chaudières à combustion longue
Parmi les avantages des unités, il convient de noter:
- le nombre minimum de remplissages de carburant;
- efficacité de travail élevée;
- l'utilisation de divers types de combustibles solides;
- une petite quantité de suie dans les tuyaux pendant le fonctionnement;
- fiabilité de la conception.


Le principe de fonctionnement du modèle moderne
Noter! Parmi les lacunes, il faut mentionner la complexité de l'autoproduction. Bien que lors de l'utilisation de dessins prêts à l'emploi de chaudières à combustible solide pour une combustion prolongée de vos propres mains, il est toujours possible de fabriquer une unité.
Fabrication d'une chaudière à combustible solide pour combustion longue: revues et algorithme d'actions
Avant de vous lancer, étudiez les avis et les conseils des vrais utilisateurs. Comme en témoignent leurs critiques, des équipements de ce type, avec la mise en œuvre correcte des technologies, peuvent être fabriqués par vous-même.
Pour créer une structure sans difficultés inutiles, des produits finis avec les paramètres nécessaires sont utiles. Un tuyau métallique d'un diamètre de 350 mm, d'une hauteur de 1,5 mètre et d'une épaisseur de paroi d'au moins 3 mm convient. Bien entendu, certaines autres tailles doivent être ajustées en conséquence.
Une découpe inférieure en tôle d'acier y est soudée. N'oubliez pas les jambes. Ils doivent supporter le poids d'une structure lourde sans dommage. Pour certaines entrées et sorties, des longueurs de tuyau de taille appropriée fonctionneront. Les attachements d'armature et d'attachement sont créés à partir des sections de canal.
La structure finie est nettoyée. Pour une protection contre la corrosion et de bonnes caractéristiques esthétiques, il est recouvert de couches d'apprêt sur le métal et la peinture. Les types de revêtements utilisés sont résistants aux températures élevées. Après avoir installé le treuil et d'autres périphériques supplémentaires, vérifiez les performances de tous les mécanismes et entraînements. La chaudière est reliée à des systèmes d'alimentation en air, d'alimentation en eau et de chauffage, une cheminée, un réseau électrique de 220 V. Effectuer un essai de fonctionnement et éliminer les défauts identifiés
Noter! Savez-vous comment fabriquer vous-même une chaudière à combustible solide pour brûler longtemps, mais vous doutez de la précision des opérations individuelles? Dans ce cas, la création de soudures et autres actions complexes doit être étudiée au préalable. Cet équipement doit être fiable pendant le fonctionnement, il est donc préférable d'exclure les risques inutiles.



























