Choisir une méthode de chauffage
Une maison privée, un chalet suppose toujours un chauffage autonome. Son choix dépend de nombreux facteurs:
- la présence de conduites de gaz et électriques;
- souhaits du propriétaire du gîte.
Le type de chauffage que le propriétaire préfèrera est ses capacités et son goût:
- pour installer un poêle ou une cheminée dans une maison, vous devrez consulter un spécialiste et un maître dans la pose de ces appareils pour chauffer une maison;
- le chauffage de l'eau à la maison nécessitera des générateurs de chaleur tels que des chaudières, des chauffe-eau fonctionnant au gaz, des combustibles liquides et solides, de l'électricité.
L'utilisation du gaz comme carburant est une procédure très longue et coûteuse.
L'électricité est une option très pratique pour chauffer votre maison. L'installation de l'équipement électrique et sa connexion au câblage du système de chauffage ne prendront pas beaucoup de temps. Les tarifs de chauffage pour les implantations en dehors de la ville sont assez bas. L'avantage des appareils électriques est que, étant un appareil simple, ils impliquent la possibilité d'une automatisation complète de l'appareil pour créer le microclimat sain nécessaire dans la pièce.
Le choix d'un appareil de chauffage est un problème important. Pour chaque propriétaire de maison, il est souhaitable que cet appareil soit fiable, sûr, facile à utiliser et à entretenir et qu'il serve pendant de nombreuses années sans accident.
Pour augmenter le confort et la fiabilité, les chaudières électriques peuvent être équipées d'une pompe, d'un réservoir pour recevoir le liquide chauffé, d'une soupape de surpression et d'un circuit de commande automatique.
Parmi les appareils les plus simples mais les plus fiables, la chaudière électrique Evan se démarque. Les caractéristiques et le coût de l'appareil conviendront à de nombreux propriétaires.
Chaudières électriques EVAN
Catalogue par fabricants »
Evan, N.-Novgorod "
Chaudières électriques
(216 Ko)
CHAUDIÈRE DE CHAUFFAGE ÉLECTRIQUE EPO
- Gamme de modèles avec une plage de puissance de 2,5 à 30 kW
- Éléments chauffants en acier inoxydable
- Régulation en douceur de la température du caloporteur dans la plage de 30 à 85 ° С
- 1 ou 3 niveaux de puissance
- Bloc pour connecter le capteur de température de l'air / module GSM-Climate
- Protection contre la surchauffe - capteur de retour automatique d'urgence (température de réponse - 92 ± 3 ° С)
Fabricant: Evan Russie
La chaudière électrique EPO de la classe "Standard-Economy" est le modèle le plus économique de la gamme des appareils de chauffage EVAN, qui convient aussi bien à la maison qu'à la campagne. La réduction du prix de l'appareil de 20%, contrairement à la classe suivante «Standard», est obtenue grâce à l'absence d'un boîtier combinant la chaudière et le panneau de commande, tout en conservant toutes les caractéristiques et capacités de base.
La température requise de l'agent chauffant dans la chaudière est réglée par le thermostat intégré au moyen d'un réglage en douceur de 30 à 85 degrés. De plus, les chaudières ont la possibilité de connecter un thermostat externe, avec lequel vous pouvez réguler la température de l'air dans la pièce. En tant que thermostat externe, le module de commande à distance de la chaudière GSM-Climate peut être utilisé, ce qui vous permet de réguler la température dans la pièce à distance, de contrôler le fonctionnement de la chaudière et de surveiller son état de fonctionnement.
Pour assurer la sécurité, lors du chauffage à la température réglée du liquide de refroidissement, le thermostat éteint la chaudière et la rallume une fois que la température est descendue en dessous de la température réglée.Pour une protection supplémentaire contre la surchauffe, les appareils sont équipés d'un interrupteur thermique d'urgence à réarmement automatique qui, en cas de panne du thermostat principal, éteint la chaudière lorsque le liquide de refroidissement atteint une température de 92 degrés. Les éléments chauffants de la chaudière EPO, comme toutes les chaudières électriques EVAN sans exception, sont en acier inoxydable, ce qui augmente leur durée de vie.
Chaudières électriques. Classe «Standard-Economy»
| code de fournisseur | Modèle |
| 11003 | EPO-2.5 (220 V) |
| 11015 | EPO-4 |
| 11025 | EPO-6 |
| 11025 | EPO-7.5 220 |
| 11030 | EPO-7.5 380 |
| 11037 | EPO-9.45 220 |
| 11035 | EPO-9.45 380 |
| 11040 | EPO-12 |
| 11045 | EPO-15 |
| 11050 | EPO-18 |
| 11055 | EPO-24 |
| 11060 | EPO-30 |
CHAUDIÈRE DE CHAUFFAGE ÉLECTRIQUE EVAN C1
- Gamme de modèles avec une plage de puissance de 3 à 30 kW
- Éléments chauffants de bloc en acier inoxydable
- Régulation en douceur de la température du caloporteur dans la plage de 30 à 85 ° С
- Bloc de raccordement d'une pompe de circulation et d'un capteur de température d'air / module GSM-Climat
- Protection contre la surchauffe - capteur de retour automatique d'urgence (température de réponse - 92 ± 3 ° С)
- Efficacité - 93%
- Garantie - 18 mois
Fabricant: Evan Russie
La chaudière électrique EVAN C1 de la classe "Standard" est conçue pour chauffer les chalets d'été, les maisons privées, les petits commerces et les entrepôts. Il peut être utilisé à la fois comme source de chaleur principale et de secours.
La chaudière est un monobloc qui combine la chaudière et le panneau de commande dans un seul corps.
La température requise de l'agent chauffant dans la chaudière est réglée par le thermostat intégré au moyen d'un réglage en douceur de 30 à 85 degrés. De plus, il est possible de connecter un thermostat externe, avec lequel vous pouvez régler la température ambiante. En tant que thermostat externe, le module de commande à distance de la chaudière GSM-Climate peut être utilisé, ce qui vous permet de réguler la température dans la pièce à distance, de contrôler le fonctionnement de la chaudière et de surveiller son état de fonctionnement.
Pour assurer la sécurité, lors du chauffage à la température réglée du liquide de refroidissement, le thermostat éteint la chaudière et la rallume une fois que la température est descendue en dessous de la température réglée. Pour une protection supplémentaire contre la surchauffe, les appareils sont équipés d'un interrupteur thermique d'urgence à réarmement automatique qui, en cas de panne du thermostat principal, éteint la chaudière lorsque le liquide de refroidissement atteint une température de 92 degrés.
Les éléments chauffants de la chaudière EVAN C1, comme toutes les chaudières électriques EVAN sans exception, sont en acier inoxydable, ce qui augmente leur durée de vie. De plus, dans les chaudières EVAN C1, une conception en bloc d'un élément chauffant sur un raccord fileté est mise en œuvre, ce qui simplifie considérablement son remplacement.
Pour un fonctionnement dans des systèmes à circulation forcée, la chaudière électrique EVAN C1 dispose d'un bloc pour le raccordement d'une pompe de circulation.
| Chaudières électriques. Garantie de classe "Standard" 18 mois | |
| 11501 | EVAN C1 - 3 (220 V) |
| 11505 | EVAN C1 - 5 (220 V) |
| 11510 | EVAN C1 - 6 (220 V) |
| 11515/11520 | EVAN C1 - 7,5 (220/380 V) |
| 11525/11530 | EVAN C1 - 9 (220/380 V) |
| 11535 | EVAN C1 - 12 |
| 11540 | EVAN C1 - 15 |
| 11545 | EVAN C1 - 18 |
| 11550 | EVAN C1 - 24 |
| 11555 | EVAN C1 - 30 |
CHAUDIÈRE DE CHAUFFAGE ÉLECTRIQUE WARMOS
- Gamme de modèles avec une plage de puissance de 5 à 60 kW
- Éléments chauffants en acier inoxydable. Rotation de l'élément chauffant pour prolonger la durée de vie
- Possibilité de changement de puissance à deux ou trois étages
- Temporisation marche / arrêt des étapes de puissance
- Bloc de raccordement d'une pompe de circulation et d'un capteur de température d'air / module GSM-Climat
- Régulation en douceur de la température du caloporteur dans la plage de 30 à 85 ° С
- Protection contre la surchauffe - capteur de retour automatique d'urgence (température de réponse - 92 ± 3 ° С)
- Isolation thermique du boîtier
- Efficacité - 93%
- Garantie - 24 mois
Fabricant: Evan Russie
La chaudière de chauffage électrique WARMOS de la classe «Confort» a des caractéristiques de fonctionnement améliorées, permettant une utilisation plus optimale à la fois de la chaudière et de l'électricité consommée. Une large plage de puissance permet l'utilisation des chaudières WARMOS pour chauffer un appartement, un chalet, des installations sociales, des ménages, des commerces et même des locaux industriels de petites et moyennes entreprises.
L'économie de ressources est obtenue grâce à l'isolation thermique du corps de la chaudière, ce qui réduit les pertes de chaleur et, par conséquent, augmente la productivité. Les modèles Warmos ont une durée de vie accrue, obtenue grâce à la rotation des éléments chauffants - leur mise en marche alternée lorsque la chaudière fonctionne à puissance partielle.Les éléments chauffants de la chaudière WARMOS, comme toutes les chaudières électriques EVAN sans exception, sont en acier inoxydable.
L'efficacité énergétique de la chaudière est assurée par la possibilité d'un changement de puissance à deux ou trois étages, ainsi qu'une temporisation pour l'allumage/l'extinction des étages.
La température requise de l'agent de chauffage dans la chaudière est réglée par le thermostat intégré au moyen d'un réglage en douceur de 30 à 85 degrés. De plus, il est possible de connecter un thermostat externe, avec lequel il est possible de réguler la température de l'air dans la pièce. En tant que thermostat externe, le module de télécommande de chaudière GSM-Climat peut être utilisé, ce qui vous permet de réguler à distance la température de la pièce, de contrôler le fonctionnement de la chaudière et de surveiller son entretien.
Pour assurer la sécurité, lors du chauffage à la température réglée du liquide de refroidissement, le thermostat éteint la chaudière et la rallume une fois que la température est descendue en dessous de la température réglée. Pour une protection supplémentaire contre la surchauffe, les appareils sont équipés d'un interrupteur thermique d'urgence à réarmement automatique qui, en cas de défaillance du thermostat principal, éteint la chaudière lorsque le liquide de refroidissement atteint une température de 92 degrés.
Pour un fonctionnement dans des installations à circulation forcée, la chaudière électrique WARMOS dispose d'un bloc pour le raccordement d'une pompe de circulation.
| Chaudières électriques. Classe "Confort" avec un panneau de commande à trois niveaux Garantie 24 mois | |
| 12043 | Warmos-5 |
| 12046 | Warmos-7.5 (220) |
| 12047 | Warmos-7.5 (380) |
| 12057 | Warmos-9.45 |
| 12062 | Warmos-12 |
| 12067 | Warmos-15 |
| 12072 | Warmos-18 |
| 12077 | Warmos-24 |
| 12082 | Warmos-30 |
| 12123 | Warmos-36 |
| 12128 | Warmos-42 |
| 12133 | Warmos-48 |
| 12138 | Warmos-54 |
| 12143 | Warmos-60 |
CHAUDIÈRE DE CHAUFFAGE ÉLECTRIQUE WARMOS-RX
- Gamme de modèles avec une plage de puissance de 3,75 à 30 kW
- Éléments chauffants en acier inoxydable. Chauffage par étapes de l'élément chauffant pour prolonger la durée de vie
- Possibilité de limiter la charge surfacique spécifique des éléments chauffants - pour une utilisation en toute sécurité des caloporteurs antigel
- Changement de puissance en douceur en 5 étapes pour une efficacité énergétique accrue
- Pompe de circulation intégrée
- Stabilité en sous-tension jusqu'à 160 V
- Fonctionnement silencieux
- Régulation en douceur de la température du liquide de refroidissement dans la plage de 10 à 83 ° - avec une précision de 1 ° C
- Bloc de connexion capteur de température d'air / module GSM-Climat
- Protection contre la surchauffe - capteur de retour automatique d'urgence (température de réponse - 92 ± 3 ° )
- Surveillance de la pression dans le système de chauffage
- Protection contre les hautes (3 bar) et basses (0,7 bar) pression
- Protection contre la surchauffe des actionneurs de puissance
- Protection contre une connexion électrique erronée par le client
- Affichage intuitif affichant tous les paramètres de fonctionnement
- Isolation thermique du boitier
- Efficacité - 93%
- Garantie - 24 mois
Production : Russie
La chaudière de chauffage électrique Warmos-RX de la classe CONFORT est une nouveauté dans la gamme EVAN avec la plus haute efficacité énergétique. L'appareil est conçu pour chauffer des appartements, des maisons privées, des chalets, des petites et moyennes entreprises.
La chaudière est basée sur une approche fondamentalement différente de la conception. Le type de contrôle de la puissance de travail à sept étages offre un changement de puissance en douceur en 5 étapes, un fonctionnement silencieux, une utilisation sûre des liquides non gelés comme caloporteur. Les nouvelles solutions de circuit offrent une stabilité de fonctionnement à basse tension (à partir de 160 V) et haute (jusqu'à 260 V).
La température requise du liquide de refroidissement dans la chaudière est réglée par le thermostat intégré au moyen d'un réglage en douceur de 30 à 85 degrés avec une précision de 1 degré. De plus, il est possible de connecter un thermostat externe, avec lequel il est possible de réguler la température de l'air dans la pièce. En tant que thermostat externe, le module de télécommande de chaudière GSM-Climat peut être utilisé, ce qui vous permet de réguler à distance la température de la pièce, de contrôler le fonctionnement de la chaudière et de surveiller son entretien.
D'un point de vue sécurité, la chaudière Warmos-RX offre une protection contre la surchauffe, une protection contre les hautes et basses pressions, une protection contre la surchauffe des actionneurs de puissance, une protection contre les erreurs de branchement électrique. L'affichage intuitif de l'appareil affiche les paramètres de son fonctionnement. La chaudière est équipée d'une pompe de circulation intégrée.
| Chaudières électriques.Classe "Confort" avec pompe de circulation et contrôle électronique Garantie 24 mois | ||
| 12400 | Warmos RX-3.75 | |
| 12402 | Warmos RX-4.7 | |
| 12405 | Warmos RX-6.0 | |
| 12408 | Warmos RX-7.5 (220) | |
| 12409 | Warmos RX-7.5 (380) | |
| 12410 | Warmos RX-9.45 (220) | |
| 12415 | Warmos RX-9.45 (380) | |
| 12417 | Warmos RX-12.0 | |
| 12418 | Warmos RX-15.0 | |
| 12420 | Warmos RX-18.0 | |
| 12422 | Warmos RX-21 | |
| 12423 | Warmos RX-24.0 | |
| 12425 | Warmos RX-30.0 | |
CHAUDIÈRE DE CHAUFFAGE ÉLECTRIQUE WARMOS-M
- Gamme de modèles avec plage de puissance de 7,5 à 30 kW
- Éléments chauffants en acier inoxydable
- Rotation de l'élément chauffant pour prolonger la durée de vie
- Régulation en douceur de la température du caloporteur dans la plage de 30 à 85 °
- Possibilité de changement de puissance en trois étapes
- Temporisation marche/arrêt des étapes de puissance
- Mode de préchauffage rapide
- Bloc de connexion capteur de température d'air / module GSM-Climat
- Pompe de circulation intégrée
- Protection contre la surchauffe - capteur de retour automatique d'urgence (température de réponse - 92 ± 3 ° )
- Capteur de pression minimale, commutateur de débit
- Isolation thermique du boitier
- Efficacité - 93%
- Garantie - 24 mois
Production : Russie
La chaudière de chauffage électrique WARMOS-M de la classe "Confort" présente des caractéristiques de fonctionnement améliorées, ainsi qu'une configuration élargie. L'appareil est conçu pour chauffer des appartements, des maisons privées, des chalets, des petites et moyennes entreprises.
L'efficacité énergétique de l'appareil est obtenue grâce à l'isolation thermique du corps de la chaudière, ce qui réduit les pertes de chaleur. Le changement de puissance en deux ou trois étapes, ainsi qu'une temporisation pour les étapes d'allumage / extinction permettent une répartition plus flexible de la charge sur le réseau
La température requise de l'agent de chauffage dans la chaudière est réglée par le thermostat intégré au moyen d'un réglage en douceur de 30 à 85 degrés. De plus, il est possible de connecter un thermostat externe, avec lequel il est possible de réguler la température de l'air dans la pièce. En tant que thermostat externe, le module de télécommande de chaudière GSM-Climat peut être utilisé, ce qui vous permet de réguler à distance la température de la pièce, de contrôler le fonctionnement de la chaudière et de surveiller son entretien.
D'un point de vue sécurité, en plus des interrupteurs thermiques standards de protection contre la surchauffe, WARMOS-M dispose d'un capteur de pression qui signale une diminution de la pression de fonctionnement, ainsi qu'un interrupteur de débit qui surveille la présence de circulation de liquide de refroidissement dans le système de chauffage. En plus d'une sécurité renforcée, Warmos-M a une configuration élargie : l'appareil comprend une pompe de circulation - un élément essentiel du système de chauffage, ainsi qu'un thermomanomètre qui vous permet de surveiller visuellement la température et la pression.
Les modèles Warmos-M ont une durée de vie accrue, qui est obtenue grâce à la rotation des éléments chauffants - leur allumage alterné lorsque la chaudière fonctionne à puissance partielle. Les éléments chauffants de la chaudière WARMOS-M, comme toutes les chaudières électriques EVAN sans exception, sont en acier inoxydable.
| Chaudières électriques. Classe de confort avec pompe de circulation et panneau de commande à trois niveaux Garantie 24 mois | ||
| 12158/12153 | Warmos M-7.5 (220/380) | |
| 12163 | Warmos М-9.45 | |
| 12173 | Warmos M-12 | |
| 12178 | Warmos M-15 | |
| 12183 | Warmos M-18 | |
| 12188 | Warmos M-24 | |
| 12193 | Warmos M-30 | |
CHAUDIÈRE DE CHAUFFAGE ÉLECTRIQUE WARMOS-QX
- Gamme de modèles avec plage de puissance de 7,5 à 27 kW
- Éléments chauffants en acier inoxydable. Rotation de l'élément chauffant
- Pompe de circulation intégrée
- Vase d'expansion intégré d'un volume de 12 litres
- Régulateur de température d'air programmable inclus
- Consommation électrique pour un programme donné
- Possibilité de changement de puissance en trois étapes
- Temporisation marche/arrêt des étapes de puissance
- Régulation en douceur de la température de l'agent de chauffage dans la plage de 35 à 85 °
- Bloc de connexion capteur de température d'air / module GSM-Climat
- Protection contre la surchauffe - capteur de retour automatique d'urgence (température de réponse - 92 ± 3 ° )
- Protection contre les courts-circuits et les surcharges - disjoncteur
- Protection contre la surpression - soupape de sécurité
- Capteur de pression maximale et minimale, commutateur de débit
- Purgeur d'air automatique
- Autodiagnostic des défauts
- Isolation thermique du boitier
- Efficacité - 93%
- Garantie - 24 mois
Production : Russie
La chaudière électrique WARMOS-QX de classe "LUX" est une mini-chaufferie complète. ... L'appareil est conçu pour chauffer des appartements, des maisons privées, des chalets, des petites et moyennes entreprises.
En plus de l'équipement standard des autres chaudières, l'ensemble complet de l'appareil comprend un certain nombre d'éléments supplémentaires. Tout d'abord, il s'agit d'une pompe de circulation et d'un vase d'expansion. En outre, la conception de la chaudière prévoit des éléments de sécurité, qui sont équipés de tout système de chauffage fermé. Il s'agit d'une soupape de sécurité qui évacue la surpression, d'un purgeur d'air automatique, qui sert à éviter la formation de poches d'air qui perturbent la circulation du liquide de refroidissement. Et enfin, un disjoncteur est un appareil qui, en cas de court-circuit ou de surcharge, déconnecte la chaudière de l'alimentation électrique.
Du point de vue du confort d'utilisation, WARMOS-QX est la seule des chaudières EVAN, qui est équipée d'un programmateur qui vous permet de régler la température de l'air requise dans la pièce en fonction de l'heure et des jours de la semaine. De plus, le module de télécommande de chaudière GSM-Climate peut être utilisé comme thermostat externe, ce qui vous permet de réguler à distance la température de la pièce, de contrôler le fonctionnement de la chaudière et de surveiller son entretien.
Le système d'autodiagnostic mis en œuvre dans l'appareil augmente également le niveau de confort de fonctionnement de la chaudière. En cas de dysfonctionnement, la chaudière détermine elle-même ce qui est en panne et informe le propriétaire du code de dysfonctionnement. Connaître la cause du dysfonctionnement réduit considérablement le temps nécessaire à son élimination par le centre de service.
On peut dire que Warmos-QX est le chaudron de ceux qui préfèrent le meilleur.
| Chaudières électriques. Classe LUX. Garantie 24 mois | ||
| 12230 | WARMOS-QX - 7.5 | |
| 12235 | WARMOS-QX - 9 | |
| 12240 | WARMOS-QX - 12 | |
| 12245 | WARMOS-QX - 15 | |
| 12250 | WARMOS-QX - 18 | |
| 12255 | WARMOS-QX - 22,5 | |
| 12260 | WARMOS-QX - 27 | |
MODULE DE TÉLÉCOMMANDE CHAUDIÈRE CHAUFFAGE ÉLECTRIQUE GSM-CLIMATE
GSM-Climate est un appareil compact qui permet de contrôler à distance le climat et élève le confort à un niveau fondamentalement différent.
Production : Russie
- Possibilité de régler la température de l'air souhaitée dans la pièce
- Sélection du mode de température - mode de température fixe "Economy" ou "Confort", mode de programmation hebdomadaire "Schedule", mode de maintien de la température minimale de consigne "Off"
- Possibilité de contrôler le fonctionnement de la chaudière via commandes SMS, menu vocal ou Internet
- Notification des changements de température ambiante au-dessous ou au-dessus du seuil défini
- Alerte de défaillance du capteur de température
- Notification d'alarme de chaudière
- Surveillance de la température ambiante avec une période de 1 minute
- Fonctions d'alarme antivol
- Mémoire d'événements
- Garantie - 12 mois
| Unité de contrôle GSM | ||
| 112005 | Module GSM | |
Principes généraux de raccordement des chaudières électriques
Il n'est pas difficile de connecter un appareil de chauffage domestique, car les appareils peuvent être connectés au réseau à l'aide d'une prise électrique ordinaire, à condition que leur puissance ne dépasse pas 3,5 kW. Presque tous les appareils de chauffage électriques domestiques ont une puissance maximale d'environ 24 kW.
Evan, un fabricant bien connu de chaudières de chauffage électriques en Russie, a dans sa gamme d'appareils électriques dont la puissance est déterminée par la valeur de 240 kW.
Les appareils, dont la puissance est mesurée à partir de 7 kW, sont connectés à des lignes électriques de 380 volts. Dans les deux versions, les chaudières électriques doivent être raccordées individuellement à l'alimentation électrique.
L'entreprise d'Evan est spécialisée dans la production d'appareils électriques à bride unique (à l'exception des chaudières de classe professionnelle), utilisant un réservoir pour chauffer le liquide de refroidissement en acier allié, traité avec un composé anticorrosion spécial. L'épaisseur du récipient chauffant est de 3 mm. Les chaudières électriques de la classe Confort sont constituées d'un matériau spécial à haute isolation thermique et d'une épaisseur de paroi de 20 mm. La durée de fonctionnement d'un tel dispositif est calculée pour une durée d'au moins 30 ans.

Figure.1 modèles de chaudières électriques Evan
Tous les appareils électroménagers de l'entreprise ont des capacités différentes et sont conçus pour être connectés à des lignes électriques avec des caractéristiques de tension de 220 ou 380 volts.
Figure. 2 Modèle électrique simple bride
Caractéristiques de la connexion des chaudières électriques
Même pour un profane, le schéma de câblage d'une chaudière de chauffage électrique est clair, l'installation des appareils ne sera donc pas difficile. Afin de comprendre comment effectuer l'installation, vous devez savoir avec quels appareils vous allez travailler et à quoi ils servent.
Ainsi, lors de l'installation, vous devrez fixer la chaudière elle-même, divers régulateurs et un vase d'expansion au mur (ou au sol). Selon le but, un ou plusieurs circuits principaux sont fournis à la chaudière. De plus, selon le modèle, il peut être nécessaire d'installer une pompe de circulation et une installation de chaudière.
Avant de procéder à l'installation, vous devez vous familiariser avec un document tel que le schéma de câblage d'une chaudière de chauffage électrique, que le fabricant joint au paquet de documents de l'unité. Conformément à ce document, l'appareil est connecté à d'autres appareils du réseau de chauffage.
Il convient de garder à l'esprit que si la puissance de la chaudière ne dépasse pas 3,5 kW, elle peut être branchée sur une prise. Sinon, l'installation électrique s'effectue directement à partir de la boîte de jonction.
De plus, si la puissance de l'appareil dépasse 7 kW, il faudra utiliser un réseau triphasé de 380 V. Il est impératif que la chaudière soit protégée par un RCD et un interrupteur automatique.
N'oubliez pas de mettre le câblage à la terre.


Plus d'informations sur ce sujet sur notre site Web :
- Chaudières à gaz Proterm Medved 30 KLOM - caractéristiques techniques et caractéristiques Les chaudières de chauffage "Medved" du fabricant slovaque Protherm sont totalement indépendantes de l'électricité, la source d'énergie thermique est le gaz combustible. Proterm Medved 30 KLOM ...
- Chaudière électrique EVAN EPO ECONOM - bilan et retour d'expérience des propriétaires Ces chaudières électriques de la série ECONOM, produites, qui ont désormais cessé d'être indépendantes, et rachetées par la grande holding NIBE, sont assez ...
- Chaudière à combustible solide KChM 5 - caractéristiques techniques et avis Les chaudières KChM 5 sont produites par l'usine de Kirov, fondée au XVIIIe siècle. Au fil des années de fonctionnement, la chaudière s'est imposée comme un produit très fiable et ...
- Chaudière à gaz de chauffage Danko - les spécifications et les avis sont ukrainiens. En plus des chaudières à gaz, l'entreprise produit un certain nombre d'autres appareils de chauffage - combustibles solides et ...
Chaudières électriques sur éléments chauffants
En tant que convertisseur d'électricité en chaleur, la société utilise des dispositifs uniques pour ses chaudières, éléments chauffants. Ces structures sont en acier allié sous forme de tubes. La résistance de l'élément chauffant est calculée à 100 Mohm. Ce chiffre dépasse les exigences de sécurité des fabricants russes non seulement.
Pour les appareils de l'entreprise, seuls deux types de pannes sont possibles :
- destruction de l'élément chauffant interne de l'élément chauffant à la suite de l'épuisement de la spirale ;
- violation de l'intégrité de l'élément chauffant par une panne.
La survenue de ces dysfonctionnements est due à deux raisons :
- dépôt de sédiments solides sur les éléments chauffants, formé à la suite de la précipitation de sels de la dureté du liquide de refroidissement à la suite de son chauffage. Les sédiments recouvrant l'élément chauffant empêchent l'évacuation de la chaleur de l'élément chauffant, ce qui provoque sa combustion ;
- les chutes de tension dans le réseau peuvent entraîner la destruction de l'intégrité de l'appareil de chauffage ;
- l'évaporation de l'eau entraîne une surchauffe et, par conséquent, l'élément chauffant brûle;
- chaudière de chauffage électrique Evan, qui utilise des éléments chauffants dans sa conception, perd en taille et en poids.


Figure. 3 Schéma de chaudière utilisant des éléments chauffants
Particularités des chaudières de l'entreprise
Cet appareil de chauffage peut chauffer une zone très solide, il est très facile à utiliser et a des performances élevées. De telles épithètes peuvent être utilisées pour décrire la chaudière de chauffage électrique appartenant à la marque Evan. Il convient de noter que le schéma de connexion et l'installation ne sont pas particulièrement difficiles.
Tout ici est très simple et accessible.
Sa conception est un réservoir, un élément chauffant, un système d'automatisation électronique. Dans le même temps, seule l'électricité est nécessaire pour son fonctionnement, qui au cours du fonctionnement de l'appareil se transforme en chaleur. Ce n'est qu'une petite fraction des avantages des appareils de la série Evan, en fait, il y en a beaucoup plus.
Ils possèdent:
- La capacité de créer un système autonome
- Facile à gérer et à entretenir
- Niveau sonore minimal
- Économies d'énergie importantes en présence de programmateurs dans l'appareil
- Contrôle de la température en continu


Pour mieux comprendre le principe de fonctionnement de ces appareils et connaître leurs caractéristiques, considérons l'un des modèles - la chaudière électrique Evan EPO 4. Elle peut être utilisée pour chauffer de petites zones résidentielles. Il a 1 classe de protection contre le courant électrique, il est connecté à un réseau monophasé.
Sa principale différence par rapport aux produits similaires d'autres fabricants est de s'équiper d'un interrupteur thermique d'urgence, de trois panneaux de commande et d'une automatisation complète à un coût assez bas.
La chaudière électrique peut être fixée au mur, ce qui la rend indispensable pour les petits espaces. Un autre avantage est la possibilité d'utiliser non seulement de l'eau comme caloporteur, mais également d'autres fluides spéciaux.
La chaudière électrique Evan EPO 6 diffère du modèle précédent par de petites améliorations, à savoir la possibilité de la compléter avec une sonde de température ambiante supplémentaire et, par conséquent, un prix plus élevé.
L'appareil électrique d'Evan
Caractéristiques distinctives de la chaudière électrique Evan: petites dimensions, installation dans n'importe quel endroit pratique pour son installation, automatisation complète qui ne nécessite pas de surveillance constante. Après avoir terminé l'installation de l'appareil et l'avoir connecté au système de chauffage, son branchement au réseau électrique termine tous les travaux préparatoires.
De par sa facilité d'installation et d'entretien, la chaudière électrique Evan est largement utilisée pour chauffer des pièces de 25 à 4 800 m2. Ceux-ci peuvent être des bâtiments de campagne, des maisons privées, des chalets, des garages, des locaux industriels.
Un radiateur électrique de la marque Evan possède un appareil standard : un échangeur de chaleur avec élément chauffant intégré, dont le matériau est l'acier inoxydable. À l'aide du thermostat de contrôle sur le panneau de commande, vous pouvez modifier la température du liquide de refroidissement dans la plage de 30 ° C à 85 ° C.
Le choix des modèles de chaudières de chauffage de cette marque est représenté par une gamme d'appareils fabriqués par JSC "Evan". Il s'agit de structures de chauffage électrique de classes telles que Economy, Standard, Comfort, Professional, Suite.
Chacun de ces appareils a ses propres propriétés uniques, grâce auxquelles ils sont très populaires :
- chaudière de chauffage électrique Evan de la classe "économique", est un appareil de chauffage de locaux dont la superficie ne dépasse pas 300 m2. L'élément chauffant intégré dans le boîtier métallique est contrôlé depuis le panneau de la télécommande, placé sur la partie extérieure du boîtier de l'appareil. le dispositif est équipé de buses pour l'alimentation en liquide de refroidissement. La capacité de la chaudière est d'environ 9,45 kW. Le travail est effectué en connectant l'appareil au réseau.
- Le dispositif de chauffage le plus simple est équipé d'une unité de commande, qui est fixée au réservoir pour chauffer le liquide de refroidissement en raison de l'absence d'un boîtier et d'un boîtier qui protège le réservoir. Pour une plus grande efficacité du transfert du liquide de refroidissement à travers les tuyaux jusqu'à la chaudière, la notice de l'appareil prévoit le raccordement d'une pompe, d'une sonde de température et d'un thermostat. Avec ce schéma, les chaudières électriques Evan permettent des économies d'énergie.La puissance des appareils varie de 5 à 30 kW. Les appareils jusqu'à 7,5 kW sont connectés à un réseau monophasé.
- les développeurs de l'association de production Evan, améliorant leurs conceptions pour le modèle de la série Comfort, ont prévu l'isolation thermique du corps du ballon chauffant, une triple protection contre la surchauffe et la possibilité d'inclure un système "plancher chaud".
Figure. 4 Modèle Evan Confort
Caractéristiques de conception du modèle de cette série:
- la régulation du liquide de refroidissement par le thermostat s'effectue dans la plage de 30 à 85 ° C en tournant doucement le levier sur le panneau du corps de l'appareil;
- la conception est complétée par une pompe de circulation;
- a des options pour travailler dans des systèmes de chauffage à circulation naturelle et pompée;
- la possibilité d'installer un thermostat à distance ;
- une image lumineuse des modes de fonctionnement est fournie ;
- équiper la structure d'un dispositif d'enregistrement de la pression minimale qui arrête automatiquement le système en cas de perte de fluide caloporteur dans le système ;
- un appareil de chauffage électrique de la marque Evan est équipé d'une fonction de contrôle électronique développée par les concepteurs de l'entreprise, le rendement (efficacité) de l'appareil est maintenu à 99%;
- des connecteurs standard sont fournis pour connecter l'appareil au système de chauffage par le sol ;
- la puissance de l'appareil est déterminée dans la plage de 3,5 à 30 kW.
- le réchauffeur appartient à un type à bride unique, c'est-à-dire que sa conception fournit un réservoir de chauffage avec une bride, un élément chauffant, des buses pour l'entrée et la sortie du liquide de refroidissement et un interrupteur thermique.
- La chaudière électrique Evan "Professional" assure le chauffage de locaux de différentes classes : grandes surfaces résidentielles et industrielles de 360 à 2400 m2. L'installation de l'appareil est fixe.
L'appareil combine plusieurs blocs dans sa conception :
- charges de puissance de commutation;
- Bloc de contrôle ;
- bloc pour connecter le panneau pour connecter des structures externes;
- un module équipé d'un débitmètre, d'une soupape de sécurité, d'un appareil de mesure de pression de liquide ;
- le corps de l'appareil est intégré dans le boîtier de protection.
Contrairement à tous les autres modèles, seule la chaudière de chauffage "Professionnelle" possède un réservoir de chauffage, mais le nombre de brides est déterminé par la puissance de l'appareil. Leur nombre peut varier de deux à huit par contrôle de puissance en plusieurs étapes.
La chaudière électrique Evan "professionnelle" est équipée de dispositifs automatiques :
- dispositif d'évacuation d'air;
- réchauffeur tubulaire;
- interrupteur thermique d'urgence à réarmement automatique sous la forme d'un relais d'alarme ;
- dispositif d'urgence (relais) pour la pression prepad;
- fixation du conducteur de protection neutre en forme de pince;
- capteurs de température de fonctionnement du liquide de refroidissement installés ;
- la conception de l'appareil permet d'utiliser des chaudières électriques dans des systèmes de chauffage conçus pour les deux types de circulation naturelle et de pompage.
L'eau ordinaire est utilisée comme caloporteur; si nécessaire, un liquide antigel est chargé dans le système. Les spécialistes de l'entreprise recommandent l'antigel de marque DIXIS pour une utilisation en hiver.
La chaudière professionnelle, dotée d'une puissance élevée, est de petite taille.
La chaudière électrique Evan de la série "Lux" est une structure fixe pour le chauffage des locaux d'habitation et est également largement utilisée comme appareil de chauffage pour les installations industrielles et domestiques.
La conception des chaudières électriques de classe "Lux" est dotée des fonctions d'une mini-chaufferie équipée de:
- pompe de circulation;
- soupape de sécurité;
- une pompe avec un vase d'expansion, un évent;
- dispositif de mesure et de surveillance de la pression dans l'installation de chauffage.
La chaudière électrique Evan de cette classe fonctionne, offrant un maximum de confort dans la pièce en mode automatique, sans qu'il soit nécessaire de contrôler constamment le système de chauffage. Le dispositif configuré avant le début de la saison de chauffage fonctionnera sans intervention de l'utilisateur.Le système d'exploitation peut être laissé allumé pendant une longue période.


Figure. 5 appareil de classe "Lux"
La chaudière électrique Evan, réalisée dans la version "Lux", dispose de programmes permettant de travailler en mode automatique, programmation automatique de la température en mode hebdomadaire. La chaudière électrique Evan dispose d'un système d'autodiagnostic, qui a un effet positif sur l'entretien de la chaudière, calculé sur une superficie de 270 m2.
Dans le kit, la chaudière électrique de classe Evan Lux peut avoir une sonde de température à distance adaptée à cette conception, une télécommande électronique ou analogique.
En plus de l'eau comme liquide de refroidissement, les instructions de l'appareil permettent l'utilisation d'un liquide avec des additifs qui l'empêchent de geler.
Appareils de chauffage avec éléments chauffants
Les options les plus courantes, les plus abordables et les plus populaires pour chauffer les chaudières électriques: elles chauffent le liquide de refroidissement avec des éléments chauffants, elles n'exigent pas la qualité de l'eau dans le système, elles sont faciles à entretenir. En présence de systèmes de contrôle automatique, ils sont sûrs et faciles à utiliser. Vous pouvez accrocher et connecter vous-même la plupart des appareils monophasés, selon les instructions du fabricant. Pour les chaudières de tuyauterie d'une capacité supérieure à 3,5 kW, il est nécessaire de faire appel à un spécialiste - il est capable d'évaluer l'état du câblage électrique et du circuit de chauffage.
LLC "Teplo-NTM", gamme de modèles d'EVPM - de 2 970 à 16 145 roubles.


La gamme EVPM est représentée par 8 modèles de base, qui ne diffèrent que par le nombre et la puissance des éléments chauffants installés. La plage de température de sortie est la même pour les huit modèles.
Une conception simple et un fonctionnement intuitif vous permettent de surveiller indépendamment le fonctionnement des appareils, de nettoyer, de configurer ou même d'effectuer des réparations de blocs. Le coût relativement bas des modèles est dû au petit nombre de composants.
Même les modèles les plus puissants, dans la configuration de base, n'ont pas de capteurs, pas d'unité de commande externe, pas de pompe de circulation. Gardez à l'esprit que lors du remplacement du bloc élément chauffant, vous devez conserver la gomme d'étanchéité (la retirer soigneusement de la rainure de l'ancien bloc) ou en préparer une nouvelle à l'avance. Parce qu'un nouveau bloc est généralement fourni sans joint.
Caractéristiques techniques des chaudières EVPM
| Caractéristique | Valeur |
| Options d'alimentation série, kW | 3, 6, 9, 12, 18, 24, 36, 48 |
| Température de sortie du liquide de refroidissement, 0С | 35 – 85 |
| Pression maximale dans le circuit de chauffage, atm | 2.5 |
| Fluide de chauffage autorisé | Eau du robinet, solutions d'éthylène glycol |
| Dimensions (HxGxL), mm | 710x180x654 |
| Configuration de base | Indication lumineuse, réglage de la puissance en trois étapes, réglage de la température. |
Premier démarrage de la chaudière EVPM:
Alvin EVP - de 3 599 à 12 272 roubles


La gamme de modèles d'EEC se compose de 10 appareils avec un nombre différent d'éléments chauffants, une puissance différente. Chaque chaudière est équipée d'une commande manuelle. Le minimum d'équipement impliqué dans la conception de l'appareil et sa maintenabilité, la possibilité d'inclure n'importe quelle pompe de circulation appropriée dans le circuit sont des avantages absolus.
Parmi les inconvénients - des connexions terminales faibles et pas la version la plus fiable du thermostat capillaire. Pour tout signe de rupture, vérifiez immédiatement tous les groupes de contact pour une bonne connexion. Parce que seulement 10% des défauts des chaudières Alvin EVP sont liés à l'électronique de contrôle et aux éléments chauffants. Dans d'autres cas, un mauvais contact sur les connexions est à blâmer.
Caractéristiques techniques de la ligne Alvin EVP
| Caractéristique | Valeur |
| Options d'alimentation série, kW | 3, 4.5, 6, 9, 12, 15, 18, 24, 30, 36 |
| Température de sortie du liquide de refroidissement, 0С | 1-89 |
| Pression maximale dans le circuit de chauffage, atm | 3 |
| Fluide de chauffage autorisé | Eau du robinet, fluides CO basse température |
| Dimensions (HxGxL), mm | 540-670x140-170x280-460 |
| Configuration de base | Indication d'alarme, protection contre la surchauffe, réglage de la puissance en trois étapes, réglage de la température. |
Déballage de la chaudière Alvin EVP :
ZOTA "Lux" pour un réseau monophasé - de 16 290 à 18 600 roubles


Au sein de la gamme "Lux", 5 appareils de capacités différentes, de taille similaire, sont proposés, qui peuvent être alimentés à partir d'un réseau électrique monophasé. L'unité de commande numérique permet un réglage flexible des paramètres de fonctionnement. L'intégration dans le système du module GSM est possible - pour la mise en marche à distance, la surveillance de l'état actuel et la modification des paramètres.
Le principal inconvénient est le prix. Ce qui rend ces modèles de chaudières électriques confortables, mais loin d'être les plus puissants, inaccessibles.
Veuillez noter - le menu utilisateur avec une gamme impressionnante couvre tous les paramètres. Autrement dit, vous pouvez toujours trouver une combinaison confortable. N'écoutez pas les "experts" qui vous conseillent de remplacer le firmware d'usine. La modification des paramètres du menu d'ingénierie est un moyen sûr de panne d'équipements coûteux.
Caractéristiques techniques de la ligne monophasée ZOTA "Lux"
| Caractéristique | Valeur |
| Options d'alimentation série, kW | 3, 4.5, 6, 7.5, 9 |
| Température de sortie du liquide de refroidissement, 0С | 20 — 90 |
| Pression maximale dans le circuit de chauffage, atm | 6 |
| Fluide de chauffage autorisé | Eau purifiée ou distillée |
| Dimensions (HxGxL), mm | 730x160x290 |
| Configuration de base | Indication sonore et visuelle, unité de contrôle programmable avec un large éventail de tâches, 2 capteurs de température, module GSM. |
Revue vidéo des chaudières ZOTA de la gamme "Lux":
Evan Warmos M - de 26 780 à 44 660 roubles


La ligne Warmos M se compose de 8 modèles de capacités différentes, chacun caractérisé par des dimensions uniformes et un équipement étendu. Les éléments chauffants en acier inoxydable et leur allumage alterné («rotation») lorsque la chaudière fonctionne à faible puissance sont les mesures les plus efficaces pour augmenter la durée de vie de l'appareil.
Un niveau décent de confort d'utilisation peut être augmenté grâce à l'introduction supplémentaire dans le système GSM ou wi-fi-module et capteurs de température. Après un certain temps, l'impression globale positive est gâchée par un bruit important lors du fonctionnement de l'appareil.
Gardez à l'esprit : le ronflement de la chaudière est causé par l'accumulation de tartre sur les éléments chauffants. Il n'y a pas de prérequis ici pour accuser le fabricant de vendre des produits de mauvaise qualité.
Caractéristiques techniques des chaudières Warmos M
| Caractéristique | Valeur |
| Options d'alimentation série, kW | 7.5, 9.45, 12, 15, 18, 21, 24, 30 |
| Température de sortie du liquide de refroidissement, 0С | 30 — 85 |
| Pression maximale dans le circuit de chauffage, atm | 4 |
| Fluide de chauffage autorisé | Eau et liquides antigel |
| Dimensions (HxGxL), mm | 635x245x380 |
| Configuration de base | Pompe de circulation, thermocontact à réarmement automatique, voyant lumineux, capteurs de pression et de marche à sec, régulation par paliers de puissance, réglage de la température, thermomanomètre. |
Test vidéo du Warmos M du fabricant :
Protherm Scat - de 38300 à 47500 roubles


La ligne "Skat" comprend 8 modèles muraux à circuit unique pour le chauffage, qui ont la capacité de fonctionner avec les chaudières à accumulation "Proterm" dans le système d'alimentation en eau chaude.
La chaudière est achetée séparément, et il est recommandé d'utiliser le kit d'origine pour la connecter (vanne à 3 voies, actionneur, câblage, support et joints) - dans ce cas, l'automatisation de la chaudière contrôle entièrement à la fois l'ECS et le chauffage.
Les différents potentiels des éléments chauffants et le réglage en 3 étapes de chacun d'eux vous permettent de chauffer l'eau avec une précision de 2,5°C. Grâce au même système, une augmentation progressive de la puissance est réalisée. Par conséquent, même avec un chauffage rapide du liquide de refroidissement, les chutes de tension brusques dans le réseau sont exclues.
Difficile de choisir un nombre différent de niveaux de puissance d'appareils : 6 - pour les équipements de 6, 12 et 14 kilowatts ; 9 - pour 9, 18 et 21 kilowatts; 12 étapes seulement à 24 et 28 kW.
Attention : la recommandation du fabricant de laisser une distance libre de 0,8 m du haut de tout modèle Skat est facultative.C'est possible et moins, mais pour remplacer les éléments chauffants, vous devrez démonter toute la chaudière.
Caractéristiques techniques de la gamme Protherm Scat
| Caractéristique | Valeur |
| Options d'alimentation série, kW | 6, 9, 12, 14, 18, 21, 24, 28 |
| Température de sortie du liquide de refroidissement, 0С | 30 — 85 |
| Pression maximale dans le circuit de chauffage, bar | 3 |
| Fluide de chauffage autorisé | Eau du robinet, solutions d'éthylène glycol |
| Dimensions (HxGxL), mm | 740x310x410 |
| Configuration de base | Pompe de circulation, indication numérique et couleur, réglage de la puissance en trois étapes de chaque élément chauffant, réglage de la température, vase d'expansion intégré, soupape de sécurité. |
Revue vidéo d'un système de chauffage individuel avec une chaudière Protherm Skat :
Vaillant eloBLOCK VE - de 40 100 à 50 400 roubles


Les chaudières électriques de la série eloBLOCK VE sont conçues pour l'entretien des systèmes de chauffage traditionnels et à basse température. Les appareils se distinguent par un design moderne et une commande par microprocesseur.
L'avantage de l'unité de commande à microprocesseur est la fonctionnalité accrue. Lorsqu'un ballon de stockage pour le circuit ECS est inclus dans le système, le contrôle de la température de l'eau chaude est également assuré par des microprocesseurs.
Outre le coût élevé de la chaudière elle-même et de son entretien, les inconvénients incluent le fait que la garantie du fabricant n'a lieu que si l'équipement est installé par des spécialistes des centres agréés.
Veuillez noter - afin d'obtenir un chauffage rentable, eloBLOCK VE est mieux exploité avec un accumulateur de chaleur et un compteur à deux tarifs.
Spécifications de la gamme Vaillant eloBLOCK VE
| Caractéristique | Valeur |
| Options d'alimentation série, kW | 6, 9, 12, 14, 18, 21, 24, 28 |
| Température de sortie du liquide de refroidissement, 0С | 25 — 85 |
| Pression maximale dans le circuit de chauffage, bar | 3 |
| Fluide de chauffage autorisé | Des informations fiables sur le fluide caloporteur autorisé ne sont disponibles que pour un centre de service agréé. |
| Dimensions (HxGxL), mm | 740x310x410 |
| Configuration de base | Affichage LED, réglage de la puissance à trois niveaux, protection contre le gel, régulation en fonction des intempéries, antiblocage de la pompe intégrée, réglage de la température. |
Examen vidéo d'eloBLOCK VE par un revendeur agréé :
Chaudières électriques EPO 4
La gamme d'appareils de chauffage électriques pour chauffer des pièces de différentes classes et des surfaces de différentes tailles est suffisante, large et variée. Les chaudières fixes de la classe « économie standard » sont faciles à utiliser et disponibles pour une installation de bricolage.
La chaudière électrique Evan epo 4 est conçue pour chauffer des pièces jusqu'à 40 m2. Ce sont principalement de petites maisons privées, des bâtiments de campagne. Il est bon d'utiliser de telles structures comme chaudière de chauffage d'appoint. Lors des travaux de construction et de réparation, l'appareil électrique Evan epo 4 est utilisé pour le chauffage temporaire des locaux.


Figure. 6 Conception de la série EPO-4
Inhérent à tous les modèles de chaudières électriques Evan :
- contrôle pratique de la température;
- dispositifs qui protègent l'élément chauffant contre la surchauffe;
- la possibilité de connecter une pompe de circulation pour améliorer le mouvement du liquide de refroidissement dans le système ;
- la présence d'un capteur à distance pour contrôler la température de l'air dans la pièce;
- raccordement d'un chauffe-eau pour un chauffage indirect d'appoint.
Matériau pour éléments chauffants - acier allié.
La chaudière électrique Evan epo 4 est souvent intégrée comme appareil supplémentaire pour chauffer une pièce dans un circuit de chauffage à eau déjà équipé. Cette opération est simple. Lors de l'ajout d'une chaudière à un système de chauffage existant, la procédure de connexion de la partie électrique est primordiale. Cette étape doit être réalisée par des artistes qualifiés.
L'utilisation de la chaudière EPO repose sur sa large plage de puissance de 2,5 à 480 kW. Le chauffage des structures suburbaines légères et la construction de logements de capitaux sont possibles avec les chaudières électriques de la série EPO.Les locaux d'une superficie de 4800 m2 et plus sont chauffés par un système de chauffage avec une chaudière Evan EPO utilisant la circulation naturelle et par pompage. La chaudière électrique Evan epo 4 peut utiliser de l'eau ou un liquide avec des additifs antigel comme caloporteur.
La conception de la chaudière électrique Evan EPO-4 vous permet de la placer au mur. Cette option est particulièrement préférable pour les petits espaces.
Chaudières électriques EVAN, appareil et application
Le fabricant russe / EVAN, qui produit divers types d'équipements de chauffage, y compris des chaudières électriques, a déjà acquis une réputation positive et est présent dans les ventes de presque toutes les grandes organisations commerciales. La société EVAN est connue depuis 1997, tout d'abord pour son prix abordable avec la qualité traditionnelle des produits "en métal, et non en n'importe quoi...", ce qui est très attractif pour le consommateur. La gamme de l'entreprise comprend non seulement les chaudières électriques les plus simples, mais également des appareils d'une classe supérieure ...
Chaudières électriques EVAN
L'entreprise produit des chaudières électriques dans 4 catégories de consommateurs.
- Les plus simples "Standard" et "Economy" comprennent un bloc tenov, des bornes de connexion et un interrupteur pour chaque dix. Mais ils peuvent également maintenir la température de consigne, dans la plage de 35 à 85 degrés, en s'activant sur commande du relais thermique. Les chaudières électriques les moins chères sont plus adaptées au chauffage temporaire ou comme appoint avec des générateurs de chaleur à combustible solide.
- La série "Confort" peut déjà inclure plus de capteurs de sécurité, une soupape de sécurité intégrée, une pompe de circulation intégrée à commande automatique. Cette série est la plus demandée pour un usage domestique.


- La série "Professional" est simple d'exécution, mais coûteuse en raison de la qualité des matériaux utilisés, et les appareils eux-mêmes sont d'une puissance accrue. Conçu principalement pour les installations publiques et industrielles.
- Les chaudières "Lux" contiennent une commande électronique, elles peuvent être contrôlées par un contrôleur en fonction de la météo, à l'intérieur d'elles se trouvent non seulement une pompe avec évacuation d'air, mais aussi un vase d'expansion, elles peuvent également être fournies avec un panneau de commande à distance.
Situations typiques d'utilisation des chaudières électriques EVAN
Dans la plupart des cas, une chaudière à combustible solide peut être complétée par une chaudière électrique, qui sera incluse dans le fonctionnement horaire de nuit et fonctionnera au tarif de nuit (compteur électrique multitarif). L'électricité est trop chère pendant la journée, mais la nuit, elle ne peut être que 1,5 à 2,0 fois plus chère que l'énergie produite à partir de combustibles solides, voire son prix égal. Mais le confort d'utilisation rend la chaudière électrique EVAN avantageuse en fonctionnement, au moins la nuit, où il est possible de brancher un tarif de nuit.
Un tel mode de fonctionnement d'une chaudière électrique, avec une alimentation de 380 V et la puissance correspondante, peut être très, très populaire. Ensuite, un réservoir tampon est utilisé pour accumuler l'énergie nocturne.


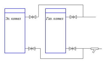
Schéma d'allumage de la chaudière EVAN-economy 220 V en secours
Les chaudières électriques sont très populaires, mais principalement parce qu'elles sont installées en redondance avec les chaudières à combustible solide ou à gaz existantes. La tâche d'une chaudière électrique 220 V, par exemple 5 kW, est de maintenir au chaud le système de chauffage pendant la réparation de l'unité principale.
- Il est recommandé, si possible, de prévoir un mode de mise en marche manuel de l'unité de secours, sans clapets anti-retour et relais thermiques dans les circuits.


Mais si l'on ne peut se passer d'une mise en marche automatisée de la réserve (dans une datcha éloignée par exemple), alors on peut encore espérer cette automatisation. Comment les chaudières de secours sont connectées


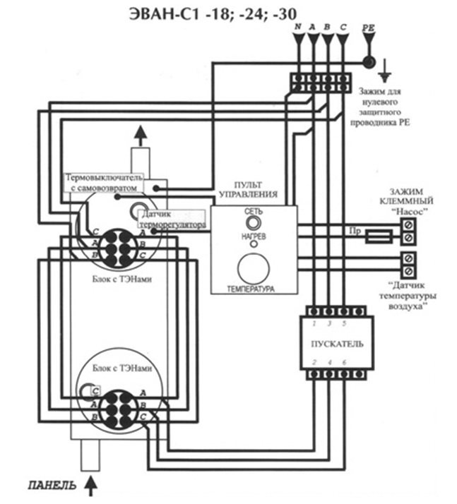
Chaudière triphasée conventionnelle EVAN pour 24 kW à 380V
Considérez les circuits et l'application des chaudières EVAN C1. Les chaudières les plus simples, des prix raisonnables, mais puissantes et fiables. La ligne comprend des unités triphasées conçues pour fonctionner à partir d'un réseau 380 V, avec des capacités de 7,5, 15 et 24 kW.
Lors du choix, vous devez être guidé par l'alimentation électrique allouée à la maison.En règle générale, les connexions supérieures à 15 kW sont rares, c'est pourquoi des connexions plus faibles sont souvent installées dans la ligne.
Schéma électrique de la chaudière EVAN C1.


Les chaudières pour 24 kW sont fournies comme suit.
- Tenami, 4 kW chacun, regroupés en deux blocs chauffants, 3 pcs. tenov dans tout le monde. Les modèles peuvent avoir un contrôle de puissance échelonné de 4 à 24 kW.
- Le diamètre des tuyaux de raccordement est de 1 et 1/4 pouce.
- Le diamètre des conducteurs en cuivre de la connexion pour chaque phase est d'au moins 10 mm².
- La masse de l'unité n'est pas petite - à partir de 24 kg. La chaudière est ancrée au mur.
- Pression de service maximale 3 bar - réglage de la soupape de sécurité. Testé en usine - 5 bars.
- Surface de chauffage aux pertes de chaleur spécifiques nominales du bâtiment - jusqu'à 240 m².


Règles de fonctionnement de la chaudière électrique
- Le raccordement de la chaudière au tableau électrique doit être effectué avec la protection de chaque phase par un disjoncteur et un relais de courant résiduel avec un courant nominal de fonctionnement correspondant et un courant différentiel, généralement pas plus de 32mA.


- Raccordement d'un conducteur de terre de protection à la chaudière.
- Le premier contrôle du bon fonctionnement est la fiabilité de la connexion à la terre, ainsi que l'alimentation électrique.
- Vérification de l'absence de fuite de liquide de refroidissement tant au niveau de la chaudière que des raccordements hydrauliques. Les vannes d'arrêt sont installées en premier.
- La chaudière peut maintenir la température réglée par le thermostat d'air intérieur. Schéma de raccordement aux connecteurs de la carte de commande du thermostat d'ambiance.


- Il est impératif de s'assurer que la pression de service dans l'installation est maintenue à 3 bar maximum au moyen d'un vase d'expansion d'air, et l'installation est protégée par une soupape de sécurité réglée à cette pression.
- Pression de sertissage - pas plus de 4 bars.
- La possibilité d'utiliser un thermostat GSM ou un thermostat WiFi, et ainsi d'assurer l'allumage ou l'extinction à distance de la chaudière en fonctionnement et de régler la température de l'air souhaitée dans la pièce, à l'aide d'un téléphone portable ou d'un équipement informatique.
Équipement de chauffage série EPO 6
Pour chauffer des locaux d'une superficie n'excédant pas 60 m2, il a été développé la chaudière Evan de la série EPO 6. Il s'agit d'un appareil de type stationnaire, sa puissance est de 6 kW. Ces structures de chauffage sont utilisées pour les locaux résidentiels et industriels. Les chaudières électriques fonctionnent à partir de sources trifilaires monophasées. La tension des sources de courant alternatif est de 220 Volts, la fréquence est de 50 Hertz. La chaudière électrique Evan epo 6 dans le kit dispose de panneaux de commande à un étage.


Figure. 7 Dispositif à bride unique Evan EPO-6 Series
Comprend la série EPO 6 :
- haute efficacité dans l'utilisation des ressources énergétiques grâce à l'utilisation d'un système de vanne de régulation dans l'appareil ; effectué par des vannes de régulation en mode manuel ou automatique.
- l'installation de la chaudière est simple, le fonctionnement ne pose pas de difficultés ni d'investissements supplémentaires;
- forme compacte, les petites dimensions permettent d'utiliser la chaudière électrique Evan de la série epo 6 sans prévoir son installation d'une pièce supplémentaire;
- les qualités universelles de l'appareil permettent d'utiliser la chaudière électrique Evan de cette conception comme principale pour les équipements auxiliaires et comme dispositif de secours;
- la chaudière électrique Evan epo 6 est un équipement à hautes qualités environnementales : lors du fonctionnement de cet appareil, aucune émission nocive ne se produit et la teneur en oxygène dans la pièce avec la chaudière électrique en fonctionnement EPO 6 ne change pas ;
- la chaudière électrique Evan epo 6 maintient une température confortable dans la pièce, quelles que soient les basses températures extérieures;
- pour cette conception de chaudière, il est possible de raccorder des sondes de température ambiante, ce qui augmente son coût.
Malgré la simplicité d'installation d'une chaudière de chauffage électrique dans un circuit de chauffage, il est nécessaire de suivre quelques consignes obligatoires :
- l'emplacement des tuyaux reliant la chaudière électrique Evan aux radiateurs de chauffage à eau doit être effectué avec une certaine pente pour assurer le mouvement naturel du liquide de refroidissement à travers le système;
- l'impossibilité de remplir cette condition, une pompe de circulation est installée dans le système;
- la présence d'un vase d'expansion dans le circuit de chauffage, où la chaudière électrique Evan epo 6 est utilisée, est obligatoire.. En utilisant un réservoir de type membrane, une soupape de sécurité doit être intégrée devant la vanne;
- l'entrée et la sortie de la chaudière doivent être équipées de robinets à tournant sphérique nécessaires aux travaux de réparation et de démontage ;
- installation verticale de la chaudière;
- pour le panneau de commande, il est recommandé de l'installer à une hauteur d'environ un mètre et demi du sol, dans une pièce bien éclairée;
- Le manuel d'installation du système de chauffage interdit strictement l'installation de vannes d'arrêt dans le système de chauffage.
Le mode de fonctionnement offre 9 options de fonctionnement :
1."Pièce" est le maintien habituel du régime de température réglé dans la pièce. Réglé par l'utilisateur en fonction de la valeur souhaitée.
2. Le « plancher chaud » est essentiellement le même mode « pièce », seulement il est réglé pour le système « plancher chaud » et est limité à une valeur calorifique ne dépassant pas + 45 ° C.
3. « hebdomadaire » - vous voulez obtenir une efficacité énergétique maximale ? Ce mode est fait pour vous !Le mode étonnant vous permet de programmer un niveau confortable dans la pièce avec des changements quotidiens et horaires. Selon les préférences et le mode de vie, compte tenu de votre absence ou de votre repos nocturne.
Vous pouvez programmer à la fois le mode « Jours ouvrés » et le mode « Week-end ». D'après le calendrier, la chaudière électrique d'Evan EXPERT sans la participation de l'utilisateur, il déterminera s'il s'agit d'un jour de travail ou d'un jour de congé et, selon lui, suivra l'un des sous-modes de fonctionnement.
4... "Jour de congé" - peut-être vous a-t-on accordé un jour de congé supplémentaire et la chaudière électrique Expert continue de définir la journée en tant que travailleur ? Un tel comportement « moche » du robot est inacceptable ! Mais peu importe, en un clic vous pourrez profiter du confort habituel pour des vacances ! Dans ce cas, il n'est pas nécessaire de changer complètement le mode hebdomadaire, il suffira de préciser simplement l'heure pour régler le temps pendant lequel la chaudière électrique doit changer son idée de la journée de travail !
5... "Jour de travail" est le revers de la médaille, si le patron vous a appelé de toute urgence pour faire des heures supplémentaires pendant votre jour de congé, marquez-le simplement pour Evan EXPERT - qu'il sauve !.
6. "Economy" avec ce mode est probablement la chose la plus agréable ! Bien sûr - des vacances ! Eh bien, ne congelez pas la maison lorsque vous êtes parti quelques semaines en décembre dans la chaleur de la Thaïlande ! Détendez-vous sereinement, le maintien de la température minimale admissible par la chaudière électrique Expert vous aidera à économiser de l'énergie et vous permettra d'utiliser les fonds libérés pour envoyer des excursions intéressantes !
7. "Party" - Peut-être attendez-vous des invités et vous prévoyez un thé tranquillement en train de boire et de lire de la poésie, pour que les pieds des invités ne gèlent pas, il vaut mieux augmenter la chaleur! Eh bien, si, pour les vacances de vos enfants, une bande de farceurs d'horlogerie est attendue, alors il serait plus prudent de baisser le degré de chaleur ! Utilisez ce mode pour définir une valeur confortable pour un certain nombre d'heures. Après la fin de l'événement, la chaudière Evan reprendra son fonctionnement normal.
Protection contre le gel
8... "Off" tout semble clair avec ce mode, éteignez-le s'il n'y a pas besoin de chauffage. Cependant, s'il est nécessaire de maintenir le système hydraulique en état de marche, en réglant ce mode, nous fournirons une activation unique de la pompe toutes les 24 heures.
La pompe ne fait pas tourner la roue pendant plus de 5 minutes. Dans ce cas, les éléments chauffants sont connectés si la température du liquide de refroidissement est égale ou inférieure à la valeur de + 8 ° C. Cela fournit une protection contre le gel.
9. Le "chauffage de l'eau" est le mode le plus simple, dans lequel les capteurs de température ne sont pas pris en compte.Transformant ainsi la chaudière électrique intelligente Evan EXPERT dans une chaudière électrique standard ordinaire. Dans ce cas, l'expert modifiera son orientation et se concentrera sur la production de la quantité d'énergie thermique requise, en fonction des paramètres utilisateur établis.



