Il est à noter que l'automatisation pour une maison privée peut être installée sur presque tous les systèmes de chauffage. Malgré cela, beaucoup ne comprennent toujours pas pourquoi automatiser le système et de quoi il s'agit.
Pour commander l'installation d'automatisation pour une maison privée - appelez le + 7495205-205-2
Déjà sur la base du nom, nous pouvons conclure que l'automatisation est conçue pour minimiser l'intervention humaine dans le processus de chauffage. Ainsi, le programme automatique libère la personne de l'ajustement constant de la température intérieure. Mais beaucoup négligent cela et s'appuient sur un contrôle manuel. D'une part, cela représente une dépense importante de temps personnel et, d'autre part, dans la plupart des cas, l'automatisation est nécessaire pour un fonctionnement sûr et fiable du système.
Habituellement, le terme «automatisation» désigne toute une liste de différents appareils qui surveillent le fonctionnement de l'ensemble du système de chauffage et de la chaudière en particulier. Il convient également de noter que le contrôle automatique sera de toute façon plus précis.
Automatisation pour chauffer une maison privée
La tâche principale dont l'automatisation pour chauffer une maison privée est responsable est de maintenir la température requise à l'intérieur des locaux. Comme vous le savez, la régulation s'effectue en fonction de la température extérieure. Ainsi, vous pouvez facilement vous offrir un environnement confortable à l'intérieur de la maison.
Un autre avantage de l'automatisation est la réduction des coûts. Encore une fois, en tenant compte du fait que la température est régulée en fonction de la température de l'air extérieur, le système abaissera automatiquement la température de chauffage si elle devient soudainement plus chaude à l'extérieur.
C'est remarquable, mais le système automatique peut augmenter ou vice versa diminuer la température à l'intérieur de la pièce, en fonction non seulement de la météo extérieure, mais aussi des jours et des heures de la semaine. Par exemple, s'il y a peu ou pas de personnes dans la maison le week-end, vous pouvez régler le programme de manière à ne pas chauffer la pièce aussi intensément, tout en maintenant la température optimale. Bien entendu, cela aura un impact positif sur les économies de coûts.
Les principaux avantages de l'automatisation des systèmes de chauffage sont les suivants:
- Le programme vous permet d'ajuster la température à l'intérieur de la maison à la demande du propriétaire. S'il fait beaucoup plus chaud à l'extérieur, vous pouvez programmer le système de manière à abaisser la température de chauffage, maintenant ainsi un environnement intérieur confortable;
- Il est possible de contrôler la température en fonction du jour de la semaine ou à certains moments de la semaine;
- Dans des conditions appropriées, l'automatisation réduira toujours la température de chauffage, économisant ainsi l'argent du propriétaire;
- L'automatisation du système de chauffage fournira une protection fiable contre la surchauffe du liquide de refroidissement, surveillera la pression à l'intérieur du système et contrôlera également l'alimentation en eau ou en gaz du système.

Définition d'automatisation thermique, appareil, application
Automatisation thermique - un ensemble de dispositifs qui assurent la consommation de chaleur des bâtiments et des structures avec la plus grande efficacité énergétique. Le système d'automatisation comprend les appareils suivants:
- contrôleurs et capteurs de relevés de température du caloporteur;
- capteurs de contrôle de la température de la masse d'air;
- les mécanismes de commande (électrovannes, régulateurs de température, dispositifs de régulation de pression), ainsi que les équipements de pompage.
Rendez-vous d'automatisation thermique.
La tâche principale des systèmes d'automatisation thermique des bâtiments est de maximiser la réduction des pertes de chaleur dues à l'énergie électrique consommée. Les principales fonctions de ces systèmes:
- Contrôle et gestion de la température du caloporteur, en fonction des indicateurs de température externes (rue).
- Si nécessaire, il abaisse ou augmente la température dans le bâtiment lorsque l'équipement fonctionne selon l'horaire programmé. Une diminution de la température la nuit est souvent utilisée, tandis qu'une diminution de seulement 1 degré donne environ 5% d'économies sur toute la saison de chauffage.
- Contrôle de la température dans les conduites de retour; si nécessaire, l'énergie thermique est utilisée de force.
- Il surveille le régime de température de l'alimentation en eau chaude du bâtiment, si nécessaire, le régule à l'aide de mitigeurs à réponse rapide, ainsi que des chaudières à accumulation.
- Gère efficacement le fonctionnement des pompes à chaleur, en tenant compte d'indicateurs inertiels, en fonction des régimes de température extérieur et intérieur. Il active automatiquement le système principal et de secours pour fournir de la chaleur aux bâtiments, pour éviter l'apparition de traces de corrosion et l'adhérence des roulements dans les pompes.
En Russie, les produits de production ont fait leurs preuves.
Leader dans la fabrication d'automatismes thermiques
En 1993, la succursale russe de la société danoise Danfoss a été fondée, avec la participation d'un fonds d'investissement danois. Depuis lors, des régulateurs de température de radiateur ont été produits pour la première fois en Russie. DANFOSS Concern est un leader dans la fabrication de systèmes d'automatisation pour divers systèmes d'ingénierie (ventilation et climatisation, fourniture de chaleur). Aujourd'hui, les ateliers de cette entreprise proposent:
- régulateurs de température pour appareils de chauffage, vannes d'arrêt automatiques;
- vannes d'équilibrage pour systèmes d'alimentation en eau (chaude et froide);
- automatisation des processus de ventilation dans les points de chauffage;
- dispositifs de régulation de la température et de la pression;
- dispositifs électriques pour contrôler le régime thermique dans une maison de campagne, un chalet;
- dispositifs d'automatisation, de régulation et de contrôle du chauffage au sol;
- composants pour l'automatisation des processus thermiques dans les brûleurs.
Contrôle qualité des produits manufacturés dans l'entreprise à un niveau élevé dans toutes les usines
Danfoss accorde une attention particulière à la précision et à la fiabilité de tous les produits de l'usine, ils sont tous soumis à un contrôle et à des tests stricts avant d'être expédiés au consommateur.
Automatisation du système de chauffage d'une maison privée
En plus de tous les avantages énumérés, l'automatisation du système de chauffage d'une maison privée présente également plusieurs inconvénients:
- Le principal inconvénient est son prix. Si nous comparons le coût de l'automatisation avec le coût d'un thermostat conventionnel, alors ce dernier coûtera littéralement "quelques centimes";
- Afin d'économiser sur le chauffage à un certain moment de la journée, tout en ayant un contrôle manuel, il est nécessaire d'effectuer indépendamment toutes les manipulations avec le système, ce qui n'est pas toujours pratique et possible. Afin d'automatiser entièrement ce processus, vous pouvez acheter ou commander des équipements dépendant de la météo ou programmables pour un système spécifique. Mais il est à noter qu'il ne sera pas possible de le trouver à peu de frais, car il coûte un peu plus cher qu'un équipement conventionnel;
- Si le chauffage est effectué à l'aide d'une chaudière à gaz, la consommation de carburant augmentera lorsque le chauffage est mis en marche et arrêté périodiquement. Dans ce cas, économiser du carburant est beaucoup plus difficile qu'avec d'autres chaudières de chauffage modernes.
Services d'automatisation du chauffage


Pour maintenir des conditions climatiques confortables dans une maison privée, divers équipements sont utilisés, notamment des chaudières, des radiateurs, des thermostats et bien plus encore. Toutes ces unités doivent être stables en fonctionnement et fonctionner conformément aux paramètres spécifiés du système de chauffage. Il est presque impossible de suivre le fonctionnement de l'équipement sans automatisation spéciale, car vous devrez contrôler les paramètres de fonctionnement en mode manuel. Par conséquent, un système de contrôle du chauffage automatisé est nécessaire, grâce auquel une température confortable est maintenue à l'intérieur d'une maison privée.
Il est important que les professionnels participent à la mise en place d'outils d'automatisation pour les équipements de chauffage, qui prennent en compte toutes les caractéristiques de l'installation et sachent quels appareils doivent être choisis pour résoudre les tâches assignées. Creative install possède une vaste expérience dans l'installation d'automatisation de systèmes de chauffage dans les maisons privées. Nous savons quelle automatisation du système de chauffage doit être faite afin d'obtenir les meilleures conditions climatiques pour les résidents du chalet. Nos spécialistes sélectionnent les équipements les plus efficaces, pratiques et économiques à utiliser, en tenant compte de toutes les caractéristiques de la maison elle-même et de l'automatisation utilisée.
Automatisation du système de chauffage dans une maison privée
Même au stade de la construction future d'une maison privée, la question se pose de savoir quel chauffage choisir afin de fournir un environnement confortable dans la maison et de minimiser les coûts d'entretien de l'ensemble du système de chauffage. Habituellement, le choix de chauffer une maison privée se résume à trois aspects principaux du choix:
- Quelle chaudière choisir;
- Quelle sera la configuration du système de chauffage;
- Automatisation du système de chauffage dans une maison privée.
En ce qui concerne le choix de la chaudière, qui est la principale source de chaleur de la maison, il existe trois types principaux de celle-ci qui sont les plus appréciées des consommateurs. Chaque type présente à la fois des avantages et des inconvénients.
- Une chaudière à gaz. Ce sera l'option la plus rentable s'il y a une conduite principale d'alimentation en carburant. En l'absence de cette ligne, vous pouvez utiliser du gaz liquéfié dans des bouteilles, mais cela ne reflète pas de la meilleure façon le coût d'entretien du système de chauffage;
- Chaudière électrique. C'est une option assez chère et nécessite beaucoup d'électricité. Pour minimiser les coûts et offrir un arrêt confortable dans la pièce, ils ont recours à l'installation d'un chauffage par le sol électrique, beaucoup plus économique;
- Chaudières à combustible solide. Il est très apprécié des consommateurs, car il permet d'organiser facilement un système de chauffage autonome. Mais il y a quelques nuances: la maintenance d'un tel système entraîne des inconvénients. De plus, ces chaudières sont mieux utilisées pour chauffer les petites maisons ou pour les utiliser en fonction de la saison.


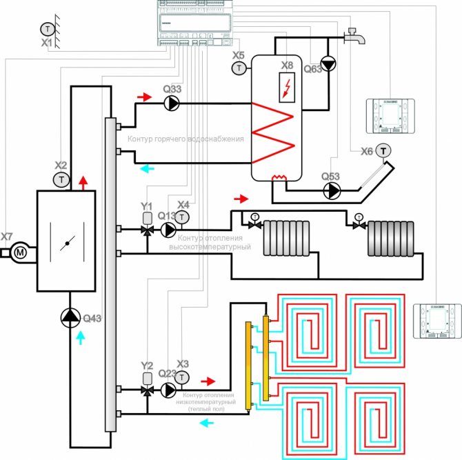
Système de contrôle automatique pour le chauffage, l'approvisionnement en chaleur du bâtiment.
L'installation fonctionne sans personnel d'entretien permanent et les informations sont affichées sur le panneau de commande d'expédition ou sur un téléphone portable.
La fonction de télécommande vous permet de modifier à distance les paramètres du système pour corriger son fonctionnement en mode manuel. Voir les paramètres système en ligne.
Les points de chauffage central assurent le chauffage des résidents tout au long de la saison de chauffage. La tâche principale de l'ITP ACS est le contrôle et la gestion 24 heures sur 24 de l'alimentation en liquide de refroidissement à pression constante, tout en maintenant la température de consigne dans la pièce. Pour un service efficace, les informations des actionneurs et des capteurs sont collectées et transmises à une seule console de répartition via des communications filaires (Internet par câble) et sans fil (cellulaires).Cela vous permet de surveiller en temps réel le fonctionnement des équipements ACS de la sous-station et, si nécessaire, d'ajuster les paramètres de fonctionnement de l'équipement.
Régulateurs de chaleur, chauffage, fourniture de chaleur.
Les régulateurs sont conçus pour modifier automatiquement le débit de l'agent chauffant dans le système de chauffage au niveau des points de chauffage central et individuels, ainsi que pour contrôler automatiquement la température dans les systèmes de ventilation d'alimentation en agissant sur une vanne à commande électrique. Les dispositifs permettent de réguler la différence de température de l'eau dans les canalisations d'alimentation et de retour des systèmes de chauffage ou la température de l'eau dans les canalisations d'alimentation en fonction du programme des systèmes de chauffage, en fonction de la température de l'air extérieur. De plus, le régulateur, à une certaine valeur de la température de l'air extérieur et de sa décroissance ultérieure, maintient une valeur constante du paramètre contrôlé du fluide caloporteur, excluant le désalignement des réseaux de chauffage fonctionnant selon le planning avec la coupure supérieure. Le régulateur permet de corriger le programme de dégagement de chaleur lorsque la température de l'air interne s'écarte de la valeur de consigne.
Pompes de circulation, correction.
Les pompes du système d'automatisation remplissent une fonction très importante:
- Maintenir la circulation calculée du liquide de refroidissement dans le système de chauffage pendant la fermeture de la vanne de régulation.
- La vitesse de circulation du liquide de refroidissement dans le système de chauffage est augmentée, dans les cas où l'organisation de l'apport de chaleur ne fournit pas les paramètres calculés de l'apport de chaleur.
L'autonomie du système d'automatisation du chauffage et de l'approvisionnement en chaleur.
Dans nos systèmes, un schéma spécial sans problème est utilisé, qui permet, en cas de situation d'urgence sur les réseaux de chaleur, de transférer automatiquement le système dans le mode de fonctionnement précédent (à l'ancienne). La déconnexion de l'électricité, la communication n'affectera pas l'approvisionnement en chaleur normal du système de chauffage du bâtiment.
Automatisation du chauffage
Afin d'augmenter l'efficacité du chauffage, ainsi que la facilité d'utilisation de l'ensemble du système de chauffage, l'automatisation est utilisée pour le chauffage. Cela comprend les composants suivants:
- Valve thermostatique;
- Thermorégulateur;
- Régulateur d'ambiance avec thermo-valve et plus encore.
L'utilisation de tels équipements assurera un fonctionnement plus efficace du système, ainsi qu'une réduction de la consommation d'énergie, sans que cela n'affecte le confort des résidents. Grâce à de tels appareils, il devient très facile de contrôler le système de chauffage et la température à l'intérieur de la maison répondra toujours aux besoins des résidents.
Automatisation du chauffage
Aujourd'hui, l'automatisation du chauffage dans une large gamme est représentée par des vannes thermostatiques. Cet appareil est spécialement conçu pour pouvoir réguler la température de l'air à l'intérieur de chaque pièce individuelle de la maison. Cet appareil peut être installé soit sur un radiateur de chauffage, soit sur un circuit de chauffage au sol. Son fonctionnement est assez simple. Le propriétaire n'aura qu'à tourner la tête de la vanne thermostatique à la valeur nécessaire et l'appareil augmentera ou abaissera rapidement la température au niveau défini. C'est là que se termine l'intervention humaine dans le travail.


Le reste du processus est effectué automatiquement. Une fois que la température dans la pièce a dépassé la valeur de consigne, la vanne fermera la circulation de l'eau vers le radiateur de chauffage. Une fois que la température est descendue en dessous du niveau spécifié, l'alimentation du fluide de chauffage sera rétablie. Dans ce cas, la vanne est constamment en fonctionnement et son action est assez simple.
Il convient de noter qu'un tel système continuera à fonctionner indépendamment du fait que l'alimentation en liquide de refroidissement dans la chaudière soit régulée ou non. Cela ne dépend pas de la chaudière utilisée.De telles vannes peuvent être installées dans les systèmes de chauffage qui utilisent une chaudière à gaz ou à combustible solide. Et même si nous parlons d'une chaudière électrique, les thermo-vannes ne seront pas non plus superflues ici. Cet appareil fonctionne mieux avec les chaudières à combustible solide. On sait que la régulation de la température avec de telles chaudières est non seulement difficile, et parfois impossible.
Objectif et avantages des outils d'automatisation
Les systèmes de chauffage automatisés sont conçus pour maintenir un microclimat dans les bâtiments et les locaux qui est le plus confortable pour le travail et le repos. De plus, en raison de leur capacité à utiliser plus efficacement les ressources énergétiques, ces systèmes sont beaucoup plus efficaces que les systèmes traditionnels.
Le réglage d'une température confortable dans les pièces est assuré par des thermostats ou des capteurs de température qui surveillent en permanence ses changements et permettent au système de chauffage de prendre en compte tous les facteurs actuels influant sur la température ambiante: chaleur humaine, chaleur solaire, chauffage des appareils d'éclairage, rayonnement de autres appareils électriques, etc.
Si les moyens de régulation automatique de l'alimentation en agent de chauffage sont utilisés directement dans la station de chauffage du bâtiment, qui surveillent la température de l'air extérieur, cela permet une économie de consommation d'énergie d'environ 15 à 20%. L'utilisation de vannes thermostatiques sur les radiateurs de chauffage réduit encore la consommation d'énergie de 5 à 7% supplémentaires.
L'automatisation vous permet également de modifier de manière flexible le régime de température dans les locaux à différents moments de la journée. Pendant les périodes calendaires de transition (automne / printemps), caractérisées par une instabilité de la température, le système automatisé réduira l'apport de chaleur pendant les heures / jours où la température de l'air augmente considérablement.
Si le système de chauffage est équipé de modules GSM, cela permet de surveiller à distance le régime thermique du bâtiment / de la pièce, par exemple à l'aide d'appareils mobiles.
Automatisation du chauffage dans une maison privée
Il est à noter que dans ce cas, l'automatisation du chauffage dans une maison privée n'implique pas d'économies, car la vanne thermostatique ne le permet tout simplement pas. Et il y a plusieurs raisons principales à cela:
- En utilisant un tel appareil, la puissance du radiateur augmente d'environ 15%. Si vous n'utilisez pas un tel appareil, il est possible de choisir un radiateur plus faible. On peut dire que dans ce cas, l'appareil n'a pas joué une bonne blague. Plus la puissance est élevée, plus l'appareil de chauffage est cher;
- Dans ce cas, la chaudière de chauffage ne sera pas dans les conditions les plus confortables pour elle. Cela se reflétera dans l'augmentation de la consommation de carburant, ainsi que dans sa période d'exploitation. Il est très difficile d'imaginer combien de fois par jour une chaudière à gaz peut s'éteindre et se rallumer. Bien entendu, cela ne reflète pas au mieux sa durée de vie. Avec les chaudières à combustible solide, la situation est encore pire, car ici, la probabilité que la chaudière bouillonne simplement augmente considérablement;
- Il y a un autre point qui nécessite déjà une intervention humaine. Afin d'économiser du carburant, il sera nécessaire d'abaisser manuellement la température du liquide de refroidissement lorsqu'il n'y a personne dans la maison. Cela peut être fait de deux manières: la première consiste à réduire la quantité de combustible pour la chaudière et la seconde consiste à régler un indicateur de température réduite sur chaque thermo-vanne séparée. Comme le montre la pratique, beaucoup oublient tout simplement cela, de sorte que la question de l'épargne n'est pas résolue ici;
- Le coût d'un tel équipement est loin d'être minime. De plus, le montant final variera en fonction des batteries chauffantes. Nous multiplions leur nombre par le prix d'une vanne thermostatique et nous obtenons une quantité assez solide.
Automatisation des systèmes de chauffage
Si une automatisation plus moderne des systèmes de chauffage est nécessaire, les fabricants proposent aujourd'hui des appareils plutôt uniques qui distingueront toutes les exigences de notre temps. Cela comprend un régulateur de température ambiante. Fondamentalement, ces appareils sont installés directement dans la pièce. Il est fixé au mur et vous permet de contrôler la température ambiante. La particularité d'un tel appareil réside dans le fait qu'il effectue toute une gamme de tâches différentes. Il peut activer ou désactiver l'alimentation en carburant lorsqu'il s'agit de chaudières à gaz ou électriques, et également activer et désactiver les sédiments pour la circulation du liquide de refroidissement lorsqu'il s'agit de chaudières à combustibles solides.


Automatisation du système de chauffage
Une telle automatisation du système de chauffage, représentée par des régulateurs de température ambiante, présente les avantages suivants:
- L'appareil est responsable du contrôle de la température de l'air, pas à l'intérieur du liquide de refroidissement. Compte tenu du fait que le volume d'air est supérieur au volume d'eau, il n'y aura pas de sauts brusques de température. Cela aura un effet positif sur la durée de fonctionnement de la chaudière, car il y aura beaucoup moins d'arrêts et d'arrêts. Les experts notent que l'utilisation d'une telle automatisation peut permettre des économies de 30%;
- L'appareil est programmable. Il peut être installé de manière à ce que la même température de l'air soit maintenue jusqu'au soir, et avant l'arrivée des résidents, elle augmentera. Les économies dans ce cas sont évidentes. Il est à noter que chaque degré inférieur de température de l'air fournit une économie de carburant de 6%;
- Il existe également des capteurs plus fonctionnels, qui se composent de deux appareils, dont l'un est installé directement à l'intérieur de la maison, le second dans la rue. Cela est nécessaire pour que la température dans la maison dépende complètement de la température extérieure. De tels dispositifs sont appelés dépendant des conditions météorologiques;
- À l'aide d'un tel dispositif, vous pouvez contrôler le processus de chauffage de l'eau dans la chaudière, ainsi que contrôler la circulation du liquide de refroidissement le long des circuits sur différents étages, ainsi que dans le système de chauffage par le sol. Un autre gros avantage d'un tel système est qu'il peut être contrôlé via Internet ou via le chat SMS.
Types d'appareils d'automatisation
Pour modifier la température dans les systèmes de chauffage, des dispositifs de contrôle à deux positions (thermostats) et des dispositifs de contrôle modulant (capteurs de température) sont utilisés.
Les thermostats sont utilisés pour maintenir une température de consigne constante dans la pièce. Ils fonctionnent sur le principe d'éteindre le chauffage de la chaudière du système de chauffage lorsque la température souhaitée est atteinte et, par conséquent, de l'allumer lorsque la température descend en dessous d'un niveau prédéterminé. Ce sont les dispositifs de contrôle de la température intérieure les plus simples et les plus fiables. Les thermostats offrent un niveau de confort assez élevé et des économies de carburant allant jusqu'à 20%. Ils sont idéaux pour le chauffage séparé des appartements et autres petits espaces.
Les dispositifs de contrôle modulaires - capteurs de température - vous permettent de maintenir la température dans la pièce à un niveau donné, quel que soit le changement de température extérieure, ainsi que de réduire la consommation d'énergie. Ils sont connectés au système de chaudière à vapeur et lui transmettent des valeurs de température, selon lesquelles l'automatisme sélectionne indépendamment la température du liquide de refroidissement requise. Les capteurs thermiques ont une précision plus élevée que les thermostats et, grâce à la fonction de minuterie avec télécommande et module de programmation, ils sont également en mesure de fournir un niveau accru de confort de la pièce et d'économies d'énergie.


Automatisation du contrôle du chauffage
Quant au prix d'un régulateur d'ambiance, une telle automatisation pour le contrôle du chauffage dépendra directement du modèle choisi. Vous devez comprendre que la différence de coût est tout à fait perceptible. Si vous choisissez un thermostat dépendant de la météo, il coûtera 5 à 6 fois plus cher qu'un thermostat ordinaire.Mais il existe un moyen efficace de résoudre ce problème. Pour cela, un thermostat peut être installé dans l'une des pièces, et des vannes thermostatiques peuvent être installées sur les radiateurs de toutes les autres. Sur le thermostat, vous devez régler la température requise et tourner les vannes manuellement.
Automatisation du système de chauffage
Quel est l'avantage? Le fait est qu'une automatisation coûteuse du système de chauffage affectera le fonctionnement du chauffage lui-même, en l'allumant et en l'éteignant constamment. Quant aux vannes thermiques, elles n'auront rien à voir avec la chaudière, puisqu'elles ne surveilleront que la température de la pièce où elles ont été installées. Mais il y a un petit inconvénient ici. Par exemple, dans une pièce où le régulateur de température ambiante est installé, plusieurs personnes se sont rassemblées. Bien entendu, la température dans cette pièce commencera à augmenter rapidement. En conséquence, l'automatisation réagira à ces changements et l'alimentation en combustible de la chaudière sera fortement réduite. Naturellement, cela conduira au fait que la température dans toute la maison commencera à diminuer. Si dans la pièce où les gens sont rassemblés, elle sera assez confortable et chaude, alors dans d'autres pièces, elle deviendra beaucoup plus fraîche.


Une question tout à fait logique peut se poser: à quelle vitesse l'automatisation réagira-t-elle aux changements de température. Si nous prenons en compte le fait qu'une personne émet environ 100 watts d'énergie thermique, cet indicateur doit être multiplié par le nombre de personnes et nous obtiendrons le résultat souhaité. Comme le montre la pratique, dans une pièce moyenne, où environ 5 personnes se sont rassemblées, la température de l'air augmentera de 1 degré en une demi-heure. Il convient également de considérer le moment avec l'emplacement de la pièce où le régulateur est installé. Si la pièce est du côté sud, elle sera toujours plus chaude que dans les autres pièces. Tout cela doit être pris en compte avant d'acheter un thermostat automatique.
Automatisation dans une maison privée
De plus, l'automatisation dans une maison privée peut être représentée simultanément par un régulateur d'ambiance et une thermovanne. Cette combinaison a déjà été discutée un peu plus haut. Mais cette «symbiose» est-elle vraiment aussi efficace qu'on le dit? La pratique montre que les économies sont vraiment importantes. Et ce fait est influencé non seulement par une diminution du vecteur d'énergie, mais également par le moindre coût des thermo-vannes.
Les fonctions dans ce cas sont attribuées en fonction de l'importance de chacun des appareils utilisés. Le régulateur de température ambiante sera le principal de toute la chaîne, qui contrôlera et régulera le fonctionnement de la chaudière. En termes simples, il effectuera les ajustements de base du travail. Quant aux trois vannes, elles constitueront une sorte d'ajouts permettant de corriger la température dans les pièces où elles sont installées.
Quant au coût de l'automatisation, il est également influencé par le type de chauffage, ainsi que par la présence de chauffage par le sol, etc. En utilisant un type d'automatisation combiné, son prix augmentera. Malgré cela, sa présence réduira les coûts, qui dépendent directement du gazoduc, ainsi que de l'emplacement de toutes les autorités nécessaires. Avant de faire votre choix dans la direction d'un appareil particulier, vous devez vous familiariser avec tous les types d'automatisation du système de chauffage. Cela vous permettra de sélectionner le bon type d'appareil, ainsi que de calculer son coût approximatif et les économies futures. S'il est difficile de le faire vous-même, vous pouvez demander de l'aide à un spécialiste qui fera tout le travail à votre place. Dans ce cas, le risque de dépenser encore plus de fonds personnels, qui ont été alloués à l'aménagement de l'automatisation du système de chauffage, est considérablement réduit.
Ce qui doit être automatisé
Que faut-il automatiser dans le système de chauffage d'un appartement ou d'une maison de campagne? En fait, l'automatisation des systèmes de chauffage peut être réglée sur tous les paramètres possibles, mais il existe une plage obligatoire, ce qui prend généralement beaucoup de temps pour le contrôle manuel.
- Les performances de la chaudière pour le chauffage doivent être automatisées en premier lieu.
- Fournissant un régime de température approprié, respectivement, ce sont des mécanismes de pompage et des capteurs de température.
- Travaillez en mode économique, lorsque personne n'est dans le bâtiment et qu'il est nécessaire de maintenir le mode légèrement plus haut que lorsque l'équipement de chauffage gèle, alors qu'il fait beaucoup plus froid que le standard.


Système de contrôle du chauffage
Ici, il convient de prêter attention au fait que les fabricants de chaudières pour le chauffage pensent à l'avance à l'unité d'automatisation.Par conséquent, le futur propriétaire de sa chaufferie doit prendre soin de ce moment à l'avance.
Étant donné que ses tâches consistent également à assurer un fonctionnement sans problème de la chaudière, elle possède les fonctionnalités suivantes:
- Protection du fluide caloporteur contre une augmentation excessive de sa propre température.
- Empêche les chutes de pression à l'intérieur de l'équipement.
- Contrôle le volume de remplissage du réservoir de la chaudière avec de l'eau.
- Contrôle la pression de chauffage.
- Surveille les gaz d'échappement.
Une partie de la fonctionnalité de la chaufferie peut être connectée ou non connectée, ici déjà à la demande du propriétaire lui-même. Mais les trois premiers points sont nécessaires pour l'automatisation.




















