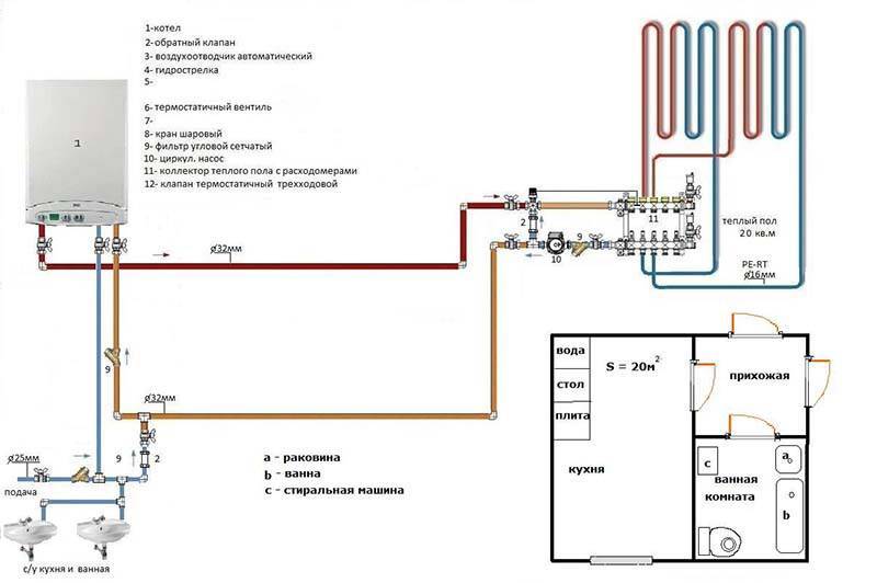
Connexion via vanne 3 voies
Un peu différent dans l'assemblage et le principe de fonctionnement est la possibilité de connecter un plancher chauffant via une vanne à trois voies, qui est représentée dans le schéma ci-dessous avec une flèche.
Ce schéma est utilisé dans les cas où, en plus du sol chaud, le système contient également un circuit de chauffage principal. Les températures du liquide de refroidissement qu'elles contiennent seront différentes, c'est pourquoi une vanne mélangeuse est nécessaire.

Connexion via vanne 3 voies
- Cet appareil régule non seulement l'alimentation en eau du circuit (monté sur le tuyau d'alimentation devant la pompe de circulation), mais en même temps, à l'aide d'un thermostat intégré, contrôle sa température, mélangeant le caloporteur froid avec le chaud. Dans ce cas, la pression dans la canalisation correspond à la pression réglée à la pompe.
- Cependant, la vanne ne peut pas mesurer avec précision la quantité d'eau à mélanger, par conséquent la température dans le circuit de plancher peut être sous-refroidie ou trop chaude. Le problème est résolu en y connectant un servo, car c'est lui qui équilibre le fonctionnement du système et protège les sols de la surchauffe.


Vanne mélangeuse à trois voies
Un circuit avec une vanne mélangeuse est tout à fait accessible pour l'auto-assemblage, et son équipement ne nécessite pas de coûts importants.
Circuit de vanne à deux voies
Installez-le sur l'alimentation d'un appareil de chauffage. À la place du cavalier entre la conduite d'alimentation et la conduite de retour, une vanne réglable d'équilibrage est montée. Il est ajusté en fonction de la température requise de l'eau fournie, généralement à l'aide d'une clé hexagonale. Il est nécessaire d'ajuster la quantité de liquide de refroidissement froid.
Le capteur de température est placé après la pompe, qui à son tour déplace l'eau en direction du peigne. Ce n'est que maintenant que l'intensité du mouvement du liquide de refroidissement chauffé de la chaudière change. Ainsi, la température de l'eau fournie change à l'entrée de la pompe, tandis que le débit froid est ajusté et stable.


Le mélange a toujours lieu et l'eau de la chaudière n'entre pas directement dans les circuits, car cela est impossible. Ce schéma peut être considéré comme plus fiable. Mais il convient de noter que le groupe de mélange, équipé d'un élément à deux voies, est capable de chauffer 150 à 200 "carrés" de la zone, car il n'y a pas de vannes de plus grande capacité.
Collecteur pour système de chauffage par le sol
Pour le chauffage par le sol, un bloc collecteur commun est le plus souvent monté, ou un collecteur séparé est installé devant chaque circuit de chauffage. Si cette dernière option est mise en œuvre, tous les capteurs sont équipés de débitmètres, de thermostats et des éléments suivants:
- Vanne mélangeuse de retour et d'alimentation;
- Vanne d'arrêt d'équilibrage du réchauffeur;
- Vanne de trop-plein.
Il est possible d'assembler vous-même un collecteur pour un sol chaud selon différents schémas, et dans certains schémas de nœuds collecteurs, des dérivations sont utilisées, mais pas toujours - uniquement dans les systèmes à circuit unique. Si le système de chauffage par le sol est organisé selon un schéma à deux circuits, le collecteur peut être connecté sans dérivation au circuit secondaire.




Chauffage par le sol à double circuit avec un collecteur
Avant d'assembler un assemblage de collecteur pour un sol chaud, pesez vos possibilités - il est parfois plus facile d'acheter une structure prête à l'emploi. Si le collecteur doit être acheté, il vaut mieux que toutes ses pièces et éléments soient du même fabricant. Lors de l'assemblage de l'unité vous-même, vous devez choisir le matériau à partir duquel les principaux composants de l'unité seront assemblés: à partir de cuivre, d'acier, de polymères ou de laiton.
De plus, lors du choix d'un dessin industriel, il est important de prendre en compte les paramètres suivants:
- Combien de circuits de chauffage seront dans le système (généralement de 2 à 12), la longueur totale du pipeline et le débit des circuits;
- Pression maximale admissible dans les tuyaux;
- La possibilité d'agrandir le système de chauffage;
- Commande manuelle ou automatique du collecteur ;
- Puissance électrique de toutes les unités et assemblages;
- Le diamètre des ouvertures internes du collecteur (débit).


Collecteur de bricolage
Le fonctionnement le plus efficace des ensembles collecteurs assemblés peut être assuré en y connectant des circuits de chauffage de même longueur. Afin d'égaliser les canalisations avec une précision suffisante en longueur, elles sont divisées en segments égaux, qui sont connectés au collecteur. Le moyen le plus simple de calculer l'unité de collecte est dans un programme informatique spécial ou sur une calculatrice en ligne afin qu'un phénomène appelé «zèbre de chaleur» n'apparaisse pas, c'est-à-dire un chauffage irrégulier du sol.
Pour le calcul, vous avez besoin des données suivantes:
- Type de revêtement de sol décoratif;
- la zone de la pièce chauffée et le plan pour y placer de gros objets;
- Matériau et diamètre des tuyaux du circuit;
- Puissance nominale de la chaudière;
- Type d'isolation du sol.


Calcul du réservoir
Installation des capteurs - recommandations
Lors de la conception d'un système de chauffage par le sol, vous devez d'abord trouver l'emplacement optimal pour installer le collecteur. En standard, l'unité est installée dans une armoire de collecteur, et l'armoire elle-même est montée à une hauteur de 30 à 40 cm du niveau du sol à côté de l'alimentation et du retour.
Afin de ne pas blâmer vos propres erreurs et d'assurer un chauffage maximal des tuyaux de chauffage par le sol, étudiez les instructions de raccordement du capteur. Assemblez ensuite l'ensemble dans l'ordre suivant (cela s'applique à l'ensemble de collecteur industriel):
- Déballez les tuyaux pour le flux direct et de retour du fluide caloporteur. Les tuyaux doivent être équipés de débitmètres et de vannes d'alimentation. Si le collecteur est multi-sections, assemblez les sections en une seule structure;
- À partir des sections assemblées, vous devez assembler une unité sur des supports (inclus);
- Ensuite, nous installons des vannes d'arrêt, des automatismes, des capteurs et le reste des raccords de connexion;
- Nous fixons l'unité au mur ou dans l'armoire, montons le thermostat, le servo variateur et la pompe de circulation;
- Nous connectons les tuyaux de la chaudière et les tuyaux des circuits de chauffage du système "plancher chaud".


Ensemble de collection
Le schéma de connexion du capteur de chauffage par le sol est maintenant mis sous pression, après quoi la chape en béton peut être coulée. Les réglages thermiques du capteur peuvent être effectués après l'installation de la couche de finition.
Assemblage de collecteur à faire soi-même
Un collectionneur d'usine est un produit assez cher, tant d'artisans veulent le fabriquer de leurs propres mains. De nombreux articles devront encore être achetés, mais le coût sera moins cher. Le moyen le plus simple est de souder un collecteur fabriqué soi-même à partir de tuyaux et raccords en PVC Ø 25-32 mm. Vous aurez également besoin de tés et de coudes de même diamètre et de vannes d'arrêt.


Collectionneur fait maison
Le nombre de vannes et de raccords est calculé en fonction du nombre de circuits de chauffage. Parmi les outils, vous avez besoin d'un fer à souder pour les éléments en propylène et de buses, de ciseaux spéciaux pour couper les tuyaux et d'un ruban à mesurer.
Le marquage du collecteur consiste à marquer et couper les tuyaux de la longueur requise, en respectant la distance minimale entre les tés. Les vannes et les transitions sont soudées à des tés en PVC avec un fer à souder. Les raccords pour connecter la pompe sont soudés à cette structure. Comme vous pouvez le voir, tout est simple, mais il vaut mieux acheter des blocs collecteurs plus complexes prêts à l'emploi.
Raccordement des tuyaux de chauffage par le sol au peigne
L'installation des tuyaux de chauffage commence par la connexion de l'extrémité libre du tuyau à l'union du collecteur d'alimentation du collecteur de distribution.
La plupart des fabricants modernes, tels que Rehau, par exemple, le font en utilisant une connexion filetée Eurocone.Il est considéré aujourd'hui comme l'un des plus simples et des plus fiables en exécution.


Eurocone passe souvent sous un diamètre de 17 mm, tandis que de nombreux utilisateurs assemblent leur système de chauffage par le sol à partir d'un 16e tuyau. Dans ce cas, vous devrez calibrer le tube à la taille spécifiée.


Vous pouvez utiliser les tuyaux XLPE d'origine de Rehau, qui ont un diamètre de 17, alors tout devrait se passer sans gestes supplémentaires.
Erreur n ° 1 - il n'est pas recommandé de traiter et d'élargir l'extrémité du tube avec un outil inapproprié.


Quelqu'un élargit le mur avec des ciseaux en métal. Il semble que tout va bien, mais vous n'obtiendrez pas un contact parfaitement uniforme de cette manière.


La fiabilité de la connexion en perdra éventuellement. Avec de fréquents changements de température, une fuite est tout à fait possible à cet endroit à l'avenir.
Ensuite, placez l'écrou-union sur le tube, insérez la bague de compression et la douille de poussée.


Puis, à la main, serrez l'extrémité du tube sur le raccord de raccordement.


Afin de ne pas perturber l'union sur le collecteur, le serrage final doit être effectué avec deux clés. Avec l'un, vous fixez l'hexagone sur le raccord, et avec le second, serrez le raccord fileté.


Lors de l'installation de tuyaux élastiques, il est préférable d'enfermer le raccordement du capteur au sol dans un verrou à pivot.


A l'entrée de la chape, les tuyaux doivent être recouverts d'une enveloppe de protection constituée de tuyaux ondulés ou d'isolation thermique. La longueur recommandée est d'au moins 0,5 m.
25 cm sortiront, et les 25 autres cm seront situés dans la chape elle-même.


Erreur numéro 2 - si vous ne mettez pas le boîtier de protection, le tube sera endommagé par les arêtes vives de la chape lors de ses extensions de température.
Les circuits de chauffage doivent être posés par incréments de 100 mm.


L'installation du circuit se termine en amenant l'autre extrémité du tuyau au raccord correspondant du collecteur de retour.


Dans la zone où les tuyaux sont connectés au collecteur, où la distance entre les tuyaux est minime ou ils se rapprochent les uns des autres, ils doivent également être placés dans une isolation thermique ou une ondulation.
Cela évitera la surchauffe de la chape et réduira la température de surface à proximité du capteur lui-même. De la même manière, connectez tous les autres circuits un par un.


Erreur n ° 3 - ne pas confondre alimentation et retour. Les tuyaux d'alimentation ne sont pas toujours connectés à l'endroit où se trouvent les débitmètres et les tuyaux de retour sont connectés à un autre peigne.
Tout dépend du type de débitmètre. Alors vérifiez la documentation. Dans un cas, la tige doit être déviée vers le bas par l'écoulement de l'eau, par conséquent, l'écoulement est démarré à travers elle.


Et dans l'autre, au contraire, soulevez le stock.


Vous pouvez les distinguer sur une échelle. Pour ceux qui doivent servir - zéro sera tout en haut, et l'échelle augmentera en conséquence vers le bas.


Ceux de la ligne de retour ont zéro à partir du bas et les nombres augmentent vers le haut.
Contrôle du fonctionnement du système de chauffage par le sol
L'efficacité des appareils de chauffage dépend non seulement de leur puissance et de leurs réglages, mais, tout d'abord, de l'état de l'objet chauffé. Si le bâtiment n'est pas suffisamment isolé, aucun système ne créera les conditions d'une vie confortable. Les murs en matériaux poreux, tels que la roche à coque sciée ou le béton cellulaire, réduisent les pertes de chaleur de 20 à 25% par rapport aux briques en céramique, une isolation supplémentaire des murs et une protection contre le vent, ainsi que l'isolation du gâteau de toiture, donnent à peu près le même effet.
En ce qui concerne le contrôle du mode de fonctionnement du chauffage par le sol, il convient de noter que deux approches principales sont utilisées: la commande manuelle de l'unité de mélange et l'utilisation de systèmes de commande automatique.
La première option est utilisée pour les petits bâtiments, composés de 2 ou 3 salons et locaux auxiliaires. Le mode de mélange est réglé manuellement avec une grue ordinaire.
Pour les réseaux de chauffage complexes développés, cette méthode est irréaliste en raison de la nature multifactorielle du processus et des dispositifs automatisés complexes sont utilisés.
Les systèmes de contrôle du chauffage peuvent être:
- groupe - leur tâche est de convertir la température de l'eau sortant de la chaudière à 75-90 degrés à 35-40 degrés à l'entrée requise pour les circuits à basse température et de contrôler la température de retour en effectuant des ajustements sur le mode de mélange. Naturellement, les changements des conditions météorologiques affectent également la quantité de transfert de chaleur dans le système de chauffage;
- individuel - le débit du caloporteur pour chaque circuit est réglé de manière à ce que la pièce ait une température constante dans l'intervalle spécifié. Ceci est réalisé soit en installant une sonde de température ambiante, soit en surveillant la température de retour en aval du registre directement au niveau du collecteur.
Équipement
Dans le cadre d'un petit article, il est impossible d'afficher toute la variété des appareils, alors arrêtons-nous sur certains de leurs représentants typiques:
Contrôleurs de groupe
Le chauffage est contrôlé en appliquant une impulsion au servo de la soupape de commande, qui effectue la manipulation appropriée. Dans un contrôleur, jusqu'à 10 canaux de capteurs sont installés pour ajuster le mélange dans divers circuits. La programmation du travail est possible.


Unité de contrôle du mode de fonctionnement du chauffage par le sol
Lorsqu'un capteur de température externe est connecté, le mode de température de chauffage du fluide de chauffage change de manière préventive.
Thermostats
Un dispositif à distance capable de mesurer la température sur le site d'installation et de transmettre des données à ce sujet à l'unité de commande du système de chauffage. L'appareil peut transmettre des informations à la fois par fil et par radio. Il doit être installé dans un endroit protégé de la lumière du soleil et à l'abri des courants d'air.


Thermostat d'ambiance pour plancher d'eau
Un dispositif de contrôle direct de la température du flux caloporteur. P est situé dans la rupture de la canalisation. Habituellement équipé d'un servomoteur pour contrôler le registre. Calculé au travail à une pression dans le système jusqu'à 16 atmosphères.


Vanne thermostatique à trois voies dans le système de chauffage par le sol
Servo
Un dispositif qui entraîne un dispositif d'arrêt de vanne (tige). L'appareil est de petite taille et génère une force de plus de 10 kg.


Servo pour vanne de chauffage par le sol
Schéma de connexion directe
Vous disposez d'une chaudière, après quoi tous les raccords de sécurité + pompe de circulation sont installés. Dans certaines versions murales de chaudières, la pompe est initialement intégrée dans son corps.
Pour les copies au sol, vous devrez l'installer séparément. De cette chaudière, l'eau est d'abord dirigée vers le collecteur de distribution, puis se disperse le long des boucles. Après cela, après avoir terminé le passage, il revient par le retour au générateur de chaleur.
Avec un tel schéma, la chaudière est directement ajustée à la température souhaitée des TP eux-mêmes. Vous n'avez pas de radiateurs ou de radiateurs supplémentaires ici.
Quelles sont les principales caractéristiques à retenir ici? Tout d'abord, avec une telle connexion directe, il est conseillé d'installer une chaudière à condensation. Dans de tels circuits, le fonctionnement à des températures relativement basses du condenseur est tout à fait optimal.
Dans ce mode, il atteindra sa plus grande efficacité
Dans de tels circuits, le fonctionnement à des températures relativement basses du condenseur est tout à fait optimal. Dans ce mode, il atteindra sa plus grande efficacité.
Si vous utilisez une chaudière à gaz ordinaire, vous allez bientôt dire adieu à votre échangeur de chaleur.


La deuxième nuance concerne les chaudières à combustible solide. Lorsque vous l'avez installé, pour le raccordement direct au chauffage par le sol, vous avez également besoin d'un ballon tampon.


Il est nécessaire de limiter le régime de température.Il est très difficile de réguler la température directement avec des chaudières à combustible solide.
Comment assembler et connecter correctement le collecteur
Installez le cadre - le collecteur est monté horizontalement directement sur le mur ou dans une niche découpée. La seule condition d'installation est le libre accès à la flèche des tuyaux de chauffage. Il est également possible d'installer une armoire de collecte de vos propres mains.
L'armoire vous permettra de cacher le câblage des regards indiscrets, ce qui est particulièrement important si une salle de bain ou un couloir est utilisé sous la chaufferie.
Raccordement à la chaudière - le liquide de refroidissement est fourni par le bas, le flux de retour part par le haut. Les coupes à billes doivent être installées devant le cadre.
Un groupe de pompage est installé juste derrière les grues. Pour maintenir la température requise, le caloporteur chauffé n'est utilisé que partiellement. La pompe crée non seulement la pression nécessaire dans le système de chauffage, mais aide également à mélanger l'eau refroidie du circuit de plancher et l'eau chauffée de la chaudière. Un clapet anti-retour avec un limiteur de température est installé. Un collecteur de distribution est installé derrière la vanne. Le câblage du collecteur pour le chauffage par le sol est réalisé comme suit. Les tuyaux allant au sol chaud sont fixés par le haut, par le système de chauffage par le bas. Si vous avez besoin d'assembler de vos propres mains un collecteur de distribution d'un plancher d'eau chaude, des robinets avec thermostat intégré sont installés dans le peigne. La pratique montre que la meilleure option est d'acheter une structure prête à l'emploi. L'assemblage du collecteur même par un professionnel et le réglage automatique des vannes est un processus laborieux qui nécessite certaines compétences et expérience. Le raccordement d'un collecteur d'eau chaude au sol nécessite l'utilisation d'accessoires spéciaux. Des raccords à compression sont utilisés, constitués d'un manchon de support, d'une bague de serrage et d'un écrou intermédiaire en laiton. Après l'installation, le collecteur est mis en place.
Test de pression du collecteur - une fois les travaux d'installation terminés, il est nécessaire de vérifier l'étanchéité des connexions. Pour cela, le groupe de capteurs complété est connecté à une pompe (opérateur sous pression). Avec l'aide d'un opérateur de pression, la pression s'accumule dans le système. Le circuit d'eau est laissé sous pression pendant une journée. Si les indicateurs de pression n'ont pas changé, cela signifie que l'installation du capteur de chauffage par le sol de vos propres mains a été effectuée correctement et que l'unité de mélange est prête à fonctionner.
À première vue, assembler un collectionneur de vos propres mains semble assez simple. Mais comme le montre la pratique, il vaut mieux ne pas commencer l'installation sans les outils nécessaires et les compétences spéciales.
Comment choisir son équipement?
Les dispositifs thermostatiques sont choisis en fonction du débit du liquide de refroidissement. Il doit correspondre au volume de liquide pompé dans le système de chauffage. Les données sont indiquées dans la fiche technique de la chaudière.
Pour les circuits chaud et froid, des tuyaux métalliques d'un diamètre de 26 * 2 mm sont utilisés. Les buses d'un mélangeur à trois voies doivent avoir le même diamètre. Sinon, vous devrez installer des adaptateurs, ce qui n'est pas souhaitable pour le système de chauffage. Les coutures sont fortement chargées. Vous devez toujours surveiller leur étanchéité.
Nous recommandons: Comment allumer le sol chaud?


La température du liquide dans la ligne de plancher est de 55 à 35 ° C. L'équipement est choisi en fonction d'un certain régime thermique, qui peut être réglé sur le thermostat. Le chauffage par radiateur nécessite une plage de température plus large, jusqu'à 80 ° C.
Un équipement thermostatique est utilisé pour contrôler le régime de température dans la pièce avec chauffage par le sol à eau. L'automatisation facilitera le fonctionnement du système de chauffage, fournira un microclimat normal dans les pièces individuelles du chalet et économisera de l'électricité.
Lors de l'utilisation de l'appareil avec un logiciel, il devient possible de réguler la température de la ligne de plancher en fonction de l'heure de la journée, des jours de la semaine.
YouTube a répondu par une erreur: Accès non configuré. L'API de données YouTube n'a jamais été utilisée dans le projet 268921522881 auparavant ou elle est désactivée. Activez-le en visitant https://console.developers.google.com/apis/api/youtube.googleapis.com/overview?project=268921522881, puis réessayez. Si vous avez activé cette API récemment, attendez quelques minutes que l'action se propage sur nos systèmes et réessayez.
- Articles similaires
- Comment fonctionne l'automatisation du chauffage par le sol?
- Comment le plancher chauffant au carbone est-il installé?
- Comment choisir une chaudière pour un sol chaud?
- Est-il possible de poser un chauffage par le sol sous du linoléum?
- Caractéristiques du chauffage par le sol Fenix
- Quelles sont les caractéristiques d'un plancher chaud à deux cœurs?
Avez-vous besoin d'un collectionneur
Le principal inconvénient du dispositif est considéré comme son coût élevé, mais il faut tenir compte du fait que sans lui, les revêtements de type eau chaude ne pourront pas fonctionner normalement. Ceci n'est possible que si le couvercle est constitué d'un seul circuit de chauffage. Dans le chauffage par le sol moderne, la longueur des tuyaux à poser ne peut pas dépasser 70 mètres. Étant donné que ce montant ne suffira que pour 7 mètres carrés de surface, pour une pièce de taille moyenne, vous aurez besoin d'au moins trois contours.
Le plus souvent, des revêtements de type eau chaude sont installés dans toutes les pièces d'un appartement ou d'une maison. Dans ce cas, une installation obligatoire du capteur sera nécessaire pour répartir uniformément l'alimentation du caloporteur. Si nous parlons d'une petite pièce, le collectionneur ne peut pas être acheté. Il faut se rappeler que sans cet appareil, le liquide de refroidissement sera alimenté à la température comme dans le système de chauffage général. De plus, sans elle, il est impossible de retirer les sas d'air et de contrôler la pression.
Raccordement du capteur à la chaudière


Le processus de connexion d'un plancher d'eau chaude avec un peigne est très simple et se résume à connecter les tuyaux des circuits de chauffage au collecteur et le collecteur lui-même à la chaudière. Cependant, il existe des différences dans la configuration du collecteur. C'est ce que nous considérerons dans cette sous-section.
Le capteur doit être installé de manière à pouvoir y conduire les tuyaux du circuit de chauffage. Alors, installez des vannes d'arrêt sur le collecteur. Connectez la sortie latérale au tuyau à la fois pour l'alimentation et le retour.
Si vous achetez un kit de collecteur prêt à l'emploi, il aura déjà toutes les vannes nécessaires, même aux sorties des tuyaux allant à la chaudière. La présence de robinets vous permettra, si nécessaire, d'effectuer des réparations ou de désactiver temporairement l'un des circuits. Si vous assemblez le collecteur vous-même, l'assemblage de la connexion de chaque élément est effectué avec un raccord à compression. En conséquence, le chauffage par le sol sera connecté à la chaudière via le collecteur.


Pour automatiser le contrôle de la température du liquide de refroidissement, l'équipement suivant est en plus installé dans le collecteur:
- Unité de pompe et de mélange, qui comprend une vanne de mélange à trois voies.
- Pour pompe à circulation forcée.
- Vidanger le robinet.
- Purgeur d'air.
Ainsi, au lieu de vannes d'arrêt sur le collecteur, installez des vannes de régulation thermostatiques. Dans leur conception, il y a un ballon thermique avec de la paraffine qui, poussant hors de la température de l'air dans la pièce, se rétrécit ou se dilate. Ces actions déterminent la capacité de la vanne thermostatique. Quant à l'unité de pompage et de mélange, le principe de son fonctionnement a été décrit ci-dessus.
Nous avons donc examiné les schémas de base et de travail pour connecter un plancher d'eau chaude. Comme vous pouvez le voir, il ne suffit pas de savoir comment installer correctement un plancher d'eau. Il doit être connecté correctement. Nous espérons que cet article vous aidera à comprendre les subtilités de ce travail. Et si vous avez déjà une expérience personnelle, laissez des commentaires et des commentaires à la fin de cet article concernant les schémas de raccordement au sol de chauffage à eau que vous utilisez.
Éléments du système


Éléments du système
Tous les schémas sont unis par la facilité d'utilisation, la possibilité d'auto-assemblage, ainsi que l'emplacement des principaux éléments. L'alimentation et le retour sont situés sur le côté gauche et le collecteur avec des peignes - sur la droite. Les différences entre les régimes résident dans l'ajout de quelques détails.Le plus souvent, le collecteur est situé près de l'unité de mélange, moins souvent - à distance, ce qui peut être dû à un manque d'espace libre ou à des caractéristiques de planification de la pièce.
La composition des composants dépend du matériau des tuyaux utilisés - en polypropylène réticulé, métal-plastique, acier inoxydable ondulé ou cuivre.
Les éléments suivants sont utilisés dans le schéma:
- Vannes d'arrêt sous forme de vannes à bille. Ils ne participent pas au réglage des principaux indicateurs du liquide de refroidissement - sa température et sa pression, mais sont nécessaires lors de travaux de réparation lorsqu'il est nécessaire d'éteindre des composants individuels du système.
- Un filtre oblique conçu pour la purification mécanique de l'eau. Il est utilisé dans le système s'il n'y a pas de certitude quant à la pureté de l'eau utilisée. Ce filtre empêchera les solides de pénétrer dans le syntoniseur, assurant ainsi un fonctionnement correct du système et prolongeant la durée de vie de la vanne.
- Thermomètres qui fournissent un contrôle visuel de la température de l'eau à l'intérieur du circuit. Certains modèles sont équipés d'une sonde qui entre en contact direct avec le liquide de refroidissement. Les thermomètres sont disponibles en version liquide, mécanique et numérique.
- La vanne thermostatique est le principal élément de commande de l'unité de mélange. Une tête thermostatique est placée dessus. Lorsque la température du liquide de refroidissement change, la tête agit mécaniquement sur la vanne thermique. Si le degré est dépassé, la vanne se ferme et lorsque la température baisse, elle s'ouvre.
- Une dérivation pour le prélèvement d'eau froide est un cavalier, qui est formé entre les tuyaux d'alimentation et de retour à l'aide de tés sanitaires. Pour régler avec précision la pression du liquide de refroidissement, une vanne d'équilibrage est installée sur la dérivation, ce qui garantira le fonctionnement optimal du système et son silence.
- La vitesse optimale de circulation de l'eau à travers les tuyaux est assurée au moyen d'une pompe de circulation.
Choke d'alimentation


Le système de vanne à deux voies est le plus simple à mettre en œuvre. Le contrôle de la température de l'eau entrant dans les tuyaux du système est effectué grâce à une tête thermostatique installée sur la vanne et un capteur de liquide. L'ouverture et la fermeture de la vanne sont dues à la tête qui fait passer l'eau chaude de la chaudière dans le circuit ou la coupe.
Ainsi, l'eau du «retour» est fournie de manière illimitée, et l'eau chaude uniquement si nécessaire sous la commande de la vanne. Pour cette raison, la surchauffe du sol chaud est exclue et sa durée de vie est prolongée. La faible capacité de débit de la vanne à deux voies assure une régulation en douceur de la température de l'eau, éliminant les changements brusques.
Starter à trois voies
Contrairement à une vanne à deux voies, une vanne à trois voies mélange de l'eau de différentes températures à l'intérieur d'elle-même. Cet élément combine une vanne de dérivation d'alimentation et une dérivation. La particularité réside dans la possibilité de régler la quantité de caloporteur chaud et froid pour le mélange, grâce à un registre situé entre le tuyau d'eau chaude et le "retour".
De telles vannes présentent des inconvénients. Il est possible que de l'eau très chaude soit fournie par un signal provenant d'un capteur de température, ce qui, en raison d'une forte baisse, peut provoquer une augmentation de la pression dans les tuyaux et une violation de l'intégrité des circuits. La grande capacité de débit de la vanne trois voies peut provoquer une forte baisse de la température de l'eau dans le circuit, même avec un déplacement minimal de la commande de l'appareil.
Comment fonctionne le système de mélange d'eau?


Système de mélange pour plusieurs pièces
Relativement parlant, l'unité de mélange pour chauffage par le sol fonctionne de cette manière:
Le liquide chaud atteint le capteur de chauffage par le sol et est arrêté par une soupape de sécurité si sa température est trop élevée. A partir de la pression, un registre se déclenche et commence à fournir du liquide refroidi à partir de la conduite de retour (qui a déjà traversé le circuit et refroidi).Dès que la température devient optimale, la vanne se referme. Il existe plusieurs façons d'organiser le mélange de l'eau, dont nous parlerons ci-dessous.
De plus, l'assemblage du collecteur maintient non seulement le niveau de température optimal, mais augmente également la pression dans le circuit pour améliorer la circulation.
Il se compose généralement des éléments suivants:
- La soupape de sécurité, dont nous avons parlé plus haut. Il active le mélange si la température devient trop élevée.
- Une pompe de circulation qui augmente la pression de l'eau et rend le chauffage uniforme.
De plus, l'unité peut également inclure une dérivation pour la protection contre les surcharges, des vannes pour la vidange de l'eau et des évents. Selon vos besoins, il peut être assemblé de plusieurs manières.
Le mélangeur est toujours installé jusqu'au circuit de chauffage par le sol, mais le lieu de sa fixation peut être différent: directement dans la pièce, dans la chaufferie ou dans une autre pièce de l'armoire de distribution.
La principale différence entre les unités de mélange les unes des autres réside dans les vannes utilisées. Les plus populaires sont les vannes à deux et trois voies.
Vanne à deux voies


Vanne d'alimentation à deux voies
En outre, une telle soupape est souvent appelée soupape d'alimentation. Il a une tête thermique avec un capteur de liquide qui vérifie constamment l'eau fournie. Si nécessaire, il coupe l'alimentation en liquide chaud de la chaudière.
En conséquence, l'eau est constamment fournie par la conduite de retour pour le mélange, et lorsqu'elle s'arrête, une partie chaude est ajoutée par la vanne. Ainsi, le sol chaud d'un appartement ou d'une maison ne surchauffe pas et sa durée de vie augmente. Cette option a une faible bande passante, donc l'ajustement est fluide, sans sauts soudains.
La plupart des artisans préfèrent installer uniquement ce type de mélange, mais pour l'utiliser, la zone de chauffage ne doit pas dépasser 200 carrés.
Vanne à trois voies
Ce type combine les fonctions d'une vanne de dérivation et d'une vanne d'équilibrage de dérivation. Sa principale différence est le mélange d'un liquide de refroidissement chaud à l'intérieur avec un flux de retour refroidi. Ils sont souvent équipés de servo variateurs qui contrôlent les dispositifs thermostatiques et les contrôleurs météorologiques.
À l'intérieur de cette vanne, il y a un registre, qui est installé dans la zone entre les tuyaux d'alimentation et de retour. En ajustant la position du registre, le rapport de l'eau fournie est modifié.


Vanne mélangeuse à trois voies
Ce type de connexion est considéré comme plus polyvalent, bien adapté aux grands systèmes avec un grand nombre de boucles et à l'utilisation de contrôleurs météorologiques.
Il convient également de parler des inconvénients d'un tel schéma de connexion. Les cas ne sont pas exclus lorsque, sur un signal du thermostat, la vanne s'ouvrira complètement et laissera de l'eau à 95 degrés dans le circuit. Dans le système de chauffage par le sol, les sauts brusques de température et de pression sont inacceptables, les tuyaux pour un sol chaud peuvent simplement éclater.
Le deuxième inconvénient est la grande capacité de débit de la vanne à trois voies. Autrement dit, même à partir d'un léger déplacement de celui-ci, la température peut changer considérablement.
Capteurs de température extérieure
Connexion avec une sonde de température extérieure
Les capteurs dépendant de la météo règlent la température pour l'auto-réglage en fonction des conditions météorologiques. Par exemple, avec un coup de froid brutal, ils donnent une commande pour augmenter la température du sol.
La vanne tourne au maximum à 90 degrés. Le contrôleur les divise en 20 segments de 4,5 degrés et vérifie la température fournie toutes les 20 secondes. Si la température réelle ne correspond pas à la température optimale, la vanne est tournée d'une division. De plus, certaines espèces peuvent réduire l'approvisionnement en eau lorsque personne n'est à la maison.
Bien sûr, vous pouvez le faire manuellement et tourner la vanne à chaque fois, mais il sera difficile de définir le mode de chauffage optimal à chaque fois.
Vannes mélangeuses
Selon l'effet recherché, il existe différentes méthodes de connexion. Chacun d'eux implique sans faute l'installation de mitigeurs. Ces appareils sont nécessaires pour connecter l'eau chaude et froide. Ce dernier est alimenté par le circuit de chauffage, le premier par la chaudière. Le système peut être ajusté automatiquement ou manuellement, ce qui nécessite une installation supplémentaire du servo de commande. Il existe deux types de mitigeurs.
Servo bidirectionnel
Ce servo est également appelé servo d'alimentation. Sa principale différence par rapport aux vannes conventionnelles est la capacité de conduire l'eau dans une seule direction. Si la vanne est mal remontée, elle commence à mal fonctionner et tombe rapidement en panne.


"Nourrir" - ne conduit l'eau que dans un seul sens
Une bille ou une tige spéciale est utilisée comme pièce d'arrêt. Le réglage se fait soit en tournant la bille, soit en déplaçant la tige. Pour effectuer ces manipulations, des entraînements électriques sont utilisés.
La méthode la plus populaire est une tête thermostatique équipée d'un capteur d'eau, qui surveille régulièrement la température du caloporteur. En tenant compte des données reçues, la tête active ou désactive la vanne. Ainsi, à partir du retour, le liquide de refroidissement est alimenté régulièrement, et de la chaudière uniquement en cas de besoin.
Le principe de fonctionnement de l'appareil explique le principal avantage du collecteur, qui est équipé d'une vanne d'alimentation. Les sols avec cet équipement ne surchauffent pas, ce qui augmente considérablement leur durée de vie. Le faible débit de la vanne crée une régulation en douceur de la température du liquide de refroidissement, les sauts significatifs dans ce cas sont exclus.
Les vannes d'alimentation se caractérisent par une facilité d'installation et de fonctionnement ultérieur. On les trouve assez souvent dans le schéma des collecteurs fabriqués par eux-mêmes pour le chauffage par le sol, mais leur application présente certaines limites. Il n'est pas conseillé d'installer les appareils bidirectionnels dans des systèmes fonctionnant dans des pièces de plus de 250 mètres carrés.
Systèmes à trois voies
Les éléments à trois voies sont disposés différemment. Cet équipement intègre le fonctionnement d'une vanne d'alimentation de dérivation et d'une vanne de dérivation. La vanne se compose d'un corps avec une entrée et deux sorties. Pour la régulation, une bille rotative ou une tige spéciale est utilisée.
La particularité de ce type d'appareil est que la partie de régulation bloque complètement le débit et distribue l'eau entrante en la mélangeant. La température est ajustée automatiquement, pour cela la vanne dispose d'un système d'entraînement qui reçoit les signaux de différents capteurs.


Ces vannes ont des servocommandes
En règle générale, les vannes à 3 voies sont équipées de servocommandes, qui sont contrôlées par des capteurs thermostatiques ou des régulateurs à compensation climatique. Le servo variateur active le mécanisme de verrouillage, qui est réglé sur la position requise pour obtenir l'indicateur requis du liquide de refroidissement chauffé et du débit de retour.
Des contrôleurs compensés par les conditions météorologiques sont nécessaires pour ajuster la puissance du système aux conditions météorologiques. Par exemple, lors d'une forte vague de froid, la pièce commencera à se refroidir beaucoup plus rapidement, c'est-à-dire qu'il sera beaucoup plus difficile pour le système de chauffage de faire le travail.
Pour faciliter la tâche, il est nécessaire d'augmenter les coûts du caloporteur et d'augmenter la température. Les principaux inconvénients des éléments à trois voies comprennent un débit important. Dans ces conditions, même un léger changement de régulation peut entraîner un changement brusque de la température de l'eau.
Les éléments à trois voies sont utilisés pour les collecteurs installés dans des pièces de plus de 250 m2. m et les systèmes avec un grand nombre de circuits. De plus, ils sont utilisés pour les structures équipées de capteurs dépendant des conditions météorologiques qui déterminent la température du sol requise en tenant compte des conditions atmosphériques.
Caractéristiques de l'équipement
Le liquide de refroidissement de la chaudière passe par la canalisation vers le collecteur. De là, le liquide pénètre dans le pipeline de sol. En dégageant de la chaleur, il retourne au collecteur, qui a une sortie de retour séparée pour le caloporteur refroidi. La pompe de circulation renvoie l'eau dans la chaudière.
Avec un contrôle manuel du régime de température, des vannes sont installées sur le circuit avec de l'eau froide et un caloporteur à haute température. Si la pièce s'est suffisamment réchauffée, la vanne d'eau chaude est fermée. Si la pièce est froide, la vanne est ouverte.
Pour la régulation automatique du mode de chauffage, un mélangeur à trois voies avec un thermostat et une sonde de température externe est installé. Ce système forme une vanne thermostatique. Il est installé à l'entrée du collecteur. L'équipement est en laiton ou en bronze.
- La vanne à trois voies dispose de 3 sorties pour l'eau chaude et froide et pour le fluide caloporteur, qui est fourni à la ligne de plancher. Sur le boîtier, des marqueurs indiquent le sens des écoulements à différentes températures.
- Une chambre de mélange est prévue pour mélanger des liquides de différentes températures.
- Un thermostat avec un régulateur de température est situé sur le corps.
- La sonde de température est située sur le thermostat.
- Les vannes ferment les sorties de flux froid et chaud. Ils peuvent être en forme de disque ou d'aiguille. Leur travail dépend du thermostat.
- Le thermostat est un système composé d'une capsule liquide et d'une tige à ressort. Des valves y sont attachées.
- Le capteur de température dispose d'un panneau numérique sur lequel les modes de chauffage sont indiqués.
Nous recommandons: Combien coûte un sol chaud?
Le thermostat peut être situé dans la tête thermique ou dans l'actionneur. Les appareils ont un circuit différent, mais le même principe de fonctionnement. La tête thermique est un thermostat, qui fonctionne à l'aide d'un liquide: elle est sensible aux changements de température.
Les servos sont alimentés par le réseau électrique. Le liquide est contenu dans un récipient. Il contient une plaque chauffante. Le servo est installé sur le collecteur.


Le mélangeur à trois voies est conçu pour les systèmes de chauffage de grandes surfaces. Dans des pièces séparées ou dans des maisons de campagne, une vanne à deux voies est connectée au collecteur. Il est installé sur un circuit avec un liquide de refroidissement haute température. L'eau y circule dans une seule direction.
Installation de l'appareil
Le collecteur pour un plancher d'eau chaude est monté selon le schéma suivant:
- Il est nécessaire d'installer un cadre sous l'appareil. Il est monté directement sur le mur en position horizontale ou dans une niche spécialement préparée. Lors du choix d'un lieu d'installation, il faut être guidé par la disponibilité d'un accès gratuit à l'appareil pour connecter le nombre requis de canalisations. En outre, une armoire spéciale est souvent utilisée pour le montage de l'appareil. Sous cette forme, l'appareil peut s'intégrer dans n'importe quelle pièce.
- Connexion à une chaudière de chauffage. Le liquide de refroidissement est fourni au système par le bas et le retour est placé par le haut. De plus, devant le cadre, vous devez installer des coupures à billes. Une pompe de circulation est en cours d'installation derrière les robinets.
- La soupape de trop-plein est en cours d'installation. Il doit être équipé d'un limiteur de température. Un collecteur de distribution est installé derrière cet appareil.
- Le câblage des canalisations au sol chaud est en cours. Les éléments par lesquels le liquide de refroidissement entrera dans le système sont placés sur le dessus. Les tuyaux du chauffage au sol sont installés par le bas.
- Si vous avez l'intention d'installer l'appareil de vos propres mains, il est nécessaire de connecter des vannes d'arrêt, qui sont équipées d'un thermostat, au collecteur de distribution. Lorsqu'un kit prêt à l'emploi est en cours d'assemblage, vous n'avez pas besoin de le faire.
- Le collecteur est connecté au système de chauffage à l'aide de raccords à compression.Cet élément est constitué d'une bague de serrage, d'un manchon de support et d'un écrou intermédiaire.
- Test de pression d'admission. Après l'installation de tous les éléments structurels, il est nécessaire de vérifier l'étanchéité du système résultant. Pour cela, l'unité est connectée à une pompe de circulation. Cela fait monter la pression dans le système. Sous cette forme, le circuit d'eau est laissé pour une journée. Passé ce délai, vérifiez la pression. S'il n'a pas changé, l'installation a réussi.
Comment fonctionne l'automatisation?
La vanne thermostatique à trois voies pour le chauffage par le sol est raccordée devant le collecteur. Un certain mode de chauffage de température est réglé sur le capteur. L'appareil commence à fonctionner lorsque les paramètres sont modifiés.
- L'appareil se compose d'un semi-conducteur qui a la température du liquide de refroidissement entrant dans la ligne. L'énergie est transférée au fluide du thermostat.
- Avec une augmentation du chauffage, le liquide se dilate et appuie sur la tige qui s'abaisse.
- Cela ferme la sortie du tuyau chaud et ouvre la sortie du circuit de retour.
- Le caloporteur refroidi entre dans la chambre du mélangeur à trois voies, où il est connecté à l'eau chaude de la chaudière. Le processus de mélange peut avoir lieu dans un modèle en forme de T: le flux de liquide de refroidissement chaud et froid entre dans le mitigeur thermostatique symétriquement des deux côtés. Le liquide sort dans la conduite principale à un angle de 900. Avec le schéma en forme de L, l'eau chaude pénètre dans la chambre de mélange par le côté.
- La température du fluide chauffant diminue. Il entre dans la ligne de plancher refroidi. Le mode de chauffage a tendance à atteindre la vitesse définie.
- Lorsque la température baisse, le liquide dans le thermostat se rétrécit. La tige à ressort est redressée, la sortie d'eau froide est fermée, qui passe par le tuyau de retour. Le liquide de refroidissement chaud entre à nouveau dans la conduite.
Lors de l'utilisation de servo variateurs, un appareil fonctionnant sur secteur est connecté à la vanne mélangeuse du chauffage par le sol. Le capteur chauffe, ferme le circuit électrique. La plaque chauffe, qui à son tour transfère la chaleur au fluide thermique. Il se dilate, appuie sur la tige, ce qui fait fonctionner les soupapes à champignon.
Nous recommandons: Comment le polystyrène expansé est-il utilisé pour le chauffage par le sol?
Lors de l'utilisation d'un servo variateur, le système de chauffage change de mode de fonctionnement dans les 3 minutes. Si une tête thermique est utilisée comme appareil automatique, il faudra jusqu'à 15 minutes pour chauffer le liquide dans le thermostat.
Le principe de fonctionnement d'une vanne à deux voies pour chauffage par le sol est quelque peu différent. Lorsque la température dans la conduite augmente, le thermostat fait fonctionner les vannes à champignon ou un dispositif à bille, ce qui bloque complètement la sortie d'eau chaude. Le caloporteur refroidi du tuyau de retour retourne dans le circuit au sol.
Lorsque la température baisse, la vanne ouvre l'eau chaude et ferme la conduite de retour. Il n'y a pas de mélange du liquide. Le principe de fonctionnement d'une vanne thermostatique à deux voies pour chauffage par le sol est identique à la commutation manuelle de la vanne, mais le système fonctionne en mode automatique.
Une vanne thermostatique à trois voies pour le chauffage par le sol est installée dans le système de chauffage pour une grande surface de chauffage. L'équipement est nécessaire pour une chaudière qui chauffe l'eau à une température élevée. La vanne à deux voies est connectée au système en tant que commande de chauffage supplémentaire pour les pièces individuelles.
L'équipement de contrôle automatique du mode de chauffage peut être installé dans un système de chauffage à un ou à deux circuits. Ceci est pratique lors de l'utilisation de différents types de chauffage, avec radiateur et chauffage par le sol. Le mélangeur est connecté en amont de la pompe de circulation. Je recommande d'installer un filtre à eau au préalable. Lors de la connexion, utilisez la méthode de montage fileté.
Types de systèmes de chauffage par le sol
Il existe deux systèmes fondamentalement différents, considérez leurs forces et leurs faiblesses. Le choix d'un schéma affectera le confort de séjour dans des locaux d'habitation, gardez cela à l'esprit lors de la prise de décision, tenez compte non seulement des paramètres techniques des différents schémas, mais également des caractéristiques des locaux et des systèmes de chauffage existants.
Plancher à isolation thermique à l'eau
Permet d'obtenir un chauffage au sol homogène, compatible avec certains systèmes de chauffage existants dans les bâtiments anciens. Les inconvénients comprennent la complexité de l'équipement et des travaux d'installation et le coût estimé élevé. De plus, le système d'eau réduit la hauteur de la pièce d'au moins 10 cm grâce à la chape en béton. Pour créer un schéma de câblage, la pièce est divisée en sections distinctes, en tenant compte de la taille et de la configuration du sol, chaque circuit doit avoir approximativement la même longueur de tuyau, sinon le chauffage sera inégal en surface. Selon la technologie de construction, le plancher d'eau peut avoir plusieurs schémas d'installation.
- Sur un socle en béton. Il se compose d'une couche d'isolation thermique sur une base en béton, d'un treillis métallique pour la pose de tuyaux, de canalisations, d'une chape supérieure et d'un revêtement de sol de finition.
- Polystyrène. Il n'est pas nécessaire de faire une méthode plus moderne de pose d'un sol chauffé à l'eau, une chape ciment-sable. Des plaques de polystyrène spéciales avec des emplacements pour la fixation de canalisations en plastique sont posées sur la couche d'isolation thermique. Le câblage fini est recouvert de panneaux de fibres de gypse sur lesquels est posé le revêtement de sol de finition.
Un inconvénient courant du chauffage par le sol à eau est que les situations d'urgence ont des conséquences très graves. Les éléments les plus complexes d'un plancher chauffant à eau sont une unité de mélange et un collecteur.
Description des types d'unités de mélange
L'unité de mélange assure une circulation constante et équilibrée de l'eau chauffée le long des circuits posés, modifie la vitesse de déplacement, maintient indépendamment la température de consigne pour le chauffage du sol et du caloporteur. Selon les caractéristiques de conception, il peut avoir plusieurs types :
- avec une connexion en série d'une pompe à eau et d'une vanne thermique à deux voies;
- avec une connexion en série d'une pompe à eau et d'une vanne thermique à trois voies;
- avec une connexion en série d'une pompe à eau, une vanne thermique à trois voies fonctionne avec des flux convergeant dans un nœud ;
- avec connexion en parallèle d'une pompe à eau, vanne thermique à deux voies;
- la pompe à eau est branchée en parallèle, la vanne thermique est à trois voies.


Unité de mélange pour chauffage au sol
Chaque schéma a ses propres caractéristiques, la sélection est effectuée en tenant compte des paramètres techniques et du nombre de circuits de chauffage.


Disposition des tuyaux pour les radiateurs et le plancher d'eau chaude
Collecteurs de distribution
Conçu pour connecter tous les appareils de chauffage du système de chauffage par le sol en un seul endroit. Selon la nomenclature et le nombre d'équipements spéciaux supplémentaires, ils peuvent être simples et améliorés. Les simples n'ont pas de raccords et ne sont utilisés que pour connecter des raccords. Les plus perfectionnés ont des capteurs de contrôle, des dispositifs de performance, des instruments de mesure, etc.
Pourquoi le plancher chauffant à eau ne chauffe pas : les dysfonctionnements et leur élimination
Le chauffage par le sol à base d'eau est un système assez complexe de composants interconnectés. Si le sol à isolation thermique à l'eau ne fonctionne pas, les raisons peuvent être différentes.
Tout d'abord, vous devez connaître les principaux éléments de ce type de chauffage :
- Tuyaux - les conduites par lesquelles circule le liquide de refroidissement, qui transfère la chaleur à la surface du sol.
- Contourne.
- Pompe de circulation.
- Collecteur et entraînements électriques du groupe d'entrée, utilisé pour réguler le débit dans les circuits, ainsi qu'une vanne d'équilibrage destinée à mélanger l'eau chaude et déjà restituée.
- Thermostats et thermostatspermettant de réguler et de maintenir la température de consigne. En cas de panne, le refroidissement et la surchauffe critique du système sont possibles.
Il convient de prendre en compte les défauts possibles de l'installation. Il sera problématique d'éliminer un tel dysfonctionnement comme, par exemple, une isolation insuffisante et une perte de chaleur élevée, car vous devrez surélever le revêtement de sol du plancher d'eau chaude, démonter la chape et les tuyaux.
De plus, si le plancher d'eau chaude ne chauffe pas, les raisons peuvent résider dans des calculs incorrects dans la conception et, par conséquent, des composants du système mal sélectionnés. Il arrive souvent que pour un bon chauffage pas assez d'énergie... Dans ce cas, il s'agit de la basse tension du réseau ou de la puissance insuffisante de la chaudière.
Cependant, nous examinerons les pannes les plus typiques, les lieux et les causes de leur apparition, ainsi que les moyens de résoudre le problème.


