Les avantages du système Valtec

Spécifications de l'unité de mélange Valtec pour chauffage par le sol
Avant de commencer l'installation et de sélectionner une unité de mélange pour un chauffage par le sol Valtec, il est nécessaire d'analyser les avantages de ce type de circuit d'eau.
- Grâce à des matériaux de haute qualité et à des fixations durables, un fonctionnement fiable est assuré.
- Les composants de conception modulaire s'emboîtent parfaitement, éliminant le risque de fuites.
- Le fabricant a prévu la production de matériaux connexes nécessaires aux équipements thermiques et d'étanchéité.
Instructions de calcul
Afin de développer correctement un projet de pose d'un sol chaud, un calcul préliminaire des principaux indicateurs sera nécessaire, en se concentrant sur leurs valeurs moyennes.
Installation à faire soi-même d'un plancher chauffant à l'eau
Différents facteurs doivent être pris en compte, notamment le rôle du plancher d'eau comme principal type de chauffage ou son utilisation comme source supplémentaire de chaleur. Étant donné qu'un calcul détaillé pour l'auto-exécution est un processus complexe, en pratique, des paramètres moyennés sont utilisés.


Schéma de raccordement du mélangeur Valtec
- La puissance nominale a une plage de 90 à 150 W / m2. Des valeurs plus élevées sont sélectionnées pour les pièces à taux d'humidité élevé.
- Lors du calcul de l'étape de pose, il est nécessaire de se concentrer sur la plage de 15 à 30 cm Avec cet indicateur, la puissance de chauffage spécifique est en relation proportionnelle inverse. Autrement dit, plus le pas est grand, moins il y a de puissance.


Schéma thermomécanique de l'unité pompe-mélange - Malgré le fait qu'avec un grand diamètre de tuyaux, une plus grande quantité de liquide de refroidissement les traverse, l'épaisseur de la chape sert de limiteur pour cet indicateur, qui n'est pas recommandé trop grand pour ne pas créer de charge excessive sur le sol. Par conséquent, les tuyaux Valtec en polyéthylène réticulé moderne avec un revêtement anti-diffusion, d'un diamètre de 16 à 20 mm, sont pris en compte et les raccords à sertir Valtec sont utilisés comme pièces de raccordement.
Après avoir déterminé les paramètres clés, un schéma peut être développé sur lequel la pose de tuyaux la plus rationnelle est déterminée à une échelle exacte. Après cela, leur longueur totale est calculée. Dans le même temps, il examine l'emplacement de l'unité de pompage et de mélange et des éléments de commande.
Comment assembler un collectionneur?
Le bloc de distribution Valtec est assemblé. Le tuyau chaud a déjà des débitmètres installés. Il y a des têtes thermiques sur la ligne froide, mais le produit ne peut avoir que des sorties pour connecter des dispositifs de contrôle de température. Ils sont protégés par des bouchons en plastique. Le constructeur permet de choisir quel automatisme installer: une tête thermique, un servo variateur.
Il est nécessaire de connecter quelques petits éléments au groupe de collecteurs:
- Sur la droite, des vannes d'arrêt sont reliées aux tubes. L'ensemble comprend 2 pièces.
- Un dispositif à flotteur est connecté aux vannes pour l'évacuation de l'air.
- Les vannes de vidange sont connectées en face des bouches d'aération sur le côté inférieur des tuyaux.
- Les extrémités du peigne sont fermées avec des bouchons.
Nous recommandons: Qu'est-ce qu'un plancher chauffant autonivelant?
Une pompe de circulation et une vanne à trois ou deux voies sont connectées séparément au collecteur. Ces appareils sont vendus séparément. Ils sont connectés à gauche du tube dans lequel entre le liquide de refroidissement froid. Utilisez des raccords filetés en laiton.
Les circuits froids et chauds sont retirés des tuyaux métalliques qui sont connectés à une chaudière ou à un poêle. Ils sont connectés au moyen d'un by-pass à la sortie du groupe de capteurs.Une pompe de circulation avec une sonde de température est installée entre les circuits.
Le rotamètre est ajusté lors du test du système de chauffage. Le doigt de gant doit être retiré de l'appareil. À l'aide de l'anneau rouge, le manchon supérieur, réglez le rotamètre à zéro.
Ensuite, en utilisant le même manchon, la vanne est installée sur o pour les grandes pièces, sur o pour les petites pièces. Pour fixer les paramètres du rotamètre, la bague inférieure est tournée vers la droite jusqu'à ce qu'elle s'arrête.
Remettez le capuchon de protection à sa place d'origine. Le débitmètre à section variable peut ne pas avoir d'anneau de retenue. Dans ce cas, l'indicateur de remplissage de la canalisation est réglé sans fixation. Le fonctionnement de la vanne doit être vérifié régulièrement.
Les capteurs "Valtek" pour le chauffage par le sol sont installés avec un système de chauffage liquide. Le liquide de refroidissement peut être de l'eau, de l'antigel, des charges de glycol, qui ne gèlent pas à basse température. Si le système de chauffage n'est pas utilisé, le liquide de refroidissement n'a pas besoin d'être vidangé.
Le nombre de circuits sur le bloc de distribution est de 3 à 12 pièces. Si nécessaire, des équipements supplémentaires peuvent leur être connectés afin d'augmenter la capacité de débit du liquide de refroidissement dans toutes les pièces de la maison.


Le peigne est fixé au mur ou placé dans une armoire de collecteur. Le fabricant accorde une garantie de 10 ans pour l'équipement. Les centres de service sont situés à Saint-Pétersbourg, à Moscou. L'unité servira pendant plus de 50 ans.
Si nécessaire, le rotamètre ou la tête thermique peut être remplacé sans arrêter le système de chauffage. Lors de l'utilisation d'un thermostat programmable, le fonctionnement de l'unité de commande de chauffage par le sol peut être effectué à l'aide de gadgets électroniques.
Nous recommandons: Qu'est-ce que le chauffage par le sol National Comfort?
YouTube a répondu par une erreur: Accès non configuré. L'API de données YouTube n'a jamais été utilisée dans le projet 268921522881 auparavant ou elle est désactivée. Activez-le en visitant https://console.developers.google.com/apis/api/youtube.googleapis.com/overview?project=268921522881, puis réessayez. Si vous avez activé cette API récemment, attendez quelques minutes que l'action se propage sur nos systèmes et réessayez.
- Articles similaires
- Comment installer un chauffage par le sol sur un sol en béton sous un stratifié?
- Comment les tuyaux XLPE pour chauffage par le sol sont-ils posés?
- Comment la longueur du tuyau de chauffage par le sol est-elle calculée?
- Comment est installée la sonde de chauffage au sol ?
- Comment choisir un revêtement de sol pour un sol chaud?
- Comment le polystyrène expansé est-il utilisé pour le chauffage par le sol?
Principales caractéristiques de l'unité de mélange
Pour que le circuit d'eau installé fonctionne efficacement, il est nécessaire de calculer correctement l'ensemble du système et d'installer correctement l'unité de mélange pour chauffage au sol Valtec conformément aux dispositions reflétées dans les instructions jointes au kit.


Schéma de raccordement du mélangeur à différents types de chauffage
Paramètres de l'unité de mélange pompe:
- la section transversale des tuyaux est de ¾ ", collecteurs - 1";
- il y a 12 tuyaux de branchement dans la structure;
- le système de pompage mesure 18 cm de long;
- le régime de température de l'eau chauffée dans le système est maintenu jusqu'à 90 ° C;
- valeur de pression maximale - 10 bar;
- débit - 2,75 m3 / h.


Spécifications de la pompe et de l'unité de mélange Valtec
Les tuyaux ont un filetage externe avec une connexion Eurocone.
Pompe et unité de mélange pour chauffage par le sol
Fonctionnalité
Le but principal de l'unité de pompage et de mélange est de stabiliser la température du liquide de refroidissement lorsqu'il entre dans le circuit d'eau en l'utilisant pour mélanger l'eau de la conduite de retour. Ainsi, le chauffage par le sol fonctionne de manière optimale sans surchauffe.
Les éléments de service suivants sont inclus dans l'assemblage Combi:
- vannes de vidange;
- Bouches d'aération;
- thermomètres.


Comment fonctionne l'unité Combi
Les organes suivants sont utilisés pour ajuster le nœud :


Il est permis de connecter un nombre illimité de branches de chauffage par le sol au nœud VALTEC COMBIMIX avec une puissance totale ne dépassant pas 20 kW
- une vanne d'équilibrage sur le circuit secondaire, qui assure le mélange dans la proportion requise de caloporteurs à partir des canalisations d'alimentation et de retour pour assurer la température spécifiée;
- vanne d'équilibrage et d'arrêt sur le circuit primaire, chargée de fournir la quantité d'eau chaude nécessaire à l'unité.Il vous permet de couper complètement le débit, si nécessaire;
- une vanne de dérivation qui permet d'ouvrir une dérivation supplémentaire pour permettre à la pompe de fonctionner dans une situation où toutes les vannes de commande sont fermées.
Le schéma de raccordement a été développé en tenant compte de la possibilité de connecter le nombre requis de branches de chauffage par le sol à l'unité de pompage et de mélange avec une consommation totale d'eau ne dépassant pas 1,7 m3 / h. Le calcul montre qu'une valeur similaire du débit du liquide de refroidissement avec une différence de température de 5 ° C correspond à une puissance de 10 kW.
Si plusieurs branches sont connectées à l'unité de mélange, il est conseillé de sélectionner des blocs collecteurs de la ligne Valtec avec la désignation VTc.594, ainsi que VTc.596.
Avantages du système
Le chauffage par le sol Valtek se compose d'une unité de mélange (que nous avons mentionnée ci-dessus), un bloc collecteur (2 pcs) 1 "x3 / 4 Euroconus, un robinet à bille Base 1", un robinet à bille avec une raclette Base 1 ", un clapet anti-retour , un actionneur thermique, un thermostat électronique d'ambiance, un communicateur pour les unités de mélange, un contrôleur pour les unités de mélange, un vase d'expansion, un thermostat de sécurité, un robinet de vidange, une dérivation avec vanne de dérivation. Pour tous les produits Valtec, le fabricant accorde une garantie de 7 ans, les instructions nécessaires sont jointes à chaque élément du système.
Le chauffage par le sol Valtec gagne de plus en plus en popularité chaque année. Cela est dû au fait qu'il présente d'énormes avantages par rapport au chauffage domestique traditionnel. Avec un tel chauffage, les flux d'air convectifs sont complètement absents (comme lors de l'utilisation de cheminées et de radiateurs de chauffage central), car la chaleur qui sera créée par un chauffage au sol Valtec augmentera de la surface du plancher chauffant vers le haut, et cette distribution de chaleur du sol à plafond créera un maximum de confort pour les personnes qui seront dans la pièce. Le système permettra des économies allant jusqu'à 30%. Le chauffage par le sol Valtec a un énorme potentiel pour réduire raisonnablement les coûts énergétiques pour le chauffage de l'eau (jusqu'à 50 degrés à la valeur maximale). Le système a un effet d'autorégulation.


De plus, tous les éléments de ce système sont cachés de la vue et cela signifie un confort visuel supplémentaire pour les personnes qui vivront dans une maison aux sols chauds. Cependant, comme tout système, le chauffage par le sol Valtec a ses avantages et ses inconvénients. Les avantages de ce système incluent le fait que les travaux de construction et d'installation ne nécessitent pas de coûts importants, car les éléments de sol peuvent être utilisés avec tous les types de sols. Le plus sera le fait que ce système remplacera avec succès les appareils de chauffage et permettra une utilisation maximale de la zone libre de votre maison, il est autonome et ne dépend pas des pannes de courant.
Les inconvénients incluent le fait que l'option eau n'est possible que dans les maisons privées, car il y a toujours la possibilité de ne pas remarquer de dommages à temps et d'être inondé ou d'inonder les voisins.
Algorithme d'installation
Une fois le calcul préliminaire de tous les composants terminé, l'installation du sol chaud commence directement, ce qui implique le passage de plusieurs étapes.


Plan de chauffage au sol
- Installation à un emplacement présélectionné de l'armoire du distributeur. Il abrite un module composé d'un bloc collecteur et d'une unité de pompage-mélange avec des vannes à bille, à travers lequel se fera le raccordement au circuit haute température.
- Préparation du plan d'étage. S'il y a des irrégularités importantes, des mesures sont prises pour les éliminer. L'option la plus efficace est une chape rugueuse.


Schéma de raccordement de l'unité de pompage et de mélange au sol chaud - Fixation le long du périmètre du ruban amortisseur, qui sert d'élément qui compense l'expansion possible de la chape qui se produit lorsqu'elle est chauffée. Il est fixé aux murs de sorte qu'après la finition, il y ait un surplus, qui est coupé avant d'installer le socle.
- Équipement d'isolation thermique par pose sur le sol nivelé de plaques de polystyrène expansé avec bossages de montage, sous lesquels une imperméabilisation est posée, si nécessaire.
- Un diagramme précédemment développé sert de guide pour la disposition ultérieure des tuyaux.
Personnalisation
Pour connecter les tuyaux aux collecteurs, utilisez un coupe-tube pour couper à la longueur désirée, un calibrateur pour le chanfreinage et un raccord à compression. Il est difficile d'effectuer un calcul détaillé à la maison, par conséquent, les instructions doivent être étudiées, qui détaillent le réglage de l'unité de pompage et de mélange dans un certain ordre.
- La tête thermique est retirée.
- Pour la vanne d'équilibrage côté secondaire, la capacité est calculée à l'aide de la formule.


Deux variantes de l'unité de mélange
kνb = kνt {[(t1 - t12) / (t11 - t12)] - 1},
où kνt - coefficient = 0,9 débit de la vanne;
t1 - température de l'eau du circuit primaire à l'alimentation, ° С;
t11 - température du circuit secondaire au niveau de l'alimentation en liquide de refroidissement, ° С;
t12 - température de l'eau de la conduite de retour, ° С.
La valeur kνb calculée doit être réglée sur la vanne.
- Réglage du mode de fonctionnement souhaité de la vanne by-pass au réglage de la valeur maximale de la pression différentielle de 0,6 bar.
- Pour que le chauffage par le sol fonctionne efficacement, la vitesse de la pompe requise est ajustée. Pour ce faire, il est nécessaire de déterminer la valeur du débit du liquide de refroidissement dans le circuit secondaire, ainsi que les pertes de charge qui apparaissent dans les circuits situés après l'unité.


Équipement de l'unité de mélange Valtec
La consommation G2 (kg / s) est déterminée par la formule:
G2 = Q / [4187 • (t11 - t12)],
où Q est la puissance thermique totale du circuit d'eau connecté à l'unité de mélange, J / s;
4187 [J / (kg • ° С)] - capacité thermique de l'eau.
Un programme de calcul hydraulique spécial est utilisé pour calculer la perte de charge. Pour déterminer la vitesse de la pompe, qui est réglée à l'aide de l'interrupteur, en fonction des indicateurs calculés, un nomogramme est utilisé, qui se trouve dans les instructions jointes à la structure de chauffage par le sol.


Schéma de raccordement des circuits de chauffage par le sol
- Des opérations sont effectuées pour régler la vanne d'équilibrage sur le circuit primaire.
- Le régulateur de température est réglé sur la température requise pour un chauffage confortable.
- Un essai du système est en cours.
En l'absence de fuites, il reste à réaliser une chape en béton, et après qu'elle a complètement durci, poser le revêtement de sol.
VALTEC, Technologie de pose d'un plancher à isolation thermique à eau
L'article traite des problèmes pratiques de l'installation d'un chauffage par le sol et des schémas hydrauliques les plus courants, du plus simple au plus complexe, pour obtenir un confort maximal dans la pièce. Les options de circuits présentées sont implémentées sur la base des équipements VALTEC.
La manière la plus courante de mettre en œuvre des systèmes de chauffage par le sol consiste à utiliser des sols monolithiques fabriqués par la méthode dite «humide» à partir de mortier de ciment-sable ou de béton. La construction d'un tel étage est présentée sur figue. une
.


Figure. 1. Construction de chauffage par le sol
L'installation du système de chauffage par le sol commence par la préparation de la surface. La surface doit être nivelée, les irrégularités dans la zone ne doivent pas dépasser ± 5 mm. Si nécessaire, la surface est nivelée avec une chape supplémentaire. Le non-respect de cette exigence peut entraîner une "aération" des tuyaux.
Après avoir nivelé la surface, il est nécessaire de poser un ruban amortisseur d'une épaisseur d'au moins 5 mm le long des murs ou des cloisons pour compenser la dilatation thermique du monolithe de chauffage par le sol. Le ruban doit être installé le long de tous les murs et cloisons encadrant la pièce, les piliers, les cadres de porte, les colonnes, les coudes, etc. Le ruban doit dépasser d'au moins 20 mm au-dessus de la hauteur prévue de la structure du plancher. À l'avenir, il sera recouvert d'un socle.
Après l'installation du ruban amortisseur, un film de polyéthylène est posé sur le sol pour protéger contre l'écoulement de laitance de ciment du mortier et une couche d'isolation thermique pour éviter les fuites de chaleur dans les pièces sous-jacentes. Des matériaux en mousse (polystyrène, polyéthylène, etc.) ou des matériaux d'isolation thermique recouverts d'une feuille sont utilisés comme isolant thermique. Il est important que les matériaux d'isolation thermique revêtus d'une feuille aient un film protecteur sur l'aluminium. Sinon, l'environnement alcalin de la chape en béton détruit la couche de feuille en 3 à 5 semaines. Pour renforcer la chape ciment-sable, un treillis d'armature est posé.


Figure. 2. Pose de boucles de chauffage par le sol avec un "single coil"
La disposition des tuyaux est réalisée avec une certaine étape et dans la configuration souhaitée spécifiée par le projet. Dans ce cas, il est recommandé de poser la canalisation d'alimentation plus près des murs extérieurs. Il existe plusieurs façons de poser des boucles de chauffage par le sol.
Lors de la pose de "single coil" (figue. 2
) la répartition de la température de la surface du sol est inégale.
Lors de la pose de "escargot" (figue. 3
), des tuyaux avec des sens d'écoulement opposés alternent, la section la plus chaude du tuyau étant adjacente à la plus froide. Cela conduit à une répartition plus uniforme de la température sur la surface du sol.
Le tuyau est posé selon les marquages appliqués sur l'isolation thermique. Les tuyaux sont fixés avec des supports d'ancrage tous les 0,3 à 0,5 m, ou ils sont maintenus par des saillies spéciales de tapis isolants thermiques. L'étape de pose est déterminée par calcul et se situe dans la plage de 10 à 30 cm.L'espacement des tuyaux ne doit pas dépasser 30 cm, sinon un chauffage irrégulier de la surface du sol se produira avec l'apparition de rayures chaudes et froides. Pour faciliter le calcul du débit du tuyau en fonction du pas du tuyau et de la surface de la pièce, vous pouvez utiliser Tableau 1
.


Figure. 3. Pose de boucles de chauffage par le sol avec un "escargot"
Les zones situées à proximité des murs extérieurs d'un bâtiment sont appelées «zones limites». Ici, il est recommandé de réduire l'espacement de pose des tuyaux afin de compenser les pertes de chaleur à travers les structures de clôture externes. Il n'est pas recommandé de prendre la longueur d'un contour (boucle) du sol chaud de plus de 100 à 120 m. Il est préférable que la perte de charge dans la boucle ne dépasse pas 20 kPa. Après avoir posé les charnières, immédiatement avant de couler la chape, le système est mis sous pression avec une pression 1,5 fois supérieure à la pression de service, mais pas inférieure à 0,6 MPa (clause 5.25 du SP 41-102-98).
Lors du coulage d'une chape ciment-sable, le tuyau doit être sous une pression d'eau de 0,3 MPa à température ambiante. La hauteur de remplissage minimale au-dessus de la surface du tuyau doit être d'au moins 3 cm (la hauteur maximale recommandée, selon les normes européennes, est de 7 cm). Le mélange ciment-sable doit être au moins 150 grade sur ciment grade 400 au moins avec un plastifiant. Lors du versement de la chape, il est recommandé d'utiliser une chape vibrante pour éliminer les bulles d'air. Avec une longueur de dalle monolithique supérieure à 8 m ou une surface supérieure à 40 m2, il est nécessaire de prévoir des joints de dilatation d'une épaisseur d'au moins 5 mm pour compenser la dilatation thermique du monolithe. Lorsque les tuyaux passent à travers les joints, ils doivent avoir une gaine de protection d'une longueur d'au moins 1 m.
Tableau 1. Consommation de tuyaux de chauffage par le sol en fonction de la superficie de la pièce


Le chauffage par le sol ne démarre qu'après séchage complet de la chape (environ quatre jours pour 1 cm d'épaisseur de chape). La température de l'eau au démarrage du système doit être la température ambiante. Après le démarrage du système, augmentez quotidiennement la température de l'eau d'alimentation de 5 ° C jusqu'à la température de fonctionnement prévue.
- Il est recommandé de ne pas dépasser la température moyenne de la surface du sol, conformément à la clause 6.4.8 du SP 60.13330.2012, à :
- 26 ° С pour les locaux avec présence constante de personnes;
- 31 ° С pour les chambres avec séjour temporaire de personnes et chemins de contournement de la piscine.
La température du sol le long de l'axe de l'élément chauffant ne doit pas dépasser 35 ° C.
Selon SP 41-102-98, la différence de température dans certaines zones du sol ne doit pas dépasser 10 ° C (de manière optimale 5 ° C).
Voici les schémas de base pour l'installation d'un sol chaud. Schéma n ° 1
résolu avec l'utilisation du kit d'installation thermostatique VT.ICBOX, et vous permet de maintenir automatiquement la température requise dans la pièce.
Schéma n ° 1 basé sur le kit d'installation thermostatique VT.ICBOX


Tableau 2. Spécification des matériaux pour "sol chaud" pour le schéma n ° 1 (surface au sol 15 m 2)


Ce schéma est utilisé avec un liquide de refroidissement dans la canalisation d'alimentation avec une température allant jusqu'à 60 ° C. À des températures plus élevées du liquide de refroidissement, il est nécessaire d'appliquer des solutions techniques spéciales (utilisation partielle d'un «mur chaud»; utilisation de chapes poreuses, isolation thermique des tuyaux). Les avantages de ce système comprennent sa simplicité et sa rentabilité. Il est recommandé de l'utiliser lors de la pose de chauffage par le sol dans de petites pièces, étant donné qu'une unité de montage VT.ICBOX ne peut desservir qu'une seule boucle de chauffage par le sol d'une longueur maximale de 100 m. un tel schéma.
La température du caloporteur dans le circuit de chauffage par le sol est contrôlée par un thermostat intégré, qui fait partie de l'unité VT.ICBOX. Lorsque la température du fluide caloporteur dépasse la valeur de consigne, le thermostat réduit le débit, réduisant ainsi la température du sol. Pour le chauffage par le sol, les kits de montage VT.ICBOX1.0 et VT.ICBOX 2.0 sont produits. Le maintien automatique de la température ambiante dans l'unité VT.ICBOX 1.0 est réalisé à l'aide d'un servo variateur ou d'une tête thermostatique avec un élément sensible à la température externe, et dans l'unité VT.ICBOX 2.0 - uniquement à l'aide d'une tête thermostatique.
- L'inconvénient des systèmes équipés d'unités VT.ICBOX, lorsqu'ils sont connectés à un système de chauffage haute température, est la répartition inégale de la température du liquide de refroidissement sur la longueur du tuyau, ce qui entraîne des différences significatives de température du sol sur les tuyaux adjacents. Par conséquent, lors de l'utilisation d'un chauffage par le sol basé sur les ensembles VT.ICBOX, il est recommandé:
- utiliser des matériaux résistants aux températures élevées, comme les carreaux de céramique, comme revêtement de sol de finition;
- utiliser une épaisseur de chape d'au moins 50 mm au-dessus du tuyau, ce qui exclura les fluctuations soudaines de température à la surface du sol. Plus l'épaisseur de la chape est grande, moins la différence de température du sol entre les tuyaux adjacents est grande;
- poser des tuyaux "escargot". Dans ce cas, les tuyaux «chauds» alternent uniformément avec les tuyaux «froids», ce qui évitera la présence de zones surchauffées du sol.
Schéma n ° 2 basé sur le mitigeur à trois voies VT.MR01, avec une pompe dans le circuit de chauffage par le sol


Tableau. 3. Spécification des matériaux pour "plancher chaud" pour le schéma n ° 2 (par 100 m2 de plancher)


DANS schéma n ° 2
la préparation du liquide de refroidissement avec des paramètres de basse température est effectuée à l'aide de la vanne mélangeuse à trois voies VT.MR01 (
pos. 2
), contrôlée par une tête thermique avec un capteur à distance (
pos. 3
) ou un servo entraîné par le contrôleur. La circulation du liquide de refroidissement dans le circuit de chauffage par le sol est assurée par une pompe de circulation (
pos. quatre
). Lorsque la température du caloporteur dans le circuit de chauffage par le sol descend en dessous de la valeur de consigne, la vanne fait passer la partie requise du caloporteur à haute température dans le circuit de chauffage par le sol.
L'équilibrage des boucles entre elles est réalisé par les vannes de régulation qui font partie du collecteur de retour (pos. huit
). Le schéma est assez simple et réalisable. Le transfert de chaleur du plancher chaud est contrôlé par le réglage de la tête thermique ou par un servo variateur. Il n'y a pas de maintien automatique de la température dans chaque pièce.
Voyons maintenant comment le coût des matériaux changera s'il est nécessaire de maintenir automatiquement la température de l'air dans chaque pièce (schéma n ° 3
).
Schéma n ° 3 basé sur le mitigeur à trois voies VT.MR01, avec une pompe dans le circuit de chauffage par le sol, avec régulation automatique de la température de l'air intérieur


Tableau 4. Spécification des matériaux pour "sol chaud" pour le schéma n ° 3 (pour 100 m2 de sol)


La composition du VTс.586.EMNX (pos. 7
) comprend les collecteurs d'alimentation et de retour, les bouches d'aération automatiques et les vannes de vidange. Le collecteur d'alimentation est équipé de vannes de commande manuelles avec débitmètres, ce qui facilite le processus d'équilibrage des boucles les unes avec les autres. Les débitmètres sont configurés selon les données de conception. Le collecteur de retour est équipé de vannes thermostatiques avec servocommandes (
pos. huit
). Le servo variateur de chaque boucle est contrôlé par son propre thermostat d'ambiance (pos.9). Le thermostat est installé dans chaque pièce séparée avec chauffage par le sol.
Pour la possibilité de régulation automatique de la température dans les locaux, des blocs collecteurs VTс.589.EMNX, VTс.596.EMNX, ainsi que des blocs sans débitmètres - VTс.588.EMNX, VTс.594.EMNX peuvent être utilisés.
Schéma n ° 4 sur la base de l'unité de pompage et de mélange VT.DUAL, avec régulation automatique de la température de l'air dans les locaux


Tableau 5. Spécification des matériaux pour "sol chaud" pour le schéma n ° 4 (par 100 m2 de sol)


Le principe de fonctionnement de l'unité de mélange VT.DUAL (schéma n ° 4
) ensuite : la pompe de circulation (repère 3) fait circuler le fluide caloporteur dans les boucles de plancher chauffant. Lorsque le liquide de refroidissement se refroidit en dessous de la température de réglage, la vanne thermostatique faisant partie de l'unité s'ouvre et le circuit secondaire est alimenté en liquide de refroidissement du circuit primaire avec un mélange de liquide de refroidissement provenant du collecteur d'alimentation du circuit secondaire.
Si la température de consigne du circuit secondaire est dépassée, le thermostat de sécurité se déclenche, arrêtant la pompe. Dans ce cas, la circulation du liquide de refroidissement dans le circuit secondaire s'arrête et dans le circuit primaire, elle se produit par le biais du by-pass. Ainsi, l'unité assure un débit constant dans le circuit primaire. Dans le cas où les boucles chaudes se chevauchent, la circulation du liquide de refroidissement dans le circuit secondaire se fait par la dérivation.
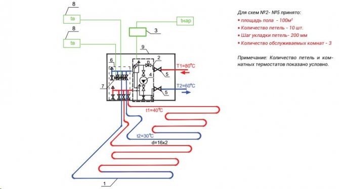
Schéma n ° 5 basé sur l'unité de mélange à pompe VT.COMBI.S, avec un régulateur en fonction de la météo et une commande automatiquecontrôle de la température dans les chambres


Tableau 6. Spécification des matériaux pour "sol chaud" pour le schéma n ° 4 (pour 100 m2 de sol)


VT.COMBI.S (schéma n ° 5
) sont adaptés pour fonctionner avec le contrôleur VT.K200.M, qui permet un contrôle automatique en fonction des conditions météorologiques de la température du liquide de refroidissement du circuit secondaire selon un programme défini par l'utilisateur.
- Le contrôleur VT.K200.M remplit les fonctions suivantes:
- mesure et indication de la température de l'air extérieur;
- mesure et indication de la température du liquide de refroidissement;
- maintenir une température confortable dans les pièces avec toute structure de chauffage par le sol et dans toutes les conditions climatiques;
- échange de données, programmation de l'appareil sur le réseau via l'interface RS-485 (intégration dans les systèmes de maison intelligente);
- arrêt d'urgence de la pompe de circulation lorsque le liquide de refroidissement atteint la température maximale autorisée (60 ° C).
Schémas n ° 3, 4, 5
peut également être complété par des thermostats avec sonde de température au sol VT.AC709. Dans ce cas, la régulation sera basée sur la température ambiante et la sonde de température du sol jouera un rôle de sécurité. Il coupera l'alimentation des boucles du liquide de refroidissement lorsque la température maximale du plancher réglée est dépassée. Ceci est important lors du revêtement de parquet ou de sols stratifiés. Le thermostat VT.AC709 peut être reconfiguré en mode lorsque le capteur de température du sol devient opérationnel, c'est-à-dire que le contrôle de l'alimentation en liquide de refroidissement des boucles sera effectué précisément le long de celui-ci et le capteur de température ambiante deviendra la sécurité. Lorsque la température de l'air dans la pièce atteint une valeur critique prédéterminée, le servomoteur coupe l'alimentation en caloporteur des boucles, quelles que soient les lectures du capteur de température du sol.
Tous les schémas envisagés peuvent être combinés entre eux et complétés par divers équipements.
















