Les vannes font partie intégrante de tout système de chauffage (CO), quel que soit le schéma choisi et la configuration des circuits. À l'aide de ces appareils simples, les paramètres d'alimentation en chaleur sont ajustés, la sécurité et la stabilité du système sont assurées. Cette publication examinera les principales vannes utilisées dans les systèmes de chauffage centralisés et autonomes, leur objectif, leur principe de fonctionnement et leurs caractéristiques de conception.
[Contenu]
Critères de choix
Le nombre et les paramètres de vannes nécessaires pour un CO spécifique sont sélectionnés au stade des calculs et de la conception. Les principaux critères qui influent sur le choix de ces éléments sont:
- Type, schéma et configuration du CO.
- Conditions de température (nominale et maximale).
- Pression du système (de travail et maximale).
- Section de pipeline et type de filetage.
- Type de liquide de refroidissement (eau, saumures, antigels).
Le fonctionnement de ces appareils stabilise le CO, le rend efficace et sûr. Quiconque est engagé dans l'auto-installation d'un système de chauffage dans une maison doit connaître son objectif et son principe de fonctionnement. Toutes les vannes peuvent être divisées en fonction de leur objectif en trois catégories: groupe de sécurité, de contrôle et de régulation.
Tout le monde sait que tout CO est une source de danger accrue, car le liquide de refroidissement dans le système est sous pression. Et plus la température est élevée, plus la pression (en CO fermé) est élevée. Ensuite, considérez les appareils qui sont responsables de la sécurité du CO
Nomination de vannes pour le chauffage
Le chauffage autonome ou urbain doit être adapté aux valeurs actuelles des paramètres - pression et température dans le système. Pour accomplir cette tâche, une vanne de dérivation dans le système de chauffage, une vanne mélangeuse, une soupape de sécurité et autres sont nécessaires.

Vannes dans le système de chauffage
Contrairement aux vannes d'arrêt, elles fonctionnent en mode automatique ou semi-automatique. Toutes les vannes de régulation de chauffage doivent correspondre aux paramètres de l'apport de chaleur spécifique.
Pour ce faire, vous devez d'abord calculer les caractéristiques, établir un schéma détaillé et, en fonction des données obtenues, sélectionner la vanne de vidange de chauffage optimale et d'autres types d'éléments similaires.
Les principaux critères sont:
- Température de fonctionnement du système... La vanne d'arrêt du chauffage doit fonctionner normalement même avec des effets thermiques critiques;
- Pression - nominale et maximale. Chaque réducteur de pression du système de chauffage a certaines limites de réponse, qui doivent être inférieures au maximum de 5 à 10%;
- Type de liquide de refroidissement - eau ou antigel... Dans ce dernier cas, des dysfonctionnements sont possibles, car la vanne d'air pour le chauffage n'est pas conçue pour un liquide de densité plus élevée que l'eau.
Une vanne appropriée pour purger l'air du système de chauffage est sélectionnée au stade de la conception. Le fonctionnement de cet appareil et des composants similaires doit stabiliser l'état du système en cas de risque de situations d'urgence. Par conséquent, il est nécessaire de connaître le principe de fonctionnement et les types de vannes d'alimentation en chaleur.
Certaines caractéristiques de performance sont indiquées directement sur le corps de la vanne de dérivation de chauffage. Si ce n'est pas le cas, un avis professionnel est impératif.
Sécurité


Dans la plupart des modèles de chaudières modernes, les fabricants proposent un système de sécurité dont le "chiffre clé" est les raccords de sécurité inclus directement dans l'échangeur de chaleur de la chaudière ou dans sa tuyauterie.
Rendez-vous soupape de sécurité dans l'installation de chauffage consiste à empêcher la montée en pression dans le système au-dessus du niveau admissible, ce qui peut entraîner : la destruction des canalisations et de leurs raccordements ; fuites; explosion de matériel de chaudière


La conception de ce type de ferrures est simple et sans prétention. L'appareil se compose d'un corps en laiton, qui abrite un diaphragme de fermeture à ressort relié à la tige. La résilience du ressort est le principal facteur qui maintient le diaphragme en position verrouillée. Le bouton de réglage ajuste la force de compression du ressort.
Lorsque la pression sur le diaphragme est supérieure à celle réglée, le ressort est comprimé, il s'ouvre et la pression est relâchée à travers le trou latéral. Lorsque la pression dans le système ne peut pas surmonter l'élasticité du ressort, le diaphragme revient à sa position d'origine.
Conseil: achetez un dispositif de sécurité avec régulation de pression de 1,5 à 3,5 bar. La plupart des modèles d'équipement de chaudière à combustible solide entrent dans cette gamme.
Comment la température du liquide de refroidissement est ajustée
Le plus souvent, de l'eau ordinaire ou spécialement préparée est utilisée comme liquide de refroidissement. Les vannes d'arrêt et de régulation du chauffage permettent de contrôler sa température dans le système non seulement qualitativement, mais aussi quantitativement.


Comment s'effectue la régulation frontale des systèmes de chauffage?
Plus en détail, cela se produit comme suit:
| Ajustement de la qualité | La température de l'eau à l'entrée de la ligne commune est modifiée. Tout dépend des fluctuations de température autour de l'appareil. |
| Ajustement quantitatif | Dans ce cas, le débit d'eau chauffée, qui doit traverser le système, change. L'instruction permet de l'augmenter ou de la diminuer :
|
Vannes d'arrêt de sécurité et de contrôle
Cette catégorie d'appareils comprend :
- Vannes à bille;
- vannes et vannes;
- réducteurs de pression;
- régulateurs de pression et de débit d'eau;
- clapets anti-retour;
- vannes papillon et évents;
- manomètres;
- vannes d'équilibrage, de sécurité et d'arrêt;
- raccords thermostatiques.
Ils peuvent être installés sur tous les éléments du système de chauffage. Sur l'appareil de chauffage, ils permettent de réguler la température du liquide de refroidissement et de protéger l'équipement des urgences. Par exemple, lorsque la pression dans la chaudière du système de chauffage augmente soudainement, le capteur de pression bloque le fonctionnement du générateur de chaleur et commence à le réinitialiser.


Vanne de régulation de chauffage pour batterie
Radiateur
Grâce à l'utilisation de vannes de régulation locales, il est possible de réguler le système de chauffage directement sur les batteries dans chaque pièce. Pour cela, on utilise des vannes manuelles ou automatiques qui bloquent ou ouvrent le débit du liquide de refroidissement vers le radiateur. De ce fait, la température de ce dernier change également.
Astuce: il est préférable de mettre des vannes d'arrêt pour radiateurs sur chaque appareil individuellement.
En cas de réparation, de remplacement d'un élément ou d'accident, la vanne de régulation du chauffage permettra de couper complètement l'alimentation en eau de la batterie.Nous vous recommandons de choisir les raccords pour le système de chauffage délibérément et sans hâte, d'autant plus que de nouveaux articles apparaissent périodiquement en vente qui vous permettent d'utiliser plus efficacement le chauffage à domicile.
Caractéristiques de conception
Pour les radiateurs, une vanne de régulation de chauffage à 3 voies avec dispositif d'étranglement est utilisée, ce qui permet d'obtenir une régulation plus douce. Des robinets à double réglage sont également utilisés.


Photo - mitigeur thermostatique
Les appareils se composent de :
- un boîtier dans lequel il y a des passages pour le liquide de refroidissement;
- un verre intérieur dans lequel sont réalisées des fentes rondes;
- broche avec poignée;
- bouchon.
Le débit d'eau chaude est régulé en tournant la poignée, lorsque le verre en bronze intérieur commence à se déplacer de haut en bas, ce qui change sa section transversale. De cette façon, vous pouvez bloquer complètement son accès au radiateur ou au système.


Régulation du chauffage dans la maison avec un robinet thermostatique
En plus des vannes d'arrêt, plusieurs vannes sont installées sur chaque conduite de chauffage.
Ils sont situés sur:
- entrée et sortie du générateur de chaleur ;
- lignes d'alimentation;
- échangeurs de chaleur;
- contourner les lignes.
Une vanne ouverte n'a aucune résistance à l'écoulement de l'eau.
Structurellement, il se compose de :
- étui métallique;
- levier de Control;
- vanne papillon.
Conseil: à l'aide d'une vanne, il est possible de couper le débit dans n'importe quelle direction, les vannes sont conçues pour arrêter le mouvement du liquide de refroidissement un seul.
Contrôle de la température
La capacité de contrôler le régime de température de la pièce joue un rôle important dans le confort de la vie. Pour cela, une vanne thermostatique est prévue qui vous permet de réguler le chauffage de l'air en modifiant automatiquement le débit du liquide de refroidissement traversant le radiateur de chauffage.
Une vanne spéciale est installée à son entrée, programmée pour maintenir une température donnée dans la pièce. L'ajustement a lieu par rapport à ces valeurs.
Dans la plupart des cas, toutes les batteries sont aujourd'hui équipées d'appareils similaires. La tête thermostatique de l'équipement est programmable.
Elle contrôle:
- mécanique - une échelle avec les valeurs de la température requise est appliquée;
- électronique - un affichage avec des boutons, à cause de cela, le prix de l'équipement est plus élevé, mais les lectures sont plus précises.


Comment régler le système de chauffage avec une tête électronique thermostatique
Il suffit de régler une fois la valeur de température requise pour la pièce. À l'avenir, l'appareil lui-même s'en chargera sans votre participation. L'alimentation en liquide de refroidissement chaud du système de chauffage au radiateur se fera automatiquement.
Bouche d'aération
Assez souvent, des poches d'air se forment dans le CO. En règle générale, il y a plusieurs raisons à leur apparition:
- ébullition du liquide de refroidissement;
- teneur élevée en air dans le liquide de refroidissement, qui est automatiquement ajouté directement à partir de l'alimentation en eau;
- En raison de fuites d'air par des connexions qui fuient.
Les écluses d'air entraînent un chauffage inégal des radiateurs et une oxydation des surfaces intérieures des éléments métalliques CO. La soupape de décharge d'air du système de chauffage est conçue pour évacuer l'air du système en mode automatique.


Structurellement, l'évent est un cylindre creux en métal non ferreux, dans lequel se trouve un flotteur, relié par un levier avec une vanne à pointeau, qui, en position ouverte, relie la chambre d'évent à l'atmosphère.
En état de fonctionnement, la chambre intérieure de l'appareil est remplie d'un liquide de refroidissement, le flotteur est soulevé et le robinet à pointeau est fermé.Si de l'air pénètre, qui monte jusqu'au point supérieur de l'appareil, le liquide de refroidissement ne peut pas monter dans la chambre jusqu'au niveau nominal et, par conséquent, le flotteur est abaissé, l'appareil fonctionne en mode échappement. Une fois l'air libéré, le liquide de refroidissement monte dans la chambre de ce type de raccords au niveau nominal et le flotteur prend sa place régulière.
Dos
Dans le CO gravitaire, il existe des conditions dans lesquelles le liquide de refroidissement peut changer la direction du mouvement. Cela risque d'endommager l'échangeur de chaleur du générateur de chaleur en raison d'une surchauffe. La même chose peut se produire dans des CO suffisamment complexes avec mouvement forcé du liquide de refroidissement, lorsque l'eau, par le tuyau de dérivation de l'unité de pompage, rentre dans la chaudière dans la chaudière. Mécanisme d'action clapet anti-retour dans l'installation de chauffage assez simple : il ne fait passer le liquide de refroidissement que dans un sens, le bloquant lors du recul.


Il existe plusieurs types de ce type de ferrures, qui sont classés en fonction de la conception du dispositif de verrouillage:
- en forme de disque;
- Balle;
- pétale;
- bivalve.
Comme le nom l'indique déjà, dans le premier type, un disque (plaque) à ressort en acier, relié à la tige, agit comme un dispositif de verrouillage. Dans une vanne à bille, une bille en plastique fait office d'obturateur. En se déplaçant «dans le bon sens», le liquide de refroidissement pousse la bille à travers le canal dans le corps ou sous le couvercle de l'appareil. Dès que la circulation de l'eau s'arrête ou que le sens de son mouvement change, la bille, sous l'influence de la gravité, reprend sa position d'origine et bloque le mouvement du liquide de refroidissement.
Dans le pétale, le dispositif de verrouillage est un couvercle à ressort, qui s'abaisse lorsque la direction de l'eau dans le CO change sous l'action de la gravité naturelle. L'élément bivalve est installé (en règle générale) sur des tuyaux de grand diamètre. Le principe de leur travail ne diffère pas de celui des pétales. Structurellement, dans une telle armature, au lieu d'un pétale, chargé par ressort par le haut, deux volets à ressort sont installés.
Ces dispositifs sont conçus pour réguler la température, la pression et stabiliser le travail du CO.
Où mettre la valve
La plupart des maisons privées n'utilisent que des vannes de radiateur manuelles. Ils suffisent largement à mettre en place le fonctionnement normal du chauffage à eau chaude dans les chalets jusqu'à 500 m². L'installation des ponts roulants à balancier de type principal est effectuée dans les cas suivants:
- dans les bâtiments avec un réseau de chauffage étendu, composé de nombreuses colonnes montantes;
- dans des immeubles d'habitation chauffés par leur propre chaufferie;
- lors de la fixation d'une chaudière à combustible solide avec un accumulateur de chaleur.


Lorsque nous aurons déterminé le but des vannes d'équilibrage, nous indiquerons les endroits spécifiques de leur installation. Les robinets de radiateur doivent être installés à la sortie des batteries et les principaux doivent être installés sur le tuyau de retour avec un liquide de refroidissement refroidi. Si l'élément est utilisé en tandem avec un régulateur de pression automatique, il peut être placé à la fois sur les conduites d'alimentation et de retour, en fonction du circuit conçu.


Exemple de schéma avec équilibrage de groupe de colonnes montantes
Référence. Dans les radiateurs en aluminium et en acier avec connexion inférieure, la vanne d'équilibrage est intégrée dans des raccords spéciaux conçus pour connecter les connexions à de tels appareils.
Soulignons les moments où il n'est pas nécessaire d'installer des vannes de régulation:
- dans des systèmes sans issue de courte longueur avec des "épaules" hydrauliques égales;
- si toutes les batteries sont équipées de vannes thermostatiques préréglées;
- sur le dernier radiateur (sans issue);
- dans les systèmes de chauffage de type collecteur.


Les raccords spéciaux pour le raccordement inférieur sont équipés de vannes d'équilibrage intégrées
Les thermostats à préréglage, posés sur l'alimentation en eau de la batterie, jouent simultanément le rôle de vanne d'équilibrage, il suffit donc d'installer une vanne d'arrêt à bille à la sortie du chauffe-eau. Les mêmes raccords sont montés sur les connexions du dernier de la chaîne du radiateur, puisqu'il est inutile de le régler, il doit être complètement ouvert.
Équilibrage
Tout CO nécessite un réglage hydraulique, c'est-à-dire un équilibrage. Elle s'effectue de diverses manières : par des diamètres de tuyaux correctement sélectionnés, des rondelles, avec des sections de passage différentes, etc. vanne d'équilibrage pour système de chauffage.
Le but de cet appareil est de fournir le volume de liquide de refroidissement et la quantité de chaleur requis pour chaque dérivation, circuit et radiateur.


La vanne est une vanne classique, mais avec deux raccords installés dans son corps en laiton, qui permettent de connecter un équipement de mesure (manomètres) ou un tube capillaire avec un régulateur de pression automatique.
Le principe de fonctionnement de la vanne d'équilibrage pour le système de chauffage est la suivante: En tournant le bouton de réglage, il est nécessaire d'atteindre un débit strictement défini du liquide de refroidissement. Cela se fait en mesurant la pression à chaque buse, après quoi, selon le schéma (généralement fourni par le fabricant à l'appareil), le nombre de tours du bouton de réglage est déterminé pour atteindre le débit d'eau souhaité pour chaque circuit CO. . Les régulateurs d'équilibrage manuels sont installés sur des circuits avec jusqu'à 5 radiateurs. Sur les branches avec un grand nombre d'appareils de chauffage - automatique.
Caractéristiques fonctionnelles de la vanne d'équilibrage du système de chauffage


Vanne d'équilibrage principale
La vanne d'équilibrage automatique du système de chauffage du réseau principal diffère de la conception du radiateur par ses dimensions, l'angle d'inclinaison de la broche et la géométrie de la buse.
Fonctions d'équilibrage automatique:
- Drainage de l'eau du système de chauffage;
- connexion de capteurs pour mesurer les paramètres du liquide de refroidissement;
- installation d'un tube cochléaire à impulsion à partir d'un détecteur de pression.
Le nombre de tours que l'équilibreur est capable d'effectuer est de 3 à 5, cet indicateur diffère pour la plupart des fabricants. Afin de changer la position de la tige, vous avez besoin d'une clé avec une configuration hexagonale. La régulation s'effectue en fonction de la perte de charge dans le réseau de chaleur. En cours de réglage, lorsque le débit de l'eau en circulation change, la perte de charge dans la canalisation et la soupape de commande change également, ce qui entraîne à son tour une modification du différentiel sur la barre d'équilibrage.
La perte de charge dans le réseau peut être déterminée indépendamment par les lectures des manomètres installés sur le retour / l'alimentation du système de chauffage interne du bâtiment. Par exemple, avec une pression d'alimentation / retour de 2,5 / 2,0 bar, le différentiel sera de 2,5 - 2,0 = 0,5 bar. Lorsque la vanne est automatique, elle règle le différentiel lui-même selon l'algorithme défini dans la conception.
Il convient également de noter que tous les systèmes d'alimentation en chaleur ne nécessitent pas d'équilibrage. Par exemple, s'il y a jusqu'à trois courtes branches sans issue dans le câblage de la maison, équipées de 2 dispositifs sur chacune, leur fonctionnement peut être configuré à l'aide de vannes à bille ou de vannes d'arrêt et de contrôle conventionnelles.
Contourne
Il s'agit d'un autre élément de CO conçu pour égaliser la pression dans le système. Principe d'opération vanne de dérivation du système de chauffage est similaire à celui de sécurité, mais il y a une différence: si l'élément de sécurité purge l'excès de liquide de refroidissement du système, le by-pass le renvoie à la ligne de retour au-delà du circuit de chauffage.


La conception de cet appareil est également identique aux éléments de sécurité: un ressort à élasticité réglable, un diaphragme obturateur avec une tige dans un corps en bronze. Le volant ajuste la pression à laquelle ce dispositif est déclenché, la membrane ouvre le passage pour le liquide de refroidissement. Lorsque la pression dans le CO se stabilise, la membrane revient à sa place d'origine.
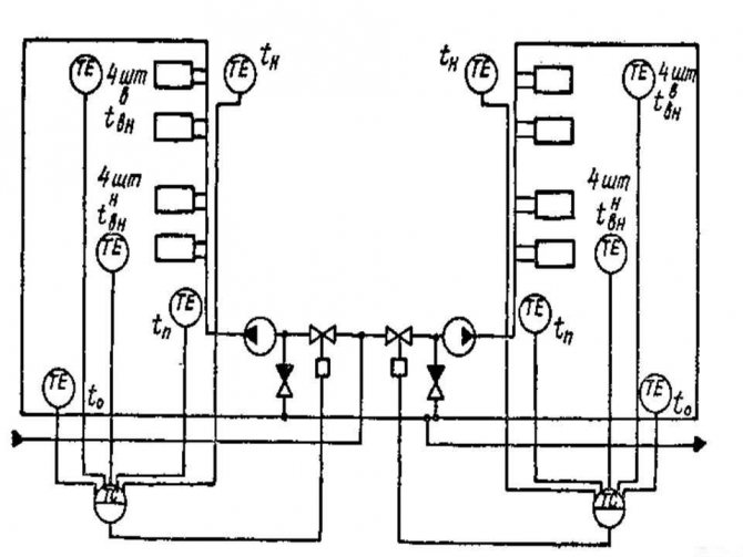
Trois façons
Il existe une pratique pour atteindre une certaine température du liquide de refroidissement dans diverses branches et circuits du CO en mélangeant ou en divisant les flux de liquide de refroidissement. Vanne à trois voies sur le système de chauffage joue le rôle d'un appareil qui régule la température du fluide de travail après le générateur de chaleur.


La conception de l'armature de mélange est simple : il y a trois ouvertures dans le corps de l'appareil, deux entrées et une sortie. Les dispositifs d'isolement ont une entrée et deux sorties.
Le dispositif de commande principal de cet élément est une tête thermique, à l'intérieur de laquelle se trouve un réservoir avec un liquide (soufflet). Lorsque le capteur à distance est chauffé, le liquide qu'il contient se dilate et pénètre dans le soufflet. Le volume de ce réservoir se dilate et agit sur la tige de valve, qui ouvre ou ferme les orifices de mélange ou de division. Les types séparateurs de cet élément CO utilisent le même principe, mais la tige n'ouvre pas le passage pour les flux, mais divise un flux en deux.
L'appareil peut être contrôlé non seulement par la tête thermostatique. Les appareils manuels sont très populaires. La profondeur à laquelle la tige est pressée est déterminée par la rotation de la poignée de commande. Aujourd'hui, sur le marché de la technologie climatique, ces appareils à variateurs électriques et servo sont largement représentés.
Appareil de maquillage automatique


En raison de diverses circonstances (évaporation naturelle, fonctionnement de l'élément de sécurité, etc.), le volume de liquide de refroidissement en CO peut diminuer. Moins il y a de liquide de refroidissement, plus il y a d'air dans le système, ce qui perturbe inévitablement la circulation de l'eau en CO et la surchauffe des équipements de la chaudière. Pour empêcher l'air de pénétrer dans le système, il est nécessaire de reconstituer la quantité de liquide de refroidissement à temps. Vous pouvez le faire manuellement ou vous pouvez installer vanne d'appoint pour système de chauffage, organisant ainsi le réapprovisionnement automatique en CO avec un liquide de refroidissement.
La conception de ce type de raccords ne diffère pratiquement pas des raccords de sécurité, mais le principe de fonctionnement est exactement le contraire: tant qu'il y a la pression nécessaire dans le CO, qui soutient la membrane contre le siège, le ressort est dans un état compressé. Lorsque la pression descend en dessous du minimum, le ressort se redresse et éloigne la membrane du siège, permettant à l'eau du réservoir d'alimentation ou du réseau d'alimentation en eau d'entrer dans le CO. En figue. La construction de cet appareil est illustrée ci-dessous.


Au fur et à mesure que le CO est rempli, la pression augmente, le ressort est comprimé et la membrane repose dans le siège sur le corps, coupant le maquillage.
Important! La sélection des vannes est un processus complexe et important qu'il vaut mieux laisser aux professionnels.
Types de vannes
Selon la version du dispositif de verrouillage, les types de clapets anti-retour suivants sont disponibles :
- en forme de disque;
- gravitationnel (pétale);
- Balle;
- bivalve.
Les dispositifs à champignon ferment la zone d'écoulement avec un disque qui s'insère dans le siège avec un joint. De l'intérieur, le disque est attaché à une tige qui se déplace librement dans la douille. Sur celui-ci, entre l'élément de disque et le corps, se trouve un ressort de forme cylindrique ou conique, qui presse de manière fiable le disque contre le siège.
Les vannes avec un disque comme élément de verrouillage sont produites en deux types: à passage direct et à levage. Dans une vanne à écoulement direct de liquide, le disque ferme l'une des entrées, et lors de l'ouverture, le liquide de refroidissement se déplace sans changer de direction. Le produit est souvent utilisé dans les systèmes de chauffage et d'eau chaude, son but est d'éviter les flux parasites dans les systèmes à plusieurs chaudières.La conception du produit est illustrée sur la figure :


Dans les appareils de levage, la vanne est située à l'intérieur de la vanne et est en position horizontale. Le flux de liquide soutient la "plaque" avec un ressort par le bas, la soulève et se précipite vers le haut. Après avoir surmonté l'obstacle, l'eau tourne à nouveau et continue dans la même direction. Ces vannes sont généralement utilisées dans la tuyauterie des chaudières de moyenne à haute puissance et sont rarement installées dans les maisons privées.


La faible résistance du clapet anti-retour à gravité est due à un ressort avec très peu d'élasticité. Dans certains modèles, il est absent du tout, l'appareil fonctionne grâce à deux forces : la gravité et la pression de refoulement, si cela apparaît. Le couvercle avec joint, fermant le passage du liquide, est suspendu au sommet de l'essieu et est légèrement à ressort. La résistance hydraulique à l'écoulement est minimale, de plus, la section de travail du canal ne diminue pratiquement pas. Mais il y a un autre côté de la médaille: l'armature ne peut fonctionner qu'en position horizontale.


En fait, un clapet à bille à contre-pression n'est pas très différent d'un clapet à champignon. Le rôle de l'élément de blocage est ici joué non par le disque, mais par la bille. Par exemple, dans une vanne à bride d'un diamètre de 50 mm ou plus, une bille en caoutchouc ou en alliage d'aluminium se déplace librement le long d'un canal incliné. Lors du mouvement "correct" de l'eau, c'est sous le capot supérieur du produit, que le ressort est comprimé. Au moment où le flux change de direction, le clapet anti-retour à bille se ferme du fait que le ressort est redressé, ce dernier est abaissé et repose dans la selle.


Avec tous leurs avantages et leur simplicité de conception, ces produits sont très rarement installés dans les systèmes de chauffage des maisons privées. Ils sont utilisés dans plusieurs domaines : l'approvisionnement en eau, l'assainissement et le chauffage. En règle générale, les robinets à tournant sphérique sont installés dans des systèmes de chauffage ou d'autres réseaux industriels.
Les vannes papillon sont conçues pour être installées dans de grandes canalisations et pour fonctionner dans des systèmes à pression élevée. Dans ceux-ci, la section d'écoulement coupe l'axe sur lequel 2 volets à ressort sont installés. Le principe de fonctionnement est le même : les volets s'ouvrent sous l'influence de la pression du liquide de refroidissement. Si, en raison de certaines circonstances, le liquide va dans l'autre sens, les volets se fermeront rapidement et le débit sera bloqué.





