
DEIl y a une opinion que le chauffage gravitationnel est un anachronisme à notre ère informatique. Mais que se passe-t-il si vous construisez une maison dans une zone où il n'y a pas encore d'électricité ou où l'alimentation électrique est très intermittente? Dans ce cas, vous devrez vous rappeler la manière à l'ancienne d'organiser le chauffage. Voici comment organiser le chauffage gravitationnel, et nous en parlerons dans cet article.
Système de chauffage par gravité
Le système de chauffage gravitationnel a été inventé en 1777 par le physicien français Bonneman et a été conçu pour chauffer un incubateur.
Mais ce n'est que depuis 1818 que le système de chauffage gravitationnel est devenu omniprésent en Europe, bien que jusqu'à présent uniquement pour les serres et les serres. En 1841, l'Anglais Hood a développé une méthode de calcul thermique et hydraulique des systèmes de circulation naturelle. Il a pu théoriquement prouver la proportionnalité des taux de circulation du liquide de refroidissement aux racines carrées de la différence des hauteurs du centre de chauffage et du centre de refroidissement, c'est-à-dire la différence de hauteur entre la chaudière et le radiateur. La circulation naturelle du liquide de refroidissement dans les systèmes de chauffage a été bien étudiée et avait une base théorique puissante.
Mais avec l'avènement des systèmes de chauffage par pompage, l'intérêt des scientifiques pour le système de chauffage gravitationnel s'est progressivement estompé. Actuellement, le chauffage gravitationnel est éclairé superficiellement dans les cours d'institut, ce qui a conduit à l'analphabétisme des spécialistes qui installent ce système de chauffage. C'est dommage à dire, mais les installateurs de chauffage gravitationnel utilisent principalement les conseils d '«expérimentés» et ces maigres exigences qui sont énoncées dans les documents réglementaires. Il convient de rappeler que les documents réglementaires dictent uniquement les exigences et ne fournissent pas d'explication sur les raisons de l'apparition d'un phénomène particulier. À cet égard, parmi les spécialistes, il y a un nombre suffisant d'idées fausses, que je voudrais dissiper un peu.
Avantages et inconvénients
Bien que ce système soit populaire, il présente certains inconvénients. Tout d'abord, il s'agit de la longueur des canalisations, qui ne sont pas capables de répartir uniformément la pression du fluide à l'intérieur. Par conséquent, dans les systèmes gravitationnels, 30 mètres horizontalement est la limite. Cela n'a plus aucun sens de retirer les pipelines. Plus la chaudière est éloignée, plus la pression est basse.
On note également le coût initial élevé. Les experts assurent que le coût d'un tel chauffage représente jusqu'à 7% du coût du bâtiment lui-même. Cela est dû au fait que des tuyaux de grand diamètre sont nécessaires ici pour créer la pression nécessaire avec un grand volume de liquide de refroidissement.
Un autre inconvénient est le réchauffement lent des appareils de chauffage. Cela dépend encore une fois d'une quantité d'eau importante. Il faut un certain temps pour le réchauffer. De plus, il existe une forte probabilité de gel du liquide de refroidissement dans les tuyaux qui traversent des pièces non chauffées.
Dignité
Cependant, les avantages d'un tel système ne sont pas non plus si petits:
- Simplicité de conception, d'installation et de fonctionnement.
- L'indépendance énergétique.
- Manque de pompes de circulation, ce qui garantit le silence et élimine les vibrations.
- Fonctionnement à long terme jusqu'à 40 ans.
- Fiabilité - c'est aujourd'hui le chauffage le plus fiable en termes d'autorégulation quantitative.
Pourquoi la fiabilité thermique dépend-elle de l'autorégulation quantitative? Et en général, qu'est-ce que cela signifie?
Lorsque la température de l'eau change dans un sens ou dans un autre, le débit du liquide de refroidissement change également. Il y a un changement de sa densité, ce qui affecte le transfert de chaleur. Plus il y a d'eau, plus son transfert de chaleur est élevé. Tout cela interagit avec la perte de chaleur de la pièce où le radiateur est installé. Ces deux indicateurs sont également interdépendants. La perte de chaleur augmente - le transfert de chaleur augmente.


Schéma d'un système de chauffage à circulation
La liaison du circuit est également importante. Dans un système à deux tuyaux, tout est plus simple, car l'anneau de circulation est déterminé par un seul appareil. Par conséquent, l'autorégulation thermique se produit dans une version raccourcie. Et cela affecte la qualité du transfert de chaleur du radiateur. Plus la bague est courte, meilleur est le chauffage global.
C'est plus difficile avec une jonction monotube, car plusieurs dispositifs de chauffage entrent dans un anneau de circulation et la répartition de la chaleur peut être inégale. Bien sûr, dans ce cas, la pompe de circulation économise. Mais ce ne sont plus des systèmes de chauffage gravitationnels.
Ainsi, une jonction à deux tuyaux sera la meilleure option lors de l'utilisation d'un système avec circulation naturelle du liquide de refroidissement. Cependant, le câblage vertical à un seul tuyau augmentera la vitesse de déplacement de l'eau, ce qui affectera directement l'augmentation du transfert de chaleur et la distribution uniforme du liquide de refroidissement. Plus la vitesse de l'eau à l'intérieur des conduites de chauffage est élevée, plus elle est répartie uniformément sur l'ensemble du circuit. Dans ce cas, il sera possible de placer les appareils de chauffage sous la chaudière.
Un tel schéma est souvent utilisé s'il est nécessaire de chauffer le sous-sol d'une maison.
Chauffage par gravité classique à deux tubes
Afin de comprendre le principe de fonctionnement d'un système de chauffage gravitationnel, considérons un exemple de système gravitationnel classique à deux tuyaux, avec les données initiales suivantes:
- le volume initial de liquide de refroidissement dans le système est de 100 litres;
- hauteur du centre de la chaudière à la surface du liquide de refroidissement chauffé dans le réservoir H = 7 m;
- distance entre la surface du fluide caloporteur chauffé dans le réservoir et le centre du radiateur du deuxième étage h1 = 3 m,
- distance au centre du radiateur du premier étage h2 = 6 m.
- La température à la sortie de la chaudière est de 90 ° C, à l'entrée de la chaudière - 70 ° C.
La pression de circulation effective pour le radiateur du deuxième étage peut être déterminée par la formule:
Δp2 = (ρ2 - ρ1) g (H - h1) = (977 - 965) 9,8 (7 - 3) = 470,4 Pa.
Pour le radiateur du premier étage, ce sera:
Δp1 = (ρ2 - ρ1) g (H - h1) = (977 - 965) 9,8 (7 - 6) = 117,6 Pa.
Pour rendre le calcul plus précis, il est nécessaire de prendre en compte le refroidissement de l'eau dans les canalisations.
Tuyauterie pour chauffage par gravité
De nombreux experts estiment que le pipeline doit être posé avec une pente dans le sens du mouvement du liquide de refroidissement. Je ne soutiens pas que, dans l’idéal, il devrait en être ainsi, mais dans la pratique, cette exigence n’est pas toujours remplie. Quelque part le faisceau se met en travers du chemin, quelque part les plafonds sont faits à différents niveaux. Que se passera-t-il si vous installez le pipeline d'alimentation avec une pente inverse?
Je suis sûr que rien de terrible ne se passera. La pression de circulation du liquide de refroidissement, si elle diminue, alors d'une assez petite quantité (quelques pascals). Cela se produira en raison de l'influence parasite qui refroidit dans le remplissage supérieur du liquide de refroidissement. Avec cette conception, l'air du système devra être évacué à l'aide d'un collecteur d'air à circulation et d'un évent. Un tel dispositif est illustré sur la figure. Ici, la vanne de vidange est conçue pour libérer de l'air au moment où le système est rempli de liquide de refroidissement. En mode de fonctionnement, cette vanne doit être fermée. Un tel système restera pleinement fonctionnel.
Types de systèmes de chauffage à circulation par gravité
Malgré la conception simple d'un système de chauffage à eau avec auto-circulation du liquide de refroidissement, il existe au moins quatre schémas d'installation populaires.Le choix du type de câblage dépend des caractéristiques du bâtiment lui-même et des performances attendues.
Pour déterminer quel schéma fonctionnera, dans chaque cas individuel, il est nécessaire d'effectuer un calcul hydraulique du système, de prendre en compte les caractéristiques de l'unité de chauffage, de calculer le diamètre du tuyau, etc. Une aide professionnelle peut être nécessaire lors de l'exécution des calculs.
Système fermé avec circulation gravitaire
Dans les pays de l'UE, les systèmes fermés sont les solutions les plus populaires parmi d'autres. Dans la Fédération de Russie, le système n'a pas encore été largement utilisé. Les principes de fonctionnement d'un système de chauffage à eau de type fermé avec une circulation sans pompe sont les suivants:
- Lorsqu'il est chauffé, le liquide de refroidissement se dilate, l'eau est évacuée du circuit de chauffage.
- Sous pression, le liquide pénètre dans le vase d'expansion à membrane fermée. La conception du conteneur est une cavité divisée en deux parties par une membrane. La moitié du réservoir est remplie de gaz (la plupart des modèles utilisent de l'azote). La deuxième partie reste vide pour le remplissage avec un liquide de refroidissement.
- Lorsque le liquide est chauffé, une pression suffisante est créée pour pousser la membrane et comprimer l'azote. Après refroidissement, le processus inverse a lieu et le gaz expulse l'eau du réservoir.
Sinon, les systèmes de type fermé fonctionnent comme les autres systèmes de chauffage à circulation naturelle. Les inconvénients comprennent la dépendance au volume du vase d'expansion. Pour les pièces avec une grande surface chauffée, vous devrez installer un conteneur spacieux, ce qui n'est pas toujours conseillé.
Système ouvert avec circulation gravitaire
Le système de chauffage de type ouvert ne diffère du type précédent que par la conception du vase d'expansion. Ce schéma était le plus souvent utilisé dans les bâtiments plus anciens. Les avantages d'un système ouvert sont la possibilité de fabriquer indépendamment des conteneurs à partir de matériaux de récupération. Le réservoir a généralement une taille modeste et est installé sur le toit ou sous le plafond du salon.
Le principal inconvénient des structures ouvertes est l'entrée d'air dans les tuyaux et les radiateurs de chauffage, ce qui entraîne une corrosion accrue et une défaillance rapide des éléments chauffants. L'aération du système est également un «invité» fréquent dans les circuits de type ouvert. Par conséquent, les radiateurs sont installés à un angle; les robinets Mayevsky sont nécessaires pour purger l'air.
Système monotube avec auto-circulation


Cette solution présente plusieurs avantages:
- Il n'y a aucune paire de tuyaux sous le plafond et au-dessus du niveau du sol.
- Les fonds sont économisés lors de l'installation du système.
Les inconvénients de cette solution sont évidents. Le transfert de chaleur des radiateurs de chauffage et l'intensité de leur chauffage diminuent avec l'éloignement de la chaudière. Comme le montre la pratique, un système de chauffage monotube d'une maison à deux étages avec circulation naturelle, même si toutes les pentes sont observées et le bon diamètre de tuyau est sélectionné, est souvent modifié (en installant un équipement de pompage).
Système à deux tuyaux à circulation automatique
Le système de chauffage à deux tuyaux dans une maison privée à circulation naturelle présente les caractéristiques de conception suivantes:
- L'alimentation et le retour passent par des tuyaux différents.
- La ligne d'alimentation est connectée à chaque radiateur via une branche d'entrée.
- La deuxième ligne relie la batterie à la ligne de retour.
En conséquence, un système de type radiateur à deux tubes offre les avantages suivants:
- Répartition uniforme de la chaleur.
- Pas besoin d'ajouter des sections de radiateur pour un meilleur chauffage.
- Il est plus facile d'ajuster le système.
- Le diamètre du circuit d'eau est au moins une taille plus petit que dans les circuits monotube.
- Absence de règles strictes pour l'installation d'un système à deux tuyaux. De petits écarts par rapport aux pentes sont autorisés.
Le principal avantage d'un système de chauffage à deux tuyaux avec câblage inférieur et supérieur est la simplicité et, en même temps, l'efficacité de la conception, qui permet de neutraliser les erreurs de calcul ou lors des travaux d'installation.
Le mouvement du caloporteur refroidi
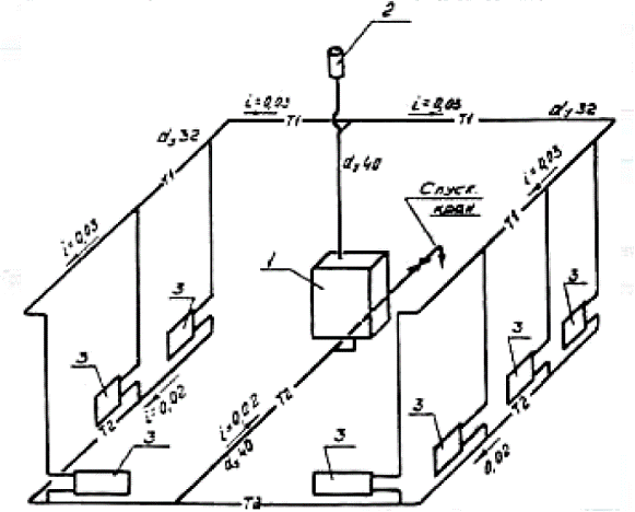
L'une des idées fausses est que dans un système à circulation naturelle, le liquide de refroidissement refroidi ne peut pas monter. Je suis également en désaccord avec ces derniers. Pour un système circulant, le concept de haut et de bas est très conditionnel. En pratique, si le pipeline de retour monte dans une section, il tombe quelque part à la même hauteur. Dans ce cas, les forces gravitationnelles sont équilibrées. La seule difficulté est de surmonter la résistance locale dans les virages et les sections linéaires de la canalisation. Tout cela, ainsi que l'éventuel refroidissement du liquide de refroidissement dans les sections de la montée, doivent être pris en compte dans les calculs. Si le système est correctement calculé, alors le diagramme montré dans la figure ci-dessous a le droit d'exister. À propos, au début du siècle dernier, de tels schémas étaient largement utilisés, malgré leur faible stabilité hydraulique.
Types de systèmes de chauffage à circulation par gravité
Malgré la conception simple d'un système de chauffage à eau avec auto-circulation du liquide de refroidissement, il existe au moins quatre schémas d'installation populaires. Le choix du type de câblage dépend des caractéristiques du bâtiment lui-même et des performances attendues.
Pour déterminer quel schéma fonctionnera, dans chaque cas individuel, il est nécessaire d'effectuer un calcul hydraulique du système, de prendre en compte les caractéristiques de l'unité de chauffage, de calculer le diamètre du tuyau, etc. Une aide professionnelle peut être nécessaire lors de l'exécution des calculs.
Système fermé avec circulation gravitaire
Dans les pays de l'UE, les systèmes fermés sont les solutions les plus populaires parmi d'autres. Dans la Fédération de Russie, le système n'a pas encore été largement utilisé. Les principes de fonctionnement d'un système de chauffage à eau de type fermé avec une circulation sans pompe sont les suivants:
- Lorsqu'il est chauffé, le liquide de refroidissement se dilate, l'eau est évacuée du circuit de chauffage.
- Sous pression, le liquide pénètre dans le vase d'expansion à membrane fermée. La conception du conteneur est une cavité divisée en deux parties par une membrane. La moitié du réservoir est remplie de gaz (la plupart des modèles utilisent de l'azote). La deuxième partie reste vide pour le remplissage avec un liquide de refroidissement.
- Lorsque le liquide est chauffé, une pression suffisante est créée pour pousser la membrane et comprimer l'azote. Après refroidissement, le processus inverse a lieu et le gaz expulse l'eau du réservoir.
Sinon, les systèmes de type fermé fonctionnent comme les autres systèmes de chauffage à circulation naturelle. Les inconvénients comprennent la dépendance au volume du vase d'expansion. Pour les pièces avec une grande surface chauffée, vous devrez installer un conteneur spacieux, ce qui n'est pas toujours conseillé.
Système ouvert avec circulation gravitaire
Le système de chauffage de type ouvert ne diffère du type précédent que par la conception du vase d'expansion. Ce schéma était le plus souvent utilisé dans les bâtiments plus anciens. Les avantages d'un système ouvert sont la possibilité de fabriquer indépendamment des conteneurs à partir de matériaux de récupération. Le réservoir a généralement une taille modeste et est installé sur le toit ou sous le plafond du salon.
Le principal inconvénient des structures ouvertes est l'entrée d'air dans les tuyaux et les radiateurs de chauffage, ce qui entraîne une corrosion accrue et une défaillance rapide des éléments chauffants. L'aération du système est également un «invité» fréquent dans les circuits de type ouvert. Par conséquent, les radiateurs sont installés à un angle; les robinets Mayevsky sont nécessaires pour purger l'air.
Système monotube avec auto-circulation


Un système horizontal monotube à circulation naturelle a un faible rendement thermique, il est donc extrêmement rarement utilisé.L'essence du schéma est que le tuyau d'alimentation est connecté en série aux radiateurs. Le liquide de refroidissement chauffé entre dans le tuyau de dérivation supérieur de la batterie et est déchargé par la branche inférieure. Après cela, le chauffage passe à l'unité de chauffage suivante et ainsi de suite jusqu'au dernier point. Le flux de retour est renvoyé de la batterie extrême à la chaudière.
Cette solution présente plusieurs avantages:
- Il n'y a aucune paire de tuyaux sous le plafond et au-dessus du niveau du sol.
- Les fonds sont économisés lors de l'installation du système.
Les inconvénients de cette solution sont évidents. Le transfert de chaleur des radiateurs de chauffage et l'intensité de leur chauffage diminuent avec l'éloignement de la chaudière. Comme le montre la pratique, un système de chauffage monotube d'une maison à deux étages avec circulation naturelle, même si toutes les pentes sont observées et le bon diamètre de tuyau est sélectionné, est souvent modifié (en installant un équipement de pompage).
Système à deux tuyaux à circulation automatique
Le système de chauffage à deux tuyaux dans une maison privée à circulation naturelle présente les caractéristiques de conception suivantes:
- L'alimentation et le retour passent par des tuyaux différents.
- La ligne d'alimentation est connectée à chaque radiateur via une branche d'entrée.
- La deuxième ligne relie la batterie à la ligne de retour.
En conséquence, un système de type radiateur à deux tubes offre les avantages suivants:
- Répartition uniforme de la chaleur.
- Pas besoin d'ajouter des sections de radiateur pour un meilleur chauffage.
- Il est plus facile d'ajuster le système.
- Le diamètre du circuit d'eau est au moins une taille plus petit que dans les circuits monotube.
- Absence de règles strictes pour l'installation d'un système à deux tuyaux. De petits écarts par rapport aux pentes sont autorisés.
Le principal avantage d'un système de chauffage à deux tuyaux avec câblage inférieur et supérieur est la simplicité et, en même temps, l'efficacité de la conception, qui permet de neutraliser les erreurs de calcul ou lors des travaux d'installation.
Emplacement des radiateurs
Ils disent qu'avec la circulation naturelle du liquide de refroidissement, les radiateurs, sans faute, doivent être situés au-dessus de la chaudière. Cette affirmation n'est vraie que lorsque les appareils de chauffage sont situés dans un étage. Si le nombre d'étages est de deux ou plus, les radiateurs du niveau inférieur peuvent être situés sous la chaudière, ce qui doit être vérifié par calcul hydraulique.
En particulier, pour l'exemple représenté sur la figure ci-dessous, avec H = 7 m, h1 = 3 m, h2 = 8 m, la pression de circulation effective sera:
g · = 9,9 · [7 · (977 - 965) - 3 · (973 - 965) - 6 · (977 - 973)] = 352,8 Pa.
Ici:
ρ1 = 965 kg / m3 est la densité de l'eau à 90 ° C;
ρ2 = 977 kg / m3 est la densité de l'eau à 70 ° C;
ρ3 = 973 kg / m3 est la densité de l'eau à 80 ° C.
La pression de circulation résultante est suffisante pour que le système réduit fonctionne.
Chauffage par gravité - remplacer l'eau par de l'antigel
J'ai lu quelque part que le chauffage gravitationnel, conçu pour l'eau, peut passer sans douleur à l'antigel. Je tiens à vous mettre en garde contre de telles actions, car sans un calcul approprié, un tel remplacement peut entraîner une panne complète du système de chauffage. Le fait est que les solutions à base de glycol ont une viscosité nettement plus élevée que l'eau. De plus, la capacité calorifique spécifique de ces liquides est inférieure à celle de l'eau, ce qui nécessitera, toutes choses égales par ailleurs, une augmentation du débit de circulation du fluide caloporteur. Ces circonstances augmentent considérablement la résistance hydraulique de conception du système rempli de liquides de refroidissement avec un point de congélation bas.
Ce que c'est
Dans tout système de chauffage de l'eau, la distribution et la fonction de transfert de chaleur à travers les appareils de chauffage sont effectuées par le caloporteur - une substance liquide avec une capacité thermique spécifique élevée.
L'eau plate joue ce rôle beaucoup plus souvent; mais dans ces cas, à un moment où, par temps froid, la maison peut être laissée sans chauffage, des liquides avec des températures de transition de phase plus basses sont souvent utilisés.
Quel que soit le type de liquide de refroidissement, il doit être forcé de se déplacer, transférer la chaleur.
Il n'y a pas beaucoup de façons de faire cela.
- Dans les systèmes de chauffage central, la fonction d'incitation à la circulation est assurée par la différence de pression entre les conduites d'alimentation et de retour de la conduite de chauffage..
- Les systèmes autonomes à circulation forcée à cet effet sont équipés de pompes de circulation.
- Enfin, le liquide de refroidissement dans les systèmes gravitationnels (gravitationnels) ne se déplace que du fait de la transformation de sa propre densité lors du chauffage..
Utilisation d'un vase d'expansion ouvert
La pratique montre qu'il est nécessaire de remplir constamment le liquide de refroidissement dans un vase d'expansion ouvert, car il s'évapore. Je conviens que c'est vraiment un gros inconvénient, mais il peut être facilement éliminé. Pour ce faire, vous pouvez utiliser un tube à air et un joint hydraulique, installés plus près du point le plus bas du système, à côté de la chaudière. Ce tube sert d'amortisseur d'air entre le joint hydraulique et le niveau du liquide de refroidissement dans le réservoir. Par conséquent, plus son diamètre est grand, plus le niveau des fluctuations de niveau dans le réservoir d'étanchéité à l'eau sera faible. Des artisans particulièrement avancés parviennent à pomper de l'azote ou des gaz inertes dans le tube à air, protégeant ainsi le système de la pénétration d'air.
Équipement
Un système gravitationnel peut être soit un système fermé qui ne communique pas avec l'air atmosphérique, soit s'ouvrir dans l'atmosphère. Le type de système dépend de l'ensemble d'équipements dont il a besoin.
Ouvert
En fait, le seul élément requis est un vase d'expansion ouvert.


Vase d'expansion ouvert en acier.
Il combine plusieurs fonctions:
- Retient l'excès d'eau en cas de surchauffe.
- Il élimine l'air et la vapeur générés lors de l'ébullition de l'eau du circuit dans l'atmosphère.
- Sert à compléter l'eau pour compenser les fuites et l'évaporation.
Dans les cas où des radiateurs sont situés au-dessus de celui-ci dans certaines zones du remplissage, leurs bouchons supérieurs sont équipés de bouches d'aération. Ce rôle peut être joué à la fois par les robinets Mayevsky et les robinets d'eau conventionnels.
Pour réinitialiser le système, il est généralement complété par une branche menant à l'égout ou simplement à l'extérieur de la maison.
Fermé
Dans un système gravitaire fermé, les fonctions d'un réservoir ouvert sont réparties sur plusieurs dispositifs indépendants.
- Le vase d'expansion à membrane du système de chauffage offre la possibilité d'expansion du liquide de refroidissement pendant le chauffage. En règle générale, son volume est égal à 10% du volume total du système.
- La soupape de surpression soulage la surpression lorsque le réservoir est trop rempli.
- Un évent manuel (par exemple, la même vanne Mayevsky) ou un évent automatique est responsable de la ventilation de l'air.
- Le manomètre indique la pression.


Les trois derniers appareils sont souvent vendus en un seul paquet.
Important: dans un système gravitationnel, au moins un évent doit être présent en son point le plus haut. Contrairement au schéma de circulation forcée, ici le sas ne permet tout simplement pas au liquide de refroidissement de se déplacer.
En plus de ce qui précède, un système fermé est généralement équipé d'un cavalier avec un système d'eau froide, ce qui lui permet d'être rempli après la décharge ou de compenser les fuites d'eau.
Utilisation d'une pompe de circulation en chauffage par gravité
Lors d'une conversation avec un installateur, j'ai entendu dire qu'une pompe installée sur la dérivation de la colonne montante principale ne peut pas créer d'effet de circulation, puisque l'installation de vannes d'arrêt sur la colonne montante principale entre la chaudière et le vase d'expansion est interdite. Par conséquent, il est possible de mettre la pompe en dérivation de la conduite de retour et d'installer un robinet à boisseau sphérique entre les entrées de la pompe. Cette solution n'est pas très pratique, car à chaque fois avant d'allumer la pompe, vous devez vous rappeler de fermer le robinet et, après avoir éteint la pompe, de l'ouvrir.Dans ce cas, l'installation d'un clapet anti-retour est impossible en raison de sa résistance hydraulique importante. Pour sortir de cette situation, les artisans tentent de refaire le clapet anti-retour en un clapet normalement ouvert. De telles vannes "modernisées" créeront des effets sonores dans le système en raison d'un "silencieux" constant avec une période proportionnelle à la vitesse du liquide de refroidissement. Je peux suggérer une autre solution. Un clapet anti-retour à flotteur pour les systèmes à gravité est installé sur la colonne montante principale entre les entrées de dérivation. Le flotteur de la vanne en circulation naturelle est ouvert et n'interfère pas avec le mouvement du liquide de refroidissement. Lorsque la pompe est activée dans la dérivation, la vanne ferme la colonne montante principale, dirigeant tout le débit à travers la dérivation avec la pompe.
Dans cet article, j'ai considéré loin de toutes les idées fausses qui existent chez les spécialistes de l'installation de chauffage gravitationnel. Si vous avez aimé l'article, je suis prêt à le poursuivre avec des réponses à vos questions.
Dans le prochain article, je parlerai des matériaux de construction.
RECOMMANDE DE LIRE PLUS:


