Rénovation et décoration
06/03/2018 Anastasia Prozheva
Une unité de commande automatisée est un ensemble d'équipements et de dispositifs conçus pour fournir une régulation automatique de la température et du débit du liquide de refroidissement, qui est effectuée à l'entrée de chaque bâtiment conformément au programme de température requis pour un bâtiment particulier. Un ajustement peut également être fait en fonction des besoins des résidents.

Ensemble de tuyauterie du chauffe-eau.
Parmi les avantages de AUU, si nous le comparons aux unités d'ascenseur et de chauffage, qui ont une section transversale fixe de l'ouverture de passage, il y a la possibilité de faire varier la quantité de liquide de refroidissement, qui dépend de la température de l'eau dans le retour. et les pipelines d'approvisionnement.
Une unité de commande automatisée est généralement installée pour l'ensemble du bâtiment, ce qui la distingue d'une unité d'ascenseur, qui est montée sur chaque section de la maison.
Dans ce cas, l'installation est effectuée après l'unité qui prend en compte l'énergie thermique du système.


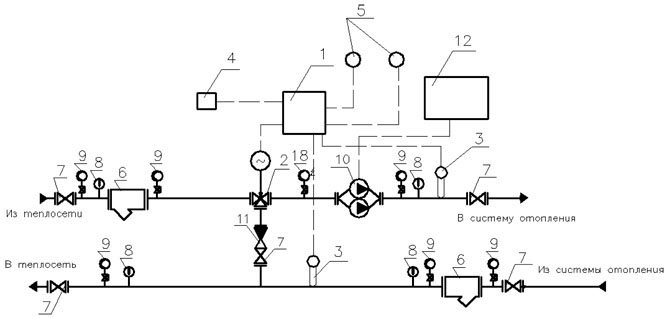
Image 1. Schéma de principe de l'AUU avec pompes de mélange sur le linteau pour des températures jusqu'à AUU t = 150-70 ˚C avec des systèmes de chauffage à un et deux tubes avec thermostats (P1 - P2 ≥ 12 mWC).
L'unité de commande automatisée est représentée par un schéma illustré par l'IMAGE 1. Le schéma fournit: une unité électronique (1), qui est représentée par un panneau de commande; capteur de niveau de température extérieure (2); des capteurs de température dans le liquide de refroidissement dans les canalisations de retour et d'alimentation (3); vanne de régulation de débit équipée d'un entraînement par engrenage (4); soupape de commande de pression différentielle (5); filtre (6); pompe de circulation (7); clapet anti-retour (8).
Comme le montre le schéma, l'unité de contrôle se compose essentiellement de 3 parties: réseau, circulation et électronique.
La partie réseau de l'AUU comprend une vanne pour un régulateur de débit caloporteur avec un entraînement par engrenage, une vanne de régulation de pression différentielle avec un élément de régulation à ressort et un filtre.
La partie circulation de l'unité de commande comprend une pompe mélangeuse avec un clapet anti-retour. Une paire de pompes sert au mélange. Dans ce cas, il faut utiliser des pompes répondant aux exigences de l'automatisme : elles doivent fonctionner en alternance avec un cycle de 6 heures. Leur fonctionnement doit être surveillé par un signal du capteur, qui est responsable de la pression différentielle (le capteur est installé sur les pompes).
Article connexe: Comment réparer les fissures sur les murs après rénovation
Comment ça fonctionne
Le principe de fonctionnement de la commande de l'installation de chauffage est très simple:
Lorsque la température extérieure baisse, par exemple à -20 ° C, la régulation de chauffage fournit plus de chaleur aux pièces, maintenant ainsi la température intérieure au niveau requis, par exemple +20 ° C.


Et vice versa.
Lorsque la température extérieure s'élève, par exemple à + 5 ° C, la centrale météo, comme on l'appelle aussi, délivre moins de chaleur aux locaux.
Ainsi, la consommation de chaleur est réduite et la température dans les locaux reste au niveau dont nous avons besoin, par exemple, +20 ° C et n'augmente pas à +28 ° C, comme c'est souvent le cas lors d'un réchauffement brutal.


La température ne monte pas à +28 ° С
Et si scientifiquement, l'unité de contrôle météorologique est conçue pour assurer et maintenir la température requise du liquide de refroidissement dans la canalisation d'alimentation, en fonction de la température de l'air extérieur.
Économie de chaleur, chauffage, fourniture de chaleur.
Comment les économies sont-elles réalisées?
- Le consommateur décide lui-même du moment et de la quantité de chaleur à consommer.
- Répartition uniforme de la chaleur dans toute la maison.
- Prévention de la surchauffe et de la surchauffe dans les bâtiments résidentiels, les entreprises.
- Pas d'ébullition des échangeurs de chaleur à plaques ou tubes.
- Restreindre le débit de l'excès de liquide de refroidissement dans la maison.
- Augmentation de la durée de vie des pipelines, des systèmes de chauffage.
- Contrôle en ligne de l'ITP, avec notification des situations d'urgence.
- Vous ne payez pas pour le chauffage non utilisé de quelqu'un d'autre pendant le dégel.
Confort de vie.
- Il n'est pas nécessaire d'utiliser des radiateurs électriques.
- Les courants d'air provenant des fenêtres grandes ouvertes et des portes de balcon appartiennent au passé.
- L'étouffement dans l'appartement n'est pas gênant.
- Vous n'avez plus de piles froides.
Système de contrôle automatique pour le chauffage, l'approvisionnement en chaleur du bâtiment.
L'installation fonctionne sans personnel d'entretien permanent et les informations sont affichées sur le panneau de commande d'expédition ou sur un téléphone portable.
La fonction de télécommande vous permet de modifier à distance les paramètres du système pour corriger son fonctionnement en mode manuel. Voir les paramètres système en ligne.
Les points de chauffage central assurent le chauffage des résidents tout au long de la saison de chauffage. La tâche principale de l'ITP ACS est le contrôle et la gestion 24 heures sur 24 de l'alimentation en liquide de refroidissement à pression constante, tout en maintenant la température de consigne dans la pièce. Pour un service efficace, les informations des actionneurs et des capteurs sont collectées et transmises à une seule console de répartition via des communications filaires (Internet par câble) et sans fil (cellulaires). Cela vous permet de surveiller en temps réel le fonctionnement des équipements ACS de la sous-station et, si nécessaire, d'ajuster les paramètres de fonctionnement de l'équipement.
Régulateurs de chaleur, chauffage, fourniture de chaleur
.
Les principaux avantages de l'installation d'un régulateur de chauffage automatisé
Comme nous l'avons déjà dit, cette mesure d'économie d'énergie a pour but d'optimiser la consommation d'énergie thermique dans le bâtiment, à savoir:
- une réduction significative du coût de chauffage des bâtiments et des structures,
- améliorer la qualité et la fiabilité de l'approvisionnement en chaleur,
- régulation automatique de l'approvisionnement en chaleur des bâtiments et des structures,
- la possibilité de surveiller à distance les paramètres du liquide de refroidissement et les modes de fonctionnement de l'équipement de fourniture de chaleur,
- la possibilité, sans frais supplémentaires, de reconfigurer le fonctionnement du système de chauffage, par exemple après isolation de façades, remplacement de fenêtres, rénovation d'un bâtiment,
- automatisation du système de comptage de la consommation d'énergie thermique.
Comme le montre la pratique, une unité de commande automatisée (AUU) économise environ 25% à 37% de l'énergie thermique et offre des conditions de vie confortables dans chaque pièce.


Avantages


Quels sont les avantages spécifiques de l'utilisation d'un régulateur de chauffage automatique?
Un contrôleur moderne avec un module de communication permet d'acquérir des avantages et de tels avantages:
- Le réglage étroit du système en temps réel permet de réaliser de grandes économies avec le bon niveau de confort,
- Vous avez la possibilité d'atteindre la température et les paramètres climatiques de la pièce que vous souhaitez, et pour cela, la valeur des températures souhaitées est suffisante,
- Le système de notification instantanée des événements anormaux et des modes d'urgence augmente considérablement la sécurité et la fiabilité du travail,
- Vous avez la possibilité de quitter la maison avec le système de chauffage et de surveiller à distance son état, et de gérer les modes de fonctionnement, d'allumer ou d'éteindre l'équipement à distance,
- Une visite hivernale dans une maison de campagne avec le chauffage de la pièce éteint nécessite d'entrer dans une pièce froide, de faire fondre l'appareil et d'attendre quelques heures jusqu'à ce que la pièce se réchauffe. Maintenant, il est possible de donner un ordre d'allumage à l'avance et de ne pas perdre de temps.


Il est possible d'assembler et de connecter le système de contrôle par vous-même - pour cela, des approbations et aucun permis ne sont nécessaires. Le travail est facile à réaliser en suivant les instructions du fabricant. Le prix d'un ensemble peut varier de 4 à 40 mille.roubles selon l'entreprise et la configuration du fabricant.
Noter! La plupart des modules ont des connecteurs pour connecter des capteurs supplémentaires, grâce auxquels il est possible d'organiser le contrôle de l'ouverture des portes et des fenêtres, l'écoute ou la surveillance et d'autres fonctions nécessaires.
Quand est-il conseillé d'installer AUU - exemples et calcul de la période de récupération
Regardons 3 exemples d'installation d'un compteur et calculons la période de récupération de cet événement.
Tous les exemples sont tirés de la vie réelle et sont basés sur des enquêtes énergétiques que nous avons menées.
Et donc, nous avons trois bâtiments administratifs (bureaux):
- Bâtiment 1 d'une superficie de 1300 m2
- Bâtiment 2 d'une superficie de 4800 m2
- Bâtiment 3 d'une superficie de 18 500 m2
Les trois bâtiments sont situés à Moscou.
Voici les principaux résultats de l'installation d'une unité de contrôle de système de chauffage:
| Superficie, m2 | Consommation totale de chaleur pour la période de chauffage avant l'installation de AUU | Consommation totale de chaleur pour la période de chauffage après l'installation de l'AUU | Réduction de la consommation de chaleur Gcal | Coût de Gcal mille roubles. (2018 ans) | Économies pour la période de chauffage mille roubles. | |
| Bâtiment n ° 1 | 1 300 | 340 | 266 | 74 | 2,0 | 148 |
| Bâtiment n ° 2 | 4 800 | 550 | 418 | 132 | 2,0 | 264 |
| Bâtiment n ° 3 | 18 500 | 4 400 | 3 720 | 680 | 2,0 | 1 360 |
Comme le montre le tableau, l'installation d'un régulateur de chauffage a permis de réduire la consommation de chaleur pendant la période de chauffage en:
- Bâtiment n ° 1 - 74 Gcal,
- Bâtiment n ° 2 - 132 Gcal,
- Bâtiment n ° 3 - 680 Gcal.
Une telle différence significative dans la réduction de la consommation est principalement due à:
- la taille des bâtiments (superficie et nombre d'étages)
- le nombre d'heures de fonctionnement,
- rendez-vous.
Le tableau suivant montre:
- économie de chaleur pour la période de chauffage (sur la base du coût de 2000 roubles par Gcal)
- le coût d'installation et d'installation de l'unité de contrôle de chauffage et
- période de récupération.
| Économies pour la période de chauffage mille roubles. | Coût AUU (équipement et installation) | Période de récupération simple en années | |
| Bâtiment n ° 1 | 148 | 1 556 | 10,5 |
| Bâtiment n ° 2 | 264 | 1 856 | 7,0 |
| Bâtiment n ° 3 | 1 360 | 2 000 | 1,5 |
La principale conclusion que l'on peut tirer du calcul de la période de récupération de l'UAU
Il est conseillé d'installer une unité de commande de chauffage automatisée dans les bâtiments à forte consommation d'énergie thermique et dans les bâtiments en surchauffe.
Dans les petits bâtiments et les bâtiments à faible consommation d'énergie thermique, une unité de contrôle de chauffage automatisée sera rentable très longtemps ou jamais.
Dans les petits bâtiments, il est plus conseillé de réviser les unités d'ascenseur ou de les installer, ainsi que d'installer un système de vannes d'équilibrage sur les colonnes montantes principales du système de chauffage.


Unité de contrôle du système de chauffage
Erreurs dans le processus d'introduction d'un nœud automatique


Régulateur de chauffage et d'eau chaude selon un circuit de chauffage et d'alimentation en eau chaude indépendant selon un circuit fermé.
Des erreurs peuvent survenir même au moment de la planification et de l'organisation ultérieure des travaux de mise en œuvre du système de chauffage. Certaines erreurs sont souvent commises lors du choix d'une solution technique. Il ne faut pas négliger les règles de construction d'un point de chauffage individuel. En fin de compte, au moment de l'installation de l'unité de commande de chauffage, une duplication de la fonctionnalité de l'équipement installé dans la station de chauffage central peut se produire, ce qui, à son tour, contredit les règles de fonctionnement des installations thermiques. Ainsi, l'installation d'unités de commande de chauffage avec une vanne d'équilibrage peut entraîner une résistance hydraulique élevée dans le système, ce qui entraînera la nécessité de remplacer ou de reconstruire des équipements thermiques et mécaniques.
Une installation incomplète des unités de contrôle de chauffage peut également être qualifiée d'erreur, qui violera certainement l'équilibre thermique et hydraulique établi dans les réseaux intra-quartier. Cela entraînera une détérioration des performances du système de chauffage dans presque tous les bâtiments connectés. Il est nécessaire de procéder à un ajustement thermique au moment du fonctionnement de l'équipement de chauffage.
Des erreurs se produisent souvent lors de la saisie d'une unité de commande de chauffage au stade de la conception.Cela est dû au manque de projets de travail, à l'utilisation d'un projet standard, dépourvu de calculs, de liaison et de sélection d'équipements à certaines conditions. Le résultat est une violation des régimes de fourniture de chaleur.
Article connexe: Papier peint dans la salle de bain: quel est préférable de coller
Pourquoi est-il plus rentable d'installer AUU dans des bâtiments à forte consommation de chaleur?
L'unité de contrôle de chauffage coûte à peu près le même prix pour les grands et les petits bâtiments (la différence entre le coût de l'équipement et de l'installation est de 20% à 30%).
Dans le même temps, un grand bâtiment peut économiser 5 à 10 fois plus d'énergie thermique qu'un petit bâtiment.
Dans notre exemple, nous voyons:
- La régulation de chauffage est rentabilisée en 10,5 ans dans le bâtiment n ° 1, avec une superficie de 1 300 m2 et une consommation de chaleur de 340 Gcal avant l'installation de l'AUU.
- La même unité est rentabilisée en 1,5 an dans le bâtiment n ° 3, avec une superficie de 18 500 m2 et une consommation de chaleur avant l'installation de 4 400 AUU.
Notre analyse et notre calcul ne sont pas universels.
Ils vous donnent seulement une compréhension de base dans quels bâtiments il est plus opportun d'installer des unités de contrôle de chauffage automatisées.
Nous vous recommandons d'effectuer un calcul de la faisabilité et de la période de récupération de l'unité de commande de chauffage individuellement pour chaque bâtiment, en fonction des circonstances et des conditions spécifiques.
Comment se déroule l'installation d'une unité de commande de système de chauffage automatisé
Il n'y a pas de changement fondamental dans le schéma d'alimentation en chaleur d'un bâtiment lors de l'installation d'une unité de commande de système de chauffage automatisé (AUU).
Contrairement aux ascenseurs installés sur chaque section d'une maison, l'AUU est généralement monté un par bâtiment.
Le raccordement de l'unité de commande est effectué après l'unité de mesure de l'énergie thermique.
L'unité de contrôle météorologique comprend les éléments suivants:
- élément de contrôle,
- vanne de régulation avec actionneur,
- pompe de circulation,
- capteurs de température extérieure,
- sondes de température ambiante.
L'élément de commande de l'unité de contrôle météorologique vous permet de modifier manuellement les paramètres qui déterminent le mode de fonctionnement du système de chauffage et vous permet de maintenir différentes températures dans le bâtiment à des moments différents.
Par exemple, dans les immeubles de bureaux le week-end et les jours fériés, vous pouvez réduire la température de l'air à l'intérieur à +12 ° C.
En semaine, la température peut être portée à +18°C.
Le schéma et la vue générale de l'unité de contrôle météorologique automatisé sont présentés dans les figures ci-dessous.


Le régime prévoit:
- commutation automatique entre la pompe principale et la pompe de secours en cas de panne d'une des pompes,
- la possibilité d'introduire un horaire flexible de régulation de la température de l'air dans les locaux, en tenant compte de la nuit, des week-ends et des jours fériés pour toute la saison de chauffage,
- contrôle obligatoire de la température du caloporteur de retour,
- maintenir le programme de température.
La température du système de chauffage est contrôlée en modifiant le débit de la vanne et en ajoutant de l'eau de chauffage à l'aide d'une pompe de circulation.
Pendant le fonctionnement, le contrôleur :
- interroge périodiquement les capteurs de température du liquide de refroidissement, le capteur d'air intérieur (le cas échéant) et le capteur d'air extérieur,
- traite les informations reçues et
- génère des signaux de commande donnant l'ordre à l'actionneur de s'ouvrir ou de se fermer.
L'action de contrôle du contrôleur modifie l'ouverture de la zone d'écoulement de la vanne de régulation.
En l'absence de capteur d'air intérieur, la principale priorité de contrôle est de maintenir le programme de température.
Exigences supplémentaires lors de la mise en service du régulateur de chauffage


Unité de contrôle du chauffage et de l'eau chaude selon un schéma indépendant.
Les schémas sélectionnés pour l'installation des unités de commande de chauffage peuvent ne pas correspondre à ceux requis, ce qui affecte négativement l'apport de chaleur. Il arrive également qu'au moment de la mise en service du système, les conditions techniques utilisées ne correspondent pas aux paramètres réels. Cela peut conduire à une sélection incorrecte de la disposition des nœuds.
Au moment de la mise en service de l'unité d'automatisation, il convient de garder à l'esprit que le système de chauffage aurait pu auparavant subir des réparations et une reconstruction majeures, au cours desquelles le circuit pourrait être changé d'un tuyau à deux tuyaux. Des problèmes peuvent survenir lorsqu'un nœud est calculé pour un système qui existait avant la reconstruction.
Le processus de mise en service du système ne doit pas être effectué en hiver, afin que le système soit lancé en temps opportun.


Schéma d'une unité de commande automatisée pour le système de chauffage (AUU) à domicile.
Il ne faut pas oublier que les capteurs de température de l'air doivent être montés du côté nord, ce qui est nécessaire pour le réglage correct du régime de température, auquel cas le rayonnement solaire ne peut pas affecter le chauffage du capteur.
Pendant le processus de mise en service, une alimentation de secours du nœud doit être fournie, ce qui aidera à éviter l'arrêt du système de chauffage central en cas de panne de courant. Il est nécessaire d'effectuer des travaux de réglage et de mise en service, ainsi que des mesures de réduction du bruit, l'unité doit être entretenue. Il convient de noter que le non-respect d'une ou de plusieurs règles peut entraîner un non-échauffement du système et l'absence d'équipement d'amortissement entraînera un bruit inconfortable.
L'introduction de l'unité de contrôle doit être accompagnée d'une vérification des conditions techniques émises, elles doivent correspondre aux données réelles. Et une supervision technique doit être effectuée à chaque étape des travaux. Une fois tous les travaux sur le système terminés, la maintenance de l'unité doit commencer, qui est effectuée par une organisation spécialisée. Sinon, les temps d'arrêt des équipements coûteux d'une unité automatisée ou sa maintenance non qualifiée peuvent entraîner des pannes et d'autres conséquences négatives, y compris la perte de la documentation technique.
Article connexe: Papier peint en vinyle d'Ukraine: Statut, Versailles, Lanita
Utilisation efficace des stations de comptage automatisées
L'utilisation d'AUU est la plus efficace:
- dans les grands bâtiments à forte consommation de chaleur,
- dans les maisons raccordées aux réseaux de chaleur de la ville,
- dans les bâtiments avec une perte de charge insuffisante dans le système de chauffage central et avec l'installation obligatoire de pompes de chauffage central,
- dans les bâtiments avec alimentation en eau chaude décentralisée et chauffage central.












