Ici vous découvrirez:
- Inconvénients des autres appareils
- Radiateurs infrarouges - principe de fonctionnement
- Avantages et inconvénients
- Variétés de radiateurs industriels infrarouges
- Champ d'application
- Modèles populaires de radiateurs infrarouges
Le chauffage des locaux industriels et industriels est un problème - tous les appareils de chauffage ne pourront pas chauffer efficacement de grands volumes, y compris ceux avec de hauts plafonds. Le moyen de sortir de la situation est les radiateurs infrarouges industriels, qui sont optimaux pour une utilisation dans de grandes pièces. Voyons ce que sont ces appareils de chauffage, comment ils fonctionnent et quels sont leurs avantages.
Inconvénients des autres appareils
Le chauffage dans les bâtiments industriels est souvent basé sur des radiateurs classiques et des registres volumineux constitués de tuyaux de grand diamètre. Mais si la pièce a une grande surface, le chauffage sera quelque peu difficile - les plafonds hauts et une distance trop grande entre les murs affectent. Voyons de quelles autres manières nous pouvons chauffer des locaux industriels:

L'utilisation de pistolets thermiques diesel nécessite beaucoup d'espace, et le niveau sonore élevé et le besoin de ventilation rendent cette méthode assez peu pratique dans de nombreuses pièces.
- L'utilisation de pistolets à gaz est un excellent moyen de sortir de la situation, vous permettant de pomper de la chaleur dans de grandes pièces. L'inconvénient est que ces appareils nécessitent une source de gaz liquéfié;
- À l'aide de pistolets thermiques diesel - ces appareils sont souvent utilisés pour les locaux industriels, mais ils nécessitent une bonne ventilation, ce qui est nécessaire pour éliminer les produits de combustion;
- L'utilisation de convecteurs n'est pas la meilleure option, elle ne convient que pour les petits ateliers. Le fait est que la hauteur des plafonds dans ce cas ne doit pas dépasser 3-3,5 mètres. Un autre type de chauffage doit être utilisé dans les bâtiments plus hauts.
Par conséquent, le meilleur appareil de chauffage pour les locaux industriels est un appareil infrarouge qui fonctionne au moyen d'un rayonnement infrarouge.
Un autre inconvénient des canons est l'augmentation du niveau de bruit - ils bourdonnent de manière perceptible. En outre, ils ne sont pas respectueux de l'environnement.
Principe d'opération
La commodité d'utiliser des radiateurs infrarouges à gaz réside dans leur autonomie et leur mobilité. Étant donné que les appareils n'ont pas besoin d'être connectés au secteur pour fonctionner, une petite bouteille de gaz liquéfié fournira de la chaleur même dans les zones reculées du pays, lors d'une randonnée, de la pêche et d'autres situations extrêmes.


Les principales caractéristiques du chauffage infrarouge au gaz sont:
- dans la création rapide d'une zone thermale locale;
- dans l'utilisation économique du carburant.
Conception du radiateur:
- Il est basé sur un corps métallique qui contient un brûleur à gaz.
- Dans cette zone, il y a un système de vanne pour réguler le volume d'alimentation en gaz, ainsi qu'une unité de commande pour le brûleur lui-même. Ces éléments sont responsables de la sécurité de la structure en cas de retournement ou de pannes diverses.
- Un élément chauffant est fourni au brûleur, qui, selon le fabricant et le modèle de l'appareil, peut se présenter sous la forme de tubes métalliques, de tôles perforées ou de treillis métalliques, etc.
- En raison du chauffage de l'élément rayonnant par le réflecteur, le flux thermique du rayonnement infrarouge est focalisé et dirigé vers la zone souhaitée.
IMPORTANT: La spécificité du chauffage par rayons infrarouges est de recevoir l'énergie des ondes infrarouges, qui ne chauffent que les objets solides, et non l'air qui les entoure.
Radiateurs infrarouges - principe de fonctionnement
Notre luminaire naturel appelé le Soleil ne réchauffe pas du tout l'air, comme cela peut sembler à première vue - il se réchauffe pour des raisons complètement différentes. Il délivre un rayonnement infrarouge à la surface de la Terre. Ce rayonnement, atteignant la surface de la planète, les éléments du paysage et les bâtiments artificiels, est absorbé par eux et se transforme en chaleur.... En principe, on peut appeler les rayons infrarouges thermiques, bien que ce soit un peu différent.
Nous allons plus loin - les objets situés à la surface de la planète (y compris la surface de la terre avec des éléments du paysage) commencent à dégager de la chaleur. C'est cette chaleur qui chauffe l'air et les objets qui nous entourent, les bâtiments et bien plus encore. Avec une augmentation de l'altitude, on observe un refroidissement par air, car il n'a simplement nulle part où puiser de la chaleur. Par conséquent, aux hauteurs où volent les avions, un froid terrible règne, atteignant des marques de -50-60 degrés et même plus bas.
Les appareils de chauffage industriels, basés sur des sources de rayonnement infrarouge, fonctionnent de la même manière. Voici comment ils fonctionnent étape par étape:


Les radiateurs infrarouges concentrent la chaleur dans la surface du sol, ce qui permet aux gens d'être dans l'environnement le plus confortable.
- Les émetteurs infrarouges sont connectés au secteur et commencent à générer un rayonnement infrarouge (ou le produisent en raison de la combustion de gaz naturel ou liquéfié), et en très grande quantité - vous devez vous rappeler le volume des locaux industriels;
- Les rayons infrarouges pénètrent dans les objets environnants (plafonds, murs, sols, machines, meubles, etc.), à la suite desquels ils commencent à dégager de la chaleur. En d'autres termes, ils deviennent sensiblement chauds;
- La chaleur des objets chauffés est évacuée dans l'air - en conséquence, les locaux industriels deviennent chauds et confortables.
Alors que les batteries standard chauffent l'air près des murs, les radiateurs industriels basés sur des émetteurs infrarouges chauffent activement presque toutes les surfaces et tous les objets. Même si la distance entre les murs est de 50 mètres, les pièces seront chauffées pratiquement sur tout le volume.
Le principe de fonctionnement du chauffage infrarouge et les caractéristiques de conception
À partir des convecteurs et des batteries standard, les radiateurs infrarouges ne réchauffent pas l'air, mais les articles ménagers, ainsi que les surfaces murales et les sols. C'est une lueur semblable au soleil qui traverse les masses d'air, mais ne les réchauffe pas. Seuls les objets sur le trajet des rayons infrarouges commencent à chauffer. Les courants d'air et les vents n'interfèrent pas avec ces ondes infrarouges.


Les convecteurs chauffent progressivement la pièce et les gens doivent geler et ressentir de l'inconfort pendant un certain temps. Les flux d'air montent et descendent. Quant à l'unité infrarouge, le principe de fonctionnement est différent. Les ménages ressentent de la chaleur immédiatement après avoir allumé l'appareil.
Le corps en acier est peint avec une peinture durable et un écran réfléchissant en aluminium. Il y a un élément chauffant dessus. Il peut être tubulaire (dix), en céramique durable, en carbone ou en halogène.
Pour réguler le régime de température, chaque radiateur infrarouge est équipé d'un thermostat, et il y a aussi un capteur qui est nécessaire pour éteindre l'appareil en cas de surchauffe. Les modèles au sol sont équipés d'un dispositif d'avertissement de retournement pour éviter un incendie.
Comment nettoyer et humidifier l'air de la pièce pour améliorer le microclimat, lisez l'article: laver l'air pour la maison
Avantages et inconvénients
Les aérothermes industriels sont idéaux pour les grands espaces. Ils les réchauffent dans tout le volume et n'interfèrent avec personne, car dans la plupart des cas, ils sont suspendus au plafond ou se trouvent sur des trépieds (sur des supports). Le rayonnement infrarouge se propage sur des distances assez longues, de sorte qu'il atteint facilement les objets environnants, les sols et se reflète même partiellement vers les plafonds. Voyons pourquoi les radiateurs industriels infrarouges sont si bons. Tout d'abord, nous notons le fait qu'ils sont absolument inoffensifs pour la santé humaine - à condition qu'ils soient correctement installés. Certains experts soulignent qu'ils sont même utiles. Dans tous les cas, ils ne nuisent pas du tout et donnent une agréable sensation de chaleur - debout sous eux, vous commencez à sentir comment la chaleur vivifiante pénètre littéralement dans chaque cellule de la peau et dans ses couches internes.
Un fonctionnement absolument silencieux est un avantage très important. C'est une chose quand il est visiblement bruyant dans les locaux industriels (machines, pompes, divers équipements technologiques fonctionnent). Et c'est une autre question lorsque la production est silencieuse - dans ce cas, les radiateurs industriels avec ventilateurs ajouteront quelques décibels supplémentaires. Par conséquent, le silence des appareils infrarouges est un atout majeur.
Autres avantages:


Lors de l'utilisation de radiateurs infrarouges, il n'est pas du tout nécessaire de couvrir toute la zone de la pièce chauffée avec eux. Il suffira de les concentrer directement sur les emplois des personnes.
- Haut rendement - le chauffage des locaux industriels avec des radiateurs infrarouges vous permet de fournir de la chaleur directement aux consommateurs. Ils sont situés au-dessus des équipements et des postes de travail, créant un environnement confortable. Leur vitesse de travail élevée est également notée - si la pièce n'a pas été complètement gelée auparavant, elle se réchauffera assez rapidement;
- La possibilité de travailler dans des pièces avec de hauts plafonds - les radiateurs infrarouges industriels chauffent de haut en bas. Suspendus au plafond ou par des câbles, ils envoient un rayonnement infrarouge aux consommateurs;
- Sans entretien - les radiateurs électriques industriels ne nécessitent aucune attention. Nous les suspendons à la hauteur requise et les utilisons;
- Économique - l'utilisation de radiateurs infrarouges industriels peut réduire les coûts de chauffage et d'énergie de 10 à 15%;
- Distribution uniforme de la chaleur - seuls les appareils infrarouges peuvent s'en vanter.
Il y a aussi quelques inconvénients:
- Si l'emplacement des radiateurs infrarouges industriels est incorrect, les gens peuvent avoir des maux de tête - assurez-vous de respecter la hauteur d'installation correcte de l'équipement;
- Les modèles électriques sont assez voraces - mais il est impossible de le contourner. Les radiateurs infrarouges à gaz pour locaux industriels deviennent une alternative à eux;
- Risque de brûlure - les plaques émettrices des radiateurs industriels infrarouges sont chauffées à une température élevée, un contact accidentel (par exemple, lorsqu'elles sont placées sur un mur) peut provoquer des brûlures.
Certains des inconvénients sont assez graves.
Les radiateurs industriels infrarouges à gaz nécessitent toujours un entretien périodique - ils doivent être nettoyés et vérifiés pour détecter les fuites. De plus, les équipements à gaz sont plus dangereux que les équipements électriques.
Appareils de chauffage et émetteurs industriels au gaz noir Systema S.p.A
TC Group Energia LLC est le distributeur officiel de SYSTEMA S.p.A. (Italie)


Appareils de chauffage au gaz industriels SYSTEMA S.p.A. (Italie) est proposé à la livraison par la société russe TC Group Energia LLC - nous effectuons une étude de l'objet pour la sélection correcte de l'équipement, fournissons l'équipement, effectuons l'installation et la mise en service. Avantages des produits SYSTEMA pour le client:
- la possibilité de sélectionner n'importe quelle configuration et puissance du système de chauffage;
- travaux au gaz naturel / ballon ou au carburant liquide (diesel);
- principe modulaire de formation de la partie active, grâce auquel il est possible de créer des lignes de chauffage directionnelles de différentes longueurs et formes;
- le nombre minimum de brûleurs et de cheminées grâce à la conception parfaite de l'isolation thermique de toutes les parties du système.
Le rendement élevé du cycle SYSTEMA est assuré par la combinaison de l'isolation thermique avec des dispositifs de recirculation des gaz chauds dans les tuyaux des radiateurs. L'utilisation de tels équipements est pertinente dans les pièces avec de hauts plafonds et de grands espaces non divisés - dépôts, hangars, ateliers de production, poulaillers pour créer des zones locales avec la température requise sous rayonnement infrarouge.
Exemples d'installation et d'utilisation d'émetteurs sombres SYSTEMA:
Radiateurs infrarouges à gaz Systema INFRA
Les radiateurs à gaz infrarouges INFRA de 6, 9 et 12 mètres créent un flux d'énergie thermique vers le bas. Dans sa zone peuvent être situés les voies ferrées du dépôt, les endroits pour placer les animaux et les oiseaux, les travaux de réparation du matériel roulant dans les entreprises automobiles, les machines-outils dans les magasins d'usine.
Les radiateurs sont montés sur une base modulaire avec la possibilité de créer de longues lignes de chauffage avec différentes hauteurs de suspension et intensités de rayonnement.
Le système Infra BAF avec suspension par câble réglable a été spécialement développé pour les poulaillers. La hauteur de suspension des poêles à gaz INFRA BAF est contrôlée par un ordinateur, en fonction de la hauteur de l'oiseau, ce qui rend la conception indispensable pour augmenter l'efficacité du poulailler.
La possibilité d'ajuster la distance aux oiseaux crée un «effet de couvaison» où les poussins peuvent choisir leur propre zone de confort. Un tel chauffage contrôlé accélère considérablement leur croissance.
INFRA B
- Top modèle de la série INFRA
- Réflecteur isolé thermiquement
- Brûleur BAF
- 1er élément chauffant en acier inoxydable résistant au feu
- Élément pivotant en alliage d'aluminium non brûlé
- Ventilateur d'extraction robuste avec boîtier en aluminium moulé sous pression.
| Longueur, m | puissance, kWt |
| 6 | 28 |
| 9 | 45 |
| 12 | 45 |
Lire la suite ...
INFRA +
- Modèles haute puissance
- Turbulateur de gaz résiduaire
- Pivot et ventilateur robustes en acier inoxydable
- Recirculation des gaz pour une puissance accrue (modèle Plus R)
- 2 types de réflecteurs pour différentes hauteurs de suspension
- La combinaison parfaite de prix et de qualité
| Longueur, m | puissance, kWt |
| 3 | 15 |
| 6 | 35 |
| 9 | 53 |
| 12 | 60 |
Lire la suite ...
INFRA BL
- Prix idéal pour le marché russe et CEI
- Brûleur à allumage lent économique
- Surveillance de la flamme et du vide
- Turbulateur de gaz résiduaire
- Pivot et ventilateur fiables
- Recirculation des gaz pour une puissance accrue (modèle Plus R)
- 2 types de réflecteurs pour différentes hauteurs de suspension
| Longueur, m | puissance, kWt |
| 3 | 15 |
| 6 | 35 |
| 9 | 53 |
| 12 | 60 |
Lire la suite ...
Données techniques des appareils de chauffage de la série INFRA
| Modèle | INFRA 6B | INFRA 9B | INFRA 12B | ||
| Puissance nominale, kW | 28 | 45 | 45 | ||
| Puissance thermique, kW | 24,1 | 38,9 | 39 | ||
| Efficacité de combustion, min.,% | 86,1 | 86,5 | 86,7 | ||
| Efficacité de combustion, nominale,% | 90,1 | 90,3 | 90,6 | ||
| Consommation nominale de carburant à 15 ° C et 1013,25 mbar | Méthane (naturel), m3 / h | 2,96 | 4,76 | 4,76 | |
| Classe de méthane L, m3 / h | 3,45 | 5,54 | 5,54 | ||
| Butane (liquéfié), kg / h | 2,21 | 3,55 | 3,55 | ||
| Propane (liquéfié), kg / h | 2,18 | 3,50 | 3,50 | ||
| Alimentation, V / Hz | 230/50 | ||||
| Max. consommation d'électricité, kW | 0,16 | 0,16 | 0,16 | ||
| Raccordement au gaz, pouces | 3/4” | 3/4” | 3/4” | ||
| Raccord de conduit d'air, mm | 100 | 100 | 100 | ||
| Raccord de cheminée, mm | 100 | 100 | 100 | ||
| Poids du kit, kg | 94,2 | 144 | 209,3 | ||
Données techniques des radiateurs INFRA +
| Modèle | INFRA 3 PLUS | INFRA 6 PLUS | INFRA 9 PLUS | INFRA 12 PLUS R | ||
| Puissance nominale, kW | 15 | 35 | 53 | 60 | ||
| Puissance thermique, kW | 13,9 | 32,3 | 47,7 | 54,3 | ||
| Efficacité de combustion,% | 92,5 | 92,3 | 90 | 90,5 | ||
| Consommation nominale de carburant à 15 ° C et 1013,25 mbar | Méthane (naturel), m3 / h | 1,59 | 3,7 | 5,6 | 6,34 | |
| Butane (liquéfié), kg / h | 1,18 | 2,76 | 4,18 | 4,73 | ||
| Propane (liquéfié), kg / h | 1,16 | 2,72 | 4,11 | 4,66 | ||
| Alimentation, V / Hz | 230/50 | |||||
| Max. consommation d'énergie, W | 70 | 70 | 120 | 200 | ||
| Raccordement au gaz, pouces | 3/4” | 3/4” | 3/4” | 3/4” | ||
| Raccord de conduit d'air, mm | 100 | 100 | 100 | 100 | ||
| Raccord de cheminée, mm | 100 | 100 | 100 | 100 | ||
| Poids du kit, kg | 65 | 116 | 173,5 | 230 | ||
Pour une consultation avec un spécialiste, appelez:
8
Bureau principal
Nous pouvons vous rappeler:
Appareils de chauffage au gaz SYSTEMA Série Infra BAF


La série Infra BAF a été spécialement développée pour une utilisation dans l'agriculture - serres, poulaillers et fermes.
Infra BAF a une conception modulaire, c.-à-d. il y a un ventilateur pour plusieurs brûleurs et tubes radiants. Cela facilite l'installation du système dans les serres et les poulaillers.
L'émetteur fonctionne sous décharge, empêchant la pénétration des gaz de combustion dans la pièce.
La température maximale du tube radiant est de 400 ° C pour le tube en U et de 300 ° C pour le tube M et pour le tube MC (élevage).
|
|
Les émetteurs de la série BAF peuvent être suspendus sur une suspension de câble commandée par ordinateur qui change la hauteur des radiateurs à l'oiseau à mesure qu'il grandit.
De cette manière, l'effet mère-poulet peut être réalisé dans la maison, ce qui favorise la croissance la plus rapide des poussins.
Posez-nous votre question:
Radiateurs à gaz radiants - Rubans ONA


Le système de bande radiante ONA génère un rayonnement infrarouge efficace à partir de tuyaux situés sous le plafond, dans lesquels un flux d'air chaud provenant de la combustion extérieure du gaz est dirigé. Les brûleurs et les ventilateurs installés à l'extérieur en un seul bloc assurent une alimentation thermique uniforme des locaux de production ou de sport, des entrepôts, des hangars, qu'ils soient séparés par des cloisons.
Avec une longueur de bande ONA allant jusqu'à 300 mètres, sa puissance peut être comprise entre 30 et 400 kilowatts.
Le prix d'un chauffage infrarouge à gaz est tel que son achat est rentable dans un court laps de temps, à condition que l'équipement soit correctement sélectionné et correctement installé. L'installation étanche de la buse du brûleur permet au fabricant Systema S.p.A de réduire pratiquement à zéro les pertes de chaleur lors du passage au ruban rayonnant OHA. Combiné à la poussée du ventilateur calculée avec précision, cela se traduit par un rendement élevé et des économies de carburant lors du chauffage de grands espaces clos.
|
|
| Radiateurs à bande OHA installés au-dessus des rails de dépôt | Les blocs de brûleur émetteur OHA sont installés au-dessus de la porte du dépôt |
Pour une connaissance plus complète des capacités des émetteurs infrarouges de gaz noir Systema, vous pouvez télécharger le catalogue d'entreprise au format .pdf
Commandez-nous une sélection gratuite de matériel:
Variétés de radiateurs industriels infrarouges
Jetons un coup d'œil à ce que sont les radiateurs industriels infrarouges pour les locaux industriels. Pour commencer, ils sont divisés par le type de fixations - il y a le mur, le plafond et le sol. Les modèles muraux sont conçus pour les petits espaces. Ils sont montés sur des murs à une hauteur de 2,5 à 3 mètres et conviennent le mieux aux bâtiments de volume limité et de petite superficie.


Pour un chauffage uniforme, les radiateurs infrarouges doivent être placés à égale distance les uns des autres.
Les aérothermes industriels de plafond sont conçus pour de grandes surfaces. Ils se distinguent par leur puissance élevée, ils sont donc montés à des hauteurs élevées, sur des suspensions ou des câbles. Ces appareils sont très populaires et les plus pratiques - ils ont une grande puissance, ils n'interfèrent avec personne, le risque de brûlures est exclu.
Le radiateur infrarouge industriel au sol est le type d'équipement de chauffage le plus rare. Un appareil de ce type est un trépied ou un support unique auquel sont attachés des émetteurs. Portée de la destination - chauffage ponctuel.
La prochaine division des radiateurs infrarouges industriels est le type d'alimentation électrique. Les appareils de chauffage au gaz industriels fonctionnent au gaz liquéfié ou naturel. Ils sont équipés de brûleurs miniatures à allumage automatique. Ils chauffent des émetteurs en métal ou en céramique, ce qui les amène à générer un rayonnement infrarouge qui est envoyé dans les pièces.
Les radiateurs infrarouges industriels à gaz sont divisés en sombre et clair. Dans l'obscurité, le processus de combustion est caché; il a lieu dans un tuyau étanche à travers lequel l'air est fourni. Le rayonnement infrarouge est émis à l'aide d'émetteurs à nervures. La température de combustion dans le système ne dépasse pas +400 degrés.
Les radiateurs industriels infrarouges légers fonctionnent à des températures plus élevées - des brûleurs à haute température y sont installés, donnant une flamme avec une température allant jusqu'à +1000 degrés. Comparés aux appareils sombres, ils sont plus légers, ils peuvent donc être utilisés dans des bâtiments préfabriqués où diverses restrictions s'appliquent.
Avantages et inconvénients de l'équipement
Les radiateurs industriels infrarouges à haute efficacité au gaz présentent un certain nombre d'avantages
- La possibilité d'utiliser dans des zones ouvertes, puisque l'émetteur agit sur les objets.
- L'indépendance électrique. Dans les conditions de son approvisionnement instable, ce moment est très important.
- Rentabilité. En raison du faible coût du gaz par rapport aux autres types d'énergie.
- La capacité de fonctionner à partir de carburant naturel fourni par une ligne centralisée ou de carburant liquéfié fourni dans des cylindres.
- Installation et maintenance simples.
Lors du choix des émetteurs infrarouges à gaz pour chauffer des locaux industriels, il est important de faire attention aux inconvénients
- la nécessité d'organiser la ventilation d'alimentation et d'extraction dans l'atelier, dans l'entrepôt, car le brûleur brûle de l'oxygène
- respect strict des exigences de sécurité, car la présence d'une flamme nue dans la chambre de combustion de l'appareil peut provoquer un incendie
- raccordement d'une cheminée pour l'évacuation des produits de combustion, ce qui est associé à des coûts supplémentaires et des coûts de temps
Champ d'application
Les appareils de chauffage au gaz industriels et leurs équivalents électriques peuvent être utilisés dans divers locaux. Tout d'abord, ce sont des usines, des usines, des magasins de meubles, des bâtiments technologiques et bien plus encore. Ils sont également demandés dans les entrepôts. Un chauffage infrarouge d'entrepôt créera d'excellentes conditions pour stocker toutes les marchandises, y compris la nourriture.
Les radiateurs infrarouges industriels sont également utilisés dans l'agriculture. Ici, ils sont nécessaires pour chauffer de grandes serres. Pour plus d'économies, les modèles à gaz sont utilisés dans les serres - ils sont économiques et émettent du dioxyde de carbone consommé par les plantes et converti en oxygène par photosynthèse. Et le rayonnement infrarouge lui-même a un effet bénéfique sur les cultures.
Avantages et inconvénients des radiateurs électriques
Beaucoup de gens ne peuvent pas se lasser des radiateurs infrarouges en raison de leurs avantages frappants:
- idéal pour les travaux dans des pièces poussiéreuses et sales, ainsi que pour les bâtiments présentant un risque d'incendie accru;
- la possibilité d'utiliser non seulement comme système de chauffage général et partiel, mais aussi comme équipement spécial pour le séchage;
- un radiateur ponctuel est utilisé dans les industries de la peinture et du vernis, pour chauffer l'acier avant le traitement, pour disposer un système d'antigivrage au sol;
- les radiateurs électriques sont activement utilisés dans les établissements d'enseignement et médicaux.
Recommandé: le chauffage infrarouge à la maison présente-t-il un risque pour la santé?
L'inconvénient est le prix élevé de l'électricité. Vous pouvez réduire légèrement les coûts de chauffage en installant des capteurs de température industriels.
Modèles populaires de radiateurs infrarouges
S'il est nécessaire d'acheter des radiateurs industriels infrarouges, faites attention aux modèles suivants:


Ballu BIH-T-6.0
C'est un excellent appareil d'un fabricant de confiance. Sa puissance est de 6 kW, ce qui lui permet de chauffer une superficie allant jusqu'à 60 m2. m. et même un peu plus (en fonction de la température ambiante).


MO-EL Hathor 793
Radiateurs industriels infrarouges muraux à ondes courtes avec trois éléments chauffants. Convient aux petits espaces et aux espaces ouverts.


Neoclima UK-05
Appareil à gaz pour petites pièces. Doté d'un émetteur en céramique.


Les radiateurs infrarouges nuisent-ils à l'industrie?
Le chauffage de l'air des ateliers et usines de types infrarouges à gaz et électriques, dans les conditions du bon choix du système et du respect des recommandations, est totalement sans danger pour les personnes et l'environnement. Les êtres humains peuvent être blessés par les émetteurs à ondes courtes. Vous devez également observer strictement l'installation correcte des systèmes IR dans la zone de production. Habituellement, le fabricant note l'emplacement d'installation dangereux. Sous réserve de toutes les exigences de sécurité, les CI sont considérés comme sûrs et ont un effet positif sur les humains.En termes de paramètres techniques, les émetteurs IR n'ont pas d'analogues.
YouTube a répondu par une erreur: Accès non configuré. L'API de données YouTube n'a jamais été utilisée dans le projet 268921522881 auparavant ou elle est désactivée. Activez-le en visitant https://console.developers.google.com/apis/api/youtube.googleapis.com/overview?project=268921522881, puis réessayez. Si vous avez activé cette API récemment, attendez quelques minutes que l'action se propage sur nos systèmes et réessayez.
- Articles similaires
- Le chauffage infrarouge à la maison présente-t-il un risque pour la santé?
- Comment installer un chauffage au plafond infrarouge?
- Comment le chauffage par film infrarouge est-il installé?
- Comment organiser le chauffage infrarouge chez soi?
- Comment calculer le chauffage infrarouge?
- Règles d'installation pour le chauffage par le sol infrarouge
Comment choisir le meilleur radiateur infrarouge
Avant d'acheter, il est important de décider des caractéristiques et des paramètres de l'appareil. Il est préférable de choisir des appareils qui ne sont pas bon marché et d'une entreprise bien connue. C'est plus économique que de remplacer chaque mois les appareils de chauffage bon marché. La puissance de l'appareil est également choisie en fonction de la taille de la pièce. Pour un bon chauffage, 1 lampe infrarouge d'une puissance de 1 kW pour 7-10 mètres carrés suffit.
Dans les pièces très humides, certains modèles de radiateurs ne peuvent pas être installés. Il est plus pratique d'avoir des unités avec des capteurs de chauffage, un panneau de commande à distance et des fusibles défectueux.
Un bon appareil de chauffage avec chauffage infrarouge vous aidera à choisir non seulement les conseils de consultants du magasin et de spécialistes, mais également les avis positifs de vrais acheteurs. Un appareil de chauffage approprié a beaucoup de retours positifs, de sorte que même le prix élevé d'un tel appareil sera rapidement rentabilisé. Demandez à un électricien qualifié d'installer correctement l'appareil dans un endroit approprié et de le brancher sur le secteur.
Types d'appareils de chauffage
Gaz
Radiateurs infrarouges avec thermostat pour chalets d'été - votre propre soleil dans la maison
Le chauffage infrarouge à gaz est utilisé pour le chauffage à l'extérieur ou dans les bâtiments industriels. Il est inacceptable d'utiliser un tel appareil de chauffage dans une maison privée. La chaleur est libérée en raison de la combustion du mélange gaz-air.
La pièce où sont installés les radiateurs infrarouges à gaz doit être bien ventilée.
Le principe de fonctionnement des équipements infrarouges à gaz est le suivant. Le gaz entre dans la chambre isolée et se mélange à l'oxygène. Sous pression, le mélange résultant pénètre dans le panneau rayonnant, où se déroule le processus de sa combustion. En conséquence, le panneau chauffe et transfère la chaleur par rayonnement, c'est-à-dire sous forme de rayonnement thermique.


Chauffage au gaz infrarouge au plafond
Avantages du chauffage infrarouge à gaz:
- Chauffage rapide de la pièce.
- Autonomie. La connexion des communications principales n'est pas requise.
- Travailler à des températures très basses.
- Réglage pratique de la directivité des rayons infrarouges.
- Réchauffe rapidement la surface des objets et des personnes avant que l'air ne se réchauffe.
- La poussière ne monte pas pendant le fonctionnement.
- Installation simple et rapide.
- N'émet pas de substances nocives.
Désavantages:
- Il existe un risque supplémentaire associé au processus de combustion.
- Sèche l'air.
- Brûle de l'oxygène.
- Le gaz est nécessaire. Bien qu'un raccordement au gazoduc principal ne soit pas nécessaire, des bouteilles de gaz chargées doivent être disponibles.
Installation d'un chauffage infrarouge à gaz:
- Il est important de se familiariser avec la technologie de connexion et les précautions de sécurité avant l'installation.
- Les supports d'installation doivent être solides et fixés à une base sûre.
- Le gaz est fourni à l'appareil de chauffage par un tuyau flexible. Il doit être vérifié pour les fissures et les trous.
- Toutes les connexions doivent être fiables et étanches aux gaz.
Le radiateur de plafond est monté sur des supports ou des chaînes sécurisées.
Électrique
Le chauffage infrarouge électrique est alimenté par le secteur. Un radiateur électrique tubulaire (TEN) ou une spirale ouverte est utilisé comme élément chauffant. À l'aide de réflecteurs à miroir, les rayons sont dirigés vers l'endroit de chauffage souhaité. Un tel équipement est utilisé à la fois pour les bâtiments publics et pour une maison privée.
Avantages de l'équipement infrarouge électrique:
- Le processus de chauffage démarre dans les premières minutes.
- Ne brûle pas d'oxygène.
- Ne sèche pas l'air.
- Ne laisse aucune odeur désagréable.
- Il ne reste aucun produit de combustion.
Désavantages:
- Dépendance à l'électricité et son approvisionnement ininterrompu.
- Zone de chauffage limitée.
- Coût élevé de l'équipement.
- Coût de possession élevé.


Plafonnier électrique
Installation d'un radiateur de plafond infrarouge:
- Avant l'installation, vous devez vous familiariser avec le schéma de câblage et les mesures de sécurité.
- Les attaches doivent être solides pour maintenir l'équipement solidement en place. Il est préférable que ce soient les supports fournis avec le radiateur.
- Les éléments chauffants doivent être absolument isolés des matériaux inflammables.
- Le câblage ne doit pas être endommagé et les connexions doivent être correctement isolées avec du ruban adhésif spécial et des capuchons.
Lors de l'installation de l'unité, les pièces encastrées doivent être installées sur le plafond suspendu sous la fixation.
Film
Le film infrarouge est également alimenté par l'électricité. Le chauffage est effectué en chauffant les éléments en carbone dans le film. Les films IR sont les mieux adaptés pour chauffer des zones spécifiques.
Ceiling ir-film peut être installé sous n'importe quelle finition, à l'exception d'un plafond tendu, qui s'effondre sous l'influence d'une température élevée.
Avantages du film de plafond infrarouge:
- Chauffe la surface rapidement.
- Faible coût matériel.
- Faible consommation d'énergie.
- Il est situé à une hauteur inaccessible aux enfants.
- En cas de dommages mécaniques accidentels au radiateur, il ne sortira pas de son état de fonctionnement.
- Ne sèche pas l'air.
- Ne brûle pas d'oxygène.
- Ne prend pas de place.
- Peut être utilisé pour chauffer une véranda ou un gazebo.


Installation d'un "plafond chaud" dans une maison privée
Désavantages:
- Si la maison a de hauts plafonds, le film IR est inefficace.
- S'il est installé dans un appartement, en cas d'inondation par des voisins d'en haut, un tel équipement brûlera.
- N'installez pas le film chauffant infrarouge dans une pièce avec des appareils électroménagers.
Installation de film infrarouge au plafond:
- La surface du plafond est nettoyée des débris et de la poussière.
- L'isolation thermique à base de lavsan est montée au plafond. Le matériau d'isolation thermique doit couvrir toute la surface du plafond et dépasser légèrement les murs. Ainsi, la perte de chaleur dans les coins de la pièce est exclue.
- Un film chauffant est posé sur la surface de l'isolant. Afin de ne pas l'endommager lors de l'installation, il est fixé aux joints.
- Une fois que le chauffage infrarouge est solidement fixé, il est connecté au secteur. Pour cela, les contacts d'un côté sont isolés et un fil électrique est connecté aux contacts de l'autre côté, reliant en parallèle les bandes individuelles du film chauffant.
- Le fil électrique est connecté à un thermostat fixé au mur. Avec son aide, il sera possible de réguler la température dans la pièce.
- Après connexion, le contrôle qualité du travail effectué et le test de connexion sont effectués. Si le radiateur fonctionne bien, une finition de surface peut être effectuée au plafond.
- Les plaques de plâtre, les faux plafonds, les revêtements en bois ou en plastique peuvent être utilisés comme matériau de finition.
Un matériau réfléchissant la chaleur ne peut pas être utilisé pour la finition.
La question du coût du chauffage infrarouge au plafond doit être divisée en deux parties: le coût de l'équipement et le coût de fonctionnement.
Le coût du film est bien inférieur à celui de l'équipement lourd et s'élève à environ 300 roubles / m. L'équipement à gaz ou à élément chauffant est beaucoup plus cher. Leur gamme de prix est assez large.
Quant au coût de fonctionnement, tout dépend ici du prix du gaz et du tarif de l'électricité. Utilisation d'un film infrarouge plus rentable. Les sols en fibre de carbone consomment relativement peu d'électricité. Les éléments chauffants électriques infrarouges, en particulier de haute puissance, sont assez coûteux à utiliser, car l'électricité est beaucoup consommée et le coût est assez élevé.
Questions et réponses
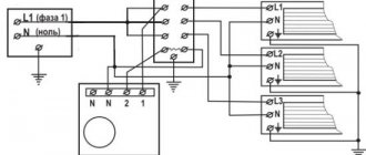
Question: À quoi sert le thermostat?
Réponse : Grâce au thermostat, une température ambiante confortable est établie.
Question: Pourquoi le thermostat n'est-il pas un composant du radiateur?
Réponse: Parce que le thermostat et le radiateur ont des objectifs différents. Si vous suivez cette logique, les ampoules devraient être vendues avec des interrupteurs.
Question: Combien de radiateurs peuvent être connectés à un thermostat?
Réponse: Avec une charge totale allant jusqu'à 3,6 kW.
Question: L'équipement peut-il être laissé sans surveillance?
Réponse: Oui, si l'appareil est équipé d'un thermostat.
Question : Quel fil est utilisé pour la connexion ?
Réponse: en fonction de la puissance de l'équipement. Pour les films IR, un fil d'une section de 1,5 m² est autorisé.
Question: Si le radiateur chauffe par le haut, il n'y aura pas de chaleur sous la table?
Réponse: La table crée une ombre, donc le chauffage y sera moins intense.
Question: Le rayon infrarouge est-il nocif pour la santé?
Réponse: Un équipement certifié est non seulement non nocif, mais également utile.







