Dans les systèmes de chauffage, où des radiateurs et des refroidisseurs sont utilisés dans les nœuds de tuyauterie, il existe un type caractéristique de raccords - une vanne à deux voies. L'appareil régule rapidement et précisément les volumes d'alimentation et de prélèvement d'eau. Il est en demande dans les systèmes de chauffage, de ventilation et de climatisation. De nos jours, les vannes à deux voies équipées d'un actionneur électrique, qui sont contrôlées par des capteurs spéciaux, sont très demandées. Ce sont des appareils fiables et faciles à installer, dont nous apprendrons ci-dessous les caractéristiques de conception et les différences.

Vanne à deux voies
Objectif et conception
L'équipement classique de l'appareil est le suivant:
- valve thermostatique;
- tête thermique avec un capteur à distance;
- soupape de tête thermique;
- capteur de limitation prenant en compte la température;
- mètre;
- pompe de circulation;
- filtre à eau;
- clapet anti-retour.
Des dispositifs de réglage bidirectionnels sont utilisés partout, mais cela dépend beaucoup du matériau dont ils sont faits. Compte tenu des caractéristiques de conception, nous ferons immédiatement une réservation que les vannes sont disponibles avec un ou deux sièges. En utilisant le second type, les débits du fluide de travail sont régulés et fermés, et des chutes de pression importantes sont autorisées, auxquelles une vanne monoplace ne peut pas faire face. La valve elle-même ressemble à une pièce séparée avec un entraînement mécanique ou électronique. Il arrive qu'une source d'énergie supplémentaire ne soit pas fournie, elle est donc installée après l'installation de l'appareil.
Avantages d'une vanne à deux voies:
- construction simple;
- facile à installer;
- ne nécessite pas d'implication humaine pour un travail efficace;
- maintenable;
- fiable;
- sert pendant longtemps;
- scellé;
- caractérisé par une faible résistance hydraulique;
- disponible.
En faisant attention à la conception de l'élément, il semble qu'il soit similaire à une vanne standard, mais les mécanismes sont très différents. Par exemple, le clapet principal d'une vanne est une tige ou une bille. C'est-à-dire que la tige, qui est en position horizontale ou verticale, ou une bille tournée autour de son axe de 90 degrés, est responsable de la limitation du débit d'eau. L'appareil fonctionne selon un schéma simple - un trou spécial s'ouvre et du liquide y est transporté. Pour que ces éléments structurels fonctionnent, un actionneur est connecté à la vanne, ce qui nécessite de l'électricité ou de l'air comprimé. Le variateur lui-même est combiné avec des dispositifs séparés qui prennent en compte la pression du système, la température et d'autres caractéristiques.


Conception de la vanne
Domaines d'utilisation
Comme indiqué ci-dessus, ce type de vanne de régulation est utilisé dans les systèmes de chauffage, de ventilation et de climatisation. Considérons séparément les caractéristiques de son utilisation dans un circuit à "plancher chaud".
Si une chaudière est installée dans la maison, sa tâche consiste à chauffer l'eau et, en règle générale, sa température est assez élevée, adaptée aux radiateurs (de +75 à +95 degrés Celsius). Pour le système «plancher chaud», un tel chauffage n'est pas nécessaire, car les normes sanitaires réglementent un maximum de +35 degrés Celsius. Ce chiffre suffit pour marcher confortablement sur le sol. Si la température est plus élevée, cela causera non seulement des inconvénients aux résidents, mais affectera également négativement le revêtement de sol de finition. Par exemple, le linoléum ou le revêtement de sol stratifié se déforme facilement.
Le "plancher chaud" est monté sous la chape, en outre, différents matériaux de revêtement de sol sont utilisés. Pour cela, le liquide de refroidissement est chauffé à +50 degrés Celsius. Lorsque le chauffage par le sol est directement connecté à une chaudière ou à un système de chauffage centralisé, la température qui en résulte est trop élevée. Pour l'abaisser à l'entrée du circuit, une vanne mélangeuse pour plancher chaud est montée, avec une vanne à deux ou trois voies déjà fournie. Comme son nom l'indique, le but de ces raccords est de mélanger l'eau chaude et froide circulant le long du circuit. Autrement dit, le processus de passage du fluide change - pour le radiateur, l'eau reste chaude et le déjà mélangé, ayant une température plus basse, pénètre dans le sol chaud.


Valve installée
De quels matériaux est-il fait
Les produits en fonte, en laiton et en acier sont désormais courants. Par exemple, des raccords en fonte et en acier sont installés dans des systèmes de canalisations avec un grand débit d'eau ou de vapeur. Les vannes en laiton se trouvent souvent dans les systèmes de ventilation. Leur principal avantage est leur taille compacte, de sorte que l'élément est monté même dans de petites pièces avec une consommation d'eau limitée.
Une vanne de régulation en acier ou en fonte est recommandée. Les produits en acier sont répandus, ils sont aussi durables que leurs homologues en fonte, mais beaucoup moins chers. Lors du choix d'un matériau, les caractéristiques de la pression dans le système et les dimensions de la vanne elle-même sont prises en compte.


Valve en acier
Variétés de vannes
La vanne à deux voies pour le chauffage est de plusieurs types. Le principal critère qui détermine cela est le mode de gestion. En fonction de cela, la vanne peut être:
- pneumatique;
- hydraulique;
- avec un entraînement électrique.
Divers dispositifs sont utilisés comme dispositifs d'entraînement électriques. Il peut s'agir de moteurs électriques de faible puissance ou de solénoïdes de rétraction.
La matière première la plus courante pour les vannes est la fonte., acier et laiton. Les vannes en acier et en fonte sont conçues pour les systèmes qui laissent passer de grands volumes de vapeur et d'eau. Le laiton est de petite taille, mieux adapté aux conduits de ventilation destinés aux petits espaces.
En plus des systèmes de chauffage à deux voies, les systèmes de chauffage peuvent être équipés de vannes à trois ou quatre voies. Chacun d'eux se caractérise par certaines différences de conception, qui laissent une empreinte sur la possibilité de leur utilisation dans l'un ou l'autre équipement.
Trois voies peuvent être obtenues en combinant deux voies bidirectionnelles. La particularité d'une telle vanne est la possibilité de séparer et de mélanger les flux de caloporteurs, ainsi que d'ajuster leur alimentation dans un volume prédéterminé. Pour assurer ce volume, la tige de la vanne à trois niveaux ne doit pas se fermer complètement, mais uniquement bloquer le sens alterné du débit.
Il est utilisé dans les systèmes de chauffage fonctionnant à partir de chaufferies autonomes, ce qui n'implique pas de limitation de débit et de maintien simultané du coefficient de déplacement. Ces vannes se trouvent dans les systèmes d'alimentation en eau chaude et les systèmes de ventilation indépendants.
Le quadridirectionnel est rare. Il utilise le principe du double bypass. Présent dans les conduites de chauffage fonctionnant aux frais des chaufferies autonomes.
Types de vannes de régulation
Les raccords diffèrent de plusieurs manières.
En fonction des caractéristiques de conception, 2 types sont distingués:
- traversant - dans eux, les buses ont l'emplacement opposé;
- angulaire - situé à un angle de 90 degrés.
Faites attention à la façon dont la vanne est contrôlée.
Selon ce paramètre, 3 types sont distingués:
- pneumatique;
- hydraulique;
- équipé d'un moteur électrique.
Le dispositif d'entraînement électrique est un moteur électrique de faible puissance ou des solénoïdes de rétraction.Bien sûr, il existe des produits à commande manuelle, mais ils sont plus difficiles à utiliser, car ils ne permettent pas de définir les paramètres exacts. Les appareils fonctionnent sur un réseau électrique avec un courant alternatif de 220 V ou constant de 24 V.
Certains nœuds d'intercommunication fonctionnent de manière autonome, sans alimentation électrique. De telles vannes sont commandées et régulées au moyen d'un diaphragme et d'un ressort lui faisant face. En retour, une course est utilisée, le long de laquelle le liquide de refroidissement se déplace - elle dirige également la membrane dans la bonne direction.
Ce que donne la vanne à deux voies:
- la consommation est régulée, les ressources (eau) sont distribuées et économisées;
- consommation de chaleur plus économique;
- les équipements et les réseaux sont protégés des chutes de pression;
- si elle est utilisée correctement, la vanne prolongera la durée de vie de l'équipement connecté et du réseau lui-même.
Les appareils sont fixés avec des brides, filetées ou soudées. L'une des sous-espèces de la connexion filetée est le montage à broche, dans lequel la vanne est vissée dans un autre appareil. Lorsque l'installation est soudée, des tuyaux de dérivation spéciaux sont utilisés.
Séparément, nous mettons en évidence la vanne télécommandée, qui est la plus simple à utiliser. De tels dispositifs sont complétés par des commandes électriques ou des consoles. Ce sont les salles de contrôle qui reçoivent toutes les caractéristiques et paramètres actuels du système. Diminue à distance, augmente la pression ou chevauche certaines branches du réseau de chaleur.


Une sorte de vanne à deux voies
Types et applications d'une vanne à deux voies
Installez la vanne à deux voies dans les zones où les tuyaux ne se branchent pas. Ce type de vanne d'arrêt a une conception angulaire et droite. Si une vanne a une entrée et une sortie, quelle que soit la configuration, elle est appelée bidirectionnelle.
Vanne bidirectionnelle servo-assistée pour chauffe-eau Volcano VR et Volcano Mini
La fixation de tels dispositifs peut être: à bride, filetée et soudée. Parfois, une connexion filetée est une fixation par goupille (la valve est vissée dans le corps de certains appareils). Le type de connexion soudé implique la présence de buses soudées.
La fonte ou l'acier est souvent choisi comme matériau pour les pièces d'arrêt et de régulation. Les vannes en acier ont gagné la plus grande popularité, car elles ne sont en aucun cas inférieures à la fonte, mais elles sont beaucoup moins chères.
Les vannes en acier et en fonte sont généralement installées dans des systèmes à haut débit d'eau ou de vapeur.
Quelle que soit la conception de la vanne de régulation à deux voies, les produits en acier sont reconnus comme étant les plus performants et les plus performants. Le processus de création d'un tel dispositif est le plus avancé sur le plan technologique, ce qui permet de réduire le coût de la vanne, mais en même temps, elle sera de haute qualité. Les raccords en laiton sont également populaires. Les cotes de taille et de pression jouent également un rôle dans la sélection.
La vanne de régulation à 2 voies en laiton est généralement de petite taille et est utilisée dans les unités de tuyauterie pour les unités de ventilation installées dans de petites pièces. Dans ce cas, la vanne à deux voies peut être réalisée en versions à un et à deux sièges.
Dans le second cas, en raison des caractéristiques de conception distinctives, il est possible de couper et de réguler le débit dans lequel il y a une chute de pression, à laquelle les vannes à un siège ne peuvent pas fonctionner. Il convient de prêter attention au fait que la vanne à deux voies peut être conçue comme un élément isolé séparé auquel l'entraînement doit être connecté, ou avec un entraînement déjà monté, généralement électrique. L'emballage du dispositif peut comprendre divers entraînements électriques, qui diffèrent par le principe de fonctionnement.
Un entraînement électrique est un moteur électrique qui a peu de puissance. Sa fonction principale est de tirer des solénoïdes.
Une vanne de régulation à 2 voies peut agir comme un maillon clé dans la commande d'un appareil de chauffage ou d'un refroidisseur. Dans une telle situation, il peut modifier le débit du liquide de refroidissement vers l'échangeur de chaleur. Cette méthode d'ajustement est très simple, cependant, elle présente également un certain nombre d'inconvénients, elle est donc utilisée dans les cas les plus simples.
La vanne à deux voies pour chauffage par le sol vous permet soit de limiter le volume du caloporteur chaud, soit de mélanger directement le caloporteur à la température souhaitée. Utilisé pour assembler l'unité de mélange.
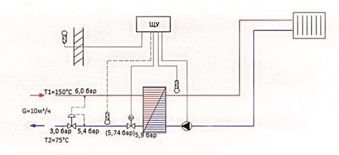
Diagramme de connexion
Pour les planchers chauffés à l'eau, la vanne est le plus souvent installée en parallèle. Pour sa mise en œuvre, 2 ou 3 circuits de chauffage avec caloporteur à circulation doivent être utilisés. L'alimentation en eau et la pression sont régulées par une ou plusieurs vannes installées en parallèle. Lors du mélange du liquide de refroidissement en parallèle, les conduites de chauffage par le sol doivent être préalablement déconnectées.
En règle générale, les robinets de commande sont réglés indépendamment, manuellement, où le volume requis de l'eau passée est réglé.
Important! Si un circuit parallèle est utilisé, il est recommandé de remplacer la dérivation par une vanne de dérivation. Ceci est fait afin de réduire la charge de fonctionnement et d'économiser l'énergie fournie à la pompe.
Le circuit a un point négatif - le liquide de refroidissement entrant dans le circuit aura la même température que l'eau quittant le circuit de retour vers la chaudière. De ce fait, l'eau chaude est distribuée de manière inégale le long des circuits.


Schéma d'installation du chauffage par le sol
Fonctionnalités d'installation
La procédure elle-même se résume au fait que la vanne est connectée aux pipelines nécessaires. Pour que les raccords fonctionnent longtemps et sans problèmes, la connexion doit être correctement mise en œuvre, en tenant compte de tous les conseils et recommandations. Si vous manquez d'expérience, il est recommandé de contacter un spécialiste. Sinon, le système de chauffage ne sera pas aussi efficace et économique qu'il le devrait.
Avant de procéder aux travaux d'installation, faites attention à la vanne à deux voies - il y a un filetage externe ou interne sur son corps, sur lequel l'écrou-union (ou le raccord) de la canalisation est vissé. Pour une connexion fiable, les experts conseillent d'envelopper le filetage avec un scellant adapté au ruban FUM.
L'ensemble de raccords comprend des joints spéciaux pour assurer le bon niveau d'étanchéité. S'ils ne sont pas disponibles, ils devront être achetés séparément, de l'épaisseur et du diamètre appropriés. La tâche principale est d'assurer une connexion étanche, sans distorsions sur le filetage, ce qui évitera d'éventuelles fuites. Aucun outil ni dispositif spécial n'est requis.
Noter! Les vannes à deux voies ne fonctionnent pas dans les conditions les plus simples, à savoir sous l'influence de températures élevées. Pour cette raison, les connexions filetées peuvent perdre leur étanchéité, la procédure de connexion doit donc être effectuée de manière responsable.
Conseil d'Expert:
- Lors de l'installation, assurez-vous qu'il n'y a aucune force dans la tuyauterie.
- Avant d'installer l'élément sur l'alimentation en eau, celui-ci doit être soigneusement nettoyé, en éliminant toutes les impuretés. Ils ont un effet négatif sur l'état des matériaux d'étanchéité, ce qui nuit à l'étanchéité de la vanne.
- Au fil du temps, l'appareil peut devoir être réparé ou démonté, alors laissez suffisamment d'espace autour de lui.
- Une installation soignée est importante. Si un raccordement à bride est utilisé, il est recommandé de serrer les vis correspondantes en alternance pour éviter toute contrainte interne. Avec la méthode d'installation filetée, des attaches de réglage sont utilisées, ce qui permettra de démonter la vanne à l'avenir.
- S'il est nécessaire de purger ou de rincer tout le système de canalisation, la vanne est retirée et un adaptateur est mis à sa place.
L'installation est un processus complexe et dépend en grande partie du schéma choisi.Pour éviter les erreurs, nous vous recommandons de commander un service d'installation de vannes auprès de spécialistes.


Vanne dans le système de chauffage
Règles d'installation et de fonctionnement
Lisez les instructions et les schémas de câblage avant d'installer la vanne de régulation à 2 voies. Le sens de déplacement du fluide de travail est pris en compte. Il est indiqué par une flèche sur le corps de l'appareil. Pour les raccords filetés, utilisez un enrouleur de tuyau - ruban FUM, lin, filetage de plomberie. Pour les contacts à bride, les boulons doivent être serrés un par un, en ajustant la pression sur les murs.
L'installation de crépines est recommandée pour minimiser la réduction de l'alésage de la vanne. Après 3-4 saisons de fonctionnement, une accumulation peut se former à la surface de la tige, empêchant son mouvement. Avant de démarrer le système de chauffage, vous devez vérifier les performances des éléments, si nécessaire, effectuer des réparations ou remplacer les éléments défectueux.


TM-K-3/4-SP.
Les vannes de régulation à 2 voies Danfoss sont fiables et faciles à connecter. Il est important d'effectuer correctement l'installation et d'observer les conditions de fonctionnement.



