À la maison, par définition, il doit être chaud. Il peut être fourni de diverses manières. Cependant, le propriétaire zélé s'efforce de le faire aussi efficacement et économiquement que possible. Ces options incluent l'installation d'une chaudière à gaz murale. Et cela est tout à fait justifié, car le chauffage au gaz est très rentable et l'équipement est assez simple à utiliser et à installer.
Si vous avez également commencé à penser à l'achat d'une chaudière murale, assurez-vous de lire notre documentation. Dans celui-ci, nous essaierons d'en dire autant que possible sur les principes de fonctionnement de ces équipements et les types d'appareils muraux. Et nous examinerons également toutes les nuances de la connexion d'un tel système.
Le principe de fonctionnement d'une chaudière à gaz murale
L'installation et le raccordement de l'appareil de chauffage dépendent de son type. Par conséquent, vous devez comprendre exactement comment fonctionne l'appareil et à laquelle de ses variétés vous devez faire face.
Toute chaudière murale à gaz est un appareil compact dont la puissance maximale est limitée à 42 kW.
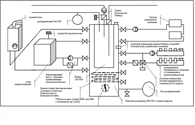
Les principaux éléments du système comprennent:
- Brûleur à gaz... Il fournit du gaz à la chambre où se déroule le processus de combustion. Les injecteurs distribuent le carburant aussi uniformément que possible. Les brûleurs modulants modernes peuvent maintenir une température définie et réguler la force de la flamme.
- Échangeur de chaleur, le long duquel se déplace le liquide de refroidissement. La meilleure efficacité pour un appareil en cuivre. Il peut y avoir deux de ces éléments dans les chaudières à condensation.
- Vase d'expansion... Conçu pour compenser l'excès d'eau résultant du chauffage.
- Pompe de circulation... Les modèles puissants peuvent avoir deux de ces éléments.
- Automatisation de chaudière ou un système d'appareils dont la tâche est de maintenir une température donnée dans une pièce chauffée. Peut inclure des appareils électriques ou non volatiles.
- Appareils de contrôle et de régulation fonctionnement de la chaudière.
- Ventilateur... Utilisé uniquement dans les modèles turbocompressés.
- Système de sécurité... Arrête la chaudière en cas de situations dangereuses.
Les modèles modernes sont en outre équipés de systèmes d'autodiagnostic capables de déterminer environ 90 % des défauts de la chaudière. L'écran affiche le numéro de la panne diagnostiquée, qui est rapidement corrigé par le maître du service.
Variétés d'appareils muraux
Selon leur fonction, les appareils de chauffage au gaz sont divisés en deux groupes :
- Circuit unique. Conçu pour le chauffage uniquement. Ils sont raccordés au circuit de chauffage et chauffent le liquide de refroidissement. Dans ce cas, l'organisation de l'approvisionnement en eau chaude est réalisée en installant un chauffe-eau électrique ou à gaz de tout type.
- Double circuit. Ils chauffent la pièce et fournissent de l'eau chaude. Un circuit supplémentaire pour le chauffage de l'eau est intégré à la chaudière. La caractéristique technologique de l'appareil est l'impossibilité de chauffer simultanément l'eau et de chauffer la pièce.
L'action prioritaire des unités à double circuit est de chauffer l'eau, le chauffage s'arrête à ce moment. Considérant que l'eau peut être chauffée rapidement, la chaudière chauffe le bâtiment assez efficacement.
Selon la méthode de combustion du carburant, tous les appareils sont divisés en deux groupes suivants.
Groupe # 1 - appareils à chambre de combustion ouverte
De tels appareils sont également appelés appareils de chauffage à tirage naturel. Ils prélèvent l'oxygène nécessaire à la combustion dans la pièce dans laquelle se trouve l'appareil.
Pour éliminer les produits de combustion, ils ont besoin d'une cheminée traditionnelle. Ainsi, une condition préalable à l'installation d'une telle chaudière est la disposition d'une bonne ventilation.
Si l'appareil de chauffage est installé dans une habitation, une ventilation d'air frais à haute performance doit être installée ici.
La meilleure option pour installer un appareil de chauffage avec une chambre de combustion ouverte est la présence d'une pièce séparée, appelée four, où elle est placée.
Les systèmes avec ventilation naturelle sont très populaires en raison de leur faible coût et de leur indépendance énergétique.
Groupe #2 - appareils à chambre de combustion fermée
Les appareils turbocompressés sont équipés d'une chambre de combustion fermée. Ils prennent l'air, sans lequel le processus de combustion est impossible, de la rue. Pour cela, les appareils sont équipés de cheminées de type coaxial.
Une telle cheminée est réalisée sous la forme d'une structure de deux tuyaux dont l'un est noyé dans l'autre. Les produits de combustion sont évacués à l'extérieur par le tuyau intérieur.
Dans le même temps, l'air de la rue circule dans la direction opposée à travers l'espace entre les deux tuyaux. Il est clair que les chaudières à foyer fermé n'affectent en aucun cas la composition de l'air intérieur, ce qui permet de les équiper même dans les pièces de vie.
Chauffage poêle
Le chauffage par poêle moderne convient aux maisons à ossature avec une utilisation saisonnière et toute l'année. Idéal pour les kakrasniks fours sidérurgiques compactsqui n'ont pas besoin d'une base solide.
Chaudière à combustible solide pour chauffer une maison à ossature
Il existe plusieurs types de chaudières à combustible solide qui peuvent être utilisées pour le chauffage au four d'une maison à ossature:
- chaudières à combustion naturelle;
- chaudières automatiques à combustible solide;
- chaudières à pyrolyse, dont le principe repose sur la combustion de combustible à long terme ;
- chaudières à combustible solide qui, pendant le fonctionnement, fournissent de l'air secondaire au four;
- fours à combustion longue dans la couche supérieure.
Si les chaudières à combustible solide étaient primitives, elles sont maintenant plus complexes que les chaudières à gaz et électriques. Les installations modernes extraient le bois de chauffage d'une efficacité maximale, laissant ainsi un peu de cendre. Il y a des chaudières dont vous avez besoin alimentation en air forcé... Ensuite, ils doivent installer en plus un extracteur de fumée et divers dispositifs de contrôle et de surveillance de l'appareil.

Lors du choix d'une chaudière à combustible solide, vous devez porter une attention particulière au type de bois de chauffage qui doit être utilisé pour son fonctionnement. Par exemple, les chaudières à pyrolyse utilisent du bois de chauffage de plus de 10 cm d'épaisseur et d'une teneur en humidité inférieure à 20 %. Pour atteindre une telle humidité, il est nécessaire de stocker le bois de chauffage pendant deux ans dans une pièce sèche spécialement équipée, où il y a une circulation d'air intensive, ou d'acheter du bois de chauffage déjà préparé.
La chaudière doit être complètement chargée - si la fournaise est partiellement remplie, tous les systèmes ne fonctionneront pas correctement. Vous pouvez mettre une chaudière combinée à combustible solide, dans laquelle, en plus du chauffage au bois, le gaz peut également être utilisé - c'est très pratique et pratique.
Utile : Four dans une maison à ossature


Les chaudières à combustible solide présentent les avantages suivants :
- petites dépenses pour le fonctionnement du système;
- respect de l'environnement, dommages minimes à l'environnement;
- la possibilité d'utiliser n'importe où dans le monde où il n'y a pas de communications.
Pratique pour les petites maisons fours de chauffage et de cuissoncombinant une chaudière et une cuisinière avec ou sans four.
Cheminée chauffante
Habituellement, une cheminée est installée afin de créer une certaine atmosphère chaleureuse, mais elle peut également être une source de chaleur et d'énergie à part entière dans la maison. Il ne suffira pas de chauffer un grand bâtiment. Si nous parlons d'une petite datcha, rarement visitée, vous pouvez vous en tirer avec une cheminée. De plus, une cheminée peut servir de source d'énergie thermique supplémentaire en présence d'un système de chauffage à part entière.
Selon le type de foyer, les cheminées modernes peuvent être divisées en deux groupes:
- combustion courte;
- longue combustion.


Ainsi, dans les fours à court terme, l'énergie thermique est libérée très rapidement, mais le bois de chauffage brûle en 5 à 8 heures. Et dans les fours longs, le bois de chauffage brûle plus de 8 heures, mais en même temps, la pièce se réchauffe lentement. Vous pouvez modifier l'intensité de l'air soufflé, la puissance du foyer et d'autres caractéristiques. Vous pouvez calculer la puissance requise du foyer pour chauffer la pièce comme suit : pour chaque 10 m². m nécessite 1 kW de puissance de chauffage.
L'auto-installation est-elle possible ?
De vos propres mains, vous pouvez installer une chaudière à gaz murale des modifications les plus simples. Comme, par exemple, des dispositifs à un seul circuit avec une chambre de combustion ouverte.
Pour les installer, vous devrez connecter le système de chauffage, fournir du gaz et organiser une cheminée. Cependant, certains fabricants de chaudières dans la documentation technique de leurs produits indiquent que l'installation ne doit être effectuée que par des spécialistes.
Dans ce cas, l'auto-assemblage des modèles les plus simples est interdit. Par conséquent, si vous envisagez d'installer l'équipement vous-même, vous devez vous assurer que le fabricant l'autorise avant de l'acheter.
La vérification de l'installation et du raccordement corrects de l'appareil à la conduite de gaz ne doit être effectuée que par un spécialiste disposant d'une autorisation spéciale.
De plus, le représentant du service de gaz doit délivrer un permis d'exploitation des équipements installés. Sans cela, le propriétaire d'un appareil installé et en cours d'exécution s'exposera à de lourdes amendes.
Ainsi, sans l'invitation de spécialistes, vous ne pouvez connecter l'appareil qu'au système de chauffage et à l'alimentation en eau. De plus, il est conseillé de ne le faire que si vous avez une certaine expérience.
Par où commencer l'installation ?
Tout d'abord, vous devez préparer la documentation dont vous avez besoin pour installer... Vous devez commencer par initialiser la gazéification de la pièce. Il ne peut être démarré que si un gazoduc y est connecté.
Ensuite, le propriétaire soumet une demande aux services compétents, dans laquelle il indique le volume de consommation de gaz dont il a besoin par mois ou par an. En cas de réponse satisfaisante à la demande, le gazoduc adapté à la pièce doit être équipé d'un compteur.
Le propriétaire reçoit entre ses mains les permis et les conditions techniques sur la base desquels un projet de connexion de l'équipement doit être développé.
Ce dernier comprend un schéma de pose des conduites de gaz du réchauffeur au point d'insertion dans le pipeline et toutes les conditions d'installation de l'équipement. Le projet développé doit être approuvé par le service gaz.
Avec le projet, le propriétaire des locaux où la chaudière sera installée fournit un certificat de conformité et un passeport technique de l'équipement acheté, une conclusion de service d'expert sur sa conformité à toutes les exigences de sécurité et instructions d'utilisation.
Ce n'est qu'une fois le projet approuvé que vous pouvez commencer à installer le radiateur. Dans ce cas, tous les points de la documentation du projet doivent être clairement suivis.
Le chauffage au gaz reste la meilleure option pour organiser l'approvisionnement en chaleur des appartements et des maisons. Pour installer l'équipement, vous devez connaître les normes en vigueur, obtenir un permis dans le service approprié. L'installation d'une chaudière à gaz murale dans une maison en bois de vos propres mains est particulièrement difficile. Les exigences pour ces bâtiments sont beaucoup plus strictes que pour les structures en béton armé ou en briques.
Exigences pour les locaux
La première tâche consiste à choisir le lieu d'installation. Les normes de base sont énoncées dans le SNiP du 31 février 2001. L'installation dans les locaux d'habitation, la salle de bain ou les toilettes est interdite. L'installation dans une pièce au sous-sol est possible, mais pas dans un sous-sol. Ne peut pas non plus être monté dans le grenier.Pour les équipements puissants de plus de 36 kW, vous devez équiper une chaufferie séparée.
Il est nécessaire de prendre en compte les exigences de base - une chaudière à gaz dans une maison en bois d'une capacité allant jusqu'à 60 kW peut être installée dans une pièce avec les paramètres suivants:
- Le volume minimum est de 15 m3. Pour chaque kilowatt d'énergie au-dessus de la norme, vous devez ajouter 1 m².
- Hauteur sous plafond - à partir de 2,5 m et plus.
- La présence de ventilation forcée et naturelle.
- L'éclairage artificiel doit être complété par un éclairage naturel.
Le site d'installation est isolé des locaux d'habitation par une porte, si l'installation est réalisée dans une chaufferie séparée, il doit y avoir une sortie directement sur la rue.
L'installation d'une chaudière à gaz murale dans une maison en bois dans une chaufferie séparée s'effectue selon les règles suivantes:
- exigences standard pour le volume et la hauteur des plafonds - 15 m? et 2,5 m;
- décoration murale intérieure avec un matériau résistant au feu avec une limite de résistance au feu de 0,75 heures;
- éclairage normal de la pièce - artificiel et naturel;
- la présence de systèmes de ventilation.
En plus de la porte donnant sur la rue, il peut y avoir une porte supplémentaire vers la maison. Il est important que l'étanchéité soit assurée - les produits de combustion ne doivent pas pénétrer dans le bâtiment. Les paramètres de ventilation dépendent du type de chambre de combustion - fermée ou atmosphérique. Pour le second, la valeur du renouvellement d'air ne doit pas être inférieure à 3 volumes de chaufferie par heure. De plus, la consommation d'air de combustion est prise en compte. Ce paramètre est indiqué dans le passeport de la chaudière. La distance entre l'équipement de chauffage et le trou de ventilation est d'au moins 2 mètres. La surface vitrée dépend du volume de la chaufferie. A 1m ? nécessite 0,03 m? ouverture légère. C'est important - c'est un indicateur de l'afflux net de lumière, à l'exclusion de la largeur des cadres et des impostes.
Projets de maisons avec chaufferie
Nombre de projets 1286
- 3 pièces
- 1 salle de bain
Projet de maison "1172"
- Vers les favoris
- 106,4² Superficie totale
- 12 x 10m Surface de construction
à partir de 1 551 000 RUB
Temps de construction 25 jours
- 5 chambres
- 2 salles de bain
Projet Maison Verdun
- Vers les favoris
- 196² Superficie totale
- 15 x 10m Surface de construction
calcul individuel
Temps de construction 30 jours
- 8 chambres
- 3 salles de bain
Projet de maison Novgorod
- Vers les favoris
- 405² Surface totale
- 18 x 10m Surface de construction
à partir de 5 346 000 roubles.
Temps de construction individuellement
- 3 chambres
- 2 salles de bain
Projet Maison Aristocrate
- Vers les favoris
- 149² Superficie totale
à partir de 2 130 000 RUB
Temps de construction individuellement
- 3 chambres
- 1 salle de bain
Projet de maison Ienisseï 147
- Vers les favoris
- 150² Superficie totale
à partir de 2 405 250 roubles.
Temps de construction individuellement
- 6 chambres
- 1 salle de bain
Projet de maison KD-20
- Vers les favoris
- 176² Superficie totale
à partir de 1 388 000 roubles.
Temps de construction individuellement
- 6 chambres
- 2 salles de bain
Projet Maison du Bienheureux
- Vers les favoris
- 185,6² Superficie totale
à partir de 2 505 600 roubles.
Temps de construction 112 jours
- 4 chambres
- 1 salle de bain
Projet de maison Bergen - Midi
- Vers les favoris
- 167² Superficie totale
à partir de 3 280 000 roubles.
Temps de construction 45 jours
- 9 chambres
- 3 salles de bain
Projet de maison 5-427
- Vers les favoris
- 427² Superficie totale
à partir de 5 764 500 roubles.
Temps de construction individuellement
- 4 chambres
- 4 salles de bain
Projet de maison MS-345
- Vers les favoris
- 320,3² Superficie totale
- 38 x 21m Surface du bâtiment
à partir de 9 643 707 p.
Temps de construction individuellement
- 5 chambres
- 3 salles de bain
Projet de maison Peek-a-Boo
- Vers les favoris
- 203,5² Superficie totale
à partir de 2 747 250 roubles.
Temps de construction 116 jours
- 5 chambres
- 1 salle de bain
Projet de maison "Sweet home"
- Vers les favoris
- 130² Superficie totale
- 7 x 9m Surface de construction
à partir de 2 080 550 p.
Temps de construction 30 jours
- 5 chambres
- 2 salles de bain
Projet de maison 18-286
- Vers les favoris
- 286² Surface totale
à partir de 3 861 000 roubles.
Temps de construction individuellement
- 4 chambres
- 1 salle de bain
Projet Maison Julie
- Vers les favoris
- 108,1² Superficie totale
- 9 x 13m Surface de construction
à partir de 2 700 000 roubles.
Temps de construction individuellement
- 6 pièces
- 2 salles de bain
Projet de maison "Abordable"
- Vers les favoris
- 165,4² Superficie totale
à partir de 2 232 900 roubles.
Temps de construction 60 jours
- 6 chambres
- 3 salles de bain
Projet de maison DOK-490 / Silva
- Vers les favoris
- 490.09² Superficie totale
- 15 x 20m Surface de construction
à partir de 8 821 620 frotter.
Temps de construction individuellement
- 4 chambres
- 2 salles de bain
Projet de maison "Taisiya"
- Vers les favoris
- 188,9² Superficie totale
- 9 x 16m Surface du bâtiment
à partir de 4 324 000 roubles.
Temps de construction individuellement
- 4 chambres
- 2 salles de bain
Projet de maison région de Moscou 2
- Vers les favoris
- 121.6² Superficie totale
à partir de 1 688 000 roubles.
Temps de construction individuellement
- 6 chambres
- 3 salles de bain
Projet Maison de l'Amour 528
- Vers les favoris
- 500² Superficie totale
à partir de 6 558 650 roubles.
Temps de construction individuellement
- 5 chambres
- 2 salles de bain
Projet de la maison Borodino
- Vers les favoris
- 148² Superficie totale
à partir de 1 613 000 roubles.
Temps de construction individuellement
Voir tous les projets
Une chaufferie dans une maison privée devient monnaie courante aujourd'hui. Mais son agencement ne devrait être effectué que conformément aux exigences réglementaires. Un projet approprié des locaux est en cours d'élaboration selon les normes établies afin que la chaufferie réponde aux normes en vigueur. Considérez les questions concernant l'aménagement d'une chaufferie. Vous apprendrez quels documents sont nécessaires et comment bien concevoir les locaux.


Un exemple de chaufferie pour une grande maison avec des équipements supplémentaires Source remont-kotlov77.ru
Documents de permis
Contrairement à l'installation d'une chaudière à combustible solide dans une maison en bois, l'équipement au gaz nécessite un permis. Pour ce faire, vous devez contacter l'organisme local responsable de l'approvisionnement en gaz - Oblgaz ou Gorgaz. Le raccordement à la conduite de gaz ne doit être effectué que par des spécialistes certifiés, mais l'installation de l'équipement de la chaudière peut être effectuée de manière indépendante.


Étapes d'obtention d'un permis :
- Obtention d'une spécification technique. Il indique les exigences de raccordement à la conduite de gaz. Il est nécessaire de fournir un plan de la maison avec ses caractéristiques.
- Elaboration d'un projet de gazéification. Ce travail est effectué par des organismes spécialisés agréés.
- Sur la base du projet, un permis est délivré pour installer une chaudière à parapet dans une maison en bois. Il en va de même pour les modèles muraux ou au sol.
- Après l'installation, les représentants du service de gaz doivent vérifier que le bâtiment et la canalisation respectent les conditions techniques et la conception convenue. Ils relient également l'équipement au pipeline.
Pour optimiser le temps et les coûts financiers, il est recommandé de faire appel aux services des filiales de Gorgaz. Leurs représentants connaissent les nuances de la conception et les dernières évolutions des exigences en matière de locaux et d'équipements.
Options pour choisir le chauffage dans une maison en bois
Tous les types d'apport de chaleur peuvent être utilisés dans une maison en bois. Mais d'abord, vous devez analyser tous les facteurs qui influencent le choix. Souvent, les options de chauffage d'une maison en bois dépendent directement de plusieurs d'entre elles.


Types de chaudières pour le chauffage domestique
La tâche principale est de déterminer le vecteur d'énergie optimal. Il peut s'agir de combustible solide, de gaz, d'électricité ou de carburant diesel. Tout dépend du coût et de la possibilité d'un approvisionnement constant.
Vous ne pouvez pas effectuer l'installation de chauffage dans une maison en bois de vos propres mains sans les étapes préliminaires d'analyse suivantes:
- Sélection de carburant;
- Équipement de génération de chaleur : chaudière, convecteur (gaz, électrique), chauffage par feuille ;
- Développement de la disposition des appareils de chauffage... La répartition de la chaleur dans toute la maison en dépendra;
- Analyse des coûts fixes pour la fourniture de chaleur... La meilleure option est le chauffage au gaz dans une maison en bois. Mais cela tient compte de la phase préparatoire complexe de l'enregistrement des permis.
S'il y a une connexion à la conduite principale de gaz, le choix s'arrête sur ce type de combustible. S'il est possible d'acheter du carburant diesel bon marché (et de haute qualité), ils fabriquent le chauffage de l'eau d'une maison en bois avec une chaudière (ou un brûleur) de ce type. La superficie totale du bâtiment et le degré de son isolation sont également pris en compte.
En pratique, le choix des options de chauffage pour une maison en bois dépend des capacités financières. Par conséquent, vous devez d'abord établir un budget optimal pour organiser l'approvisionnement en chaleur dans le bâtiment.
Schémas d'installation
Après avoir préparé les lieux et délivré les permis, vous pouvez procéder à l'installation de la chaudière.Le site d'installation de l'équipement est fini avec des matériaux réfractaires. Pour les modèles muraux, il est impératif d'utiliser des fixations fiables.


Comment accrocher une chaudière à gaz sur un mur en bois, et quelles normes faut-il respecter ? Pour ce faire, vous devez vous familiariser avec les règles générales :
- Élaboration d'un schéma. L'emplacement des buses de raccordement au pipeline, l'emplacement du gazoduc sont pris en compte. Avant d'installer une chaudière à gaz dans une maison en bois, le schéma indique l'emplacement des équipements auxiliaires - réservoirs de chauffage indirect pour l'alimentation en eau chaude, une pompe de circulation, un vase d'expansion et un groupe de protection.
- La distance minimale autorisée par rapport à la surface du mur sur lequel l'équipement est installé est de 4,5 cm. Pour les dalles latérales, cette valeur est d'au moins 20 cm. La distance au sol est de 30 cm, jusqu'au plafond est de 45 cm.
- L'ouverture dans le sol ou le mur pour la cheminée est protégée par un manchon ignifuge spécial. Sa fonction est d'empêcher le contact direct de l'arbre avec la surface chauffée de la cheminée.
- L'utilisation de tuyaux en plastique pour le chauffage. Pour protéger la surface de la ligne contre la surchauffe, il est recommandé d'installer un tuyau en acier jusqu'à 0,5 m de long à la sortie d'eau chaude de la chaudière.
En pratique, la même installation d'une chaudière à bois dans une maison en bois sera plus facile. Mais à l'avenir, le coût du chauffage et de l'entretien sera plus élevé que pour le chauffage au gaz.
Matériau de support mural
La principale exigence dans la décoration des murs, des sols et des plafonds est la protection contre l'incendie. Pour cela, un substrat spécial est utilisé pour une chaudière à gaz dans une maison en bois. Il ne doit pas supporter le processus de combustion, protéger les murs des effets de la température.


Matériau de support recommandé :
- Laine de basalte. Sur une base rigide (tôle métallique), une couche d'une épaisseur de 50 mm ou plus est installée. La densité du coton est maximale.
- Feuilles réfractaires de basalte. En cas de flamme nue, ils protégeront la surface en bois des murs des effets thermiques.
Il est interdit d'utiliser des matériaux polymères - polypropylène, mousse. Pour les modèles de sol, une attention particulière est accordée à la préparation de la surface du sol. Il est nivelé, un matériau résistant au feu est monté. Dans ce cas, la laine de basalte n'est pas recommandée, car elle sera comprimée par la masse de la chaudière. La solution consiste à installer des feuilles de basalte.


Ventilation
Il a deux fonctions importantes. Premièrement, toute chaudière pour y brûler du combustible a besoin d'oxygène, qui est disponible dans l'air atmosphérique. Pour chaque modèle, selon le type et la puissance, il existe certaines normes de consommation d'air. Son alimentation doit être assurée en aménageant une ventilation. Cela peut être à la fois naturel et forcé.
Deuxièmement, si une chaudière à gaz est installée dans une maison en bois, il faut prendre en compte la possibilité que l'automatisation tombe en panne à un moment donné. La combustion s'arrêtera, mais pas l'alimentation en gaz. Il en va de même pour brûler ou briser l'étanchéité de la cheminée au niveau des joints. Le gaz combustible ou le monoxyde de carbone, sans aucune différence, doivent aller quelque part, afin de ne pas provoquer un incendie ou l'étouffement des habitants. C'est à cela que sert le système de ventilation.
Est-il possible de mettre une chaudière à gaz dans une maison en bois
Les conditions requises pour l'installation d'une chaudière à gaz dans une maison en bois sont les suivantes :
- La chaufferie est située au sous-sol ou dans l'une des pièces. Dans une maison en bois, il est interdit d'installer une chaudière à gaz au sous-sol, à l'exception d'une pièce indépendante spécialement équipée.
- La chambre doit être conforme aux exigences décrites dans le PPB et aux normes sanitaires.
- Il est interdit de placer des équipements de chauffage dans les pièces à vivre. L'installation dans la cuisine-séjour n'est pas autorisée, l'installation dans la salle de bain et les toilettes est interdite sous condition.
- Des équipements de protection individuelle et des équipements d'extinction d'incendie, ainsi que des avertisseurs de fumée et d'incendie sont requis.
Avant la mise en service, le fonctionnement du système de chauffage est vérifié, ainsi que la présence de tous les nœuds de sécurité nécessaires. L'inspecteur de Gaznadzor s'assurera que les exigences pour l'installation des équipements de chaudière sont respectées.
Séparément, un audit est effectué pour la présence de tous les documents nécessaires à la mise en service de la chaudière. Le paquet minimum de documents comprend :
- Les résultats des recherches du laboratoire électrique, qui vérifie les paramètres de la mise à la terre installée.
- Autorisation de Rostekhnadzor.
- Projet d'approvisionnement en gaz de la maison.
Chaudière à combustible solide dans le chauffage d'une maison en bois
Les règles de conception et d'installation du chauffage de l'eau à combustible solide d'une maison en bois sont pratiquement les mêmes que pour une maison au gaz. Les exceptions sont les recommandations pour l'aménagement de la chaufferie. Les grandes dimensions des chaudières à combustible solide et le chauffage de leurs surfaces déterminent des exigences particulières pour la chaufferie.
Avant d'installer de vos propres mains l'approvisionnement en chaleur dans une maison en bois, vous devez vous familiariser avec les caractéristiques de cette pièce:
- Superficie minimale la chaufferie doit être de 7 m². Ceci est nécessaire pour effectuer des travaux de réparation et d'entretien;
- Matériaux de finition non combustibles... La chaudière ne doit pas être placée sur un plancher en bois. Comme protection, vous pouvez utiliser une feuille d'acier inoxydable;
- Ventilation forcée... La section du conduit de ventilation est calculée à partir du rapport de 8 cm² pour 1 kW de puissance de chaudière ;
- Eclairage naturel et artificiel;
- Hauteur minimale de la cheminée - 5 m Le nombre de virages ne doit pas dépasser 3.


Chaudière à combustible solide dans une maison en bois
Tous les radiateurs d'une maison en bois sont installés conformément aux règles. La distance minimale des murs doit être de 3 cm.Pour réfléchir la chaleur sur le mur, il est recommandé d'installer une feuille de mousse.
Obligatoire dans les schémas des systèmes d'alimentation en chaleur d'une maison en bois, il est prévu pour l'installation de composants de protection - un évent, une vanne de vidange, un vase d'expansion.
Comment accrocher une chaudière à gaz dans une maison en bois
Les conditions techniques d'installation d'une chaudière à gaz dans une maison à ossature ou en rondins sont très différentes.
Dans le premier cas, nous parlons d'un matériau creux, par conséquent, des rails de fixation spéciaux sont utilisés pour la fixation. Avec un équipement de chaudière de poids important, il est recommandé d'installer une chaudière à gaz dans une maison à ossature sur des poteaux traversants fixés à l'extérieur du bâtiment.
La charnière de la chaudière dans une maison à ossature augmente considérablement la charge sur le mur. Il existe des restrictions sur le poids de l'équipement. Si vous envisagez d'installer un modèle avec ballon tampon intégré, privilégiez les chaudières au sol.
Les méthodes de fixation de la chaudière à un mur en bois d'une maison en rondins ou en rondins se distinguent par la facilité de fixation. Pour l'installation, des vis à bois spéciales sont utilisées, ce qui garantit une fixation fiable.
Lors de l'installation des accessoires, vous devrez vous conformer aux normes PPB et maintenir des distances minimales par rapport aux ouvertures des portes et des fenêtres.


Quel substrat utiliser sur un mur en bois
Si la chaufferie est revêtue de bois, une protection incendie est assurée. Un substrat sur un mur en bois pour une chaudière à gaz est réalisé de plusieurs manières:
- Une couche d'isolant de basalte est accrochée au mur, après quoi elle est recouverte d'une tôle d'acier.
- Des feuilles ignifuges de basalte spéciales sont utilisées. L'avantage de cette solution est l'épaisseur minimale de la couche de protection, tout en assurant une protection incendie maximale.
L'installation d'une chaudière murale dans une maison en bois sans production préalable d'une couche protectrice est interdite!
- Auteur : Maria Sukhorukikh
- Imprimer
Évaluez l'article :
- 5
- 4
- 3
- 2
- 1
(0 votes, moyenne: 0 sur 5)
Partage avec tes amis!
Comment gainer une chaufferie de l'intérieur
Avant de décider ce que devraient être les murs de la chaufferie et comment les décorer dans une maison privée, vous devez vous familiariser avec les caractéristiques techniques des matériaux de construction pour leur résistance au feu. Lors du choix de la meilleure façon de décorer les murs en blocs dans une petite chaufferie d'une maison de campagne, il est important de se rappeler que la conception de la chaufferie n'est pas un facteur déterminant lors du choix d'un matériau - sa praticité est primordiale. Pour les murs en béton cellulaire, béton ou brique, le plâtre ou la peinture à l'eau est choisi. Des carreaux ou des panneaux métalliques sont utilisés comme finitions décoratives.
Il est nécessaire de recouvrir les murs d'une chaufferie dans une maison privée en bois en tenant compte de la faible résistance au feu du bois et de la nécessité de sa protection soigneuse contre le feu. Avant la finition, le bois doit être traité avec des produits ignifuges, même si le bois a initialement subi une imprégnation similaire au stade de la fabrication.
Des murs
Lors du choix d'une façon de décorer les murs, il est préférable de se concentrer sur un matériau facile à utiliser. Le plâtrage vous permet de résoudre plusieurs problèmes avec un strass:
- effectuer rapidement des réparations sur les lieux;
- aligner les murs;
- créer une couche ignifuge monolithique qui a des propriétés de haute résistance et d'isolation thermique.
Le plâtre peut être utilisé comme base préparatoire pour la finition ou comme couche de finition décorative. Dans le second cas, vous pouvez utiliser de la peinture ou du plâtre décoratif, appliqué sur la couche lisse de départ. Le plâtre est appliqué le long des phares - des guides métalliques fixés au mur.
La composition est lancée entre les balises, puis étirée à l'aide de la règle. Avant de commencer à décorer les murs avec du plâtre, la surface est dépoussiérée avec un apprêt - la composition obstrue les pores de la base et réduit la consommation de matière.
Un carreau dans une petite chaufferie dans une maison privée en bois ou en bloc est la meilleure option pour obtenir un revêtement résistant au feu et décorer l'intérieur de la pièce. Il est posé sur des murs plats plâtrés.
Avant de finir la surface des murs avec de la tôle, ils sont traités avec des imprégnations protectrices et, si nécessaire, isolés. L'isolation est posée entre les guides de tournage, auxquels le revêtement est ensuite fixé.
Le sol de la chaufferie est soumis à de fortes charges pendant le fonctionnement, il est donc recommandé de le finir avec des carreaux de céramique ou du grès cérame. Ce sont les matériaux les plus résistants à l'usure, les plus durables et les plus résistants au feu.






