Problèmes communs
Regardons quelles pannes se produisent dans les chauffe-eau instantanés à gaz domestique. Ces pannes sont typiques des chauffe-eau Neva, Oasis, etc.
Si le chauffe-eau ne s'allume pas
Ne sonnez pas l'alarme tout de suite. Certains des problèmes ne sont pas très graves. Avec ces dysfonctionnements, le chauffe-eau peut produire du coton lorsqu'il est allumé.
Manque de traction
Il n'y a pas de courant d'air dans le conduit d'évacuation. Peut-être que quelque chose est arrivé là qui a bloqué le conduit d'échappement.
Ou peut-être y a-t-il beaucoup de produits de combustion dans ce canal - de la suie et il est bouché. Le disjoncteur s'est déclenché et la colonne a cessé de fonctionner. Il est nécessaire de vérifier la présence de traction. Apportez une allumette à la ventilation, s'il y a un courant d'air, la flamme sera dirigée vers le canal. S'il n'y a pas de tirage, vous devez appeler un ramoneur et nettoyer le canal.
Vous ne pourrez peut-être pas nettoyer l'un des canaux. Une partie de la suie s'accumule sur la colonne elle-même, de sorte qu'elle peut être éliminée en aspirant la colonne.
En l'absence du tirage nécessaire, le chauffe-eau peut s'allumer, fonctionner un peu et s'éteindre. Essayez d'ouvrir l'évent pour augmenter la quantité d'air.
Vieilles piles
Une autre raison pour laquelle le chauffe-eau ne s'allume pas est que les piles sont épuisées, les piles de l'appareil électronique sont simplement épuisées. Modifiez-les et le problème sera résolu.
Faible pression d'eau
Le débit d'eau froide peut être insuffisant. Ceci est facile à vérifier en ouvrant le robinet d'eau. Si la pression de l'eau froide est faible, vous devez appeler la société de gestion et en découvrir la raison.
Douche bouchée
Il peut y avoir une telle raison : la pression de l'eau chaude dans le robinet continue, lorsque vous passez à la douche, elle s'arrête. Vérifiez si la douche elle-même est bouchée.
Le chauffe-eau ne chauffe pas ou ne chauffe pas bien l'eau
Il s'agit probablement d'un problème d'unité d'eau. Il existe une membrane en caoutchouc qui, pour une raison quelconque, cesse de répondre à la pression de l'eau, ce qui, à son tour, entraîne la fermeture de l'alimentation en gaz. Il peut y avoir une fissure dans la membrane, des dépôts de sel peuvent s'accumuler à cause de l'eau dure, ou simplement obstrués.
L'unité doit être démontée, la membrane doit être nettoyée ou remplacée, il est préférable de la remplacer par une membrane en silicone. Le filtre grossier installé dans le groupe d'eau peut également être obstrué.
Blocage de colonne
L'eau peut ne pas bien chauffer en raison d'un blocage dans la colonne elle-même. Ceci est indiqué par la suie qui se forme au-dessus et le changement de couleur du gaz.
Réparations
Batterie faible
Peut-être que votre colonne a une faible puissance, alors lisez attentivement les caractéristiques de votre appareil.
Faible pression de gaz
L'eau ne chauffera pas bien à basse pression de gaz. Dans ce cas, appelez le service de gaz.
L'eau est très chaude
Il ne s'agit pas d'une panne de votre unité. Il vous suffit de réduire l'alimentation en gaz, de tourner la vanne située sur le tuyau de gaz devant la colonne.
Odeur de gaz
Si vous sentez soudainement du gaz, vous ne devez pas régler ce problème vous-même. Appelez le service de gaz d'urgence. Il ne doit pas y avoir d'odeur de gaz. De plus, si, lorsque la colonne a été allumée, le son caractéristique de l'allumage du gaz n'a pas suivi, c'est-à-dire que le gaz ne coule pas, vous devez contacter des spécialistes, des travailleurs du gaz.
Les raisons du fort échauffement de l'eau par la colonne
• faible pression dans l'alimentation en eau
Si, à basse pression d'eau constante, une colonne puissante est installée dans l'appartement, plus de 11 l / min., De toute marque: Nevalux, Bosch, Vailant, Ariston, Electrolux, AEG, Baltgaz, Darina, etc.Dans ce cas, presque toujours, une surchauffe se produit, car les appareils à haute puissance sont conçus pour une bonne tête, ayant un plus grand volume de l'échangeur de chaleur. Si la mauvaise pression est temporaire, le problème sera également temporaire, jusqu'à ce que l'approvisionnement en eau normal soit rétabli.
• blocages dans le système
Lorsqu'il est obstrué dans des tuyaux, la pression de l'eau chute, ce qui entraîne une surchauffe au-dessus de la température admissible, ce qui peut même entraîner l'arrêt soudain de l'équipement.
• les régulateurs sont mal réglés
L'eau peut surchauffer lorsque les saisons passent de l'hiver à l'été. Après le début du réchauffement, l'eau provenant des services publics devient plus chaude et le panneau de commande dispose d'un réglage d'hiver: le régulateur d'alimentation en gaz est à la valeur maximale, le régulateur d'alimentation en eau est au minimum, car l'eau de la saison froide est arrivée du système d'approvisionnement en eau beaucoup plus froid. Par conséquent, avec le début de l'été, il a commencé à surchauffer.
Réparations
Si soudainement une fuite apparaît dans le chauffe-eau à circulation, une fistule peut s'être formée dans l'échangeur de chaleur. Si vous souhaitez effectuer des réparations vous-même, le chauffe-eau doit être démonté. Considérons ce processus sur l'exemple de la colonne "Neva".
Nous commençons la réparation en coupant l'alimentation en eau et en gaz en fermant les robinets.
Retirez le couvercle. Pour ce faire, dévissez deux vis au bas de la paroi arrière. En tirant le boîtier vers vous, vous devez noyer deux poignées : l'une est un allumeur piézo, l'autre est un réglage de gaz. Soulevez ensuite le couvercle et retirez-le.
Ainsi, l'échangeur de chaleur de la colonne de gaz Neva ressemble à :
Après avoir trouvé une fistule, vous pouvez la souder avec un fer à souder. Pour ce faire, vidangez l'eau de l'échangeur de chaleur. Ouvrez le robinet d'eau chaude et dévissez l'écrou du tuyau d'alimentation en eau froide. L'eau s'écoulera, mais pas tout. Le reste doit être soufflé à l'aide d'une sorte de tuyau, souffler par la bouche pour que l'eau restante sorte. Les tuyaux peuvent ensuite être soudés de la manière habituelle. Peut-être que la fistule s'est retrouvée à l'endroit où elle est adjacente à la colonne de gaz. Dans ce cas, il est nécessaire de démonter toute la colonne et de retirer l'échangeur de chaleur. Une telle réparation est beaucoup plus difficile à faire, car il faudra débrancher le tuyau de gaz. Vous ne pouvez pas souder l'échangeur de chaleur vous-même, mais le remplacer par un neuf. Réparation du chauffe-eau Neva, voir la vidéo :
Il est possible de fuir au point où le tuyau de la colonne de gaz est connecté à l'alimentation en eau. Dans ce cas, il est nécessaire de changer le joint de l'écrou-raccord.
Pourquoi l'eau du geyser ne chauffe-t-elle pas
Un chauffe-eau à gaz est un appareil ménager populaire. Il se distingue par la simplicité de l'appareil, la fiabilité et une manipulation sans prétention. Avec des soins appropriés et un remplacement rapide des consommables, une telle unité peut durer longtemps. Cependant, comme tout mécanisme, le chauffe-eau est sujet à certaines pannes. Carburant de mauvaise qualité, impuretés dans l'eau, mauvais fonctionnement - tout cela laisse des traces, entraînant des dysfonctionnements. Si vous remarquez que le chauffe-eau à gaz ne chauffe pas bien l'eau ou ne la chauffe pas du tout, c'est un indicateur clair de graves problèmes à l'intérieur de l'appareil.
Le chauffe-eau à gaz est un appareil ménager populaire. Il se distingue par la simplicité de l'appareil, la fiabilité et une manipulation sans prétention. Avec des soins appropriés et un remplacement rapide des consommables, une telle unité peut durer longtemps. Cependant, comme tout mécanisme, le chauffe-eau est sujet à certaines pannes. Carburant de mauvaise qualité, impuretés dans l'eau, mauvais fonctionnement - tout cela laisse sa trace, entraînant des dysfonctionnements. Si vous remarquez que le chauffe-eau à gaz ne chauffe pas bien l'eau ou ne la chauffe pas du tout, c'est un indicateur clair de graves problèmes à l'intérieur de l'appareil.
Le principe de fonctionnement des enceintes
Pourquoi le chauffe-eau à gaz ne chauffe-t-il pas l'eau ? Pour répondre à cette question, vous devez comprendre la structure interne de l'unité. La complexité de la réparation dépendra des caractéristiques de conception d'un modèle particulier.
Le fonctionnement d'un chauffe-eau à gaz permet d'alimenter en eau chaude un appartement ou une petite maison. Pour le chauffage direct du liquide, une pièce spéciale est fournie dans l'appareil - un échangeur de chaleur. Dans celui-ci, le débit d'eau est distribué à travers de minces conduits qui passent au-dessus du brûleur à gaz. D'autres pièces et capteurs sont utilisés pour contrôler le chauffage, protéger l'appareil, fournir et allumer le carburant. Selon le type de système d'allumage, les chauffe-eau sont divisés en trois types. L'allumage piézo est un système qui permet de se passer d'allumeur. Un appareil avec un allumeur - fabriqué sous la forme d'une mèche qui brûle constamment. Il est incendié à la main ou avec un interrupteur à bascule. Pas l'appareil le plus pratique, largement utilisé dans les enceintes de la génération précédente. Système d'allumage électrique. Agit sur le principe de l'allumage automobile. La conception de l'appareil comprend une unité d'eau ("grenouille"), qui comprend une membrane et une vanne à gaz, reliées par une tige. La vanne d'alimentation en gaz ne peut s'ouvrir que lorsqu'il y a une bonne pression d'eau sur la membrane. Autrement dit - sans débit d'eau, il est impossible d'alimenter le brûleur en combustible. Entre autres choses, ce système permet d'économiser du gaz.
Pannes majeures
Après avoir compris la structure, vous pouvez considérer les problèmes typiques qui se posent dans de tels appareils.
Blocage de la cheminée
L'une des raisons les plus courantes pour lesquelles l'eau ne chauffe pas peut être un conduit de ventilation bloqué. La cheminée obstruée par des débris n'est pas en mesure de créer un tirage suffisant pour la combustion, c'est pourquoi le système de protection intégré à l'appareil coupe l'alimentation en combustible. En nettoyant la cheminée de la suie et des corps étrangers, vous éliminerez le dysfonctionnement. Vous pouvez vérifier le fonctionnement du système avec une bougie allumée. Amenez-la au puits et suivez la flamme. S'il dévie fortement, alors la poussée est en ordre.
Système d'allumage défectueux
Le deuxième problème le plus courant avec les chauffe-eau est celui des batteries déchargées. Ce problème ne s'applique qu'aux systèmes à allumage automatique. Malgré les affirmations bruyantes des fabricants selon lesquelles leurs batteries durent jusqu'à un an, elles devraient être remplacées plus souvent. En plus d'une simple décharge, la cellule peut s'oxyder ou simplement être défectueuse. Faites-en une règle pour vérifier périodiquement son statut. Pour éliminer la panne, vous devez : vérifier le fonctionnement des clés d'activation du contact ; changer les piles. C'est la procédure la plus simple que vous puissiez faire vous-même.
Faible pression d'eau
Souvent, le chauffe-eau à gaz ne chauffe pas bien l'eau à cause d'un faux déclenchement du système de protection. En raison de la faible pression du liquide sur la membrane, le système n'active pas la vanne d'alimentation en gaz. Il est facile d'identifier le problème : ouvrez le mélangeur et observez le jet d'eau. S'il est faible, cela signifie qu'il y a des problèmes quelque part dans le système d'approvisionnement en eau. Pour résoudre le problème, vous devrez : contacter le service public et clarifier la raison de la faible pression ; nettoyez le système de filtrage de la contamination ou remplacez-le par un nouveau ; déposer une demande de nettoyage de canalisations dans la fonction publique ; nettoyer soigneusement le chauffe-eau à gaz de la suie et de la suie; vérifier les performances de la membrane et la remplacer par une neuve si nécessaire ;
Système d'approvisionnement en eau confus
Un problème assez rare qui se produit lorsque le matériel est mal configuré. Si le chauffe-eau à gaz s'allume mais s'éteint après un certain temps, il est fort probable que l'équilibre du système d'alimentation en liquide froid et chaud a été perturbé. Les experts disent ce qui suit à ce sujet : vous ne devez pas mélanger l'eau froide et l'eau chaude pendant le fonctionnement de la colonne. Cela provoque l'extinction de la flamme du brûleur et contredit également les règles de travail avec l'appareil. La panne peut être corrigée en réduisant la pression du flux d'eau froide.
Usure de la membrane d'étanchéité
Le prochain provocateur d'une panne peut être un diaphragme épuisé dans le clapet anti-retour. Au fil du temps, un travail intense déforme la pièce avec des contraintes constantes. Cela entraîne une perte de sensibilité au niveau de la sonde d'allumage du brûleur, la vanne gaz ne s'ouvre pas et la colonne s'éteint. Il ne sera pas possible d'éviter la situation, même les membranes les plus fiables perdent de leur élasticité avec le temps. Les experts recommandent de remplacer une pièce tous les cinq à sept ans.
Atténuation pendant le fonctionnement
Si un feu s'allume dans la colonne de gaz puis s'éteint pendant le fonctionnement, le capteur bimétallique est en panne. Sa tâche principale est de mesurer la température et de protéger l'appareil d'un échauffement excessif. Une telle panne peut se manifester de différentes manières. La colonne s'allume et fonctionne pendant un certain temps sans incident, puis le brûleur s'éteint sans raison et le travail s'arrête. Les tentatives pour le rallumer échouent. Après 10 minutes, l'appareil peut à nouveau fonctionner, mais bientôt le gaz cessera de circuler. L'explication réside dans la sensibilité excessive du capteur. Les arrêts et allumages sont chaotiques, il est impossible de prévoir les périodes de fonctionnement stable. Cette fois, le problème vient des fils de l'appareil endommagés. Une isolation de conducteur brisée provoquera des courts-circuits sur le boîtier et un fusible grillé. Ce problème est de nature « saisonnière ». La congestion estivale ou les pièces fermées peuvent provoquer une surchauffe de l'appareil, ce qui n'est pas une panne en soi. Essayez de déplacer l'appareil dans un endroit aéré ou consultez un technicien qualifié.
Escalader
La raison banale pour laquelle la colonne chauffe faiblement l'eau peut être une accumulation excessive de tartre sur l'élément chauffant. Avec ce dysfonctionnement, le gaz est fourni de manière stable au brûleur, de l'eau y circule, mais dans de telles conditions, il ne chauffera pas à la température souhaitée. Du tartre se forme à la suite du contact de l'appareil avec de l'eau de mauvaise qualité ou de la combustion au ralenti de l'allumeur. Fonctionnant après l'arrêt du système principal, l'échangeur de chaleur évapore l'eau restante, augmentant ainsi la couche de tartre. Non lavé par les apports d'eau douce, il a le temps de s'installer sur les parois et de prendre fermement pied. Au fil du temps, l'élément chauffant cessera de chauffer et la colonne cessera de fonctionner.
Voici une courte liste des raisons pour lesquelles un chauffe-eau à gaz conventionnel ne chauffe pas l'eau. Certains d'entre eux sont faciles à réparer par vous-même, d'autres nécessitent une intervention professionnelle. N'oubliez pas les précautions lorsque vous travaillez avec des équipements à gaz et suivez toutes les instructions d'un mécanicien professionnel. Entre autres choses, le remplacement rapide des pièces d'usure permettra d'éviter la plupart des pannes.
Détartrage
Un échauffement insuffisant de l'eau peut se produire lorsque du tartre se forme à l'intérieur des chauffe-eau instantanés. Cela peut être nettoyé.
Ainsi, par exemple, le chauffe-eau instantané Oasis de fabrication chinoise le plus simple peut être nettoyé sans le démonter ni le retirer du mur. À l'aide d'une pompe de circulation, faites circuler l'eau avec de l'acide acétique pendant environ 40 minutes pour dissoudre le tartre. Puis bien rincer à l'eau courante. Un autre problème est rencontré lors du fonctionnement de l'Oasis : du coup la colonne se met à chauffer et s'éteint au bout d'un moment. Assurez-vous de nettoyer la cheminée. Et avant l'arrivée d'un spécialiste, vous ne pouvez pas utiliser la colonne. Si le tirage est bon, la colonne Oasis peut être démontée par vous-même et l'échangeur de chaleur peut être nettoyé, il peut y avoir une raison et vous n'aurez pas besoin de réparations supplémentaires.
Les conceptions de tous les chauffe-eau instantanés modernes prévoient un arrêt automatique de l'alimentation en gaz lorsque l'eau est coupée ou que la cheminée est bloquée. Il n'y a donc pas lieu de craindre qu'une fuite de gaz se produise.
Le but principal et principal des chauffe-eau à gaz est le chauffage rapide de l'eau froide dans un appartement ou une maison privée.Mais cet appareil, malgré sa conception relativement simple, nécessite un entretien régulier, sinon il fonctionne de moins en moins bien jusqu'à l'arrêt complet de ses fonctions. Dans une situation où le chauffe-eau à gaz ne chauffe pas l'eau, il existe deux solutions: d'abord, vous pouvez demander conseil et aide à des spécialistes, et la seconde consiste à essayer par vous-même d'effectuer un diagnostic et d'éliminer le dysfonctionnement. Dans ce dernier cas, il faut connaître le principe de fonctionnement d'un chauffe-eau à gaz et comprendre les types de pannes qui pourraient survenir avec l'appareil.
Trous formés dans la membrane
Chaque fois que la colonne est allumée/éteinte, la colonne d'eau appuie contre la membrane. Il se déplace constamment à l'intérieur de l'unité d'eau et ouvre/bloque l'accès au gaz au GGP. En conséquence, le caoutchouc mince de la membrane se rompt rapidement ou se décompose autrement. Des fissures longitudinales ou des trous ronds se forment dessus, ce qui interfère avec le bon fonctionnement de la colonne.
Si le chauffe-eau produit de l'eau chaude ou froide à un certain stade, la première chose à penser est de vérifier et de remplacer la membrane. Il appartient aux consommables. Un technicien qualifié en installera un nouveau en quelques minutes.
Le principe de fonctionnement et les raisons du dysfonctionnement de la colonne de gaz
Le principe de fonctionnement de tout chauffe-eau à gaz, qu'il soit moderne ou ancien soviétique, est très simple. Le gaz est fourni à l'intérieur de l'appareil qui, lors de la combustion, dégage de la chaleur, chauffant l'échangeur de chaleur et le serpentin qui l'entoure, ainsi que l'eau qui s'écoule. Il s'avère que l'eau froide est amenée dans la colonne à partir de l'alimentation en eau, qui se réchauffe en se déplaçant le long du serpentin, et que déjà l'eau chaude se déplace vers le point de prise : un robinet ou une douche. Dans ce cas, les produits de la combustion du gaz sont évacués dans la cheminée et de là dans la rue.
Il peut y avoir de nombreuses raisons pour lesquelles la colonne ne chauffe pas l'eau. Ceux-ci inclus:
- longue absence de maintenance de l'appareil;
- une membrane qui a perdu son élasticité suite à une utilisation prolongée;
- cheminée bouchée;
- usure de l'échangeur de chaleur;
- dysfonctionnement du système d'allumage;
- faible pression d'eau;
- problème dans le système d'approvisionnement en eau;
- formation de tartre;
- brûleur de faible puissance.
Pour que le geyser recommence à chauffer l'eau, il est nécessaire de diagnostiquer l'appareil, d'identifier le dysfonctionnement et de le réparer seul ou avec l'aide d'un spécialiste.
L'entretien n'est pas effectué
Tous les appareils électroménagers nécessitent des contrôles de performance périodiques, le remplacement des pièces usées. Seulement dans ce cas, vous pouvez compter sur un fonctionnement complet à long terme.
Au cours du processus de maintenance, le maître vérifie à la fois l'état extérieur de toutes les unités et leur fonctionnement. Si des défauts sont identifiés, il est plus facile de remplacer un élément que d'acheter un nouveau chauffe-eau plus tard. Un service rapide est une garantie de fonctionnement à long terme sans réparations majeures.
Important! Les chauffe-eau à gaz sont des équipements complexes. Il est nécessaire d'avoir l'expérience et les qualifications appropriées pour vérifier la fonctionnalité. Les tentatives indépendantes de remplacement de pièces, de déconnexion de la conduite de gaz sont strictement interdites. Si votre colonne ne chauffe pas bien l'eau, contactez à Saint-Pétersbourg.
Diagnostique et dépannage
Le diagnostic d'un appareil de chauffage au gaz comprend un examen approfondi de celui-ci pour détecter les causes possibles ayant entraîné une diminution de l'efficacité de l'appareil et leur élimination ultérieure.
La première raison pour laquelle l'eau est à peine chaude ou ne chauffe pas du tout est un blocage de la ventilation de la colonne de gaz.
Important! La cheminée, obstruée par de la fumée, de la suie ou d'autres débris, ne peut pas fournir le tirage nécessaire au fonctionnement, donc les systèmes de protection du chauffe-eau arrêtent l'alimentation en gaz.
Vous pouvez déterminer un tel dysfonctionnement en substituant une allumette allumée au trou de ventilation.Si la flamme brûle uniformément, sans hésitation, cela signifie qu'il n'y a pas de poussée. La chute de flocons de suie noire soutient également cette version. Un autre signe - le feu brûle avec une flamme jaune
... Cette situation se produit lorsque la colonne n'est pas régulièrement nettoyée.
Vous pouvez réparer ce dysfonctionnement de vos propres mains, pour cela vous avez besoin bien nettoyer la ventilation
de la suie, des débris et d'autres objets étrangers. Pour vérifier le tirage de la cheminée après le travail, vous pouvez prendre une bougie allumée ou un briquet et l'amener à la ventilation. Si la flamme dévie de manière significative, il y a une poussée.
Usure de l'échangeur de chaleur
En cas de fonctionnement prolongé, l'échangeur de chaleur s'use et peut sembler fuir
... Ceci est typique des pièces de mauvaise qualité, dans lesquelles l'élément n'est pas en cuivre pur, mais avec des impuretés. Aux endroits d'impuretés, la surface est oxydée et des fistules apparaissent.
Conseils! Si les fissures ou les trous sont petits, vous pouvez essayer de les souder, mais la meilleure solution est de remplacer complètement l'échangeur de chaleur.
Problème de système d'allumage
Si la flamme ne brûle pas dans une colonne Bosch ou Neva à allumage automatique et que l'eau ne chauffe pas, il est nécessaire de vérifier l'état des batteries. Elles ont tendance à décharger régulièrement et échouer
et aussi parfois s'oxyder. Dans certains cas, vous pouvez obtenir des piles défectueuses. Pour vérifier le système d'allumage, vous devez changer les piles et, si le problème persiste, diagnostiquer le bouton qui fournit l'étincelle pour allumer le gaz.
Tête insuffisante
Parfois, le chauffe-eau à gaz peut ne pas remplir ses fonctions en raison du fait que le système de protection contre l'activation sans eau est déclenché
... Cela peut se produire avec une mauvaise pression dans les tuyaux de l'alimentation en eau centralisée. Pour être sûr de cette raison, vous devez ouvrir le robinet d'eau froide et regarder le ruisseau. S'il ne coule vraiment pas bien, il y a des problèmes dans le système d'alimentation en eau.
Pour remédier à la situation, vous devez d'abord appeler le service public et savoir s'il effectue des travaux d'entretien ou de réparation. Si la réponse est négative, alors nettoyer les filtres à l'entrée du chauffe-eau à gaz et/ou du système d'alimentation en eau de la maison
de la saleté et des débris.
Conseils! Pour dégager les canalisations des blocages dans un immeuble à appartements, vous devez faire une demande au service public.
En plus de ces actions, vous devez nettoyer le chauffe-eau à gaz de la suie et de la poussière
, vérifiez également l'intégrité et le bon fonctionnement de la membrane et, si nécessaire, installez une nouvelle pièce.
Perturbations de l'approvisionnement en eau
Une telle panne est rare et indique un mauvais réglage du chauffe-eau. Si un la flamme s'allume, mais s'éteint immédiatement ou peu de temps après
, cela indique un déséquilibre dans le système d'alimentation en eau chaude et froide.
Conseils! Sur de nombreux forums, vous pouvez lire l'avis d'experts selon lequel il n'est pas recommandé de mélanger de l'eau froide avec de l'eau chaude pendant le fonctionnement du chauffe-eau, car cela n'est pas conforme aux règles de fonctionnement de l'appareil et conduit également à la flamme mourir.
Pour éliminer un tel dysfonctionnement, vous devez réduire le débit d'eau froide.
Membrane d'étanchéité défectueuse
Si la membrane installée dans le clapet anti-retour a fonctionné pendant longtemps, cela peut provoquer un dysfonctionnement de la colonne de gaz. En raison des charges régulières et du travail constant, il est courant que le nœud se déforme. En conséquence, le capteur d'allumage du brûleur devient moins sensible, le gaz ne s'écoule pas vers le brûleur et la flamme s'éteint. Il est impossible d'empêcher une telle panne, même les membranes de la plus haute qualité perdent progressivement leur élasticité en cours de fonctionnement. Les fabricants de colonnes, comme les spécialistes du service après-vente, conseillent de remplacer cette pièce tous les cinq à sept ans
travail permanent.
Vous pouvez vous assurer que la cause de la panne se situe précisément dans la membrane en ouvrant le débit d'eau au maximum. Si le brûleur à gaz s'éteint, le diagnostic peut être considéré comme confirmé. Pour résoudre le problème, vous aurez besoin remplacer la pièce
.
La flamme s'éteint
Si le chauffe-eau à gaz s'allume correctement, mais s'éteint pendant le fonctionnement, cela peut indiquer rupture du capteur bimétallique
... Il est conçu pour mesurer la température afin de protéger le chauffe-eau de la surchauffe. Un tel dysfonctionnement peut se manifester de différentes manières.
- Dans certains cas, l'appareil s'allume, chauffe l'eau, mais s'éteint rapidement et il est impossible de le redémarrer. Après une dizaine de minutes, la colonne se rallume, fonctionne et s'éteint après un court instant. Ceci est expliqué sensibilité accrue du capteur bimétallique
. - Dans d'autres cas, la colonne s'allume et après un temps arbitraire s'éteint sans dépendance visible. Il est impossible de deviner combien de temps il fonctionnera correctement. Cette panne est généralement causée par câblage endommagé
... En raison d'une rupture d'isolation, des courts-circuits se produisent vers le boîtier et le fusible se déclenche également.
Important! Les pannes dans le fonctionnement du capteur bimétallique ne peuvent pas être éliminées par vous-même. Dans cette situation, vous devez demander l'aide de professionnels.
Dans certains cas, une surchauffe de l'appareil se produit en été en raison de la chaleur extrême
et étouffement dans la salle de bain (ou dans une autre pièce). Ce n'est pas un défaut, mais pour éviter les coupures de courant, l'enceinte peut être déplacée dans une autre pièce ou vous pouvez demander conseil à un professionnel.
Escalader
Une autre raison pour laquelle une colonne Beretta, Junkers, Vektor ou autre fabricant ne chauffe pas l'eau ou ne chauffe pas, mais très mal, est le tartre sur l'échangeur de chaleur. Dans ce cas, le gaz pénètre dans l'appareil dans le volume requis, la pression est bonne et l'eau se déplace dans le système dans la quantité requise, mais elle ne pourra pas se réchauffer à plus de 34 degrés.
L'apparition de tartre est due au contact d'éléments métalliques d'équipements avec de l'eau dure ou au fonctionnement de l'allumeur. Une fois que le système central est éteint, mais que l'allumeur est allumé, l'échangeur de chaleur évapore l'humidité restante
, augmentant ainsi la quantité de calcaire. Étant donné que l'eau courante n'élimine pas cette plaque, elle s'accumule et adhère étroitement aux murs. Lorsqu'il y a beaucoup de tartre, l'échangeur de chaleur cesse de chauffer, ce qui signifie que la colonne cesse de chauffer l'eau. Pour réparer la panne, il est nécessaire de rincer l'élément chauffant dans une solution spéciale. Pour ce faire, vous pouvez contacter un spécialiste ou essayer de le faire vous-même.
Conseils! Pour nettoyer l'échangeur de chaleur du tartre, vous aurez besoin d'un agent spécial. Vous pouvez utiliser des produits chimiques ménagers qui éliminent le calcaire, ou vous pouvez utiliser du vinaigre de table ou de l'acide citrique.
Pour démonter la colonne, vous avez besoin de tournevis, d'un jeu de clés, de joints en silicone correspondant au diamètre du tuyau, ainsi que d'un tube et d'un entonnoir pour verser la solution dans l'échangeur de chaleur. Donc pour démontage du chauffe eau
vous devez retirer les régulateurs et autres raccords, dévisser les attaches et retirer le boîtier, puis fermer le robinet à l'entrée de l'appareil et ouvrir la vanne d'eau chaude située près de la colonne. Ensuite, dévissez l'écrou, retirez le tuyau d'arrivée d'eau de l'échangeur de chaleur et vidangez l'eau restante, dont la quantité peut aller d'un litre à un litre et demi.
Après cela, il est nécessaire de connecter un tube en caoutchouc avec un entonnoir à la bobine, de le placer au-dessus de l'appareil et progressivement verser jusqu'à deux litres de solution détartrante
... Le montant dépend de la capacité du chauffe-eau. Ensuite, vous devez garder le liquide à l'intérieur pendant au moins deux heures et demie, mieux - plus longtemps.Une fois le temps imparti écoulé, vous devez connecter le serpentin à l'alimentation en eau, ouvrir le robinet d'eau chaude et vidanger le liquide résiduaire. Ensuite, vous devez rincer le système et, si vous le souhaitez, répéter la procédure de nettoyage.
Conseils! Pour éviter la formation de tartre, il est recommandé d'installer un filtre de protection à l'entrée de la colonne.
Que pouvez vous faire d'autre?
- Pour augmenter la température de l'eau qui coule du robinet, vous pouvez procéder comme suit : tournez le régulateur complètement vers la droite, puis ouvrez le robinet avec de l'eau à moitié seulement. Au fur et à mesure que le mouvement de l'eau ralentit, elle se réchauffera mieux.
- Il ne sera pas superflu de vérifier la pression dans les canalisations de gaz ou dans la bouteille. Mais vous ne devriez pas le faire vous-même - il est préférable de demander l'aide d'un professionnel.
- L'eau peut rester fraîche si le mélangeur ajoute de l'eau froide à celle déjà chauffée. Comparez (au toucher) la température de l'eau du robinet à la température du tuyau de sortie. Si l'eau est plus froide, le problème vient du mélangeur.
- Si la température de l'eau du robinet "saute" tout le temps et que la colonne de gaz elle-même s'éteint périodiquement, le mélangeur ou le filtre peut être bouché. Tous ces éléments, ainsi que la pomme de douche, doivent être vérifiés de temps en temps pour les dépôts de calcaire et de rouille.
Article connexe : Murs plâtrés avec grillage
Si le chauffe-eau à gaz ne chauffe pas l'eau, ne s'allume pas et ne s'allume pas, mais que l'allumeur est allumé, regardez la vidéo de la chaîne sur Youtube "Réparation d'équipements à gaz". Très probablement, cela aidera à résoudre le problème.
Prévention des pannes
Pour éviter des problèmes de fonctionnement du chauffe-eau à gaz, il est nécessaire d'effectuer sa prévention au moins une fois par an.
... Pour ces procédures, il est recommandé d'appeler des professionnels, mais si vous souhaitez économiser de l'argent et effectuer vous-même ces actions, vous devez démonter l'appareil après avoir coupé l'alimentation en gaz et le nettoyer soigneusement de l'intérieur avec une brosse. ou chiffon. Pour améliorer l'effet, vous pouvez utiliser un aspirateur.
Conseils! En plus de la colonne, vous devez inspecter et nettoyer la cheminée, car si elle est bouchée, même un chauffe-eau propre ne fonctionnera pas. En plus d'éliminer la suie et la suie, il est nécessaire de nettoyer périodiquement l'échangeur de chaleur du tartre, surtout si l'allumeur brûle régulièrement tout au long de la journée.
Ainsi, si le chauffe-eau à gaz ne chauffe pas bien l'eau ou ne la chauffe pas du tout, il est nécessaire de diagnostiquer l'appareil pour identifier la cause du dysfonctionnement. Ce problème peut être causé par de nombreuses pannes de ce type de chauffe-eau, dont plusieurs surviennent en raison du manque d'entretien préventif régulier de l'appareil. Une fois qu'un dysfonctionnement est détecté, vous pouvez essayer de le réparer vous-même ou demander l'aide de spécialistes si vous n'avez pas confiance en vos propres capacités.
Raisons du manque de chauffage de l'eau
- Dépôts de saleté à l'extérieur de l'échangeur de chaleur. Un échangeur de chaleur est une sorte de réservoir métallique dans lequel l'eau est chauffée. Comme il est en contact avec les produits de combustion, une épaisse couche de suie peut se former sur ses parois extérieures, ce qui empêche l'eau de chauffer à la température souhaitée.
- Flamme du brûleur pas assez forte. Parfois, la puissance de chauffage n'est pas suffisante pour que l'eau dans l'échangeur de chaleur atteigne la température définie. Si la flamme dans le brûleur est constamment basse, cela indique un dysfonctionnement de la membrane, ce qui entraîne une pression insuffisante de la tige sur la vanne à gaz.
- L'échangeur de chaleur surchauffe constamment. Ceci est probablement dû à un défaut de fabrication. En l'absence de contrôle de la température dans l'échangeur de chaleur, une épaisse couche de tartre se dépose sur ses parois, ce qui empêche son fonctionnement normal.
- Faible niveau de pression dans les conduites de gaz. C'est un problème qui n'a rien à voir avec le fonctionnement du chauffe-eau, puisque des facteurs externes sont à blâmer. Si vous pensez que la pression dans la conduite de gaz est insuffisante, contactez le service de gaz.
- Négligence de la prévention et de l'entretien. En l'absence de soins appropriés et de réparations en temps opportun, des dysfonctionnements se produisent inévitablement lors du fonctionnement de l'équipement à gaz. Si le chauffe-eau à gaz est en mauvais état technique, il ne sera pas en mesure de fournir une bonne pression et la température d'eau requise.
Article lié : Placoplatre
Les meilleurs chauffe-eau à gaz de 2020
Chauffe-eau instantané Zanussi GWH 10 Fonte Glass La Spezia sur le marché Yandex
Chauffe-eau instantané Mora Vega 10 sur le marché Yandex
Chauffe-eau instantané Zerten S-20 sur le marché Yandex
Chauffe-eau instantané Rinnai RW-14BF sur le marché Yandex
Chauffe-eau instantané BaltGaz Comfort 15 sur Yandex Market
Partout où il y a une alimentation en eau et une alimentation en gaz centralisée, le meilleur moyen d'obtenir de l'eau chaude est de la chauffer avec une colonne de gaz. Aujourd'hui, c'est la méthode la moins chère pour fournir de l'eau chaude sanitaire. De plus, le volume d'alimentation en eau chaude dans ce cas est pratiquement illimité. Malheureusement, des situations surviennent lorsque l'équipement d'eau chaude commence à mal fonctionner. Comment déterminer la cause du dysfonctionnement de la colonne de gaz et que faire pour rétablir le fonctionnement de l'appareil à gaz seront discutés ci-dessous.
Comment fonctionne un chauffe-eau à gaz à circulation
Afin de mieux comprendre les causes possibles de panne, il convient de connaître au moins superficiellement la structure de l'équipement et le principe de son fonctionnement. Malgré le fait que les chauffe-eau à gaz modernes sont très divers à la fois extérieurement et dans la conception des unités individuelles, ils diffèrent fondamentalement peu. Tous les chauffe-eau instantanés ont les unités de travail et les conceptions de base suivantes :
- corps;
- ensemble de brûleurs (principal et allumeur);
- échangeur de chaleur tubulaire;
- unité de contrôle automatique;
- sortie d'échappement;
- raccords pour réglage manuel.
Le démarrage du fonctionnement du chauffe-eau instantané se produit selon le schéma suivant. Lorsque l'un des robinets d'eau chaude s'ouvre, la pression dans la canalisation change, à laquelle réagit le capteur correspondant. Ensuite, le signal va au système de contrôle automatique du chauffe-eau. Il permet au gaz d'entrer dans le brûleur central. L'allumage du vecteur énergétique se produit à partir de la flamme de l'allumeur, qui, à son tour, s'allume automatiquement dans certains modèles (allumage électrique) ou manuellement à l'aide d'un générateur piézo à étincelles mécanique.
L'automatisation du chauffe-eau à gaz assure plusieurs fonctions de protection. Par conséquent, le chauffe-eau ne démarrera pas ou ne cessera pas de fonctionner dans les situations :
- surchauffe de l'échangeur de chaleur;
- manque de traction suffisante;
- faible pression d'eau.
Ceci doit être pris en compte si soudainement la colonne commence à mal fonctionner sans raison apparente. En plus de ce qui précède, il existe un certain nombre de facteurs qui affectent la qualité de fonctionnement d'un chauffe-eau instantané. Ensuite, nous examinerons les principaux problèmes pouvant survenir lors du fonctionnement de l'appareil, ainsi que les causes des pannes et comment les éliminer.
Tartre dans l'échangeur de chaleur
Si l'eau utilisée est dure, ce problème peut survenir assez rapidement après l'utilisation d'une nouvelle colonne. Augmente le taux de formation de dépôts de sel sur les parois de l'échangeur de chaleur tubulaire et la température élevée de l'eau chauffée. Par conséquent, si ces deux facteurs ont lieu, et en même temps la tête chaude dans le robinet devient de moins en moins (par rapport à la froide) et l'eau se réchauffe moins bien, il faut soupçonner une augmentation progressive de l'épaisseur de le dépôt de sel sur la surface intérieure du tube de l'échangeur de chaleur. En outre, un blocage complet de la section du tube de cuivre peut se produire.
Il est possible de se débarrasser de l'échelle, mais vous devez travailler un peu vous-même ou inviter un spécialiste pour cela. Si vous avez confiance en vos propres capacités, vous pouvez essayer de nettoyer l'échangeur de chaleur vous-même. En tant que réactif capable de dissoudre la plaque formée, vous pouvez utiliser :
- un des détartrants de l'usine ;
- vinaigre de table;
- solution d'acide citrique de qualité alimentaire.
Pour le travail, vous aurez besoin de :
- des clés plates et un jeu de tournevis ;
- joints en silicone ou en paronite (selon le diamètre de la section du tuyau);
- tube en caoutchouc de diamètre approprié avec entonnoir pour remplir le liquide.
Pour accéder au serpentin de l'échangeur de chaleur et le rincer, vous devez suivre ces étapes dans l'ordre.
- Retirez toutes les poignées et autres éléments de quincaillerie.
- Démonter le boîtier.
- Coupez l'arrivée d'eau à l'entrée.
- Ouvrez le robinet d'eau chaude le plus proche du chauffe-eau à gaz.
- Retirez le tuyau d'arrivée d'eau de l'échangeur de chaleur en dévissant d'abord l'écrou du raccord et vidangez l'eau (jusqu'à 1,5 litre).
- Connectez un tube en caoutchouc à l'entrée du serpentin, soulevez son autre extrémité au-dessus du niveau de l'appareil à gaz et versez progressivement le fluide de travail à travers l'entonnoir (jusqu'à 2 litres, selon la puissance de l'appareil).
Le liquide doit être dans l'échangeur de chaleur pendant au moins 2,5 heures. Si le temps le permet, vous pouvez prolonger la procédure. Ensuite, vous connectez le serpentin à l'alimentation en eau, reprenez l'alimentation en eau et observez ce qui va s'écouler du robinet chaud ouvert (eau blanchâtre trouble avec des impuretés de flocons). Après le rinçage, vous pouvez répéter le cycle de nettoyage pour vous en assurer.
Le chauffe-eau à gaz ne peut pas être démarré
Si de tels problèmes sont survenus, plusieurs raisons peuvent être suspectées à l'origine de la panne, telles que :
- les piles du système d'allumage de l'allumeur sont mortes ;
- le tirage dans la cheminée a disparu;
- faible pression d'eau.
Dans le premier cas, tout est simple: vous devez remplacer les batteries défectueuses et tout fonctionnera.
Le manque de traction peut être vérifié avec une allumette allumée, qui doit être amenée à la fenêtre de la colonne. Si la flamme dévie vers le trou du boîtier, tout est en ordre, il y a un courant d'air. Si cela ne se produit pas, vous devez penser à l'obstruction des conduits d'évacuation des fumées. Cela se produit lorsque la cheminée est obstruée par de la suie ou qu'un objet étranger s'y infiltre. Dans tous les cas, il est nécessaire de restaurer la lumière normale du canal d'évacuation des fumées.
Si les batteries sont en bon état, et qu'il n'y a pas de problème de tirage, il ne reste qu'une pression d'eau insuffisante, que l'automatisme ne perçoit pas, afin de donner l'ordre aux unités de travail de l'équipement de chauffage de l'eau de démarrer le travail. Il est facile de vérifier l'existence de cette raison particulière. Il suffit d'ouvrir le robinet d'eau chaude et d'évaluer l'intensité du jet d'eau. Si la pression est tout aussi faible dans un robinet froid et dans un robinet chaud, il y a des problèmes à l'extérieur de l'appartement ou de la maison. Lorsque, avec une bonne tête froide, le chaud est sensiblement plus faible, il faut penser qu'un tuyau est bouché quelque part (moins probable), ou des problèmes à l'entrée d'eau dans la colonne.
Dans le second cas, vous devez démonter le bloc d'eau du chauffe-eau à gaz et nettoyer le filtre à mailles encrassé ou remplacer la membrane déformée de la vanne d'entrée.
Le brûleur s'allume, puis s'éteint peu de temps après.
La principale raison qui peut conduire à une telle panne est le mauvais contact des éléments du thermocouple et de l'électrovanne qui régule le débit de gaz vers le brûleur principal. Dans ce cas, vous devez accéder aux appareils nommés et nettoyer les contacts.
Aussi, une telle situation peut survenir lorsque certains éléments de l'unité de contrôle automatique du geyser tombent en panne. Si l'automatisme est cassé, il vaut mieux faire appel à un spécialiste pour le réparer.
La colonne ne chauffe pas bien l'eau
Si un tel problème existe initialement, immédiatement après le démarrage du nouveau dispositif, cela signifie que le dispositif de chauffage de l'eau à gaz est sélectionné avec une puissance insuffisante. Pour éviter une situation où le chauffe-eau à gaz ne chauffe pas l'eau, consultez des spécialistes avant d'acheter de l'équipement.
Si la colonne commence à chauffer mal pendant le fonctionnement, cela signifie que quelque chose ne va pas avec le brûleur. Bien que vous deviez d'abord exclure la probabilité de formation de tartre à l'intérieur de l'échangeur de chaleur, comme décrit ci-dessus.Si le brûleur se salit, la couleur de la flamme change, de la suie apparaît, il vaut mieux ne pas toucher la colonne vous-même, mais confier le nettoyage et la restauration de ses performances au maître.
Sur certains modèles de chauffe-eau à gaz, il est possible de régler le volume de gaz entrant dans le brûleur. Peut-être que le problème du chauffage insuffisant de l'eau peut être résolu en augmentant le flux d'énergie.
De plus, l'eau chauffera faiblement s'il y a une forte pression dans le système et, par conséquent, la vitesse de passage du liquide à travers le serpentin de l'échangeur de chaleur. Dans ce cas, l'eau n'a tout simplement pas le temps de se réchauffer à la température souhaitée. Il est possible de corriger la situation en fermant le robinet à l'entrée de la colonne, réduisant ainsi la pression.
Il y a une fuite dans la colonne
En cas de fuite d'eau, deux types de panne peuvent être suspectés :
- les joints des raccords existants sont devenus inutilisables ;
- la corrosion a «rongé» la fistule dans la paroi de l'échangeur de chaleur en cuivre.
La première option n'est pas très difficile à réparer. Il est nécessaire de trouver la connexion problématique et de remplacer le joint par un nouveau. Mieux vaut mettre un joint en silicone, qui est plus fiable et dure beaucoup plus longtemps. Il est logique de remplacer les joints non seulement à l'endroit de la fuite, mais également dans le reste des connexions, de sorte qu'après un certain temps, vous ne soyez pas confronté au même problème, mais à un endroit différent.
La section qui fuit du tube de cuivre peut être soudée de manière à ne pas changer tout l'échangeur de chaleur coûteux.
Cependant, le brasage du cuivre est un métier spécifique, par conséquent, il n'y a pas de moyen sans compétences. Il faut donc inviter un professionnel. Dans tous les cas, cela reviendra beaucoup moins cher que d'acheter une nouvelle bobine.
Conclusion
Bien que les chauffe-eau à gaz soient fiables et tombent rarement en panne, des situations d'urgence surviennent avec ces produits. Si des problèmes surviennent, vous devez d'abord rechercher la cause de la panne, puis ensuite procéder aux mesures de réparation. Et rappelez-vous que si vous n'avez pas confiance en vos propres capacités, il vaut mieux ne pas prendre d'action indépendante. Premièrement, le produit n'est pas bon marché, et deuxièmement, il ne faut pas plaisanter avec le gaz.
Le principal avantage du chauffe-eau à gaz est la présence constante d'eau chaude dans l'appartement ou la maison. Leur installation est particulièrement pertinente maintenant, alors qu'il y a des problèmes constants avec l'approvisionnement en eau centralisé, et qu'il est très coûteux d'installer des chauffe-eau électriques. Tout cela est bien, mais avec les colonnes, comme avec toute technique, des problèmes surviennent parfois, par exemple, la colonne ne chauffe pas l'eau. Pourquoi cela se produit-il et que faire dans ce cas?
Dysfonctionnements de la colonne de gaz
Partout où il y a une alimentation en eau et une alimentation en gaz centralisée, le meilleur moyen d'obtenir de l'eau chaude est de la chauffer avec une colonne de gaz. Aujourd'hui, c'est la méthode la moins chère pour fournir de l'eau chaude sanitaire. De plus, le volume d'alimentation en eau chaude dans ce cas est pratiquement illimité. Malheureusement, des situations surviennent lorsque l'équipement d'eau chaude commence à mal fonctionner. Comment déterminer la cause du dysfonctionnement de la colonne de gaz et que faire pour rétablir le fonctionnement de l'appareil à gaz seront discutés ci-dessous.

Comment fonctionne un chauffe-eau à gaz à circulation
Afin de mieux comprendre les causes possibles de panne, il convient de connaître au moins superficiellement la structure de l'équipement et le principe de son fonctionnement. Malgré le fait que les chauffe-eau à gaz modernes sont très divers à la fois extérieurement et dans la conception des unités individuelles, ils diffèrent fondamentalement peu. Tous les chauffe-eau instantanés ont les unités de travail et les conceptions de base suivantes :
- corps;
- ensemble de brûleurs (principal et allumeur);
- échangeur de chaleur tubulaire;
- unité de contrôle automatique;
- sortie d'échappement;
- raccords pour réglage manuel.
Le démarrage du fonctionnement du chauffe-eau instantané se produit selon le schéma suivant. Lorsque l'un des robinets d'eau chaude s'ouvre, la pression dans la canalisation change, à laquelle réagit le capteur correspondant.Ensuite, le signal va au système de contrôle automatique du chauffe-eau. Il permet au gaz d'entrer dans le brûleur central. L'allumage du vecteur énergétique se produit à partir de la flamme de l'allumeur, qui, à son tour, s'allume automatiquement dans certains modèles (allumage électrique) ou manuellement à l'aide d'un générateur piézo à étincelles mécanique.


L'automatisation du chauffe-eau à gaz assure plusieurs fonctions de protection. Par conséquent, le chauffe-eau ne démarrera pas ou ne cessera pas de fonctionner dans les situations :
- surchauffe de l'échangeur de chaleur;
- manque de traction suffisante;
- faible pression d'eau.
Ceci doit être pris en compte si soudainement la colonne commence à mal fonctionner sans raison apparente. En plus de ce qui précède, il existe un certain nombre de facteurs qui affectent la qualité de fonctionnement d'un chauffe-eau instantané. Ensuite, nous examinerons les principaux problèmes pouvant survenir lors du fonctionnement de l'appareil, ainsi que les causes des pannes et comment les éliminer.
Tartre dans l'échangeur de chaleur
Si l'eau utilisée est dure, ce problème peut survenir assez rapidement après l'utilisation d'une nouvelle colonne. Augmente le taux de formation de dépôts de sel sur les parois de l'échangeur de chaleur tubulaire et la température élevée de l'eau chauffée. Par conséquent, si ces deux facteurs ont lieu, et en même temps la tête chaude dans le robinet devient de moins en moins (par rapport à la froide) et l'eau se réchauffe moins bien, il faut soupçonner une augmentation progressive de l'épaisseur de le dépôt de sel sur la surface intérieure du tube de l'échangeur de chaleur. En outre, un blocage complet de la section du tube de cuivre peut se produire.


Il est possible de se débarrasser de l'échelle, mais vous devez travailler un peu vous-même ou inviter un spécialiste pour cela. Si vous avez confiance en vos propres capacités, vous pouvez essayer de nettoyer l'échangeur de chaleur vous-même. En tant que réactif capable de dissoudre la plaque formée, vous pouvez utiliser :
- un des détartrants de l'usine ;
- vinaigre de table;
- solution d'acide citrique de qualité alimentaire.
Pour le travail, vous aurez besoin de :
- des clés plates et un jeu de tournevis ;
- joints en silicone ou en paronite (selon le diamètre de la section du tuyau);
- tube en caoutchouc de diamètre approprié avec entonnoir pour remplir le liquide.
Pour accéder au serpentin de l'échangeur de chaleur et le rincer, vous devez suivre ces étapes dans l'ordre.
- Retirez toutes les poignées et autres éléments de quincaillerie.
- Démonter le boîtier.
- Coupez l'arrivée d'eau à l'entrée.
- Ouvrez le robinet d'eau chaude le plus proche du chauffe-eau à gaz.
- Retirez le tuyau d'arrivée d'eau de l'échangeur de chaleur en dévissant d'abord l'écrou du raccord et vidangez l'eau (jusqu'à 1,5 litre).
- Connectez un tube en caoutchouc à l'entrée du serpentin, soulevez son autre extrémité au-dessus du niveau de l'appareil à gaz et versez progressivement le fluide de travail à travers l'entonnoir (jusqu'à 2 litres, selon la puissance de l'appareil).
Le liquide doit être dans l'échangeur de chaleur pendant au moins 2,5 heures. Si le temps le permet, vous pouvez prolonger la procédure. Ensuite, vous connectez le serpentin à l'alimentation en eau, reprenez l'alimentation en eau et observez ce qui va s'écouler du robinet chaud ouvert (eau blanchâtre trouble avec des impuretés de flocons). Après le rinçage, vous pouvez répéter le cycle de nettoyage pour vous en assurer.
Le chauffe-eau à gaz ne peut pas être démarré
Si de tels problèmes sont survenus, plusieurs raisons peuvent être suspectées à l'origine de la panne, telles que :
- les piles du système d'allumage de l'allumeur sont mortes ;
- le tirage dans la cheminée a disparu;
- faible pression d'eau.
Dans le premier cas, tout est simple: vous devez remplacer les batteries défectueuses et tout fonctionnera.
Le manque de traction peut être vérifié avec une allumette allumée, qui doit être amenée à la fenêtre de la colonne. Si la flamme dévie vers le trou du boîtier, tout est en ordre, il y a un courant d'air. Si cela ne se produit pas, vous devez penser à l'obstruction des conduits d'évacuation des fumées. Cela se produit lorsque la cheminée est obstruée par de la suie ou qu'un objet étranger s'y infiltre. Dans tous les cas, il est nécessaire de restaurer la lumière normale du canal d'évacuation des fumées.


Si les batteries sont en bon état, et qu'il n'y a pas de problème de tirage, il ne reste qu'une pression d'eau insuffisante, que l'automatisme ne perçoit pas, afin de donner l'ordre aux unités de travail de l'équipement de chauffage de l'eau de démarrer le travail. Il est facile de vérifier l'existence de cette raison particulière. Il suffit d'ouvrir le robinet d'eau chaude et d'évaluer l'intensité du jet d'eau. Si la pression est tout aussi faible dans un robinet froid et dans un robinet chaud, il y a des problèmes à l'extérieur de l'appartement ou de la maison. Lorsque, avec une bonne tête froide, le chaud est sensiblement plus faible, il faut penser qu'un tuyau est bouché quelque part (moins probable), ou des problèmes à l'entrée d'eau dans la colonne.
Dans le second cas, vous devez démonter le bloc d'eau du chauffe-eau à gaz et nettoyer le filtre à mailles encrassé ou remplacer la membrane déformée de la vanne d'entrée.
Le brûleur s'allume, puis s'éteint peu de temps après.
La principale raison qui peut conduire à une telle panne est le mauvais contact des éléments du thermocouple et de l'électrovanne qui régule le débit de gaz vers le brûleur principal. Dans ce cas, vous devez accéder aux appareils nommés et nettoyer les contacts.
Aussi, une telle situation peut survenir lorsque certains éléments de l'unité de contrôle automatique du geyser tombent en panne. Si l'automatisme est cassé, il vaut mieux faire appel à un spécialiste pour le réparer.
La colonne ne chauffe pas bien l'eau
Si un tel problème existe initialement, immédiatement après le démarrage du nouveau dispositif, cela signifie que le dispositif de chauffage de l'eau à gaz est sélectionné avec une puissance insuffisante. Pour éviter une situation où le chauffe-eau à gaz ne chauffe pas l'eau, consultez des spécialistes avant d'acheter de l'équipement.
Si la colonne commence à chauffer mal pendant le fonctionnement, cela signifie que quelque chose ne va pas avec le brûleur. Bien que vous deviez d'abord exclure la probabilité de formation de tartre à l'intérieur de l'échangeur de chaleur, comme décrit ci-dessus. Si le brûleur se salit, la couleur de la flamme change, de la suie apparaît, il vaut mieux ne pas toucher la colonne vous-même, mais confier le nettoyage et la restauration de ses performances au maître.
Sur certains modèles de chauffe-eau à gaz, il est possible de régler le volume de gaz entrant dans le brûleur. Peut-être que le problème du chauffage insuffisant de l'eau peut être résolu en augmentant le flux d'énergie.
De plus, l'eau chauffera faiblement s'il y a une forte pression dans le système et, par conséquent, la vitesse de passage du liquide à travers le serpentin de l'échangeur de chaleur. Dans ce cas, l'eau n'a tout simplement pas le temps de se réchauffer à la température souhaitée. Il est possible de corriger la situation en fermant le robinet à l'entrée de la colonne, réduisant ainsi la pression.
Il y a une fuite dans la colonne
En cas de fuite d'eau, deux types de panne peuvent être suspectés :
- les joints des raccords existants sont devenus inutilisables ;
- la corrosion a «rongé» la fistule dans la paroi de l'échangeur de chaleur en cuivre.
La première option n'est pas très difficile à réparer. Il est nécessaire de trouver la connexion problématique et de remplacer le joint par un nouveau. Mieux vaut mettre un joint en silicone, qui est plus fiable et dure beaucoup plus longtemps. Il est logique de remplacer les joints non seulement à l'endroit de la fuite, mais également dans le reste des connexions, de sorte qu'après un certain temps, vous ne soyez pas confronté au même problème, mais à un endroit différent.
La section qui fuit du tube de cuivre peut être soudée de manière à ne pas changer tout l'échangeur de chaleur coûteux. Cependant, le brasage du cuivre est un métier spécifique, par conséquent, il n'y a pas de moyen sans compétences. Il faut donc inviter un professionnel. Dans tous les cas, cela reviendra beaucoup moins cher que d'acheter une nouvelle bobine.
Conclusion
Bien que les chauffe-eau à gaz soient fiables et tombent rarement en panne, des situations d'urgence surviennent avec ces produits. Si des problèmes surviennent, vous devez d'abord rechercher la cause de la panne, puis ensuite procéder aux mesures de réparation. Et rappelez-vous que si vous n'avez pas confiance en vos propres capacités, il vaut mieux ne pas prendre d'action indépendante.Premièrement, le produit n'est pas bon marché, et deuxièmement, il ne faut pas plaisanter avec le gaz.
Choisir une colonne de gaz


Pour que le chauffe-eau à gaz serve le plus longtemps possible, il est nécessaire de le choisir correctement. Aujourd'hui, il existe sur le marché une technique qui n'a pas besoin d'être allumée avec des allumettes comme avant, et qui permet de chauffer de l'eau même avec une pression minimale. En même temps, il a une apparence plutôt attrayante et une taille compacte. Ainsi, les chauffe-eau à gaz peuvent être divisés en trois types. Ce sont des enceintes à allumage électrique, manuel et piezo. La technique à allumage manuel est très rare aujourd'hui, si ce n'est qu'elle est restée de l'époque soviétique. Le geyser à allumage piézo peut fonctionner aussi bien sur accumulateur que sur piles. Pour l'allumer, vous devez appuyer sur un bouton du panneau, à la suite duquel une étincelle apparaît, qui allume le feu. Pour le fonctionnement ultérieur, cela n'a pas besoin d'être fait, car l'équipement s'allumera indépendamment avec l'inclusion d'eau dans le robinet.
Sur quoi rester ?


Les haut-parleurs à allumage électrique sont peut-être les plus fiables aujourd'hui. Pour leur fonctionnement, ni allumettes ni boutons supplémentaires ne sont nécessaires. La technique elle-même s'allume lorsque la source d'eau est allumée et s'éteint également, ce qui économise du gaz. Les brûleurs à gaz en colonnes peuvent avoir une puissance à la fois variable et constante. S'il y a une puissance constante, vous devez réguler indépendamment la température en fonction de la pression, et si la puissance de la technologie est variable, la température de l'eau changera indépendamment en fonction de la pression.
Pourquoi le chauffe-eau à gaz ne chauffe-t-il pas l'eau ?
Il peut y avoir plusieurs raisons pour lesquelles le geyser ne chauffe pas ou ne chauffe pas suffisamment l'eau. Par exemple, cela peut entraîner des performances médiocres. Pour résoudre ce problème, vous devez lire attentivement les instructions existantes. Il peut être nécessaire de remplacer l'unité existante par une plus récente. Aussi, la raison pour laquelle l'équipement ne chauffe pas peut être son colmatage. Les signes d'un blocage sont une flamme jaune inhabituelle et de la suie sous l'appareil.
De plus, la raison pour laquelle l'appareil ne chauffe pas l'eau peut être une faible pression de gaz. Pour résoudre ce problème, vous devez appeler un contremaître de la section gaz, qui peut vérifier le dysfonctionnement à l'aide d'appareils spéciaux. De plus, si la colonne de gaz ne chauffe pas le liquide, il est nécessaire de vérifier le tirage dans la cheminée. Il peut être bouché et doit être nettoyé. D'autres raisons pour lesquelles l'unité ne chauffe pas peuvent être un dysfonctionnement de l'unité de gaz, du capteur de combustion ou du capteur de sécurité. Pour les éliminer, vous devez appeler l'assistant.
Si le chauffe-eau ne chauffe pas bien l'eau, vérifiez si vous la vidangez avant qu'elle ne chauffe ? Selon le modèle de chaudière (son volume, puissance de l'élément chauffant), il faudra compter 2 à 4 heures pour chauffer l'eau. La tension d'entrée du réseau électrique compte également. Si une telle "précipitation" est exclue, vous devez rechercher les causes de la panne.
La colonne de gaz ne s'enflamme pas
La raison la plus courante pour laquelle la colonne de gaz ne s'enflamme pas peut simplement être le manque de tirage dans la gaine de ventilation. Il est possible qu'au fil du temps, la cheminée soit simplement bouchée par de la suie ou qu'un corps étranger y pénètre. Dans ce cas, le système de protection à l'intérieur de la colonne est déclenché et le gaz est automatiquement coupé directement dans l'appareil.


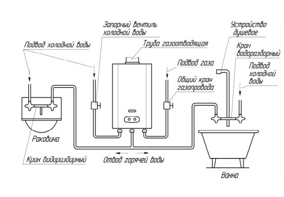
Schéma d'installation de la colonne de gaz.
Vérifiez le tirage dans la cheminée. Cela se fait assez simplement: une allumette allumée doit être apportée au puits, si la flamme dévie dans sa direction, alors il y a une poussée, tout va bien.
Il suffit d'éliminer la cause et le chauffe-eau à gaz fonctionnera à nouveau correctement. Vous pouvez nettoyer le puits vous-même ou appeler les maîtres.
Une autre raison du dysfonctionnement des colonnes de gaz dans ce cas peut être une simple décharge des batteries, mais cela s'applique exclusivement aux appareils à allumage automatique (à partir de batteries ou de générateurs). Malgré les assurances des fabricants que les batteries ont une durée de vie de 1 an, elles devraient être remplacées beaucoup plus souvent.
Déboguer :
- vérifier les boutons marche et arrêt de la colonne de gaz ;
- remplacer les piles.
Troisièmement, la colonne de gaz ne s'enflamme pas simplement en raison d'une pression d'eau insuffisante. C'est facile à vérifier - il suffit d'ouvrir un robinet d'eau froide. Si la pression est faible, il est fort possible que la raison ne réside pas dans la colonne, mais dans l'alimentation en eau elle-même ou dans sa section séparée.
Si la pression dans le robinet d'eau froide est plus forte que dans le robinet d'eau chaude, la raison réside peut-être dans l'unité d'eau de la colonne de gaz (la membrane est déformée ou les filtres sont obstrués). Très souvent, la raison en est les filtres grossiers installés en plus.
Déboguer :


Schéma d'un appareil à colonne de gaz.
- vous devez d'abord appeler le service public pour connaître la raison du manque de pression;
- laver les filtres de nettoyage ou les remplacer dans le mélangeur ;
- au service communal, vous pouvez déposer une demande de nettoyage des canalisations d'alimentation en eau chaude ;
- rincer la colonne de gaz de la suie et des produits de combustion;
- remplacer la membrane de l'ensemble colonne d'eau.
Quatrièmement, cela se produit souvent lorsque la colonne de gaz s'enflamme et s'éteint immédiatement. Dans cette situation, il est nécessaire d'ajuster l'alimentation en eau (froide et chaude).
Remarque: en aucun cas, l'eau chaude ne doit être diluée avec de l'eau froide, cela entraîne une extinction immédiate de la flamme et de telles actions enfreignent les règles de fonctionnement de la colonne.
Remède: Il est nécessaire de réduire l'arrivée d'eau du robinet d'eau froide.
Une autre raison de la défaillance du brûleur peut être l'usure de la membrane d'eau. Au fil du temps, la membrane se déforme à partir de charges constantes ; lorsque l'eau est fournie, le dispositif d'allumage du brûleur perd de sa sensibilité et ne fonctionne pas. Rien ne peut être fait à ce sujet, même dans les colonnes de fabricants étrangers sérieux, les membranes doivent être changées tous les 5 à 7 ans.
Ouvrez le robinet d'eau au maximum, si la colonne s'allume à la pression maximale, alors c'est juste une question de membrane, il faudra la remplacer.
Nous vérifions les performances des éléments électriques
Tout d'abord, vous devez vérifier le fonctionnement de la vanne d'eau chaude, puis voir si le voyant d'allumage de la chaudière fonctionne.
Si le voyant est éteint et que le chauffe-eau arrête de chauffer l'eau, la séquence d'actions est la suivante :
- La chaudière est mise hors tension, débarrassée de l'eau, le couvercle du boîtier y est démonté
- Aux extrémités du thermostat, vous devez vérifier la présence du courant entrant. Pour cela, il est conseillé d'utiliser un testeur spécial, et non un indicateur, afin d'exclure une rupture de l'alimentation « zéro » ;
- Si la tension est appliquée, vous devez appuyer sur le bouton de protection thermique. Cela a-t-il permis l'inclusion? Maintenant, un nettoyage préventif de l'élément chauffant du tartre sera nécessaire - il a surchauffé.
- La protection thermique pourrait également être déclenchée en raison du fait que l'eau chaude ne s'écoule pas du réservoir en raison d'une soupape de sécurité cassée. Veuillez noter que le clapet ne peut être remplacé que par un clapet standard - il n'est pas recommandé d'installer un clapet anti-retour conventionnel ici.
- Vous devez retirer le thermostat et le faire sonner. S'il ne s'allume pas, un remplacement est nécessaire. La réparation du thermostat est problématique - dans la plupart des cas, il ne contient aucun élément mécanique.
La colonne ne chauffe pas l'eau par manque d'entretien
Peu importe le type de chauffe-eau à gaz que vous utilisez, instantané ou à accumulation, un entretien régulier est indispensable, ce qui augmente l'efficacité du chauffe-eau et prolonge sa durée de vie.Négliger ce service réduira considérablement le chauffage et la colonne arrêtera de chauffer l'eau.
Littéralement, chaque chauffe-eau à gaz a des exigences assez spécifiques pour l'entretien annuel, nous vous déconseillons donc d'essayer de nettoyer quelque chose vous-même. Vous obtiendrez le résultat souhaité pendant seulement 2-3 mois, puis le chauffe-eau à gaz cessera de chauffer de toute façon.
La colonne a-t-elle perdu de la chaleur à cause de la suie ? Nous nettoyons et servons de nos propres mains.
Si le chauffe-eau à gaz ne chauffe pas l'eau et que le gaz brûle en jaune, appelez notre maître à la maison. Le spécialiste effectuera un diagnostic complet et un examen externe du distributeur pour identifier les causes potentielles de dysfonctionnements.
Le service de nettoyage du chauffe-eau à gaz comprend également le nettoyage des éléments filtrants de votre plomberie, ce qui, à terme, peut empêcher une panne prématurée du chauffe-eau à gaz.
N'oubliez pas qu'un entretien régulier du geyser peut non seulement augmenter son efficacité de chauffage, mais également prolonger sa durée de vie sans problème jusqu'à dix ans.