Avantages et inconvénients du chauffage au gaz
Le gaz est l'un des types de carburant les moins chers. C'est pourquoi les chaudières à gaz sont toujours les plus populaires. Les avantages de cette méthode de chauffage d'une pièce comprennent les faits suivants:
- haute efficacité;
- utilisation simple;
- sécurité environnementale;
- le bon marché relatif du carburant;
- fonctionnement à long terme (20 à 40 ans).
Le chauffage au gaz a ses inconvénients. En particulier:
- l'équipement doit être autorisé par le service de gaz. Il est impossible de faire fonctionner l'unité sans un tel document;
- la chaudière doit être installée dans une pièce séparée, ce qui n'est pas toujours possible;
- il y a un besoin pour une cheminée;
- une connexion électrique est requise;
- Une mauvaise manipulation de la chaudière à gaz peut provoquer un incendie.
Mais toutes ces difficultés supplémentaires sont pleinement justifiées par les économies que procure le gaz par rapport aux autres types de carburant. Il est moins rentable de chauffer la pièce d'une autre manière: le bois de chauffage et le charbon sont nécessaires en grande quantité, le carburant liquide (essence, kérosène) est trop cher et les éléments chauffants électriques ont une efficacité inférieure et le coût de l'énergie thermique est beaucoup plus haute.
.

Une chaudière à gaz est considérée comme l'appareil de chauffage le plus économique.
Points forts d'une chaudière maison
Une chaudière de chauffage au gaz maison peut être fabriquée dans un atelier à domicile. Aucun matériel spécial n'est requis, car ce qui est disponible est suffisant. Le point le plus important dans la fabrication de cet équipement est sa précision d'aspect et sa conception correcte.
Lors de travaux sur une chaudière, certaines nuances doivent être prises en compte:
- Vue directe de l'appareil. Il est très important de décider quel carburant sera ensuite utilisé pour alimenter l'unité. C'est ce fait qui affecte la conception de l'équipement;
- Aide d'étrangers dans l'assemblée;
- Conformité aux exigences et instructions prescrites dans les instructions. Il est nécessaire de prendre en compte certaines dimensions, l'adéquation à la pièce, ainsi que le lieu d'installation. En suivant ces points, vous pouvez fabriquer une chaudière sûre avec une longue durée de vie;
- Une chaudière artisanale suppose, après sa fabrication, le passage de nombreux contrôles. Ce sont eux qui permettront de comprendre s'il vaut la peine d'utiliser le produit en question.
Pour fabriquer une chaudière, vous devez avoir une certaine liste d'outils avec vous:
- Des vis;
- Soudage électrique;
- Tournevis;
- Règle;
- Couteau en métal;
- Compresseur.
Tous les travaux se composent de plusieurs étapes:
- Montage du matériau;
- Instructions d'étude;
- Mise en œuvre directe.
Une excellente option serait de travailler avec un gasman.
Ainsi, le processus ira beaucoup plus vite et plus efficacement. Et le contrôle ultérieur deviendra le plus fiable et le plus fiable.


Plus d'informations sur ce sujet sur notre site Web:
- Fours à convection au bois et au charbon pour le chauffage domestique Cet article traite des fours à convection au bois et au charbon utilisés pour chauffer des maisons privées, des maisons de ville ou de campagne et des chalets d'été ....
- Si vous regardez dans les archives d'Internet et que vous commencez à lire d'anciens sujets de forum sur l'installation du chauffage au gaz dans les appartements, il n'y aura pas d'avis pour une raison simple ...
- La chaudière faite maison pour le chauffage de l'eau chaude est un excellent "substitut" pour les équipements coûteux. Son schéma de fonctionnement, ainsi que son apparence, dépendent de facteurs tels que : disponibilité ...
- Il existe de nombreux appareils de chauffage qui sont puissants et peuvent être utilisés pour s'intégrer dans un système de chauffage. Pour organiser le système de chauffage d'une maison privée, en règle générale, ...
À propos des types de chaudières à gaz
En nombre de circuits de chauffage, les chaudières sont :
- circuit unique (ils ne remplissent qu'une seule fonction - ils chauffent l'eau ou les tuyaux dans la pièce);
- double circuit (ils remplissent deux fonctions - ils chauffent l'eau chaude et les tuyaux dans la maison).
Selon la méthode d'élimination des produits de combustion, l'équipement est divisé en types suivants:
- à tirage naturel (l'air entrant vient de la rue). Vous pouvez installer une telle chaudière dans une petite maison ou un hangar;
- avec tirage d'alimentation (un système complexe qui nécessite une cheminée et une chambre de combustion fermée).
Par type d'allumage, les appareils de chauffage à gaz sont divisés:
- électrique (la chaudière commence à fonctionner immédiatement lorsqu'elle est connectée au réseau);
- avec un élément piézoélectrique (vous devez allumer l'équipement vous-même).
Selon la méthode de fixation, les chaudières sont divisées en:
- mural;
- étage.


La chaudière gaz au sol est posée au sol, elle ne nécessite pas de fixation supplémentaire
En guise de réglage, l'équipement peut être:
- à un étage (n'en a qu'un - niveau de puissance maximal);
- à deux étages (a deux niveaux de puissance - faible et fort).
La chaudière à gaz peut être conçue pour être raccordée à :
- gaz principal (entre dans la maison par le pipeline);
- gaz en bouteille (fourni sous forme liquéfiée dans des bouteilles de différentes tailles).
Les chaudières sont fabriquées à partir de :
- l'acier (le matériau le plus courant et le plus efficace);
- fonte (ces chaudières sont très lourdes, mais retiennent la chaleur longtemps);
- cuivre (unités peu coûteuses qui refroidissent très rapidement).
Caractéristiques d'une chaudière à combustible solide


Les chaudières de chauffage faites maison sont un poêle ordinaire placé dans un baril d'eau. L'unité transfère la chaleur obtenue lors de la combustion du bois de chauffage à l'eau. Le liquide chauffé passe par les tuyaux jusqu'aux appareils de chauffage. Cependant, de telles structures simples brûlent beaucoup de bois de chauffage, leur efficacité ne dépasse donc pas 15%.
Une unité faite maison peut être en brique ou en métal. Il est conseillé d'utiliser des structures en briques dans une maison de campagne spacieuse, mais les appareils de chauffage en métal peuvent être fabriqués à partir de matériaux de récupération. Ce sont les plus simples en termes de solutions constructives.
Important! Toute chaudière à combustible solide ne fonctionnera efficacement que s'il y a un tirage dans la cheminée et avec un dispositif de ventilation d'alimentation.
Choix d'une solution constructive
Pour fabriquer une chaudière de chauffage de vos propres mains, il ne suffit pas d'installer un échangeur de chaleur dans le four. Il est nécessaire d'assurer la continuité de la combustion du carburant, ainsi qu'une circulation constante et uniforme du liquide de refroidissement.
Lorsque vous choisissez une conception de chaudière à combustible solide, vous pouvez utiliser les options suivantes :
- Les appareils à combustion par le bas ont une porte spéciale pour le chargement d'une partie du combustible. Cette porte est située dans la moitié supérieure de la chambre de combustion, bien que le bois lui-même brûle dans la partie inférieure. De ce fait, les couches supérieures de bois de chauffage fraîchement posé s'enfoncent progressivement au fond de la chambre sous leur propre poids. La postcombustion des produits de combustion se produit dans la partie supérieure de la chambre de combustion. L'air traverse le foyer de bas en haut de manière naturelle ou forcée.
- Les unités de combustion supérieures sont également appelées unités de mine. Ici aussi, la porte est située dans la partie supérieure de la chambre et le mouvement descendant des flux d'air chaud est dû à la présence d'un tirage forcé. Le ventilateur entraîne l'air de haut en bas, où la combustion a lieu. Au cours du mouvement, l'air sèche et réchauffe en outre le bois.


Le moyen le plus simple consiste à créer indépendamment une structure avec combustion par le bas, car dans cette option, vous pouvez vous passer de ventilateur et organiser un tirage naturel. Les structures plus complexes doivent répondre à certaines exigences de qualité d'assemblage de tous les composants.
De plus, toutes les unités à combustible solide sont disponibles avec un mode de combustion normal et avec accès à la pyrolyse. Dans ce dernier cas, le combustible solide se décompose en constituants, qui sont brûlés séparément. La deuxième option est plus difficile à mettre en œuvre, car vous devez installer deux chambres de combustion.
Le choix du modèle de chaudière dépend du combustible utilisé. La température de combustion du charbon étant supérieure à celle du bois, l'échangeur de chaleur, les grilles et le corps de l'appareil sont en acier avec une épaisseur plus importante que pour une chaudière à bois. Des briques réfractaires peuvent être utilisées à la place de l'acier.
Comment fabriquer de vos propres mains une chaudière électrique pour le chauffage domestique
Le principe de fonctionnement d'une chaudière à gaz
Structurellement, une chaudière à gaz se compose des éléments suivants :
- brûleur à gaz;
- échangeur de chaleur;
- pompe;
- vase d'expansion;
- automatisation;
- ventilateur;
- systèmes de sécurité;
- thermomètre;
- manomètre;
- robinet de gaz;
- purgeur d'air.


Une chaudière à gaz se compose de plusieurs éléments. Chacun d'eux est très important pour le bon fonctionnement de l'unité.
Lorsque l'appareil est connecté au réseau, le brûleur à gaz s'allume. Il chauffe l'échangeur de chaleur, qui contient de l'eau, de l'huile ou de l'antigel (selon le chauffage de la maison). La pompe crée une pression de fonctionnement, sous l'action de laquelle le liquide de refroidissement circule en permanence dans les tuyaux et dégage de la chaleur dans la pièce à travers la surface du radiateur. Ensuite, le liquide de refroidissement refroidi est renvoyé dans la chaudière. C'est ainsi que fonctionne un système de chauffage au gaz en termes généraux.
Se préparer à créer une chaudière : les petites choses utiles
La création d'une chaudière à gaz est un processus lent et très responsable. Si vous ne possédez pas au moins les compétences initiales nécessaires pour travailler avec des équipements de soudage, il est alors inapproprié de démarrer le processus. Les parties de l'unité sont reliées entre elles par soudage. Si vous n'avez pas de machine à souder ou que vous ne savez pas comment interagir avec elle, il est préférable d'acheter une chaudière à gaz dans un magasin spécialisé. Mais si vous vous êtes fixé pour objectif de créer votre propre chauffage au gaz, alors vous devez savoir :
- sans l'autorisation du service gaz, il est interdit de raccorder une chaudière artisanale au réseau d'alimentation en gaz naturel de votre logement ;
- pour obtenir l'autorisation, vous devrez appeler des analystes à domicile ou apporter la chaudière au service en personne;
- si la chaudière est installée sans autorisation, cela peut entraîner une fuite de gaz, un incendie ou une explosion ;
- lors de travaux de soudage, n'oubliez pas votre propre sécurité: mettez des gants de protection sur vos mains, un masque spécial sur vos yeux et des vêtements de travail sur votre corps;
- acheter des éléments pour la chaudière dans un magasin spécialisé, et non des mains. Toutes les unités doivent avoir des certificats et des passeports ;
- tout faire strictement selon les dessins;
- avant de commencer les travaux, préparez l'équipement, le matériel et les outils nécessaires.
Chaudières à combustible solide
Lors de l'assemblage de chaudières artisanales pour chauffer une maison privée, vous devez savoir que le chauffage du liquide de refroidissement, dans la plupart des conceptions, est basé sur le chauffage direct de l'eau lors de la combustion de carburant. Le chauffage par le type de chaudières à condensation n'est pas utilisé dans les appareils artisanaux.
Après le gaz naturel, le charbon, les pellets, ainsi que:
- briquettes de bois dur (chêne, hêtre);
- briquettes de résineux (épicéa, tilleul);
- briquettes de paille et d'enveloppes de tournesol;
- directement de la sciure de bois, des cosses et divers déchets.
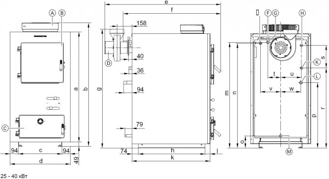
Dessins et calculs
Pour souder la chaudière, utilisez les dessins prêts à l'emploi. Dans ce cas, vous n'avez pas besoin de réinventer le vélo. Utilisez des méthodes et des méthodes déjà éprouvées. Ils ne sont pas aussi nombreux qu'il n'y paraît.


Pour la construction, utilisez un dessin d'une chaudière à gaz avec les dimensions et les caractéristiques de conception
Pour que la chaudière crée de la chaleur et du confort dans la maison, il est nécessaire de calculer avec précision son volume. La façon la plus simple de calculer est basée sur l'hypothèse que pour chaque 10 mètres carrés de surface, 1 kW d'énergie est nécessaire. Un autre 10 pour cent est ajouté au résultat obtenu afin de créer une petite marge pour assurer un fonctionnement plus confortable de la chaudière. Par exemple: une maison d'une superficie de 80 mètres carrés nécessite 8 kW d'énergie par heure. 800 W supplémentaires en réserve, au total - 8,8 kW en 60 minutes. Un peu plus de 211 kW seront consommés par jour.
Mais les kilowatts ne sont pas encore du volume.
Pour le calculer, vous devez tenir compte du fait que le pouvoir calorifique du gaz est de 6,55 kW - ce nombre est constant, il est calculé scientifiquement et expérimentalement, il est donc pris comme base.
Pour calculer le volume de chaudière nécessaire pour chauffer une maison particulière, vous devez diviser la quantité d'énergie consommée par la chaudière par jour par sa valeur calorifique. En revenant à notre exemple, nous obtenons : 211 / 6,55 = 32,2. Cela signifie que dans une maison d'une superficie de 80 m2, une chaudière de 33 litres est nécessaire (arrondir).
Variétés et sélection de la conception d'une chaudière à combustible solide
Les fours et les chaudières de chauffage diffèrent par leur fonctionnalité. Le poêle est nécessaire pour réchauffer la pièce et la chaudière doit encore réchauffer le liquide de refroidissement, qui est transporté via le réseau de chauffage de la maison. Par conséquent, il est important de considérer la continuité du processus de combustion du carburant, afin d'assurer une circulation uniforme de l'eau à travers l'échangeur de chaleur.
Sur une note ! L'échangeur de chaleur est un serpentin situé à l'intérieur de la chambre de combustion du carburant. À l'intérieur du serpentin se trouve de l'eau, qui reçoit de la chaleur lors de la combustion du bois, du charbon et transfère l'énergie thermique aux éléments du réseau.


Les chaudières de chauffage artisanales diffèrent selon le mode de combustion - supérieur (le mien) ou inférieur :
- Chaudière à combustible solide à combustion inférieure - une unité dans laquelle la porte de la chambre de chargement est située dans la partie supérieure de la chambre de combustion, le bois de chauffage lui-même brûle en bas. Un tel système garantit la durée de combustion du carburant - les couches inférieures brûlent, les couches supérieures s'enfoncent progressivement sous leur propre poids. La circulation de l'air s'effectue de bas en haut lors de l'installation de la pompe (forcée) ou naturellement. La deuxième option de traction est plus pratique, car elle ne nécessite pas de connecter l'équipement au réseau d'alimentation, ce qui détermine l'autonomie complète du système.
Sur une note ! Le tirage naturel a une efficacité réduite, de sorte que le combustible est chargé dans le four en petites portions. La circulation d'air forcée assure un mouvement intensif des flux, il est possible de remplir le four «jusqu'à la rupture».
- Les chaudières à chargement par le haut ou par puits sont des unités dans lesquelles la porte du four est située dans la partie supérieure de la chambre de combustion. Les appareils sont toujours équipés d'un tirage forcé pour déplacer l'air de haut en bas. Dans ce cas, la fumée est distillée dans le compartiment inférieur de la chambre de combustion, se mélange à l'air, brûle, transfère l'énergie thermique au combustible dans les étages inférieurs - c'est particulièrement pratique lors de la pose de bois de chauffage brut, en raison de la chaleur qu'ils dessèchent et brûle mieux.
Pour l'auto-assemblage, les unités avec une option de combustion inférieure sont mieux adaptées; il n'est pas nécessaire d'intégrer un ventilateur.
Conseils! S'il n'y a pas d'expérience dans le montage d'unités, il est plus rentable d'adopter des structures simples afin de réduire les risques d'erreur dans les calculs.
Les unités diffèrent également par le mode de combustion, elles peuvent fonctionner en mode normal ou avec accès à la pyrolyse. La pyrolyse est le processus de décomposition d'un vecteur énergétique en ses composants, suivi de la combustion d'éléments. Pour assembler des modèles à combustion pyrolytique, vous devrez équiper une deuxième chambre de combustion, les dimensions de l'appareil seront plus importantes, et la consommation de matériaux augmentera.
Sur une note ! Le choix du type d'équipement dépend du type de carburant.Dans les régions où le bois de chauffage est disponible, le four est formé pour le bois de chauffage, le charbon - un autre modèle est en cours de mise en place. Le temps de combustion d'un onglet est déterminé par le type, la puissance et l'efficacité de la chaudière.
La température de combustion du charbon est supérieure à celle du bois de chauffage. Par conséquent, si un dispositif à combustible solide est formé pour la combustion du charbon, les grilles doivent être en fonte, le corps et l'échangeur de chaleur doivent être en acier épais. Il est permis de fabriquer le corps de la chaudière à partir de briques réfractaires.
Chaudières au mazout pour le chauffage au diesel et aux huiles usagées
Après avoir évalué vos propres compétences, consulté les schémas de chauffage, un modèle spécifique de l'appareil est sélectionné. S'il y a suffisamment d'expérience, le maître pourra construire une chaudière à gaz maison pour chauffer une maison privée, tandis que les débutants devraient privilégier les appareils les plus simples. Sous réserve des techniques de montage et d'installation, la chaleur dans la maison sera suffisante à partir d'une chaudière à combustible solide primitive avec un circuit de chauffage à eau.
Nous fabriquons un onduleur et connectons un stabilisateur de tension de chaudière à gaz
Un onduleur est une alimentation sans interruption. Il est nécessaire pour que l'équipement continue de fonctionner lorsque l'électricité est coupée. Et le stabilisateur protégera la chaudière des surcharges avec des surtensions fréquentes dans le réseau.


Une alimentation sans coupure peut être achetée au magasin. Mais si vous le faites vous-même, ce sera moins cher.
Les magasins vendent une variété d'alimentations sans interruption et de stabilisateurs. Ils ne sont pas bon marché. Vous pouvez essayer de créer vous-même une unité ininterrompue. Il est impossible de fabriquer soi-même un stabilisateur. Les règles pour le choisir sont les suivantes :
- Pour un réseau 220 volts, choisissez un régulateur monophasé, pour un 380 volts, choisissez un régulateur biphasé.
- Puissance - de 20 à 40 kW, en fonction du volume de la chaudière.
- Le cardan peut être installé au sol ou monté sur un mur - cela n'affecte pas son fonctionnement.
Concentrez-vous sur les spécifications de cardan suivantes :
- type - électronique ou relais;
- temps de réponse - quelques millisecondes;
- plage de tension d'entrée - de 140 à 260 volts;
- plage de température de fonctionnement - de +5 à +40 0C.
Le stabilisateur est monté à côté de la chaudière dans un endroit sec, où l'accès à l'eau est exclu. Il ne doit pas être surchauffé ou congelé.


Un stabilisateur pour une chaudière à gaz aidera à maintenir la tension dans le réseau au niveau requis pour le fonctionnement du réchauffeur
Vidéo: pourquoi avez-vous besoin d'un stabilisateur de tension pour une chaudière à gaz
Comment assembler une alimentation sans coupure de vos propres mains
Pour la production d'UPS, vous avez besoin de :
- convertisseur de courant (220 volts). Il est nécessaire qu'une tension de 220 volts soit fournie à la chaudière à partir de la batterie;
- batterie (l'hélium s'est avéré bon);
- chargeur (minimum 15 ampères).
Les instructions de montage de l'onduleur ressemblent à ceci :
- Le convertisseur est connecté à la batterie à l'aide de fils d'une section de 4 millimètres, en respectant la polarité. Habituellement, il y a des signes "+" et "-" aux points de connexion (parfois la polarité est indiquée par des couleurs différentes des fils). Le plus du convertisseur doit aller au plus de la batterie. Il en est de même avec le fil négatif.
Le convertisseur est connecté à la batterie à l'aide de deux fils. Leur section doit être d'au moins 4 millimètres. - La chaudière est connectée au convertisseur via une prise. Il est déjà inclus "dans le kit", vous n'avez rien besoin de monter en plus. Ainsi, trois parties d'un même système - une chaudière, un convertisseur et une batterie - sont interconnectées.
- Lorsque la batterie est déchargée, un chargeur y est connecté.


Le convertisseur est connecté à la batterie à l'aide de fils, connectant plus à plus et moins à moins
Une telle unité ne sera pas déclenchée automatiquement. Vous devrez l'allumer vous-même lorsque l'électricité sera soudainement coupée.
Vidéo : fabrication d'onduleurs DIY
Chaudière à gaz bricolage
L'idée de créer une chaudière à gaz maison est, en principe, intéressante, bien qu'elle n'ait pas de mise en œuvre pratique. C'est juste que pas un seul inspecteur sain d'esprit responsable du fonctionnement sécuritaire des appareils à gaz par les citoyens ne donnera la permission de les faire fonctionner. Et les voisins ne seront pas ravis d'expériences aussi dangereuses. Par conséquent, à quoi bon faire quelque chose qui ne sera jamais utilisé pour l'usage auquel il est destiné, c'est-à-dire pour le chauffage. Et si vous voulez vraiment concevoir un appareil de chauffage de vos propres mains, vous pouvez commencer avec des chaudières de chauffage plus simples et moins dangereuses, fonctionnant, par exemple, à combustible solide. De plus, il existe de nombreux exemples réussis d'utilisation d'unités à combustible solide fabriquées par nos soins. Et après un certain temps, quelque chose peut changer et ils seront autorisés à utiliser des chaudières à gaz faites maison pour se chauffer. Cependant, j'aimerais espérer que cela n'arrivera pas.
Options pour chauffer les chaudières, ce que vous pouvez faire de vos propres mains
Sans penser à la construction d'une chaudière à gaz, examinons quels types d'unités sont disponibles selon le type de vecteur d'énergie utilisé, et lesquelles valent le temps et les efforts nécessaires pour essayer de fabriquer avec succès leur homologue maison. Alors, quels types de sources d'énergie, outre le gaz, sont utilisés par les chaudières de chauffage:
- électricité;
- certains types de combustibles liquides ;
- combustible solide.


Voyons maintenant plus en détail les types d'équipement de chauffage les plus courants.
Chaudières électriques
Aujourd'hui, les fabricants proposent aux consommateurs trois principaux types de chaudières alimentées à l'électricité:
- classique (éléments chauffants);
- induction;
- ionique (électrolyse).
Il est conseillé de ne pas s'attaquer à la création d'une chaudière à électrolyse de ses propres mains, mais des modèles faits maison de chaudières électriques avec radiateurs thermoélectriques et de chauffage par induction de leurs propres mains sont assez réalistes. Bien sûr, pour cela, vous devez disposer de l'ensemble d'outils, de matériaux et de connaissances nécessaires sur les lois par lesquelles fonctionne l'électricité.
Le moyen le plus simple est de fabriquer un élément chauffant. Une chaudière électrique maison est susceptible de perdre à bien des égards par rapport aux échantillons modernes de ce type de production en usine, mais vous pouvez essayer, surtout si vous avez un fort désir de créer vous-même une chaudière.
Comment fonctionne une chaudière électrique classique avec chauffage thermoélectrique ? En fait, il s'agit d'un conteneur métallique, relié hermétiquement d'un côté au retour du système de chauffage, et de l'autre au réseau chaud du circuit de chauffage. Un radiateur électrique est placé à l'intérieur du réservoir, connecté au secteur par un disjoncteur de conception plus ou moins complexe. Voici à quoi ressemble le modèle le plus simple d'une chaudière à éléments chauffants, ce qui est assez réaliste à fabriquer de vos propres mains. Si l'idée personnelle passe avec succès les premiers tests, elle peut être améliorée jusqu'à l'équiper d'automatisation.
Les nuances de placement de la structure finie
Vous pouvez placer une chaudière à gaz :
- à l'intérieur de la maison;
- en dehors de la maison;
- dans le garage.
Chaque option d'hébergement a ses propres caractéristiques et nuances.
Logement à l'intérieur de la maison
Pour placer l'unité à l'intérieur de la maison, une pièce séparée doit lui être allouée. Les exigences suivantes sont imposées à la chaufferie :
- superficie - au moins 5 mètres carrés;
- endroit sec et chaud;
- faible taux d'humidité;
- libre accès humain à la chaudière ;
- système de ventilation naturelle ou forcée;
- l'électricité doit être fournie à la pièce, une prise doit être située à côté de la chaudière. Les points de vente modernes sont ancrés. Il n'est pas nécessaire de créer une mise à la terre supplémentaire.


A l'intérieur de la maison, une chaudière à gaz est installée dans une pièce séparée.
Placer la chaudière à l'extérieur de la maison
Il est bien sûr impossible d'installer une chaudière à gaz directement dans la rue. Une salle spéciale est en cours de construction pour cela:
- superficie - pas moins de 5 m2;
- température à l'intérieur - pas inférieure à +5 0C toute l'année;
- Disponibilité de l'électricité, prise avec mise à la terre.
Les conduites de la chaudière à la maison doivent être isolées de sorte que pendant son «trajet» le liquide de refroidissement de la chaudière à la maison ne perde pas sa température.


S'il n'y a pas de possibilité de placer une chaudière dans la maison, une pièce fermée séparée est construite pour cela.
Placer la chaudière dans le garage
Si à l'intérieur du garage, il n'est pas possible d'équiper une pièce séparée pour placer la chaudière, envisagez un autre endroit pour installer l'équipement. Le fait est qu'un garage est un endroit avec une forte concentration de gaz automobiles. Si l'unité de gaz fonctionne également à l'intérieur, la concentration de dioxyde de carbone dans la pièce dépassera toutes les normes autorisées. Il sera dangereux pour une personne d'être à l'intérieur.
En cas de fuite de gaz dans le garage, une combustion spontanée est possible, car il y a de l'essence et de l'huile à proximité immédiate. Mieux vaut ne pas le risquer.
Si vous ne pouvez pas équiper une pièce spéciale à l'intérieur du garage, suivez les règles pour placer l'unité à l'intérieur de la maison.
Mise à la terre de la chaudière
La chaudière doit être mise à la terre. Pour ce faire, vous avez besoin d'une boucle de terre prête à l'emploi du magasin. Il est situé près du garage souterrain à une profondeur d'environ un mètre. Une bande d'acier est conduite du circuit de mise à la terre à la chaudière. Il est recouvert d'une boîte en plastique. Il est préférable de souder les joints de la bande d'acier avec la chaudière et le circuit pour plus de fiabilité.


La mise à la terre d'une chaudière à gaz est la clé de son fonctionnement fiable et sûr. Il faut le faire


