Liste de contrôle des actions requises
Si l'on apprend que l'installation d'un chauffage individuel est autorisée dans la maison, une longue promenade à travers les autorités ne peut être évitée:
- Tout d'abord, vous devez vous rendre à l'organisation locale responsable de la fourniture de gaz et y écrire une déclaration concernant l'installation d'une chaudière à gaz dans l'appartement. Après un certain temps, le propriétaire reçoit un avis concernant l'autorisation ou l'interdiction d'installer l'unité de chauffage. Si vous recevez une réponse positive, vous pouvez installer le matériel.
- Ensuite, vous avez besoin d'un projet. Il doit être commandé auprès d'un bureau d'études agréé pour ce type de travaux. Son adresse peut être obtenue auprès de la société de distribution de gaz. A ce stade, il est conseillé de choisir un modèle de chaudière et un comptoir. Une documentation de conception doit être rédigée pour eux et les données doivent être indiquées dans la spécification. Le fait est qu'après approbation, les modifications ne peuvent être apportées que plus tard et moyennant des frais distincts. Si le projet est signé, rien ne peut y être modifié, vous devez en commander un nouveau.
- Dans les services d'incendie, vous devez connaître l'adresse et le nom de l'organisation qui vérifie l'état des conduits de ventilation et vous mettre d'accord avec ses spécialistes sur le service. Un représentant de l'entreprise viendra vérifier la qualité de la ventilation. Si tout est en ordre, une autorisation sera délivrée pour installer une chaudière à gaz dans l'appartement. En cas d'un état insatisfaisant de la cheminée, un acte est rédigé avec une liste des travaux à réaliser. Après avoir éliminé les lacunes, vous devez réinviter un spécialiste afin d'obtenir éventuellement la permission.
- A l'étape suivante, une demande de refus de chauffage est soumise au réseau de chaleur. Si vous prévoyez de chauffer l'eau vous-même, vous devez également refuser l'approvisionnement en eau chaude. Il est conseillé de clarifier immédiatement le calendrier des mesures d'arrêt. Le projet de retouche approuvé par Gorgaz devrait déjà être disponible.

- Les données sur le compteur et la chaudière achetés sont communiquées à l'organisation du projet. Ensuite, la documentation terminée est emportée. Il ne vaut pas la peine d'acheter du matériel à l'avance, car l'autorisation d'installer une chaudière à gaz dans un immeuble d'appartements ne peut pas toujours être obtenue.
- Ensuite, dans le département de Gorgaz, un accord est conclu pour l'entretien de l'unité, et le projet de gazéification est soumis à l'approbation.
- Après avoir reçu le projet signé entre vos mains, vous pouvez commencer à vous déconnecter du réseau de chaleur. Dans ce cas, vous devrez vidanger l'eau du système de chauffage de toute la maison.
- De plus, le propriétaire de l'appartement doit installer un système de chauffage individuel. La chaudière est installée sans se connecter à la conduite principale de gaz, le système est vérifié pour l'étanchéité et la disponibilité pour le fonctionnement.
- Dans "Gorgaz", ils découvrent la date à laquelle il est possible d'installer une chaudière à gaz dans un immeuble d'appartements dans un appartement spécifique. Ses employés connecteront les tuyaux et les équipements selon le projet, scelleront le compteur, allumeront le poêle et l'unité.
- Pour que la garantie de la chaudière à gaz soit valable, un réglage et une mise en œuvre de la première mise en service seront nécessaires, suivis d'une marque dans le passeport. Pour ce type de travaux, contactez le service où l'appareil a été livré pour réparation. Le maître ajustera la chaudière, démarrera le système et apposera un tampon sur le passeport. Vous pouvez maintenant utiliser l'équipement monté.
L'ensemble du processus décrit ci-dessus, conformément aux exigences d'installation d'une chaudière à gaz dans un immeuble d'habitation, prendra de 1,5 à 2,5 mois. Par conséquent, il est conseillé de commencer la procédure au printemps ou au tout début de l'été.
Règles d'installation d'appareils à gaz dans un appartement
Les moindres problèmes avec la disposition du chauffage individuel se posent parmi les propriétaires de nouveaux appartements qui ne sont pas connectés à un système de chauffage centralisé. Dans ce cas, il n'est pas nécessaire de visiter le réseau de chauffage et il n'est pas nécessaire de se déconnecter des colonnes montantes, et l'autorisation d'installer un chauffage au gaz dans un immeuble d'appartements peut être dans le paquet de documents pour l'immobilier.
Mais dans ce cas, vous devez respecter certaines règles. Tout d'abord, avec des documents en main, vous ne pouvez pas installer vous-même l'équipement à gaz - ce travail doit être effectué par des spécialistes. Il peut s'agir non seulement d'employés de l'organisme fournisseur de gaz, mais également de représentants de l'entreprise avec laquelle ce type d'activité est autorisé.


Une fois l'installation terminée, l'ingénieur de l'entreprise fournissant le combustible gazeux vérifiera l'exactitude du raccordement et délivrera un permis d'utilisation de la chaudière. Ce n'est qu'alors que la vanne menant à l'appartement peut être ouverte.
Avant de commencer, conformément aux exigences d'installation d'une chaudière dans un immeuble d'habitation, un système d'alimentation en chaleur individuel doit être vérifié. Pour ce faire, il est lancé sous une pression d'au moins 1,8 atmosphères. Ce paramètre peut être surveillé à l'aide du manomètre de l'unité de chauffage.
Si les tuyaux sont encastrés dans le sol ou les murs, il est conseillé d'augmenter la pression et de faire passer le liquide de refroidissement à travers eux pendant au moins 24 heures. Ce n'est qu'après avoir testé le système que vous pouvez être sûr qu'il n'y a pas de fuite et que les connexions sont sécurisées.
L'équipement doit être ventilé avant le démarrage. Étant donné que lors de l'installation d'une chaudière à gaz dans un immeuble d'habitation, les systèmes sont fermés, vous devez utiliser les robinets Mayevsky disponibles sur les radiateurs. De l'air est libéré dans chaque batterie, les contournant plusieurs fois à tour de rôle jusqu'à ce qu'il n'y ait plus d'air à l'intérieur. Le système peut alors être démarré en mode de fonctionnement - activez l'alimentation en chaleur.


Il ne faut pas oublier que les unités modernes sont contrôlées par automatisation et que ces appareils sont exigeants en tension. Par conséquent, il est recommandé d'utiliser un stabilisateur de tension et une alimentation sans coupure. Pour protéger la chaudière des dépôts qui s'accumulent sur sa surface intérieure, des filtres doivent être installés aux entrées de combustible et d'eau froide.
Une prise électrique et tout autre appareil à gaz doivent être placés à une distance d'au moins 30 centimètres de l'unité.
Installer une chaudière à gaz dans un appartement
Les principales étapes de l'approbation de l'installation:
Conditions techniques
Pour connecter un appartement ou une maison privée à l'alimentation en gaz de ville, il est nécessaire d'obtenir les spécifications techniques du service de gaz concerné de la ville ou du quartier. Pour obtenir une spécification technique, vous devez rédiger une déclaration, assurez-vous d'y indiquer le volume estimé de consommation de gaz par heure. Il faudra environ 1 à 2 semaines pour terminer ce document. Une fois l'application satisfaite, une condition technique pour l'installation de l'équipement à gaz est émise. Ce document est un permis officiel pour ce type de travail.
Projet d'installation
La prochaine étape est le développement d'un projet d'installation d'équipements à gaz. Le projet d'approvisionnement en gaz est un schéma d'installation d'une chaudière à gaz, ainsi qu'un schéma de pose d'un gazoduc entre le point de raccordement d'un appartement et les services publics de gaz de ville, et, dans le cas d'un raccordement dans le secteur privé, également un schéma pour conduire les communications de gaz le long du site avec une désignation du point d'entrée du bâtiment résidentiel.
Coordination avec les autorités de régulation
Le projet d'approvisionnement en gaz doit être approuvé par Gorgaz ou un autre organisme de contrôle de l'État. Selon la complexité du projet, son approbation peut prendre de 1 semaine à 3 mois.
En plus du projet d'approvisionnement en gaz, l'inspection doit être fournie avec:
- passeport technique de la chaudière que vous avez choisie;
- instructions pour son fonctionnement;
- certificats (sanitaires et hygiéniques, conformité aux exigences techniques);
- conclusions d'experts sur la conformité de cette chaudière à toutes les exigences nécessaires.
Cette liste de documents doit être fournie par le fabricant de la chaudière.
Si le projet n'a pas passé l'examen, en plus du document officiel indiquant les raisons du refus, vous devriez mettre la main sur une liste de modifications pour ajuster le projet.
Si le projet est exécuté en conséquence, il est certifié par un sceau.
Aménagement d'une pièce pour une chaudière
Il est préférable d'installer un appareil à gaz mural dans une cuisine dont la disposition répond aux normes de placement d'un tel équipement. Dans cette pièce également, il y a déjà un approvisionnement en eau et en gaz.


Voici à quoi ressemblent les normes d'installation d'une chaudière à gaz dans un appartement:
- La zone de la pièce où l'installation de l'équipement est prévue, lorsque les plafonds ne sont pas inférieurs à 2,5 mètres, doit dépasser quatre mètres carrés.
- Il est obligatoire d'avoir une fenêtre qui s'ouvre. Sa superficie doit être de 0,3 mètre carré. m. pour 10 mètres cubes de volume. Par exemple, les dimensions de la pièce sont de 3x3 mètres avec une hauteur sous plafond de 2,5 mètres. Le volume sera de 3x3 x2,5 = 22,5 m3. Cela signifie que la zone près de la fenêtre ne peut pas être inférieure à 22,5: 10 x 0,3 = 0,675 m2. m. Ce paramètre pour une fenêtre standard 1.2x0.8 = 0.96 sq. m Cela fera l'affaire, mais la présence d'une imposte ou d'une fenêtre est requise.
- La largeur de la porte d'entrée ne peut pas être inférieure à 80 centimètres.
- Il devrait y avoir des évents au plafond.
Installation d'appareils à gaz SNiP


Nous savons tous depuis longtemps que l'installation des appareils à gaz, des chaudières, doit être effectuée par des spécialistes qui ont des certificats, des agréments des entreprises gazières!
Notre article est proposé pour vous aider à réaliser la bonne installation. équipement au gaz domestique en conformité avec toutes les normes, règles et standards.
Pour effectuer un tel travail, vous devez non seulement disposer des outils appropriés, mais aussi connaissance de la technologie d'installation des équipements de chaudières à gaz.
Les travaux d'installation ne peuvent être démarrés qu'après réception des documents suivants:
♦ les conditions techniques de raccordement d'un appartement, d'une maison au système d'alimentation en gaz.
♦ projet d'installation, obligatoirement convenu dans le service gaz.
Extrait du registre d'État du SNiP 2016:
Selon SP 42-101-2003 locaux destinés à installation d'équipements utilisant du gazdoit répondre aux exigences SNiP 42-01 et autres documents réglementaires. Dans la pièce où il est installé équipement de chauffage au gaz, il est permis d'utiliser des ouvertures de fenêtre en tant que structures de clôture facilement réinitialisables, dont le vitrage doit être rempli à partir de la condition: la surface d'un verre séparé doit être d'au moins 0,8 m2 avec une épaisseur de verre de 3 mm, 1,0 m2 à - 4 mm et 1,5 m2 à - 5 mm. Recommandé pour les pièces destinées à installation d'équipements de chauffage au gaz, respecter les conditions suivantes : hauteur d'au moins 2,5 m (2 m - avec une puissance d'équipement inférieure à 60 kW) ; ♦ ventilation naturelle (évacuation dans le volume de 3 fois l'échange d'air par heure; entrée dans le volume de l'échappement et air supplémentaire pour la combustion des gaz).
Pour l'équipement puissance supérieure à 60 kW les dimensions des dispositifs d'échappement et d'alimentation sont déterminées par calcul; → des ouvertures de fenêtres avec une surface vitrée à raison de 0,03 m2 pour 1 m3 du volume de la pièce et des structures clôturant des pièces adjacentes avec une limite de résistance au feu d'au moins REI 45 et sortie directement vers l'extérieur
Pour les locaux du sous-sol et des sous-sols des bâtiments résidentiels unifamiliaux et bloqués lors de l'installation d'équipements d'une puissance supérieure à 150 kW conformément aux exigences MDS 41-2.2000. SNiP 42-01 dit que pour sélectionner une pièce pour l'installation d'une chaudière, vous devez être guidé par le SNiP approprié. • clause 7.1 Possibilité d'hébergement équipement utilisant du gaz dans les locaux des bâtiments à des fins diverses et les exigences pour ces locaux sont établies par les codes du bâtiment et les règlements pertinents pour la conception et la construction de bâtiments, en tenant compte des exigences des normes et autres documents pour la fourniture de l'équipement spécifié, ainsi que les données des passeports d'usine et les instructions qui déterminent la portée et les conditions de son utilisation. Ainsi, lors de la conception d'une chaudière à gaz dans un immeuble unifamilial ou résidentiel verrouillé, lors du choix d'une pièce pour l'installation d'une chaudière à gaz, vous devez être guidé par SNiP 31-02-2001 "Maisons unifamiliales résidentielles", dans un multi-appartement SNiP 2.08.01 Bâtiments résidentiels. SNiP 31-02-2001 «Maisons d'habitation unifamiliales» dit ce qui suit: • clause 6.14 En l'absence de fourniture de chaleur centralisée, des générateurs de chaleur automatisés prêts à l'usine devraient être utilisés comme sources d'énergie thermique fonctionnant au gaz ou au combustible liquide. Ces générateurs de chaleur doivent être installés dans une zone ventilée de la maison au rez-de-chaussée ou au sous-sol, au sous-sol ou sur le toit. Des générateurs d'une puissance thermique jusqu'à 35 kW peuvent être installés dans la cuisine. Le local dans lequel se trouve le générateur de chaleur fonctionnant au gaz ou au combustible liquide doit avoir une fenêtre d'une superficie d'au moins 0,03 m2 pour 1 m3 du local. Le gazoduc doit être entré directement dans la cuisine ou dans la pièce pour placer le générateur de chaleur. Le gazoduc interne de la maison doit répondre aux exigences des gazoducs basse pression selon SNiP 2.04.08. En l'absence d'un approvisionnement centralisé en gaz pour l'approvisionnement cuisinières à gaz l'application est autorisée installations de bouteilles de gazplacé à l'extérieur de la maison. À l'intérieur de la maison, il est permis d'installer une bouteille d'une capacité ne dépassant pas 50 litres. (Modification du 26 mai 2004). • clause 6.15 Les générateurs de chaleur, y compris les poêles et cheminées pour combustibles solides, les plaques de cuisson et les cheminées doivent être réalisés avec la mise en œuvre de mesures constructives pour assurer la sécurité incendie de la maison conformément aux exigences SNiP 41-01-2003... Les générateurs de chaleur et cuisinières préfabriqués doivent également être installés en tenant compte des exigences de sécurité contenues dans les instructions du fabricant. MDS 41.2-2000 fait les exigences suivantes pour les solutions de planification et de conception: Le placement des unités de chauffage est prévu pour: ♦ dans la cuisine avec la puissance de l'unité de chauffage pour chauffer jusqu'à 60 kW inclus, indépendamment de la présence d'une cuisinière à gaz et d'une eau à gaz chauffe-eau; ♦ dans une pièce séparée à n'importe quel étage (y compris au sous-sol ou au sous-sol) d'une capacité totale pour les systèmes de chauffage et d'alimentation en eau chaude jusqu'à 150 kW inclusivement; ♦ dans une pièce séparée du premier, du sous-sol ou du sous-sol, ainsi que dans une pièce attenante à un immeuble résidentiel, avec leur capacité totale pour le système de chauffage et d'eau chaude jusqu'à 350 kW inclus.
Lorsqu'il est placé dans la cuisine cuisinière à gaz, chauffe-eau instantané pour l'alimentation en eau chaude et une unité de chauffage pour chauffage d'une puissance maximale de 60 kW, la salle de cuisine doit répondre aux exigences suivantes: ♦ hauteur d'au moins 2,5 m; ♦ le volume de la pièce n'est pas inférieur à 15 m3 plus 0,2 m3 pour 1 kW de puissance de l'unité de chauffage pour le chauffage; ♦ une ventilation doit être prévue dans la cuisine (hotte aspirante à raison de 3 fois le renouvellement de l'air ambiant par heure, entrée dans le volume d'échappement plus la quantité d'air pour la combustion du gaz); ♦ la cuisine doit avoir une fenêtre avec une fenêtre.
Pour le flux d'air, une grille ou un espace d'une section libre d'au moins 0,025 m2 doit être prévu au bas de la porte.
Lors de l'installation d'appareils de chauffage d'une puissance totale maximale de 150 kW dans une pièce séparée située à n'importe quel étage d'un immeuble résidentiel, la pièce doit répondre aux exigences suivantes: ♦ hauteur d'au moins 2,5 m; ♦ le volume et la superficie des locaux sont conçus en fonction des conditions d'un entretien pratique des unités de chauffage et des équipements auxiliaires, mais pas moins de 15 m3; ♦ la pièce doit être séparée des pièces adjacentes par des murs d'enceinte avec une limite de résistance au feu de 0,75 heure et la limite de propagation du feu le long de la structure est nulle; ♦ éclairage naturel - à raison de 0,03 m2 de vitrage pour 1 m3 de volume de la pièce; ♦ une ventilation doit être prévue dans la pièce (évacuation à raison de 3 fois le renouvellement de l'air ambiant par heure, entrée dans le volume d'échappement plus la quantité d'air pour la combustion du gaz);
Lors de l'installation d'appareils de chauffage d'une puissance totale maximale de 350 kW dans une pièce séparée au premier étage, au sous-sol ou au sous-sol d'un immeuble résidentiel, la pièce doit répondre aux exigences suivantes: ♦ hauteur d'au moins 2,5 m; ♦ la pièce doit être séparée des pièces adjacentes par des murs d'enceinte avec une limite de résistance au feu de 0,75 heure et la limite de propagation du feu le long de la structure est de zéro; ♦ éclairage naturel (vitrage 0,03 m2 pour 1 m3 de volume de pièce); ♦ une ventilation doit être prévue dans la pièce (évacuation à raison de 3 fois le renouvellement de l'air ambiant par heure, entrée dans le volume d'échappement plus la quantité d'air pour la combustion du gaz); ♦ le volume et la superficie de la pièce sont conçus en fonction des conditions d'un entretien pratique des unités de chauffage et des équipements auxiliaires.
Lors de l'installation d'unités de chauffage d'une puissance thermique totale allant jusqu'à 350 kW dans une extension de bâtiments résidentiels, la salle d'extension doit répondre aux exigences suivantes: ♦ L'extension doit être située sur une partie vide du mur du bâtiment à une distance horizontale de la fenêtre et des ouvertures de porte d'au moins 1 m; ♦ le mur de l'extension ne doit pas être relié au mur d'un immeuble résidentiel; ♦ les murs d'enceinte et les structures de l'extension doivent avoir une limite de résistance au feu de 0,75 heure et la limite de propagation du feu le long de la structure est nulle; ♦ hauteur d'au moins 2,5 m; ♦ le volume et la superficie des locaux sont conçus en fonction des conditions d'un entretien pratique des générateurs de chaleur et des équipements auxiliaires; ♦ éclairage naturel (vitrage 0,03 m2 pour 1 m3 de volume de pièce); ♦ une ventilation doit être prévue dans la pièce (évacuation à raison de 3 fois le renouvellement de l'air ambiant par heure, entrée dans le volume d'échappement plus la quantité d'air pour la combustion du gaz). Lorsque vous placez des générateurs de chaleur dans une pièce séparée au premier étage, au sous-sol ou au sous-sol, il doit avoir une sortie directement vers l'extérieur. Il est permis de prévoir une deuxième sortie vers la buanderie, tandis que la porte doit être ignifuge de type 3.


Recommandations pour l'installation d'équipements à gaz
Dans les documents joints au produit, chaque fabricant décrit les exigences pour l'installation d'une chaudière à gaz dans un appartement. Pour que la garantie fournie par les fabricants soit valide, l'unité doit être installée conformément à leurs recommandations.


La liste des exigences est la suivante:
- Chaudière murale séparés des murs par un matériau non combustible. Une fois carrelé ou recouvert d'une couche de plâtre, cela suffira. L'appareil ne doit pas être suspendu immédiatement sur une surface revêtue de bois.
- Unité au sol placé sur une base incombustible. Si le sol a des carreaux de céramique ou de béton, vous n'avez rien à faire. Une feuille de matériau isolant thermique doit être placée sur le parquet et une feuille de métal doit être fixée dessus, dont la taille dépasse les dimensions de la chaudière de 30 centimètres.
Nombre d'étages et autres exigences pour la gazéification
Conformément aux SNiP et SP actuels, l'installation ou le déplacement d'une chaudière à gaz dans un immeuble d'appartements est autorisé s'il y a une zone requise de la pièce et un système de cheminée fiable conforme aux règles pour le fonctionnement en toute sécurité des équipements à gaz .
Un tel équipement n'est installé que dans des pièces non résidentielles: une cuisine ou des pièces auxiliaires avec une fenêtre, une porte et une ventilation fiable.
Le nombre d'étages est d'une grande importance pour l'obtention d'un permis. Auparavant, des limites étaient fixées pour l'installation de chaudières à gaz de 5 à 9 étages.
Maintenant que les normes d'installation d'une chaudière à gaz ont été clarifiées par la clause 5.18 de la SP 402-1325800 / 18, il est permis d'installer une chaudière autonome dans les bâtiments résidentiels jusqu'à 28 m de hauteur.
Exigences pour la disposition de la cheminée
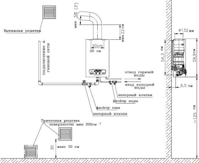
Lorsqu'une chaudière à gaz de tout type est installée dans un appartement d'un immeuble à appartements, la cheminée ne doit pas être rendue plus étroite que sa sortie. Si l'appareil a une chambre de combustion ouverte et une puissance ne dépassant pas 30 kW, la section de la cheminée ne peut pas être inférieure à 140 millimètres et d'une capacité de 40 kW à 160 millimètres de diamètre.
Si la chaudière a une chambre de combustion fermée, elle est équipée d'une cheminée coaxiale avec une section transversale recommandée par le fabricant.


Ensuite, vous devez respecter ces règles:
- le tuyau qui monte de l'unité à gaz murale doit avoir une longueur d'au moins 50 centimètres, puis seul le coude peut être installé;
- il ne faut pas créer plus de trois coudes sur toute la longueur des cheminées;
- les produits de combustion des appareils avec chambres de combustion ouvertes sont évacués dans la cheminée, et ceux fermés - également dans la cheminée ou à travers le mur directement dans la rue (la méthode dépend du projet).
Exigences relatives aux locaux
La pièce allouée pour l'installation d'une chaudière dans un appartement d'un immeuble d'appartements doit être conforme aux exigences en matière d'incendie et d'hygiène.
L'installation de chaudières à gaz est autorisée dans des locaux non résidentiels, le volume autorisé de la pièce, qui a une porte et une fenêtre.
La paroi de placement de la chaudière doit être solide ou renforcée de manière à pouvoir résister à la structure de l'unité.
Toutes les surfaces adjacentes à la chaudière doivent être isolées avec un matériau résistant à la chaleur, y compris le sol et le plafond. L'avant de la chaudière doit avoir un espace libre d'au moins 100 cm pour son entretien et sa réparation.
Principales caractéristiques des locaux non résidentiels pour l'installation de chaudières selon SNiP 42-01 et MDS 41.2-2000:
- la hauteur sous plafond minimale est de 2,5 m;
- surface de la fenêtre à raison de 0,03 m2 pour 1m3 du volume de la pièce;
- la conception des éléments du local doit correspondre à une résistance au feu d'au moins REI 45;
- la porte de la pièce doit avoir une largeur de 80 cm et un espace inférieur de 2 cm;
- le local doit avoir une ventilation de soufflage et d'extraction avec un renouvellement d'air triple par heure par le volume du local, plus un volume supplémentaire pour brûler du gaz combustible dans la chaudière.
Meilleur endroit pour installer
La pièce la plus appropriée est la cuisine, d'autant plus qu'elle contient déjà une entrée de gaz. La surface minimale de la fournaise pour placer une chaudière avec une fournaise fermée doit être d'au moins 4 m2.


Si le propriétaire a des doutes sur le placement de la chaudière dans un appartement d'un immeuble à plusieurs étages, il est nécessaire de consulter le service gaz, qui vérifiera les capacités techniques des pièces existantes, d'autant plus que cette étude sera obligatoire avant émettre des spécifications techniques.
Exigences de la cheminée
Les systèmes de cheminée et de ventilation garantissent le fonctionnement en toute sécurité des chaudières à gaz pour chauffer un appartement.Par conséquent, des exigences particulières leur sont imposées en ce qui concerne le gaz, l'inspection incendie et le SES.


Dans la plupart des cas, le système de ventilation des appartements dans les immeubles de faible hauteur n'est pas conçu pour éliminer les gaz de combustion de la chaudière, il est donc préférable d'installer une chaudière à gaz avec une chambre de combustion fermée avec un conduit de gaz coaxial situé horizontalement avec une sortie à travers le mur.
L'avantage de cette conception est que l'entrée d'air se fera de l'extérieur des locaux par le tuyau extérieur du système coaxial, c'est-à-dire qu'elle n'affectera pas la qualité sanitaire et épidémiologique de l'air dans le logement.
La taille de la section de la cheminée coaxiale est déterminée par le fabricant de la chaudière et est indiquée dans le passeport de l'équipement de la chaudière.


Choisir une chaudière à gaz
Avant d'installer une chaudière dans un appartement, vous devez faire le meilleur choix.Les chaudières murales et au sol peuvent être installées dans un bâtiment à plusieurs étages. Les modèles muraux sont considérés comme plus esthétiques et pratiques en termes de placement. Leurs dimensions sont comparables aux dimensions des armoires murales de cuisine et s'intègrent donc bien à l'intérieur de la pièce.
Ce sera plus difficile avec l'installation des unités de plancher, car elles ne peuvent pas toujours être poussées près du mur. Cette nuance dépend de l'emplacement du tuyau d'échappement des fumées. S'il est sur le dessus, l'appareil, si vous le souhaitez, est déplacé vers le mur.
Les chaudières sont également disponibles en circuit simple et double. Le premier d'entre eux ne fonctionne que pour la fourniture de chaleur et le second pour le chauffage et le chauffage de l'eau. Lorsqu'un autre équipement est utilisé pour l'eau chaude sanitaire, un modèle à circuit unique suffit.


Si l'eau est chauffée par une chaudière à gaz, vous devrez choisir l'une des deux méthodes suivantes: une chaudière à chauffage indirect ou un serpentin à circulation. Les deux options présentent des inconvénients. Lorsqu'un serpentin est utilisé, ce qui signifie qu'un chauffage instantané est effectué, toutes les unités ne sont pas en mesure de maintenir la température de consigne.
Pour cette raison, des modes de fonctionnement spéciaux doivent être définis dans les chaudières, ils sont appelés différemment dans différents appareils. Par exemple, dans les modèles Navien (lire sur les dysfonctionnements de la chaudière Navien), Beretta est «priorité eau chaude», et chez Ferrolli c'est «confort».
L'inconvénient du chauffage de la chaudière est que du combustible gazeux est consommé pour maintenir une température d'eau stable dans le réservoir. De plus, la réserve d'eau chauffée est limitée. Après sa consommation, vous devez attendre que la nouvelle portion se réchauffe.
Le choix des méthodes ci-dessus est une affaire individuelle, mais vous devez vous rappeler qu'avec la version à circulation, vous devrez vous concentrer sur la productivité de l'eau de chauffage par minute et avec une chaufferie - sur le volume du réservoir.
Les unités à gaz diffèrent par le type de brûleur utilisé, qui sont:
- position unique;
- deux positions;
- modulé.
Les moins chers sont ceux à position unique, mais en même temps, ils sont les moins rentables, car ils fonctionnent toujours à pleine capacité. Un peu plus économiques sont ceux à deux positions, qui sont capables de fonctionner à la fois à 100% de puissance et à 50%. Les meilleurs brûleurs sont considérés comme modulants car ils ont de nombreux modes de fonctionnement, ce qui permet d'économiser du carburant. Leurs performances sont automatiquement contrôlées.


Le brûleur est situé dans une chambre de combustion, qui peut être ouverte ou fermée. L'oxygène pour les chambres ouvertes provient de la pièce et les produits de combustion sont évacués par une cheminée atmosphérique.
Les chambres fermées sont équipées d'une structure de cheminée coaxiale et l'oxygène pour la combustion y pénètre par la rue. Dans ce cas, les produits de combustion sont évacués le long du contour central de la cheminée et l'air pénètre par l'extérieur.
Les unités au sol sont équipées d'un brûleur gonflable ou atmosphérique. Lorsqu'une chaudière au sol est installée dans un immeuble, il est permis d'utiliser un brûleur atmosphérique dans l'appartement. La plupart de ces appareils à gaz ont une chambre de combustion fermée, ce qui signifie qu'ils sont équipés d'une turbine et d'une cheminée coaxiale.
Calcul de la puissance de la chaudière
Lorsque le type d'unité de chauffage est sélectionné, vous devez décider de sa puissance. Si vous le souhaitez, vous pouvez commander un calcul d'ingénierie thermique qui vous permet de déterminer la perte de chaleur dans les locaux. Sur la base de ce chiffre, ils commencent à sélectionner la puissance de la chaudière.
Il est possible de ne pas faire de calculs, mais d'utiliser les normes acquises par l'expérience, selon lesquelles 1 kW de puissance de chaudière est nécessaire pour 10 "carrés" de la zone. Ce résultat doit être complété par une marge de performance pour diverses pertes.
Par exemple, pour fournir de la chaleur à un appartement d'une superficie de 60 "carrés", vous avez besoin d'un appareil de 6 kW. Si le chauffage de l'eau est prévu, ajoutez 50% et obtenez 9 kW de puissance, et en cas de temps anormalement froid encore 20-30%. Le résultat final est de 12 kW.


Mais c'est un calcul pour la Russie centrale.Si la colonie est située au nord, la productivité de l'unité devrait être encore augmentée. La valeur spécifique dépend du degré d'isolation de la maison. Pour un immeuble de grande hauteur en panneaux ou en briques, ce sera 50% ou plus.
La chaudière doit avoir une puissance suffisante pour assurer le confort de l'appartement, vous ne devez donc pas économiser dessus. La différence de coût ne sera pas grande. Si une chaudière automatisée est achetée, il n'y aura pas de surconsommation de gaz, car ces modèles d'unités sont les plus économiques.
Le processus d'obtention d'un permis lié à la possibilité d'installer une chaudière à gaz dans un appartement est plutôt compliqué, coûteux et prend du temps. Mais tous les efforts en valent la peine, car il vaut mieux vivre à une température intérieure confortable. Dans le même temps, vous devrez payer moins pour le chauffage individuel que pour le chauffage centralisé.



