Des capteurs thermiques sont utilisés pour mesurer et contrôler la température dans le sol chaud. Ces appareils sont utilisés dans les systèmes de chauffage modernes et vous permettent d'ajuster l'intensité de chauffage en fonction des paramètres spécifiés. En plus des thermostats, des capteurs de contrôle de l'air et du chauffage par le sol sont également utilisés.
Thermostat mural pour plancher d'eau chaude
Les capteurs thermiques sont classés selon les paramètres suivants:

Caractéristiques d'une sonde de température pour sol chaud
- Par le type d'automatisation utilisé - mécanique, à distance (un panneau de commande est inclus dans le kit), électronique, programmable (ils régulent le chauffage en mode automatique ou selon des paramètres spécifiés);
- Par un ensemble de fonctions de base et supplémentaires: contrôle de la température de l'air, de la pression hydraulique dans le circuit;
- Par puissance: 600 W - 2 kW ou plus;
- Par voie d'installation: interne et externe. Les capteurs de température internes sont subdivisés en panneaux et muraux. Les premiers sont installés dans le bouclier et les seconds sont installés directement à proximité de la source d'alimentation.
Comment est la régulation du chauffage par le sol
Si la maison ou l'appartement n'est pas grand, la région de résidence est au sud, les sols chauds peuvent être laissés comme principale source de chauffage. Dans d'autres cas, il est fait comme un bel ajout pour rendre la vie plus confortable. Par exemple, dans la chambre des enfants, dans la salle de bain ou dans la cuisine, dans la zone de travail. Le fait est qu'il est impossible de rendre le sol très chaud pour une raison évidente. S'il fait moins 40 degrés à l'extérieur de la fenêtre, le système de chauffage devrait être plus puissant.
Il est très pratique d'avoir des planchers dont le niveau de chauffage est contrôlé. Il existe de nombreux dispositifs pour régler la température du sol chaud. Leur travail repose sur un principe unique.
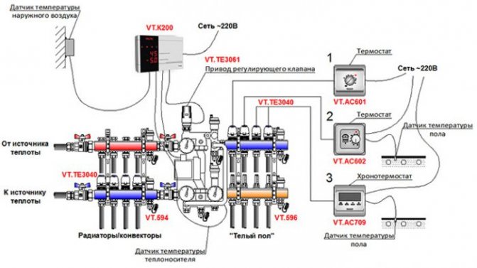
Les circuits de chauffage sont contrôlés individuellement, grâce à la disposition de collecteurs spéciaux qui rassemblent les entrées et les sorties du système de chauffage:
Le capteur de température pour un plancher chauffé à l'eau signale au thermostat que la température dans la pièce (ou sur la surface du plancher) a augmenté. La chaîne comprend un servomoteur qui contrôle les vannes. Après avoir reçu le signal approprié du thermostat, il admet un nouveau lot d'eau chaude dans le système. Ou, inversement, il bloquera son mouvement si le thermostat donne un signal que la pièce est devenue chaude. Une vanne thermique pour un sol chauffé à l'eau permet de réguler le débit du caloporteur. Une telle vanne thermostatique pour chauffage par le sol vous permet de réguler efficacement la température de départ du fluide caloporteur. Pour pomper de l'eau, une pompe doit être installée.


Ainsi, pour contrôler les indicateurs de température des sols chauds, vous avez besoin de:
- collecteur, où tous les circuits sont réduits;
- thermostat;
- capteur thermique;
- un servo variateur qui contrôle les vannes;
- pompe pour pomper l'eau.
Tout cela permet d'automatiser le système de chauffage. Ce n'est pas une simple commodité, mais des économies d'énergie. Les thermostats peuvent être réglés pour qu'en l'absence de personnes, le chauffage de la pièce soit réduit. Les machines vous permettent d'économiser 30 à 40% du volume des vecteurs d'énergie. De plus, cela n'affectera pas les conditions de vie des personnes, au contraire, cela rendra plus confortable de séjourner dans un appartement ou une maison.
Afin d'augmenter la sécurité du fonctionnement des appareils, l'installation de soupapes de sécurité et de dispositifs de protection contre les surtensions dans le réseau électrique et la surchauffe des équipements électriques est prévue.
Règles de réglage du thermostat
Le réglage initial des thermostats de toute nature consiste à vérifier les performances globales de l'ensemble du système de chauffage par le sol.


Pour ce faire, il est nécessaire d'allumer le chauffage, de définir les paramètres nécessaires sur tous les appareils de mesure et de réchauffer complètement toutes les pièces de la maison ou de l'appartement. Réglez le mode de chauffage optimal pour la chaudière à 60 ° C.
En cas d'allumage fréquent de la chaudière et sur le point de démarrer, réglez une puissance plus faible et vérifiez à nouveau le système. Vous devrez choisir la bonne température dans chaque pièce pendant le fonctionnement du système de chauffage par le sol.
- Articles similaires
- Comment installer le chauffage par le sol Devi?
- Comment élaborer un projet pour un sol chaud?
- Quels sont les mythes sur les dangers du chauffage par le sol?
- Quelles sont les caractéristiques d'un plancher chaud à deux cœurs?
- Comment faire un sol sec et chaud?
- Comment les tuyaux PEX pour chauffage par le sol sont-ils connectés?
Quels thermostats peuvent contrôler
Les thermostats modernes pour un plancher chauffant à eau peuvent contrôler les indicateurs suivants:
- température de l'air intérieur;
- niveau de chauffage au sol;
- combiner le contrôle de la température de l'air et du sol.
Pour contrôler la température de l'air dans la pièce, des capteurs sont intégrés dans le boîtier du thermostat. Ils l'ont mis en place spécifiquement pour prendre en compte le niveau des indicateurs dans une salle contrôlée. Ce contrôle n'est efficace qu'à l'intérieur de bâtiments bien isolés et les pertes de chaleur sont minimisées. Si cette condition n'est pas remplie, il n'est pas rentable d'installer une sonde de contrôle de température ambiante.


S'il est nécessaire de contrôler le chauffage de la surface du revêtement de sol, le capteur de température du plancher chauffant à eau est installé au plus près du circuit de chauffage. Un tel système est efficace lorsque le sol chaud sert de chauffage supplémentaire de la pièce. Le régime de température de l'air est établi par les principales sources de chaleur.
Un thermostat pour un plancher chauffé à l'eau avec un système de commande combiné est rarement utilisé, dans des circuits de chauffage modernes séparés. Il peut contrôler simultanément le niveau de chauffage du sol et de l'air, ou, par choix, une chose.
Appareils électroniques avec contrôle logiciel
Les thermostats programmables sont des structures qui stockent les données du régime de température réglé. De tels dispositifs sont installés dans des systèmes avec des éléments chauffants électriques intégrés.
Ils fournissent un processus automatique de réglage et d'ajustement de la température dans les équipements conçus pour les systèmes de refroidissement ou de chauffage.
Le besoin de thermostats est de fournir des dispositifs équipés d'éléments pour changer les indicateurs de température, les allumer / éteindre lorsque certains paramètres de température sont atteints.
À l'aide de structures thermostatiques, l'environnement contrôlé aura une température prédéterminée.
Le principe de fonctionnement des appareils programmables est le même, quel que soit l'appareil dans lequel ils sont intégrés:
- un capteur thermique, intégré ou à distance, doit transmettre des informations précises au thermostat, qui régule la température en augmentant ou en diminuant la puissance de l'appareil de chauffage;
- l'efficacité et la qualité du travail des "planchers chauds" avec n'importe quel élément chauffant dépendent du capteur de température;
- des capteurs de température sont placés dans la pièce de manière à être retirés des points qui affectent le changement de température, car la distorsion des lectures des capteurs introduira une erreur dans le fonctionnement du thermostat;
- un fonctionnement de haute qualité des capteurs permet au régulateur de température de maintenir des conditions environnementales confortables dans la pièce;
- grâce à la précision de la transmission des lectures au dispositif de régulation, le revêtement de sol ne surchauffera pas et ne se détériorera pas;
- les fonctions avancées du microcircuit de thermostat programmable fournissent le réglage de la température pour une pièce séparée individuellement, en fonction de l'heure de la journée ou d'autres exigences;
- le fonctionnement du système énergétique à la maison est stabilisé, ce qui est nécessaire pour calculer la consommation économique d'électricité à Moscou.
Nous recommandons: Comment se déroule l'installation des tuyaux PЕrt pour le chauffage par le sol?
Les types de capteurs de température suivants sont utilisés dans le système «plancher chaud». n'importe lequel d'entre eux peut être intégré dans le boîtier du thermostat ou être équipé à une certaine distance:
- le capteur pour déterminer la température ambiante doit être fourni par la circulation d'air de la pièce donnée;
- les éléments infrarouges conçus pour la mesure à distance de la température du revêtement de sol chauffant peuvent être intégrés dans un thermostat programmable ou séparés dans une unité séparée. Pour une telle combinaison, il faut se conformer à la seule exigence: l'absence d'obstacles entre le capteur et la surface contrôlée. la distance entre eux doit être égale ou supérieure à 30 cm;
- les éléments de contact pour mesurer la température de la surface du sol représentent une structure constituée d'un fil relié à une extrémité à un thermostat. L'autre extrémité avec un épaississement est placée dans un tube ondulé situé sous la surface du sol;
- capteurs combinés pour mesurer la température de la surface du sol.
Plusieurs capteurs peuvent être connectés au thermostat de contact, ce qui permet de desservir plusieurs zones dans une maison ou un appartement dans plusieurs pièces à des fins différentes.
Types de thermostats par conception et méthode d'installation
Lorsque la question se pose de savoir comment réguler la température d'un plancher chauffant à l'eau, dans la variété des différents types de thermostats, vous devez vous orienter correctement. Bien qu'ils remplissent la même fonction, les fonctionnalités supplémentaires sont différentes et, par conséquent, le prix.
Les appareils produits par les fabricants peuvent être divisés en cinq groupes en fonction de la complexité de la conception:
- mécanique;
- à distance sensorielle;
- électronique ordinaire;
- thermostats programmables;
- controlé par radio.
La fiabilité des modèles ne dépend pas de la conception, mais de la conscience du fabricant et des conditions de fonctionnement.
Selon la méthode d'installation, les thermostats sont:
- muraux conventionnels, qui sont montés dans chaque pièce et conviennent aux petits appartements;
- panneau, permettant à partir d'un point de contrôler le processus dans un grand bâtiment.
Chacune de ces méthodes permet de faire fonctionner commodément le système de contrôle de température.
Conditions d'installation d'une vanne thermostatique
La vanne thermostatique utilisée pour le chauffage par le sol est installée, en règle générale, dans des endroits accessibles, de sorte qu'il serait plus pratique de les contrôler. Important! Lors de l'utilisation de plusieurs thermostats dans le système de chauffage, ils doivent être installés à une certaine distance les uns des autres. Les appareils ne doivent pas créer d'obstacles technologiques les uns pour les autres.


Important! Lors de l'installation d'un chauffage par le sol dans une salle de bain ou un sauna, les thermostats sont retirés à l'extérieur des locaux avec une humidité élevée.
La conception du thermostat, contrairement à la plupart des unités et éléments du système de chauffage, n'est pas hermétiquement scellée. Une humidité élevée a un effet extrêmement négatif sur la précision des lectures des appareils à remplissage électronique. Dans de telles conditions, des régulateurs mécaniques sont généralement utilisés. Si vous souhaitez combiner deux pièces adjacentes sous une seule commande, installez un thermostat à deux zones qui régule la température du fluide caloporteur dans des circuits séparés, indépendamment les uns des autres.
Un tel dispositif est très pratique lorsqu'il est nécessaire de chauffer certaines zones d'intensités différentes dans la même pièce.
Par exemple: le lieu de repos (lit ou canapé) a besoin de moins de chauffage, tandis que la zone centrale de la pièce, sans meubles et autres objets, a besoin de plus de chauffage.
Je voudrais ajouter que les régulateurs thermostatiques sont installés séparément pour chaque unité de mélange. Plus il y a de circuits d'eau de chauffage, plus vous avez besoin de thermostats. Pour une maison où toute la zone est chauffée avec des planchers d'eau chaude, des thermostats sont placés séparément sur chaque unité de mélange, desservant ainsi chaque pièce séparément.


L'installation du régulateur est effectuée en fonction du type d'appareil, en étant inclus dans le système de canalisation ou au moyen d'une méthode aérienne. Si vous souhaitez créer une version cachée, vous pouvez préparer un trou spécial dans le mur. La distance optimale de l'emplacement du thermostat est de 1,5 à 5 m du niveau du sol. Il n'est pas recommandé d'encombrer le site d'installation avec des meubles et des décorations suspendues (tapis, rideaux, peintures). La connexion des appareils électroniques au réseau se fait via un connecteur standard, en le branchant dans une prise.


Le schéma montre l'option d'installation du thermostat et le schéma de sa connexion au secteur.
Sur une note: le thermostat est installé sur le système après l'achèvement des travaux d'installation sur l'installation du chauffage par le sol. En connectant l'instrument à un capteur de température, votre système de contrôle est prêt à l'emploi.
Type mécanique
Les thermostats mécaniques pour plancher chauffant à l'eau sont les modèles les plus simples, rappelant les dispositifs de régulation du froid dans les réfrigérateurs. Ils sont peu coûteux et faciles à entretenir. Le régime de température est sélectionné en tournant la tête du thermomètre. Une marque spéciale est alignée sur le nombre souhaité sur l'échelle de gradation. Si quelque chose est mal réglé, tout peut être facilement corrigé. Il existe des modèles où un interrupteur à bascule est installé pour éteindre / allumer complètement le système. Il existe des thermostats mécaniques avec une minuterie. Il vous permet de définir une certaine période de temps pendant laquelle les planchers chauffants seront allumés.


Le seul inconvénient est la nécessité d'un contrôle constant de la température, le changement des indicateurs n'est possible que manuellement. Ils ne disposent d'aucune électronique capable de répartir le niveau de température dans le temps.
Vous devez savoir qu'il existe des échantillons de mauvaise qualité qui ne reflètent pas fidèlement la température. Ceci, en principe, n'est pas si effrayant. Il est recommandé de vérifier ses lectures avec un thermomètre d'ambiance immédiatement après le démarrage de l'appareil. Effectuez ensuite un contrôle en tenant compte de la différence.
Vannes thermiques à capteur avec panneau de commande
Le contrôle de la température des planchers chauffants à eau peut être effectué à l'aide de modèles de capteurs contrôlés à distance à l'aide d'une télécommande.
Les appareils disposent d'un écran tactile moderne et facile à utiliser. Il affiche toutes les informations actuelles sur le régime de température, y compris un avertissement sur la présence d'une sorte de panne dans le système.


L'attractivité de telles structures ne réside pas seulement dans leur maintenance "à distance", mais aussi dans le fait qu'elles peuvent réguler plusieurs circuits à la fois. C'est pour des systèmes aussi complexes que les modèles de capteurs contrôlés par une télécommande sont le plus souvent utilisés. Un thermostat d'un fabricant fiable durera longtemps.
Caractéristiques de l'équipement
Le liquide de refroidissement de la chaudière passe par la canalisation vers le collecteur. De là, le liquide pénètre dans le pipeline de sol. En dégageant de la chaleur, il retourne au collecteur, qui a une sortie de retour séparée pour le caloporteur refroidi. La pompe de circulation renvoie l'eau dans la chaudière.
Avec un contrôle manuel du régime de température, des vannes sont installées sur le circuit avec de l'eau froide et un caloporteur à haute température. Si la pièce s'est suffisamment réchauffée, la vanne d'eau chaude est fermée. Si la pièce est froide, la vanne est ouverte.
Pour la régulation automatique du mode de chauffage, un mélangeur à trois voies avec un thermostat et une sonde de température externe est installé. Ce système forme une vanne thermostatique. Il est installé à l'entrée du collecteur. L'équipement est en laiton ou en bronze.
- La vanne à trois voies dispose de 3 sorties pour l'eau chaude et froide et pour le fluide caloporteur, qui est fourni à la ligne de plancher. Sur le boîtier, des marqueurs indiquent le sens des écoulements à différentes températures.
- Une chambre de mélange est prévue pour mélanger des liquides de différentes températures.
- Un thermostat avec un régulateur de température est situé sur le corps.
- La sonde de température est située sur le thermostat.
- Les vannes ferment les sorties de flux froid et chaud. Ils peuvent être en forme de disque ou d'aiguille. Leur travail dépend du thermostat.
- Le thermostat est un système composé d'une capsule liquide et d'une tige à ressort. Des valves y sont attachées.
- Le capteur de température dispose d'un panneau numérique sur lequel les modes de chauffage sont indiqués.
Nous recommandons: Comment calculer la distance entre les tuyaux de chauffage par le sol?
Le thermostat peut être situé dans la tête thermique ou dans l'actionneur. Les appareils ont un circuit différent, mais le même principe de fonctionnement. La tête thermique est un thermostat, qui fonctionne à l'aide d'un liquide: elle est sensible aux changements de température.
Les servos sont alimentés par le réseau électrique. Le liquide est contenu dans un récipient. Il contient une plaque chauffante. Le servo est installé sur le collecteur.


Le mélangeur à trois voies est conçu pour les systèmes de chauffage de grandes surfaces. Dans des pièces séparées ou dans des maisons de campagne, une vanne à deux voies est connectée au collecteur. Il est installé sur un circuit avec un liquide de refroidissement haute température. L'eau y circule dans une seule direction.
Thermostats électroniques conventionnels pour le chauffage par le sol à eau
Certains consommateurs préfèrent installer des thermostats électroniques conventionnels dans leur maison. Ils ne diffèrent pratiquement pas des écrans tactiles avec télécommande. Une carte électronique et des boutons sont situés sur le panneau en plastique. Avec leur aide, le régime de température requis est défini, qui peut changer plusieurs fois par jour.


Il n'est pas difficile de déterminer vous-même les paramètres d'un tel appareil. La conception est d'un ordre de grandeur plus élevée que celle d'un thermostat de type mécanique pour un plancher d'eau chaude.
Thermostats programmables «intelligents»
Les appareils qui peuvent eux-mêmes modifier le niveau de température dans la pièce en l'absence de personnes sont beaucoup plus complexes, mais les économies réalisées grâce à leur utilisation sont énormes. Les frais d'achat et d'installation seront payants dès la toute première saison hivernale. Nous parlons de thermostats programmables. Ils peuvent desservir plusieurs circuits en même temps. Il est possible de se connecter au système «maison intelligente».


Le thermostat programmable résout de nombreux problèmes de chauffage, offre un séjour confortable dans la pièce. Vous permet de définir des jours, des heures et des semaines spécifiques à une température donnée. Par conséquent, même en l'absence des propriétaires, il transférera lui-même le système de chauffage en mode économique. Toutes les informations sur son travail sont affichées à l'écran.
Seul un technicien spécialement formé peut les installer. Cet équipement est coûteux, nécessite une attitude prudente envers lui-même, mais il se justifie pleinement.
Le principe de fonctionnement du thermostat
Les thermostats sont des dispositifs spéciaux permettant d'ajuster le régime thermique d'une pièce en fonction des conditions météorologiques. Ils sont fiables, faciles à utiliser, en règle générale, ils servent pendant de nombreuses années sans pannes ni échecs des modes de réglage.
Les appareils sont conçus pour être utilisés par des personnes de tout niveau de connaissances. Autrement dit, leur prise en charge est disponible, y compris pour les adolescents et les personnes âgées.


Les thermostats sont conçus pour régler individuellement la température minimale de chaque pièce de la maison.Ceci est particulièrement avantageux pour les modèles avec programmation du mode de fonctionnement de l'appareil pendant toute la journée.
L'outil de travail est un thermostat à distance du système « plancher chaud » (STP). Son but: une fois atteint la température réglée sur l'appareil, ouvrir ou au contraire fermer le circuit électrique.
À la suite de cette action, le système arrête ou reprend le chauffage. Les thermostats sont répartis dans les types suivants :
Structures mécaniques
Le capteur de température est une plaque bimétallique qui ferme les contacts des tapis chauffants. Lorsque la température dans la pièce augmente, la plaque se plie et ouvre le circuit électrique, ce qui entraîne l'arrêt de l'alimentation en énergie électrique.
Après refroidissement et redressement, la plaque referme les contacts, reprenant le cycle.
La température dans la pièce est modifiée en faisant tourner une roue spéciale. Malgré la conception primitive, la fonctionnalité minimale, l'impossibilité d'installer une télécommande, le thermostat mécanique continue d'être utilisé, en raison de ses caractéristiques :
- simplicité des réglages pendant le fonctionnement;
- à bas prix;
- fiabilité de la structure pendant le fonctionnement à hautes et basses températures;
- indépendance vis-à-vis des interférences énergétiques;
- l'appareil s'allume automatiquement avec l'alimentation après avoir été éteint.
Nous recommandons : Évaluation des fabricants de chauffage par le sol
Thermostats électroniques
Les thermistances sont utilisées comme capteurs de température dans les régulateurs de température à relais (électroniques). Les thermistances, lorsque l'environnement se réchauffe, modifient la résistance au courant électrique, qui est fixée par le microcircuit de commande, qui transmet le signal du relais.
La bobine du relais ouvre les contacts, brisant le circuit, le circuit d'alimentation est mis hors tension.


La température ambiante diminue de 1 degré, pas plus, le circuit est fermé, reprenant le chauffage du système «plancher chaud».
Il existe des modèles de thermostats électroniques, auxquels d'autres zones isolées du chauffage au sol, équipées de leurs propres capteurs, peuvent être connectées.
Les conceptions thermiques électroniques ou de relais sont plus avancées que leurs homologues mécaniques et présentent les avantages suivants :
- le capteur, un élément distant du thermostat, peut être installé dans n'importe quel endroit pratique de la pièce;
- la température réglée et les données actuelles enregistrées sont affichées sur l'écran ;
- la possibilité de contrôler la température dans plusieurs zones du "plancher chaud";
- le capteur de température enregistre la température et l'affiche sur l'écran avec une précision de plusieurs fractions de degré ;
- il y a une possibilité de compléter avec une unité de contrôle externe.
Les circuits électroniques des thermostats dépendent en grande partie de l'état de la tension dans le réseau électrique.
Avec les chutes de tension et les coupures de courant de courte durée, il y a des défaillances dans le fonctionnement stable et les réglages du microcircuit de l'appareil électronique. Lors du calcul du coût, les structures électriques sont bien plus chères que leurs homologues mécaniques.
Thermostats radiocommandés sans fil
Encore plus chers que les thermostats électroniques programmables, les thermostats radio sont rarement installés. Utilisé dans les maisons où il est décidé de ne pas utiliser de câbles électriques.
Les servocommandes sont envoyées à l'aide de signaux radio. Cela se passe de la manière suivante. Le signal des capteurs pour le chauffage par le sol à eau va au thermostat radio. Il les redirige vers le contrôleur radio. La chaîne du signal radio mène au distributeur d'eau chaude. Le prix d'un tel équipement est élevé en raison du fait que des récepteurs et des émetteurs sont installés à chaque étape de la transmission du signal radio.
La réparation d'un tel système en cas de défaillance est coûteuse.
Contrôle de la température du fluide caloporteur avec une vanne thermostatique
Ainsi, en tournant la tige de la vanne dans un sens ou dans l'autre, nous mélangeons le liquide de refroidissement chaud et froid.Ainsi, nous atteignons la température souhaitée dans le sol chaud.
En général, il existe quatre schémas d'un tel mélange.
Schéma 1 : pointeur de vanne en position maximale
Dans cette position, le volet ferme la sortie reliée au retour. Le liquide de refroidissement froid ne se mélangera pas avec le liquide chaud provenant de la chaudière. C'est-à-dire qu'un liquide de refroidissement chaud pénétrera dans le sol chaud, ce qui n'est autorisé qu'au premier démarrage du sol chaud, pour réchauffer la chape.
Schéma 2 : le pointeur de la vanne est inférieur au "maximum"
Le passage de la ligne de retour est légèrement ouvert. Le liquide de refroidissement froid est mélangé au chaud, c'est pourquoi le liquide de refroidissement ira dans le sol chaud à une température inférieure à celle de la chaudière.
Schéma 3 : pointeur de vanne en position médiane
Ici, le mélange de liquide de refroidissement du retour est encore plus important que dans la deuxième version. Et donc la température du mélange est encore plus basse, juste telle qu'elle est acceptable pour un sol chauffé à l'eau.
Schéma 4 : pointeur de valve au "minimum"
Cette position de l'obturateur se produit uniquement lorsque la vanne est commandée par un servomoteur. Avec la commande manuelle, ce schéma n'est pas utilisé.
Comment décider du choix du thermostat de régulation
La première chose à laquelle il faut faire attention lorsqu'il s'agit d'un séjour confortable dans un appartement ou une maison est la température de l'air dans la pièce. Quel que soit l'intérieur, le mode de chauffage et toutes les conséquences associées sont plus importants. Si la pièce est chauffée uniformément, s'il n'y a pas de sols humides, de coins et de recoins avec des courants d'air froid, il est agréable d'être dans la pièce. Le thermostat pour chauffage au sol avec un capteur à distance vous permet d'atteindre un niveau de température confortable dans chaque pièce séparément. Cependant, il n'est pas conseillé d'acheter un thermostat mécanique à de telles fins. Il n'a pas la possibilité de contrôler le régime de température dans plusieurs pièces en même temps.
Avant d'acheter un thermostat, vous devez réfléchir au type de problèmes de contrôle de la température que cet appareil résoudra. S'il est nécessaire de réguler la chaleur en l'absence des propriétaires, un thermostat programmable fera parfaitement face à cette tâche.
Lorsque les membres de la famille ne peuvent pas décider du régime de température général dans la maison, un thermostat électronique multicanal aidera, qui, à l'aide de capteurs installés dans différentes pièces, régulera le niveau de chaleur.
Le thermostat mécanique le moins cher et le plus facile à utiliser aidera à maintenir le niveau de température souhaité dans un petit appartement.
Lors du choix d'un thermostat, il est impératif de connaître sa puissance. Il doit correspondre à la capacité du système de chauffage par le sol.
Différents types de thermostats d'ambiance pour le chauffage par le sol à eau sont conçus pour des systèmes de chauffage présentant certaines caractéristiques techniques et caractéristiques d'économie de chaleur des bâtiments, le climat d'une région donnée. Les souhaits du consommateur sont pris en compte. Ainsi, par exemple, différents modèles et fabricants ont des interfaces différentes, avec lesquelles il est pratique de surveiller le fonctionnement de l'appareil.
Comment choisir son équipement ?
Les dispositifs thermostatiques sont choisis en fonction du débit du liquide de refroidissement. Il doit correspondre au volume de liquide qui est pompé dans le système de chauffage. Les données sont indiquées dans la fiche technique de la chaudière.
Pour les circuits chauds et froids, des tuyaux métalliques d'un diamètre de 26 * 2 mm sont utilisés. Les buses d'un mélangeur à trois voies doivent avoir le même diamètre. Sinon, vous devrez installer des adaptateurs, ce qui n'est pas souhaitable pour le système de chauffage. Les coutures ont une charge élevée. Vous devez toujours surveiller leur étanchéité.
Nous recommandons : Quelles sont les caractéristiques du chauffage au sol Shtein ?


La température du liquide dans la ligne de sol est de 55 à 35 ° C. L'équipement est choisi en fonction d'un certain régime thermique, qui peut être réglé sur le thermostat. Le chauffage par radiateur nécessite une plage de température plus large, jusqu'à 80°C.
Un équipement thermostatique est utilisé pour contrôler le régime de température dans la pièce avec chauffage au sol à eau. L'automatisation facilitera le fonctionnement du système de chauffage, fournira un microclimat normal dans les pièces individuelles du chalet et économisera de l'électricité.
Lors de l'utilisation de l'appareil avec un logiciel, il devient possible de réguler la température de la ligne de sol en fonction de l'heure de la journée, des jours de la semaine.
YouTube a répondu par une erreur : accès non configuré. L'API de données YouTube n'a jamais été utilisée dans le projet 268921522881 auparavant ou elle est désactivée. Activez-le en visitant https://console.developers.google.com/apis/api/youtube.googleapis.com/overview?project=268921522881, puis réessayez. Si vous avez activé cette API récemment, attendez quelques minutes que l'action se propage sur nos systèmes et réessayez.
- Articles similaires
- Comment poser un chauffage au sol sur des planches ?
- Comment installer un chauffage au sol sous le liège ?
- Comment fonctionne l'automatisation du chauffage au sol ?
- Comment réparer un sol chaud ?
- Quel devrait être le liquide pour le sol chaud?
- Comment poser un sol chaud sans chape ?
Conseils pour l'installation de thermostats
Avant d'effectuer l'installation, vous devez vous familiariser avec les instructions et le schéma de connexion afin que l'installation de la sonde de chauffage par le sol soit effectuée correctement. Il est indiqué au dos du boîtier. Si l'ordre de connexion est violé, l'appareil sera endommagé. Par conséquent, à ce stade, la connexion correcte est très importante, ce qui détermine l'efficacité de l'ensemble du système d'autorégulation. Bien entendu, il est également important de savoir avec quelle compétence l'installation des contours du sol chaud a été réalisée.


Notez que le servo a un moteur à double rotation. Il tourne dans le sens des aiguilles d'une montre ou dans le sens inverse selon le signal que lui donne le thermostat. Dans ce cas, la vanne augmente ou réduit le jeu dans le tuyau traversé par le liquide de refroidissement.
Les thermostats doivent être placés à proximité des prises électriques, à une hauteur de 0,5 à 1 mètre du sol. Si la famille a un petit enfant, l'appareil doit être fixé plus haut. Cela est particulièrement vrai pour les modèles électroniques programmables qui peuvent être facilement désactivés par une manipulation inappropriée.
L'équipement fonctionne à partir d'un réseau 220 V (sauf pour les radiocommandés).
Tous les appareils doivent être raccordés au secteur conformément aux règles des installations électriques.
Comment fonctionne l'automatisation ?
La vanne thermostatique à trois voies pour le chauffage par le sol est raccordée devant le collecteur. Un certain mode de température de chauffage est réglé sur le capteur. L'appareil commence à fonctionner lorsque les paramètres sont modifiés.
- Le dispositif se compose d'un semi-conducteur qui a la température du liquide de refroidissement entrant dans la ligne. L'énergie est transférée au fluide du thermostat.
- Avec une augmentation de la chauffe, le liquide se dilate et appuie sur la tige, qui s'abaisse.
- Cela ferme la sortie du tuyau chaud et ouvre la sortie du circuit de retour.
- Le caloporteur refroidi entre dans la chambre du mélangeur à trois voies, où il est connecté à l'eau chaude de la chaudière. Le processus de mélange peut avoir lieu selon un schéma en forme de T : les flux chaud et froid du caloporteur pénètrent dans le mitigeur thermostatique symétriquement des deux côtés. Le liquide sort dans la conduite principale sous un angle de 900. Dans le schéma en forme de L, l'eau chaude pénètre latéralement dans la chambre de mélange.
- La température du fluide chauffant diminue. Il pénètre dans la ligne de plancher refroidi. Le mode chauffage a tendance à atteindre la vitesse réglée.
- Lorsque la température baisse, le liquide dans le thermostat se rétrécit. La tige à ressort est redressée, la sortie d'eau froide est fermée, qui passe par le tuyau de retour. Le liquide de refroidissement chaud entre à nouveau dans la ligne.
Lors de l'utilisation de servo variateurs, un appareil fonctionnant sur secteur est connecté à la vanne mélangeuse du chauffage par le sol. Le capteur chauffe, ferme le circuit électrique. La plaque chauffe, ce qui à son tour transfère de la chaleur au fluide thermique.Il se dilate, appuie sur la tige, ce qui fait fonctionner les soupapes à champignon.
Nous recommandons : Comment installer un plancher chauffant à eau ?
Lors de l'utilisation d'un servomoteur, le système de chauffage change de mode de fonctionnement dans les 3 minutes. Si une tête thermique est utilisée comme appareil automatique, il faudra jusqu'à 15 minutes pour chauffer le liquide dans le thermostat.
Le principe de fonctionnement d'une vanne à deux voies pour le chauffage par le sol est quelque peu différent. Lorsque la température dans la ligne augmente, le thermostat fait fonctionner les vannes à champignon ou un dispositif à bille, ce qui bloque complètement la sortie de l'eau chaude. Le caloporteur refroidi du tuyau de retour retourne dans le circuit au sol.
Lorsque la température baisse, la vanne ouvre l'eau chaude et ferme la conduite de retour. Il n'y a pas de mélange du liquide. Le principe de fonctionnement d'une vanne thermostatique à deux voies pour chauffage par le sol est identique à la commutation manuelle des vannes, mais le système fonctionne en mode automatique.
Une vanne thermostatique à trois voies pour le chauffage par le sol est installée dans le système de chauffage pour une grande surface de chauffage. L'équipement est nécessaire pour une chaudière qui chauffe l'eau à une température élevée. La vanne à deux voies est connectée au système en tant que commande de chauffage supplémentaire pour les pièces individuelles.
L'équipement de régulation automatique du mode de chauffage peut être installé dans un système de chauffage à circuit unique ou à double circuit. Ceci est pratique lors de l'utilisation de différents types de chauffage, avec radiateur et chauffage par le sol. Le mélangeur est connecté devant la pompe de circulation. Je recommande d'installer un filtre à eau au préalable. Lors de la connexion, utilisez la méthode de montage fileté.














