Pour contrôler le chauffage par le sol à eau, un thermostat d'ambiance est installé dans chaque pièce, qui contrôle la tête directionnelle motorisée électrique correspondante sur le capteur de chauffage par le sol.
Si toutes les directions du chauffage par le sol sont fermées, la pompe sera protégée du fonctionnement dans un robinet fermé par la présence d'une dérivation de dérivation sur l'unité de mélange - la pompe fonctionnera simplement à sec.
Il semblerait que cela soit suffisant.
Mais pour exclure le fonctionnement au ralenti de la pompe de l'unité de mélange, un dispositif supplémentaire est nécessaire. Ce dispositif aidera également à éteindre la chaudière de chauffage lorsque la température réglée par les thermostats est atteinte dans toutes les pièces.
Afin de ne pas réinventer soudainement le vélo, alors qu'il tentait autrefois d'inventer un collecteur pour chauffage par le sol, étudions quels types de dispositifs de commande centralisés pour chauffage par le sol sont déjà en vente.
Pour l'avenir, je dirai que j'ai choisi Beok CCT-10 pour résoudre ce problème, que j'ai décrit dans un article séparé: Test du contrôleur de chauffage par le sol Beok CCT-10.
Une unité de commande centrale pour le chauffage par le sol est nécessaire, qui, sur la base des signaux reçus des thermostats, démarrera la chaudière et la pompe de l'unité de mélange.
L'algorithme de fonctionnement de l'unité centrale est très simple: ajout selon le schéma OU des signaux des thermostats d'ambiance et sortie du signal résultant vers la pompe et la chaudière.
Il s'est avéré que je n'étais pas le seul à avoir eu un tel problème et qu'il existe des dispositifs à l'échelle industrielle pour sa solution.
Régulateur de zone de chauffage COMPUTHERM Q4Z.
COMPUTHERM Q4Z sur le site Web du fabricant.
Il existe un analogique sans fil.

C'est un appareil merveilleux et il implémente encore plus que je ne pourrais penser: trois, résumant les différentes zones, les sorties et la possibilité de contrôler manuellement les zones.
Un tel contrôleur me conviendrait sinon pour une chose.
Tout thermostat d'ambiance peut être connecté au contrôleur de zone. C'est donc écrit dans le passeport et on comprend que le thermostat doit avoir des contacts normalement ouverts.
Cela s'est produit historiquement, mais la plupart des thermostats que je me suis avérés être plus adaptés pour contrôler un chauffage par le sol électrique. Ils émettent un signal de commande sous forme de 220V.
Voici un schéma de raccordement classique pour les thermostats pour chauffage par le sol:


Ce signal, en plus de contrôler le réchauffeur, peut être utilisé pour contrôler une pompe ou des têtes motorisées. Il n'est plus possible d'utiliser cet appareil pour des opérations logiques avec des signaux reçus de ce type.
Je ne comprends pas pourquoi cela est fait et pourquoi ne pas simplement faire ressortir les contacts de relais - ce serait une manière universelle. Bien que, d'un autre côté, l'installation soit plus pratique sans cavaliers inutiles dans le boîtier d'installation - le fil 220V entrant et le fil sortant vers le sol chaud reposent sur les bornes correspondantes sans connexions supplémentaires. Deux contacts supplémentaires sur le thermostat aideraient ici afin que vous puissiez retirer ou mettre un cavalier.
Il y a un autre facteur - le prix en Russie, qui est de 8000r. Comment le prix de 1547 UAH en Ukraine se transforme-t-il en prix de 8000 RUB en Russie?
Mais j'aurais trouvé quelqu'un pour l'amener de Barabashovo si j'avais besoin de lui.
Cela ne fonctionnera pas pour moi, car il ne nécessite que des contacts de relais.
Plancher d'eau chaude à faire soi-même
Le chauffage par le sol est une excellente solution, à la fois du point de vue du confort pour le consommateur et du point de vue de l'économie d'énergie thermique. Les sols chauds sont de différents types: filaire électrique, film, infrarouge, etc. Nous nous attarderons en détail sur les planchers chauffants à l'eau - tk.nous croyons que l'habitation humaine est déjà pénétrée par un nombre suffisant de champs électromagnétiques.
Le principe d'un plancher chauffant à l'eau est simple: un radiateur est placé sur le sous-plancher, un tuyau est fixé au radiateur. Le tuyau peut être en métal-plastique, en polyéthylène réticulé ou en cuivre. Nous recommandons un tube PEX ou PERT monocouche. Au niveau des joints de la future chape et des murs, un ruban amortisseur est posé et une chape en béton additionnée d'un plastifiant est coulée sur le tuyau. Les carreaux sont posés sur la chape. Vous pouvez également stratifier - mais ce revêtement dégagera de la chaleur moins efficacement.
Le sol chaud est prêt. En règle générale, un caloporteur avec une température ne dépassant pas 50 ° C est fourni au tuyau afin d'éviter la dilatation thermique de la chape et, par conséquent. des fissures à la surface d'un sol en béton ou en carrelage.
Quel type d'équipement d'ingénierie est utilisé pour le chauffage par le sol? Considérons plusieurs options. Option 1:
- la chambre a une petite surface, c'est une salle de bain, des toilettes ou un couloir. S'il n'y a qu'une seule pièce avec un sol chaud, l'installation d'une unité de mélange est assez coûteuse. Pour sortir, vous pouvez utiliser le kit de chauffage par le sol Herz Floor Fix.
| Apparence de l'ensemble pour chauffage par le sol Herz Floor Fix | Schéma 1. Sol chaud dans une petite pièce
|
| Type de vanne pour chauffage par le sol |
Vu de Schéma 1
, les conduites du circuit de chauffage par le sol sont reliées aux sorties du collecteur utilisé pour le chauffage par radiateur. Auparavant, même au stade de la pose de tuyaux dans un sol chaud, une rupture était faite au milieu du circuit et les extrémités des tuyaux étaient connectées au kit Herz Floor Fix. L'ensemble comprend les équipements suivants: vanne thermostatique avec thermostat intégré, deux vannes d'arrêt, boîtier encastré avec couvercle.
Il y a un volant au bas de la vanne qui contrôle le thermostat. Avec son aide, la température maximale de l'eau dans le circuit de chauffage par le sol est réglée. Si de l'eau plus chaude pénètre dans le circuit, le thermostat fermera la vanne. Dans la partie supérieure de la vanne se trouve un boîtier thermostatique. Une tête thermostatique déportée y est placée, par exemple 1933005. La tête thermostatique surveille la température dans la pièce: si la pièce est chaude, la tête fermera la vanne et il n'y aura pas de circulation dans le circuit. Si vous prévoyez de chauffer un étage entier, ou même un chalet entier, avec des sols chauds, dans ce cas, vous devrez soit utiliser un mélangeur prêt à l'emploi, soit le construire à partir de kits spéciaux pour séparer le circuit du radiateur haute température ( de 70 à 90 ° C) du circuit basse température des planchers chauds (40-50 ° C).
Option 2a assemblage prêt à l'emploi:
Les unités optimales en termes de rapport qualité / prix sont fabriquées par Watts Industries. La ligne comprend des unités pour les petites pièces et pour les grandes pièces. Le kit comprend déjà une pompe, un thermostat, une vanne mélangeuse et un raccordement au collecteur.
| Module de régulation pour chauffage par le sol de faible puissance jusqu'à 5 kW | Schème. Plan de plancher chaud avec un module prêt à l'emploi
|
| Groupe de circulation autonome pour chauffage par le sol jusqu'à 15 kW |
Option 2b set vanne + tête thermique:
Le schéma des vannes à trois voies Herz Calis TS aidera à construire une version bon marché de l'unité de mélange. Vous pouvez vous procurer un kit prêt à l'emploi pour une surface connue de chauffage par le sol: jusqu'à 50 m2, jusqu'à 200 m2 ou jusqu'à 300 m2.
| Kit de mélange pour chauffage par le sol jusqu'à 50m2 | Schéma 2. Plancher chaud d'une petite zone
|
| Kit de mélange pour chauffage par le sol jusqu'à 150 m2
| Schéma 3. Plancher chaud pour plusieurs pièces
|
| Collecteur pour chauffage par le sol |
Sur le Schéma 2
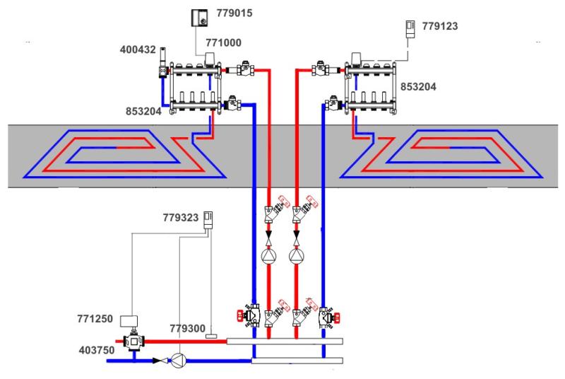
montre un sol chaud composé d'un, mais grand contour. La pompe entraîne l'eau du circuit. Une vanne thermostatique est installée sur l'alimentation du plancher chaud, qui est contrôlée par le variateur par un régulateur de température électronique 1779015 ou 1779123.
Le principe du chauffage par le sol est décrit dans ce schéma: une vanne trois voies Calis est située à l'intersection de la conduite de retour et de la dérivation.La tête thermique 1742006, installée sur la vanne avec un capteur à distance, mesure la température de départ, si l'alimentation est plus chaude que la valeur de consigne de la tête thermique (par exemple 45 ° C), alors la vanne ferme le retour et la circulation va dans un petit cercle - à travers les tuyaux du sol chaud. Pour éviter que le chauffage par le sol ne surchauffe la pièce, le régulateur 1779123, qui commande la vanne thermostatique TS-E 772303 via l'actionneur, surveille la température de la pièce et, s'il fait chaud, il coupe l'alimentation du circuit de chauffage par le sol ou la petite pompe de circulation.
Le principe de fonctionnement d'un sol chaud sur Schéma 3
de même que dans le schéma 2, la vanne de séparation à trois voies Herz Calis TS sépare le circuit haute température du circuit de chauffage par le sol. Chaque branche du chauffage par le sol est reliée à un collecteur avec des débitmètres sur la conduite de retour. Les débitmètres vous permettent de régler le débit requis de l'agent chauffant pour chaque branche. Des boîtes d'essieux thermostatiques sont installées sur l'alimentation du capteur; elles peuvent être contrôlées par les contrôleurs 1779015 ou 1779123 via les actionneurs thermiques Herz 771000. Un contrôleur peut contrôler une pièce avec jusqu'à 8 succursales.
Option 2v vanne thermostatique mélangeuse à trois voies:
| Vanne mélangeuse à 3 voies ESBE VTA 572 | Schème. Chauffage par le sol avec mitigeur à trois voies sur le départ
|
Option 3:
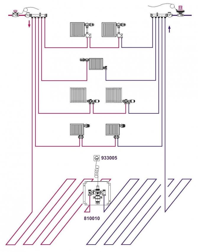
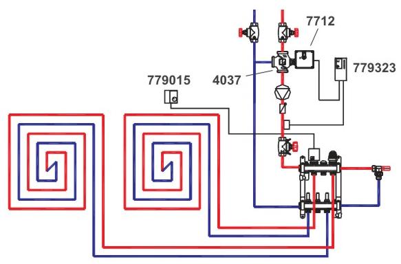
- si nous parlons d'un immeuble d'appartements avec sa propre chaufferie et un grand nombre de pièces avec un sol chaud, vous pouvez diviser la maison en zones et utiliser les schémas précédents dans chaque zone, ou vous pouvez organiser un suffisamment grand unité de mélange pour tous les contours du sol chaud. Rappelons ici les vannes à trois voies Herz 4037.
| Vanne trois voies Herz 4037 | Schéma 4. Unité de mélange pour un immeuble d'habitation
|
| Actionneur pour vanne 3 voies Herz 4037 | |
| Régulateur de chauffage Herz | Schéma 5. Unité de mélange dans un chalet
|
Sur le schémas 4
et
5
l'entrée d'une source de chaleur est représentée, il s'agit soit d'une chaufferie, soit d'un échangeur de chaleur, soit d'un ITP ou d'une station de chauffage central. Un tas de vanne trois voies Herz 4037 + actionneur 771250 - régulateur 779323 vous permet de limiter la température du liquide de refroidissement entrant dans le plancher chaud, par exemple, à 50 ° C. De plus, l'eau chaude pénètre soit dans le collecteur commun du sol chaud (
Schéma 4
) ou au consommateur final (
Schéma 5
) - à l'appartement ou au distributeur d'étage. Le contrôle de la température dans des pièces individuelles est possible à la fois avec des contrôleurs: simples 1779015 ou programmables 1779123 à 771000 entraînements thermiques, et avec des têtes thermiques télécommandées 1933005, etc.
Option 4: Cette option est une vue compacte de l'option 2:
Au lieu de collecteurs conventionnels et d'une unité de mélange, un poste de commande au sol Herz Compact Floor a été utilisé.
| Station de chauffage par le sol Herz Compact Floor | Schéma 6. Poste de commande pour chauffage par le sol Herz Compact Floor
|
Dans le poste de commande du chauffage par le sol Sol compact Herz
un mélangeur est déjà intégré - il suffit de connecter l'alimentation et le retour d'une source de chaleur haute température aux entrées de la station (DN25) et d'indiquer la température souhaitée dans le circuit de chauffage par le sol de 20 à 50 ° C sur le tête thermique avec un capteur à distance. La pompe incluse dans l'ensemble de la station pompera le caloporteur de la température désirée le long des contours du plancher chauffant.
L'ensemble de la station dispose d'une vanne de dérivation pour relâcher la pression de l'alimentation à la conduite de retour, si tous les contours du sol chaud s'avèrent soudainement fermés. Il est également possible de rincer le système séparément grâce à des vannes à bille à quatre voies. Pour contrôler la température dans les pièces avec chauffage par le sol, vous devez connecter les régulateurs de chauffage 1779015, 779501 ou 1779123 à la station, leur nombre est égal au nombre de pièces.
De quoi d'autre pourriez-vous avoir besoin? - Emportez un équipement prêt à l'emploi


Retour à la liste
Contrôleur pour le contrôle d'un plancher calorifugé Tech L-5.
Le Tech L-5 est un instrument très intéressant.
Il en coûte 5238r.


Conçu pour contrôler les actionneurs de vannes thermostatiques à l'aide du câblage, pour collecter et traiter les informations reçues des composants du système, ainsi que pour leur transmettre des commandes de contrôle.
Il s'agit du modèle le plus simple avec des fonctionnalités réduites et il existe des appareils plus complexes: avec des thermostats radio, WiFi, service cloud et c'est parti.
Vous permet de contrôler la température dans huit zones de chauffage différentes.
Possibilité de contrôler 22 actionneurs thermostatiques avec 8 régulateurs d'ambiance:
- 3 régulateurs d'ambiance permettent de desservir jusqu'à 12 servos;
- 5 régulateurs d'ambiance permettent de faire fonctionner jusqu'à 10 servos.
Une sortie 230V par pompe.
Sortie à contact sec pour la commande d'un appareil de chauffage supplémentaire.


Le prix de 5 à 6 mille pour un tel appareil ne semble pas élevé.
Voici juste les signaux d'entrée pour ce contrôleur qui doivent également être des contacts de relais.
Belle. Les bornes de connexion sont masquées. Cela ne fonctionnera pas pour moi, car il ne nécessite que des contacts de relais. Vraiment désolé.
Comment fonctionne l'automatisation?
La vanne thermostatique à trois voies pour le chauffage par le sol est raccordée devant le collecteur. Un certain mode de chauffage de température est réglé sur le capteur. L'appareil commence à fonctionner lorsque les paramètres sont modifiés.
- L'appareil se compose d'un semi-conducteur qui a la température du liquide de refroidissement entrant dans la ligne. L'énergie est transférée au fluide du thermostat.
- Avec une augmentation du chauffage, le liquide se dilate et appuie sur la tige qui s'abaisse.
- Cela ferme la sortie du tuyau chaud et ouvre la sortie du circuit de retour.
- Le caloporteur refroidi entre dans la chambre du mélangeur à trois voies, où il est connecté à l'eau chaude de la chaudière. Le processus de mélange peut avoir lieu selon un schéma en forme de T: les flux chaud et froid du caloporteur pénètrent dans le mitigeur thermostatique symétriquement des deux côtés. Le liquide sort dans la conduite principale à un angle de 900. Dans le schéma en forme de L, l'eau chaude pénètre dans la chambre de mélange par le côté.
- La température du fluide chauffant diminue. Il entre dans la ligne de plancher refroidi. Le mode de chauffage a tendance à atteindre la vitesse définie.
- À mesure que la température baisse, le liquide dans le thermostat se rétrécit. La tige à ressort est redressée, la sortie d'eau froide, qui passe par le tuyau de retour, est fermée. Le liquide de refroidissement chaud entre à nouveau dans la conduite.
Lors de l'utilisation de servo variateurs, un appareil fonctionnant sur secteur est connecté à la vanne mélangeuse du chauffage par le sol. Le capteur chauffe, ferme le circuit électrique. La plaque chauffe, qui à son tour transfère la chaleur au fluide thermique. Il se dilate, appuie sur la tige, ce qui fait fonctionner les soupapes à champignon.
Nous recommandons: Qu'est-ce qu'un plancher chauffant mobile?
Lors de l'utilisation d'un servo variateur, le système de chauffage change de mode de fonctionnement dans les 3 minutes. Si une tête thermique est utilisée comme appareil automatique, il faudra jusqu'à 15 minutes pour chauffer le liquide dans le thermostat.
Le principe de fonctionnement d'une vanne à deux voies pour chauffage par le sol est quelque peu différent. Lorsque la température dans la conduite augmente, le thermostat fait fonctionner les vannes à champignon ou un dispositif à bille, ce qui bloque complètement la sortie d'eau chaude. Le caloporteur refroidi du tuyau de retour retourne au circuit de plancher.
Lorsque la température baisse, la vanne ouvre l'eau chaude et ferme la conduite de retour. Il n'y a pas de mélange du liquide. Le principe de fonctionnement d'une vanne thermostatique à deux voies pour chauffage par le sol est identique à la commutation manuelle de vanne, mais le système fonctionne en mode automatique.
Une vanne thermostatique à trois voies pour chauffage par le sol est installée dans le système de chauffage pour une grande zone de chauffage. L'équipement est nécessaire pour une chaudière qui chauffe l'eau à une température élevée. La vanne à deux voies est connectée au système en tant que commande de chauffage supplémentaire pour les pièces individuelles.
L'équipement de contrôle automatique du mode de chauffage peut être installé dans un système de chauffage à un ou à deux circuits. Ceci est pratique lors de l'utilisation de différents types de chauffage, avec radiateur et chauffage par le sol. Le mélangeur est connecté en amont de la pompe de circulation. Je recommande d'installer un filtre à eau au préalable. Lors de la connexion, utilisez la méthode de montage fileté.
Centre de commutation filaire Salus KL06.
Salus KL06 dans le magasin.
Coûts 4281r.


Le contrôleur KL06 est conçu pour connecter des thermostats et des actionneurs dans une seule unité de commutation. Il y a une indication de l'état des servos.
Le contrôle de la pompe et de la chaudière n'est possible qu'après avoir connecté des modules supplémentaires Salus PL06 ou PL07 (1700r et 2800r).
Si vous lisez attentivement les instructions du Salus KL06, vous pouvez découvrir qu'il s'agit d'un appareil plus rusé qu'il n'y paraît.
Fonctionne entièrement avec les thermostats Salus.
+ Afficher les citations de ce passeport avec une description des fonctions.
PWM, VP, NSB SYSTEMS
Les systèmes utilisés dans les thermostats de la série Salus ERT permettent une régulation plus efficace du chauffage par le sol.
PWM.
En raison de la grande inertie du chauffage par le sol, l'utilisation du système PWM dans les régulateurs de la série ERT nous garantit un maintien précis d'une température constante dans les locaux. Le système PWM surveille les heures de travail ainsi que la fréquence d'ouverture et de fermeture des servomoteurs utilisés en fonction de l'élévation de la température ambiante. Il en résulte des économies supplémentaires, du confort et l'absence de surchauffe de la pièce.
VP.
C'est un système qui protège et allonge la durée de vie des servomoteurs. Ouvre et ferme le servomoteur une fois par semaine, même si le système ne fonctionne pas actuellement (temps en dehors de la saison de chauffage).
NSB.
Fonction de réduction de température - NSB (Night Set Back). Le système offre la possibilité d'influencer la température en fonction de l'heure de la journée, ce qui garantit un contrôle efficace du système de chauffage. La fonction de réduction de température permet de la réduire de 4 ° C, sans régulation par thermostat, même en utilisant des régulateurs non programmables dans la plupart des zones.
La fonction NSB dans les régulateurs est activée par un signal externe transmis à la barre Salus KL06 à l'aide du thermostat hebdomadaire Salus ERT50. Ce régulateur doit être connecté au champ marqué du numéro 1.
Tous les contrôleurs doivent être connectés à l'aide d'un fil à 4 conducteurs, conformément au schéma numéro 1.
Si vous ne connectez pas le champ indiqué par l'horloge, la fonction MSB ne sera pas active, mais les autres fonctions du contrôleur (PWM et VP) fonctionneront.
Ce sont les schémas de connexion des thermostats.


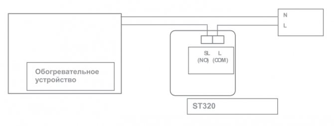
Le schéma de connexion du thermostat ST320 est inhabituel - voyons ce qu'il y a dans le passeport de ce thermostat.


Il semble que le thermostat contrôle exactement 220V, passant ou ne passant pas par lui-même. Si tel est le cas, le contrôleur Salus KL06 peut être adapté pour travailler avec des thermostats qui émettent du 220V pour le contrôle de la charge.
Je n'aime pas cela visuellement, et avec un module de connexion de pompe et de chaudière, cela coûte plus de 6000r et a des bornes ouvertes. Je n'aurai pas de thermostats Salus, donc les fonctions intelligentes ne sont pas disponibles.
Quels thermostats peuvent contrôler


Thermostat pour chauffage par le sol
Selon le type de chauffage, les thermostats peuvent régler les paramètres suivants:
- température du sol. Les capteurs sont installés à proximité immédiate du circuit de chauffage et indiquent le degré de chauffage du revêtement de sol fini. Ils sont utilisés dans les petits circuits longs et les systèmes d'eau de faible puissance utilisés uniquement comme chauffage d'appoint;
- température de l'air dans la pièce. Pour ces thermostats, les capteurs sont montés directement dans le boîtier du thermostat. Les paramètres sont réglés en tenant compte de la température ambiante confortable. Ils sont utilisés sur des systèmes puissants et uniquement dans les maisons dont l'isolation thermique répond aux exigences des normes. Sinon, de grandes pertes de liquide de refroidissement rendent son fonctionnement non rentable;
- combiné. Les paramètres de chauffage sont contrôlés en tenant compte des lectures de deux capteurs: dans la pièce et à côté du système de chauffage. Ils sont rarement utilisés uniquement pour les systèmes les plus modernes.Si vous le souhaitez, le contrôle peut être effectué sur la base des lectures de l'un des capteurs installés.


Eau de chauffage par le sol - répartition de la température
Le choix d'un thermostat spécifique prend en compte le nombre maximum de caractéristiques techniques du système de chauffage, les indicateurs d'économie de chaleur du bâtiment, la zone climatique du lieu et les souhaits du client.
Module de contrôle Watts WFHC-BAS.
Watts WFHC-BAS 6 zones, 220V, servos normalement fermés coûte 5650r.


Passeport Watts WFHC-BAS.


Le module peut être utilisé comme appareil indépendant et comme composant d'un système d'automatisation. Il existe des options pour étendre et utiliser des modules radio.
Si vous utilisez un module avec une fonction de programmation et des thermostats natifs, vous pouvez programmer tous les thermostats à partir d'un module.
Considérez les schémas de connexion de ce passeport.


On dirait que c'est exactement ce dont j'ai besoin. Il est possible de connecter des thermostats 220V! De plus, les bornes de connexion sont cachées et sur la photo, vous pouvez voir qu'il s'agit d'un produit de qualité.
Régulateur de chaleur Teplocom TC-8Z.
J'ai trouvé cet appareil dans un endroit inattendu - du fabricant Bastion, connu pour ses alimentations de secours pour la signalisation.
Coûts 3900r - le prix conseillé sur le site du fabricant.
Cela coûte 3600r.


Passeport teplocom-tz-8z.pdf.
Nous trouvons les schémas de connexion du passeport.


Comment comprendre l'expression «connecter des thermostats 220V»?
Nous serons aidés en étudiant les thermostats recommandés pour une utilisation avec ce régulateur de chaleur.
Certains de ces thermostats émettent une tension de 220 V lorsqu'ils sont allumés et il n'y a pas de contacts de relais.
Ce thermocontrôleur convient à mes sols chauds, et même au moins cher d'un fabricant familier. Vous pouvez fermer les yeux sur ce qui a des terminaux ouverts et vous devrez acheter une boîte standard pour cela.
Mécanisme de réglage


Mitigeur thermostatique
Un mitigeur thermostatique est également utilisé dans les systèmes de chauffage de type radiateur, mais la circulation d'air par convection (même avec une ventilation équilibrée et une isolation soigneuse) laisse toujours les couches inférieures de la partie la plus froide de la pièce.
La source d'énergie thermique peut être à la fois une installation de chauffage et une chaudière autonome. Dans tous les cas, les chaudières fonctionnent efficacement dans des modes stables et ne fourniront pas une régulation régulière du débit de liquide de refroidissement dans chaque pièce séparée.
À cette fin, le système comprend des raccords spéciaux avec des paramètres de fonctionnement sélectionnés et un type de structure spécifique. L'installation d'un mitigeur pour chauffage par le sol donne le résultat de stabilisation suivant pour normaliser la température dans la maison:


Les mitigeurs ont pour fonction de combiner un circuit de chauffage à haute température avec un système de chauffage par le sol à basse température, car la température recommandée dans les tuyaux sous le sol est de 40 ° C et pour l'eau sortant de la chaudière de 70 à 90 ° C.
Principes de travail


Si le liquide de refroidissement est trop chaud, un courant froid est mélangé à l'eau
La vanne à trois voies pour chauffage par le sol remplit sa fonction dans l'ordre suivant:
- le liquide de refroidissement chaud de la chaudière est dirigé vers le collecteur de distribution, à partir duquel il diverge le long des boucles du système de chauffage par le sol;
- une vanne thermo-mélangeuse est installée sur le chemin du mouvement, qui répond à la température du chauffage de l'eau;
- à une température de départ dépassant la valeur de consigne sur le régulateur, ce dernier ouvre un passage pour mélanger l'eau glacée de la canalisation de retour;
- dans le té, deux courants convergents sont mélangés et le caloporteur de la température souhaitée est délivré au système;
- lorsque l'équilibre est atteint, le changement des sections internes de la vanne s'arrête.
Le corps de la vanne est en laiton, avec 3 canaux convergeant vers le mécanisme de réglage. L'utilisation de 3 façons différentes de mélanger les flux d'eau distingue 3 types de conceptions de vannes à trois voies.
Thermostat à trois voies


Le thermostat mélange le flux chaud et froid
La température de consigne est maintenue par une vanne thermostatique à trois voies, qui mélange automatiquement le flux chaud de liquide du réchauffeur et l'eau refroidie du tuyau de retour. La nécessité d'une modification quantitative des débits est déterminée par les réglages du thermostat.
Un tel produit peut être utilisé dans les systèmes de chauffage par le sol (en particulier les configurations complexes), sur le câblage des radiateurs et dans le circuit interne d'alimentation en eau chaude.
Le changement automatique de la température du liquide de refroidissement sortant protège une personne des températures élevées en cas de rupture de tuyau. Si, pour une raison quelconque, le débit d'eau froide s'arrête, la vanne fermera automatiquement le débit à la pression chaude de la chaudière. L'unité sensible à la chaleur réagit à la quantité de chauffage et, en conséquence, modifie la section transversale des trous d'entrée, atteignant l'équilibre requis.
La disposition de la vanne thermostatique pour le chauffage par le sol ressemble à ceci:


Un étrangleur de pression est un dispositif qui fournit une pression de liquide quelle que soit la perte de charge à l'entrée et à la sortie. Associé à une tête thermique pour chauffage par le sol, il stabilise le fonctionnement de tous les circuits du système lorsque les conditions d'entrée changent.
Vanne thermostatique à 3 voies
Le fonctionnement de cette vanne n'est pas aussi difficile que celui d'un thermostat. Seuls les médias chauds entrants sont réglementés. Pour plus d'informations sur le fonctionnement des vannes à trois voies, voir cette vidéo:
Pour analyser les changements d'indicateurs de température, le kit comprend une tête thermique pour un sol chaud, qui agit comme un organe exécutif en fonction d'un signal provenant d'un capteur externe.
Vanne mélangeuse


La vanne manuelle est réglable manuellement
La vanne mélangeuse à trois voies, qui n'est pas équipée de capteurs et d'automatisation, est encore plus simple. La vanne manuelle doit forcer la position du régulateur pour obtenir la température de sortie réglée.
Une telle grue est fabriquée en 2 types:
- a un passage en forme de T (circuit symétrique);
- passage interne en forme de L, (asymétrique).
Les différences sont qu'avec un motif symétrique, 2 jets se rencontrent à partir de bras de grue opposés et se dirigent vers la branche latérale déjà dans un état mixte.
Dans la version asymétrique, l'eau froide monte par le bas, le courant chaud vient ici de côté, le milieu mixte part dans le sens du mouvement chaud.
Contrôleur concentrateur Beok CCT-10 pour 8 canaux.
PS. En fin de compte, j'ai commandé cet appareil pour ma tâche: tester le régulateur de chauffage par le sol Beok CCT-10.
Ceci est un appareil d'un magasin sur AliExpress.
Il coûte 2117r.


Il existe également un concentrateur similaire dans l'assortiment du magasin, mais avec la possibilité de connecter des thermostats radio.


Modèles jumeaux: le même appareil, mais sans nom dans le magasin Side-To-Side et TWC-08 pour 1700r, mais sans avis ni commandes.
Passeport sur le disque Yandex CCT-10 Hub Controller.pdf.


Étudions les schémas de connexion dans le passeport.


Il n'est pas tout à fait clair s'il convient aux thermostats qui émettent du 220V. Mais le prix - moins cher que de le faire soi-même - encourage l'expérimentation.
Centrale de commande de chauffage par le sol Saswell SCU209.
SCU209 sur le site Web du fabricant.
SCU209 sur AliExpress.


La version radio pour 5 zones coûte 4700r.
L'option filaire devrait coûter 3600 frotter (chez Amazon 44 euros).
Malheureusement, maintenant sur AliExpress, il n'y a qu'une option avec la connexion des thermostats d'ambiance par radio.
Uponor Base X25.
Les systèmes de commande de chauffage radiant modulaires d'Uponor sont remarquables - ils sont l'une des options pour le système de commande de chauffage par le sol idéal.
Jetons un coup d'œil au contrôleur filaire Uponor Base X25 le plus simple avec relais de pompe.


Cet appareil vaut plus de 9400r.
Fonctionnalité:
- Sélecteur de canal rotatif pour un enregistrement pratique des actionneurs;
- Relais de pompe 2A;
- Protection de surcharge;
- LED d'alimentation;
- 6 canaux (thermostats);
- 12 actionneurs.
Passeport Uponor Base X25 en pdf : manuel-d'installation-uponor-base-4.pdf.
Cher, mais la gamme de produits Uponor vaut la peine d'être explorée.
Contrôleurs de groupe
Le régulateur de chauffage par le sol permet de réguler l'alimentation en eau de plusieurs capteurs. De tels appareils peuvent être utilisés dans des pièces à taux d'humidité élevé.




Le thermostat maintient une température constante de l'eau dans les tuyaux
Le contrôle de l'alimentation en eau est régulé par les points suivants:
- les unités d'eau de mélange sont regroupées de manière à pouvoir réguler le débit d'eau chaude en plusieurs unités en même temps;
- lors de l'installation d'un système de dérivation d'unités de mélange individuelles, le chauffage par le sol peut être contrôlé par une unité;
- une certaine température dans toutes les pièces est maintenue grâce à un thermostat installé dans une vanne 2 ou 3 voies;
- le contrôle du climat est effectué à l'aide d'un système moderne qui comprend de nombreux capteurs, grâce auxquels les paramètres réglés du microclimat intérieur sont maintenus. Pour plus d'informations sur les systèmes de commande de chauffage par le sol, voir cette vidéo:
Le contrôleur de groupe est directement connecté au servo. Grâce au signal fourni par l'appareil, une vanne qui régule l'alimentation en eau est mise en mouvement.


Valtec VT.ZC.
Boîte de jonction Valtec VT.ZC pour 8 canaux 220V coûte 6000r.


N'était-il pas possible de trouver quelque chose d'intéressant? Ou pensent-ils qu'ils sont restés "Made in Russia" et qu'ils le mangent?


Passeport en pdf.
Une étude du passeport a montré que ce contrôleur dispose de toutes sortes de commutateurs différents qui vous permettent de regrouper les sorties et de configurer le contrôle en cascade. Peut-être la présence de commutateurs et influencé le prix.
Prix 1500r pour lui. Et il n'a besoin que de thermostats avec contacts.
Contrôle quantitatif de la température du chauffage par le sol
Le collecteur ou collecteur est une unité qui assure le bon fonctionnement du système de chauffage par le sol. Dans ce cas, le liquide de refroidissement est réparti le long des contours pas nécessairement de manière uniforme, mais selon les modes spécifiés. Un peigne est nécessaire lorsqu'il y en a plus de deux. Le rapport des flux caloporteurs est fixé sur chaque circuit par une tête thermique pour un plancher chaud.
Le moyen le plus simple est de contrôler quantitativement la température du plancher chaud, par une modification du débit du caloporteur. Le débit de chaque circuit est contrôlé par la tête de chauffage par le sol RTL. Il maintient la température de l'eau réglée à la sortie de chaque boucle. Le capteur est un soufflet rempli d'un liquide sensible à la température. La position du disque de la vanne dépend de sa température et du réglage du couvercle extérieur avec une échelle.
La tête thermique pour chauffage par le sol perçoit la température de l'air dans la pièce et, en fonction de sa valeur et du réglage manuel du chauffage maximal du liquide de refroidissement. Les niveaux supérieur et inférieur de la plage de contrôle sont limités par les pinces de verrouillage.
Le modèle peut avoir un filetage interne ou externe, avec lequel il est vissé au tuyau.
Contrôleur pour contrôler les servo variateurs de radiateurs de chauffage SMART CHR-08.
Il en coûte 7950r.
Pour une raison quelconque, il n'y a pas de tel contrôleur 220V dans la ligne d'équipement. Par conséquent, considérez le contrôleur SMART CHR-08, qui contrôle les servos 24V.


On ne sait pas pourquoi cet appareil est nécessaire pour ce genre d'argent, car il s'agit essentiellement d'un bornier avec des ampoules.
Insolo.
Communicateur de zone Insolo Pro Aqua coûte 14135r.


Passeport en pdf.
Cet appareil est clairement plus qu'une boîte à bornes. Le communicateur peut réguler la température du fluide de chauffage d'alimentation du chauffage par le sol, en fonction de la température de l'air extérieur, ainsi que contrôler et exclure sa surchauffe au-dessus de 55 ° C, en ajustant le servo du mitigeur à l'aide d'un capteur de température d'air extérieur supplémentaire.
Le communicateur dispose de sorties relais pour contrôler le fonctionnement de la chaudière et de la pompe de circulation.
Mode d'abaissement nocturne de la température du liquide de refroidissement. Protection contre le manque de liquide de refroidissement.
Écran LCD indiquant l'état des entrées et des sorties. Programmation à partir du panneau du communicateur.
Il existe un modèle sans écran ni boutons, mais avec Wi-Fi.
En principe, le niveau auquel les fabricants de tels dispositifs devraient s'efforcer a été fixé.
Caractéristiques de l'équipement
Le liquide de refroidissement de la chaudière passe par la canalisation vers le collecteur. De là, le liquide pénètre dans le pipeline de sol. En dégageant de la chaleur, il retourne au collecteur, qui a une sortie de retour séparée pour le caloporteur refroidi. La pompe de circulation renvoie l'eau dans la chaudière.
Avec un contrôle manuel du régime de température, des vannes sont installées sur le circuit avec de l'eau froide et un caloporteur à haute température. Si la pièce s'est suffisamment réchauffée, la vanne d'eau chaude est fermée. Si la pièce est froide, la vanne est ouverte.
Pour la régulation automatique du mode de chauffage, un mélangeur à trois voies avec un thermostat et une sonde de température externe est installé. Ce système forme une vanne thermostatique. Il est installé à l'entrée du collecteur. L'équipement est en laiton ou en bronze.
- La vanne à trois voies dispose de 3 sorties pour l'eau chaude et froide et pour le fluide caloporteur, qui est fourni à la ligne de plancher. Sur le boîtier, des marqueurs indiquent le sens des écoulements à différentes températures.
- Une chambre de mélange est prévue pour mélanger des liquides de différentes températures.
- Un thermostat avec un régulateur de température est situé sur le corps.
- La sonde de température est située sur le thermostat.
- Les vannes ferment les sorties de flux froid et chaud. Ils peuvent être en forme de disque ou d'aiguille. Leur travail dépend du thermostat.
- Le thermostat est un système composé d'une capsule liquide et d'une tige à ressort. Des valves y sont attachées.
- Le capteur de température dispose d'un panneau numérique sur lequel les modes de chauffage sont indiqués.
Nous recommandons: Quelle doit être la hauteur du chauffage par le sol?
Le thermostat peut être situé dans la tête thermique ou dans l'actionneur. Les appareils ont un circuit différent, mais le même principe de fonctionnement. La tête thermique est un thermostat, qui fonctionne à l'aide d'un liquide: elle est sensible aux changements de température.
Les servos sont alimentés par le réseau électrique. Le liquide est contenu dans un récipient. Il contient une plaque chauffante. Le servo est installé sur le collecteur.


Le mélangeur à trois voies est conçu pour les systèmes de chauffage de grandes surfaces. Dans des pièces séparées ou dans des maisons de campagne, une vanne à deux voies est connectée au collecteur. Il est installé sur un circuit avec un liquide de refroidissement haute température. L'eau y circule dans une seule direction.
Logique de relais.
La logique de relais simple convient à mes thermostats. Vous pouvez assembler vous-même le régulateur de chauffage, d'autant plus que ce sera très simple.
Pour cinq directions, 6 relais sont nécessaires.
Les bobines des 5 relais seront connectées en parallèle avec les actionneurs de vanne. Leurs contacts de fermeture seront connectés en parallèle pour mettre en marche la pompe de l'unité de mélange, si au moins une direction est activée.
Le sixième relais contrôlera la chaudière et est conçu pour supprimer la haute tension du groupe de contact. La bobine de ce relais sera connectée en parallèle avec la pompe de l'unité de mélange.
Le résultat sera un système de contrôle avec des sorties supplémentaires - il existe plusieurs groupes de contacts pour le relais. Vous pouvez utiliser ces contacts pour créer un système de surveillance à distance et collecter des statistiques.
Le relais le moins cher avec une prise coûtera 200 frotter.
AliExpress.com Produit - Livraison gratuite HH54P MY4NJ plug-in relais PYF14A 12v 24v 36v 48v 110v 220v DC / AC 5A contact argenté 14 broches 4PDT prise rele
Plus une boîte avec un rail din 200 frotter.
Total: 6 * 200 + 200 = 1400 roubles.
Eh bien, que faut-il d'autre?
Contrôle de la pompe de circulation
Afin d'assurer une certaine vitesse du liquide de refroidissement dans la conduite de plancher, une pompe de circulation est installée sur le circuit de sortie. Il est conçu pour pomper le liquide refroidi dans l'échangeur de chaleur, situé dans la chaudière.
Pour chaque branche de la ligne, il est recommandé d'installer sa propre pompe de circulation avec son propre thermostat. Ceci est nécessaire pour pouvoir contrôler le régime de température individuellement dans une certaine pièce.
Si le chauffage par le sol est équipé d'une seule pompe et d'une seule unité de commande, le chauffage sera maintenu au même niveau dans toutes les pièces. Le système s'éteindra non seulement dans une pièce où la température dépasse la norme, mais également dans une pièce avec un indicateur plus réduit. L'automatisation du chauffage par le sol qui contrôle le fonctionnement de la pompe est représentée par les éléments suivants:
- capteur de température; l'équipement est installé sur un circuit d'eau glacée; il transmet des données au thermostat;
- thermostat; l'équipement est conçu pour analyser la température qui a été réglée pour une certaine pièce et les données transmises par le capteur; lorsque les indicateurs diminuent, le thermostat s'éteint ou allume le circulateur;
- hystérèse; le dispositif assure le fonctionnement harmonieux du système; une plage de température de réserve est définie; il peut être de +/- 1 à +/- 10 degrés; si le régulateur de température était réglé à 30 ° C, à l'hystérésis +5 ° C, la pompe s'éteindra déjà à une température de 25 ° C; il s'allume lorsque le liquide de refroidissement chauffe jusqu'à 35 ° C;
- unité d'alimentation sans coupure UPS ou générateur; l'équipement assurera le fonctionnement continu de la pompe et le contrôle automatique, quelle que soit l'alimentation électrique.
Nous recommandons: Comment installer un plancher chauffant à l'eau de vos propres mains?
Au lieu d'un capteur de température, un pressostat est installé sur le circulateur. L'appareil détermine l'intensité de l'alimentation en liquide de refroidissement de la ligne. L'eau circule dans le système à une pression de 4 à 6 bar. Lorsque l'indicateur monte, le relais arrête la pompe. L'eau pénètre dans le système sous basse pression, ce qui réduit l'intensité du chauffage. Lorsque la pression dans la conduite baisse, le relais active le circulateur.


















