Installation de chauffage autonome dans un appartement: difficultés
Comme mentionné ci-dessus, dans le cas d'une maison privée, tout est beaucoup plus simple. Ici, vous pouvez installer à la fois une chaudière à gaz et une chaudière électrique, ainsi qu'un combustible liquide et un combustible solide. Dans une maison privée, personne n'interdit de faire un plancher d'eau ou d'installer des panneaux solaires sur le toit, un capteur de chauffage solaire ou d'installer une pompe à chaleur dans la maison. Ou vous pouvez même construire une mini-chaufferie à côté d'un immeuble résidentiel.
Mais dans un appartement, la plupart des options décrites sont interdites, car:
- tous les projets d'un point de vue pratique ou technique ne sont pas possibles dans un immeuble avec de nombreux locataires et dans une zone limitée;
- cela peut nuire aux intérêts des voisins;
- il existe des restrictions légales sur ces projets.
Ainsi, dans un appartement, il n'est tout simplement pas pratique d'installer une chaudière à combustible solide, car il n'y a pas de place nécessaire et juste un endroit pour stocker le combustible - bois de chauffage ou charbon. Mais les planchers des bâtiments ne sont généralement pas conçus pour une charge supplémentaire aussi importante. En plus de stocker de grandes quantités de matières combustibles dans un espace de vie, c'est dangereux.
Il n'est pas permis d'installer un plancher d'eau chaude dans les appartements des immeubles d'habitation, seule sa version électrique est autorisée. Cependant, tout d'abord, lors du passage au chauffage autonome dans un immeuble à appartements, on doit faire face à des difficultés juridiques. Ainsi, dans certaines régions, le refus du chauffage central est généralement interdit par la réglementation locale.

Schéma du système de chauffage autonome
C'est pourquoi il est nécessaire de ne pas commencer par la documentation du projet, mais par une consultation avec un avocat. Après tout, il est possible que pour réaliser un chauffage autonome dans un immeuble à appartements, l'autorisation doive être obtenue auprès des tribunaux. Dans ce cas, un tel permis est nécessaire à la fois pour le refus du chauffage centralisé et pour l'installation d'un chauffage autonome.
Caractéristiques du chauffage individuel d'un appartement
Lorsque vous envisagez de passer au chauffage autonome, vous devez évaluer de manière réaliste vos capacités et comprendre que la plupart des options tout à fait acceptables pour les maisons privées sont impossibles dans un immeuble de grande hauteur. Les chaudières à combustible solide et à combustible liquide de toutes les variétés devraient être immédiatement «balayées».
Cela est dû au fait que leur fonctionnement ininterrompu nécessite un approvisionnement en carburant, ce qui est dangereux dans un immeuble à appartements.


Le chauffage individuel dans un appartement peut être organisé de différentes manières. Il y a certes moins d'options que dans une maison privée, mais il suffit amplement de choisir le système le plus adapté aux conditions existantes.
De plus, c'est également extrêmement gênant. Dans ce cas, il est interdit d'utiliser un plancher d'eau chaude. Il n'est possible d'installer qu'une de ses variétés électriques.
Vous devez savoir que lors de l'aménagement du chauffage individuel dans un immeuble de grande hauteur, vous devrez prendre en compte non seulement vos intérêts, mais aussi les intérêts des autres résidents, qui peuvent être mécontents de certaines des difficultés qui en résultent. de vos actions.
Ainsi, le choix de la bonne source de chaleur est très important. Il s'agit d'une étape cruciale qui conditionne, en fait, le succès de l'événement prévu.
Malgré les limites, il existe de nombreuses options pour les systèmes autonomes. Tout d'abord, c'est le chauffage au gaz.De plus, il ne faut pas oublier que nous ne parlons pas de carburant en bouteille, mais de raccordement à la conduite de gaz.
L'option avec des cylindres ne vaut même pas la peine d'être envisagée, car elle coûtera beaucoup plus que le chauffage centralisé et elle est extrêmement gênante. Le chauffage au gaz principal est très économique et peut fonctionner de manière totalement autonome.
La meilleure source de chaleur pour l'un des appartements d'un immeuble de grande hauteur sera une chaudière murale à double circuit avec thermostat et allumage électronique. Il maintiendra automatiquement la température la plus confortable et fournira de l'eau chaude.
Si l'appartement dispose de suffisamment d'espace libre, vous devez faire attention à la chaudière avec une chaudière. Cela stabilisera l'alimentation en eau chaude.
Le chauffage électrique peut également être installé dans les immeubles à appartements. Il peut être mis en œuvre en plusieurs versions, lorsque l'électricité est utilisée pour le chauffage direct, qui est plus cher, ou indirect.


Une chaudière murale à gaz associée à une chaudière prendra certainement beaucoup de place, mais de cette façon, il sera possible d'assurer un approvisionnement ininterrompu en eau chaude à la température requise et dans n'importe quel volume
Un système alimenté électriquement peut avoir une chaudière, une pompe à chaleur comme source de chaleur et un plancher de câble électrique, une feuille infrarouge, des radiateurs de plinthe ou des convecteurs électriques comme transmetteur d'énergie.
Le propriétaire de l'appartement peut choisir n'importe quelle option appropriée ou en combiner plusieurs. Par exemple, le chauffage par le sol et les convecteurs. Examinons en détail chacune des manières possibles d'organiser un chauffage autonome.
Comment fournir de la chaleur pour les immeubles résidentiels à plusieurs appartements
Il existe deux options: pour alimenter les canalisations de chaleur à partir des principaux réseaux de chaleur ou pour installer un point de chauffage autonome.


Les technologies modernes permettent de fournir un chauffage autonome pour une maison avec de nombreux appartements.
Les deux options sont bonnes, mais la présence d'un point de chauffage individuel pour plusieurs immeubles d'habitation et le chauffage autonome avec l'utilisation de moyens d'économie d'énergie plairont davantage. Pourquoi?
Parce que la distance entre le couple «point de chaleur - consommateur» est minimisée, réduisant ainsi les pertes de chaleur à travers le réseau de chaleur. Ce type de chauffage est dit décentralisé, ou autonome.
Avantages:
Un pourcentage plus faible des coûts de chauffage et d'alimentation en eau chaude dans un immeuble d'habitation - et tout cela parce que les coûts de transport et de livraison du caloporteur au consommateur final sont réduits.
En termes simples, la source d'alimentation en chaleur est pratiquement à proximité et, par conséquent, à la fois le temps de fourniture de chaleur aux bâtiments résidentiels et le pourcentage de pertes de chaleur sont réduits. Cela se traduit également par une réduction des coûts d'entretien, d'entretien et de réparation des systèmes de chauffage.
L'efficacité des systèmes de fourniture de chaleur - par conséquent, découle du facteur précédent. Étant donné que la source d'approvisionnement en chaleur est à proximité, le montant des paiements pour les services publics pour l'approvisionnement en eau chaude et le chauffage est quelque peu inférieur.
Indépendance du programme de chauffage de la ville. En d'autres termes, alors que le chauffage n'a pas encore été fourni en ville («parce que la saison de chauffage n'a pas commencé selon le calendrier») et que la température extérieure est déjà basse, l'approvisionnement en chaleur des appartements à partir d'une source de chaleur autonome sera utile .
De plus, chaque consommateur pourra choisir les conditions de température optimales pour son appartement - éteindre / allumer le système de chauffage uniquement pour son appartement, en ajustant le niveau de fourniture de chaleur.
Coût inférieur et retour sur investissement plus élevé pour les nouveaux bâtiments avec une source d'approvisionnement en chaleur autonome.


Une chaufferie séparée dans chaque maison augmentera l'espace libre dans la cour. Cliquez pour agrandir.
La présence d'un "espace libre supplémentaire" dans l'ensemble du microdistrict.Cela contribue également à la mise en œuvre de programmes de logement, à la construction de nouveaux bâtiments et à l'aménagement de microdistricts non pas pour le chauffage des conduites, mais pour l'infrastructure des quartiers.
En outre, la fourniture d'immeubles d'appartements avec une source d'alimentation en chaleur autonome est possible même s'il existe déjà un système d'alimentation en gaz dans la zone de construction.
désavantages
Cependant, outre les avantages des consommateurs de chauffage et de distribution d'eau chaude décentralisés, il existe un certain nombre d'inconvénients:
- Le besoin d'espace supplémentaire alloué pour la construction d'une chaufferie autonome.
- Travaux non écologiques de la chaufferie. Pour une chaufferie à gaz fonctionnant de manière autonome, il sera nécessaire d'équiper en plus un système d'évacuation des gaz d'échappement afin de réduire au maximum les émissions de fumée dans l'atmosphère, après avoir reçu la valeur MPC (concentration maximale admissible) requise par SNiP.
- Coût. Étant donné que le chauffage autonome n'est pas encore aussi populaire et demandé aujourd'hui que les systèmes de chauffage centralisés, la production de l'équipement de chaudière pour celui-ci n'a pas non plus été mise sur le «tapis roulant». Par conséquent, les prix des systèmes décentralisés de chauffage et d'alimentation en eau chaude restent élevés.
Est-il possible d'éliminer complètement les inconvénients ci-dessus, ou du moins de les réduire au minimum? Pouvez. Un espace supplémentaire pour une chaufferie autonome peut être «trouvé» sur le toit d'un immeuble de plusieurs étages, qui sera chauffé.
Un nombre croissant de maisons nouvellement construites sont déjà équipées d'une chaufferie sur le toit avec des équipements installés en haut et en haut.
Bien sûr, l'installation d'équipements supplémentaires coûtera et l'approvisionnement en chaleur décentralisé d'un immeuble en lui-même n'est pas bon marché, mais tout sera rentable plus rapidement que si la maison était simplement connectée à un système de chauffage centralisé.
Le principe de fonctionnement d'un système de chauffage autonome
Le cœur de tout système de chauffage autonome est la chaudière de chauffage. La principale différence, selon laquelle les chaudières sont classées en groupes séparés, est le type de combustible utilisé.


Chaudières de chauffage au gaz domestique
Le principe de fonctionnement des chaudières de différents groupes reste inchangé, quels que soient le modèle d'équipement et les caractéristiques du combustible utilisé.
Lors de la combustion du combustible chargé, la chaudière chauffe l'eau ou un autre caloporteur utilisé dans un système de chauffage autonome particulier. Les tuyaux, par contre, dégagent de la chaleur vers les batteries et l'espace environnant.


Schéma de principe d'une chaudière à pyrolyse
Les principales propriétés opérationnelles et techniques de la chaudière de chauffage dépendent du type de combustible utilisé. Ils ont un impact direct sur la durabilité, la fiabilité et les performances de l'appareil. Les mêmes propriétés déterminent la facilité de contrôle du système de chauffage et la commodité de son fonctionnement.
La complexité de l'installation d'un système de chauffage individuel dépend également en grande partie des caractéristiques de la chaudière. Vous devez étudier les spécificités de votre équipement existant et sélectionner le système qui convient le mieux à votre application spécifique.


Chaudières combinées
Variétés d'alimentation en chaleur décentralisée
Un autre exemple de chauffage autonome d'un immeuble résidentiel à plusieurs étages peut être une chaufferie en bloc, constituée d'un module séparé. Les chaufferies en blocs ou modulaires peuvent être transportées au fur et à mesure qu'elles sont livrées sous forme de conteneurs.


L'utilisation de chaufferies modulaires dans un immeuble d'habitation. Cliquez pour agrandir.
Leur mise en œuvre ne nécessite pas la construction d'un nouveau bâtiment spécifiquement pour l'équipement de la chaudière - l'ensemble de l'installation est déjà «enfermé» dans un conteneur, de plus, le module est isolé thermiquement, et l'assemblage est réalisé directement à l'usine de fabrication.
Auparavant, ces blocs étaient utilisés comme systèmes de chauffage pour les structures temporaires (vestiaires), mais ils sont maintenant proposés (après un certain nombre de modifications) comme une alternative au chauffage centralisé.
Mais la meilleure option pour le chauffage autonome est un système de chauffage d'appartement alimenté par un gazoduc principal ou via un réseau d'alimentation électrique (selon le type de chaudière), dont le «cœur» est une chaudière murale (gaz ou électrique) .
Pourquoi fixé au mur? Parce que les chaudières murales présentent de nombreux avantages:
- Installation pratique, facile à accrocher au mur à l'aide d'un jeu de fixations (les fixations doivent être fournies avec l'équipement de la chaudière)
- Ils sont légers et de petite taille, ne prennent pas beaucoup de place dans la pièce
- Avec leur taille, ils ont une bonne puissance (10-25 kW) et sont capables de chauffer une pièce jusqu'à 100 m2 - et cela suffit amplement pour un appartement de quatre pièces
- Fabriqué en un et deux circuits
Si le propriétaire de l'appartement envisage d'installer une chaudière à gaz murale comme équipement de chauffage, il doit alors vérifier l'exhaustivité de l'équipement, à savoir:
- Chaudière à deux circuits (fonctionnant à la fois pour le chauffage des locaux et l'alimentation en eau chaude)
- Chambre de combustion - type fermé
- La présence d'un ventilateur pour assurer le tirage forcé (prise d'air frais de la rue) et l'évacuation des produits de combustion par la cheminée
- Pompe pour circulation forcée du liquide de refroidissement
- Allumage électronique et automatisation complète - pour une utilisation rationnelle du carburant
Dans le cas d'une chaudière électrique, qui fonctionne également selon un schéma à deux circuits (chauffage + fourniture d'eau chaude au consommateur), il y aura beaucoup moins de difficultés: il ne sera nécessaire d'obtenir l'autorisation que pour l'attribution d'un supplément ligne électrique, plus convenir de l'insertion de tuyaux directs et de retour dans le système d'alimentation en eau commun.
La seule exception concerne les chaudières à électrodes sans éléments chauffants, qui fonctionnent pour chauffer l'eau courante.
Structure de chauffage au gaz
Source de gaz - il peut s'agir d'un réservoir de gaz ou d'un gazoduc. Chaudière à eau chaude - peut être divisée par fonctionnalité en systèmes à un et à deux circuits:
Les chaudières à circuit unique desservent le système de chauffage. Une chaudière séparée est installée pour l'alimentation en eau chaude.
La chaudière à double circuit assure un chauffage séparé du liquide de refroidissement et de l'eau chaude. Les systèmes à double circuit peuvent être équipés d'un réservoir de chaudière intégré ou avoir un circuit de chauffage séparé.
Chaudière - un appareil qui chauffe l'eau pour un usage domestique ultérieur. C'est un grand récipient qui recueille et chauffe automatiquement l'eau en elle-même, pour un retour ultérieur via le système de bec local. Par rapport à une chaudière, elle consomme moins de carburant en raison du concept et de la conception mêmes de la chaudière. Le caloporteur est un liquide pour transférer la chaleur à l'intérieur du système de chauffage, le plus souvent de l'eau ordinaire est utilisée. Le système de chauffage peut être fermé ou à circulation. Dans un système fermé, le liquide de refroidissement circule à l'intérieur du système au moyen d'une pompe électrique. Les circuits de chauffage sont des dispositifs de transfert de chaleur (radiateurs, circuit de chauffage par le sol, etc.). Il peut être divisé en système d'alimentation en liquide de refroidissement à deux et à un tuyau. Le plus confortable est le système à deux tuyaux - un système plus flexible en termes d'automatisation et de régulation grâce à la séparation des circuits de chauffage.
Chauffage autonome dans un immeuble d'habitation
Est-il possible d'installer le chauffage autonome dans un appartement de vos propres mains? Bien qu'il n'y ait pas d'interdiction légale du chauffage autonome, il est toujours conseillé de consulter un avocat, car certains systèmes de chauffage sont interdits.Par exemple, les planchers chauffants à l'eau dans les appartements ne peuvent pas être installés car ils peuvent surcharger le système, privant ainsi les autres résidents de la maison de chaleur.
Dans les autres cas, il est tenu de réunir les documents nécessaires et de les remettre aux autorités locales :
- certificat d'enregistrement pour le logement;
- une déclaration d'abandon du chauffage central;
- titre constitutif de propriété;
- un schéma d'un nouveau système de chauffage;
- le consentement de tous les locataires de l'appartement.
En règle générale, une demande aussi simple en apparence, telle que l'abandon du chauffage central et le passage au chauffage lui-même, s'avère être un problème bureaucratique à long terme.
L'installation d'un chauffage autonome dans l'appartement sans l'autorisation appropriée deviendra encore plus gênante. Cela peut se terminer non seulement par une amende importante, mais également par des poursuites judiciaires.Avant de décider d'équiper un appartement de systèmes de chauffage, vous devez donc obtenir des conseils des autorités compétentes et un permis de chauffage autonome dans l'appartement.
Systèmes de chauffage autonomes pour un appartement:
Avantages et inconvénients
Si un permis a déjà été reçu pour le chauffage autonome dans un immeuble, vous pouvez commencer à choisir un autre type de chauffage. Il est plus facile de le faire en connaissant les avantages et les inconvénients du chauffage autonome dans l'appartement.
Pour la première fois, un système de chauffage autonome pour un appartement est apparu en Europe. En raison de ses avantages évidents par rapport aux méthodes centralisées de chauffage des locaux, il s'est rapidement répandu dans le monde entier.
- Le principal avantage du système réside dans les économies de coûts importantes. Le propriétaire de l'appartement décide indépendamment quand allumer et quand éteindre le chauffage. Par exemple, il existe aujourd'hui des thermostats dans lesquels vous pouvez régler une minuterie pour une heure spécifique, ce qui vous permet d'éteindre complètement ou partiellement le système lorsqu'il n'y a personne à la maison et de l'allumer une demi-heure avant l'arrivée de les locataires.
- Le propriétaire de l'appartement peut créer le microclimat souhaité dans chaque pièce.
- Payez exclusivement pour le compteur de chauffage et ne dépendez pas des services publics et des tarifs gouvernementaux.
Lorsque vous faites un choix en faveur d'un chauffage alternatif, vous devez savoir à l'avance combien coûte le chauffage autonome dans un appartement et quel type de chauffage il sera non seulement économique, mais aussi efficace.
Parmi les inconvénients d'un tel système, on peut noter les nuances suivantes:
- Son contrôle préventif régulier une fois par an, pour lequel vous devez faire appel à un spécialiste. Ce n'est pas si cher, mais de nombreux utilisateurs ignorent ce besoin ou l'oublient tout simplement.
- Installer même les meilleurs radiateurs de chauffage pour un appartement. vous devez être conscient des pertes de chaleur possibles. qui sont souvent causés par des murs extérieurs, non chauffés par le bas de la pièce ou par des vitrages de mauvaise qualité.
Aujourd'hui, de nombreuses organisations de construction construisent des immeubles résidentiels avec des systèmes de chauffage autonomes prêts à l'emploi. Un tel logement est très demandé, car il coûte un peu moins cher et permet aux propriétaires de décider indépendamment du type de chauffage à choisir.
Que signifie chauffage autonome
En règle générale, aujourd'hui, des équipements de chauffage au gaz ou électriques sont installés dans les appartements. Dans le premier cas, l'option la plus optimale est une chaudière à gaz à double circuit, car de cette façon, il sera possible de ne pas payer dans le logement et les services communaux également pour l'eau chaude. Quant à l'électricité, elle n'est généralement pas utilisée directement pour chauffer une pièce, mais indirectement, par exemple, pour alimenter une pompe à chaleur.
Cependant, quel que soit votre choix, vous devrez toujours prendre en compte le prochain démantèlement de l'ancien système de chauffage, ce qui est généralement très difficile. Cependant, il ne sera probablement pas possible d'économiser de l'argent - vous ne pouvez utiliser les tuyaux de l'ancien système pour un nouveau chauffage que s'ils sont en bon état, c'est-à-dire que la maison est neuve ou que le chauffage a été changé récemment.Tout cela suggère que vous pourrez difficilement installer le chauffage autonome dans un appartement de vos propres mains.
Ici, nous avons besoin de l'aide de spécialistes qualifiés possédant une vaste expérience dans ce domaine. Et, en général, chauffer de vos propres mains est un risque d'éruption cutanée, car, par exemple, seul un professionnel avec un permis spécial peut installer un équipement à gaz et le démarrer pour la première fois.
Nous recommandons: Comment faire du chauffage autonome dans une maison privée?
Donc, l'option numéro un est le chauffage au gaz. Pour un appartement en ville, une chaudière à gaz moderne à double circuit est parfaite, avec un allumage électrique, une chambre de combustion fermée, un thermostat programmable et un groupe de sécurité intégré. C'est cette configuration qui permet de maintenir la température optimale dans la pièce à tout moment de la journée. Mais vous pouvez également vous procurer une chaudière à accumulation volumétrique - cela vous permettra également d'économiser sur l'eau chaude et d'installer une chaudière à circuit unique moins chère dans l'appartement.
Avantages et inconvénients
Étant donné que l'automatisation des chaudières à gaz est déjà de haute qualité, vous n'avez généralement pas à vous soucier de son fonctionnement après son démarrage et sa configuration. Le système de sécurité prévu éliminera la probabilité de fuites de gaz et minimisera les autres risques possibles - avec un bon fonctionnement, bien sûr.
Si l'appartement est petit, vous pouvez choisir une chaudière complètement compacte de faible puissance, qui ne prendra pas beaucoup de place, mais fonctionnera presque silencieusement. De plus, les prix des équipements domestiques de qualité suffisamment élevée varient dans une large gamme. Les équipements à gaz étrangers (européens) sont beaucoup plus chers. Mais les deux suffiront pour de nombreuses années de travail.


Mais je dois aussi parler des inconvénients du chauffage autonome au gaz dans un immeuble à appartements. La probabilité d'une explosion de gaz est bien sûr minime, mais elle existe toujours. Par conséquent, lors de l'installation de la chaudière à l'intérieur, vous devez également veiller à un bon système de ventilation. Plus loin. Malheureusement, mais le coût du gaz pour la population des villes augmente constamment.
De plus, la ventilation nécessite un nettoyage constant, car avec le temps, elle est obstruée par des résidus de produits de combustion - de la suie grasse. Et si une cheminée coaxiale est également utilisée, une odeur désagréable peut pénétrer dans l'appartement par une fenêtre ouverte. À propos, pour installer ce dernier dans la façade du bâtiment, l'accord des autorités compétentes peut également être requis.
Nous recommandons: Quel est le meilleur, chauffage autonome ou chauffage individuel?
Comment faire du chauffage autonome dans un appartement: caractéristiques du dispositif du système à gaz
En règle générale, un tel système de chauffage est installé en 4 étapes:
- installation d'une chaudière à gaz;
- l'ancien système de chauffage est éteint et démonté;
- des tuyaux de chauffage pour le nouveau système et des radiateurs sont installés;
- l'équipement à gaz est connecté.
Lorsque tout est déjà installé, un spécialiste du service gaz doit être invité à démarrer la chaudière. Lui seul pourra s'assurer que tout répond aux exigences de sécurité. À propos, dans le système de chauffage autonome de l'appartement, les coups de bélier sont pratiquement exclus et il n'y a donc pas lieu de s'inquiéter à ce sujet. Cela signifie que vous pouvez économiser un peu sur la résistance des structures: par exemple, installez des radiateurs en aluminium et des tuyaux en polypropylène renforcés avec du papier d'aluminium.


Cependant, lors de l'installation d'un tel système de chauffage, vous devez toujours respecter un certain nombre de règles:
- les radiateurs ne sont pas connectés au circuit en série, mais en parallèle;
- lors de l'insertion de radiateurs, un schéma diagonal est utilisé;
- une tête thermique est réalisée sur le raccordement de chaque radiateur;
- une grue Mayevsky est vissée dans la fiche supérieure de chaque batterie;
- une vanne est installée sur l'alimentation du radiateur;
- l'installation de toutes les batteries est effectuée strictement selon le niveau;
- sur le déversement, des clips sont utilisés pour compenser la dilatation des tuyaux lorsqu'ils sont chauffés;
- avant de démarrer le système, il est impératif qu'il soit sous pression.
De plus, pour que le chauffage autonome de l'appartement fonctionne de manière fiable et efficace, il est conseillé d'inclure une pompe de circulation dans le système.
YouTube a répondu par une erreur: Accès non configuré. L'API de données YouTube n'a jamais été utilisée dans le projet 268921522881 auparavant ou elle est désactivée. Activez-le en visitant https://console.developers.google.com/apis/api/youtube.googleapis.com/overview?project=268921522881, puis réessayez. Si vous avez activé cette API récemment, attendez quelques minutes que l'action se propage sur nos systèmes et réessayez.
- Articles similaires
- Comment faire du chauffage de garage autonome?
- Comment faire du chauffage autonome dans une maison privée?
- Types de chauffage autonome des locaux industriels
- Combien coûte le chauffage autonome?
- Quel est le meilleur, chauffage autonome ou chauffage individuel?
- Avantages du chauffage autonome au gaz
Système de chauffage autonome: variétés
Le chauffage autonome au gaz est peut-être le plus répandu en Russie aujourd'hui. Après tout, le gaz, à lui seul, reste un carburant assez bon marché. Et le principe de fonctionnement de tels systèmes est très simple et consiste en ce qui suit. Une chaudière à gaz est montée, à laquelle des radiateurs de chauffage sont reliés par des tuyaux. La chaudière chauffe l'eau ou un autre caloporteur, qui pénètre naturellement ou de force (à l'aide d'une pompe de circulation) dans les batteries, qui dégagent de la chaleur dans les pièces.
Pour le fonctionnement stable de l'ensemble du système, vous aurez également besoin d'un vase d'expansion, de vannes d'arrêt, ainsi que de capteurs de température et de dispositifs pour son contrôle. À propos, un tel chauffage peut non seulement vous fournir une chaleur bon marché, mais aussi de l'eau chaude bon marché toute l'année. Les économies réalisées sur cette ressource peuvent également être doublées. Il vous suffit d'acheter une chaudière à gaz à double circuit à la fois.


Chaudières à gaz à double circuit
Ainsi, les avantages d'un tel système sont:
- économies de chaleur par rapport au chauffage centralisé à plusieurs reprises;
- commodité - la chaudière peut être allumée et éteinte quand vous en avez besoin et la température du système peut être contrôlée;
- le chauffage par le sol peut être connecté à un tel système; et en général, il n'est pas difficile de le combiner avec un autre chauffage, par exemple électrique;
- vous pouvez utiliser des tuyaux et des radiateurs, comme vous le souhaitez; c'est-à-dire, débarrassez-vous des piles anciennes et encombrantes et mettez, par exemple, des piles modernes cachées sous des panneaux.
Cependant, un tel chauffage autonome présente également des inconvénients:
- les chaudières à gaz doivent être vérifiées et entretenues annuellement;
- si un appareil de chauffage tombe en panne, sa réparation peut vous coûter un joli centime;
- vous devrez surveiller le système de chauffage vous-même - vérifiez si les tuyaux fuient, si les radiateurs se réchauffent uniformément, s'il n'y a pas d'aération, la pompe de circulation est stable et fonctionne, etc.
Cependant, tout cela semble effrayant. Avec une installation compétente, effectuée par des professionnels, lors de l'achat d'éléments de haute qualité, vous ne pouvez généralement pas vous soucier du fonctionnement d'un tel système et ne le vérifier qu'une fois par an - juste avant le début de la saison de chauffage. Mais alors, quelles économies chaque année sur le chauffage et l'eau chaude!
Le chauffage à l'électricité, bien sûr, n'est pas aussi économique, mais plus sûr et même pratique, car vous n'avez pas à demander l'autorisation d'installer une chaudière à gaz dans votre appartement. Par conséquent, ces dernières années, les chaudières électriques sont devenues de plus en plus populaires.
Il est assez facile de comprendre pourquoi, car il existe beaucoup plus d'options pour un tel chauffage. Ainsi, ici, il est généralement possible de ne pas "clôturer" des systèmes de canalisations entiers, mais d'installer des éléments chauffants directement dans les radiateurs. Et il y a aussi le chauffage par le sol électrique, les radiateurs spéciaux à haut rendement, les convecteurs, le rayonnement infrarouge, etc.


Mais tout le monde ne comprend pas que même un tel chauffage est plus efficace que le chauffage centralisé, bien qu'en fait, les économies soient ici doubles, avec l'utilisation d'appareils modernes et une installation compétente de l'ensemble du système. A titre de comparaison, nous listons ci-dessous les avantages et inconvénients du chauffage autonome à l'électricité. Donc les pros:
- un grand choix d'appareils et leurs capacités;
- il n'est pas nécessaire de transporter du gaz jusqu'à la maison ou à l'appartement, ni d'acheter du combustible liquide ou solide, mais il devrait déjà y avoir de la lumière dans toute habitation;
- le système peut être alimenté, y compris à partir de sources d'énergie alternatives;
- économies significatives par rapport au chauffage centralisé;
- sécurité - vous ne serez pas empoisonné par le gaz ou les produits de combustion de tout autre carburant.
Points négatifs:
lors de l'installation, il est important d'utiliser des fils puissants et votre câblage doit y résister; c'est-à-dire qu'une ligne distincte sera requise; en cas de panne de courant, vous perdrez également de la chaleur.
Exigences de base pour l'installation de chauffage au gaz
Malgré votre désir d'avoir votre propre chauffage, cela ne suffit pas, car seul le service au gaz peut permettre le raccordement de la chaudière à gaz au réseau. Les experts prennent en compte toutes les caractéristiques de votre appartement et n'autorisent qu'ensuite l'installation d'une chaudière à gaz. Pour éviter les problèmes inutiles et ne pas retarder l'obtention de l'autorisation appropriée, il est préférable de se familiariser à l'avance avec les exigences, qui comprennent les suivantes:
- La taille de la pièce où sera située la chaudière doit être d'au moins 4 m² avec une hauteur sous plafond ne dépassant pas 2,5 m.
- La largeur de la porte pour entrer dans les locaux doit être d'au moins 80 cm.
- Selon les normes, l'éclairage de la chaudière doit être naturel (réalisé à travers une ouverture de fenêtre), c'est-à-dire que pour 10 m² de pièce, au moins 0,3 m² de fenêtre est requis.
- Une bonne ventilation est également une condition préalable, car la combustion du gaz dans la chaudière est assurée par une arrivée d'oxygène (la surface du trou pour cette entrée doit être de 8 cm² pour 1 kW de puissance de l'équipement). Chaque chaudière doit être complétée par un compteur de gaz et une ventilation dans la partie supérieure de la pièce.
- Tous les tuyaux de gazoduc doivent être en métal et les tuyaux flexibles ne peuvent être utilisés que pour connecter les consommateurs.
- Dans le système d'alimentation d'une chaudière à gaz, une machine automatique spéciale à courant régulé et protection thermique doit être fournie.
- Dans la pièce où la chaudière doit être installée, un analyseur de gaz doit également être installé, qui peut avertir d'une fuite de gaz, et une vanne électrique spéciale qui arrête l'alimentation en gaz si nécessaire.
- Les équipements à gaz ne peuvent être placés au sous-sol que si nous parlons de chauffer une maison individuelle, mais si nous parlons de bâtiments à plusieurs étages, l'installation au sous-sol est strictement interdite.
Si, dans le cas d'une maison, vous avez plus d'options pour choisir un endroit pour installer une chaudière à gaz individuelle, dans un appartement, elle ne peut être placée que dans la cuisine et doit être de type mural (de préférence avec un chambre de combustion et une cheminée coaxiale). Si le volume de la cuisine de l'appartement est supérieur à 7,5 m³, deux éléments chauffants ne peuvent pas être installés.
Important!Les exigences pour l'installation de chaudières à gaz dans une maison privée et dans un appartement sont presque les mêmes, seulement dans le premier cas, vous devrez organiser une chaufferie séparée et dans le second, la combiner avec l'une des pièces.
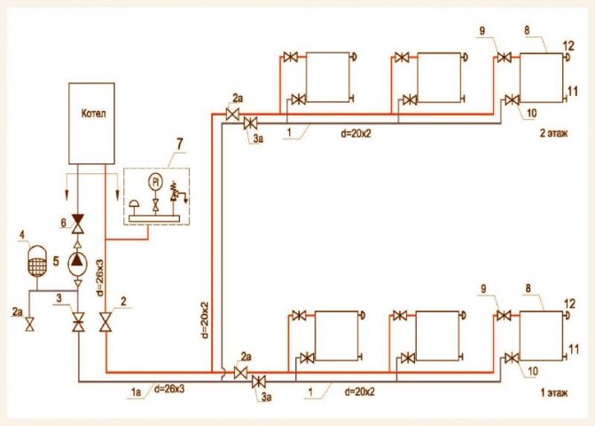
Disposition de la tuyauterie
Alors que les chauffagistes discutent du système de chauffage optimal pour une maison de chauffage central, la question de la tuyauterie compétente dans la maison est soulevée. Dans les bâtiments modernes à plusieurs étages, le schéma de câblage du chauffage peut être mis en œuvre selon l'un des deux modèles possibles.
Une connexion de tuyau
Le premier modèle prévoit une connexion monotube avec câblage supérieur ou inférieur et est l'option la plus utilisée pour équiper des bâtiments à plusieurs étages avec des appareils de chauffage. Dans le même temps, le lieu de retour et de fourniture n'est pas strictement réglementé et peut varier en fonction des conditions extérieures - la région dans laquelle la maison est construite, son agencement, le nombre d'étages et la construction.La direction directe du mouvement du liquide de refroidissement le long des colonnes montantes peut également changer. L'option de mouvement de l'eau chauffée dans le sens de bas en haut ou de haut en bas est fournie.
La connexion monotube se caractérise par une installation simple, un coût abordable, une fiabilité et une longue durée de vie, mais elle présente également un certain nombre d'inconvénients. Parmi eux, la perte de température du liquide de refroidissement lors du déplacement le long du contour et les indicateurs de faible rendement.
En pratique, divers dispositifs peuvent être utilisés afin de compenser les défauts par lesquels un schéma de chauffage monotube diffère, un système à rayonnement peut devenir une solution efficace au problème. Il est conçu pour utiliser un collecteur pour aider à réguler les conditions de température.
Raccordement à deux tuyaux
La connexion à deux tuyaux est la deuxième version du modèle. Le système de chauffage à deux tuyaux d'un bâtiment de cinq étages (à titre d'exemple) est dépourvu des inconvénients décrits ci-dessus et se distingue par une conception complètement différente de celle d'un bâtiment à un tuyau. Lors de la mise en œuvre de ce schéma, l'eau chauffée du radiateur ne se déplace pas vers le prochain appareil de chauffage du circuit, mais entre immédiatement dans le clapet anti-retour et est envoyée à la chaufferie pour chauffage. Ainsi, il est possible d'éviter la perte de température du fluide caloporteur circulant le long du contour d'un bâtiment à plusieurs étages. La complexité de la connexion, qui est assumée par le schéma de connexion à deux tuyaux de la batterie de chauffage dans l'appartement, fait de la mise en œuvre de ce type de chauffage un processus long et laborieux qui nécessite des coûts matériels et physiques importants. L'entretien du système n'est pas non plus bon marché, mais le coût élevé est compensé par un chauffage uniforme et de haute qualité de la maison à tous les étages. Parmi les avantages d'un circuit à deux tuyaux pour connecter des batteries de chauffage, il convient de souligner la possibilité d'installer un dispositif spécial sur chaque radiateur du circuit - un compteur de chaleur. Il vous permet de contrôler la température du liquide de refroidissement dans la batterie et, en l'utilisant dans l'appartement, le propriétaire obtiendra des résultats significatifs en économisant de l'argent sur les factures de services publics, car il pourra réguler indépendamment le chauffage si nécessaire.
INSTALLATION DU SYSTÈME DE CHAUFFAGE EN 5 ÉTAPES
Gestionnaire d'appels
Départ de l'ingénieur vers l'objet
Installation du système de chauffage
Remplissage et test de pression du système
Travaux de mise en service
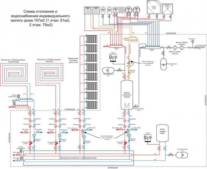
Les spécialistes de Thermo Life sont compétents dans la conception de systèmes d'ingénierie de toute envergure: des petits ménages privés aux grands immeubles commerciaux et municipaux (centres de divertissement, hôtels, hôtels, jardins d'enfants, écoles, etc.) systèmes de chauffage domestique (sol chaud, eau chaude) système de circulation, télécommande de la chaudière.)
Caractéristiques comparatives des vecteurs énergétiques pour le chauffage à l'exemple d'une petite maison
| Type de vecteur d'énergie | Support de gaz | Électricité |
| Coût du système de chauffage (frotter.) | 50 000-100 000 | 50 000-100 000 |
| Le coût du système interne de la maison (frotter.) | 150 000-200 000 | 150 000-200 000 |
| Connexion au réseau pour 20-25 kW (frotter.) | — | 100 000 |
| Puissance nominale de la chaudière (kW) | 18 | 18 |
| Surface chauffée (m2) | 100 | 100 |
| Coût de 1 kW / h. (frotter.) | 2,9 (à un prix du gaz de 17,4) | 4.04 |
| Puissance moyenne de la chaudière (kW) | 9 | 9 |
| Consommation de la saison de chauffage (kW) | 23 436 | 23 436 |
| TOTAL (RUB) | 67 964 | 94 681 |
* Les chiffres du tableau montrent à peu près combien il en coûtera pour chauffer une maison pendant une période de 7 mois. Il est important de tenir compte de la qualité de la construction de la maison et de la température extérieure en hiver. Le système de chauffage est conçu pour une température de 24 degrés en continu ou selon les besoins.
Avantages des systèmes de chauffage autonomes
En termes d'efficacité, d'économie et de confort, un système de chauffage autonome au gaz dans une maison privée est la solution optimale au problème de l'approvisionnement énergétique d'un bâtiment de banlieue.Les clients installent un système autonome sur les sites non seulement comme source principale de vecteur d'énergie, mais aussi comme système de secours en cas de situations d'urgence qui surviennent de temps en temps sur les autoroutes centrales. Les équipements fonctionnels permettront au propriétaire d'un immeuble de banlieue de:
- être indépendant des services publics (fourniture centrale de gaz) ;
- chauffer efficacement les locaux en régulant indépendamment le régime de température;
- réduire considérablement les coûts de chauffage et d'entretien du système de chauffage pendant la saison froide;
- recevoir sans interruption du gaz et de l'électricité.
Un équipement certifié et le professionnalisme des employés sont la garantie d'un fonctionnement sûr du système de chauffage autonome au gaz à domicile, ce qui est tout simplement indispensable dans la région de Moscou et la région de Leningrad.
Installation d'un système de chauffage au gaz.
Peu importe où se trouve la maison de campagne et quelle superficie elle occupe, l'installation du chauffage autonome commence par la visite d'un ingénieur de notre entreprise dans votre installation. Il conseillera sur toutes les questions restantes déjà en place, établira un devis qui reflétera les informations sur l'équipement. L'installation des équipements se déroule en plusieurs étapes:
- Développement général du projet et conception (à ce stade, les fondations du système de chauffage des locaux sont posées);
- Achat de matériaux de construction et de tout l'équipement nécessaire (à cette étape, les entrepreneurs ou le propriétaire achètent tous les matériaux de construction, équipements, etc.);
- Installation du système et remplissage du système de chauffage avec un liquide de refroidissement (le liquide de refroidissement préalablement convenu à ce stade remplit les tuyaux et le système dans son ensemble);
- Essais du système - essai (comme dans toutes les affaires sérieuses, le système de chauffage ne peut pas être mis en service à long terme sans essais préliminaires évaluant sa qualité: le système est testé pour fonctionner sous des pressions (de travail et élevées));
- Démarrage du système (après que tous les contrôles et tests ont été effectués, le chauffage au gaz dans une maison privée peut enfin être mis en service).
Chauffage autonome: avantages et inconvénients
L'indépendance du système est son principal avantage. Tous les avantages et inconvénients sont des conséquences de l'autonomie.
- Mode de fourniture de chaleur - réglé en fonction des souhaits et des capacités des personnes vivant dans l'appartement, et non des capacités de la ferme communale de l'immeuble. Prolongez la saison de chauffage ou raccourcissez-la, éteignez-la si le logement est laissé pendant une longue période ou réglez-la à un niveau de chauffage minimum - toute option est disponible et faisable.
- Régulation du chauffage - la température de l'air dans l'appartement est déterminée par son occupant. Dans la plupart des cas, un système indépendant vous permet d'installer un thermostat sur chaque radiateur, ce qui permet de créer un régime thermique individuel.
- Les économies - malgré les coûts initiaux élevés - si nous ne parlons pas d'une chaudière électrique, le coût de chauffage de l'appartement et la maintenance du système lui-même sont considérablement réduits par rapport au paiement de services de chauffage centralisés.
- Dans le cas de l'installation d'une chaudière à eau chaude à double circuit, il est possible d'alimenter indépendamment le logement en eau chaude toute l'année.
Les inconvénients du chauffage autonome sont liés au fait de son installation et à la nécessité de prendre en charge indépendamment son fonctionnement normal.
- Installation - tous les éléments du système sont achetés indépendamment, installés de leurs propres mains ou avec l'aide de spécialistes. La dépense initiale est assez importante. La photo montre un moment de travail.
- L'installation d'un système de chauffage est associée à la destruction partielle des cloisons murales, à l'intégrité des planchers, etc. Très probablement, après cela, au moins des réparations esthétiques devront être effectuées à la maison.
- Réparation et entretien des instruments - effectués par des représentants des centres de service dans diverses conditions. Mais dans tous les cas, les payer n'est que le problème du propriétaire. Décider s'il s'agit d'un désavantage ou d'un avantage est parfois difficile.
- L'installation de chauffage autonome nécessite un permis. De ce qui précède, cette circonstance est peut-être la plus difficile et la plus fastidieuse, à en juger par les critiques. Cependant, ces exigences ne sont pas seulement le produit d'une activité bureaucratique, mais empêchent également l'installation d'équipements illégaux non certifiés, ce qui constitue un grave danger pour tous les résidents d'un immeuble à appartements.
La commodité et l'efficacité de toute version d'un système indépendant dépassent tellement les coûts d'effort, de temps et d'argent pour son installation qu'il ne peut y avoir deux opinions: si l'installation est fondamentalement possible, cela vaut la peine de l'implémenter sans la mettre le brûleur arrière.
Description générale du système autonome
Un système de chauffage indépendant est un équipement pour la fourniture de chaleur d'un logement qui n'est pas connecté au réseau électrique général.
Avec une mise en œuvre correcte, le complexe offre aux propriétaires immobiliers des conditions de vie confortables optimales et permet de ne pas dépendre des interruptions dans l'approvisionnement centralisé des ressources de chauffage.
Parmi les principaux avantages des systèmes de chauffage individuels figurent les positions suivantes:
- réglage instantané du niveau de chaleur dans l'appartement et possibilité de régler vous-même la température de chauffage;
- économiser de l'argent sur les factures de services publics;
- simplicité opérationnelle et disponibilité;
- haut niveau d'efficacité et transfert de chaleur de haute qualité;
- fiabilité, sécurité et durabilité des équipements.
Ce sont ces paramètres qui attirent les consommateurs et rendent les systèmes autonomes en demande.


Le refus d'un approvisionnement en chaleur centralisé et la transition vers un système de chauffage indépendant dans l'appartement est économiquement rentable. Le coût du chauffage du logement est réduit de 2 à 3 fois et celui de la fourniture d'eau chaude de 3 à 5 fois. Dans le même temps, le niveau de confort dans la pièce devient plus élevé.
Conditions
Il est nécessaire que l'unité dispose de tous les clips appropriés:
- Contrôle de présence de flamme.
- Surveillance de la traction et de la température.
- En l'absence d'incendie, la vanne d'arrêt doit fonctionner.
Par conséquent, il vaut mieux acheter des chaudières que les fabricants qui sont sur le marché depuis plus d'un an. En outre, l'entretien annuel doit être effectué par les autorités compétentes, ce qui ne peut être nié. Aujourd'hui, les stations de distribution de gaz non seulement effectuent la procédure d'approvisionnement en gaz, mais proposent également des chaudières de haute qualité à des prix abordables. Dans ce cas, ils sont déjà entièrement responsables de l'ensemble du processus de l'appareil.
La procédure pour organiser un chauffage autonome
Quel que soit le type de vecteur d'énergie choisi, l'ordre d'agencement du système reste le même. Les différences ne sont présentes qu'au stade de l'installation de la chaudière elle-même. Ce point est spécifié et considéré dans un ordre séparé.
Il est préférable pour les débutants de privilégier les chaudières électriques - un tel équipement est le plus facile à connecter et le plus pratique à utiliser.
En général, la connexion du chauffage autonome est effectuée dans l'ordre suivant.
Premier pas. Élaborez ou commandez un schéma du système de chauffage spécifiquement pour votre maison.


Systèmes de chauffage
À la même étape, calculez le nombre optimal de sections de radiateur de chauffage. Ajoutez une marge de 15 à 20% à la valeur calculée. Cette réserve garantira le rendement le plus élevé possible des radiateurs, qui se colmatent inévitablement lors de leur fonctionnement, ce qui conduit à une détérioration de leur transfert thermique. Il est plus rationnel de placer des sections supplémentaires dans les pièces d'angle de la maison.


Calcul standard des radiateurs de chauffage


Calcul du nombre de sections requis par pièce
Une calculatrice spéciale aidera à calculer le nombre de radiateurs avec beaucoup plus de précision:
Calculatrice pour compter le nombre de sections de radiateur de chauffage
Aller aux calculs
Deuxième étape. Percez des trous dans les murs selon le plan. Les dimensions des trous doivent correspondre au diamètre des tuyaux qui les traverseront.


Installer un radiateur sous la fenêtre


Tuyauterie de radiateur de chauffage


Supports de montage
Troisième étape. Si nécessaire, terminez les murs aux endroits où les batteries seront montées. Ce ne sera pas pratique de le faire après l'installation des radiateurs.
Il est également recommandé de coller le matériau en feuille sur le mur derrière le radiateur. Grâce à cela, la chaleur sera réfléchie dans la pièce et ne quittera pas la pièce à travers le mur.


Installation d'un écran réfléchissant la chaleur derrière la batterie
Quatrième étape. Procéder à l'installation des éléments du système de chauffage autonome. Commencez par installer la chaudière. Installer selon les exigences spécifiques à votre équipement de chauffage.
Posez les tuyaux de la chaudière conformément au schéma de chauffage précédemment établi et connectez les radiateurs aux tuyaux. L'installation des radiateurs peut être effectuée selon un schéma en série ou en parallèle. Sélectionnez l'option spécifique en fonction des conditions de votre situation.


Liaison des chaudières à combustible solide
Cinquième étape. Testez le système de chauffage autonome assemblé. Assurez-vous de vérifier l'étanchéité du système. Pour effectuer une telle vérification, de l'eau ou un autre liquide de refroidissement utilisé doit être acheminé à travers les tuyaux. Les zones problématiques deviendront perceptibles presque immédiatement. Tout défaut constaté doit être réparé de toute urgence.
Si vous ne parvenez pas à résoudre vous-même les problèmes rencontrés, invitez un spécialiste qualifié - vous ne pouvez pas plaisanter avec le chauffage. Il est préférable de tout faire efficacement et correctement dès le début que de faire face à de graves problèmes lors de l'utilisation ultérieure du système.
N'oubliez pas: la sortie de vidange doit être située au point le plus bas du système de chauffage, c.-à-d. en bas de la ligne de retour. Ce n'est que si cette règle est respectée que le chauffage fonctionnera de manière efficace et efficiente.
Après l'achèvement des travaux d'installation et l'élimination des erreurs identifiées, si elles ont été trouvées, le chauffage autonome peut être considéré comme presque prêt. En conclusion, vous n'aurez plus qu'à sceller en plus les joints et toutes sortes de fissures.
Chauffage indépendant qu'est-ce que l'indépendance
La tâche principale que les résidents d'un appartement en ville, qui ont exprimé le désir de devenir indépendants du chauffage centralisé, peuvent être confrontés, est d'obtenir une autorisation. Sans documents officiels permettant de se déconnecter du chauffage central et un projet fini pour un futur chauffage autonome dans un appartement, il est impossible de démonter l'équipement.
Important! Les actions non autorisées visant à éteindre et à démonter les éléments de chauffage central dans les locaux d'un immeuble d'appartements peuvent être considérées comme une infraction administrative. Si de tels faits sont révélés, le propriétaire de l'appartement est contraint non seulement de payer une amende, mais également de restaurer le matériel démonté à ses frais.
Dans le processus de résolution des problèmes d'organisation, il ne faut pas laisser le développement du projet pour plus tard. En d'autres termes, si vous décidez d'équiper un chauffage décentralisé dans votre appartement, vous devrez décider à l'avance du type de chauffage autonome à privilégier.
Le concept d '«indépendant» par rapport à un appartement en ville semble plutôt arbitraire. Contrairement à une maison privée, où le propriétaire a de grandes capacités technologiques, un appartement en ville a des ressources limitées. Dans les ménages privés, vous pouvez installer un chauffage autonome de presque tous les types.Avec le désir du propriétaire et certains moyens financiers, vous pouvez vraiment atteindre une indépendance totale par rapport aux fournisseurs d'énergie centralisés.


Les principaux avantages des systèmes de chauffage indépendants sont les suivants:
- la capacité d'ajuster indépendamment l'intensité du chauffage des locaux résidentiels;
- démarrage rapide et arrêt rapide des systèmes de chauffage autonomes;
- une réelle opportunité de réaliser des économies sur les coûts énergétiques;
- maintenir la température optimale admissible dans l'appartement à tout moment de l'année.
La présence de communications internes, la disposition des appartements et des normes techniques strictes ne permettent pas aux propriétaires d'appartements dans un immeuble à appartements d'utiliser un poêle et un chauffage à air, ainsi que d'autres options de chauffage alternatives. Dans ce cas, il faut se contenter de gaz ou d'électricité. Toute interruption de l'alimentation électrique ou de l'alimentation en gaz annulera toute votre indépendance. La seule chose qui peut être faite est d'équiper le chauffage autonome de la maison, en utilisant l'une des sources principales, et de conserver la seconde comme option de secours.
Remarque: lors de la soumission des documents de déconnexion du chauffage central, vous devrez joindre un projet de chauffage alternatif pour votre appartement. Le choix des sources d'énergie n'est pas grand, le projet peut être conçu pour l'installation d'équipements de chauffage au gaz ou électriques. Toute autre option de chauffage indépendant ne sera pas approuvée et sera rejetée.
Collecter les documents nécessaires
La liste des documents nécessaires à l'organisation du chauffage autonome d'un appartement dans un immeuble d'habitation est répertoriée dans le code du logement RF, article 26 «Motifs de reconstruction et (ou) de réaménagement des locaux d'habitation»:
- déclaration;
- le droit d'établir des documents de logement;
- projet de réaménagement;
- consentement écrit des membres de la famille;
- l'autorisation d'effectuer des travaux de reconstruction du chauffage, délivrée par un organisme qui contrôle la protection des monuments architecturaux.
La campagne de gestion, où la demande du propriétaire de l'appartement est déposée, donne l'autorisation de se déconnecter du chauffage centralisé. Ce document d'autorisation sera nécessaire pour commander les conditions techniques pour l'installation du chauffage individuel.


L'appel s'adresse aux travailleurs du gaz si la question est de savoir comment chauffer au gaz dans un appartement. La période pour laquelle ces conditions doivent être présentées est de 10 jours. Le refus pour "impossibilité technique" est autorisé dans les établissements où il n'y a pas de gaz (y compris dans les bouteilles).
L'étape suivante est la procédure de commande d'un projet d'installation de matériel de chauffage dans un bureau d'études. L'organisme de distribution de chaleur, sur la base d'une lettre de la HOA, réalise un projet de déconnexion du chauffage central. Si un refus est reçu, avec une réponse écrite en main, vous pouvez vous adresser au tribunal.
Ensuite, ils se tournent vers le ministère de la Défense du VDPO pour un projet de loi sur la sécurité incendie. En même temps, un projet de cheminée est en cours de réalisation (si nécessaire).
La documentation collectée pour le chauffage autonome ou individuel est envoyée à l'administration locale. Dans les 45 jours, ils doivent émettre une conclusion sur l'approbation, ou un refus, si tous les documents n'ont pas été rassemblés. À ce stade, le refus peut également faire l'objet d'un appel devant le tribunal.
Le nombre de documents peut varier selon la région. La liste spécifique est spécifiée dans les collectivités locales.
Sélection de la chaudière
Compte tenu du fait qu'il n'y a pas d'espace supplémentaire dans l'appartement pour installer un générateur de chaleur au sol et sa tuyauterie, les chaudières murales doivent être sélectionnées pour un chauffage autonome. Dans cette version, les unités à gaz et électriques sont vendues. Quant à la puissance thermique, il ne faut pas prendre trop de marge.La justification est simple: même avec l'emplacement d'angle de l'appartement à côté, au-dessus ou en dessous, des voisins vivent, dont le logement est également chauffé, ce qui signifie qu'il n'y aura pas de pertes de chaleur dans ces directions. Quant aux premier et dernier étages, ils sont séparés de l'environnement par un sous-sol et une superstructure technique.
Conseils. La détermination de la puissance thermique qu'un système de chauffage autonome doit fournir peut se faire de manière traditionnelle - 100 W pour 1 m2 de surface. La puissance de la chaudière est supposée sans quotas ni coefficients.


Parmi les types existants de générateurs de chaleur à gaz pour chauffer un appartement, une unité de condensation économique à haut rendement est la mieux adaptée. Mais, compte tenu de son coût, il est possible d'alimenter une chaudière turbocompressée ordinaire avec une chambre de combustion fermée et une cheminée coaxiale. Et pour gagner en indépendance par rapport à l'alimentation en eau chaude centralisée, il est judicieux d'acheter une unité de gaz à double circuit.


Parmi les trois types de chaudières électriques sur le marché, dans notre cas, seul l'élément chauffant mural conviendra. La raison en est que l'installation d'un chauffage autonome dans un appartement avec une électrode ou un chauffage à induction nécessite une tuyauterie, l'installation d'équipements et une armoire de commande. Cela signifie qu'un local technique séparé est nécessaire, aucun propriétaire normal ne veut voir une image similaire dans sa cuisine. Et du point de vue de la sécurité électrique, c'est inacceptable.























