Pour le chauffage des locaux, un système d'alimentation en chaleur fermé et ouvert est utilisé. Cette dernière option fournit en outre au consommateur de l'eau chaude. Dans ce cas, il est nécessaire de contrôler le réapprovisionnement constant du système.
Un système fermé utilise l'eau uniquement comme caloporteur. Il circule en permanence en boucle fermée où les pertes sont minimes.
Tout système se compose de trois parties principales :
- source de chaleur : chaufferie, cogénération, etc. ;
- réseaux de chauffage à travers lesquels le liquide de refroidissement est transporté;
- consommateurs de chaleur: appareils de chauffage, radiateurs.
Caractéristiques d'un système ouvert
L'avantage d'un système ouvert est sa rentabilité. En raison de la longueur des canalisations, la qualité de l'eau se détériore : elle devient trouble, acquiert une couleur et dégage une odeur désagréable. Les tentatives de nettoyage le rendent coûteux à utiliser.
Les tuyaux de chauffage peuvent être vus dans les grandes villes. Ils ont un grand diamètre et sont enveloppés dans un isolant thermique. À partir d'eux, des branchements sont réalisés vers des maisons individuelles via une sous-station thermique. L'eau chaude est fournie pour l'utilisation et pour les radiateurs de chauffage à partir d'une source commune. Sa température varie de 50 à 75 ° C.
Le raccordement de l'alimentation en chaleur au réseau s'effectue de manière dépendante et indépendante mettant en œuvre des systèmes d'alimentation en chaleur fermés et ouverts. La première consiste à fournir de l'eau directement - à l'aide de pompes et d'élévateurs, où elle est portée à la température requise par mélange avec de l'eau froide. Une méthode indépendante consiste à fournir de l'eau chaude à travers un échangeur de chaleur. C'est plus cher, mais la qualité de l'eau du consommateur est meilleure.
Caractéristiques de la circulation forcée

La création d'une pression accrue dans le système de chauffage oblige à le faire passer d'ouvert à fermé - sinon, tout le liquide de refroidissement éclaboussera tout simplement.
Mais il est également impossible de le boucher simplement en rendant le volume fixe : le milieu qui se dilate lorsqu'il est chauffé va rompre des canalisations ou des appareils.
La solution consiste à utiliser un vase d'expansion étanche spécial pour un système de chauffage de type fermé, divisé en deux parties par une membrane élastique.
Dans une partie, le ballon est connecté au circuit de chauffage, dans la seconde, l'air est pompé. En s'étirant, la membrane compense la variation de volume du liquide de refroidissement, tandis que la pression d'air dans la deuxième partie du réservoir ne lui permet pas d'éclater.
Les mêmes réservoirs à membrane sont produits pour les conduites d'eau potable, mais ils sont plus chers en raison de l'utilisation de matériaux alimentaires. Pour que les acheteurs ne s'y trompent pas, il est d'usage que les fabricants peignent les réservoirs de chauffage en rouge et les réservoirs d'alimentation en eau en bleu.
Pourquoi, en fait, avez-vous besoin d'accélérer le liquide de refroidissement? Voici les avantages de cette amélioration :
- Après avoir contourné le circuit, le fluide de travail n'a pas le temps de beaucoup refroidir, la chaudière fonctionne donc en mode doux.
- Il n'est pas nécessaire de chauffer fortement le liquide de refroidissement, par conséquent, le système peut fonctionner en mode basse température (pertinent pour la morte-saison).
- Vous pouvez réduire le diamètre des tuyaux - la pompe surmontera facilement la résistance hydraulique accrue.
- En réduisant le diamètre des tuyaux, nous réduisons le volume requis du liquide de refroidissement et, par conséquent, le vase d'expansion (généralement 10% du volume du liquide de refroidissement).
- En réduisant le volume du liquide de refroidissement et en accélérant son mouvement à travers les tuyaux, nous réduisons l'inertie thermique du système, ce qui le rend plus économique.
- Le circuit de chauffage peut maintenant être de n'importe quelle longueur - il vous suffit d'installer une pompe d'une capacité suffisante.
Le passage à un système fermé apporte également plusieurs améliorations :
- Le caloporteur ne s'évapore pas (c'est particulièrement important si l'on utilise de l'eau traitée soumise à une déminéralisation).
- Pas d'évaporation - pas de perte de chaleur.
- Le liquide de refroidissement n'est pas saturé d'air, par conséquent, les poches d'air n'apparaîtront pas.


Système de chauffage avec vase d'expansion et pompe de circulation
Comme vous pouvez le constater, la circulation forcée présente de nombreux avantages. Le seul inconvénient est la dépendance énergétique (la pompe a besoin d'une alimentation électrique).
Dans les régions où le réseau électrique fonctionne avec des interruptions fréquentes, il est recommandé d'aménager un système de chauffage basé sur la circulation naturelle :
- utiliser des tuyaux de grand diamètre;
- posez-les avec une pente aussi grande que possible;
- diviser le système en contours dont la longueur ne dépasse pas 30 m;
- installer un surpresseur immédiatement derrière la chaudière (section verticale de la canalisation).
Dans ce cas, le système restera partiellement opérationnel en cas de panne de courant.
Caractéristiques d'un système fermé
La ligne de chaleur est réalisée sous la forme d'une boucle fermée séparée. L'eau qu'il contient est chauffée par des échangeurs de chaleur provenant du réseau de cogénération. Des pompes supplémentaires sont nécessaires ici. Le régime de température est plus stable et l'eau est meilleure. Il reste dans le système et n'est pas emporté par le consommateur. Les pertes d'eau minimales sont récupérées par recharge automatique.
Un système autonome fermé reçoit de l'énergie du caloporteur fourni aux points de chauffage. Là, l'eau est amenée aux paramètres requis. Pour les systèmes de chauffage et l'alimentation en eau chaude, différents régimes de température sont pris en charge.
L'inconvénient du système est la complexité du processus de traitement de l'eau. Il est également coûteux de fournir de l'eau à des postes éloignés les uns des autres.
Schéma du système de chauffage à circulation forcée


L'utilisation d'une pompe de circulation dans un système de type fermé donne un autre avantage important : il devient possible de construire un système de chauffage selon n'importe quel schéma, quelle que soit la valeur de la résistance hydraulique.
Si la circulation naturelle n'est capable d'assurer le fonctionnement que d'un circuit bitube court (jusqu'à 30 m de long), alors avec la circulation forcée, tout un ensemble d'options s'offre à l'utilisateur :
- Les radiateurs peuvent être placés en série (système monotube ou Leningrad), ce qui permet d'économiser sur les matériaux et de poser les tuyaux de manière cachée.
- Il est possible d'appliquer un schéma collecteur (distribution du liquide de refroidissement à chaque appareil via une "ligne dédiée" à partir d'un seul distributeur), ce qui permet également de masquer les canalisations, et en plus est très pratique à exploiter.
- Vous pouvez transformer toute la surface du sol libre en radiateur en mettant en œuvre ce que l'on appelle. système de chauffage au sol (chauffage au sol). Il serait impossible de pousser le liquide de refroidissement à travers un tube long, mince et sinueux sans une pompe de circulation.
Dans un système de chauffage de type fermé à deux tuyaux, une pompe de circulation sera également utile, car en plus de tous les avantages ci-dessus, elle fournit une répartition plus uniforme de la chaleur sur les radiateurs.
Il faut seulement prendre en compte que plus la résistance hydraulique du circuit est grande, plus le compresseur doit être puissant.


Schéma de la chaufferie avec un système fermé
Ainsi, par exemple, dans le cas d'un système à deux tuyaux, la pompe de circulation nécessite une puissance d'environ 20 à 25 W pour chaque 10 kW de puissance de la chaudière. Pour un système monotube, ce chiffre est déjà de 40 à 50 W / 10 kW.
Tuyaux de chauffage
À l'heure actuelle, les réseaux de chauffage domestique sont en état d'urgence.En raison de l'usure élevée des communications, il est moins coûteux de remplacer les tuyaux de chauffage par des neufs que de procéder à des réparations permanentes.
Il est impossible de renouveler immédiatement toutes les anciennes communications du pays. Lors de la construction ou de la révision des maisons, de nouveaux tuyaux sont installés dans une isolation en mousse de polyuréthane (PPU), ce qui réduit plusieurs fois les pertes de chaleur. Les tuyaux pour les conduites de chauffage sont fabriqués à l'aide d'une technologie spéciale, comblant l'espace entre le tuyau en acier situé à l'intérieur et la coque avec de la mousse.


La température du liquide transporté peut atteindre 140 °C.
L'utilisation de mousse de polyuréthane comme isolant thermique permet de garder la chaleur bien mieux que les matériaux de protection traditionnels.
Installation de chaudière
L'utilisation de la chaudière comme générateur de chaleur est intéressante en termes de commodité de réglage du débit de l'échangeur de chaleur. L'installation de poêles à combustible solide, en particulier ceux fabriqués à la main, peut être lourde de dégagement de chaleur insuffisant ou excessif. Mais leur utilisation est souvent justifiée en termes d'abordabilité et de coûts de carburant peu coûteux.
Aujourd'hui, un grand nombre de variantes différentes de chaudières avec pompe intégrée sont disponibles. D'une part, la pompe intégrée dans un système de chauffage en boucle fermée à circulation forcée est déjà correctement sélectionnée pour la capacité de l'équipement de la chaudière et vous permet de ne pas l'acheter séparément. Mais en même temps, si l'équipement intégré tombe en panne, il est plus difficile de le réparer, contrairement à l'équipement séparé.
Les exigences pour la chaudière lors d'un système de chauffage forcé pour une maison privée sont les mêmes que lors de la circulation naturelle du système:
- Il est nécessaire d'assurer le passage du caloporteur sans ébullition. Il est beaucoup plus facile de remplir cette condition lors de l'installation du système "four-pompe", contrairement au modèle gravitationnel du mouvement du liquide de refroidissement.
- La puissance de l'équipement de la chaudière doit répondre aux besoins du système de chauffage de la maison. Dans ce cas, il est nécessaire d'avoir une certaine marge (15-25%) en raison de circonstances imprévues probables.
Pour éviter l'ébullition de l'eau, il est nécessaire d'ajuster la puissance en tenant compte de la température du caloporteur sortant.
En savoir plus sur le système de chauffage forcé:
Fourniture de chaleur pour les immeubles d'habitation à plusieurs appartements
Contrairement à un chalet d'été ou à un chalet, l'alimentation en chaleur d'un immeuble d'appartements contient un schéma de câblage complexe pour les tuyaux et les appareils de chauffage. De plus, le système comprend des contrôles et de la sécurité.
Pour les locaux d'habitation, il existe des normes de chauffage, qui indiquent les niveaux de température critiques et les erreurs tolérées, en fonction de la saison, de la météo et de l'heure de la journée. Si l'on compare un système de chauffage fermé et ouvert, le premier maintient mieux les paramètres nécessaires.
L'approvisionnement public en chaleur doit assurer le maintien des paramètres de base conformément à GOST 30494-96.


Les plus grandes pertes de chaleur se produisent dans les cages d'escalier des immeubles résidentiels.
La plus grande partie de l'approvisionnement en chaleur est réalisée selon des technologies anciennes. Essentiellement, les systèmes de chauffage et de refroidissement devraient être combinés en un complexe commun.
Les inconvénients du chauffage urbain dans les bâtiments résidentiels conduisent à la nécessité de créer des systèmes individuels. Cela est difficile à faire en raison de problèmes au niveau législatif.
Caractéristiques du processus d'installation
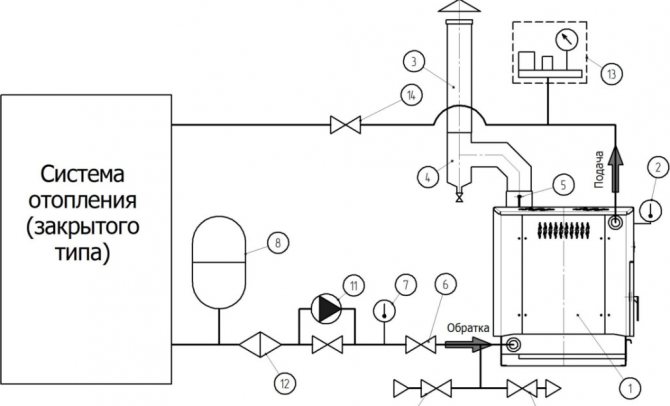
La pompe doit être installée dans la zone où la température est la plus basse, c'est-à-dire sur le "retour" près de la chaudière.
S'ils sont installés sur la ligne "d'alimentation", les pièces en polymère du ventilateur tomberont rapidement en panne en raison d'une surchauffe.
Et en cas d'ébullition du liquide de refroidissement, la circulation s'arrêtera complètement (ce qui aggravera encore la surchauffe), puisque la pompe est incapable de pomper de la vapeur.
Un filtre grossier (puisard) est installé devant la pompe et un manomètre après celle-ci.Un autre manomètre est généralement installé après la chaudière dans le cadre d'un groupe de sécurité.
Le vase d'expansion étant fermé dans un système à circulation forcée, il n'est pas nécessaire de l'installer au point le plus haut du circuit. Habituellement, il est également connecté au "retour" quelque part près de la chaudière.
Le propriétaire entretient lui-même le système de chauffage d'une maison privée. Pour comprendre pourquoi la pression dans le système de chauffage baisse, il est nécessaire de pouvoir diagnostiquer d'éventuels dysfonctionnements.
Les normes de pression dans le système de chauffage d'une maison privée sont données par le lien.
En cas de blocage dans le circuit, il est nécessaire de prévoir une dérivation avec une vanne de dérivation, à travers laquelle la pompe pompera le liquide de refroidissement "à travers elle-même", c'est-à-dire dans un petit cercle, en contournant le circuit. Si cela n'est pas fait, une zone de haute pression se formera devant le blocage, ce qui accélérera considérablement l'usure de la pompe.
Afin de ne pas déranger le by-pass, vous pouvez installer une pompe capable de régler en douceur la vitesse du moteur et un régulateur automatique.
Alimentation en chaleur autonome d'un immeuble résidentiel
Dans les bâtiments de type ancien, selon le projet, un système centralisé est prévu. Les schémas individuels vous permettent de choisir les types de systèmes d'alimentation en chaleur en termes de réduction des coûts énergétiques. Ici, il y a la possibilité de leur arrêt mobile s'il n'est pas nécessaire.


La conception des systèmes autonomes est réalisée en tenant compte des normes de chauffage. Sans cela, la maison ne peut pas être mise en service. Le respect des normes garantit le confort des résidents de la maison.
La source de chauffage de l'eau est généralement une chaudière à gaz ou électrique. Il est nécessaire de sélectionner une méthode de rinçage du système Dans les systèmes centralisés, la méthode hydrodynamique est utilisée. Pour les autonomes, vous pouvez utiliser des produits chimiques. Dans ce cas, il est nécessaire de prendre en compte la sécurité de l'influence des réactifs sur les radiateurs et les tuyaux.
La différence entre les circuits de chauffage ouverts et fermés (fermés) : systèmes monotubes et bitubes
Le système de chauffage est une structure complexe qui comprend des radiateurs de chauffage, une chaudière qui chauffe le liquide de refroidissement et des tuyaux qui unissent tous les éléments du circuit. Les circuits de chauffage sont équipés de vases d'expansion, de manomètres qui mesurent la pression dans les tuyaux et d'autres dispositifs qui assurent un fonctionnement de chauffage autonome ininterrompu.
Chaque circuit de chauffage est équipé d'un vase d'expansion, qui neutralise le volume excédentaire du caloporteur se dilatant pendant le chauffage. Si un tel réservoir est en contact avec l'environnement extérieur, le système dans lequel il est installé est un système de chauffage ouvert. Dans un tel système, l'eau s'évapore à travers le réservoir, il est donc périodiquement rempli si nécessaire. La conception du réservoir prévoit trois entrées pour les tuyaux de raccordement : le premier tuyau remplit le réservoir avec de l'eau du système, l'alimentant en excès d'eau dilatée par le chauffage. Le deuxième trou sert à connecter un tuyau de trop-plein, qui a une sortie dans l'atmosphère. Le troisième trou est pour le tuyau de signal, qui est équipé d'un robinet. Si de l'eau s'écoule lors de l'ouverture de ce robinet, le vase d'expansion est trop rempli.


- LiveJournal
- Blogueur
Le système fermé est très populaire parmi les gens
Base juridique des relations dans le domaine de la fourniture de chaleur
Les relations entre les entreprises énergétiques et les consommateurs sont régies par la loi fédérale n° 190 sur l'approvisionnement en chaleur, entrée en vigueur en 2010.
- Le chapitre 1 expose les concepts de base et les dispositions générales qui déterminent la portée des fondements juridiques des relations économiques dans le domaine de la fourniture de chaleur. Il comprend également l'approvisionnement en eau chaude. Les principes généraux d'organisation de l'approvisionnement en chaleur sont approuvés, qui consistent à créer des systèmes fiables, efficaces et évolutifs, ce qui est très important pour vivre dans le climat russe difficile.
- Les chapitres 2 et 3 reflètent l'étendue des compétences des collectivités locales qui gèrent la tarification dans le domaine de la fourniture de chaleur, approuvent les règles de son organisation, comptabilisent la consommation d'énergie thermique et les normes de ses pertes lors de son transport. L'exhaustivité du pouvoir dans ces domaines vous permet de contrôler les organisations d'approvisionnement en chaleur liées aux monopoles.
- Le chapitre 4 reflète la relation entre le fournisseur de chaleur et le consommateur sur la base du contrat. Tous les aspects juridiques du raccordement aux réseaux de chaleur sont pris en compte.
- Le chapitre 5 reprend les règles de préparation de la saison de chauffage et de réparation des réseaux et sources de chaleur. Il décrit la conduite à tenir en cas de non-paiement au titre du contrat et de raccordements non autorisés aux réseaux de chaleur.
- Le chapitre 6 définit les conditions du passage d'une organisation au statut d'autorégulation dans le domaine de la fourniture de chaleur, l'organisation du transfert des droits de propriété et d'utilisation de l'objet de fourniture de chaleur.
Les utilisateurs de chaleur doivent connaître les dispositions de la loi fédérale sur l'approvisionnement en chaleur afin de défendre leurs droits légaux.


Installation du circuit d'eau
Avec un système de chauffage fermé d'une maison privée à circulation forcée, la vitesse de déplacement du liquide de refroidissement sera plus élevée, contrairement au schéma naturel. Par conséquent, il est possible d'installer une section plus petite du pipeline avec les mêmes indicateurs pour chauffer la pièce. Cela réduit le coût d'installation en termes de coût des vannes, des collecteurs et des tuyaux. De plus, les tuyaux plus petits sont plus faciles à installer dans les niches technologiques.


Schéma d'installation de la chaudière
Contrairement à la circulation gravitationnelle, une pression d'écoulement hydrodynamique accrue sera ajoutée à un système de chauffage à eau chaude à circulation forcée. Par conséquent, afin d'éviter les fuites, certaines règles doivent être respectées.
Lors du passage de la circulation naturelle à la circulation fermée, il est nécessaire de tout éliminer, même les petites fuites dans le système. Avec une augmentation de la pression, le taux de fuite va augmenter, ce qui va provoquer une diminution du volume du fluide caloporteur et son aération excessive (enrichissement en oxygène).
Avant de démarrer le chauffage, des tests hydrauliques doivent être effectués. Cela permettra d'identifier les problèmes et de les régler avant l'apparition du gel, lorsqu'un arrêt prolongé de l'équipement de la chaudière n'est pas souhaitable.
Étant donné que la vitesse de déplacement du liquide de refroidissement est d'environ 0,3 m / s., Compte tenu du SNiP 42-02-2004, il n'est pas nécessaire de maintenir la pente du pipeline pour retirer le sas du système. Par conséquent, lors d'une circulation fermée, l'installation de canalisations et de radiateurs est plus simple, contrairement au système naturel.
En savoir plus sur la circulation naturelle et forcée :
Etablir un schéma d'approvisionnement en chaleur
Le schéma d'approvisionnement en chaleur est un document de pré-conception, qui reflète les relations juridiques, les conditions de fonctionnement et de développement du système d'approvisionnement en chaleur pour le quartier urbain, le règlement. À cet égard, la loi fédérale comprend certaines normes.
- Les systèmes d'approvisionnement en chaleur des agglomérations sont approuvés par les autorités exécutives ou les organes d'autonomie locale, en fonction de la taille de la population.
- Il doit y avoir une seule organisation de fourniture de chaleur pour le territoire correspondant.
- Le diagramme indique les sources d'énergie avec une indication de leurs principaux paramètres (charge, horaires de travail, etc.) et le rayon d'action.
- Les mesures pour le développement du système d'approvisionnement en chaleur, la conservation de la capacité excédentaire, la création de conditions pour son fonctionnement ininterrompu sont indiquées.


Les installations d'approvisionnement en chaleur sont situées dans les limites de l'établissement conformément au schéma approuvé.










