Très souvent, pour l'installation de portes intérieures, un type de charnière aussi simple et fiable que le "papillon" est utilisé. Leur différence par rapport à la version standard est que les papillons sont des boucles aériennes qui sont très faciles à monter - même un maître novice ou le propriétaire de la maison lui-même peut gérer le travail.
Les avantages de ce modèle de boucles sont nombreux, il y a aussi des inconvénients - nous vous en dirons plus à ce sujet dans l'article. Et en même temps, nous découvrirons comment les boucles papillon doivent être attachées, et comment en prendre soin ensuite. Et les avis des personnes qui ont essayé ce type de fixation de porte vous aideront à naviguer lors de l'achat des accessoires nécessaires.
Début des travaux
Avant de commencer les travaux de démontage de la charnière universelle, vous devez effectuer un certain nombre de procédures préparatoires, à savoir:

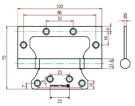
Dessin coté de la charnière papillon universelle
- Préparez un espace libre sur le sol ou, si plus confortable, sur une surface de travail. Comme cela, vous pouvez utiliser une table ordinaire qui peut facilement supporter le poids du vantail de la porte.
- Sélectionnez l'outil nécessaire, à savoir un tournevis ou un tournevis avec un jeu d'embouts.
- Retirez les portes des charnières et posez le vantail sur la surface de travail.
- Ensuite, dévissez les pièces restantes, qui sont fixées à la barre verticale avec un tournevis ou un tournevis.


- Après cela, des actions similaires sont effectuées avec les homologues de la structure, qui sont fixés au vantail de la porte.
À ce stade, la phase initiale des travaux de réparation ou de maintenance se termine et vous pouvez commencer à diagnostiquer les pannes et à les éliminer ultérieurement.
Il convient de noter que la plaque de charnière peut contenir des superpositions décoratives supplémentaires, bloquant l'accès aux vis ou aux vis. Avant le démontage, ils doivent être soigneusement retirés. Vous devrez également d'abord dévisser les auvents vissés, qui servent de verrou pour retirer le vantail de la porte intérieure.


Le schéma de fixation de la porte au vantail
Détails sur la façon de retirer l'Eurodoor des charnières
Les structures d'entrée et intérieures du modèle européen sont principalement produites avec des charnières à visser. Il est plus difficile de les démonter que les cartes à carte - vous devez être extrêmement prudent et commencer à travailler avec les attaches inférieures, car l'essentiel du poids tombe sur les parties supérieures et vous devez commencer à travailler en position fermée. La procédure est la suivante:
- ferme la porte;
- avec vos doigts ou avec un outil, retirez la charnière;
- tenez la goupille avec une pince ou votre main;
- tirez-le un peu en le tordant;
- dès que l'attache est détachée, la toile peut être retirée.
Dépannage
Une fois que tous les éléments structurels ont été supprimés, vous pouvez commencer le dépannage. Pour ce faire, les séries d'actions suivantes sont effectuées:
- les charnières à mortaise sont assemblées en un seul mécanisme de sorte que l'axe de pivot tourne autour de cet axe;
- en outre, avec des mouvements de rotation, la présence d'un mouvement libre de la goupille dans la rainure est vérifiée;
- après cela, la boucle doit être inspectée visuellement à la recherche de dommages mécaniques et de fissures;
- dès qu'un dysfonctionnement est identifié, il doit être éliminé;
- en présence de graves dommages mécaniques, le produit ne se prêtera plus à la réparation et il sera beaucoup plus facile d'acheter de nouveaux mécanismes de charnière.


Si les éléments de quincaillerie internes supérieurs ne sont pas endommagés et que le problème réside dans le mouvement serré de la goupille dans la rainure, la rainure doit être remplie de graisse spéciale, qui doit également être appliquée sur la goupille elle-même. Il convient de noter que seul le matériau qui n'a pas d'effet néfaste sur le métal est autorisé à être utilisé comme lubrifiant. Sinon, vous courez le risque d'entrer dans un remplacement rapide des charnières ou leur réparation.
Avantages et inconvénients des charnières suspendues
Un tel détail a un grand nombre de propriétés positives:
- Bas prix.
- Facile à installer.
- Longue période de fonctionnement.
- Résistance aux dommages mécaniques.
- Polyvalence. Utilisé pour le montage à gauche et à droite.
- Méthode d'installation aérienne. Protège le revêtement de la structure des dommages aux endroits où le mécanisme est adjacent, tout en conservant l'esthétique externe.
- Large gamme de couleurs. Bronze, cuivre, chrome en finition mate et brillante.
- Look élégant. La forme de l'aile papillon donne à la structure de la porte un aspect distinctif.
Dépannage
Si une inspection visuelle révèle de légers dommages mécaniques, tels que:


Différentes couleurs de boucle papillon
- déformation de la broche métallique;
- une petite fissure dans la rainure;
- une petite fissure dans les attaches.
Vous pouvez facilement résoudre ces problèmes vous-même. Pour ce faire, démontez les charnières de la porte, alignez soigneusement la goupille avec un marteau et une pince.


Le schéma de fixation de la porte à la charnière papillon
Si le problème est caché dans de petits dommages, vous pouvez utiliser ici une deuxième colle et un scellant, qui joindront de manière fiable les pièces endommagées. Il est à noter que même une légère déformation de la goupille peut entraîner un dysfonctionnement de l'ensemble du groupe de charnières.Par conséquent, lors de l'examen visuel du produit, portez une attention particulière à la goupille.
Les inconvénients
Cependant, un tel détail présente un certain nombre de qualités négatives:
- Il est impossible de monter le mécanisme sur de lourds chiffons en bois massif. La pièce est superposée et ne coupe pas, par conséquent, elle ne peut garantir la fiabilité du fonctionnement des structures lourdes.
- Pour retirer la toile, vous devez dévisser le mécanisme. Ce type de ferrures ne prévoit pas de charnière fendue.
- L'installation est réalisée sur une surface parfaitement lisse. S'il y a un biseau sur la toile ou la boîte, cela entraînera des problèmes avec l'utilisation ultérieure du mécanisme.
- Le pliage des moitiés de la pièce doit être parfait. En l'absence de ce facteur, ils vont sauter, se battre les uns contre les autres, ce qui entraînera leur déformation.
Pose de charnières et d'auvent de vantail de porte
Une fois que les dysfonctionnements ont été éliminés ou que de nouvelles charnières de porte ont été achetées, vous pouvez procéder à l'installation des ferrures à leur lieu de fixation d'origine.


Le processus d'assemblage de la charnière papillon sur la porte
Pour ce faire, la procédure suivante est effectuée étape par étape:
- Tout d'abord, les ferrures sont fixées à la barre verticale du cadre de la porte à l'aide de vis ou de vis. Il est extrêmement important de les resserrer le plus profondément possible afin que l'otvetka se mette en place et ne pende pas. Cependant, ne soyez pas trop zélé, sinon vous risquez d'arracher les fils, ce qui fera tout refaire.


Un exemple de fixation d'une porte à une charnière papillon - De plus, les pièces d'accouplement des ferrures sont vissées au vantail de la porte de manière à ce que, si nécessaire, vous puissiez serrer ou desserrer les vis ou les vis après avoir suspendu le vantail intérieur.


Il est à noter qu'il est préférable de disposer les parties d'accouplement des groupes de charnières avec des broches, précisément sur le vantail de la porte, sinon vous aurez des difficultés lors de la suspension de la porte.


Un exemple de fixation d'une porte papillon à une porte
- Une fois tous les éléments bien vissés, la porte intérieure peut prendre sa place.La procédure d'accrochage doit être effectuée à l'aide de secondes mains, afin de ne pas endommager les groupes de boucles au moment de l'accostage.


Une fois que toute la procédure est terminée, le produit entier doit être vérifié pour son fonctionnement. Pour ce faire, ouvrez et fermez la porte plusieurs fois.
Important. Les groupes de charnières de modèles de cartes ne sont utilisés que pour les portes intérieures. Lors de l'achat de tels éléments de quincaillerie, vous devez également faire attention au matériau à partir duquel ils sont fabriqués, car ces modèles de groupes de charnières ne conviennent pas à l'installation d'une porte lourde, en raison à la fragilité des composants de la charnière.
La vidéo montre comment éliminer les boucles de papillon qui s'affaissent.
Quels problèmes avec les charnières peuvent survenir
Pour quelles raisons peut-il être nécessaire de réparer ou de remplacer les auvents de la porte? Les principaux dysfonctionnements lors du fonctionnement des charnières sur entrée métal ou bois, intérieur, garage et autres toiles sont:
- Corrosion apparue, qui doit être nettoyée pour le bon fonctionnement des auvents.
- Blocage lors de l'ouverture et de la fermeture de la porte, résultant d'un manque d'entretien approprié - lubrification régulière du mécanisme de charnière.
- L'émergence de sons parasites lors du fonctionnement des accessoires - grincements, grincements, etc.
- Déformation des charnières due à des charges excessives. Par exemple, les produits ont été pliés en raison du fait que de jeunes enfants roulaient sur la porte, ou à la suite d'une tentative d'entrée illégale en retirant la toile des hangars.
- Usure naturelle de la charnière due au développement de la ressource de travail.
- Tirer les auvents de leur siège dans une boîte ou sur une toile. Cela se produit généralement en raison de la mauvaise taille des vis ou de leur desserrage dans la douille.
Des connaissances sur la façon de démonter les accessoires peuvent également être nécessaires si un appartement doit être réparé ou déplacé. Dans ce cas, le groupe d'entrée doit être démonté pour faciliter le retrait des meubles et autres éléments généraux de la pièce. En outre, les charnières sont retirées afin de les renforcer, d'apporter des modifications constructives pour augmenter la sécurité de la maison contre les intrusions illégales.
Petit résumé
Après avoir effectué le diagnostic, la réparation et après les travaux d'installation, les verrous de retrait du vantail de porte doivent être installés à leur place d'origine, qui sont vissés dans le groupe de charnières par le haut. Cela ne devrait être fait qu'au stade final, lorsque tous les travaux sont déjà terminés.


Charnière papillon bombée hors du cadre de la porte
De plus, avant de les installer, si nécessaire, vous devez également serrer les vis de fixation ou les vis, car elles pourraient se détacher sous la charge du vantail de la porte. Ce n'est qu'au stade très final que des superpositions décoratives peuvent être placées sur les charnières de la porte, ce qui cachera toutes les fixations. Après cela, le travail peut être considéré comme complètement terminé.
Instructions pour retirer la porte des charnières papillon


Les modifications de carte, dont le type papillon est le plus courant, ont un certain nombre de caractéristiques structurelles qui déterminent les exigences supplémentaires pour la désinstallation. Cette attache est visuellement similaire à une rainure dans laquelle 2 plaques de configuration courbe ou droite sont vissées avec des vis autotaraudeuses à la boîte et à la toile, reliées par un axe. Il n'y a rien de difficile à supprimer de telles boucles, si vous agissez dans le bon ordre:
- vous devez d'abord soutenir la structure par le bas;
- après cela, soulevez légèrement la toile avec un assistant, en tournant progressivement la monture;
- la porte peut être retirée lorsque la partie supérieure est retirée de la charnière.
Veuillez noter qu'il est permis de démonter de tels systèmes uniquement lorsqu'ils sont ouverts, sinon il ne sera tout simplement pas possible de soulever la porte à la hauteur requise.
Nuances d'installation


Extérieurement, cela semble simple, mais en réalité, ce n'est que partiellement si facile.Ne soyez pas dupe qu'il n'est pas nécessaire de préparer une rainure pour le montage - ce n'est qu'un petit avantage par rapport aux inconvénients.
Ce type de ferrures est ambigu - au fil du temps, les moitiés se déforment et cessent de se pénétrer sans problème, en plus de la moindre erreur de marquage, et les charnières commenceront à grincer, à se coincer et à cogner lorsque la porte sera fermée. En comparaison avec le facteur de forme classique, les possibilités de correction des défauts sont plutôt rares et loin de garantir un résultat à 100%.
- Les moitiés doivent se plier parfaitement, sinon elles se battront les unes contre les autres, ressortent. Cela doit être vérifié avant l'installation et ne vous attendez pas à ce qu'ils se redressent avec le temps.
- De telles charnières forment un certain espace, ce qui est dû au principe d'installation sans préparation de surface.
- Un problème peut également être le fait qu'il ne fonctionnera pas pour retirer la toile sans dévisser les attaches - c'est la conception. Mais pour beaucoup, ce n'est pas critique.
Témoignages
La plupart des personnes qui ont utilisé des charnières papillon lors de l'installation de portes intérieures ne partagent que des critiques positives. Le traitement opportun des raccords contribue à prolonger leur durée de vie. Les grincements rares sont résolus en une minute. Si nous parlons d'un défaut d'usine, alors le défaut peut être vu lors de l'achat tout en vérifiant le mécanisme de fermeture. Les spécialistes de l'installation de portes ne parlent qu'avec des mots flatteurs sur la conception des charnières papillon. Premièrement, c'est une méthode d'installation très pratique et simple, et deuxièmement, si les règles d'installation sont respectées, le résultat final dépasse toutes les attentes.


Pour plus d'informations sur la façon d'éliminer l'affaissement des boucles papillon, voir la vidéo suivante.
d'entre nous lors du déménagement et de la rénovation d'une nouvelle maison ou d'un nouvel appartement. En soi, la procédure de remontage des anciennes charnières est nécessaire s'il n'est pas conseillé d'acheter de nouveaux accessoires. Dans ce cas, nous examinerons en détail la procédure d'analyse en utilisant l'exemple de la quincaillerie de porte Archie, qui compte déjà de nombreux fans parmi les organisations de réparation et de construction en raison de la simplicité de l'installation et du fonctionnement ultérieur des vantaux de porte.
L'apparence et la conception de la charnière de porte papillon
Il est à noter que dans ce cas, nous examinerons la procédure de démontage de la charnière papillon, qui ne convient que pour les portes intérieures. Il est déraisonnable d'utiliser de tels modèles de charnières pour la porte d'entrée en raison de leur simplicité et de leur inadéquation aux toiles massives installées sur les groupes d'entrée.
Caractéristiques du
Lors de l'achat d'une porte intérieure, il est important de choisir les bonnes ferrures. Une attention particulière doit être portée aux charnières. Le choix d'une personne moderne se fait exclusivement au profit d'un produit de qualité; dans ce cas, les boucles papillon se contentent d'honneurs particulières. Ils se caractérisent par une résistance, une fiabilité et une sécurité accrues. Selon leurs caractéristiques, ces fermetures de porte sont du type carte. Et le nom «papillons» a été acquis en raison de l'apparence. Lorsqu'elles sont ouvertes, les charnières ressemblent aux ailes de cet insecte d'une beauté inhabituelle.















