Il existe différents mécanismes de charnière, mais les charnières papillon sont peut-être les plus faciles à installer dans une porte en bois.
Le mécanisme de charnière, dans l'ensemble, est extrêmement simple et est responsable de l'ouverture et, par conséquent, de la fermeture du vantail de porte, ainsi que de s'assurer qu'il est contigu au cadre de porte aussi étroitement que possible. Afin d'installer correctement les charnières sur les portes intérieures, avant de passer directement au processus d'installation, vous devez porter une attention particulière à leur conception. Si cela vous semble trop compliqué, il est préférable de confier le processus d'installation des charnières papillon sur les portes intérieures à des professionnels.
Caractéristiques de la charnière
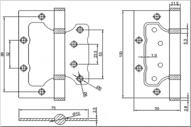
Les boucles papillon sont en deux parties. Lors de leur pliage, la plus petite partie est investie dans la plus grande. Par conséquent, l'installation de charnières papillon sur les portes intérieures ne nécessite pas la pose d'une rainure. Les auvents sont fixés avec du matériel et cela ne nécessite l'utilisation d'aucun outil professionnel.

Ce que c'est?
Les charnières de porte les plus courantes sont les charnières suspendues, car leur installation est la plus simple. Le reste des options sont en carton, recto-verso, il faut encastrer, c'est-à-dire faire des rainures au bout de la toile et de la boîte.
Il n'est pas nécessaire d'intégrer un papillon. Les cartes en boucle semblent être coupées dans une plaque et lorsque le rabat est fermé, la plus petite carte s'insère exactement dans la rainure de la plus grande carte. L'épaisseur de la plaque n'est que de 2,5 mm, elle s'intègre donc parfaitement dans l'écart technique habituel pour la feuillure - 3-4 mm.
Les cartes matérielles rappellent tellement les ailes de papillon que les charnières de porte ont été appelées ainsi. Sans lien, les installer de vos propres mains n'est pas difficile.


Cependant, cette conception présente également un inconvénient. Le papillon est monobloc, c'est-à-dire qu'il doit être fixé simultanément sur la toile et sur la contremarche de la boîte. Selon les critiques, ce n'est pas très pratique. La question se pose également de savoir comment retirer l'ouvrant des charnières lors du retrait d'un meuble, par exemple, ou de sa réparation. Malheureusement, il y a ici une difficulté: les ferrures devront être dévissées, faute de quoi le vantail de porte ne pourra pas être retiré.


Avantages et inconvénients des charnières
Avant de suspendre une porte intérieure sur des charnières papillon, vous devez déterminer leurs avantages par rapport aux autres types:
- Haute résistance à l'usure. Les raccords sont en acier inoxydable ou en laiton. Pour augmenter la résistance, le matériau est recouvert d'une couche électrolytique;
- L'installation ne nécessite pas l'aide d'un spécialiste, les charnières sont fixées sans insertion préalable;
- La toile à charnière papillon a un bon fonctionnement grâce aux roulements inclus dans la conception du matériel;
- Fixé sur les côtés gauche et droit;
- Parfaitement combiné avec différents styles à l'intérieur grâce à la large palette de couleurs des charnières.


Avant de mettre des charnières papillon sur une porte intérieure, vous devez regarder une vidéo avec leur examen et prendre en compte certaines de leurs lacunes pendant le fonctionnement. Parmi eux, il convient de souligner:
- La porte est facile à retirer, car la quincaillerie est à l'extérieur;
- Si la porte est équipée d'une bande feinte, les charnières papillon ne peuvent pas être fixées;
- Il y a formation fréquente de lacunes, ce qui est une sorte d'effet secondaire.
Lors de l'analyse des inconvénients et des avantages, il convient de décider par vous-même: attachez les boucles papillon ou utilisez des raccords plus appropriés.
avantages
- Étant donné que les charnières papillon ne coupent pas dans le vantail de la porte, mais sont fixées par le haut, le travail préparatoire nécessaire lorsque des charnières standard sont impliquées devient inutile. La facilité d'installation permet de suspendre les portes facilement, rapidement et sans trop de difficultés.
- Les charnières papillon ont une apparence intéressante: un peu vintage, mais très élégante, et donnant une saveur unique à n'importe quelle porte.
- Le faible coût de cette fixation la rend abordable pour absolument tout le monde.
- Les charnières sont assez fiables et durables. Avec une installation initiale compétente et un fonctionnement soigné, ils peuvent durer de nombreuses années.
- Les charnières papillon permettent de suspendre les portes des côtés droit et gauche.
En général, c'est la meilleure option pour les portes intérieures: rapide, pratique, esthétique et assez fiable.
Installation de boucles papillon
Comment fixer des charnières papillon à une porte intérieure? L'essentiel est de suivre les instructions étape par étape. Sinon, il peut y avoir des problèmes avec la compatibilité de la toile et de la boîte ou avec le renfoncement des touches.
Avant de fixer les charnières papillon à la porte intérieure, il convient de préparer tous les outils qui seront nécessaires lors de l'installation:
- Vis autotaraudeuses;
- Poinçon;
- Tournevis;
- Perceuses à bois;
- Roulette;
- Crayon de papeterie.


Après cela, vous pouvez procéder à l'installation directe des auvents.
Tout d'abord, vous devez décider du côté de l'installation des charnières sur la porte: à droite ou à gauche, après quoi vous pouvez faire un balisage. Du bas et du bord supérieur de la toile, 20-25 cm sont marqués, ce qui deviendra la base pour la fixation des accessoires.


Comme ce type de mécanisme ne nécessite pas de lien, les boucles sont appliquées à l'extrémité de la toile à un endroit marqué et, à l'aide d'un crayon, sont marquées avec des points de l'endroit, qui sont ensuite percés avec une perceuse.


Si vous ne savez pas très bien comment marquer et accrocher la porte sur les charnières papillon, vous devriez regarder la vidéo pour un exemple illustratif.
Une fois les trous percés, à l'aide de vis autotaraudeuses, les charnières sont vissées à la porte et à la boîte. Il est nécessaire d'accrocher la toile et de vérifier la fluidité de son mouvement afin qu'il n'y ait pas de bruit parasite. Si un défaut est détecté, la bande est supprimée et le problème est éliminé afin d'éviter toute distorsion à l'avenir.


Une fois les charnières papillon installées sur la porte intérieure, toutes les ferrures sont lubrifiées. À première vue, il peut sembler que tout est compliqué, mais dans la pratique, tout est beaucoup plus facile, plus compréhensible et peut être traité sans l'aide d'un spécialiste en peu de temps.
L'essentiel dans l'installation de boucles est de marquer correctement la toile. Comme le dit le proverbe: "Mesurez sept fois, coupez une fois".
Processus d'installation
C'est un modèle idéal pour un usage domestique ou pour les chalets d'été. Néanmoins, de nombreux artisans l'évitent, préférant, en règle générale, une mortaise robuste et esthétiquement plus attrayante.
Noter! Malgré le fait que chaque option a son propre algorithme d'installation, les papillons se distinguent par son absence presque complète: vous pouvez l'installer, avec un peu de réflexion, même sans l'aide d'Internet.


Processus d'installation
Avant de commencer à travailler, vous devez vérifier quels outils de la liste ci-dessous sont disponibles et, si nécessaire, acheter:
- couteau de papeterie;
- tournevis / perceuse;
- attaches;
- percer.
Les actions commencent par la détermination du point d'attache. Pour ce faire, 20 centimètres s'éloignent du bas et du haut de l'extrémité et tracez une ligne - c'est, respectivement, les limites inférieure et supérieure sur lesquelles le bord des auvents aériens sera situé.


Le processus d'annotation
Après cela, des notes sont prises à la fin pour les futures fixations.Afin d'éviter l'apparition de fissures, avant de commencer à visser les vis, elles sont passées le long des marques à l'aide d'une perceuse. La profondeur de 3 millimètres suffit à éviter le phénomène gênant.
Le produit diffère des autres types en ce qu'il n'est pas séparable. Cela signifie qu'il est entier et ne peut pas être divisé. Il doit être appliqué à la boîte pour les notes avec le canevas.
Sur la boîte elle-même, l'algorithme d'installation des options de surcharge est similaire aux étapes de la fixation au système. La seule différence est qu'il n'est pas nécessaire d'effectuer des mesures précises.
Difficultés lors de l'installation
Lors de l'installation, certaines difficultés peuvent survenir, qui sont influencées par des facteurs externes. Il peut y avoir un espace entre la charnière et le cadre de la porte. Dans ce cas, la porte ne se fermera pas hermétiquement, mais le moyen de sortir de cette situation sera un petit morceau de carton ou une allumette, jouant le rôle d'une sorte de joint. De cette façon, vous pouvez vous débarrasser de l'écart.
Nuances d'installation
Lors de la fixation de matériel entre des attaches sur différentes parties de la carte, il est nécessaire de maintenir la même distance. Si cela n'est pas fait, des problèmes de fonctionnement peuvent survenir à l'avenir.
L'installation des charnières est effectuée dans un endroit sûr sur la porte, où se trouve une poutre en bois. Si cela est fait ailleurs, vous ne pouvez que gâcher le vantail de la porte et à l'avenir, il sera nécessaire de le remplacer.


Il est nécessaire d'aborder la fixation des parties des auvents avec toute la responsabilité, de sorte qu'en conséquence, les deux parties s'accrochent sans problème. Les charnières papillon pour portes intérieures doivent reposer à plat sur l'extrémité du vantail de la porte si l'installation est correcte.
Vous pouvez également trouver des charnières dont les cartes présentent un écart interne et externe de 1 mm. Ce type est beaucoup plus pratique à utiliser et l'installation est effectuée selon la même technique.
Erreurs courantes
La chose la plus inoffensive est qu'il peut s'agir d'une mauvaise indentation par rapport au bord de la toile. Si les charnières sont correctement réglées, mais trop près des bords, vous ruinerez simplement le look.


La distance au bord de la bande est trop courte.
L'erreur suivante et la plus courante est lorsque les gens confondent les emplacements d'installation, la petite partie intérieure de la charnière est attachée à la boîte et la grande partie extérieure à la toile. Cette configuration est dangereuse pour plusieurs raisons.
Si la partie extérieure de la boucle longe le bord de la toile, les trous seront à une distance de quelques millimètres du bord, respectivement, si vous tournez un peu la vis autotaraudeuse et elle sortira de le côté ou un nœud peut être attrapé et le bord extérieur se rompra complètement.


Les trous sont trop proches du bord.
Avec une installation correcte, les trous de la petite partie du papillon seront situés presque au centre du vantail de la porte, ce qui signifie que vous ne devriez pas avoir peur des fissures ou des distorsions.


Installation correcte de la boucle sur la toile.
Avec la boîte, les choses ne vont pas mieux. La photo montre que les trous sont trop proches et que l'épaisseur de la boîte légère est petite, elle peut donc éclater sous la charge.


L'intérieur du papillon ne peut pas être attaché à la boîte.
De plus, la boîte est généralement fixée au mur avec des ancrages à 3 endroits - ce sont deux points sous les charnières et un dans la zone du château. Si nous faisons tout comme prévu, alors nous aurons 2 endroits où nous pouvons enfoncer l'ancre et la recouvrir d'une boucle, sinon l'ancre sera visible, ce qui n'est pas non plus très bon.


Points où vous pouvez enfoncer les ancrages de fixation de la boîte.
Il y a une nuance de plus, lors de l'installation, toutes les charnières doivent être strictement parallèles les unes aux autres. La moindre inclinaison verticalement ou horizontalement fera que la porte commencera à «jouer» et éventuellement la charnière éclatera ou les vis éclateront.


La charnière n'est pas inclinée verticalement et horizontalement.
Problèmes possibles avec la boucle papillon
Même un débutant peut comprendre comment installer correctement les charnières papillon sur les portes intérieures. Ils ont un design simple et concis, mais néanmoins, si vous n'avez pas d'expérience en menuiserie, des erreurs peuvent survenir, qui apparaîtront au fil du temps sous la forme d'un grincement, d'une ouverture spontanée de la toile ou, au contraire, d'une fermeture étanche.
Si la porte grince ou s'ouvre involontairement, la raison peut être due aux ailes de charnière desserrées à l'extrémité ou à la boîte. Pour résoudre ce problème, il vaut la peine de placer un petit morceau de carton sous la boucle afin qu'il s'adapte parfaitement à la boîte ou à la toile.


Si la porte ne se ferme pas complètement, il vaut la peine de remplacer les charnières qui ne sont pas situées dans un seul plan. Les hangars doivent être remplacés par des plus adaptés à cette conception.
Si la toile ne peut pas être fermée hermétiquement, la boucle supérieure s'affaisse. Cela peut indiquer que lors de l'installation des charnières, le jeu correct n'a pas été observé, c'est-à-dire que plus que nécessaire.


Ce problème se fait principalement sentir lorsque tous les travaux d'installation sont terminés et lors de la modification, des dommages importants à la toile peuvent être causés. Dans ce cas, les experts recommandent de noyer la carte externe dans le cadre de la porte.
Avant de décider comment installer les charnières papillon sur les portes intérieures, il convient d'examiner tous leurs avantages et inconvénients afin de s'assurer enfin de la nécessité d'installer ce type de quincaillerie. En outre, les experts conseillent, en particulier pour les débutants, de regarder une vidéo sur la bonne installation afin d'éviter d'endommager la toile, l'affaissement, la formation d'un espace et d'autres problèmes résultant du non-respect des règles d'installation des boucles papillon.
Les inconvénients
Pour être honnête, il est nécessaire de nommer les inconvénients de ce type de fixation de porte.
- Le dispositif de charnière papillon ne permet pas de retirer la porte installée des charnières. Autrement dit, si le besoin de retirer le vantail de la porte se fait sentir, les charnières devront être complètement démontées.
- Parfois, lors de l'utilisation de ce modèle de fixations, des distorsions du cadre de porte se produisent, ce qui n'ajoute ni beauté ni harmonie.
- Les charnières papillon ne conviennent que pour les portes légères: ce modèle ne supporte pas une lourde feuille de chêne.


En raison des inconvénients énumérés, les boucles de mortaise sont plus populaires pour ce type de travail. Mais pour les débutants, et si la porte est également légère, les charnières papillon peuvent être une alternative assez pratique et plus simple aux fixations standard.
Retrouvez ici toutes les informations sur les dimensions des huisseries pour portes intérieures.
Le bon choix de ferrures
Le choix des boucles papillon doit être influencé par plusieurs facteurs qui déterminent les caractéristiques:
- Matériel. Les charnières en acier se caractérisent par une très haute résistance aux charges et ne s'usent pratiquement pas, même en cas d'utilisation active. Vous pouvez également acheter des charnières en laiton - elles dureront non seulement longtemps, mais ne rouilleront pas non plus avec le temps.


Boucles papillon en divers matériaux
- Nombre. Dans la plupart des cas, deux charnières suffisent, cependant, en fonction des paramètres de la porte (poids et hauteur), le nombre de ferrures peut varier de deux à cinq charnières, qui sont installées uniformément sur toute la longueur de la surface.
- Fabricant. Un paramètre important, car l'achat de charnières auprès d'un fabricant inconnu ne se termine généralement pas bien: les ferrures tombent rapidement en panne, ce qui entraîne une distorsion de la porte et d'autres déformations dangereuses. Prenez des charnières uniquement de fabricants fiables, bien connus et de confiance.
Lorsque vous choisissez des accessoires dans un magasin, vous pouvez consulter le vendeur pour savoir quelles boucles papillon conviennent à votre cas. Cela ne fera pas de mal d'écouter son opinion.
N'oubliez pas de vérifier si vous avez besoin de boucles droite ou gauche avant d'acheter.Le mauvais kit ne conviendra tout simplement pas correctement et vous gaspillerez de l'argent.























