Qu'est-ce qu'un diagramme schématique
Vous pouvez lire la définition académique d'un diagramme schématique sur Wikipédia, ici je vous rappelle :
Un diagramme schématique est un dessin réalisé à l'aide de symboles conventionnels et montrant l'interaction d'éléments d'un appareil ou d'une unité préfabriquée, sans leur emplacement physique.
L'objectif principal du schéma est de montrer comment les éléments de l'installation sont connectés et dans quel ordre.
Les désignations sur les schémas normatifs sont effectuées par des conventions, conformément aux documents GOST. Pour le chauffage, il s'agit de GOST 21.609-83, GOST 21-606-95: Normes pour la mise en œuvre de dessins d'équipements thermiques à l'intérieur d'un bâtiment.
Il convient de noter que pour les systèmes de chauffage du réseau, vous pouvez trouver de nombreux schémas visuels, où au lieu de symboles normatifs, des images montrant les éléments du système de chauffage sont utilisées.
Caractéristiques des dessins
Lors de l'élaboration d'un schéma axonométrique, faites attention aux points suivants :
- La plomberie et les autres appareils connectés aux colonnes montantes et au réseau de distribution ne sont reflétés que lorsqu'il n'y a pas de schémas nécessaires dans la documentation jointe.
- La marque zéro (le niveau du premier étage) est indiquée sur les contremarches en traçant une fine ligne horizontale. Dans le cas du détail du projet, chacun des nœuds du dessin est considéré séparément, le reflétant à une échelle agrandie.
- Si nécessaire, les croquis de schémas et de dessins des réseaux d'approvisionnement en eau et des systèmes d'assainissement comprennent des symboles pour les vannes d'arrêt et de régulation, les robinets d'arrosage et d'autres éléments des systèmes.
Qu'est-ce qu'un four
Dans cet article, je vais vous montrer un schéma de base d'un four, il ne fait donc pas de mal de se rappeler de quoi il s'agit.
Le four d'une maison privée est une pièce située à l'intérieur d'une maison ou d'une annexe, dans laquelle l'équipement du système de chauffage de la maison est prévu et sera placé, à savoir une ou deux chaudières de chauffage d'une capacité maximale de 100 kW, chacun.
Les locaux du four nécessitent une préparation particulière. Pour eux, la taille, l'emplacement, la ventilation et d'autres paramètres à respecter sont normalisés. Lire la suite ici.
Schéma de principe dans le cadre d'un projet de maison
La construction d'une maison privée, que nous appelons correcte, doit être réalisée en fonction du projet. Peu importe le type de projet que ce sera, prêt à l'emploi avec des modifications ou individuel, la chose principale qu'il devrait être.
La partie ingénierie fait partie intégrante du projet de maison. Il comprend des dessins pour tous les équipements d'ingénierie et les réseaux d'ingénierie à l'intérieur et à l'extérieur de la maison. La partie chauffage du projet s'appelle Dessins d'atelier de chauffage et de ventilation. Un jeu de dessins OV se compose des feuilles suivantes (par exemple) :
- Schéma du système de chauffage ;
- Schémas de chauffage avec radiateurs et/ou planchers chauffants ;
- Connexion des armoires de collecteurs ;
- Schéma de principe du four.
Comme vous pouvez le voir, le schéma du four est inclus dans l'ensemble des dessins d'exécution du VO.
Radiateurs à panneaux avec raccordement par le bas avantages et inconvénients
Pour choisir des radiateurs pour la maison, vous devez décider de la puissance nécessaire. Pour ce faire, vous devez connaître la température de l'eau fournie par le chauffage central. En général, avec l'aide de spécialistes, vous devez calculer la puissance requise des radiateurs. Pour déterminer quelle connexion est la meilleure, côté ou bas, vous devez réfléchir à pourquoi le côté est pire et pourquoi le bas est meilleur, ou vice versa. (Voir aussi : Comment calculer les radiateurs de chauffage)

Les radiateurs avec un raccordement inférieur coûtent plus cher, car en bas, vous pouvez raccorder des tuyaux posés sur le sol. Si vous avez besoin d'un raccordement latéral, vous devez sélectionner l'option radiateurs avec raccordement latéral. Il est possible de raccorder des tuyaux supplémentaires par le côté. Tout dépend des caractéristiques esthétiques de chaque personne. Les goûts et les préférences peuvent varier. Chaque propriétaire d'une maison et d'un appartement peut être préférable et plus pratique à l'une ou l'autre option de connexion au système de chauffage central.
Les radiateurs à raccordements inférieurs sont de deux types :
- Droitier
Gaucher
Ainsi, par exemple, pour les radiateurs panneaux Purmo, vous pouvez choisir l'un ou l'autre type de raccordement.
L'avantage d'un tel radiateur est en grande partie dû à la qualité et au design moderne, ce qui garantit que l'acheteur choisira ce fabricant de batterie en particulier.
Les radiateurs panneaux en acier Dia Norm sont spécialement conçus pour les goûts des jeunes d'aujourd'hui. Toutes les demandes et caprices sont ici pris en compte. L'essentiel est que l'équipement soit conçu pour un système de chauffage à économie d'énergie. Et cette question est très pertinente aujourd'hui et c'est sur ce critère que l'acheteur est principalement guidé lors du choix des radiateurs.
L'acier est le meilleur matériau pour fabriquer des batteries à ce stade, c'est mieux que la fonte et l'aluminium, car la fonte est trop rugueuse, en termes simples, et elle est aussi "vieille", mais l'aluminium est trop vulnérable et ne peut pas résister charges lourdes.
Symboles des schémas de chauffage
Contrairement aux schémas de chauffage visuel, dans lesquels les désignations sont plus ou moins claires, dans le schéma de principe correct, les désignations nécessitent une explication. Vous pouvez les trouver dans GOST 21.205-93 SPDS: Symboles des éléments des systèmes sanitaires. Vous trouverez ci-dessous 9 cartes avec des symboles sur les dessins des systèmes de chauffage.
Symboles des réservoirs et des pompes


Symboles de vanne


Symboles de grue


Symboles de conduite


Symboles de tuyaux


Légende des itinéraires


Symboles de tuyauterie


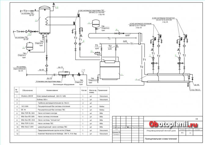
Schéma de principe du four - exemple
Je propose de voir un exemple, un schéma de four d'un projet fini d'une maison privée, d'une superficie d'environ 350 mètres.


Dans cet exemple de schéma de base d'une fournaise, une chaudière à gaz murale est utilisée, en tant que type de chaudière de chauffage le plus populaire. Des chaudières à gaz murales similaires sont utilisées dans les maisons jusqu'à 300 m². mètres, la puissance des chaudières est faible, de 30 à 50 kW. La construction de la chaudière à gaz murale est très compacte et comprend tous les éléments nécessaires. Pour cette raison, les chaudières à gaz murales sont souvent appelées mini chaufferies.
Descriptif du circuit
Ce schéma utilise une chaudière à gaz murale à deux circuits de Viesmann (1), d'une capacité de 8,0 à 31,7 kW. En plus du système de chauffage, le schéma prévoit un système d'alimentation en eau chaude (2) (une chaudière de la même entreprise pour 300 litres) et un système de chauffage avec des planchers chauffants.
Dans les systèmes de chauffage et d'eau chaude, les vases d'expansion (4), (5) de Reflex sont utilisés. Pour améliorer la circulation dans les systèmes, les pompes Wilo sont fournies :
- Pompe de circuit de chaudière (6) ;
- Pompe du système de chauffage (7) ;
- Pompe du système de chauffage par le sol (8) ;
- Pompe ECS (9) et pompe de circulation (10).
Une attention particulière doit être portée à deux collecteurs de distribution dу = 76 × 3,5 (selon le schéma 3).
Pour plus de sécurité, il existe deux groupes Vissmann :
Chaudière sécurité groupe 3 bar (11) ;
Kit sécurité chaudière (12) DN15, H = 6 bar.
Tous les éléments du schéma de circuit sont détaillés dans la spécification du circuit.


Diagrammes thermiques des unités thermiques : comment lire les dessins et ce qu'ils signifient
Il n'y a pas besoin d'en dire beaucoup sur l'importance d'un point de chaleur dans le système général d'alimentation en chaleur.Les circuits thermiques des unités de chauffage interviennent à la fois dans le réseau et dans le système de consommation interne.
Le concept d'un point de chaleur
L'efficacité d'utilisation et le niveau d'apport de chaleur au consommateur dépendent directement du bon fonctionnement de l'équipement.
En effet, un point chaud représente une frontière légale, ce qui en soi implique de l'équiper d'un ensemble d'équipements de contrôle et de mesure. Grâce à un tel remplissage interne, la définition de la responsabilité mutuelle des parties devient plus accessible. Mais avant d'aborder cela, il est nécessaire de comprendre comment fonctionnent les circuits thermiques des unités thermiques et pourquoi les lire.
Comment déterminer le schéma d'une unité de chauffage
Pour déterminer le schéma et l'équipement d'un point de chaleur, ils s'appuient sur les caractéristiques techniques du système de consommation de chaleur local, la branche externe du réseau, le mode de fonctionnement des systèmes et leurs sources.
Dans cette section, vous vous familiariserez avec les graphiques de consommation de caloporteur - le diagramme thermique de l'unité de chauffage.
Un examen détaillé vous permettra de comprendre comment s'effectue le raccordement au collecteur commun, la pression à l'intérieur du réseau et par rapport au fluide caloporteur, dont les indicateurs dépendent directement de la consommation de chaleur.
Important! Dans le cas du raccordement d'une unité de chauffage non pas à un collecteur, mais à un réseau de chaleur, le débit du caloporteur d'une branche influe inévitablement sur le débit de l'autre.
Analyse du schéma de l'unité de chauffage en détail
La figure montre deux types de raccordements : a - dans le cas d'un raccordement direct des consommateurs au collecteur ; b - lorsqu'il est connecté à une branche d'un réseau de chauffage.
Le dessin reflète les changements graphiques du débit du liquide de refroidissement lorsque de telles circonstances se produisent :
A - lors du raccordement des systèmes de chauffage et d'alimentation en eau (chaude) aux collecteurs de la source de chaleur séparément.
B - lors de l'insertion des mêmes systèmes dans un réseau de chauffage externe. Fait intéressant, la connexion dans ce cas se distingue par des taux élevés de perte de pression dans le système.
Considérant la première option, il convient de noter que les indicateurs du débit total du liquide de refroidissement augmentent de manière synchrone avec le débit d'alimentation en eau chaude (en mode I, II, III), tandis que dans la seconde, bien que l'augmentation du le débit de l'unité de chauffage a lieu, avec lui les consommations de chauffage sont automatiquement réduites.
Sur la base des caractéristiques décrites du circuit thermique de l'unité de chauffage, on peut conclure qu'en raison du débit total du liquide de refroidissement considéré dans la première version, lorsqu'il est appliqué en pratique, il est d'environ 80% du débit lors de l'utilisation du deuxième prototype du circuit.
La place du circuit dans la conception
Lors de la conception d'un circuit d'unité de chauffage pour le chauffage dans un quartier résidentiel, à condition que le système d'alimentation en chaleur soit fermé, faites particulièrement attention au choix d'un circuit de raccordement des chauffe-eau au réseau. Le projet retenu déterminera les débits estimés des caloporteurs, les fonctions et modes de régulation, etc.
Le choix du schéma de l'unité de chauffage pour le chauffage est principalement déterminé par le régime thermique établi du réseau. Si le réseau fonctionne selon le programme de chauffage, la sélection du dessin est effectuée sur la base du calcul technico-économique. Dans ce cas, les schémas parallèles et mixtes des unités de chauffage sont comparés.
Caractéristiques de l'équipement de point de chaleur
Pour que le réseau de chauffage de la maison fonctionne correctement, les points de chauffage sont en plus installés :
- robinets-vannes et vannes;
- filtres spéciaux qui piègent les particules de saleté;
- appareils de contrôle et statistiques : thermostats, manomètres, débitmètres ;
- pompes auxiliaires ou de secours.
Symboles schématiques et comment les lire
La figure ci-dessus montre un schéma de principe d'une unité de chauffage avec une description détaillée de tous les éléments constitutifs.
| Numéro d'article | symbole |
| 1 | Vanne à trois voies |
| 2 | Robinet-vanne |
| 3 | Grue de liège |
| 4,12 | Puisard |
| 5 | Clapet anti-retour |
| 6 | Rondelle d'accélérateur |
| 7 | Raccord en V pour thermomètre |
| 8 | Thermomètre |
| 9 | Manomètre |
| 10 | Ascenseur |
| 11 | Compteur de chaleur |
| 13 | Compteur d'eau |
| 14 | Régulateur de débit d'eau |
| 15 | Régulateur de vapeur |
| 16 | Vannes dans le système |
| 17 | Ligne de trait |
Les désignations sur les schémas des unités thermiques permettent de comprendre le fonctionnement de l'unité en étudiant le circuit.
Les ingénieurs, guidés par les dessins, peuvent prédire où une panne se produit dans le réseau avec les problèmes observés, et la résoudre rapidement. Les diagrammes de nœuds de chauffage sont également utiles si vous concevez une nouvelle maison. De tels calculs sont nécessairement inclus dans l'ensemble de la documentation du projet, car sans eux, il est impossible de terminer l'installation du système et le câblage dans toute la maison.
https://www.youtube.com/watch?v=WaIEEZUbeb0
Les informations sur ce qu'est un dessin d'un système thermique et comment le mettre en pratique seront utiles à tous ceux qui ont rencontré au moins une fois dans leur vie des appareils de chauffage ou de chauffage de l'eau.
Nous espérons que le matériel fourni dans l'article vous aidera à comprendre les concepts de base, à comprendre comment déterminer les nœuds principaux et les points de désignation des éléments fondamentaux sur le diagramme.
Source : https://autogear.ru/article/334/409/teplovyie-shemyi-teplovyih-uzlov-kak-chitat-cherteji-i-chto-oni-znachat/